交通灯的时间控制梯形图
- 格式:docx
- 大小:33.03 KB
- 文档页数:1
电气与电子信息工程学院《电气控制与PLC课程设计》设计报告名称:十字路口红绿灯的设计专业名称:电气工程及其自动化班级:学号:姓名:指导教师:设计时间:2013年6月3日—2013年6月14日设计地点: K3-218 PLC实验室摘要PLC可编程序控制器是以微处理器为基础,综合了计算机技术、自动控制技术和通讯技术发展而来的一种新型工业控制装置。
它具有结构简单、编程方便、可靠性高等优点,已广泛用于工业过程和位置的自动控制中。
据统计,可编程控制器是工业自动化装置中应用最多的一种设备。
专家认为,可编程控制器将成为今后工业控制的主要手段和重要的基础设备之一,PLC、机器人、CAD/CAM将成为工业生产的三大支柱。
由于PLC具有对使用环境适应性强的特性,同时其内部定时器资源十分丰富,可对目前普遍使用的“渐进式”信号灯进行精确控制,特别对多岔路口的控制可方便地实现。
因此现在越来越多地将PLC应用于交通灯系统中。
可缩短车辆通行等候时间,实现科学化管理。
在该设计中,还引入EDA模拟十字路口红绿灯闪亮及车辆通行,十分形象地显示出了PLC在交通灯系统中的实际应用。
【关键词】:十字路口交通灯 PLCAbstractThe PLC programmable logic controller is a new industrial control devices, which is based on microprocessor, synthesizes computer technology, automatic control technology and communication technologies. It has the simple structure, the convenient programming, the reliable higher merit, and has widely used in the commercial run and position automatic control. Statistics have indicated, the programmable controller is most one kind of equipment in the industrial automation installment applies. The expert believed that the programmable controller will become the main method and one of important foundation equipment in further, PLC, the robot, CAD/CAM will become the industrial production three big props. Because PLC adapts to environment strong, simultaneously its internal timer resources are extremely rich, which carry on the accuracy control to the present universal use many “the evolution type” the signal light, special to the multi-road fork control. Therefore the present PLC is used in the traffic light system, which may reduce the vehicles general waiting time and realize scientific style management. In this design, also introduces the EDA simulation intersection traffic light to glisten and the vehicles to passes through, which visual demonstrates PLC in the traffic light system practical application.【Key words】crossroads traffic light PLC交通信号灯的作用和意义随着社会经济的发展,城市交通问题越来越引起人们的关注。
电气与电子信息工程学院《电气控制与PLC课程设计》设计报告名称:十字路口红绿灯的设计专业名称:电气工程及其自动化班级:学号:姓名:指导教师:设计时间:2013年6月3日—2013年6月14日设计地点: K3-218 PLC实验室摘要PLC可编程序控制器是以微处理器为基础,综合了计算机技术、自动控制技术和通讯技术发展而来的一种新型工业控制装置。
它具有结构简单、编程方便、可靠性高等优点,已广泛用于工业过程和位置的自动控制中。
据统计,可编程控制器是工业自动化装置中应用最多的一种设备。
专家认为,可编程控制器将成为今后工业控制的主要手段和重要的基础设备之一,PLC、机器人、CAD/CAM将成为工业生产的三大支柱。
由于PLC具有对使用环境适应性强的特性,同时其内部定时器资源十分丰富,可对目前普遍使用的“渐进式”信号灯进行精确控制,特别对多岔路口的控制可方便地实现。
因此现在越来越多地将PLC应用于交通灯系统中。
可缩短车辆通行等候时间,实现科学化管理。
在该设计中,还引入EDA模拟十字路口红绿灯闪亮及车辆通行,十分形象地显示出了PLC在交通灯系统中的实际应用。
【关键词】:十字路口交通灯 PLCAbstractThe PLC programmable logic controller is a new industrial control devices, which is based on microprocessor, synthesizes computer technology, automatic control technology and communication technologies. It has the simple structure, the convenient programming, the reliable higher merit, and has widely used in the commercial run and position automatic control. Statistics have indicated, the programmable controller is most one kind of equipment in the industrial automation installment applies. The expert believed that the programmable controller will become the main method and one of important foundation equipment in further, PLC, the robot, CAD/CAM will become the industrial production three big props. Because PLC adapts to environment strong, simultaneously its internal timer resources are extremely rich, which carry on the accuracy control to the present universal use many “the evolution type” the signal light, special to the multi-road fork control. Therefore the present PLC is used in the traffic light system, which may reduce the vehicles general waiting time and realize scientific style management. In this design, also introduces the EDA simulation intersection traffic light to glisten and the vehicles to passes through, which visual demonstrates PLC in the traffic light system practical application.【Key words】crossroads traffic light PLC交通信号灯的作用和意义随着社会经济的发展,城市交通问题越来越引起人们的关注。
电气与电子信息工程学院《电气控制与PLC课程设计》设计报告名称:十字路口红绿灯的设计专业名称:电气工程及其自动化班级:学号:姓名:指导教师:设计时间:2013年6月3日—2013年6月14日设计地点: K3-218 PLC实验室摘要PLC可编程序控制器是以微处理器为基础,综合了计算机技术、自动控制技术和通讯技术发展而来的一种新型工业控制装置。
它具有结构简单、编程方便、可靠性高等优点,已广泛用于工业过程和位置的自动控制中。
据统计,可编程控制器是工业自动化装置中应用最多的一种设备。
专家认为,可编程控制器将成为今后工业控制的主要手段和重要的基础设备之一,PLC、机器人、CAD/CAM将成为工业生产的三大支柱。
由于PLC具有对使用环境适应性强的特性,同时其内部定时器资源十分丰富,可对目前普遍使用的“渐进式”信号灯进行精确控制,特别对多岔路口的控制可方便地实现。
因此现在越来越多地将PLC应用于交通灯系统中。
可缩短车辆通行等候时间,实现科学化管理。
在该设计中,还引入EDA模拟十字路口红绿灯闪亮及车辆通行,十分形象地显示出了PLC在交通灯系统中的实际应用。
【关键词】:十字路口交通灯 PLCAbstractThe PLC programmable logic controller is a new industrial control devices, which is based on microprocessor, synthesizes computer technology, automatic control technology and communication technologies. It has the simple structure, the convenient programming, the reliable higher merit, and has widely used in the commercial run and position automatic control. Statistics have indicated, the programmable controller is most one kind of equipment in the industrial automation installment applies. The expert believed that the programmable controller will become the main method and one of important foundation equipment in further, PLC, the robot, CAD/CAM will become the industrial production three big props. Because PLC adapts to environment strong, simultaneously its internal timer resources are extremely rich, which carry on the accuracy control to the present universal use many “the evolution type” the signal light, special to the multi-road fork control. Therefore the present PLC is used in the traffic light system, which may reduce the vehicles general waiting time and realize scientific style management. In this design, also introduces the EDA simulation intersection traffic light to glisten and the vehicles to passes through, which visual demonstrates PLC in the traffic light system practical application.【Key words】crossroads traffic light PLC交通信号灯的作用和意义随着社会经济的发展,城市交通问题越来越引起人们的关注。
电气与电子信息工程学院《电气控制与PLC课程设计》设计报告名称:十字路口红绿灯的设计专业名称:电气工程及其自动化班级:学号:姓名:指导教师:设计时间:2013年6月3日—2013年6月14日设计地点: K3-218 PLC实验室摘要PLC可编程序控制器是以微处理器为基础,综合了计算机技术、自动控制技术和通讯技术发展而来的一种新型工业控制装置。
它具有结构简单、编程方便、可靠性高等优点,已广泛用于工业过程和位置的自动控制中。
据统计,可编程控制器是工业自动化装置中应用最多的一种设备。
专家认为,可编程控制器将成为今后工业控制的主要手段和重要的基础设备之一,PLC、机器人、CAD/CAM将成为工业生产的三大支柱。
由于PLC具有对使用环境适应性强的特性,同时其内部定时器资源十分丰富,可对目前普遍使用的“渐进式”信号灯进行精确控制,特别对多岔路口的控制可方便地实现。
因此现在越来越多地将PLC应用于交通灯系统中。
可缩短车辆通行等候时间,实现科学化管理。
在该设计中,还引入EDA模拟十字路口红绿灯闪亮及车辆通行,十分形象地显示出了PLC在交通灯系统中的实际应用。
【关键词】:十字路口交通灯 PLCAbstractThe PLC programmable logic controller is a new industrial control devices, which is based on microprocessor, synthesizes computer technology, automatic control technology and communication technologies. It has the simple structure, the convenient programming, the reliable higher merit, and has widely used in the commercial run and position automatic control. Statistics have indicated, the programmable controller is most one kind of equipment in the industrial automation installment applies. The expert believed that the programmable controller will become the main method and one of important foundation equipment in further, PLC, the robot, CAD/CAM will become the industrial production three big props. Because PLC adapts to environment strong, simultaneously its internal timer resources are extremely rich, which carry on the accuracy control to the present universal use many “the evolution type” the signal light, special to the multi-road fork control. Therefore the present PLC is used in the traffic light system, which may reduce the vehicles general waiting time and realize scientific style management. In this design, also introduces the EDA simulation intersection traffic light to glisten and the vehicles to passes through, which visual demonstrates PLC in the traffic light system practical application.【Key words】crossroads traffic light PLC交通信号灯的作用和意义随着社会经济的发展,城市交通问题越来越引起人们的关注。
十字路口南北及东西方向均设有红、黄、绿三个信号灯,六个灯以一定的时间顺序循环往复工作。
如下表所示:
方向时间顺序
南北方向南北绿(8s),东西红(8s)
南北黄(2.1s),东西红(2.1s),
南北红(10.1s),东西绿(8s),东西黄(2.1s)
东西方向东西红(10.1s),南北绿(8s),南北黄(2.1s)东西绿(8s),南北红(8s)
东西黄(2.1s),南北红(2.1s)
相应的元器件安排如下:
元器件作用
X000起动及循环起点,南北绿,东西红。
Y000南北绿输出
Y001南北黄输出
Y002东西红输出
Y003东西绿输出
Y004东西黄输出
Y005南北红输出
M0中间继电器,把X000的状态保持。
T0东西红定时
T1东西绿定时
T2东西黄定时
T3南北绿定时
T4南北黄定时
T5南北红定时
根据以上分析,其梯形图可设计如图1。
交通信号灯控制电路
工作原理:
白天工作状态要求:东西方向绿灯亮40s,然后黄灯闪三下(1下/秒,共5秒),然后红灯亮20s,而南北方向为红灯亮40s,然后绿灯亮20s,然后黄灯也闪三下;如此周期循环下去。
由软件设置交通灯的初始时间,南北方向通行40秒,东西方向通行20秒,倒计时数码管采用动态显示,P0口送字形码,P2口送字位选通信号,通过单片机的P1口控制各种信号灯的燃亮与熄灭。
采用中
断方式实现按键的功能。
主控芯片采用A T89S52单片机,因为系统要求南北和东西方向的信号灯
时间不一样,所以就利用单片机的P0口(P00-P06)送出数据的段码,位选信号用P2口(P20-P23、27)送出,用动态扫描的方法显示东西、南北的倒计时间(如图4所示)。
数码管使用共阴数码管,需要接上470欧上拉电阻以提供足够大的电流来驱动数码管,数码管的每段的电流是约10毫安。
本设计利用单片机的P1口(P10-P13)来驱动和控制各种信号灯的燃亮和燃亮时间。
电气与电子信息工程学院《电气控制与PLC课程设计》设计报告名称:十字路口红绿灯的设计专业名称:电气工程及其自动化班级:学号:姓名:指导教师:设计时间:2013年6月3日—2013年6月14日设计地点: K3-218 PLC实验室摘要PLC可编程序控制器是以微处理器为基础,综合了计算机技术、自动控制技术和通讯技术发展而来的一种新型工业控制装置。
它具有结构简单、编程方便、可靠性高等优点,已广泛用于工业过程和位置的自动控制中。
据统计,可编程控制器是工业自动化装置中应用最多的一种设备。
专家认为,可编程控制器将成为今后工业控制的主要手段和重要的基础设备之一,PLC、机器人、CAD/CAM将成为工业生产的三大支柱。
由于PLC具有对使用环境适应性强的特性,同时其内部定时器资源十分丰富,可对目前普遍使用的“渐进式”信号灯进行精确控制,特别对多岔路口的控制可方便地实现。
因此现在越来越多地将PLC应用于交通灯系统中。
可缩短车辆通行等候时间,实现科学化管理。
在该设计中,还引入EDA模拟十字路口红绿灯闪亮及车辆通行,十分形象地显示出了PLC在交通灯系统中的实际应用。
【关键词】:十字路口交通灯 PLCAbstractThe PLC programmable logic controller is a new industrial control devices, which is based on microprocessor, synthesizes computer technology, automatic control technology and communication technologies. It has the simple structure, the convenient programming, the reliable higher merit, and has widely used in the commercial run and position automatic control. Statistics have indicated, the programmable controller is most one kind of equipment in the industrial automation installment applies. The expert believed that the programmable controller will become the main method and one of important foundation equipment in further, PLC, the robot, CAD/CAM will become the industrial production three big props. Because PLC adapts to environment strong, simultaneously its internal timer resources are extremely rich, which carry on the accuracy control to the present universal use many “the evolution type” the signal light, special to the multi-road fork control. Therefore the present PLC is used in the traffic light system, which may reduce the vehicles general waiting time and realize scientific style management. In this design, also introduces the EDA simulation intersection traffic light to glisten and the vehicles to passes through, which visual demonstrates PLC in the traffic light system practical application.【Key words】crossroads traffic light PLC交通信号灯的作用和意义随着社会经济的发展,城市交通问题越来越引起人们的关注。
成绩评定表目录一.摘要 1二.基于PLC实现智能交通灯控制.........................................21.1 总体设计要求21.2 设计目的21.3 I/O分配21.4 梯形图31.5 实验照片 151.6 问题及解决方案 16三.设计体会17参考文献18摘要PLC= Programmable Logic Controller,可编程逻辑控制器,一种数字运算操作的电子系统,专为在工业环境应用而设计的。
它采用一类可编程的存储器,用于其内部存储程序,执行逻辑运算,顺序控制,定时,计数与算术操作等面向用户的指令,并通过数字或模拟式输入/输出控制各种类型的机械或生产过程。
是工业控制的核心部分。
中央处理单元(CPU)是PLC的控制中枢。
它按照PLC系统程序赋予的功能接收并存储从编程器键入的用户程序和数据;检查电源、存储器、I/O以及警戒定时器的状态,并能诊断用户程序中的语法错误。
当PLC投入运行时,首先它以扫描的方式接收现场各输入装置的状态和数据,并分别存入I/O映象区,然后从用户程序存储器中逐条读取用户程序,经过命令解释后按指令的规定执行逻辑或算数运算的结果送入I/O映象区或数据寄存器内。
等所有的用户程序执行完毕之后,最后将I/O映象区的各输出状态或输出寄存器内的数据传送到相应的输出装置,如此循环运行,直到停止运行。
这次课程设计是要实现的设计是基于PLC实现智能交通灯控制,与生活联系密切,很高的提高大家动手能力。
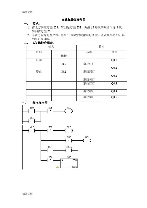
关键词:PLC CPU 交通灯一、基于PLC实现智能交通灯控制1.1总体设计要求南北方向为主干道,东西方向为次干道。
东西方向红灯亮20s,南北方向绿灯亮13s,闪4次(每次0.5s亮,0.5s灭),黄灯亮3s;然后,东西方向绿灯亮10s,闪3次(每次0.5s亮,0.5s灭),黄灯亮3s,南北方向的红灯亮16s;再然后,东西方向红灯亮20s,南北方向绿灯亮13s,闪4。