世界技能大赛比赛项目:原型制作项目介绍
- 格式:pdf
- 大小:2.96 MB
- 文档页数:10
第46届世界技能大赛安徽省选拔赛原型制作项目技术文件2019年9月1. 技术描述1.1 项目说明原型制作竞赛项目是根据给定的原型设计图纸,运用三维CAD软件进行原型建模与局部自由设计、生成工程图,并使用指定材料运用普通车削、3D打印、数控铣削、手工、表面处理以及喷涂等工艺制造原型模型的竞赛活动。
1.2 能力要求竞赛内容为综合技能操作竞赛,由选手根据大赛组委会提供的原型工程图,进行原型设计、原型制作、喷漆和装饰。
(1)工作的组织及管理能力●能够准备并保持一个安全、整洁及有效的工作环境;●能够让自身能有准备地去应对手头上的任务,包括对个人健康和安全的全面照顾;●能够用效率最高、破坏性最低的方式来安排工作;●能够安全地并遵循制造商说明来挑选并使用所有设备及材料;●能够应用或优化有关环境、设备及材料方面的健康及安全标准;●能够将工作区重新整理成为一个合适的状态或状况。
(2)制图能力●能够识读复杂的技术图纸;●能够按ISO/GB标准将三维模型转换装配工程图、零件工程图;●能够按ISO/GB标准标注准备的尺寸和技术要求。
(3)原型设计能力●能够将复杂的技术图纸转换为模型;●能够运用三维CAD软件进行三维建模、装配;●能够运用三维CAD软件对三维模型着色;●能够使用绘图仪和打印机,打印输出原型工程图。
(4)原型制作能力●能够根据工程图纸,使用指定材料和规格制作原型模型;●能够使用手工工具和机器(普通车床、3D打印、CNC铣床等设备)加工原型;●能够制作原型零件和组装原型;●能够对原型表面进行打磨、修补、上胶等处理;●能够使用测量仪器对原型进行检测;●能够安全操作机器,并正确使用机床配套的工具、夹具。
(5)原型喷漆和装饰能力●能够用油漆对原型表面进行喷漆;●能够用适当的贴纸装饰原型表面。
1.3 知识要求●掌握ISO/GB制图标准及制图能力;●掌握数显普通车床、3D打印、数控铣床的操作技能;●具备三维CAD软件原型建模与设计能力;●掌握材料的切削性能;●掌握手工操作技能;●掌握不同目数砂纸的打磨技能;●掌握表面喷漆和表面装饰的技能;●具备高粉尘场所作业环境安全防范意识。
世界技能大赛项目说明2012年2月目录项目一数控车........................................................ 错误!未定义书签。
项目二数控铣........................................................ 错误!未定义书签。
项目三机械工程设计-CAD .................................. 错误!未定义书签。
项目四焊接.. (3)项目五美发............................................................ 错误!未定义书签。
项目六网站设计. (76)项目七机电一体化 (86)项目八车身维修 (97)项目九汽车技术................................................ 错误!未定义书签。
13项目十汽车喷漆................................................ 错误!未定义书签。
26项目十一电气装置 ........................................... 错误!未定义书签。
41项目十二建筑用金属加工 ............................... 错误!未定义书签。
58项目十三钣金技术 . (2569)项目十四飞机维修 ........................................... 错误!未定义书签。
81项目十五制造团队挑战赛 ............................. 错误!未定义书签。
192项目十六砌筑 (208)项目十七瓷砖贴面 ............................................. 错误!未定义书签。
0项目十八胶印.................................................... 错误!未定义书签。
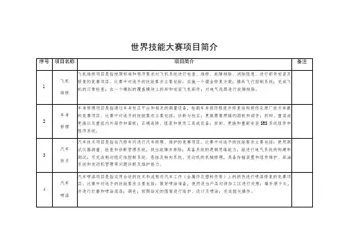
第46届世界技能大赛中国世赛选拔赛裁判长世赛选拔项目(63项)(一)飞机维修项目龙建军中国航空工业集团江西洪都航空工业集团有限责任公司高级技师(二)车身修理项目叶建华上海交运汽车修理职业技能培训中心高级技师(三)汽车技术项目郭七一重庆长安汽车股份有限公司长安汽车大学教授(四)汽车喷漆项目张小鹏庞贝捷漆油贸易(上海)有限公司培训及售后服务总监、高级技师(五)重型车辆维修项目刘庆华宁波技师学院正高级讲师、高级技师(六)货运代理项目吕秀文上港集团物流有限公司国际货运分公司总经理(七)轨道车辆技术项目罗昭强中车集团长春轨道客车股份有限公司首席技能专家(八)砌筑项目雷定鸣长沙建筑工程学校高级工程师(九)家具制作项目刘晓红顺德职业技术学院教授(十)木工项目张志刚黑龙江林业职业技术学院家居工程学院院长、教授(十一)混凝土建筑项目刘建忠江苏苏博特新材料股份有限公司副总工程师、研究员级高级工程师(十二)电气装置项目王大江ABB(中国)有限公司高级工程师(十三)精细木工项目余继宏东华大学服装与艺术设计学院副教授(十四)园艺项目赵昌恒黄山学院副教授(十五)油漆与装饰项目陈尚勇黄山学院副教授、黄山锐蓝教育科技有限公司总工程师(十六)抹灰与隔墙系统项目张守生烟台城乡建设学校高级技师(十七)管道与制暖项目李本勇中国建筑第八工程局有限公司教授级高级工程师(十八)制冷与空调项目李川广州市工贸技师学院高级技师、一级实习指导教师(十九)瓷砖贴面项目王华飞浙江建设技师学院教师何国青浙江大学副教授(二十一)数控铣项目鲁宏勋中国航空工业集团中国空空导弹研究院高级技师(二十二)数控车项目宋放之北京航空航天大学高级工程师(二十三)建筑金属构造项目马德志中冶建筑研究总院有限公司教授级高级工程师(二十四)电子技术项目黄鑫广东易工厂科技有限公司高级技师(二十五)工业控制项目闫虎民天津职业技术师范大学教研室主任、高级实验师(二十六)工业机械项目宋军民江苏省常州技师学院正高级讲师(二十七)制造团队挑战赛项目周春雷中国航空工业集团中国空空导弹研究院高级工程师(二十八)CAD机械设计项目杨伟群北京航空航天大学工程训练中心副教授(二十九)机电一体化项目李全利天津职业技术师范大学教授(三十)移动机器人项目郑桐天津职业技术师范大学系主任(三十一)塑料模具工程项目李克天广东工业大学教授(三十二)原型制作项目熊志勇华南理工大学副教授(三十三)焊接项目刘景凤中国工程建设焊接协会常务副会长、教授级高级工程师(三十四)水处理技术项目王湛北京工业大学环能学院博士生导师(三十五)化学实验室技术项目季剑波徐州工业职业技术学院教授、高级工程师(三十六)增材制造项目陈娟安徽马鞍山技师学院机械工程系主任(三十七)工业设计技术项目王方良深圳大学教授(三十八)工业4.0项目陈明同济大学实验室主任(三十九)光电技术项目周渝曦重庆电子工程职业学院高级工程师(四十)可再生能源项目朱卫军扬州大学教授(四十一)机器人系统集成项目李瑞峰哈尔滨工业大学机器人研究所副所长卢勤天津市电子信息技师学院教师(四十三)网络系统管理项目田钧佛山职业技术学院电子信息学院副院长、教授(四十四)商务软件解决方案项目韩素华邢台技师学院教授(四十五)印刷媒体技术项目李不言上海出版印刷高等专科学校实训中心副主任、高级工程师(四十六)网站设计与开发项目张凌上海阅文信息技术有限公司技术总监(四十七)云计算项目刘鹏南京云创大数据科技股份有限公司总裁、金陵科技学院教授(四十八)网络安全项目鲁先志重庆电子工程职业学院副教授(四十九)移动应用开发项目蔡立勋世纪龙信息网络有限责任公司部门经理(五十)时装技术项目李宁中央美术学院副教授(五十一)花艺项目朱迎迎上海市建设工程安全质量监督总站高级工程师(五十二)平面设计技术项目徐伟雄深圳技师学院设计学院院长、教授(五十三)珠宝加工项目邹宁馨北京服装学院教授(五十四)商品展示技术项目雷鸣广州美术学院副教授(五十五)3D数字游戏艺术项目叶维中上海摩意网络科技有限公司技术总监(五十六)烘焙项目王吉松王森国际咖啡西点西餐学院高级技师(五十七)美容项目王芃重庆市蒙妮坦时尚职业培训学校校长、高级技师(五十八)糖艺/西点制作项目黎国雄广州市启焙食品有限公司总经理(五十九)烹饪(西餐)项目陈刚上海索迪斯管理有限公司餐饮服务平台总监(六十)美发项目吉正龙杭州市拱墅区英美职业培训学校校长、特级技师(六十一)健康和社会照护项目周嫣质思安认证(北京)有限公司独立评审员(六十二)餐厅服务项目王欢上海红塔豪华精选酒店总经理(六十三)酒店接待项目叶丹茗叶脉文旅教育(深圳)有限公司董事长国赛精选项目(23项)(六十四)数控车项目甄雪松北京电子科技职业学院实训中心主任、高级技师(六十五)数控铣项目李永君北京航星机器制造有限公司首席工艺师、研究员级高级工程师(六十六)电工项目张春芝北京工业职业技术学院机电工程学院院长、教授(六十七)装配钳工项目杨全利天津职业技术师范大学高级技师(六十八)焊接项目李建军中国工程建设焊接协会副秘书长、教授(六十九)电子技术项目王为民广东省技师学院电气系主任、高级技师(七十)CAD机械设计项目拾祎春江苏联合职业技术学院南京工程分院副教授(七十一)汽车维修项目李雷重庆工业职业技术学院车辆工程学院院长、教授(七十二)新能源汽车智能化技术项目李晶华天津职业大学汽车工程学院院长、教授(七十三)木工项目曹永宏亚振家居股份有限公司工程师(七十四)砌筑项目周果林中国建筑第五工程局有限公司项目副总、教授级高级工程师(七十五)室内装饰设计项目张国华浙江建设技师学院建筑工程系主任(七十六)网络系统管理项目吴多万广州市工贸技师学院高级讲师、高级技师(七十七)物联网技术项目韦思健清华大学基础工业训练中心高级工程师(七十八)信息网络布线项目杨阳天津电子信息职业技术学院电子与通信技术系副主任、教授、高级技师(七十九)珠宝加工项目李勋贵深圳技师学院珠宝学院院长、副研究员、高级技师(八十)时装技术项目张文斌东华大学教授(八十一)健康照护项目刘则杨北京大学网络教育学院教学研究室原主任、副教授(八十二)餐厅服务项目熊久香国家机关事务管理局首都宾馆原副总经理、高级技师(八十三)西式烹调项目刘立新青岛酒店管理职业技术学院西餐工艺教研室主任、高级技师(八十四)烘焙项目干文华上海市现代食品职业技能培训中心校长、技术总监、高级技师(八十五)茶艺项目周智修中国农业科学院茶叶研究所研究员、中国茶叶学会常务副秘书长、高级技师(八十六)社会体育指导(健身)项目陈超江苏英派斯健康管理有限公司培训总监。
世界技能大赛木工项目比赛方案一、比赛项目简介世界技能大赛木工项目比赛旨在展示参赛选手在木工制作领域的技能水平,包括传统木工技艺、现代木工技术和创新设计等方面的能力。
比赛要求选手在规定的时间内完成指定的木工制作任务,注重精度、创新和美观等方面的表现。
二、参赛资格与报名参赛资格:各国木工行业协会或相关组织推荐的选手,年龄在20-35岁之间,具备一定木工制作经验。
报名方式:各国木工行业协会或相关组织负责组织本国选手报名,填写报名表并提交相关证明材料。
报名时间:每年X月X日至X月X日。
三、比赛内容与规则比赛内容:选手需在规定的时间内完成木工制作任务,包括材料准备、设计、切割、打磨、装配等环节。
具体任务和要求将由组委会提前公布。
规则要求:选手需遵守比赛规则和安全操作规程,禁止作弊和违规行为。
同时,选手需保证制作过程中的卫生和环保要求。
四、评分标准与奖项设置评分标准:评委将根据选手的作品质量、精度、创新性、美观度等方面进行评分,同时结合选手在比赛过程中的安全操作和规范程度进行综合评估。
奖项设置:比赛设立个人奖和团体奖,个人奖包括金、银、铜牌得主,团体奖根据各国选手的综合表现评定。
同时,设立优秀奖和参与奖,以鼓励选手积极参与和展现技能。
五、比赛日程与安排比赛时间:每年X月X日至X月X日。
比赛地点:世界技能大赛举办地。
安排事项:包括赛前训练、技术说明会、现场抽签分组、正式比赛等环节,具体安排将由组委会公布。
六、场地设施与安全保障场地设施:比赛场地应具备符合要求的木工制作设备和工具,以及良好的通风和lighting system等设施。
同时,提供必要的材料和配件。
安全保障:组委会应制定完善的安全操作规程和应急预案,确保选手和工作人员的人身安全。
同时,提供必要的个人防护装备和急救措施。
七、组织机构与人员分工组织机构:世界技能大赛组委会负责整个比赛的组织和实施,下设技术委员会、竞赛委员会、裁判委员会等机构,负责相关具体工作。
第世界技能大赛全国选拔赛比赛项目简介第世界技能大赛是全球规模最大、最权威的职业技能竞赛之一,旨在提高全球人才的职业技能水平,促进不同国家和地区的技能交流与合作。
而全国选拔赛则是中国区选拔参赛选手的重要环节,能够展现出优秀的职业技能人才、促进技能人才的培训和推广,提高中国在国际技能赛事中的竞争实力。
本次全国选拔赛有众多比赛项目,下面我们来一一了解这些精彩的比赛项目。
1. 3D数字化手绘这个比赛项目将以数字技术为基础,以手工技艺为辅助,在虚拟世界中重现真实的环境和物品。
选手需要具备计算机模型建模,三维可视化渲染和手绘技能等多项技能。
2. 模特化妆模特化妆比赛是一个考验化妆师专业技能和艺术修养的竞赛项目。
选手需要根据主题要求为模特进行化妆,展现出个性化的美感和艺术性。
3. 汽车电子控制技师这个比赛项目旨在检验汽车电子控制技师在实际工作中掌握的技术和能力,包括汽车科技、电子技术和机械工程等方面。
4. 机器人维修这个比赛项目旨在考验机器人维修技师的维修技能,包括机器人系统、电气控制和机器人机构的维修等方面。
5. 建筑装修建筑装修比赛是一个检验建筑装修技术和艺术修养的竞赛项目。
选手需要展现出建筑材料的选用,设计和技术,以及紧密的施工和安全操作技能。
6. 汽车车身维修这个比赛项目旨在测试汽车车身维修工人的维修技能,掌握车身修复、框架维修、铁件和塑料件处理等方面的业务知识。
7. 网络安全技术这个比赛项目适用于网络安全技术人员,旨在检验其计算机安全相关技能,包括网络拓扑结构的审查和规划、网络攻防等技术。
8. 烹调烹调比赛考验参赛者的厨艺技能,包括食品选择,烹调技术,菜品配料和装盘技巧。
9. 食品饮料服务员这个比赛项目旨在测试服务员的服务技能,包括礼仪、端菜,饮品调配等方面的业务知识和技能。
以上是本次全国选拔赛最精彩的九个比赛项目,每个比赛项目都有其独有的难度和挑战,只有具备实战经验和优秀的职业技能人才方能在这个竞争激烈的赛场上胜出。
由原型制作项目观世赛作者:李宗国来源:《职业·下旬》2017年第11期原型制作项目是世界技能大赛(以下简称“世赛”)的传统项目,1956年世赛开始设立这一竞赛项目,当时项目名称是“图形制作”,用途是为铸造行业提供设计。
经过55年的发展,2011年该项目名称调整为“创意建模”,2013年项目名称正式确定为如今的“原型制作”。
该项目经历了曲折的发展历程,因参赛国家和地区数量不足,曾分别于2005年和2009年停办两届。
笔者第一次接触这一项目,是在2015年巴西圣保罗第43届世赛上,当时广州市组织了观摩团前往观赛。
由于广州市技师学院早期通过世界银行贷款购置了先进的模具制造设备,并具有一支较强专业的师资团队,又是人社部模具专业高技能人才培训基地,在观摩期间,学院项目团队花费了较多精力收集、研究有关原型制作项目的资料和信息。
2016年11月,在广东省人社厅的大力支持下,学院利用广东省财政专项投入资金500万元,在江高校区分别建设了原型制作和电气装置两个项目的实训基地。
2016年12月原型制作项目基地被人社部定为第44届世界技能大赛中国集训基地。
学院先后承接了第44届世界技能大赛原型制作项目广东省选拔赛、全国选拔赛和国家队集训任务。
在此基础上,还组织了第44届世赛原型制作项目专家研讨会和中巴、中日、穗台交流赛等多项富有实效的对外交流活动,不仅让来自国内和国外的同行交流经验、分享体会,更让同行较早地了解了该项目在阿布扎比世赛中将要做出调整的技能要求和评分标准变化方向,为学院最终在2017年10月份该项目比赛中夺得冠军打下了坚实基础。
原型制作项目是我国在世赛首秀即摘得金牌的竞技项目,实现了2017年年初人社部职业能力建设司张立新司长视察学院基地后寄予的“未来金牌学校”厚望,也实现了广州技工教育多年来梦寐以求的世赛金牌零突破的夙愿。
笔者回首之前从事职业技能鉴定管理工作,再到技工院校任职的经历,也算见证了我国技能从最初世赛“试水”到今日称雄的全过程。
首届世界职业院校技能大赛赛项规程一、赛项名称赛项编号:W02赛项名称:智能产线安装与调试英文名称:Installation and Debugging of Intelligent production line赛项归属产业:装备制造业二、竞赛目的大赛旨在汇聚国内、外职业技术教育领域的标准、技术、装备、师生,坚持促进中国职业教育走出去服务国际产能合作,构建国际职业院校师生增进友谊、技能切磋、展示风采的重要平台,推进未来世界技能共同体。
通过技能比赛、展示、体验与交流于一体的形式,分享国际职业技术教育最佳实践经验,提升我国职业技术教育在世界职业技术教育领域的影响力,推动我国职业技术教育与世界接轨。
本赛项将教学过程与实际工作过程的对接,深化职业教育专业建设和教学改革的国际化发展;积极引入行业发展的新技术、新工艺、新规范,引领教学内容与产业技术技能需求的融合,促进产教融合下的国际化人才培养模式创新。
三、竞赛内容赛项以工业企业实施的工作任务为载体,通过完成智能产线机械部件的组装、电路安装(含通信网络)、气动部件及系统安装、PLC控制程序编写、工业机器人程序优化及调试、触摸屏使用、电机驱动器设置以及机电设备整体调试等工作任务,展现参赛选手的职业素养和综合素质,检验参赛选手针对实际问题的分析和处理能力,以及工作组织能力和团队协作能力。
(一)工作内容智能产线安装与调试采用理实一体的竞赛方式,具体的工作任务有:1.按组装图组装智能产线和相关模块及部件。
2.根据智能产线的电气控制连接电路,结合工作任务的要求实现设备的电气控制,并按实际情况绘制电路原理图;按设备的网络拓扑图连接网络,实现设备各部件之间的通信。
3.按智能产线的气动系统图连接的气路。
4.根据智能产线的工作说明和要求编写PLC控制程序,工业机器人程序优化及调试,设置变频器、步进驱动器以及伺服驱动器参数。
5.制作触摸屏页面,设置通信参数,实现智能产线的人机交互。
关于世界技能大赛“原型制作项目”训练方案的思考1. 引言1.1 世界技能大赛概述世界技能大赛是由世界技能组织举办的国际性比赛,旨在展示各国青年技术人才的综合实力和创造力。
这项比赛涵盖多个领域,包括建筑、制造、信息技术、服务等,是世界技能领域的权威赛事之一。
世界技能大赛不仅是一次技能比拼,更是一次国际交流与学习的机会。
参赛选手通过比赛,可以展示自己的技能水平,学习其他国家同行的先进经验,拓展国际视野。
比赛也为参赛选手提供了与来自全球各地的技术人才交流的平台,促进了技术交流与合作。
世界技能大赛的影响力在不断扩大,吸引了越来越多的国家和地区参与。
通过比赛,可以促进各国技术人才的交流与合作,推动世界技能水平的提升,为技术创新和发展做出重要贡献。
世界技能大赛不仅是一场技能比赛,更是一场促进技术发展和推动产业进步的盛会。
1.2 原型制作项目的重要性原型制作项目在世界技能大赛中扮演着非常重要的角色。
在当今科技发展迅速的时代,原型制作项目的重要性日益凸显。
原型制作是将设计概念转化为实际产品的过程,通过原型制作,设计师可以直观地展示设计思路,检验产品功能和性能,节省时间和成本,提高产品质量和市场竞争力。
在世界技能大赛中,原型制作项目不仅是参赛选手展示技能的舞台,更是培养学生创新意识、动手能力和团队合作精神的重要途径。
通过参与原型制作项目,选手们可以提升自己的设计能力、制造技术和项目管理能力,为未来从事相关行业打下坚实的基础。
加强原型制作项目的培训和训练方案的制定,不仅有利于提高参赛选手的技能水平,还能促进原型制作技术的发展,推动相关行业的创新与发展。
原型制作项目在世界技能大赛中的重要性不言而喻,其意义重大,应得到更多的重视和支持。
1.3 训练方案的意义训练方案的意义在于为参赛选手提供系统性的培训和指导,帮助他们有效地准备世界技能大赛中的原型制作项目。
通过训练方案的设计和实施,参赛选手可以系统地掌握原型制作的核心技能和方法,提高项目的质量和效率。
关于世界技能大赛“原型制作项目”训练方案的思考随着科技的不断发展和应用,技能的重要性越来越受到重视。
而世界技能大赛作为国际上技能水平比拼的舞台,更是吸引了全球范围内的青年技术人才参与。
“原型制作项目”作为技能大赛的一个重要项目,其训练方案更是需要我们认真思考和制定。
本文将结合相关理论和实践经验,对世界技能大赛“原型制作项目”训练方案进行一些思考。
我们需要充分了解“原型制作项目”的特点和要求。
原型制作是将产品设计图纸或3D 模型转化为实际的产品原型,需要掌握CAD建模、数控加工、手工制作等一系列技能。
训练方案需要全面而系统地覆盖这些技能要点。
特别是需要注重培养选手的实际动手能力和创新能力,因为这些都是评判选手水平的重要指标。
针对不同的技能水平和经验背景,我们需要制定不同的训练方案。
对于初学者来说,需要从基础知识和技能开始系统地学习,包括CAD软件的操作、加工工艺的基本理论等。
而对于已经有一定经验的选手来说,则需要注重实际操作能力的提升和创新能力的培养。
我们可以根据选手的实际情况进行分类,并为其制定个性化的学习计划和训练方案。
考虑到原型制作项目的实际需求,训练方案还要注重团队合作和实践能力的培养。
在实际比赛中,选手往往需要和团队成员一起协作完成一个复杂的原型制作任务。
我们需要在训练中重视团队协作的能力培养,让选手们在模拟实际比赛环境下进行训练,提高他们的实际操作能力和团队协作能力。
考虑到世界技能大赛的国际性和专业性,我们还需要加强国际交流和合作,吸收更多国际先进的教学理念和技术经验。
通过与国外技能培训机构、专业教育机构和企业展开合作,我们可以引进先进的培训方法和理念,为选手提供更加全面和专业的训练。
我们还需要注重考核和评估体系的建立。
在训练过程中,我们需要设立科学的考核和评估体系,对选手的学习和训练情况进行及时跟踪和评估。
通过定期的模拟考核和实际项目演练,让选手们能够及时了解自己的不足和进步,从而不断提高自己的技能水平和竞技能力。
技能大赛增材制造项目介绍
增材制造技术是一种基于计算机辅助设计(CAD)模型,通过逐层堆积材料的过程,构建实体结构的工艺技术。
增材制造技术被广泛应用于3D打印、熔覆堆焊、激光熔化成型、光固化成型等领域,可以生产小批量、定制化、复杂性高的产品,其生产效率和设计自由度高而受到各行业的青睐。
技能大赛的增材制造项目,要求参赛选手利用增材制造技术,从日常生活中的具体需求出发,设计并制作符合市场需求的产品原型,既要注重产品质量,又要考虑到产品的商业可行性。
为了参加此次技能大赛,参赛选手需要掌握以下技能:
1. 掌握常见的增材制造技术,如3D打印、激光熔化成型、光固化成型等,了解各种技术的原理和适用范围。
2. 掌握CAD软件的使用,能够进行3D建模和材料堆叠。
3. 了解材料的性质和特点,根据不同需求选择合适的材料进行打印。
4. 掌握基本的产品设计和工程图纸规范,能够将设计好的产品变成可供增材制造的CAD模型和Gcode控制代码。
5. 具有一定的商业意识和实际操作能力,能够将自己的创新点和技术优势转化为商业价值,满足市场需求。
技能大赛增材制造项目不仅考察选手的技能水平,还要求选手具备市场分析和商业运作的能力,注重创新思维和实践能力的培养,鼓励选手通过技能大赛展示自己的才华和创意,同时推动增材制造技术的新发展和产业升级。
关于世界技能大赛“原型制作项目”训练方案的思考世界技能大赛(WorldSkills)是一个全球技能竞赛的盛会,各个国家和地区的参赛者在比赛中展示和比拼自己的技能水平。
原型制作项目是其中之一,要求参赛选手根据给定的技术要求和材料,制作出一个能够运作的原型系统。
1. 技术要求:要对参赛选手提供的技术要求进行准确的理解和解读。
这些技术要求包括原型系统的功能、尺寸、材料等方面的要求。
为了让选手能够熟悉和理解这些要求,可以提供详细的技术手册或培训资料。
也可以组织专家指导选手进行技术讨论和解答疑惑。
2. 材料准备:原型制作项目通常需要使用特定的材料进行制作,这些材料可能是高度专业化的,而且在不同国家和地区的供应情况可能有所不同。
在训练方案中需要考虑如何确保选手能够获得到合适的材料,并且在比赛中能够熟练地使用这些材料。
3. 设备支持:原型制作项目可能涉及到使用各种各样的设备和工具,包括3D打印机、数控机床、激光切割机等。
为了让选手能够熟练地使用这些设备,训练方案中需要包括相关设备的使用培训和操作指导。
4. 模拟训练:为了让选手更好地适应比赛环境和节奏,可以模拟比赛场景进行训练。
这可以包括时间限制、评分标准、比赛规则等方面的模拟。
通过这种方式,选手能够更好地理解比赛的要求,并且在比赛中表现更加出色。
5. 团队合作:原型制作项目通常需要多人合作完成,因此训练方案中也要考虑如何培养选手之间的团队合作能力。
可以通过组织小组讨论、项目分工等方式进行训练,让选手在团队协作中提高效率和技术能力。
关于世界技能大赛“原型制作项目”训练方案的思考,需要从技术要求、材料准备、设备支持、模拟训练和团队合作等方面进行考虑。
只有综合考虑各个方面的需求和要求,选手才能够在比赛中充分发挥自己的能力,并取得好的成绩。
关于世界技能大赛“原型制作项目”训练方案的思考世界技能大赛是一项旨在展示世界各国技能水平和创新能力的重要赛事。
其中的“原型制作项目”是比较新的一个项目,要求选手利用计算机辅助设计软件和加工设备制作出实际的零部件或产品原型。
在这个项目中,选手需要具备丰富的专业知识和技能,同时需要具备创新思维和团队协作能力。
针对这一项目,我们可以制定以下的培训方案:一、理论知识培训1.各类计算机辅助设计软件的操作和应用。
2.数控加工技术的基础知识,包括数控编程、机床操作、加工工艺和质量控制等。
3.材料学和工程材料知识,包括材料的物理、化学、机械和加工等特性。
二、实践技能培训1.基本制作技能的训练,包括工具的使用、零部件的装配和生产线的操作等。
2.计算机辅助设计软件及数控加工设备的应用训练,需要让选手亲自设计和加工出实际零部件或产品原型。
3.团队协作能力的培养,要求选手在团队中分工合作,完成项目目标。
同时要求选手积极沟通,互相协助,提高团队凝聚力。
三、创新能力培养1.激发选手的创新思维和创造力,鼓励他们尝试不同的制作方法和加工工艺,寻求最优解。
2.要求选手关注市场需求,了解行业趋势,根据市场需求和消费者反馈,对所制作的产品原型进行改进和升级,以满足市场的需求。
四、竞赛准备1.选手应充分了解比赛规则和评分标准,熟悉比赛流程,加强对参赛项目的理解和掌握。
2.在比赛前,选手需进行综合测试和模拟考试,以检验其技能和能力的全面性,找出不足和短板,针对性地加强训练和提升。
综上所述,如何制定一个高质量的世界技能大赛“原型制作项目”训练方案,是一个很重要的问题,也是关系到选手参赛成功与否的关键。
因此,我们应该采取全面细致的训练方式,不断加强选手的技能培训、创新能力和团队协作意识等方面,为他们在比赛中成功而卓越的表现提供坚实的支撑。
关于世界技能大赛“原型制作项目”训练方案的思考1. 引言1.1 引言通过对项目背景的分析,我们可以更好地了解该竞赛项目的意义和价值所在。
在设计训练方案的过程中,需要充分考虑参赛选手的现有技能水平和需求,制定科学合理的培训内容。
团队合作机制也是训练方案中不可或缺的一部分,只有团队成员之间密切合作,才能取得更好的比赛成绩。
创新意识的培养也是训练方案重要的组成部分,只有不断创新,才能在激烈的竞争中脱颖而出。
在将总结训练方案的优缺点,展望未来的发展方向,并提出建议改进的措施,为世界技能大赛“原型制作项目”的进一步发展提供参考。
通过本文的探讨,相信能够为相关领域的技能培训工作提供有益的借鉴和启示。
2. 正文2.1 项目背景分析世界技能大赛“原型制作项目”是一项旨在挑战参赛选手原创设计和制作能力的国际比赛。
该项目旨在通过竞赛的形式,激发参赛选手的创新潜能,培养他们的实践能力和解决问题的能力。
随着科技的不断进步和全球竞争的加剧,这样的技能比赛越来越受到重视。
在当今社会,技能人才的需求日益增长,而传统的教育模式往往难以满足这种需求。
举办这样的技能大赛对于激发青年学子的学习热情、培养他们的实践能力以及提升其竞争力具有重要意义。
通过参加这样的技能大赛,选手可以在实践中学习到更多的知识和技能,锻炼解决问题的能力和团队合作能力,提高自身的综合素质。
这将有助于他们更好地适应社会的发展需求,为自己的未来发展打下坚实的基础。
我们要认真分析比赛的背景和意义,以便更好地设计培训方案,提高参赛选手的竞争力和技能水平。
2.2 训练方案设计训练方案设计是世界技能大赛“原型制作项目”中至关重要的环节。
一个科学合理的训练方案可以有效提高选手的技能水平和竞赛成绩。
在设计训练方案时,首先需要考虑到每位选手的具体情况,包括技术水平、学习能力、兴趣爱好等因素。
接着,根据比赛项目的要求和评分标准,制定针对性的训练计划,明确训练内容和训练目标。
训练方案设计应该符合“任务—技能—理论”相结合的原则。
关于世界技能大赛“原型制作项目”训练方案的思考作者:廖仲亮来源:《青年与社会》2019年第16期摘要:文章根据世界技能大赛“原型制作项目”技术规程及相关比赛过程要求,提出中职、技工类学校在校布置训练场地,准备训练设备材料,组建训练队伍,制订训练任务的相关建议,以求在“原型制作项目”相关比赛中取得更好的成绩。
关键词:世界技能大赛;原型制作;训练一、背景从2015年起,一个新兴的比赛项目在技工、中职类院校中逐渐变得家喻户晓,这就是世界技能大赛。
世界技能大赛有“技能奥林匹克”之称,是世界技能组织成员展示和交流职业技能的重要平台,代表着世界技能最高水平的赛项。
世界技能大赛每两年举办一次,2011年10月,中国首次派出代表团参加了在英国伦敦举行的第41届世界技能大赛,获得了焊接项目银牌。
2015年在巴西圣保罗举办的第43届世界技能大赛,中国代表团实现金牌“零”的突破。
并且,中国上海获得2021年第46届世界技能大赛的举办权。
在中国,世界技能大赛日趋火热。
原型制作项目是世界技能大赛上的一个比赛项目,2017年10月,广州市技师学院学生在第44届世界技能大赛“原型制作项目”中取得金牌。
原型制作在整个产品流程中有着承上启下的作用,是把抽象的设计理念及图纸具象化,制造加工手办模型,给人直观感受的过程。
它通过综合技术的运用,展示选手的创意设计、工艺规划及精确智造的能力。
二、项目说明原型制作竞赛项目是根据给定的原型设计图纸,运用三维CAD软件进行原型建模与局部自由设计、生成工程图,并使用指定材料运用普通车削、普通铣削、数控铣削、3D打印、手工、表面处理以及喷涂等工艺制造原型模型的竞赛活动,比赛时间为18小时。
选拔赛选手一般要求限报2名,选手要求22周岁以下,思想品德优秀,具备CAD设计、车削加工、铣削加工、数控铣削加工、3D打印、手工、喷涂等技能,具有较强学习你能力、应变能力以及较好身体素质、心理素质的人员。
整个项目分为四个竞赛模块,包括模块A原型设计建模、模块B原型工程图、模块C原型制作、模块D原型喷漆和装饰。