CJ188通讯协议
- 格式:pdf
- 大小:271.78 KB
- 文档页数:15
使⽤C#实现CJ-T188⽔表协议和DL-T645电表协议的解析与编码⼀、协议的定义要对某种协议进⾏编解码操作,就必须知道协议的基本定义,⾸先我们来看⼀下 CJ/T188 的数据帧定义(协议定义),了解请求数据与响应数据的基本结构。
1.1 CJ/T188 ⽔表通讯协议请求帧:例如有以下请求帧数据(读取⽔表数据):68 10 01 00 00 05 08 00 00 01 03 1F 90 00 39 16对应的解释如下。
表计类型表:响应帧(读表操作):字节值描述00x68数据帧开始标识。
1T 表计类型代码,详细信息请参考 表计类型表 。
2-8A0-A6表计地址,⽔表设备的具体地址,这⾥是 BCD 形式。
9CTR_01协议控制码,例如 0x1 就是读表数据。
100x3数据域长度。
11-120x1F,0x90数据标识 DI0-DI1。
130x00序列号,⼀般为 0x00,序列号也被作为整个数据域的长度。
14CS 表⽰校验和数据,即 0-13 位置的所有字节的累加和。
150x16数据帧的结束标识。
顺序012-891011-12131415说明帧头类型地址CTR_0长度数据标识序列号校验和帧尾实例681001 00 0005 08 000001031F 90003916值含义10冷⽔⽔表11⽣活热⽔⽔表12直饮⽔⽔表13中⽔⽔表20热量表 (记热量)21热量表 (记冷量)30燃⽓表40电度表字节值描述00x68数据帧开始标识。
1T 表计类型代码,详细信息请参考 表计类型表 。
2-8A0-A6表计地址,⽔表设备的具体地址,这⾥是 BCD 形式。
Processing math: 100%9CTR_1协议控制码,在返回帧含义即是请求帧的控制码加上 0x80。
10L数据域长度。
11-120x1F,0x90数据标识 DI0-DI1。
130x00序列号,⼀般为 0x00。
14-17ALL DATA累计⽤量,以 BCD 形式进⾏存储。
流量计通讯协议第一章 通讯协议1、通讯协议:●M_BUS通讯采用欧洲EN13757 M-BUS总线标准;●协议采用建设部CJ/T 188-2004《户用计量仪表数据传输技术条件》标准;2、按抄表方式分为以下三种形式2.1 红外抄表功能红外抄表-采用红外接收发送管,进行近距离通讯介绍:●USB红外读表器-自制●需要安装驱动●USB红外读表器上有发射管(白),接收管(黑)●流量计上有接收管(黑),发射管(白)●两者发射对应接收在2厘米距离内抄表●采用专用软件2.2 485抄表功能RS485抄表-利用RS485通讯硬件进行的4线制较远距离的串行通讯;介绍:●232转485接口-可以买到●总线4根电线-A、B、地、电源7-12V●流量计上有4根电线-A、B、地、电源7-12V●两者对应接好(分极性,接错可能烧毁)●在800米以内通讯●最多64个终端●采用专用软件2.3 M_BUS抄表功能M-BUS:Meter(仪表),BUS(总线) 是一种欧洲的2线制总线标准,是专门为消耗测量仪器和记数器传送信息而设计的数据总线标准,一种通讯线路,专门用于远程抄表的高可靠性、高速的远程抄表系统总线。
介绍:●M_BUS主机●总线2根电线-A、B●流量计上有2根电线-A、B●两者对应接好(不分极性)●在4000米以内通讯●最多200个终端●采用专用抄表软件第二章 流量计上传数据格式一、串口设置波特率:2400bps校验方式:偶校验数据位:8位停止位:1位数据发送方式:以16进制发送二、流量计LCD显示流量计号68 20 AA AA AA AA AA AA AA 1A 03 9A 4F 00 34 16发送指令后流量计的液晶屏显示的号码为流量计号,一般和条形码号码一致,流量计号加上固定码001111就是流量计的地址。
在“瞬时”界面按住按钮8秒进入“A2”测试界面。
点击按钮(在“A2”测试界面的“瞬时”后面一个界面,显示的8位数字就是流量计号)。
总线制直读水表通讯协议和通讯规约参照JC/T188改编水表接口协议(V1.0)第1章概述本规范是专线集中抄表系统下行接口通讯协议(除少部分自定义部分外,均参照CJ/T 188-2004 中华人民共和国城镇建设行业标准)。
协议内容分为两层:控制帧、文件传输协议。
网络拓扑图如下:本协议为主-从模式的半双工通讯方式。
采集器为主叫方,水表为被叫方。
每个水表均有各自的地址编码。
通讯链路的建立与解除均由采集器来完成。
字节格式符合CJ/T188-2004标准字节格式,即每字节含8位二进制码,传输时加上1位起始位(0)、一个偶校验位、一个停止位(1),共11位。
通讯波特率为2400bps 。
校验码(CS )符合CJ/T188-2004,即从起始符(0x68)开始到校验码之前的所有字节和的模256。
本通讯协议适用范围第2章控制帧由主叫发往被叫的控制帧以SND_为前缀,由被叫发往主叫的控制帧以RSP_为前缀。
采集器与表计之间的通讯包含以下几个命令帧,如下:1、读表计数据:SND_SU2、读表计地址:SND_UD_RAD3、设置表计地址:SND_UD_AD4、读表计状态:SND_UD_CK第3章表计地址及数据编码格式1、表计地址编码格式(采用BCD码):A0—生产流水号最低字节;A1—生产流水号次高字节;A2—生产流水号最高字节;A3—表计生产月份;A4—表计生产年份;A5—生产厂商代码低字节;A6—生产厂商代码高字节;2、表计数据编码格式(采用BCD码):如表计数据是123456.78,则数据编码如下:D0—0x78;D1—0x56;D2—0x34;D3—0x12;3、表类型代码说明:水表为: 10热水表: 20燃气表为:30热量表: 40 (注:热水表、燃气表为、热量表代码预留为以后系统扩展应用)4、传输要求:采集器在发送命令帧之前先发送2字节0xfe;在采集器发出命令帧到表计应答时间<1秒,其它符合CJ/T188-2004。
CJ/T 188 通讯规约目录第 1 章概述 (3)第 2 章表计地址及数据编码格式 (4)第 3 章数据传输协议 (5)3.1 读表计数据 (5)3.2 读表计地址 (6)3.3 设置表计地址 (8)3.4 写阀门控制 (10)附录测试报文 (13)第 1 章概述本规范是专线抄表系统下行接口的通讯协议(除少部分自定义部分外,均参照CJ/T 188-2004 中华人民共和国城镇建设行业标准)。
协议内容分为两层:控制帧、文件传输协议。
本协议为主-从模式的半双工通讯方式。
集中器为主叫方,水、燃气等表计均为被叫方。
每个水、燃气表计均有各自的地址编码。
通讯链路的建立与解除均由主叫方来完成。
字节格式符合 CJ/T188-2004 标准字节格式,即每字节含 8 位二进制码,传输时加上 1位起始位(0),一个偶校验位、一个停止位(1),共11位。
通讯波特率为2400bps。
校验码(CS)符合C J/T188-2004,即从起始符(0x68)开始到校验码之前的所有字节的和对256 取模。
第2章表计数据编码格式说明以下数据均为 16 进制表示,表计地址广播码为 AA,主叫方在发送命令帧之前先发送 3 字节0xFE;在主叫方发出命令帧到表计应答时间<1 秒,其它符合C J/T188-2004。
2.1 表类型T代码说明冷水表为:10热水表为:11直饮水表为:12热量表为:20燃气表为:30电表为:402.2 表计地址A DDR 编码格式(采用B CD 码)A0:生产流水号最低字节;A1:生产流水号次高字节;A2:生产流水号最高字节;A3:表计生产月份;A4:表计生产年份;A5:生产厂商代码低字节;A6:生产厂商代码高字节;(以上的表计地址编码用户可自行定义,发送时低字节在前高字节在后)2.3 制码C TR 代码说明(表计回复CTR|0x80)主叫方读表计数据:01 表计回复:81主叫方读表计地址:03 表计回复:83主叫方设置表计地址: 15 表计回复:95主叫方控制阀门:2A 表计回复:AA或主叫方控制阀门:04 表计回复:842.4 DI 标识代码说明读数标识D0 D1 : 90 1F读地址标识 D0 D1 : 81 0A写地址标识 D0 D1 : A0 18操作阀标识 D0 D1 : A0 172.5 表计数据编码格式(采用B CD 码)如表计数据是123456.78,则数据编码如下:D0—0x78;D1—0x56;D2—0x34;D3—0x12;2.6 序号S ER 说明主叫方访问表计的序号,表计回复时的序号要与访问的序号一致。
水暖设备物联网智能系统技术规格与要求目录一、暖通空调物联网监测系统 (1)(一)空调机组 (2)(二)新风机组 (3)(三)空调遥控器 (4)(四)风机盘管 (5)(五)空调控制通讯网关 (6)(六)排风机组 (6)二、水流物联网监测系统 (7)(一)冷水水表 (7)(二)冷热水仪表 (7)(三)超声波水表 (8)(四)热水水表 (9)三、环境监测物联网监测系统 (9)(一)环境传感器 (9)(二)水浸/漏水传感器 (10)(三)液位仪 (10)一、暖通空调物联网监测系统(一)空调机组1.监测内容及参数要求(1)系统启停状态(启动/停止);(2)运行工作状态(冬季/夏季/过度季);(3)送风机状态;(4)送风机故障状态;(5)送风机手自动状态;(6)排风机状态;(7)排风机故障状态;(8)排风机手自动状态;(9)滤网状态;(10)防冻报警;(11)除尘过滤;(12)频率反馈(变频值);(13)新风温度;(14)新风湿度;(15)新风机启停状态;(16)送风温度;(17)送风湿度;(18)送风风速;(19)送风机启停装状态;(20)加湿器控制;(21)冷水阀调节;(22)热水阀调节;(23)新风阀调节;(24)回风阀调节;(25)排风阀调节;2.设置参数要求(1)系统启停状态(启动/停止);(2)运行工作状态(冬季/夏季/过度季);(3)温度设定;(4)热水阀最小开度调节;(5)最低频率设定(变频器最低值)。
3.通讯要求(1)RS485 接口、RJ45 网口、网络互通;(2)MODBUS-BUS 协议、 MQTT 协议。
4.关联业务(1)空调能效(COP)计算;(2)机组远程开关;(3)机组模式切换;(4)湿度调节;(5)新风阀调节;(6)回风阀调节;(7)排风阀调节;(8)故障报警。
(二)新风机组1.监测内容及参数要求(1)系统启停状态(启动/停止);(2)运行工作状态(冬季/夏季);(3)送风机状态(启动/停止);(4)送风机故障状态;(5)送风机手自动状态;(6)滤网状态;(7)防冻报警;(8)新风温度;(9)新风湿度;(10)送风温度;(11)送风湿度.2.设置参数要求(1)系统启停状态(启动/停止);(2)运行工作状态(冬季/夏季);(3)送风机状态(启动/停止)。
超声波热量表通讯协议第一章通讯协议1、通讯协议:●M_BUS通讯采用欧洲EN13757 M-BUS总线标准;●协议采用建设部CJ/T 188-2004《户用计量仪表数据传输技术条件》标准;2、按抄表方式分为以下三种形式2.1 红外抄表功能红外抄表-采用红外接收发送管,进行近距离通讯介绍:●USB红外读表器-自制●需要安装驱动●USB红外读表器上有发射管(白),接收管(黑)●热量表上有接收管(黑),发射管(白)●两者发射对应接收在40厘米距离内抄表●采用专用软件2.2 485抄表功能RS485抄表-利用rs485通讯硬件进行的4线制较远距离的串行通讯;介绍:●232转485接口-可以买到●总线4根电线-A、B、地、电源5V●热量表上有4根电线-A、B、地、电源5V●两者对应接好(分极性,接错可能烧毁)●在800米以内通讯●最多254个终端●采用专用软件2.3 M_BUS抄表功能M-BUS:Meter(仪表),BUS(总线)是一种欧洲的2线制总线标准,是专门为消耗测量仪器和记数器传送信息而设计的数据总线标准,一种通讯线路,专门用于远程抄表的高可靠性、高速的远程抄表系统总线。
介绍:●M_BUS主机●总线2根电线-A、B●热量表上有2根电线-A、B●两者对应接好(不分极性)●在1000米以内通讯●最多400个终端●采用专用抄表软件第二章热表上传数据格式1、串口设置传输速率:传输速率2400bps校验方式:偶校验数据位:8位停止位:1位16进制发送2、查询表号代码FE FE FE FE68 20 AA AA AA AA AA AA AA 23 03 9A 4F 00 34 16返回 FE FE FE 68 20 A1 A2 A3 A4 A5 A6 A7..........其中A1-A4 为地址,A5 A6 A7 为厂家代码3、修改表号代码FE FE FE FE68 20 11 11 11 11 00 11 11 15 0A A0 18 AA 12 34 56 78修改前表号表号固定码修改后的表号00 11 11 A5 16表号固定码校验和4、读表代码FE FE FE FE68 20 78 56 43 21 00 00 00 01 03 90 1F 00 71 16表号表号固定码数据长度校验和3、上传数据格式FE FE FE FE 68 20 78 56 43 21 00 00 00 81 2E 90 1F 01 56 04 00 00前导码固定起始位表号厂家代码固定码冷量05 23 01 00 00 05 00 00 00 00 17 00 00 00 00 35 89 07单位热量单位功率单位流速单位水量00 00 2C 50 26 00 60 26 00 00 00 00 37 47 21 08 06 10水量单位进水温度回水温度工作时间秒分时日月年20 00 04 83 16 FCFCFCFC年状态位校验和结束码解析:厂家代码: 00 00 00表号:12345678(12345678一般是条形码号)冷量:456千瓦时热量:123 KWH 功率:0千瓦流速:0升/时水量:7.89 立方米进水温度:26.50°回水温度:26.60°工作时间:0小时时钟:21点47分37秒日期:2010年6月8日状态:无水或断线附加阀开关命令阀开:FE FE FE FE 68 20 01 00 00 00 00 00 00 30 0B 05 50 00 01 06 前导码固定起始位表号厂家代码66 66 00 00 00 00 00 16 FC FC FC FC结束码阀关:FE FE FE FE 68 20 01 00 00 00 00 00 00 30 0B 05 50 00 01 06 前导码固定起始位表号厂家代码55 55 00 00 00 00 00 16 FC FC FC FC结束码注意: 如若输入表显示的地址不能够读取数据,请用读取地址命令读取地址,然后按照,A0-A7顺序写入抄表命令,即可读取。
编制:李祖斌审核:批准:版本:1.0 日期:20150915188协议终检测试仪说明书1、功能特点a、自动测试,并给出相应的结果;b、表盘读数通过数字显示,可直观读取;c、表具的地址码通过数字显示,可直观读取。
2、电源外部供电电源为220V交流电源3、设备照片4、测试4.1 接线红黑夹子接对应整表M-BUS总线红黑线。
4.2测试按动圆型红色按钮,即开始自动测试。
测试过程中,不允许按动圆型红色按钮停止测试。
4.3 数码管指示说明01EEE:通讯错误,指表头与测试机未建立通讯,但在表头刚挂接,未完成上电的情况下,可能出现通讯错误。
02EEE:通讯帧错误CCCCC:测试机第一次上电,此时总线无电压。
r r r r r :测试中停止供电,此时总线无电压。
UUUUU:开始上电通讯。
4.4数码管最高位状态说明最高位为0:阀门开,表具通讯正常。
最高位为1:表头有光管坏。
最高位为2:表示此表的光通道受到干扰。
最高位为3:模块致命故障,模块已损坏。
最高位为4:阀门关闭。
最高位为8:表示此表受强光干扰,若在没有强光干扰的环境下测试还显示8,说明此表为坏表具。
5、终止测试完成一次读数检测,则按下按动圆型红色按钮停止测试。
6、操作步骤:6.1 将电源插头接入220V交流电源。
数码管显示“CCCCC”。
6.2 将红黑夹子接对应整表M-BUS总线红黑线。
6.3 按下圆型红色按钮,测试仪数码管显示数码管显示“UUUUU”,3s后接着显示表头的高5位ID,3s后接着显示再接着显示表头低5位ID,3s后显示表头的当前数据。
6.4 取下整表M-BUS总线。
6.5 开始重复3~5步,测试下个整表。
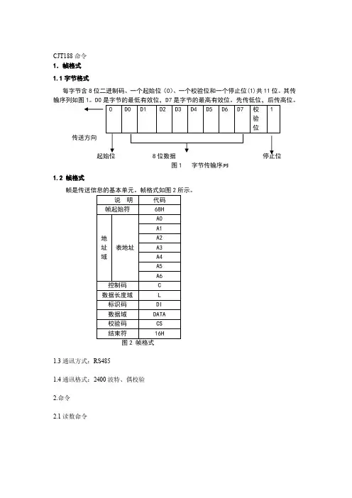
CJT188命令1.帧格式1.1字节格式每字节含8位二进制码、一个起始位(0)、一个校验位和一个停止位(1)共11位。
其传输序列如图1。
D0是字节的最低有效位,D7是字节的最高有效位。
先传低位,后传高位。
传送方向图1 字节传输序列1.2 帧格式图2 帧格式1.3通讯方式:RS4851.4通讯格式:2400波特、偶校验2.命令2.1读数命令例:表号为00000161014104的冷水表,表盘读数为0.6发送:FE FE FE FE 68 10 04 41 01 61 01 00 00 01 03 90 1F 00 D3 16接收:FE FE FE FE 68 10 04 41 01 61 01 00 00 81 16 90 1F 00 60 00 00 00 2C 60 00 00 00 2C 00 00 00 00 00 00 00 00 00 7E 162.2控制命令帧格式如图3所示。
例:表号为78332016080154的冷水表关阀发送:FE FE FE FE 68 10 54 04 08 16 20 33 78 04 04 17 A0 0A 99 1B 16 00接收:FE FE FE FE 68 10 54 04 08 16 20 33 78 84 06 17 A0 0A 99 01 00 9E 16开阀发送:FE FE FE FE 68 10 54 04 08 16 20 33 78 04 04 17 A0 0A 55 D7 16 00接收:FE FE FE FE 68 10 54 04 08 16 20 33 78 84 06 17 A0 0A 55 00 00 59 16 表回送的见CJ/T188-2004户用计量仪表数据传输技术条件。
超声波热量表通讯协议第一章通讯协议1、通讯协议:●M_BUS通讯采用欧洲EN13757 M-BUS总线标准;●协议采用建设部CJ/T 188-2004《户用计量仪表数据传输技术条件》标准;2、按抄表方式分为以下三种形式2.1 红外抄表功能红外抄表-采用红外接收发送管,进行近距离通讯介绍:●USB红外读表器-自制●需要安装驱动●USB红外读表器上有发射管(白),接收管(黑)●热量表上有接收管(黑),发射管(白)●两者发射对应接收在2厘米距离内抄表●采用专用软件2.2 485抄表功能RS485抄表-利用rs485通讯硬件进行的4线制较远距离的串行通讯;介绍:●232转485接口-可以买到●总线4根电线-A、B、地、电源5V●热量表上有4根电线-A、B、地、电源5V●两者对应接好(分极性,接错可能烧毁)●在800米以内通讯●最多64个终端●采用专用软件2.3 M_BUS抄表功能M-BUS:Meter(仪表),BUS(总线)是一种欧洲的2线制总线标准,是专门为消耗测量仪器和记数器传送信息而设计的数据总线标准,一种通讯线路,专门用于远程抄表的高可靠性、高速的远程抄表系统总线。
介绍:●M_BUS主机●总线2根电线-A、B●热量表上有2根电线-A、B●两者对应接好(不分极性)●在4000米以内通讯●最多400个终端●采用专用抄表软件第二章热表上传数据格式1、串口设置传输速率:传输速率2400bps校验方式:偶校验数据位:8位停止位:1位16进制发送2、查询表号代码68 20 AA AA AA AA AA AA AA 1A 03 9A 4F 00 34 16发送指令后表的液晶屏显示的号码为表号,一般和条形码号码一致,表号加上固定码001111就是表的地址。
在“瞬时”状态按住按钮8秒显示“A2”进入测试界面,按钮查询,在“A2”界面的“瞬时”状态后面一个状态显示的数字就是表号。
3、修改表号代码68 20 11 11 11 11 00 11 11 15 0A A0 18 AA 12 34 56 78修改前表号表号固定码修改后的表号00 11 11 A5 16表号固定码校验和4、读表代码68 20 12 34 56 78 00 11 11 01 03 90 1F 00 71 16表号表号固定码数据长度校验和3、上传数据格式68 20 12 34 56 78 00 11 11 81 2E 90 1F 00 56 04 00 00 固定起始位表号表号固定码固定码冷量05 23 01 00 00 05 00 00 00 00 14 00 00 00 00 32 89 07 单位热量单位功率单位流速单位水量00 00 2C 50 26 00 60 26 00 00 00 00 37 47 21 08 06 10 水量单位进水温度回水温度工作时间秒分时日月年20 00 04 83 16年状态位校验和结束码解析:表号:12345678001111(12345678一般是条形码号)冷量:456千瓦时热量:123千瓦时功率:0瓦流速:0升/时水量:789立方米进水温度:26.50°回水温度:26.60°工作时间:0小时时钟:21点47分37秒日期:2010年6月8日状态:无水或断线其中单位代号为:05 千瓦时;14 瓦;32 升/时;2C 立方米。
亲爱的用户朋友:感谢您选用京源中科科技股份有限公司的超声波系列产品,京源中科科技股份有限公司是目前中国系列超声波热量表、超声水表、超声流量计及系统的研发生产基地,是中关村高新技术企业和软件企业.京源中科拥有全部产品的自主知识产权并始终走在超声测流领域的前沿,为提升我国高性能换能器的自主研发和产业化能力做出了贡献.不断的技术创新为京源中科产品在技术上始终处于领先地位奠定了坚实的基础.凭借领先的技术,优良的品质,京源产品已得到了国内外众多用户的认可,深受用户好评.京源中科将不断提高超声测流技术水平及能源管控系统服务能力,以一流的产品和一流的服务满足用户需求,为推动全球节水节能事业的发展做出贡献!主要提示:1.在使用本产品前,请务必先仔细阅读本说明书。
2.请务必妥善保管好本说明书,以便日后能随时查阅。
3.请严格按照本说明书进行操作.对于不按照说明书规定使用造成的任何后果,我公司不承担任何责任。
4.本说明书中所列图案仅作为操作示意,并不作为检验产品的依据,如实际产品与本说明书不一致,请以实际产品为准,或向我公司咨询。
5.本产品在出厂前经过严格检定,对于用户私自开壳、拆卸造成的损坏,我公司不承担任何责任。
6.仪表显示“报警”或“”符号时,请参照故障排除指南.否则会造成计量数据缺失。
7.如果本产品无法正常操作或需要维修,请联系我公司或经我公司正式授权的经销商。
注:请严格按照本说明书进行操作,以免给您的相关权益造成损失。
目录一、概述 (01)二、显示功能 (02)三、基本参数与技术性能 (05)四、安装说明 (07)五、安装方式提示 (12)六、远传接口 (16)七、使用及注意事项 (17)八、常见问题及解决方法 (18)超声波式冷热量热能表将流量计、计算器集成为一体,具有结构紧凑、安装方便等特点。
该表采用优质压电陶瓷换能器,保证了高准确度和稳定性。
该表无任何机械运动,无磨损,不受恶劣水质影响,维护费用低。
该表可水平、垂直安装,可调节表头能满足任何视角的读数要求,安装时可根据用户不同需要安装在供水管道或回水管道上(需预先选定)热量表显示器有累计热量(kW•h)、累计冷量(kW•h)、瞬间热量(kW)、进水温度(℃)、回水温度(℃)、进回水温差(℃)、累计流量(m3)、瞬间流量(m3/h)、累计运行时间(h)等显示功能外,并可显示当前日期、出厂编号、地址编号、版本号、前十八个月每月流量用热量值,并有电池容量不足指示及自动错误诊断功能,确保安全、准确运行。
超声波热量表通讯协议第一章通讯协议1、通讯协议:●M_BUS通讯采用欧洲EN13757 M-BUS总线标准;●协议采用建设部CJ/T 188-2004《户用计量仪表数据传输技术条件》标准;2、按抄表方式分为以下三种形式2.1 红外抄表功能红外抄表-采用红外接收发送管,进行近距离通讯介绍:●USB红外读表器-自制●需要安装驱动●USB红外读表器上有发射管(白),接收管(黑)●热量表上有接收管(黑),发射管(白)●两者发射对应接收在2厘米距离内抄表●采用专用软件2.2 485抄表功能RS485抄表-利用RS485通讯硬件进行的4线制较远距离的串行通讯;介绍:●232转485接口-可以买到●总线4根电线-A、B、地、电源7-12V●热量表上有4根电线-A、B、地、电源7-12V●两者对应接好(分极性,接错可能烧毁)●在800米以内通讯●最多64个终端●采用专用软件2.3 M_BUS抄表功能M-BUS:Meter(仪表),BUS(总线) 是一种欧洲的2线制总线标准,是专门为消耗测量仪器和记数器传送信息而设计的数据总线标准,一种通讯线路,专门用于远程抄表的高可靠性、高速的远程抄表系统总线。
介绍:●M_BUS主机●总线2根电线-A、B●热量表上有2根电线-A、B●两者对应接好(不分极性)●在4000米以内通讯●最多200个终端●采用专用抄表软件第二章 热表上传数据格式一、串口设置波特率:2400bps校验方式:偶校验数据位:8位停止位:1位数据发送方式:以16进制发送二、热量表LCD显示表号68 20 AA AA AA AA AA AA AA 1A 03 9A 4F 00 34 16发送指令后表的液晶屏显示的号码为表号,一般和条形码号码一致,表号加上固定码001111就是表的地址。
在“瞬时”界面按住按钮8秒进入“A2”测试界面。
点击按钮(在“A2”测试界面的“瞬时”后面一个界面,显示的8位数字就是表号)。
三、修改热量表表号68 20 11 11 11 11 00 11 11 15 0A A0 18 AA 12 34 56 78 00 11 11 A5 16修改前表号表号固定码修改后的表号表号固定码校验和注:校验和(CS):在16进制下,从第一个字节累加至校验和字节前一位,然后取累加和低字节为校验和。
无线智能温控阀使用说明书1概述LCW9204无线智能温控阀是公司针对我国供水采暖系统自主开发、设计的一款无线智能温控阀。
本温控阀上行与控制中心相连为MBUS 接口,温控阀内置微电脑控制芯片,可直接接收控制中心对阀门开关状态的调节;同时与温控面板结合,通过下行无线通讯接收温控面板发送的对阀门开度调整命令;通过下行MBUS 主站采集热量表数据,并将热量表和面板数据整合传送给控制中心。
系统掉电时,无论温控阀工作在任何模式下,阀门均打开,防止影响用户在停电时的正常用热。
2温控阀功能说明本温控阀符合符合CJ188通信协议,MBUS 接口方式(上行默认,其他形式需定制)。
串口设置:2400E 81(上行默认,其他形式需定制)。
供电方式:DC24V。
下行与面板通讯:无线接口,传输距离,离地面2米以上,可800米。
下行与热量表通讯:MBUS 接口方式。
本温控阀具有实现功能如下:(1)主站服务器可远程控制温控阀开/关状态,且优先于温控面板控制;(2)主站服务器可通过该温控阀告知用户当前是否欠费、是否处于检修状态,并通过温控面板直观地展示给用户;(3)主站服务器可通过该温控阀控制用热用户室内温度高值,防止用热浪费,并适时监测用户用热状态及室温;(4)温控阀阀门堵转检测,ERR 指示灯闪烁显示堵转并可通过上行通讯提示主站服务器;(5)掉电开阀功能,在任何状态下,如系统掉电,阀门立即打开,防止影响用户用热;(6)防锈功能:温控阀每隔一段时间自动动作,防止阀门生锈。
(防锈时间间隔可设置);(7)每隔30分钟采集热量表数据一次(采集时间间隔10~150分钟可设)。
3温控阀接线LCW9204无线智能温控阀外共有两根连接线,颜色分别不同,请按下表说明接线。
4无线温控阀选型序号线线色定义备注1四芯线红线电源正DC24V 2黑线电源地GND 3黄线M-bus+上行通讯4绿线M-bus-5两芯线红线M+接热量表Mbus 线6白线M-LCW9204-DC24V-Ⅰ,无线智能温控阀,MBUS上行接口CJ/T188协议,无线下行接口与面板通讯自定义协议,直流24V供电。
经常使⽤传感器协议1:CJT-188⽔表协议解析1本⽂以实例说明CJ/T-188⽔表协议的解析过程,下⾯数据未经特殊说明,均指⼗六进制。
数据发送:FE FE FE FE 68 10 44 33 22 11 00 33 78 01 03 1F 90 00 80 16说明例如以下:FE FE FE FE:协议头(1-4组)。
68:帧起始符。
10:仪表类型,此实例指冷⽔⽔表。
还可定义为:10:冷⽔⽔表11:⽣活热⽔⽔表12:直饮⽔⽔表13:中⽔⽔表20:热量表(记热量)21:热量表(记冷量)30:燃⽓表40:电度表44 33 22 11 00:倒序为0011223344(以BCD码形式看待)。
表⽰表号。
33 78:倒序为7833(以BCD码形式看待),表⽰⼚家代码。
01:控制码表⽰读表计数据。
后⾯跟固定数据域长度、数据标识和序列号。
03:数据域长度(固定)。
1F 90:数据标识(固定)。
00:序列号(固定)。
80:累加和,68+10+44+33+22+11+00+33+78+01+03+1F+90+00=80。
16;结束符。
回复数据:FE FE FE FE 68 10 44 33 22 11 00 33 78 81 16 1F 90 00 00 77 66 55 2C 00 77 66 55 2C 31 01 22 11 05 15 20 21 84 08 16说明例如以下:FE FE FE FE:协议头(1-4组)。
68:帧起始符。
10:仪表类型。
44 33 22 11 00:倒序为0011223344(以BCD码形式看待),表⽰表号。
33 78:倒序为7833(以BCD码形式看待),表⽰⼚家代码。
81:实际为控制码+80。
我们能够简单觉得仅仅有81正确。
⾮81均为异常,不进⾏解析。
16:数据域长度,为⼗进制22。
表⽰后⾯有22个有效数据。
1F 90:数据标识(固定)。
00:序列号(固定)。
00 77 66 55:倒序为556677.00(以BCD码形式看待),表⽰累计⽤量。
水表通信协议V2.2(DZ)综述此协议是基于188 协议进行整理的,适用于一般远传水表。
传输时波特率为2400bps、偶校验、数据位为8 位、停止位为1 位。
同一帧数据中无特殊说明时一般为低字节在前,高字节在后。
1-4 0XFE帧起始符68H:标识一帧信息的开始,其值为68H=01101000B。
仪表类型T 在此协议中全固定为10H, 表示水表。
地址域A0---A6 地址域(A0--A6) 由7字节BCD码组成。
低在前, 高在后控制码C 控制码D7=0:由主站发出的命令帧D7=1:由从站发出的应答帧D6=0:从站正确应答D6=1:从站对异常信息的应答D5~D0:000001:读数据000100:写数据000011:读地址( 表号)010101:写地址( 表号)1XXXXX厂: 商自定义.其他: 暂保留未用数据长度L:L 为数据域的字节数。
L=0 表示无数据域。
数据域DATA:数据域包括数据标识、序列号和数据等,其结构随控制码的功能而改变。
校验码CS:从帧起始符开始到校验码之前的所有各字节的模256 的和,即各字节二进制算术和,不计超过256 的溢出值。
结束符16H:标识一帧信息的结束,其值为16H=00010110B协议帧控制码:C=CTR_1数据长度:L=03H+m(数据长度)数据标识: DI0,DI1; 序列号: SER2.1.3从站异常应答帧功能:从站收到非法的数据请求或无此数据控制码:C=CTR_2数据长度: L=03H序列号: SER帧格式:2.1.4 主站请求读控制字2.1.5 主站请求读数据标识说明3.1写数据3.1.1主站请求帧功能:请求读数据控制码:C=CTR_3数据长度:L=03H+m数(据域长度)数据标识: DI0,DI1;序列号: SER3.1.2控制码:C=CTR_4数据长度:L=03H+m(数据长度)数据标识: DI0,DI1; 序列号: SER3.1.3从站异常应答帧功能:从站收到非法的数据请求或无此数据控制码:C=CTR_5数据长度: L=03H序列号: SER帧格式:3.1.4 主站请求写控制字3.1.5 主站请求写数据标识说明4. 数据表达格式说明5. 单位代号表状态ST0定义表状态ST1定义表SER固定为00。
CJ188通讯协议光电直读仪表CJ-T188通讯规约2016年2⽉⽬录第1章概述 (3)第2章表计地址及数据编码格式 (4)第3章数据传输协议 (6)3.1读表计数据 (6)3.2读表计地址 (7)3.3设置表计地址 (9)3.4写阀门控制 (11)附录1测试报⽂ (14)附录2M-bus接⼝ (15)第1章概述本规范是抄表系统下⾏接⼝的通讯协议(除少部分⾃定义部分外,均参照CJ/T 188-2004中华⼈民共和国城镇建设⾏业标准)。
协议内容分为两层:控制帧、⽂件传输协议。
⽹络拓扑图如下:本协议为主-从模式的半双⼯通讯⽅式。
集中器为主叫⽅,⽔、燃⽓等表计均为被叫⽅。
每个⽔、燃⽓表计均有各⾃的地址编码。
通讯链路的建⽴与解除均由主叫⽅来完成。
字节格式符合CJ/T188-2004标准字节格式,即每字节含8位⼆进制码,传输时加上1数据服务器WEB ⽅式数据管理系统前端管理机内部局域⽹Internet 或内部局域⽹集团公司服务器现场集中器集团公司内⽹或Internet收费票据打印⼯作站本通讯协议适⽤范围位起始位(0)、⼀个偶校验位、⼀个停⽌位(1),共11位。
通讯波特率为2400bps。
校验码(CS)符合CJ/T188-2004,即从起始符(0x68)开始到校验码之前的所有字节的和对256取模。
第2章表计数据编码格式说明以下数据均为16进制表⽰,表计地址⼴播码为AA,主叫⽅在发送命令帧之前先发送3字节0xFE;在主叫⽅发出命令帧到表计应答时间<1秒,其它符合CJ/T188-2004。
2.1表类型T代码说明冷⽔表为:10热⽔表为:11直饮⽔表为:12热量表为:20燃⽓表为:30电表为:402.2表计地址ADDR编码格式(采⽤BCD码)A0:⽣产流⽔号最低字节;A1:⽣产流⽔号次⾼字节;A2:⽣产流⽔号最⾼字节;A3:表计⽣产⽉份;A4:表计⽣产年份;A5:⽣产⼚商代码低字节;A6:⽣产⼚商代码⾼字节;(以上的表计地址编码⽤户可⾃⾏定义,发送时低字节在前⾼字节在后)2.3控制码CTR代码说明(表计回复CTR|+0x80)主站(主叫⽅)发送从站(表计)回复读表计数据01H81H读表计地址03H83H设置表计地址15H95H控制阀门04H84H2.4DI 标识代码说明2.5表计数据编码格式(采⽤BCD 码)如表计数据是123456.78,则数据编码如下:D0—0x78;D1—0x56;D2—0x34;D3—0x12;2.6序号SER 说明主叫⽅访问表计的序号,表计回复时的序号要与访问的序号⼀致。
1、本协议符合CJ-T188-2004用户计量仪表数据传输技术条件,仪表的通讯接口形式为M-BUS(Meter-bus)通信接口。
3、数据链路层本协议采用主-从结构的半双工通信方式。
手持单元或其它数据终端为主站,表计为从站。
每个表计均有各自的地址编码。
通信链路的建立与解除均由主站发出的信息帧来控制。
每帧由帧起始符、从站地址域、控制码、数据长度、数据域、帧信息纵向校验码及帧结束符等7 个部分组成。
每部分由若干字节组成。
3.1 字节格式为每字节含8位二进制码,传输时加上一个起始位(0)、一个偶校验位(E)和一个停止位(1),共11位。
其字节传输序列如图1。
D0是字节的最低位,D7是字节的最高位,先传低位,后传高位。
图1、字节传输序列3.2 帧格式表1、帧格式3.2.1 帧起始符固定为68H,标识一帧信息的开始,仪表类型T通过写表地址命令设置,如写表地址命令帧中仪表类型T为10H,则表地址成功设置后,此表的表类型就是10H,具体表类型T的定义如表2:表2、仪表类型T3.2.2地址域(A0~A6)由七个字节组成,每个字节为2位BCD码格式。
地址长度为14位十进制数,低地址在前,高地址在后。
当表地址为AA AA AA AA AA AA AA 为广播地址,广播地址只能应用于点对点的通讯中。
3.3.3 控制码(C)的格式按图2所示:D7:0-由主站发出的控制帧;1-由从站发出的应答帧。
D6:0-通讯正常;1-通讯异常。
D5~D0:000000:保留;000001:读数据;000100:写数据;001001:读密钥版本;000011:读地址(表号);010101:写地址(表号);010110:写机电同步数(置表底数);1XXXXX:厂商自定义。
3.2.4 数据长度(L)为数据源的字节数,用十六进制表示。
读数据时L小于或等于64H,写数据时L小于或等于32H,L等于零表示无数据域。
3.2.5 数据域(DATA)包括数据标识、序列号和数据,其结构随控制码的功能而改变。