聚甲基丙烯酸酯型降凝剂的作用机理和应用范围
- 格式:doc
- 大小:268.00 KB
- 文档页数:9
降凝剂在润滑油品中的性能表现降凝剂在润滑油品中的性能表现2010年10月20日前言:降凝剂作为大多数润滑油品一种必需的添加剂,润滑油行业对它们的使用“由来已久”,使用范围也很广。
本文将主要介绍降凝剂大致的使用情况、作用机理、常见的润滑油降凝剂品种以及降凝剂在润滑油品中的其他一些性能表现。
降凝剂的使用情况以及其作用机理由于润滑油品要求在低温情况下也能具有良好的流动性能,因而降凝剂也就成为许多润滑油中不可或缺的添加剂,行业内对他们的使用已经由来已久。
上世纪四、五十年代发现了聚丙烯酰胺、烷基聚苯乙烯、聚丙烯酸酯、马来酸酯-甲基丙烯酸长链烷基酯共聚物等降凝剂产品,60年代开始生产烯烃聚合物、醋酸乙酯—富马来酸酯共聚物等产品,70年代发表了а-烯烃共聚物(а-olefine copoly-mer)、马来酸酐-醋酸乙酯共聚物等降凝剂专利。
迄今为止,全世界在合成的降凝剂产品有数十种之多,但作为商品并得到大规模生产和应用的产品不过十余种。
从我国国内的情况来说,在上个世纪中、后期,烷基萘(Alkylnaphthalene)产品还是我国主要的降凝剂产品,但由于该类产品的颜色偏深而导致应用受到影响。
从目前的情况来说,国内市场上主要有聚酯类(Polyesters)和聚烯烃类(Polyolefine)等降凝剂产品。
其中聚酯类产品包括聚丙烯酸酯、聚甲基丙烯酸酯和醋酸乙烯/反丁二烯酸酯(富马酸酯)共聚物;而聚烯烃类产品主要有聚a-烯烃(PAO)和烷基聚苯乙烯。
降凝剂也称作油品倾点改进剂,倾点是在规定的试验条件下油品能保持流动的最低温度,它是汽车在冬季能否顺利启动的重要考虑指标。
一般来说,各种矿物基础油中都或多或少含有蜡成分。
含蜡基础油之所以很容易在低温下失去流动性,主要的原因是在低温下高熔点的固态烃分子会定向排列,形成针状和片状的结晶并相互联结,形成三维的网状结构,这种网状结构会将低熔点的油通过吸附或溶剂化包于其中,从而对整个油品的流动性产生负面影响,甚至能使整个油品失去流动性。
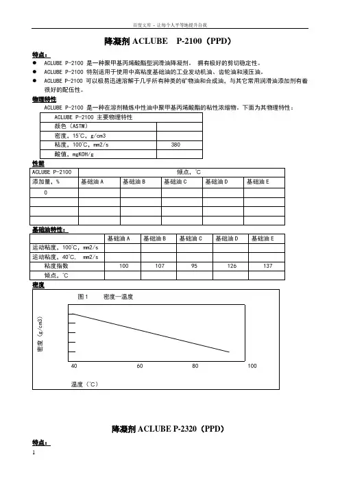
降凝剂ACLUBE P-2100(PPD)特点:●ACLUBE P-2100 是一种聚甲基丙烯酸酯型润滑油降凝剂。
拥有极好的剪切稳定性。
●ACLUBE P-2100 特别适用于使用中高粘度基础油的工业发动机油、齿轮油和液压油。
●ACLUBE P-2100 可以极易迅速溶解于几乎所有种类的矿物油和合成油,与其它常用润滑油添加剂有着很好的配伍性。
物理特性ACLUBE P-2100 是一种在溶剂精炼中性油中聚甲基丙烯酸酯的粘性浓缩物。
下面为其物理特性:降凝剂ACLUBE P-2320(PPD)特点:●一种润滑油用聚甲基丙烯酸酯(PMA)型流点抑制剂;●特别是对于各种中高粘度的基油,显示出极佳的流点抑制性能;●具有出色的剪切稳定性;●非常适合制造发动机油,传动线和液压油;●易溶于所有矿物油和合成基油,而且与其他传统的润滑油添加剂具有良好的兼容性。
物理特性:ACLUBE P-2320是一种浓缩型矿物油(高度精制油)烷基聚甲基丙烯酸酯共聚物。
其标准属性如下:性能:测试方法:JIS K2269(I类),ASTM D97(III类)操作指导:图1和2中所显示的是温度对属性的影响。
1.密度Density(密度) Temperature(温度)图1 密度和温度关系曲线2.体积粘度Kinematic Viscosity(运动粘度) Temperature(温度)图2 运动粘度和温度关系曲线粘指剂ACLUBE V-2130(VII)特点:●一种含流点抑制剂的聚甲基丙烯酸酯(PMA)型VI(粘度指数)改善剂;●具有出色的剪切稳定性,VI改善作用以及低温粘度特性;●非常适合制造连续变速传动油(CVTF),自动变速油(ATF),多级齿轮油以及液压油;●易溶于所有矿物油和合成基油,而且与其他传统的润滑油添加剂具有良好的兼容性。
标准属性:属性数值颜色(ASTM)15℃状态下的密度(g/cm3)100℃状态下的运动粘度 (mm2/s)810性能:①Kinematic Viscosity at 100℃(100℃的运动粘度)②Kinematic Viscosity at 40℃(40℃的运动粘度)③Amount of ACLUBE V-3040 (wt%)ACLUBE V-2130的量(wt%)图1 ACLUBE V-2130的稠化作用①Kinematic Viscosity at 100℃(100℃的运动粘度)②Amount of ACLUBE V-2130 (wt%)ACLUBE V-2130的量(wt%)图2 ACLUBE V-2130的VI改善作用运动粘度(mm2/s)粘度指数(VI)流点℃40℃100℃121采用III类基油。
降凝剂降凝原理
降凝剂是一种用于处理混凝土或水泥砂浆中的凝胶凝固剂,其主要作用是促使凝胶或胶体颗粒结合成固体颗粒,从而实现分离固液的目的。
降凝剂的降凝原理主要包括以下几个方面:
1. 阻断胶凝物颗粒间的化学反应:降凝剂通过改变混凝土或水泥砂浆中颗粒间的电荷特性或表面活性物质的含量,从而抑制或阻断胶凝物颗粒之间的吸附和结合反应。
这样可以有效地减少胶凝凝胶物质的形成,阻碍颗粒结合成团。
2. 改变胶凝物的流动性:降凝剂在混合凝结过程中会改变水泥浆料或混凝土中胶凝物的流动性,使其具有更好的可流性和易于分散性。
这样可以防止颗粒团聚,提高颗粒的分散性,使其易于分离。
3. 改变胶凝物粒子的表面特性:降凝剂通过改变胶凝物粒子表面的电荷特性、润湿性、静电作用等物理性质,使胶凝物颗粒之间相互排斥,减小颗粒之间的吸引力和结合力。
这样可以避免颗粒聚集形成凝胶,从而使固液分离更加容易。
总的来说,降凝剂通过改变胶凝物颗粒之间的相互作用力和颗粒的流动性,从而实现凝胶凝固物的分离和固液分离的目的。
它在混凝土施工或水泥砂浆加工过程中起到降低凝胶凝固物含量、增加流动性和分散性的作用,提高了施工的可操作性和材料的质量。
聚甲基丙烯酸酯降凝剂的合成聚甲基丙烯酸酯降凝剂的介绍聚甲基丙烯酸酯(PMA)降凝剂是一种常用的水处理剂。
它是一种高分子有机化学合成物,能够使水中的悬浮物质和颗粒物沉淀于底部,净化水质。
PMA降凝剂具有不易挥发,水溶性好,使用方便,对水质没有副作用等优点,因此在水处理领域中得到了广泛的应用。
聚甲基丙烯酸酯降凝剂的制备方法PMA降凝剂的制备方法较多,下面介绍其中一种方法。
原料准备PMA降凝剂的制备原料有丙烯酸甲酯、过硫酸铵、聚乙二醇和二甲苯等。
在具体制备过程中还需准备一些实验室常规器材。
制备过程1.将丙烯酸甲酯、过硫酸铵、聚乙二醇加入三口瓶中,摇匀后再加入适量二甲苯。
2.用硝酸纤维素膜将三口瓶封口,放入油浴内进行三脚瓶加热反应。
3.对反应后的产物进行洗涤、过滤、干燥等处理,最终得到颗粒状的PMA降凝剂。
聚甲基丙烯酸酯降凝剂的应用PMA降凝剂广泛应用于水处理领域,例如:1.工业生产废水处理:PMA降凝剂能够沉淀废水中的重金属离子、有机物等污染物,达到净化废水的目的。
2.自来水净化:自来水中常常含有黄色、浑浊等现象,使用PMA 降凝剂后可以使水质变得清澈透明。
3.温泉设备清洗:温泉设备长期使用后容易滋生大量的细菌和微生物等,使用PMA降凝剂能够净化设备,提高使用效率和安全性。
聚甲基丙烯酸酯降凝剂使用注意事项为了保证PMA降凝剂使用的效果和安全性,应注意以下事项:1.在操作过程中应做好防护工作,切勿接触皮肤和吸入其气味。
2.使用后应妥善保存,切勿直接暴露在阳光下或高温环境中。
3.本产品只适用于水处理等领域,不得作为食品添加剂或其他用途。
结语PMA降凝剂是一种广泛应用于水处理领域的高分子有机化合物。
制备方法较为简单,使用方便,使用注意事项也比较简单,因此在实际使用中应该能够得到更广泛的应用。
另外,在使用过程中还应保持与其他化学品的隔离,以免相互反应影响水质改善效果。
安全数据单SAFETY DATA SHEET降凝剂1、物质鉴定和公司鉴定1.1 物质鉴定产品名称:降凝剂别名:聚甲基丙烯酸酯型降凝剂,润滑油添加剂,柴油添加剂品牌/型号:R2508-1;R2508-2;KUSAPOUR 300.1.2 物质用途:降低倾点,保持油品低温的流动性,用于润滑油,柴油,齿轮油,液压油等.2.危险标识标语:危险危险性说明:可能致癌预防陈述P101 如果需要医疗建议,要带着产品说明P102 远离儿童P103使用前阅读标签P405 封闭式储存P501根据当地法规处理集装箱安全性标语S53 避免暴露-在使用之前要得到特殊指导S1/2 封闭式储存,放到儿童够不到的地方S45 发生意外时,如果感到不适,立即寻求医疗帮助3.成份组成甲基丙烯酸酯共聚物的矿物油溶液根据OSHA条款,此产品不属于危险品。
这个物质安全说明书是给员工和产品的使用者提供有价值的安全操作和使用此产品的信息。
根据67/548/EEC及修订版,此品不属于危险品4.急救措施一般信息:发生事故后,48小时内都应观察。
吸入:如果吸入,转移到有新鲜空气的地方。
皮肤接触:如果接触到的话,立即用大量的水冲洗皮肤。
脱掉受沾染的衣服和鞋。
眼睛:如果接触到的话,立即用大量的水冲洗至少15分钟。
得到医疗救助。
摄取:如果吞食,立即获得医疗援助。
给医生的建议:此品溶于医学白油(BP)和液态石蜡症状:接触可能会刺激呼吸系统,刺激眼睛5、消防措施产品闪点:≥120℃产品燃烧可能产生的特殊物质:这是酯类的产品,燃烧可能产生一氧化碳和二氧化碳灭火措施:发生火灾时使用灭火器:喷水雾,干粉防护措施:全套消防服装和空气呼吸器。
6.意外释放措施人员安全注意:穿防护服.疏散无防护措施的人群.环境保护:不要将产品排入下水道或其他水道.如果流入排水系统,迅速通知相关政府部门.泄漏处理办法:用介质(如沙子,硅藻土, 酸粘合剂,通用粘合剂或锯末)把泄漏物质覆盖,保持充足的通风。
甲基丙烯酸甲酯、甲基丙烯酸丁酯、甲基丙烯酸的聚合物甲基丙烯酸甲酯、甲基丙烯酸丁酯和甲基丙烯酸是三种重要的化工原料,它们通过聚合反应可以形成多种高分子聚合物,广泛应用于涂料、橡胶、塑料、纺织品等领域。
本文将从聚合原理、应用领域、市场前景等方面展开全面评估,并深入讨论这三种化合物的聚合物特性,以及对应用领域的影响和意义。
一、聚合原理1. 甲基丙烯酸甲酯的聚合原理甲基丙烯酸甲酯是一种重要的聚合物单体,其聚合原理主要通过自由基聚合反应实现。
在聚合过程中,单体分子之间发生链转移和自由基引发聚合,最终形成聚甲基丙烯酸甲酯聚合物。
2. 甲基丙烯酸丁酯的聚合原理甲基丙烯酸丁酯同样是一种常见的聚合物单体,其聚合原理与甲基丙烯酸甲酯类似,主要通过自由基聚合反应实现。
在聚合过程中,单体分子发生聚合链的延伸,最终形成聚甲基丙烯酸丁酯聚合物。
3. 甲基丙烯酸的聚合原理甲基丙烯酸作为一种重要的聚合物单体,其聚合原理同样涉及自由基聚合反应,其分子通过链转移和引发聚合的方式生成聚甲基丙烯酸聚合物。
二、应用领域1. 涂料领域这三种聚合物在涂料领域有着广泛的应用,它们可以用作涂料的基础材料,具有良好的耐候性、耐腐蚀性和耐磨性,可以应用于建筑涂料、汽车涂料等方面。
2. 橡胶领域在橡胶制品中,这些聚合物可以作为增塑剂或改性剂,提高橡胶制品的强度、耐磨性和耐老化性能,广泛应用于汽车轮胎、工业密封件等方面。
3. 塑料领域这些聚合物在塑料领域也有着重要的应用,可以用于制备各种类型的塑料制品,如包装材料、工程塑料、日用品塑料等。
4. 纺织品领域在纺织品领域,这些聚合物可以用作涂层材料或添加剂,提高纺织品的防水性、抗菌性和耐磨性,应用于户外服装、功能性面料等方面。
三、市场前景由于涂料、橡胶、塑料、纺织品等领域的不断发展,这三种聚合物的市场需求持续增加。
人们对产品性能和环保要求的提升,也促使这些聚合物在市场上有着广阔的发展前景。
四、个人观点和总结这三种聚合物作为重要的化工原料,在涂料、橡胶、塑料、纺织品等领域有着广泛的应用前景。
2021 April第聚甲基丙烯酸酯(PMA)型润滑油降凝剂是一种化学合成的高分子有机物,能够降低润滑油的凝固点或倾点,改善油品的低温流动性能,是目前国内外使用的主流降凝剂,润滑油调配中全球使用占比超过50%。
润滑油黏度指数改进剂(简称黏指剂)的作用是改善油品的黏温性能,使油品具有较高的黏度指数,从而保证发动机在低温下能顺利启动,在高温下油品有足够大的黏度,确保良好的润滑。
PMA 型黏指剂在液压油领域,主要用于改善配方中基础油的黏温性能;在车辆齿轮油和自动变速箱中,一直都是主流的黏指剂,在低黏化趋势下,高性能的PMA 在配方中需求逐渐增多;在发动机油领域,超强节能产品引发PMA 型黏指剂的需求快速增长[1]。
目前,国内润滑油调配厂应用的PMA 型降凝剂和黏指剂主要依靠进口,约占到市场份额的90%。
国内也有部分公司积极从事国产化产品的研制与生产,并部分投入到市场中。
本论文对国外和国内PMA 型添加剂供应商和产品进行了介绍,对中国石化大力推进的润滑油添加剂工业化生产进行了技术分析和前景展望。
聚甲基丙烯酸酯(PMA)型添加剂是润滑油调配的重要组分,具有优异的黏温性能和低温性能。
其中,PMA型降凝剂具有基础油适应性好、低温改善能力强等优点,是目前全球销量最大的润滑油降凝剂;PMA型黏指剂具有突出的改善低温性能和黏温性能的能力,是高档低黏多级内燃机油、液压油、齿轮油等产品的重要组成成分。
本文介绍了国内外PMA型添加剂供应商和产品现状,展望了PMA型添加剂国产化开发应用的发展趋势,对于中国石化加快科研技术工业化和自主建设生产基地进行了探讨。
杨海明中国石化润滑油有限公司滨海分公司聚甲基丙烯酸酯型添加剂国内外供应现状及国产化展望作者简介:杨海明,硕士,研究生,工程师,主要从事润滑油、冷却液、聚甲基丙烯酸酯添加剂工艺设备管理工作。
E-mail:yanghaiming-06@163.comMarket Observation市场观察5656二期57一2021 April第PMA 型添加剂国内外供应商及其产品国外供应商PMA 型添加剂的国外供应商主要有赢创油品添加剂公司(简称赢创公司)及三洋化成工业株式会社 (Sanyo Chemical Industries, Ltd.,简称三洋化成),2家企业的国内市场年销量情况如下:◇赢创公司:PMA 型降凝剂约为9 000 t,PMA 型黏指剂 约为8 000 t。
聚甲基丙烯酸聚甲基丙烯酸(Poly(methyl acrylate), PMA)是一种具有广泛应用的高分子有机化合物。
它由甲基丙烯酸单体通过聚合反应合成而成。
聚甲基丙烯酸在化工、医药、涂料等行业具有重要的应用价值。
本文将对聚甲基丙烯酸的合成方法、性质以及应用领域进行详细介绍。
一、聚甲基丙烯酸的合成方法聚甲基丙烯酸的合成过程通常采用自由基聚合反应进行。
主要的合成方法有以下几种:1. 自由基聚合反应:将甲基丙烯酸单体与引发剂和溶剂混合,在恒温条件下进行聚合反应。
常用的引发剂有过氧化苯甲酰和过氧化叔丁酮等。
2. 原子转移自由基聚合反应:在聚合反应过程中引入合适的原子转移试剂,控制聚合反应的分子量和分子量分布。
常用的原子转移试剂有硫酸丁酯、異辛基乙硫醚等。
3. 离子键聚合反应:在催化剂的作用下进行聚合反应。
常用的催化剂有过渡金属离子(如钴离子)和有机金属配合物等。
二、聚甲基丙烯酸的物理化学性质1. 结构特点:聚甲基丙烯酸的分子中含有大量的酯键和甲基基团,使其具有良好的可溶性和可加工性。
2. 热性能:聚甲基丙烯酸具有较低的玻璃化转变温度,通常在0℃以下,因此在低温环境下仍能保持较好的弹性和柔韧性。
3. 溶解性:聚甲基丙烯酸在常见的溶剂中具有较好的溶解性,可以与水、醇类、酮类等溶剂相互溶解。
4. 力学性能:聚甲基丙烯酸具有较好的拉伸强度和弹性模量,可用于制备高强度的材料。
三、聚甲基丙烯酸的应用领域1. 化工行业:聚甲基丙烯酸可以作为粘合剂、乳液和聚合物添加剂,用于改善化工产品的性能和稳定性。
2. 医药领域:聚甲基丙烯酸可以用于制备胶囊、药物包衣材料和给药系统等,具有良好的生物相容性和缓释性能。
3. 涂料行业:聚甲基丙烯酸可以作为水性涂料的基础材料,用于提高涂料的附着力、耐候性和耐腐蚀性。
4. 纺织业:聚甲基丙烯酸可以用于改性纤维材料,提高纺织品的抗菌性、防腐性和吸湿性能。
5. 包装材料:聚甲基丙烯酸具有良好的柔韧性和耐磨性,可用于制备包装袋、保鲜膜和塑料瓶等包装材料。
浅析降凝剂对基础油性能影响降凝剂是降低油品倾点的一种物质,降凝剂的作用机理是与石蜡形成共晶,改变石蜡晶体的大小和外形,不易形成网状结构,起到降低油品凝点的作用。
本文通过一系列试验数据表明,同一个降凝剂对馏分组成不同的基础油降凝剂所起的降凝效果也不同,不同一个降凝剂对馏分组成相同的基础油,其降凝效果也不同,为以后润滑油选择基础油和降凝剂的配伍性提供有利参考依据。
1 试验部分1.1 试样试样材料为烷基萘、聚a-烯烃、聚甲基丙烯酸酯、150SN、400SN、150N、500N、150BS。
1.2 试验条件将不同的降凝剂按0.1%、0.2%、0.3%、0.4%、0.5%、0.6%、0.7%、0.8%、0.9%、1.0%、1.5%与基础油配比,调和成100mL油样,并对油样分别做倾点试验。
1.3 试验设备倾点测定器。
1.4 试验方法1.4.1 试验标准。
油样倾点测定方法按《石油产品倾点测定法》(GB/T 3535)检测进行。
1.4.2 油样倾点的测定。
将油样在不搅拌的情况下,装入测试杯中,放入已经调试好冷浴的倾点测定器中,当试样温度下降到9℃时,移到-18℃冷浴中;当试样温度下降到-6℃时,移到-33℃冷浴中;当试样温度下降到-24℃时,移到-51℃冷浴中;当试样温度下降到42℃时,移到-69℃冷浴中;当试管倾斜而试样不流动时,应立即将试管放置水平位置5s(用计时器测量),并仔细观察试样表面。
如果试样显示出有任何移动,应立即将试管放回冷浴中。
若试样不流动,则此时温度计的温度即为油样的倾点。
2 试验结果与分析2.1 烷基萘降凝剂在不同基础油中的降凝效果从市场上购买的某种烷基萘降凝剂,按质量比例加入到不同的基础油中,利用《石油产品倾点测定法》(GB/T 3535)进行检测各样品的倾点,倾点数值变化如表1所示:如表1所示,随着烷基萘含量增加,基础油的倾点也随之降低,但烷基萘所加含量累积达到1%以后,烷基萘的降凝效果不明显,还有反弹现象。
甲基丙烯酸酯树脂及其应用甲基丙烯酸酯树脂是一种常用的聚合物材料,具有广泛的应用领域。
本文将介绍甲基丙烯酸酯树脂的特性以及其在不同领域的应用。
一、甲基丙烯酸酯树脂的特性甲基丙烯酸酯树脂是一种由甲基丙烯酸酯单体聚合而成的高分子聚合物。
其特点是具有良好的耐候性、耐化学性和耐热性,同时还具有良好的粘附性、柔韧性和透明性等优良性能。
甲基丙烯酸酯树脂还可以通过改变单体比例和聚合条件来调节其物理性质,以满足不同应用的需求。
二、甲基丙烯酸酯树脂的应用1. 丙烯酸酯树脂可以用于涂料领域。
由于其良好的耐候性和耐化学性,丙烯酸酯树脂广泛应用于室外涂料、汽车涂料和工业涂料等领域。
此外,丙烯酸酯树脂还可以用作涂料添加剂,改善涂料的附着力和耐久性。
2. 丙烯酸酯树脂在胶粘剂领域也有重要应用。
由于其良好的粘附性和柔韧性,丙烯酸酯树脂被广泛用作胶粘剂的基础材料。
特别是在包装、建筑和制鞋等领域,丙烯酸酯树脂的胶粘剂具有优异的粘接性能和耐久性。
3. 丙烯酸酯树脂还可以用于塑料制品的生产。
由于其优良的透明性和耐热性,丙烯酸酯树脂广泛应用于注塑和挤出成型等塑料加工工艺中。
丙烯酸酯树脂制成的塑料制品在电子、家居用品和汽车零部件等领域有着广泛的应用。
4. 此外,丙烯酸酯树脂还可以用于纺织品和胶乳的改性。
在纺织品中,丙烯酸酯树脂可以增加纤维的柔软性和耐磨性;在胶乳中,丙烯酸酯树脂可以增加乳液的粘度和稳定性。
甲基丙烯酸酯树脂是一种多功能的高分子材料,具有广泛的应用领域。
其在涂料、胶粘剂、塑料制品和纺织品等领域的应用,为这些行业提供了高性能材料解决方案。
随着科学技术的发展,甲基丙烯酸酯树脂的应用领域还将不断扩展,为各行各业带来更多的创新和发展机遇。
聚甲基丙烯酸用途
聚甲基丙烯酸是一种重要的高分子材料,具有广泛的应用范围。
它具有优异的物理性能和化学稳定性,不易受到环境影响。
以下是聚甲基丙烯酸的一些主要应用:
1. 油漆和涂料:聚甲基丙烯酸可以用作油漆和涂料的增稠剂,提高其粘度和流动性,使其更易于施工。
2. 医疗用品:聚甲基丙烯酸可以制成医用透明胶带,用于外科手术和创伤处理等领域。
它还可以用于制造人工晶体和人工心脏瓣膜等医用器械。
3. 电子器件:聚甲基丙烯酸具有优异的绝缘性能和耐高温性能,因此在电子器件中广泛应用。
例如,它可以用于制造电容器、绝缘材料和半导体器件。
4. 环保材料:聚甲基丙烯酸可以用于制造环保材料,例如生物降解材料和可再生能源材料等。
这些材料可以减少对环境的污染,有利于可持续发展。
总之,聚甲基丙烯酸在各个领域都有重要的应用,随着技术的不断进步和需求的不断增加,其应用前景也非常广阔。
- 1 -。
聚(乙二醇)甲基丙烯酸酯聚(乙二醇)甲基丙烯酸酯,一种常见的高分子材料,具有优异的性能和广泛的应用领域。
从其结构、制备方法、性能和应用角度来探索这种高分子材料。
一、结构聚(乙二醇)甲基丙烯酸酯的分子结构由乙二醇单元和甲基丙烯酸酯单元组成。
其中乙二醇单元提供了高分子链的柔韧性和水溶性,而甲基丙烯酸酯单元则提供了高分子材料的耐热性和耐化学腐蚀性。
二、制备方法聚(乙二醇)甲基丙烯酸酯的制备方法主要采用自由基聚合反应。
具体步骤为:将乙二醇、甲基丙烯酸酯和引发剂混合后,在一定条件下进行反应,得到聚合产物。
该反应通常在溶液状态下进行,反应时间和反应温度的控制对产物的分子量和分子分布有着重要的影响。
三、性能聚(乙二醇)甲基丙烯酸酯具有优异的性能,主要表现在以下几个方面:1. 耐热性:聚(乙二醇)甲基丙烯酸酯的分子中含有甲基丙烯酸酯单元,使其具有较好的耐高温性能,适用于高温环境下的应用。
2. 耐化学腐蚀性:高分子材料中乙二醇单元的存在使其在水溶液中具有良好的化学稳定性,可用于制备化学仪器和耐酸碱材料。
3. 柔韧性:乙二醇单元的存在使得聚(乙二醇)甲基丙烯酸酯具有较好的柔韧性,在制备纺织品、涂料、粘合剂等方面广泛应用。
4. 溶解性:由于乙二醇单元的存在,聚(乙二醇)甲基丙烯酸酯具有良好的水溶性,在药物制剂中有着重要的应用。
四、应用聚(乙二醇)甲基丙烯酸酯由于其独特的性能特点,在广泛的应用领域中都有涉及:1. 医药领域:聚(乙二醇)甲基丙烯酸酯在制备药物缓释系统、纳米药物载体、医用胶水等方面有着重要的应用。
2. 涂料、粘合剂领域:聚(乙二醇)甲基丙烯酸酯可用于制备人造革、涂料、粘合剂等领域。
3. 化学仪器领域:聚(乙二醇)甲基丙烯酸酯具有良好的化学稳定性和耐化学腐蚀性,在制备化学仪器、实验器皿等方面有着重要的应用。
综上所述,聚(乙二醇)甲基丙烯酸酯是一种具有广泛应用领域的高分子材料,其结构、制备方法、性能和应用都值得深入探讨和研究。
聚甲基丙烯酸丁酯用途
聚甲基丙烯酸丁酯(以下简称PMB)是一种重要的聚合物材料,具有广泛的应用领域。
下面将介绍PMB的几个主要用途。
1. 电子工业:PMB在电子领域中被广泛应用。
它可以作为电子元器件的封装材料和绝缘材料,具有优异的电气性能和耐高温性能,能够保护电子器件不受外界环境的影响。
2. 涂料与胶粘剂:PMB可以用作涂料和胶粘剂的基础材料。
它具有出色的粘结性能和表面光滑性,能够提高涂层的附着力和耐久性。
PMB还可以用于制备高性能胶水和密封材料,应用于汽车、建筑和航空等领域。
3. 医疗保健:PMB具有良好的生物相容性,可用于医疗保健领域。
它可以用于制备医用敷料、手术器械、人工关节等医疗器械,具有生物兼容性强、耐化学腐蚀性好的特点。
4. 纺织品:PMB可以用于纺织品的改性处理。
它可以使纺织品具有防水、防油、防污等功能,提高纺织品的耐久性和舒适度。
PMB还可以用于纺织品的染色和印花,使其颜色更鲜艳持久。
5. 包装材料:PMB可用于制备包装材料,如食品包装膜和塑料袋等。
它具有良好的透明度和耐撕裂性能,能够保护包装物品的完整性和新鲜度。
PMB具有优异的性能特点,广泛应用于电子工业、涂料与胶粘剂、医疗保健、纺织品和包装材料等领域。
它的应用为各行各业提供了高性能和高品质的解决方案。
聚甲基丙烯酸酯的用途聚甲基丙烯酸酯是一种重要的高分子材料,具有广泛的应用领域。
本文将从聚甲基丙烯酸酯的结构、性质、制备方法等方面入手,探讨其在医药、涂料、建筑、电子等领域的应用。
一、聚甲基丙烯酸酯的结构和性质聚甲基丙烯酸酯的分子结构式为:它是由甲基丙烯酸甲酯单体聚合而成的高分子材料。
聚甲基丙烯酸酯具有以下特点:1. 良好的透明性和光泽度,可用于制造透明材料。
2. 具有优异的耐候性和化学稳定性,能够耐受酸碱、溶剂等化学腐蚀。
3. 具有优异的电绝缘性能,可用于制造电子元件。
4. 良好的成形性和加工性能,可用于制造各种复杂形状的产品。
二、聚甲基丙烯酸酯的制备方法聚甲基丙烯酸酯的制备方法有两种,一种是自由基聚合法,另一种是离子聚合法。
1. 自由基聚合法自由基聚合法是指在自由基引发剂的作用下,甲基丙烯酸甲酯单体发生自由基聚合反应,形成聚甲基丙烯酸酯高分子。
这种方法简单易行,产率高,适用于大规模生产。
2. 离子聚合法离子聚合法是指在催化剂的作用下,甲基丙烯酸甲酯单体发生离子聚合反应,形成聚甲基丙烯酸酯高分子。
这种方法适用于制备高分子量的聚合物,但需要较高的反应温度和压力。
三、聚甲基丙烯酸酯在医药领域的应用聚甲基丙烯酸酯在医药领域的应用主要体现在以下方面:1. 制造人工器官和组织工程材料。
聚甲基丙烯酸酯具有良好的生物相容性和生物降解性,可用于制造人工血管、心脏瓣膜、软骨等人工器官和组织工程材料。
2. 制造药物缓释系统。
聚甲基丙烯酸酯可以制备成微球、纳米粒等形式,用于制造药物缓释系统,控制药物的释放速度和剂量。
3. 制造生物传感器。
聚甲基丙烯酸酯可以用于制备生物传感器,用于检测生物分子、细胞等。
四、聚甲基丙烯酸酯在涂料领域的应用聚甲基丙烯酸酯在涂料领域的应用主要体现在以下方面:1. 制造透明涂料。
聚甲基丙烯酸酯具有良好的透明性和光泽度,可用于制造透明涂料,如汽车涂料、建筑涂料等。
2. 制造高固体分涂料。
聚甲基丙烯酸酯可以制备成高固体分涂料,具有较高的涂覆率和附着力,可用于工业涂料、金属涂料等。