学校安全风险辨识管控清单
- 格式:docx
- 大小:43.64 KB
- 文档页数:18
系统性排查学校安全隐患的清单为了确保学校的安全,保障师生的生命财产安全,特制定本排查清单,通过系统性的排查,消除潜在的安全隐患。
一、安全管理制度排查1. 是否制定有完整的安全管理制度。
2. 是否定期对安全管理制度进行修订和完善。
3. 是否对全体师生进行安全教育和培训。
4. 是否建立有完善的安全档案。
二、校园环境排查1. 校园建筑是否符合国家安全标准。
2. 校园设施设备是否完好,是否存在安全隐患。
3. 校园消防设施是否完备,是否定期进行检查和维护。
4. 校园安全通道是否畅通,是否存在占用、堵塞现象。
5. 校园周边环境是否安全,是否存在治安隐患。
三、安全教育排查1. 是否将安全教育纳入课程体系。
2. 是否定期组织安全演练。
3. 是否对特殊人群进行重点安全教育。
4. 是否定期对教职工进行安全培训。
四、食品安全排查1. 食堂食材来源是否合法,质量是否可靠。
2. 食堂卫生是否达标,是否存在食品安全隐患。
3. 是否定期对食堂进行食品安全检查。
4. 是否建立有食品安全应急预案。
五、网络安全排查1. 校园网络是否安全,是否存在网络攻击、病毒感染等情况。
2. 是否定期对校园网络进行安全检查和维护。
3. 是否对师生进行网络安全教育。
4. 是否建立有网络安全应急预案。
六、交通安全排查1. 校园周边交通是否畅通,是否存在交通事故隐患。
2. 是否定期对校车进行安全检查。
3. 是否对师生进行交通安全教育。
4. 是否建立有交通安全应急预案。
七、突发事件应急预案排查1. 是否制定有完善的突发事件应急预案。
2. 是否定期组织突发事件应急演练。
3. 是否对应急预案进行修订和完善。
4. 是否对全体师生进行突发事件应急教育。
通过以上七个方面的排查,全面梳理学校的安全隐患,为学校的和谐稳定提供坚实保障。
学校(含高校实验室)重大安全风险管控责任清单(参考模板1.0版)序号重点部位设施主要风险概述管控责任管控措施责任人2-1食堂操作间1. 气灶燃气泄漏或烹调油燃烧发生火灾、中毒和窒息、爆炸。
2. 食品卫生安全问题,原材料变质、食品过期、成品被污染等因素导致食物中毒。
3. ..... 。
1. 保证食堂操作间燃气设备的管道、线路、燃气炉具的安全;2. 保证操作程序规范;3. 保持对食品、食材的采购、入库、储藏、领用、操作全过程的安全管控;4. ……。
1. 燃气灶无泄露、无变形、无腐蚀。
2. 操作过程严格管控燃气与烹调用油温度,严防火灾事故。
3. 通过明厨亮灶工程实施,安装在线食品动态监控设备,管理人员和从业厨师专人负责。
4..配备灭火器及消防毯等防护设施设备,发生火灾第一时间应急处置。
5. 严格管控原材料采购索证、定点采购进货关,以及入库验收、储存,出库领用规范流程。
建立食品安全工作台账6. 严格执行食品安全规范操作流程。
7. 执行食品安全试尝、留样制度。
8. 强化从业人员安全教育培训和身体健康体检。
9. 。
分管安全副校长(姓名)学校后勤安全管理部(处、科)长(姓名)XX食堂管理员(姓名)XX食堂厨师长(姓名)XX厨师(姓名)学校(含高校实验室)重大安全风险管控责任清单(参考模板1.0版)。
XXXX新型建材厂安全风险辨识分级管控清单XXXX新型建材厂安全风险辨识分级管控告知卡风险点名称装载机风险等级低/D级易发生的事故类型车辆伤害编号QQJC-02主要防范措施1、挖掘机移动时,应注意前后环境状况,以防碰到电线或其它设施。
2、严禁在铲斗内载人、载物行驶。
3、严禁铲斗回转半径范围内有人员停留。
4、铲斗落地和升起操作不得过猛;平台的起动、回转、停止等5、操作应缓慢平稳;卸料时,铲斗不得经越或停留在运输车辆驾驶室的上方,铲斗不得与车辆的任何部位接触。
第一责任人XXX应急处置措施1、设备运转时,发生事故或出现故障及时停车。
2、立即疏散周边人群,对事故现场实施隔离和警戒。
3、对受伤人员进行及时抢救,必要时拨打120电话求救。
警示标志XXXX新型建材厂安全风险辨识分级管控告知卡风险点名称全自动切坯机风险等级低/D级易发生的事故类型机械伤害、触电编号QQJC-03主要防范措施1、非本机人员不得操作。
2、给员工配发相应劳保用品。
3、加强安全教育,张贴警示标志,提高安全意识。
4、更换钢线时必须停机,严禁开机挂钢线,以免碰手、挤手,同时脚应离开脚踏开关。
第一责任人XXX应急处置措施1、设备运转时,发生事故或出现故障及时停车。
2、对受伤人员进行及时抢救,必要时拨打120电话求救。
警示标志XXXX新型建材厂安全风险辨识分级管控告知卡风险点名称自动码坯机风险等级低/D级易发生的事故类型机械伤害、触电编号QQJC-05主要防范措施1、非本机人员不得操作。
2、给员工配发相应劳保用品。
3、加强安全教育,张贴警示标志,提高安全意识。
4、机器运行时,操作人员不得离开岗位,以免发生应急情况,遇到突发危险应按急停按钮。
5、码坯机断电顺序应遵循先按下停止按钮,再进行关机,再切断电源的原则。
第一责任人XXX应急处置措施1、设备运转时,发生事故或出现故障及时停车。
2、立即疏散周边人群,对事故现场实施隔离和警戒。
3、对受伤人员进行及时抢救,必要时拨打120电话求救。
学校安全风险隐患清单
上报单位:填报人:联系电话:年月日
截至XX年()月()日,共排查风险隐患问题O个,完成整改O个,整改率()。
其中,校园欺凌和暴力伤害防治方面O个,完成整改O个;交通和校车安全方面O个,完成整改O 个:食品和公共卫生安全方面()个,完成整改O个;消防安全方面O个,完成整改O个;校园周边环境综合治理方面O个,完成整改()
个;预防青少年儿童溺水方面O个,完成整改O个;校舍安全方面O个,完成整改()个;实验室及危化品安全方面O个,完成整改O个;体育场馆安全()
个,完成整改O个;住宿管理安全()个,完成整改O个;
学校安防体系建设方面O个,完成整改O个。
XX学校安全风险管控责任清单
目录
第一部分:安全组织领导 (2)
第二部分:设施设备安全 (4)
第三部分:校园建筑安全 (7)
第四部分:事故预防及应急管理 (11)
第五部分:校车安全管理 (15)
第六部分:防范学生溺水 (17)
第七部分:食品安全管理 (18)
第八部分:校园安全保卫 (21)
第九部分:消防安全管理 (26)
第十部分:气象与地质安全 (28)
第十一部分:校园周边环境 (29)
第十二部分:一岗双责 (31)
—1—
第一部分:安全组织领导
—2—
—3—
第二部分:设施设备安全
—4—
—5—
—6—
第三部分:校园建筑安全
—7—
—8—
—9—
—10—
第四部分:事故预防及应急管理
—11—
—12—
—13—
—14—
第五部分:校车安全管理
—15—
—16—
第六部分:防范学生溺水
—17—
第七部分:食品安全管理
—18—
—19—
—20—
第八部分:校园安全保卫
—21—
—22—
—23—
—24—
—25—
第九部分:消防安全管理
—27—
第十部分:气象与地质安全
—28—
第十一部分:校园周边环境
—29—
—30—
第十二部分:一岗双责
—32—
—33—
—34—
—35—。
一级指标学校安全工作组织领导机构学校安全工作专兼职管理机构、应急机构岗位安全职责体系易发的校园安全事故未建立学校安全工作领导小组,未实行“党政同责、一岗双责”和网格化管理安全管理混乱,安全责任难以落实,难以形成安全管理长效机制,易发生安全事故,事故发生后难以有效处置消防安全、食品安全、安全建设等各专项领导小组各专项领导小组不健全;安全工作领导小组工作开展不正常未按规定成立安全管理机构;未配置足够专兼职安全保卫人员。
机构不健全、人员不到位,难以形成安全管理长效机制,安全管理混乱,发生突发事件应对不及时安全管理人员履职能力不强未建立学校岗位安全工作职责体系部门科室、院系、年级、班级、教职工未明确安全职责安全管理混乱,安全责任难以落实,难以形成安全管理长效机制,易发生安全事故,事故发生后难以有效处置风险等级I级I级I级应对措施建立以校长为组长、副校长与部门负责人参加的学校安全工作领导小组,落实党政领导干部安全风险分级管控责任制有关要求,实行“党政同责、一岗双责”,建立安全领导小组,健全工作制度,逐级明确责任健全消防安全、食品安全、安全建设等各专项领导小组;定期召开工作会议,专题研究校园安全工作按有关法规、管理制度要求结合学校实际设立安全管理机构,配备足够安全保卫人员及时调整、充实安全管理人员;加强培训,提高保卫人员履职能力落实“党政同责、一岗双责”、《教育部中小学校岗位安全工作指南》等规定,明确各岗位的安全工作职责,并建立失职追责制度与部门科室、教职工层层签订安全责任书;加强学校岗位安全职责学习培训,让所有教职工清晰自己的岗位安全职责潜在风险隐患责任人组领与全任系制责任部门二级指标一、织导安责体机建设学校安全工作制度部门科室、教职工安全职责落实不到位安全管理制度不健全安全管理制度不切合学校实际安全管理制度贯彻执行不到位各类应急组织机构不健全未建立学校事故应急处置机构、队伍应急工作人员不足、素质不高、能力不强制定的应急预案不符合实际,操作性差应急预案制定后未进行培训应急预案更新不及时未按规定报上级部门审核备案应急物资储备类型、数量不够应急物质储备存放后不便于取用应急物资储备地点乱,放在不同的地方安全管理混乱,安全责任难以落实,难以形成安全管理长效机制,易发生安全事故,事故发生后难以有效处置遇到突发事件不能及时、有效处置执行艰难,发生突发事件无法参照使用,无法发挥应有作用,并可能造成错误处置发生突发事件,应急人员不能根据预案进行正确处置未根据新形势及时调整,导致发生突发事件错误处置预案缺乏审核,可能浮现结构不完善、内容不齐全、操作性不强等问题物资太少,不能及时处置突发事件发生突发事件时取不出,担搁事件的应对处置发生突发事件时找不到,担搁事件的应对处置I级I级I级II级II级IV级II级II级II级落实考核奖惩和失职责任追究制度,催促每名教职工认真履行安全职责建立健全安全工作制度体系,结合实际完善责任制度、管理制度和安全操作规程制度制定过程广泛听取相关人员意见建议,制度执行过程根据实际情况及时修订完善,确保制度与学校实际情况相符合落实考核奖惩,催促相关人员严格执行安全管理制度,对制度执行落实不到位的限期整改建立健全应急工作组织领导机构,增强应急力量,明确工作任务,落实工作责任建立学校应急队伍,根据需要可以发展学生家长及周边群众志愿者参加,增强处置突发事件能力扩大队伍,动员更多教职工参加,加强训练,满足学校应急需要加强预案建设,通过演练不断增强预案的实用性组织有关人员认真学习预案,使其熟悉各自职责和工作流程,并做好培训记录及时更新修改预案,确保与实际情况相一致及时到上级主管部门审核备案增加物资储备,及时购置新装备放在固定地点,便于取用之处集中存放,专人保管应急管理一级指标二、人防物防技防校园专职保安应急物资保管不善,损坏严重未按规定对相关人员进行应急培训和演练,不了解各种工作职责和工作流程潜在风险隐患专职保安数量达不到规定标准年龄偏大,身体状况、业务素质达不到工作要求专职保安未取得保安员从业和上岗证书保安不按规定着装持械上岗执勤防暴头盔、防护盾牌、防刺背心、防割手套、橡胶警棍、强光电筒、安全钢叉等安保器械数量不足,性能不符合要求安保人员不能熟练使用安保器械安保器械保管存放不当,取用不便重要部位未全覆盖影像不清晰,部份设施坏损,不能正常使用没法使用发生突发事件,应急人员不能进行正确处置。
校园安全风险管控工作实施方案范文_学校风险管控责任清单某某中心小学校园安全风险管控实施方案为贯彻落实《教育系统构建“六项机制”强化校园安全风险管控工作实施方案》文件要求,牢固树立安全发展理念,坚持风险预控、关口前移、重心下沉,坚持分级管控、分类实施和属地管理相结合的原则。
落实开展校园安全风险查找、研判、预警、防范、处置、责任“六项机制”建设,有效提高风险预防处置工作科学化、信息化、标准化水平。
落实风险管控责任,采取有效措施控制重大安全风险,对学校风险点实施标准化管控,提升学校安全风险管控水平,在全面编制完成各级各类学校风险点清单的基础上,科学核定风险级别,制定有效防范措施,把隐患消灭在事故前面,有效防范校园安全事故,保持校园安全稳定。
确保校园安全稳定,特制定本实施细则。
一、工作目标通过建立起完善、有效运行的风险分级管控体系,全面推进落实学校主体责任,有效促进校园安全科学管控,在全校范围内构建形成全覆盖、全方位安全风险防控,实现标准化、信息化的校园安全风险辨识管控体系,提高学校本质安全管理水平。
二、工作原则(一)学校安全风险辨识分级管控坚持“安全第一、预防为主、综合治理”的方针,实行“谁主管、谁负责”和“管业务必须管安全”的原则。
(二)安全风险辨识分级管控是指按照安全风险点的不同风险级别、所需管控资源、管控能力、管控措施复杂及难易程度等因素,确定不同管控层级的风险管控方式。
三、职责分工学校作为安全风险管控的主体,其主要负责人对本校安全风险辨识、安全风险防范和管控体系建设工作全面负责。
学校主要承担以下职责: 1.建立健全安全风险责任制,明确各岗位风险管控的责任人、明确责任范围等内容; 2.按照“全覆盖”的要求,委托具有相关资质或教育主管部门审核认可的中介技术服务机构开展对校园及周边进行风险辨识工作,对辨识出的风险进行评估分级,形成学校安全风险评估报告,并及时报教育主管部门审核; 3.编制本校安全风险点名册,并根据风险等级、管理和环境评估状况,提出管控措施; 4.学校应当在存在风险的位置、区域,设置明显的告知标志,将风险基本情况、危害特性以及可能引发的事故后果和应急措施等信息,告知本校师生和可能受影响的单位、区域及人员; 5.学校应当制定风险巡查制度,明确各风险点风险巡查责任人,对存在风险的环节、物等安全状况进行巡查,建立巡查档案; 6.学校应组织制定并对教职工进行岗位风险培训,使其了解风险的危险特性,熟悉风险管理规章制度和相关安全操作规程,掌握安全操作技能和应急措施;7.对学校存在的风险实施动态化管控。
学校安全风险辨识管控清单善安全管理制度,确保制度贯彻执行到位。
加强安全管理制度宣传教育,提高教职工安全意识和安全管理水平。
二、校园安全设施建设与维护一级指标二级指标风险等级潜在风险隐患易发的校园安全事故应对措施责任部门责任人校园安全设施建设与维护安全设施建设不完善,维护保养不到位安全设施不足或存在缺陷,易发生安全事故建设不完善、维护保养不到位的安全设施易造成安全事故立即整改存在的安全隐患,加强设施维护保养,定期检查设施安全状况学校安保部门设施管理员消防设施建设与维护消防设施建设不完善,维护保养不到位消防设施存在缺陷或无法正常运转,易引发火灾事故建设不完善、维护保养不到位的消防设施易造成火灾事故加强消防设施建设和维护保养,定期检查消防设施安全状况学校消防安全部门消防设施管理员食品安全设施建设与维护食品安全设施建设不完善,维护保养不到位食品安全设施存在缺陷或无法正常运转,易引发食品安全事故建设不完善、维护保养不到位的食品安全设施易造成食品安全事故加强食品安全设施建设和维护保养,定期检查食品安全设施安全状况学校食品安全管理部门食品安全设施管理员校园安全是学校工作的重中之重,为了确保学生和教职工的人身安全和财产安全,需要建立完善的安全管理体系。
首先,要成立学校安全工作领导小组,明确各部门和岗位的安全职责,建立失职追责制度,形成安全管理长效机制。
同时,要加强安全设施建设和维护保养,定期检查设施安全状况,及时整改存在的安全隐患。
特别是消防设施和食品安全设施,要加强建设和维护保养,确保能够正常运转,避免发生火灾和食品安全事故。
最后,要完善安全管理制度体系,加强宣传教育,提高教职工安全意识和安全管理水平。
只有这样,才能确保校园安全,保障学生和教职工的健康和安全。
区的分离,加强对校内外人员进出的管理和监控,确保校园安全。
学生在校期间必须遵守封闭管理的规定,离校必须有学校责任部门或班主任的批准证明,并与家长交接。
此外,加强巡逻班次,严格执行值班交接手续,防止脱岗、漏查等行为的发生。
对于校门的管理,严格执行校领导带班、教师值班制度,确保学生提前到校后及时开放校门。
同时,加强门禁值班,严格限制外来车辆人员进入校园,以避免外来人员混入学校暴力伤害师生、盗窃学校财物等事件的发生。
在校园安全防范管理方面,中小学应实行封闭管理,严格执行危险品进出安全检查与登记制度,防止易燃易爆有毒有害等危险品进入学校。
同时,学生未经允许私自离校,易发生安全责任事故。
门卫、保安校内巡逻不及时,监控管不能及时发现校园安全隐患,危害师生安全。
因此,需要加强校园安全管理,严格执行值班交接手续,校领导带班、教师、保安值班到位,避免暴力伤害、打架斗殴及交通事故等事件的发生。
对于校内车辆管理,应严格限制外来机动车辆进入校园,划定停车位和行驶线路,加强校内机动车行驶停放管理。
同时,设立减速带、限速标示,加强引导管理,严格执行限速规定。
对于驾驶私家车的教职工、成年高校学生,应加强安全驾驶、文明出行教育,警示新手驾驶员注意交通安全,谨慎驾驶,劝阻车辆进入人员密集活动区域。
对发现可能存在问题的车辆严禁进入校区,并向公安部门举报,依法处置。
最后,应向上级汇报,与相关单位签订安全协议,协调校内单位加强人员管理,最大限度实现教学区、学生生活区和家属区的分离,加强对校内外人员进出的管理和监控,确保校园安全。
特别是针对幼儿园和小学低年级学段孩子,应严格落实家校交接程序,加强对未离校学生的安全看护,避免走失、诱拐及交通伤害等其他安全责任事故的发生。
校园内管理外来人员的措施是必要的,因为这会增加校园安全事故的风险。
校园管理应该严格审问和登记所有进出校园的人员,并督促临时工人员遵守校园安全管理制度。
此外,加强门禁管理,限制或禁止快递、外卖等人员进入校园也是必要的。
在外来施工人员进出校园时,应该加强与施工方的协调,督促施工方设置警示标志和安全围挡,以有效隔离施工区域与教学区域、学生生活区域。
这可以减少高空坠物等伤害师生事故的发生。
校舍建筑、设施设备的安全也是需要重视的。
校方应该设立安全围挡、警戒隔离区,并加强施工人员和设施的安全管理。
此外,应该设立施工人员专用通道,有效阻隔施工区域与教学区域、学生生活区域,以降低潜在风险隐患。
在校舍建筑、设施设备出现问题时,校方应该及时采取措施。
例如,对于存在危房、危墙的情况,应该停用并撤离学生,拆除或加固。
对于屋梁虫蛀、屋顶坍塌等问题,应该更换符合要求的建材、清除天棚或预留观察孔。
同时,应该明确责任人,定期检查,及时加固。
最后,校方应该加强校舍建筑、设施设备的维护和管理,以避免校园安全事故的发生。
例如,按规定安装电路,严禁私扯乱拉电线;加装防坠落设施;定期检查并及时加固墙面、地面等;在玻璃门上贴上图画或提示语等。
1.学校内发生的各种事故学生和老师因碰撞到玻璃而受伤在火灾发生时,难以疏散学生的视力受到损害,需要改进安装符合要求的照明设施缺少或者避雷设施失效,会导致雷击伤害,需要安装避雷设施并注意位置合理,经常检修桌椅破损或不牢固,安装或悬挂物品容易导致刮伤、碰伤、砸伤师生教室不牢固,通道过窄,遇险时不易疏散楼道和楼梯护栏高度不够或者护栏设计不合理,容易导致学生翻越护栏坠楼伤亡事件楼道和楼梯狭窄,照明不够,容易导致踩踏事故和拥挤踩踏事件2.针对以上问题,需要采取的措施IV级定期检查加固或更换设施消除大班额,保持通道畅通增高护栏高度并设置警示标识,同时加强预防踩踏教育,安排教师疏导秩序安装标准的应急灯,设置警示标语,加强课间、上放学楼道巡逻加强日常检查及网格巡查,发现问题及时整改及时清除,保持通道畅通,严禁使用大功率电器符合要求的设施安装和定期检修,防止楼梯栏杆松动或损坏、台阶损坏或不平整清理楼道堆放的杂物,禁止教师未经允许使用大功率电器安装防盗门、防盗窗,增加灭火设施,定时检查干湿度,更新防盗门、防盗窗更换电路,增加荷载,安装稳压电源,明确责任,专人负责,经常检查安装通风排气设备,防盗报警设备和监控设施,更换照明设施,增加路面防滑措施增加厕所外侧窗户的高度和围墙的高度,加强厕所卫生管理,修复化粪池盖板,配电室周围安装防护设施加强简易仓库、自行车棚等建筑物的牢固性,加强锅炉房管理,防止锅炉工违规操作。
长期闲置的房舍未得到妥善管理,院墙低矮且未加装防护措施,导致墙体出现裂缝、倾斜等问题,特别是在汛期暴雨天气下更易受到雨水浸泡,从而引发墙体下陷、倾斜等现象。
此外,建筑玻璃幕墙不牢固、窗户及玻璃损坏,外墙坠落等问题也可能损害学生身体健康。
因此,应加强管理,控制闲杂人员进出,按规定配备防盗门窗、保险柜,并经常检查,及时维修加固,问题严重的建筑应当拆除或重建。
为了进一步确保校园的安全,应采取以下措施:加高院墙,加装铁丝网等防护措施;加强巡视监控,对破损防护设施进行修补;定期检查,及时维护保养,消除安全隐患;明确责任人,定期检查,加强管理、加固设施等。
此外,应在校园内设置设施警示标志,禁止非工作人员进入,工作人员严格按照操作规程操作,以避免发生火灾、烫伤等伤害事故。
另外,校园内的树木也需要得到妥善管理,避免因虫蛀、老化等原因出现枯枝,导致高空坠落伤害学生的事故发生。
校园道路拐角处树木茂密,阻挡视线也可能引发道路交通事故,因此应及时清理树冠过大的树木,避免树木过高、过密,遇到大风可能倒伏砸伤师生的情况发生。
1.及时清理枯枝等杂物,每学期开学前组织专人清理一次,定时修剪树木,减小树冠,防止阻挡车辆驾驶人视线,经常修剪树木,明确责任人,定期检查,及时加固或更换,经常检查,及时拆除、更新,维修旗杆和油漆,假期进行底座修缮,以保证树木和旗杆的安全稳定。
2.对于栏板、广告栏等设施,要定期检查,及时更换或加强支撑,避免因设施老化、锈蚀等原因导致学生受伤,同时避免因广告牌时间过长、锈蚀严重等原因导致校园安全事故的发生。
3.下水道、化粪池等井盖要及时补充更换,疏通排水道,汛期前要重新检查疏通,避免因下水道排水不通畅等原因导致校园积水,引发次生灾害。
4.学校有多个校门,要加强管理,关闭不必要的校门,避免外来人员混入学校,增加管理难度。
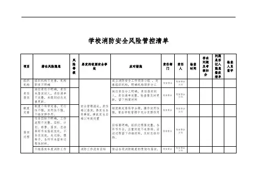
5.对于消防安全,要定期检查消防设施,经常巡查,及时维护、补充更换配件,保持总阀门处于打开状态,确保正常有效。
按消防器材配备标准要求配足配齐,对于无消防栓的老旧楼房增加配备灭火器、灭火沙等,畅通消防通道,按照规定使用检修防火门,明确相关部位消防安全责任人,以确保校园消防安全。
校园消防安全存在多方面问题,例如无人负责巡查检查,不能及时发现消除火灾隐患,消防重点部位未建立定期检查制度等。
师生不能正确使用消防器材也是一个问题,不能及时扑灭初起火灾。
为了解决这些问题,相关部位消防安全责任人应当认真履职,定期对重点部位消防设施设备进行检查。
同时,加强演练培训,提升师生消防“四个能力”,也是必要的。
火灾监控应对能力也是一个问题,不能及时发现火情。
消防控制室应当有专人值守,并且值班人员应该取得资质,做好处置,同时记录值班情况。
规模较大校园消防设施未落实专项化维保也是问题之一,不能对学校消防设施设备进行专业维护。
为了解决这些问题,应该聘用专门单位对学校消防设施设备进行专业维保,并加强隐患排查整改能力和火灾应对能力。
校舍建筑设计、建设、验收未严格履行相关手续,无消防验收,这也是一个问题。
校舍质量难以保障,易发生安全事故。
严格按规定履行相关手续,按规定进行验收,发生火灾事故依法承担违法责任也是必要的。
加强学生消防安全教育,经常检查,及时清除私拉线路、清理违规电器也是必要的。
宿舍有电源插座等,或学生私拉乱接电源线,私用大功率电器,这可能引发火灾事故。
教室、宿舍等重点部位火灾防范也应该得到加强。
责任部门应当明确要求,经常检查,相互监督和提醒。
教职工工作场所私拉乱接电源,违规使用大功率电器也应该得到严禁。
重点部位附近堆放桌椅板凳、纸箱、垃圾等可燃物也应该得到及时清除。
幼儿园教室电源较低,幼儿容易触摸容易触电,应该安装到幼儿伸手触不到的地方,并加强看管。
窗户应该留出逃生窗,不及时关闭电器、电源可能导致火灾时影响逃生。
饮水安全也是一个重要问题。
建立水源保护制度,明确管理人员,落实管理责任;定期监测水质,发现问题时停止供水,向有关部门报告;加热烧开自备井等自备水源也应该得到重视,以防止发生学生慢性中毒、肠道传染性疾病等饮水安全事件。
1.供水安全问题:为保障师生饮用水的安全,学校应该安装消毒净水设备并及时更换过滤装置,避免二次供水水质不达标的情况发生。
同时,饮水机应该定期清洗,保温桶应该全部上锁,防止被投毒引发事故。
2.热水设备安全问题:学校热水设备应该配备必要的防护设施,热水器电源插头应该避免裸露,以防止烫伤学生和触电事故的发生。