安 全 检 查 整 改 回 复 表
- 格式:doc
- 大小:31.50 KB
- 文档页数:3
施工单位安全问题整改措施回复报告各位读友大家好,此文档由网络收集而来,欢迎您下载,谢谢篇一:施工安全整改报告××××××××××工程安全隐患整改报告×××市城乡建设委员会:根据市建筑管理处下发的《执法检查责令停工改正通知书》-×建停(管)20××第××号要求,针对××××××工程当前施工现场的实际情况和安全生产的基本现状,以×.××事故为教训,20××年×月××日我公司立即组织相关人员成立安全隐患整改领导小组,全面负责整改工作的方案制定、措施落实、过程检查、整改验收工作。
具体整改工作汇报如下:安全隐患整改领导小组组长由分公司安全负责人担任,成员为项目经理、生产经理、项目安全负责人、项目技术负责人、安全员。
安全隐患整改领导小组成立后,马上召开项目部管理人员会议,统一思想,提高认识,阐明意义,明确这次安全隐患排查整改的任务、要求、目标,并进行了具体的分工和布置,要求对施工现场进行全面彻底检查,不留死角,对排查发现的问题立即采取措施加以整改。
在进行安全隐患整改之前,召开了项目部全体职工会议,着重讲了这次安全隐患整改的重要性,必须全员提高安全防范意识,重新学习了国家、各级政府有关安全生产方面的法律和法规,重新学习了公司、分公司、项目部关于安全管理的各项规章制度,着重讲了进入施工现场应遵守的纪律,应规范的个人行为,正确使用安全防护用品的方法,每个人都应以×.××事故为教训,高度重视安全生产,严格按操作规程施工,坚决绝堵各种违章施工行为。
深刻认识到安全生产的重要性,要求做到天天讲安全,人人讲安全,明白一时大意就出问题,真正认识到不怕一万,就怕万一,安全工作实在太重要了的硬道理。
现场整改情况回复单(含五篇)第一篇:现场整改情况回复单XXXX 项目整改回复致:XXXX(业主);XXXX(监理)关于质监站在本项目竣工验收时提出的需整改问题,关于外立面涂饰项目本公司具体整改如下:1、1#、2#及4#楼公区涂料疙瘩、流坠等问题已进行修复整改;2、1-4#楼及 11#楼空调板及设备平台内涂饰未到位处已进行整改;XXXXX2020 年 11 月 16 日第二篇:整改回复单整改回复单致:内蒙古汇金房地产有限公司国际花园项目工程部内蒙古昆岗监理有限责任公司国际花园项目部内容:就5#构造柱接茬处两种水泥混合使用,导致构造柱颜色不一。
现回复如下:1)因构造柱和顶板圈梁分两次浇筑,构造柱采用一种水泥,顶板采用另一种水泥,所以出现色差。
2)构造柱浇筑3天后才进行顶板浇筑,构造柱的混凝土已经凝固,接茬处用水冲洗干净后才进行顶板圈梁的浇筑。
3)部分存在夹渣现象,将夹渣层中的杂物和松散、软弱混凝土彻底清除并用清水冲洗干净,报监理验收后,充分润湿再浇注捻塞提高一级强度等级的细石混凝土捣实。
乌海市景昊建筑安装有限责任公司国际花园项目部2010年10月11日第三篇:整改回复单整改完成报告书监督注册号:K20090056编号:致:昆山经济技术开发区建设工程质量安全监督站接你站2009年12 月23日通知要求,已将隆祺丽景国际工程项目监理组存在的问题整改完毕。
整改情况简述:感谢本站对我公司监理工作的批评指导,根据整改通知单的要求我公司组织相关人员进行认真总结并采取措施予以整改如下;1、按12月23日整改通知单要求,针对目前施工现场的安全状况,项目监理组及时召开了安全专题会议,会上结合12月9日区质量安全监督站检查开具的整改单内容和12月23日复查指出的问题及监理现场检查的问题,做了整改工作安排,并要求施工单位严格执行质监站对ABC栋的停工整改,会后由监理组织、总包、业主单位参加对施工现场存在的安全问题,逐项逐项落实“定措施、定时间、定人员”进行整改,并督促施工单位加大整改力度,确保整改内容符合要求。
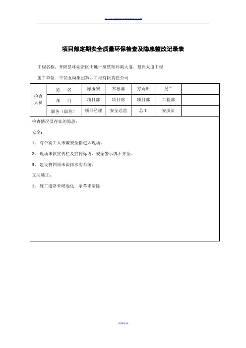
项目部定期安全质量环保检查及隐患整改记录表工程名称:开阳县环湖新区土地一级整理环湖大道、迎宾大道工程施工单位:中铁五局集团第四工程有限责任公司填表说明:《项目部安全检查及隐患整改记录表》一式二份,项目部、受检班组(部门)各一份。
项目部定期安全质量环保检查及隐患整改记录表工程名称:开阳县环湖新区土地一级整理环湖大道、迎宾大道工程施工单位:中铁五局集团第四工程有限责任公司填表说明:《项目部安全检查及隐患整改记录表》一式二份,项目部、受检班组(部门)各一份。
项目部定期安全质量环保检查及隐患整改记录表工程名称:开阳县环湖新区土地一级整理环湖大道、迎宾大道工程施工单位:中铁五局集团第四工程有限责任公司填表说明:《项目部安全检查及隐患整改记录表》一式二份,项目部、受检班组(部门)各一份。
项目部定期安全质量环保检查及隐患整改记录表工程名称:开阳县环湖新区土地一级整理环湖大道、迎宾大道工程施工单位:中铁五局集团第四工程有限责任公司填表说明:《项目部安全检查及隐患整改记录表》一式二份,项目部、受检班组(部门)各一份。
项目部定期安全质量环保检查及隐患整改记录表工程名称:开阳县环湖新区土地一级整理环湖大道、迎宾大道工程施工单位:中铁五局集团第四工程有限责任公司填表说明:《项目部安全检查及隐患整改记录表》一式二份,项目部、受检班组(部门)各一份。
项目部定期安全质量环保检查及隐患整改记录表工程名称:开阳县环湖新区土地一级整理环湖大道、迎宾大道工程施工单位:中铁五局集团第四工程有限责任公司填表说明:《项目部安全检查及隐患整改记录表》一式二份,项目部、受检班组(部门)各一份。
项目部定期安全质量环保检查及隐患整改记录表工程名称:开阳县环湖新区土地一级整理环湖大道、迎宾大道工程施工单位:中铁五局集团第四工程有限责任公司填表说明:《项目部安全检查及隐患整改记录表》一式二份,项目部、受检班组(部门)各一份。
项目部定期安全质量环保检查及隐患整改记录表工程名称:开阳县环湖新区土地一级整理环湖大道、迎宾大道工程施工单位:中铁五局集团第四工程有限责任公司填表说明:《项目部安全检查及隐患整改记录表》一式二份,项目部、受检班组(部门)各一份。
安全隐患整改回复单
表A4.3
年月曰
安全隐患整改回复单
整改内容及措施:
1、在3#楼北面的扫地杆未完善。
(已搭设完善)。
2、在3#楼北面的第一层操作面外架上竹跳板未铺,安全网未挂,小横
杆未搭。
挡脚板搭。
(已满铺竹跳,安全网已挂好,小横杆,挡脚板已搭
设好)。
3、在2#楼竹跳搭设不平整,竹跳板的探头未用钢筋绑扎。
(已整改完善)
4、2#楼竹跳板对接处的小横杆内无扣件搭设。
(已增加了扣件)。
5、外架转角处有局面地方横杆搭接不到位。
(已整改完善)。
6、2#楼外架的安全网拆除后未恢复。
(已恢复)。
整改结果:
按要求整改完善,请复查验收。
实施负责人:
年月日
复查意见:
复查人员:
安全隐患整改回复单
表A4.3
工程名称整改通知单编号
整改结果:
安全隐患整改回复单
表A4.3
整改内容及措施:
1、木工班组的用配电箱无电箱门。
(已整改完善)。
2、木工班组手提电锯的临时电线无插头。
(已整改完善)。
3、木工班组支模加固的木板顶在外架上的。
(已整改完善)
4、采光井上面未满铺竹跳板。
(已整改完善)。
整改结果:
按要求整改完善,请复查验收。
实施负责人:
年月曰复查意见:
复查人员:
年月曰。
整改回复单敬致:彬县质量安全监督站内容:对彬质安2016第0324-02号通知单上提出的检查问题,我项目部现将整改结果进行回复。
一、无施工许可证、未办理质量安全监督手续。
回复:施工许可证及质量监督手续正在办理。
二、项目经理不在岗,项目组成人员有脱岗现象。
回复:项目经理已到岗,对于脱岗人员已进行教育,现已全部到位。
三、未落实安全责任制。
回复:安全责任已落实到个人。
四、未组织质量安全技术交底。
回复:质量安全技术已交底到每个工种以及个人。
五、砌体30cm无钢筋砼过梁。
回复:与当天下午及时整改到位。
六、砂浆搅拌机用淘汰产品,无计量台帐。
回复:搅拌机已按规范使用,计量台帐已准确按时计。
七、L-4配筋应加腰筋,未加梁垫。
回复:在砼未浇筑之前技术员及时与设计院沟通并且加上腰筋和梁垫。
八、现浇板钢筋未满绑,马凳偏少。
回复:钢筋重新满绑,马凳符合规范后才进行下一道工序。
九、楼梯施工缝留置不规范。
回复:已整改到位,符合规范要求。
十、无标养设施,同条件试块位置不正确。
回复:标养箱已配置,同条件试块已按要求养护。
十一、水泥进场无材质单,砂浆无配合比,砂子无检验报告。
回复:水泥、砂浆、砂子已按要求送试验室。
十二、钢筋材质单缺失、无复试报告。
回复:材质单已找回,试件已按要求送检。
十三、砼无测温记录。
回复:砼已按时有专人做记录。
十四、现场无安全警示标牌。
回复:安全警示标牌已放置到位。
十五、无安全通道。
回复:安全通道已按要求搭设到位。
十六、施工现场用电不符合规范要求,无配电箱及配电柜。
回复:配电箱,配电柜,以及凌乱线头进行了全面整改,对不符合要求的进行了更换,已整改到位。
十七、模板支撑体不符合要求,主杆部分无垫木。
回复:模板支撑已按要求整改到位,对于部分垫木已及时添加。
十八、现场无八牌两图。
回复:八牌两图已制作十九、作业层临边防护不到位。
回复:作业层临边防护已全面设置,已整改到位。
二十、消防器材不足。
回复:消防器材已于当日配备齐全。
安全检查整改回执单标题:安全检查整改回执单引言概述:安全检查整改回执单是一种用于记录和确认安全检查结果以及整改措施的文件。
它对于组织和管理安全检查工作起到了重要的作用。
本文将详细介绍安全检查整改回执单的内容和格式。
一、回执单的基本信息1.1 安全检查项目:列出需要进行安全检查的项目,如设备、工作场所等。
1.2 检查日期和时间:记录安全检查的具体日期和时间,以便后续跟踪和查证。
1.3 检查人员:记录参与安全检查的人员姓名和职位,确保检查的客观性和权威性。
二、检查结果和问题描述2.1 检查结果:对每个安全检查项目进行评估,包括合格、不合格、待整改等分类。
2.2 问题描述:对于不合格或待整改的项目,详细描述问题的具体情况,包括问题的性质、程度和影响等。
2.3 建议和意见:根据问题的性质和程度,提出相应的建议和意见,以供整改人员参考和执行。
三、整改措施和责任分配3.1 整改措施:明确具体的整改措施,包括修复、更换、加固等,以解决检查中发现的问题。
3.2 整改期限:规定整改的具体期限,确保问题能够及时得到解决。
3.3 责任分配:明确整改责任人的姓名和职位,确保整改工作的责任和权威。
四、整改进展和复查情况4.1 整改进展:记录整改工作的进展情况,包括整改开始时间、进度、完成时间等,以便跟踪整改情况。
4.2 复查情况:记录复查的时间和结果,确认整改是否到位,问题是否得到解决。
五、安全检查整改回执单的签署和归档5.1 签署人员:由安全检查人员和整改责任人员共同签署回执单,表示对整改结果的确认和接受。
5.2 归档管理:将回执单进行归档管理,以备后续的查阅和审计。
总结:安全检查整改回执单是一种重要的文件,它记录了安全检查的结果和整改措施,为安全管理工作提供了有效的依据。
通过合理的格式和详细的内容,回执单能够准确记录问题和整改情况,促进安全问题的解决和预防。
在实际工作中,我们应该严格执行回执单的要求,确保安全检查和整改工作的质量和效果。
《质监站安全隐患整改通知回复xx.11.12》安全隐患的自查和整改报告凌云县质量安全监督站:由我监理公司(桂林森威建筑工程监理有限责任公司)监理的凌云城市花园二期3#、5#楼工程。
经监督管理部门检查,在质量、安全、管理方面均存在不同问题。
我公司在接到检查小组下发的《建筑工程质量安全隐患整改通知书》后,组织进行了自查和整改。
现我监理公司将公司自查和现场督促施工单位整改情况上报如下:一、安全方面:1、已经督促施工单位做好材料场地、主干道硬化及排水措施;各项材料已经分类放置并加注标识;安全标志牌已经悬挂。
2、脚手架已与作业层同步,脚手板已经按要求铺好;安全网已挂好,各临边、洞口已设置防护措施。
3、要求施工方做好“三级配电两级保护”等措施。
4、已要求项目经理到场履职;项目总监已履职到位。
5、会议纪要、驻桂备案资料和施工报监资料已经完善;已报审临时用电、用水专项施工方案。
二、质量方面:已督促施工单位将砼同样试块放置于相应楼层并做好温度记录;水泥进场台账,砼取样台账已要求建立。
经公司对本项目工程的自身检查,工程存在的如上述隐患监控不力问题,较大原因系工程监理部管理人员督促不到位,巡检不及时,平时工作中不注重细节所致;但公司也有管理上的不足,今后我监理公司将加强对本工程监理部及工程的管理,争取把工作做的更好。
桂林森威建筑工程监理有限责任公司总监理工程师:公司经理:xx年月日第二篇:质监站整改回复xx有限公司xx建筑工程有限公司xx工程项目管理有限公司关于xx33#164#楼基础隐蔽、31#32#楼屋面钢筋的整改报告xx市建筑工程质量监督站:根据你站xx年2月1日所发出的《建设工程质量整改通知单》(质监(xx)改字第g009号)的要求,施工单位项目经理xx、项目技术负责人xx、专业质检员xx、钢筋工长xx和建设单位项目负责人xx、总监理工程师xx、专业监理工程师xx于2月2日起对照整改通知单提出的问题,举一反三,对(检验批、分项、分部、单位工程)进行了全面的检查整改,施工单位将质量问题整改完成后报建设、监理单位验收,现将质量问题及整改完成情况报告如下:一、质量问题全面检查情况1、质监站监督抽查提出的问题:(1)33#164#楼砼构件未进行轴线复核;(2)抽查31#楼斜屋面a/3轴kz纵向钢筋留设长度不足(短约200-300mm);(3)斜屋面现浇板马凳漏加。
高淳碧桂园一期A标段43#—48#《安全检查记录表》公司名称:中太建设集团股份有限公司工程名称:南京高淳碧桂园A标段项目部负责人:刘东芽、王大鹏、葛红军时间: 2013年8月25日中太建设集团股份有限公司2013年8月25日表6.1.8 安全检查隐患整改单检查部门:高淳碧桂园一期A标段项目部检查日期:注:本单一式两份,由现场专职安全员及整改责任人各执一份。
表6.1.8 安全检查隐患整改单检查部门:高淳碧桂园一期A标段项目部检查日期:注:本单一式两份,由现场专职安全员及整改责任人各执一份。
表6.1.8 安全检查隐患整改单检查部门:高淳碧桂园一期A标段项目部检查日期:注:本单一式两份,由现场专职安全员及整改责任人各执一份。
表6.1.8 安全检查隐患整改单检查部门:高淳碧桂园一期A标段项目部检查日期:2014.4.2注:本单一式两份,由现场专职安全员及整改责任人各执一份。
表6.1.8 安全检查隐患整改单检查部门:高淳碧桂园一期A标段项目部检查日期:2014.4.3注:本单一式两份,由现场专职安全员及整改责任人各执一份。
表6.1.8 安全检查隐患整改单检查部门:高淳碧桂园一期A标段项目部检查日期:2014.4.8注:本单一式两份,由现场专职安全员及整改责任人各执一份。
表6.1.8 安全检查隐患整改单检查部门:高淳碧桂园一期A标段项目部检查日期:注:本单一式两份,由现场专职安全员及整改责任人各执一份。
检查部门:高淳碧桂园一期A标段项目部检查日期:注:本单一式两份,由现场专职安全员及整改责任人各执一份。
检查部门:高淳碧桂园一期A标段项目部检查日期:注:本单一式两份,由现场专职安全员及整改责任人各执一份。
表6.1.8 安全检查隐患整改单检查部门: 高淳碧桂园一期A 标段项目部检查日期:2014.5.6注:本单一式两份,由现场专职安全员及整改责任人各执一份。
表6.1.8 安全检查隐患整改单检查部门:高淳碧桂园一期A标段项目部检查日期:2014.5.7注:本单一式两份,由现场专职安全员及整改责任人各执一份。
检查通报整改回复报告 Last updated at 10:00 am on 25th December 2020关于延安甲醇汽(柴)油调制中心(含成品油库)陕西华林工程监理有限公司延安甲醇汽(柴)油工程监理项目部存在问题的整改报告陕西省石油化工建设工程质量监督站:2011年11月20日至21日,由陕西省石油化工建设工程质量监督站站长带队一行赴延安甲醇汽(柴)油调制中心(含成品油库)项目进行了冬季工程质量和安全执法监督检查,对施工现场和监理内业资料进行了全面、系统的检查和指导,并下发了工程质量安全检查小结和陕石化质监通发(2011)第10号监督通报,指出了监理过程中存在问题如下:一、监理单位未办理石油化工开工备案登记手续。
二、监理单位在监理过程中,发现存在质量问题,未严格按照技术标准要求施工单位整改,依照法律、法规以及有关技术标准、设计文件和建设工程承包合同,代表建设单位对施工质量实施监理,并对施工质量承担监理责任。
同时,将不合格的分项工程按照合格分项工程签字确认。
三、工程监理单位未选派相应资格的安装工程监理工程师进驻施工现场。
总监理工程师不在施工现场,委托他人代行监理职责,现场共派6名监理工程师,土建3人(包括总监),监理员2人,安装仪表监理工程师1名,无焊接专业监理工程师。
四、单位工程划分工作已完成,但划分不准确,资料收集整理规定已下发施工单位,但不规范,无法实施,应整改。
五、对专业分包单位、人员资格审查不严。
六、监理规划、监理细则均已编审完成,但监理细则无操作性。
且未下发施工单位。
七、未提供安装工程材料、构配件和设备取样送检的见证计划及实施情况。
针对陕西省石油化工建设工程质量监督站提出的以上七项问题,我监理公司领导和延安监理项目部高度重视,深刻反思,认识其重要性,及时对库区、发油亭、泵房工程的各道工序进行了全面的质量、安全排查,发现问题,及时进行了纠正,并组织监理人员认真学习,分析总结,树立“质量第一,安全第一”的思想意识;建立完善的组织机构,合理配置监理工程师,明确监理人员职责,认真落实整改存在的问题,具体整改如下:1、依据备案相关规定,我监理公司申报备案的各项证明资料已齐全,并安排了专人负责办理石油化工开工备案登记手续,近期可完成备案登记手续。
表安全检查隐患整改单
检查部门:苏州城市公共配送枢纽三期工程项目部检查日期:
注:本单一式两份,由现场专职安全员及整改责任人各执一份。
表安全检查隐患整改单
检查部门:苏州城市公共配送枢纽三期工程项目部检查日期:
注:本单一式两份,由现场专职安全员及整改责任人各执一份。
表安全检查隐患整改单
检查部门:苏州城市公共配送枢纽三期工程项目部检查日期:
注:本单一式两份,由现场专职安全员及整改责任人各执一份。
表安全检查隐患整改单
检查部门:苏州城市公共配送枢纽三期工程项目部检查日期:
注:本单一式两份,由现场专职安全员及整改责任人各执一份。
检查部门:苏州城市公共配送枢纽三期工程项目部检查日期:
注:本单一式两份,由现场专职安全员及整改责任人各执一份。
检查部门:苏州城市公共配送枢纽三期工程项目部检查日期:
注:本单一式两份,由现场专职安全员及整改责任人各执一份。
检查部门:苏州城市公共配送枢纽三期工程项目部检查日期:
注:本单一式两份,由现场专职安全员及整改责任人各执一份。
检查部门:苏州城市公共配送枢纽三期工程项目部检查日期:
注:本单一式两份,由现场专职安全员及整改责任人各执一份。
检查部门:苏州城市公共配送枢纽三期工程项目部检查日期:
注:本单一式两份,由现场专职安全员及整改责任人各执一份。
检查部门:苏州城市公共配送枢纽三期工程项目部检查日期:
注:本单一式两份,由现场专职安全员及整改责任人各执一份。
表安全检查隐患整改单
检查部门:苏州城市公共配送枢纽三期工程项目部检查日期:
注:本单一式两份,由现场专职安全员及整改责任人各执一份。
表安全检查隐患整改单检查部门:项目管理部检查日期:表安全检查隐患整改单检查部门:项目管理部检查日期:注:本单一式两份,由现场专职安全员及整改责任人各执一份。
表安全检查隐患整改单检查部门:项目管理部检查日期:注:本单一式两份,由现场专职安全员及整改责任人各执一份。
表安全检查隐患整改单检查部门:项目管理部检查日期:注:本单一式两份,由现场专职安全员及整改责任人各执一份。
表安全检查隐患整改单检查部门:项目管理部检查日期:注:本单一式两份,由现场专职安全员及整改责任人各执一份。
表安全检查隐患整改单检查部门:项目管理部检查日期:注:本单一式两份,由现场专职安全员及整改责任人各执一份。
表安全检查隐患整改单检查部门:项目管理部检查日期:表安全检查隐患整改单检查部门:项目管理部检查日期:表安全检查隐患整改单检查部门:项目管理部检查日期:注:本单一式两份,由现场专职安全员及整改责任人各执一份。
表安全检查隐患整改单检查部门:项目管理部检查日期:表安全检查隐患整改单检查部门:项目管理部检查日期:注:本单一式两份,由现场专职安全员及整改责任人各执一份。
表安全检查隐患整改单检查部门:项目管理部检查日期:注:本单一式两份,由现场专职安全员及整改责任人各执一份。
表安全检查隐患整改单检查部门:项目管理部检查日期:注:本单一式两份,由现场专职安全员及整改责任人各执一份。
表安全检查隐患整改单检查部门:项目管理部检查日期:注:本单一式两份,由现场专职安全员及整改责任人各执一份。
表安全检查隐患整改单检查部门:项目管理部检查日期:表安全检查隐患整改单检查部门:项目管理部检查日期:2014.表安全检查隐患整改单检查部门:项目管理部检查日期:2014.表安全检查隐患整改单检查部门:项目管理部检查日期:2014.表安全检查隐患整改单检查部门:项目管理部检查日期:2014.表安全检查隐患整改单检查部门:项目管理部检查日期:2014.表安全检查隐患整改单检查部门:项目管理部检查日期:2014.表安全检查隐患整改单检查部门:项目管理部检查日期:2014.注:本单一式两份,由现场专职安全员及整改责任人各执一份。