【三一挖掘机】液压挖掘机讲座三
- 格式:docx
- 大小:731.03 KB
- 文档页数:29
多路阀液压系统(中位闭式负载敏感和压力补偿)
一、液压传动存在的问题
液压传动是工程机械理想的传动装置,工程机械的进步和发展依赖液压技术。
目前工程
机械是液压工业最大的市场,液压件一半以上用于工程机械,工程机械对液压技术提出了很高的要求,液压技术的发展主要是满足工程机械的需要,液压技术的水平主要体现在工程机械上,例如:液压件的大型化、小型化和高压化等,最高使用压力已达70MPa。
工程机械和液压技术两者互相促进共同发展。
因此有必要深入分析液压传动的特点及其存在的问题,工程机械对液压传动所提出的要求,以便进一步提高和改进液压传动的性能。
液压传动通过管道连接传递能量,恰如生物血管,只需管路就能把能量输送到需要的地方。
给设计布置上带来了很大的灵活性和方便性,液压传动容易实现各种运动形式,很适合工程机械多处需要动力,多作业装置,实现复杂运动的要求。
液压传动传递的功率密度大(单位体积或单位重量所传递的功率)、结构紧凑、重量轻,适合工程机械强劲有力,重型大马力的要求。
液压传动具有优良的传动性能,传动平稳,易防止过载,调速简单,具有无级变速性能,维修简单,使用寿命长等,能很好地满足工程机械的传动性能要求。
液压传动具有良好的操纵控制性能,液压是机械和电子的接口,电液控制是机电信一体化的关键技术。
但是液压传动存在着不尽人意的不足之处,有的已经改进,还有待解决的问题需进一步动脑筋。
在工程机械使用过程中存在着以下需解决的问题。
1.节能要求:适应负载变化提供负载所需要的液压功率(流量和压力),尽量减少流量和压力损失,将节流调速改变为以容积调速为主,特别按负载需要提供负载所需的流量。
要
求液压系统能反向吸收作业装置的能量,具有能量再生利用的储能功能。
1
2.调速要求:希望操纵阀控制调速时,不受负载压力变化和油泵流量变化的影响,能按人的操纵指示来调速。
3.复合动作操纵要求:单泵供多执行器:当多执行器同时动作时,要求相互不干涉,能够操纵各执行器按所需流量供油。
合理地分配流量,实现理想复合动作。
4.液压泵(单泵或多泵)和原动机的匹配问题:能充分利用原动机的功率,保持在发动机最大功率点工作,同时能防止发动机熄火;为了节能,要求液压泵和发动机联合工作在最经济点上。
5.单泵供多执行器压力损失问题:当单泵供几个执行器时,根据帕斯卡原理,系统压力由克服最大负荷所需压力来确定,因此供给负荷较低的油路中,必然存在压力损失,能不能利用电路中变压器这样东西来解决这个问题,人们正在探索。
上述的液压传动存在的问题,需要人们解决,推动着液压技术的发展,其中有些问题已解决,60年代提出了液压传动和控制的新概念——负载敏感(Load Sensing)和压力补偿(Pressure Compensation),就是解决节能、调速和复合动作等的一项技术措施。
二、开中心六通多路阀存在的问题
工程机械初期曾广泛采用六通多路阀,有二条供油路,直通供油路可组成优先油路,中位时直通回油箱进行卸载。
并联供油路,组成并联油路。
把二种油路采用各种方式组合起来,就构成了复杂多变的工程机械油路。
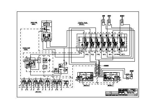
(一)操纵阀的结构简图和符号图:如图1所示。
1
(二)操纵阀的开口特性和调速特性
操纵阀在中位时泵压力油P通过直通油道,通过各阀,最后回油箱T,执行器动作时P →D的阀口逐渐关小,P→A和B→T的阀口逐渐开大,其开口面积变化(方向阀的开口特
其调速是采用旁路节流和进油节流的组合,其调速作用是通过阀杆节流,控制去油缸和回油箱的开口量来实现的,如图2(b)所示。
由于是靠回油节流建立的压力来克服负载压力,因此调速特性受负载压力和油泵流量的
1
影响,如图2(c)所示,图中①表示低负载,②表示高负载。
当滑阀行程一定,负荷压力增大,去油缸的流量减小,如图2(d)所示。
随着负载压力增加和液压泵流量的减少,阀杆调速的死区(空行程)增大,而阀杆有效调速范围的行程减小,调速特性曲线(流量随行程变化)变陡,阀杆行程稍有变化,流量变化大,使调速操作性能差。
这是开式油路的一大缺点。
工程机械工作过程负载压力是不稳定变化着的,液压泵的流量也在不断变化,因此使其调速操作性能很不稳定,操纵困难。
而且阀杆操纵力大,由于负荷压力变化引起阀口ΔP变化,液动力变化造成阀杆操纵力改变,操纵力的不规则性,使微调控制更加困难。
开式油路操纵性能另一缺点是:当一泵供多个执行器同时动作时,因液压油是向负载轻的执行器流动,需要对负载轻的执行器控制阀杆进行节流,特别是像工程机械这类机械,各执行器的负荷时刻在变化,但又要合理地分配流量,能相互配合实现所要求复合动作,是很难控制的,操纵性差。
另外开中心直通型油路由于很难控制去各执行器的流量,要适应工程机械各种作业工况的流量分配要求,不得不在多路阀中加上各种控制阀,因此有些工程机械不能采用通用多路阀,而必须采用专用多路阀,其结构很复杂。
总之,这类油路可控性差,司机要精确控制工作装置是很困难的,全靠司机感觉、经验和临场发挥。
因此司机操作要求注意力高度集中,其精神负担和心理负担是很重的。
三、初期的负载敏感阀系统
该系统采用四通阀,并联供油。
(一)阀组入口压力补偿流量控制阀
阀组入口压力补偿系统如图3(a)所示。
该负载敏感系统由定量泵、阀组入口溢流阀型压力补偿器、操纵阀杆可变节流器和梭阀网络组成。
在四通多路阀组入口处设旁通型压力补偿流量控制阀(又称溢流阀型压力补偿器
1。