钢板桩支护工程检验批质量验收记录
- 格式:doc
- 大小:30.00 KB
- 文档页数:1
钢板桩支护工程检验批质量验收记录
钢板桩支护工程检验批质量验收记录
工程名称:状元公园挡土墙及照明工程
施工单位:___
施工执行标准名称及编号:建筑地基基础工程-施工质量验收规范GB-2002
分包单位:无
检查项目:钢板桩质量、轴线位移
验收部位:挡土墙开挖支护
项目经理:___
专业工长:___
施工班组长:无
监理单位:无
验收记录:
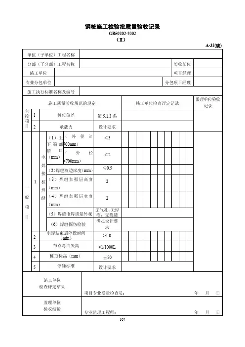
符合规范要求的主控项目:
1.钢板桩垂直度不大于钢板宽度;
2.钢板桩身弯曲度小于2/1000桩长;
3.钢板桩齿槽平直度及光滑度符合规范要求;
4.钢板桩长度偏差应小于设计长度的±50mm;
5.钢板桩顶标高偏差符合规范要求;
6.钢板桩停锤标准<1%。
施工单位检查结果符合规范要求。
验收结论:
项目专业质量检查员:无
项目专业技术负责人:无
专业监理工程师:无
年月日:无。
1
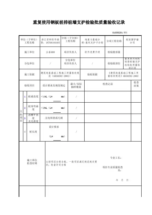
钢板桩围护墙检验批质量验收记录
主控
项目
一般项
目施工单位 检查结果
年 月 日
专业监理工程师:
年 月 日
监理单位 验收结论
专业工长:
项目专业质量检查员:
4齿槽咬合程度紧密/
3轴线位置(mm)
±100/
2沉桩垂直度≤1/100/
1齿槽平直度及光滑度
无电焊渣或毛
刺
/
3桩顶标高(mm)
±100/
2桩身弯曲度(mm)≤2%l /
1桩长
不小于设计值/
施工依据
《建筑地基基础工程施工规范》
GB51004-2015
验收依据
《建筑地基基础工程施工质量验收
标准》GB 50202-2018验收项目
设计要求及 规范规定
最小/实际 抽样数量
检查记录
检查 结果
分包单位分包单位项目
负责人
检验批部位1
施工单位
项目负责人检验批容量
GD-C5-71145单位(子单位) 工程名称华南师范大学西区
学生公寓
分部(子分部)
工程名称
地基与基础(基坑
支护)分项工程名称板桩围护墙
注:l为钢板桩设计桩长(mm)。
GD-C5-71145。
G2-128 管道沟槽撑板、钢板桩支撑施工检验批质量验收记录表
GB 50268-2008
管道沟槽撑板、钢板桩支撑施工质量验收标准(GB 50268-2008)4.6.2 撑板、钢板桩支撑应符合下列规定:
主控项目
1 支撑方式、支撑材料符合设计要求;
检查方法:观察,检查施工方案。
2 支护结构强度、刚度、稳定性符合设计要求;
检查方法:观察,检查施工方案、施工记录。
一般项目
3 横撑不得妨碍下管和稳管;
检查方法:观察。
4 支撑构件安装应牢固、安全可靠,位置正确;
检查方法:观察。
5 支撑后,沟槽中心线每侧的净宽不应小于施工方案设计要求;
检查方法:观察,用钢尺量测。
6 钢板桩的轴线位移不得大于50mm;垂直度不得大于1.5%;
检查方法:观察,用小线、垂球量测。