均压环 接地装置施工隐蔽验收记录
- 格式:doc
- 大小:602.50 KB
- 文档页数:1
基础防雷接地隐蔽工程验收记录单位(子单位)工程名称佛山市永庆广场商业楼子分部(系统)工程名称防雷及接地安装子分部安装单位XXX分项工程名称防雷接地项目经理(负责人)XXX施工执行标准名称及编号施工图名称及图号GB—2002建筑电气工程施工质量验收规范电施37、基础接地平面图隐蔽内容、部位及施工方法简介:隐蔽部位:基础承台根据电施37基础接地平面设计图纸在1-5轴交A-E轴处设置9处防雷接地引下线,执行施工规范要求,釆用Ф12厘圆钢做搭接材料,弯曲半径>6倍D,焊接长度>10倍D无汽眼、夹渣、焊瘤、咬边等现象。
示图或说明:按设计图纸,使用承台管桩主筋及承台地网与结构柱筋跨接满焊形成防雷接地均压环。
防雷接地引下线管桩承台钢筋跨接点专业工长(施工员)符合设计规范规定。
测试人员安装单位检查评定结果公章)项目专业质量检查员:年月日同意验收公章)专业监理工程师(扶植单位工程专业技术卖力人):年代日监理(扶植)单位验收结论基础防雷接地隐蔽工程验收记录GDxxxxxxx单位(子单位)工程名称佛山市永庆广场商业楼子分部(系统)工程名称防雷接地及安装子分部安装单位XXX分项工程名称项目经理(负责人)防雷接地XXX施工执行标准名称及编号施工图名称及图号GB—2002建筑电气工程施工质量验收规范电施37、根蒂根基接地平面图潜伏内容、部位及施工方法简介:潜伏部位:根蒂根基梁按照电施37根蒂根基接地平面设计图纸在1-5轴交A-E 轴设置9处防雷接地引下线,履行施工规范要求,釆用Ф12厘圆钢做搭接资料,弯曲半径>6倍D,焊接长度>10倍D 无汽眼、夹渣、焊瘤、咬边等现象。
示图或申明:按设计图纸,使用承台管桩主筋及承台地网与结构柱筋跨接满焊形成防雷接地均压环。
均压环跨接点地梁主筋结构柱主筋防雷接地引下线跨接点承台砼面专业工长(施工员)符合设计规范规定。
测试人员安装单位检查评定结果公章)项目专业质量检查员:年月日赞成验收公章)专业监理工程师(扶植单位工程专业技术卖力人):年代日监理(扶植)单位验收结论防雷接地隐蔽工程验收记录GDxxxxxxx单位(子单位)工程名称佛山市永庆广场商业楼子分部(系统)工程名称防雷接地及安装子分部安装单位XXX分项工程名称项目经理(负责人)防雷接地XXX施工履行尺度名称及编号施工图名称及图号GB—2002建筑电气工程施工质量验收规范电施37、防雷接地平面图潜伏内容、部位及施工方法简介:隐蔽部位:首层柱根据电施37防雷接地平面设计图纸在1-5轴交A-E轴设置9处防雷接地引下线,执行施工规范要求,釆用Ф12厘圆钢做搭接材料,弯曲半径>6倍D,焊接长度>10倍D无汽眼、夹渣、焊瘤、咬边等现象。
接地装置施工隐蔽验收记录共页第页单位工程名称红垦农场公交首末站(管理用房)分部工程名称防雷及接地装置工程分项工程名称接地装置安装施 工 图 号隐 蔽 部 位一层结构施 工 日 期 年 月 日类 别材 质型式规格数 量敷设方法埋深(m)连接方式防 腐全部焊接/焊接符合要求接地体螺纹钢25全部焊接/焊接符合要求避雷引下线螺纹钢25接地引出线镀锌扁钢4*40全部暗敷/焊接符合要求接地体与建筑物距离(m):/接地极间距离(m):/独立避雷针接地线与其他线路距离(m):/独立避雷针接地装置:1)与建筑物出口距离/m;2)与道路距离/m。
测试点数量(处)5测试点距地面高度(m)0.5简图:具体位置详见电施专 业 监 理 工 程 师 :质量检查部门:(建设单位项目专业技术负责人)项目技术负责人:项 目 经 理:施 工 员:年 月 日 年 月 日接地装置施工隐蔽验收记录共页第页单位工程名称红垦农场公交首末站(管理用房)分部工程名称防雷及接地装置工程分项工程名称接地装置安装施 工 图 号隐 蔽 部 位二层结构施 工 日 期 年 月 日类 别材 质型式规格数 量敷设方法埋深(m)连接方式防 腐全部焊接/焊接符合要求接地体螺纹钢25全部焊接/焊接符合要求避雷引下线螺纹钢25接地引出线镀锌扁钢4*40全部暗敷/焊接符合要求接地体与建筑物距离(m):/接地极间距离(m):/独立避雷针接地线与其他线路距离(m):/独立避雷针接地装置:1)与建筑物出口距离/m;2)与道路距离/m。
测试点数量(处)5测试点距地面高度(m)0.5简图:具体位置详见电施专 业 监 理 工 程 师 :质量检查部门:(建设单位项目专业技术负责人)项目技术负责人:项 目 经 理:施 工 员:年 月 日 年 月 日接地装置施工隐蔽验收记录共页第页单位工程名称红垦农场公交首末站(管理用房)分部工程名称防雷及接地装置工程分项工程名称接地装置安装施 工 图 号隐 蔽 部 位屋面结构施 工 日 期 年 月 日类 别材 质型式规格数 量敷设方法埋深(m)连接方式防 腐全部焊接/焊接符合要求接地体螺纹钢25全部焊接/焊接符合要求避雷引下线螺纹钢25接地引出线镀锌扁钢4*40全部暗敷/焊接符合要求接地体与建筑物距离(m):/接地极间距离(m):/独立避雷针接地线与其他线路距离(m):/独立避雷针接地装置:1)与建筑物出口距离/m;2)与道路距离/m。
接地装置隐蔽验收记录隐蔽验收是指在施工过程中,对一些不能直接检测的工程质量要素进行的检查,目的是确保这些工程质量要素符合设计要求和验收规范。
接地装置作为电气系统中重要的安全措施之一,必须经过隐蔽验收来确保其质量和可靠性。
以下是一份接地装置隐蔽验收记录的范本。
项目名称:***工程工程地点:***施工单位:***监理单位:***验收日期:***一、验收内容1.接地装置的施工是否符合相关设计要求和规范要求。
2.接地装置施工过程中的关键节点是否有照片或视频记录。
3.接地装置施工过程中的质量抽查情况。
二、验收过程1.确认相关文件和技术资料的准备情况。
2.查看接地装置的施工记录和施工图纸,与设计文件进行核对。
3.查看接地装置施工过程中的照片和视频记录,确认施工质量和施工流程。
4.对关键节点进行现场查看和质量抽查,包括接地体的埋设、焊接、连接等。
5.检查接地体与导线的连接情况,确认连接牢固可靠。
6.检查接地体的埋设深度和埋设方法,确保符合设计要求。
7.检查接地装置的标志和标识,包括接地标志牌、接地警示标志等。
8.检查接地装置的绝缘电阻和接地电阻,确认符合规范要求。
9.检查接地体与周围金属构件的连接情况,确认连接可靠。
10.检查接地装置的接地线与主设备的连接情况,确认连接可靠。
三、验收结论根据现场的施工质量情况和相关文件的核对,结合设计要求和规范要求,对接地装置的隐蔽验收给出以下结论:1.接地装置的施工符合相关设计要求和规范要求。
2.接地装置的施工过程中的关键节点有照片或视频记录。
3.接地装置施工过程中的质量抽查合格。
四、修改和处理意见根据现场的检查情况,在隐蔽验收过程中发现以下问题及处理意见:1.一些接地体焊接点的焊接工艺不符合要求,需要重新焊接。
2.一些接地线与主设备的连接不够紧固,需要加固或重新连接。
3.一些接地装置的标志和标识不清晰,需要重新制作或更换。
五、下一步工作根据现场的验收结果和修改处理意见,确定接地装置隐蔽验收的下一步工作:1.对检查出的问题进行整改和处理,确保接地装置的质量和可靠性。
接地装置隐蔽工程验收记录一、验收基本情况项目名称:接地装置隐蔽工程验收工程地点:XX省XX市建设单位:XX公司施工单位:XX公司二、验收人员本次验收的人员有:1.建设单位的负责人2.施工单位的负责人3.监理单位的负责人4.监测单位的负责人三、验收内容本次隐蔽工程验收主要包括以下内容:1.接地电阻测试2.金属接地体埋深测试3.接地装置与设备的连接验收4.接地体材料检查5.接地装置的接线检查四、验收结果1.接地电阻测试结果:按照相关规范要求,工程施工单位在验收前完成了接地装置的安装工作,并正确连接了各个接地体。
接地电阻测试结果符合规范要求,满足了安全使用的要求。
2.金属接地体埋深测试结果:施工单位按照设计要求,确保接地体的埋深符合规定。
经过测试,埋深达到了规范要求,能够有效地提供接地保护功能。
3.接地装置与设备的连接验收结果:施工单位完成了接地装置与设备之间的连接工作,并经过验收,连接牢固,无松动现象,符合相关规范要求。
4.接地体材料检查结果:材料检查有经验的质检人员按照设计要求进行了检查,并对检测结果进行了记录。
检查结果符合规范要求,各接地体均采用金属材料,质地坚固,不易腐蚀,能够保证长期可靠地提供接地功能。
5.接地装置的接线检查结果:按照设计要求,施工单位对接地装置的接线进行了检查,检查结果符合规范要求,并与相关设备的接线图一致。
五、存在的问题及处理意见经验收,发现存在以下问题:1.部分接地体埋深不达标:部分接地体的埋深未达到设计要求,需要及时处理,确保埋深达到规范要求。
2.部分接地装置与设备连接不牢固:部分接地装置与设备的连接存在松动现象,需要重新进行固定,确保连接牢固可靠。
3.部分接地体材料不符合规范要求:部分接地体的材料质量不符合规范要求,需要更换合格材料,确保接地体的质地坚固,不易腐蚀。
针对以上存在的问题,我们提出如下处理意见:1.针对未达标的接地体埋深问题,施工单位将重新挖掘并降低埋深,确保埋深达到设计要求。
2避雷及接地装置接地隐蔽工程验收记录验收单位:XXX建筑工程有限公司
验收时间:XXXX年XX月XX日
一、验收基本情况
1.验收单位派出验收人员XX人,验收人员具备相关资格证书和工作经验。
2.工程现场施工单位人员XX人,全程配合验收工作。
3.验收时间为XX年XX月XX日上午9:00开始,下午17:00结束。
二、验收内容
1.接地装置的选型和设计是否符合相关标准要求。
2.接地系统的施工过程是否合格,包括钢杆深埋混凝土地下深度和固定方式是否符合设计要求。
3.接地系统的接地电阻是否符合相关标准要求。
4.接地系统的连接是否牢固可靠,接线是否符合标准。
5.接地系统的外观是否符合相关标准,是否存在破损、腐蚀等现象。
三、验收结果
1.接地装置的选型和设计符合相关标准要求。
2.接地系统的施工过程合格,深埋钢杆混凝土地下深度和固定方式均符合设计要求。
3.接地系统的接地电阻符合相关标准要求。
4.接地系统的连接牢固可靠,接线符合标准。
5.接地系统的外观符合相关标准,无破损、腐蚀等现象。
四、验收结论
通过本次验收,接地及接地系统安装工程符合相关标准和设计要求,验收合格。
五、验收意见
1.建议施工单位加强施工质量管理,确保接地系统的质量。
2.建议相关部门加强对接地系统的维护管理工作,定期检查接地系统的使用情况。
六、验收人员
1.验收单位代表签名:_______________
2.施工单位代表签名:_______________
以上为XXX建筑避雷及接地装置接地隐蔽工程验收记录。
均压环隐蔽验收记录检验批质量验收记录一、均压环隐蔽验收记录项目名称:XXX工程施工单位:XXX公司监理单位:XXX监理公司验收日期:2021年8月10日验收人员:张三、李四、王五1. 工程概况XXX工程位于XXX地区,主要包括一座变电站和相应的输电线路。
本次验收的是变电站内的均压环安装工程,均压环是变电站的重要组成部分,用于保证设备的安全运行和人员的安全。
2. 验收依据1) 《建筑工程质量验收统一标准》GB 50300-20132) 《电力工程质量验收规范》DL/T 5164-20183) 设计文件及施工图纸4) 施工合同及技术协议3. 验收内容1) 均压环的材质、规格、数量是否符合设计要求2) 均压环的安装位置、高度、倾斜度是否符合设计要求3) 均压环的焊接质量是否符合标准要求4) 均压环的防腐处理是否符合要求4. 验收结果1) 均压环的材质、规格、数量均符合设计要求2) 均压环的安装位置、高度、倾斜度均符合设计要求3) 均压环的焊接质量符合标准要求,焊缝饱满、平整,无明显焊缝4) 均压环的防腐处理符合要求,表面平整、色泽一致,无明显锈迹二、检验批质量验收记录检验批名称:均压环安装工程施工单位:XXX公司监理单位:XXX监理公司验收日期:2021年8月15日验收人员:张三、李四、王五1. 检验批概况本次检验批包括变电站内所有均压环的安装工程,共计XX个均压环。
2. 验收依据1) 《建筑工程质量验收统一标准》GB 50300-20132) 《电力工程质量验收规范》DL/T 5164-20183) 设计文件及施工图纸4) 施工合同及技术协议5) 施工过程记录及验收记录3. 验收内容1) 均压环的材质、规格、数量是否符合设计要求2) 均压环的安装位置、高度、倾斜度是否符合设计要求3) 均压环的焊接质量是否符合标准要求4) 均压环的防腐处理是否符合要求4. 验收结果1) 均压环的材质、规格、数量均符合设计要求2) 均压环的安装位置、高度、倾斜度均符合设计要求3) 均压环的焊接质量符合标准要求,焊缝饱满、平整,无明显焊缝4) 均压环的防腐处理符合要求,表面平整、色泽一致,无明显锈迹5. 存在问题及整改措施本次验收过程中,发现个别均压环的安装高度存在偏差,不符合设计要求。
接地装置安装隐蔽工程检查验收记录项目名称:XXX工程
检查验收单位:XXX公司
检查验收日期:XXXX年XX月XX日
一、检查对象
本次检查验收的对象为XXX工程中的接地装置的安装隐蔽工程。
二、检查内容及方法
1.检查内容
(1)接地装置的材料及规格是否符合相关标准;
(2)接地装置的安装位置和数量是否满足设计要求;
(3)接地装置的焊接质量是否合格;
(4)接地装置的接地电阻是否符合标准要求;
(5)接地装置与其它金属构件的连接是否可靠。
2.检查方法
(1)实地勘察,与设计文件进行对照检查;
(2)视觉检查,对焊缝进行目测检验;
(3)采用专业测试仪器对接地电阻进行测量;
(4)对接地装置与其它金属构件的连接进行拉拔试验。
三、检查验收结果
1.接地装置的材料及规格符合相关标准,安装位置和数量满足设计要求。
2.接地装置的焊接质量经视觉检查合格,焊缝均匀且牢固。
3.经过使用专业测试仪器测量,接地装置的接地电阻值为XXXΩ,符合标准要求。
4.接地装置与其它金属构件的连接牢固可靠,通过拉拔试验没有出现松动现象。
四、检查验收结论
本次接地装置安装隐蔽工程经检查验收,符合设计要求和相关标准。
验收单位认为,接地装置安装工程合格。
五、存在问题及整改要求
在接地装置安装隐蔽工程的过程中,未发现任何问题,不需要进行整改。
六、检查验收单位意见
经检查验收,接地装置安装隐蔽工程合格。
七、工程负责人签名:
八、检查验收单位负责人签名:。
接地工程隐蔽验收记录一、项目基本信息项目名称:接地工程项目编号:XXXX施工单位:XXXX公司监理单位:XXXX公司设计单位:XXXX公司工程地址:XXXXX工程开始时间:XXXX年XX月XX日工程完工时间:XXXX年XX月XX日二、工程概况接地工程是为了确保电气设备的安全稳定运行,保护人身和财产安全而进行的一项重要工程。
本次接地工程的范围包括在工程现场钢筋混凝土结构中埋设接地网、接地极,并进行电气连接和接地阻抗测试。
三、工程施工过程记录1.接地网施工:施工队按照设计方案,在工程现场进行接地网的布设和固定。
接地网由优质铜排焊接而成,焊接工艺符合规范标准。
焊接过程中,施工人员采取合适的防护措施,确保焊接质量。
接地网的埋设深度和间距符合设计要求。
2.接地极施工:施工队按照设计方案,在工程现场进行接地极的埋设和固定。
接地极由镀锌钢管制成,埋设深度符合设计要求。
施工过程中,施工人员对接地极进行防腐处理和隔离,并与接地网进行电气连接。
3.接地线路施工:施工队按照设计方案,在工程现场进行接地线路的敷设和固定。
接地线路采用优质铜导线,导线规格符合设计要求。
线路走向、连接方式等符合设计要求。
施工过程中,施工人员对接地线路进行绝缘处理,并与接地极和电气设备进行电气连接。
4.接地阻抗测试:在工程施工完成后,施工队进行了接地阻抗测试。
测试仪器符合相关标准要求,测试结果在设计要求范围内。
测试记录详细而准确。
四、施工质量情况1.材料质量:施工单位严格按照设计要求,采用符合标准要求的材料,材料质量可靠。
2.施工工艺:施工单位按照工艺要求进行施工,作业规范、流程清晰。
3.完工质量:接地工程完工后,工程质量良好,各项指标符合设计和规范要求。
五、存在问题及处理措施1.问题1:埋设深度不符合设计要求。
处理措施:施工队将重新埋设不符合要求的接地极,并进行防腐处理和电气连接。
2.问题2:线路敷设不规范。
处理措施:施工队将重新敷设线路,并采取合适的固定措施。
测试点距地面高度(m )简图:
下12
处
「
击
力
翼
i
・F
唸5
》 琴孫岸位
一 ±司 独押,均压环接地装置施工隐蔽验收记录
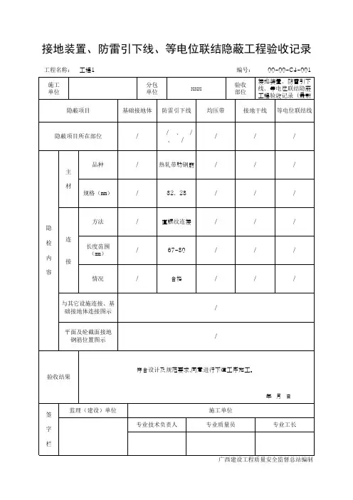
安装资料通用3.2
接地装置施工隐蔽验收记录
共页
第页
绍兴县人利安置小区
分部工程名称防雷及接地装置安装单位工程名称 4#楼
分项工程名称均压环装置安装施工图号电施- 施工日期年 月 日隐蔽部位层底板 类别材质型式规格数量敷设方法埋深(m )连接方式防腐接地体引
下干线分支干线镀锌圆钢巾12按实暗敷焊接接地体与建筑物距离(m );
接地级间距离(m );
独立避雷针接地线与其他线路距离(m ): 独立避雷针接地装置:1)与建筑物出口距离m;2)与道路距离测试点数量(处)
质量检查部门:专业监理工程师:
项目技术负责人:(建设单位项目专业技术负责人)
项目经理:施工员:
年月日年月日。
隐蔽工程验收记录表C5-1资料编号06-07-C5-×××工程名称××办公楼工程隐检项目均压环安装隐检日期XX年XX月XX日隐检部位F10顶板层○9~○13/○F~○H轴线32.000m标高隐检依据:施工图图号电施-54,设计变更/洽商(编号∕)及有关国家现行标准等。
主要材料名称及规格/型号:钢筋:HPB30012mm、HRB33532mm、镀锌扁钢:40mm×4mm隐检内容:1.利用结构圈梁上铁两侧2根HRB33532mm钢筋作均压环干线;2.2根HRB33532mm钢筋均与每处防雷引下线HPB30012mm钢筋做跨接线可靠焊接联通,且2根HRB33532mm钢筋之间用HPB30012mm 钢筋可靠焊接联通。
3.结构圈梁上铁两侧2根HRB33532mm钢筋与每处“井”字梁两侧2根HRB33532mm钢筋以HPB30012mm钢筋做跨接线可靠焊接联通。
4.采用40mm×4mm镀锌扁钢做等电位预留甩头与均压环可靠焊接联通,焊接长度大于HRB33532mm钢筋直径的6倍,双面施焊。
5.焊药清理干净,焊接饱满,无咬肉、夹渣等缺陷。
影像资料部位、数量:申报人:×××检查意见:经检查,隐检项目符合设计要求和《建筑电气工程施工质量验收规范》(GB50303-2002)的规定。
检查结论:√□同意隐蔽□不同意,修改后进行复查复查结论:复查人:复查日期:签字栏施工单位××建设集团有限公司专业技术负责人专业质检员专业工长×××××××××监理(建设)单位××工程建设监理有限公司专业工程师×××。
隐蔽工程验收记录施工单位:山西四建集团有限公司编号:工程名称太航职工经济适用房1#楼隐检项目电气配管隐蔽验收部位一层顶板剪力墙及顶板隐检时间2008年10月10日隐检依据设计图纸及施工质量验收规范隐检内容:照明、插座及弱电的电气暗配管:管子品种、位置、弯扁度、弯曲半径、连接、跨接地线、防腐、管盒固定、管口处理、敷设情况、保护层需焊接部位的焊接质量等。
施工单位自查情况与结论:电线导管采用焊接钢管,重型PVC管。
按照设计图纸位置管子敷设顺直,弯曲处无明显褶皱,弯扁度小于0.1D,弯曲半径大于10D。
管子对接时采用套管满焊连接,管盒连接处均作接地跨焊,搭接长度为圆钢6D,双面施焊。
焊缝平整饱满,无夹杂、气泡。
管子内壁全部灌防锈漆作了防腐处理,管口已扫口,无毛刺。
接线盒塞填饱满,紧贴模板,管子保护层符合要求。
PVC管口平整光滑;管与管用管箍连接、管与盒(箱)等器件采用背梳连接时,连接处结合面涂专用胶合剂,接口牢固密封符合设计及施工质量验收规范。
监理(建设)单位验收意见与结论:监理(建设)单位(签章)施工单位(签章)专业监理工程师:(建设单位项目专业技术负责人)年月日专业技术负责人质检员专业工长年月日隐蔽工程验收记录施工单位:山西四建集团有限公司编号:工程名称太航职工经济适用房2#楼隐检项目电气均压环敷设隐蔽验收部位隐检时间隐检依据设计图纸及施工质量验收规范隐检内容:检查扁钢品种、规格、敷设情况焊接质量等。
施工单位自查情况与结论:建筑物外廓圈梁外侧敷设一圈-40×4镀锌扁钢190米,且与各防雷引下线可靠焊接连通。
按照图纸位置利用圈梁内四根主筋焊接连通为闭合通路,且与镀锌扁钢可靠连通,扁钢、圆钢的搭接长度符合要求。
监理(建设)单位验收意见与结论:监理(建设)单位(签章)施工单位(签章)专业监理工程师:(建设单位项目专业技术负责人)年月日专业技术负责人质检员专业工长年月日隐蔽工程验收记录施工单位:山西四建集团有限公司编号:工程名称太原航空仪表有限公司职工经济适用房2#楼隐检项目基础接地隐蔽验收部位地下室地隐检时间隐检依据设计图纸及施工质量验收规范隐检内容:地下室等电位联结及基础接地网。
安装资料通用3.2 接地装置施工隐蔽验收记录
共页
第页单位工程名称
绍兴县人利安置小区
4#楼
分部工程名称防雷及接地装置安装分项工程名称均压环装置安装施工图号电施--
隐蔽部位层底板施工日期年月日类别材质型式规格数量敷设方法埋深(m)连接方式防腐
接地体
引下干线
分支干线镀锌圆钢ф12按实暗敷焊接
接地体与建筑物距离(m);
接地级间距离(m);
独立避雷针接地线与其他线路距离(m):
独立避雷针接地装置:1)与建筑物出口距离m; 2)与道路距离
测试点数量(处)测试点距地面高度(m)
简图:
符合设计规范要求
专业监理工程师:
(建设单位项目专业技术负责人)
年月日质量检查部门:
项目技术负责人:
项目经理:
施工员:
年月日。