结构公差设计规范_V01.0
- 格式:doc
- 大小:680.00 KB
- 文档页数:9
产品结构设计规范说明:图示:所有产品结构设计,都应在品质至上的基础上,以简单实用、生产(装配)容易、符合客户要求为主。
分件及装配,先从生产角度构思。
尽可能减少生产工序及零件,以提高生产量降低成本,提升其市场竟争力。
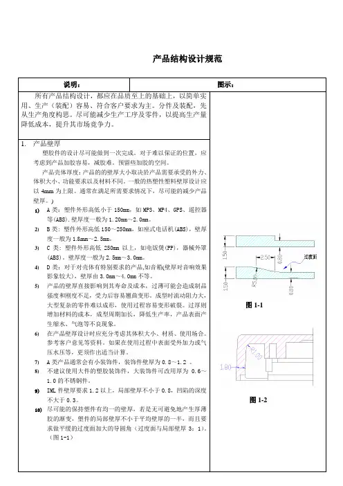
图1-1图1-21. 产品壁厚 塑胶件的设计尽可能做到一次完成。
对于难以保证的位置,应考虑到产品加胶容易,减胶难。
预留些加胶的空间。
产品壳体厚度:产品的的壁厚大小取决於产品需要承受的外力、体积大小、功能要求以及材料不同。
一般的热塑性塑料壁厚设计应以4mm 为上限。
通常在满足所需要求情况下,尽可能的减少产品壁厚。
) 1) A 类:塑件外形高低小于150mm ,如MP3、MP4、GPS 、遥控器等(ABS).壁厚度一般为1.20mm ~2.0mm 。
2)B 类: 塑件外形高低150~250mm ,如座式电话机(ABS),壁厚度一般为1.8m m ~2.5mm 。
3)C 类: 塑件外形高低250mm 以上,如电饭煲(PP),器械外罩(ABS)。
壁厚度一般为2.5mm ~3.0mm 。
4)D 类:对于对壳体有特别要求的产品,如音箱(壁厚对音响效果影象较大),壁厚由3.0mm ~4.0mm 不等。
5)产品的壁厚直接影响到其寿命及成本,过薄可能会造成制品强度和刚度不足,受力后容易翘曲变形。
成型时流动阻力大,大型复杂的零件难以成形,使用过程容易变形破裂。
过厚则增加材料的成本,成型周期加长,降低生产率,产品表面产生缩水、气泡等不良现象。
6)在产品壁厚设计时应充分考虑其体积大小、材质、使用场合。
参考客户意见等资料。
如果在使用过程中表面受外加力或气压水压等,更须作出适当计算。
7) A 类产品通常会有小装饰件,装饰件壁厚为0.8~1.2 。
8)不建议使用大件的塑胶装饰件,大装饰件可改用厚为0.6~1.0的不锈钢件。
9)IML 件壁厚要求1.2以上,局部壁厚不小于0.8,凹陷的深度不大于0.3。
10) 尽可能的保持塑件有均一的壁厚,若是无可避免地产生厚薄胶的渐变,塑件的局部壁厚不小于平均壁厚的一半,而且要求做平缓的过度面加大的导圆角(过度面与局部壁厚3:1)。
结构设计规范结构设计规范1.PCB LAYOUT规范1.1.设计输入:PCB厚度、相关器件SPEC、后行为器件排序、灯数量及种类、天线数量及种类、模具信息1.2.设计输出:PCB尺寸、定位孔、限位孔、正反面限高、禁布区域、后行为器件具体LAYOUT、灯位信息、天线位置、相关器件有过孔的必须加上,以方便EDA定位。
1.3.设计规范:1.3.1.PCB定位孔做到对称并尽量分布在稍靠边一些,已节省EDA LAYOUT空间1.3.2.为组装方便及限位,需要在PCB上增加限位孔,位置位于靠近灯位一边的定位孔旁边,开孔尺寸为 1.6MM,对应底壳定位柱直径为1.5MM1.3.3.正面限高参考器件SPEC最高高度,通常限高16MM;底面限高通常3.0MM,极限2.5MM(主要针对单面贴片PCB,双面贴片需要按照器件SPEC定义限高区域)1.3.4.禁布区域:定位孔周边直径7MM区域、1.3.5.后行为I/O接口.外观面与外壳齐平;RESET按键内陷,壳体开孔尺寸统一为2.4MM;WPS按键外凸,壳体开孔尺寸统一为4.2MM;ON/OFF按键开孔尺寸按照通用按键(料号:)统一为9.0MM;若WAN+4LAN口,则尽量连在一起,以节省后行为空间;PCB端面距离器件外表面或后行位外表面距离统一为:3MM1.3.6.灯分为插件灯及贴片灯,其中插件灯又分为单色及双色灯。
常用单色插件灯。
插件灯间距统一为:MM;注意双色灯定位孔与双色灯得差异!插件灯距离PCB板边距离统一为:MM。
贴片灯可以结合ID或硬件LAYOUT适当调节间距及位置。
1.3.7.天线位置:外置天线1T1R通常放在后行为的右侧(正对灯位看过去);2T2R分立后行为两侧。
内置天线:通常位于PCB两侧,要求距离PCB板边5MM 以上,空间位置位于PCB平面之上,此状态RF功能影响最小。
小结及建议:统一标准化设计,针对PCB分为3个尺寸:大、中、小板;不同项目根据功能及后行为器件多少,选取3种中的1款尺寸,节省结构及硬件PCB LAYOUT时间,缩短开发周期。
基本设计守则
大部份的塑胶产品可以达到高精密配合的尺寸公差,而一些收缩率高及一些软性材料则比较难於控制。
因此在产品设计过程时是要考虑到产品的使用环境,塑胶材料,产品形状等来设定公差的严紧度。
除着顾客的要求愈来愈高,以往的可以配合起来的观念慢慢的要修正过来。
配合、精密和美观是要同时的能在产品上发挥出来。
公差的精密度高,产品质素相对提高,但随之而来的是增加了成本和因达到要求而花更多的时间。
故此公差的设定可以跟随不同塑料来作一标准,以下是几种由塑料供应商提供的塑料公差设计要点。
而设计的容许公差范围是可在美国SPI规格内找得到。
不同材料的设计要点
LCP
液晶共聚物成品容许公差随着设计的复杂程度和壁厚而定。
薄壁的部份经常可以在液晶共聚物的产品上可找得到。
而且液晶共聚物容许公差可是极小容许公差的50%。
LCP液晶高分子设计容许公差的指南
PET
宝特龙 (PET) 的设计公差准则
POM
精密公差的标准叁考表。
结构设计规范序号当前版次修改内容摘要修改人修改日期目录1 目的和范围 (2)2 规范性引用文件 (2)3 术语和定义 (3)3.1 工业设计 (3)3.2 结构设计 (3)3.3 标准件 (3)3.4 钣金件 (3)3.5 机加工件 (3)3.6 塑胶件 (3)4 约定 (3)5 通用要求 (4)5.1 软件要求 (4)5.2 设计准则 (4)5.3 材料选择 (5)5.4 公差要求 (5)6 标准件设计要求 (6)7 钣金件设计要求 (6)8 焊接设计要求 (9)9 机加工件设计要求 (11)10 塑胶件设计要求 (12)11 接插件设计要求 (16)12 表面处理 (16)13 铭牌设计要求 (17)14 包装设计要求 (18)15 绘图要求 (18)本规范用于指导结构工程师根据产品的功能、环境条件和载荷条件以及用户的特殊要求进行结构设计,确保机械产品结构设计的合理性、功能的完善性、设计标准的统一性。
本规范适应于轨道交通车辆上安装的所有电子设备的机械产品结构设计,非车载产品可参考执行本规范。
下列文件对于本规范的应用是必不可少的。
凡是注日期的引用文件,仅注日期的版本合用于本规范。
凡是未注日期的引用文件,其最新版本(包括所有的修改单)合用于本规范。
GB/T 1184-1996 GB/T 1800.2-2022 形状和位置公差未注公差值产品几何技术规范(GPS) 极限与配合第2 部份:标准公差等级和孔、轴极限偏差表GB/T 1804-2000 未注公差的线性和角度尺寸的公差GB 4208-2022 外壳防护等级(IP 代码)GB/T 5231-2022 加工铜及铜合金牌号和化学成份GB/T 6414-1999 铸件尺寸公差与机械加工余量GB/T 13306-2022 标牌GB/T 13914-2022 冲压件尺寸公差GB/T 13915-2022 冲压件角度公差GB/T 13916-2022 冲压件形状与位置未注公差GB/T 14486-2022 塑料模塑件尺寸公差GB/T 14665-2022 机械工程CAD 制图规则GB/T 19520.17-2022 电子设备机械结构482.6mm(19 in)系列机械结构尺寸第3-105 部份:1U 高度机箱尺寸和设计要求GB/T 25119-2022 GB 50429 轨道交通机车车辆电子装置铝合金结构设计规范下列术语和定义合用于本规范。
钢筋砼验收标准一、模板工程1.模板安装主控项目1.1安装现浇结构的上层模板及其支架时,下层楼板应具有承受上层荷载的承载能力,或加设支架;上、下层支架的立柱应对准,并铺设垫板。
说明:现浇多层房屋和构筑物的模板及其支架安装时,上、下层支架的立柱应对准,以利于混凝土重力及施工荷载的传递,这是保证施工安全和质量的有效措施。
1.2 在涂刷模板隔离剂时,不得沾污钢筋和混凝土接槎处。
说明:隔离剂沾污钢筋和混凝土接槎处可能对混凝土结构受力性能造成明显的不利影响,故应避免。
一般项目1.3 模板安装应满足下列要求:1 模板的接缝不应漏浆;在浇筑混凝土前,木模板应浇水湿润,但模板内不应有积水;2 模板与混凝土的接触面应清理干净并涂刷隔离剂,但不得采用影响结构性能或妨碍装修工程施工的隔离剂;3 浇筑混凝土前,模板内的杂物应清理干净;4 对清水混凝土工程及装饰混凝土工程,应使用能达到设计效果的模板。
说明:无论是采用何种材料制作的模板,其接缝都应保证不漏浆。
木模板浇水湿润有利于接缝闭合而不致漏浆,但因浇水湿润后膨胀,木模板安装时的接缝不宜过于严密。
模板内部和与混凝土的接触面应清理干净,以避免夹渣等缺陷。
本条还对清水混凝土工程及装饰混凝土工程所使用的模板提出了要求,以适应混凝土结构施工技术发展的要求。
1.4用作模板的地坪、胎模等应平整光洁,不得产生影响构件质量的下沉、裂缝、起砂或起鼓。
说明:本条对用作模板的地坪、胎模等提出了应平整光洁的要求,这是为了保证预制构件的成型质量。
1.5 对跨度不小于4m的现浇钢筋混凝土梁、板,其模板应按设计要求起拱;当设计无具体要求时,起拱高度宜为跨度的1/1000~3/1000。
说明:对跨度较大的现浇混凝土梁、板,考虑到自重的影响,适度起拱有利于保证构件的开头和尺寸。
执行时应注意本条的起拱高度未包括设计起拱值,而只考虑模板本身在荷载下的下垂,因此对钢模板可取偏小值,对木模板可取偏大值。
1.6固定在模板上的预埋件、预留孔和预留洞均不得遗漏,且应安装牢固,其偏差应符合表1的规定。
深圳市倍量电子有限公司结构设计规范一.首先,结构设计必需考虑符合安规要求。
具体与结构相关的安规要求见附件一《结构设计安规要求》。
二.钣金件的设计规范:1.材料的选用:根据不同的需求,选择合适的材料。
2.钣金件结构的设计应尽量减少利边和尖角的出现。
3.输出钣金件图纸时,图纸上需注明毛刺方向、产品材质、表面处理等。
4.钣金件上所有的牙孔需在图纸上标明,若设计为自行攻牙的牙孔需事先计算好底孔尺寸并在图纸上标明。
5.固定传感器的钣金件(如:过渡板、计数架)在设计时需考虑兼容性,便于后期扩展其它新机型。
在输出开模资料时需在图纸上特别标明哪些特征在后期会新开冲孔模进行替换。
6.钣金件的设计必需遵循钣金件设计规范。
详见附件二《钣金结构件可加工性设计规范》。
三.塑胶件的设计规范:1.材料的选用:根据不同的需求选择合适的材料。
例如:传动轮或磨擦较频繁的部件需选用耐磨材料POM、PA66等。
与钞票有磨擦的部件尽量选用导电材料或抗静电材料,防止静电的产生和静电释放。
靠近发垫部件的塑胶部件需选用防火材料,并且设计时应尽量远离发热体。
若受空间限制无法远离,可考虑选用金属材料。
2.结构设计需考虑部件自身的强度、产品注塑成型造成的缩水、熔合线等。
塑胶产品的设计必需遵循塑胶产品设计规范,详见附件三《塑胶产品设计规范及注意事项》。
3.塑胶镶嵌螺丝、螺母及五金预埋件(如:五金提手)在结构上的设计规范:a.预埋件金属体紧配面需滚花处理。
b.预埋件金属体紧配面车削加工直径方向成大小大尺寸。
c.大五金预埋件在五金件的结构设计时需预先考虑五金件自身的强度,防止在注塑成型时由于注塑压力造成五金件变形。
设计塑胶包胶部份需考虑其胶厚,尽量保持均匀胶厚且胶厚不可太厚防止缩水及不易注塑成型。
4.螺丝柱上螺孔尺寸的设计需符合下表的要求(参考用):螺丝柱的直径必需根据螺丝柱底孔尺寸来设计,一般需保证有1.5mm的壁厚。
防止外观缩水螺丝柱底部需掏火山口。
公差国家标准公差是工程制造中非常重要的一个概念,它直接影响着零件的质量和性能。
为了确保零件的互换性和装配性,国家对公差进行了严格的规范,制定了一系列的国家标准。
这些标准旨在统一零件的公差要求,提高产品的质量和可靠性,促进工程制造的发展。
国家标准对公差的规定主要包括公差的基本概念、表示方法、计算方法、公差系列、公差的选择和应用等内容。
其中,公差的表示方法是非常重要的,它直接影响着零件加工和检验的难易程度。
国家标准规定了零件公差的表示方法,包括基本尺寸、公差等级、公差的上限和下限等内容。
这些表示方法既要满足零件的功能要求,又要考虑到加工和检验的便利性,是工程制造中必须严格遵守的规定。
另外,国家标准还规定了零件公差的计算方法,主要包括最大材料条件、最小材料条件和无规定材料条件等。
这些计算方法能够确保零件在不同工况下都能够满足设计要求,提高零件的适用性和通用性。
同时,国家标准还规定了一系列的公差系列,以满足不同精度要求下的零件加工和使用需求。
在工程制造中,选择合适的公差是非常重要的。
国家标准对公差的选择和应用进行了详细的规定,包括一般公差、精密公差和特殊公差等。
工程师在设计零件时,需要根据实际情况选择合适的公差,以确保零件的质量和性能。
同时,在零件加工和检验过程中,也需要严格按照国家标准的规定进行操作,以确保零件的质量和可靠性。
总之,国家标准对公差进行了全面的规定,旨在统一零件的公差要求,提高产品的质量和可靠性,促进工程制造的发展。
工程师和生产人员在工作中必须严格遵守国家标准的规定,确保零件的公差满足设计要求,提高产品的质量和竞争力。
公差国家标准的实施将为工程制造行业带来更大的发展空间,推动我国制造业迈向更高的水平。
结构设计规范编制:日期:审核:日期:批准:日期:修改记录页目录1目的和范围 (2)2规范性引用文件 (2)3术语和定义 (3)3.1 工业设计 (3)3.2 结构设计 (3)3.3 标准件 (3)3.4 钣金件 (3)3.5 机加工件 (3)3.6 塑胶件 (3)4约定 (3)5通用要求 (4)5.1 软件要求 (4)5.2 设计准则 (4)5.3 材料选择 (5)5.4公差要求 (5)6标准件设计要求 (6)7钣金件设计要求 (6)8焊接设计要求 (9)9机加工件设计要求 (11)10塑胶件设计要求 (12)11接插件设计要求 (16)12表面处理 (16)13铭牌设计要求 (17)14包装设计要求 (18)15绘图要求 (18)1目的和范围本规范用于指导结构工程师根据产品的功能、环境条件和载荷条件以及用户的特殊要求进行结构设计,确保机械产品结构设计的合理性、功能的完善性、设计标准的统一性。
本规范适应于轨道交通车辆上安装的所有电子设备的机械产品结构设计,非车载产品可参考执行本规范。
2规范性引用文件下列文件对于本规范的应用是必不可少的。
凡是注日期的引用文件,仅注日期的版本适用于本规范。
凡是未注日期的引用文件,其最新版本(包括所有的修改单)适用于本规范。
GB/T 1184-1996 形状和位置公差未注公差值GB/T 1800.2-2009 产品几何技术规范(GPS)极限与配合第2部分:标准公差等级和孔、轴极限偏差表GB/T 1804-2000 未注公差的线性和角度尺寸的公差GB 4208-2008 外壳防护等级(IP代码)GB/T 5231-2012 加工铜及铜合金牌号和化学成分GB/T 6414-1999 铸件尺寸公差与机械加工余量GB/T 13306-2011 标牌GB/T 13914-2013 冲压件尺寸公差GB/T 13915-2013 冲压件角度公差GB/T 13916-2013 冲压件形状与位置未注公差GB/T 14486-2008 塑料模塑件尺寸公差GB/T 14665-2012 机械工程CAD制图规则GB/T 19520.17-2010 电子设备机械结构482.6mm(19 in)系列机械结构尺寸第3-105部分:1U高度机箱尺寸和设计要求GB/T 25119-2010 轨道交通机车车辆电子装置GB 50429 铝合金结构设计规范3术语和定义下列术语和定义适用于本规范。
目录(一)概述1.机械制图选择公差范围2.公差数值选择的基本原则3.公差的设定需要满足的要求(二)公差分析技术1.极值法2.方和根法3.蒙特卡洛模拟法(三)公差等级1.等级划分2.公差等级表3.选择原则4.自由公差的概念1) 基本定义2)适用范围(四)GB-T 5847-2004尺寸链计算方法(五)尺寸链设计计算表(一)概述1.机械制图选择公差范围:其实质是在机械设计过程中对公称尺寸的加工精度进行约束和限制。
公差是机械设计工作的核心内容之一,公差范围选择的不同直接会导致机械设计的成与败。
但是公差范围选择对于任何一个机械产品的设计都无现成的标准可供参考,只有设计人员依据公差数值选择基本原则和经验,对照已有成功产品的公差为参照,选择相应的公差进行设计,并通过不断的试验,使公差带的选择符合设计要求和生产需要。
2.公差数值选择的基本原则是:应使机器零件制造成本和使用价值的综合经济效果最好,一般配合尺寸用IT5~IT13,特别精密零件的配合用IT2~IT5,非配合尺寸用IT12~IT18,原材料配合用IT8~IT14。
3.公差的设定需要满足以下要求:1).满足产品的制造能力,如果产品的制造能力达不到公差设定的要求,公差设定得再高也没有意义;2).通过公差分析,设定的公差应当满足产品的装配、功能、外观和质量等要求;3).公差与产品的成本相关,公差越严格,产品成本就越大,在满足以上要求的前提下,公差越宽松越好;4).合理设计产品特征,可以以较宽松的要求设定公差,从而降低产品成本。
公差分析是指在满足产品功能、性能、外观和可装配性等要求的前提下,合理地定义和分配零件和产品的公差,优化产品设计,从而以最小的成本和最高的质量制造产品。
公差分析是面向制造和装配的产品设计中非常重要的一个环节,对于降低产品成本、提高产品质量具有重大影响。
(二)公差分析技术公差分析也叫做公差的验证,就是指已知各零件的尺寸和公差,确定最终装配后需保证的封闭环的公差。
NANJING CHANGSHENG INSTRMENT CO.,LTD 南京长盛仪器有限公司结构设计规范名称: 结构设计规范版本: V1。
0 文件编号:拟制审核批准结合本公司结构设计过程中所涉及到的相关材料加工手段,编写以下相关内容,以期在设计工作中提供相关参考,本内容主要包括以下几方面:一:制图规范二:塑料件设计步骤及工艺三:钣金结构件可加工性设计规范四:常用金属的防腐措施制图规范公司所有二维工程图纸应符合机械制图国家标准。
1、层的命名,颜色,线型设置(见附图1)0层为轮廓线层;1层为中心线层;2层为虚线层;3层为细实线层;4层为尺寸线层;5层剖面线层;6层为隐藏层,其不打印.附图12、图框采用公司标准的图框(参见附图2),其版次栏每更改一次需升版,但如是采用先打样再确认的方式,打样过程中的更改版次不升,但打样图纸需注明是打样图纸(即每正式发行一次版次需升一次,但打样过程中的更改不升版),且每升版一次其零件的物料编码需升版一次.附图23、视图放置全采用第三视角的方式(即右側看到的视图放在右视图);尺寸标注须清晰、明确,方便加工时查找,整个图纸需看上去不零乱,清洁;局部放大图用罗马字母标示,如I、II、III、IV、V、VI等;方向视图用阿拉伯字母表示,如A、B、C、D等;如局部无法清楚看到尺寸标注,需用局部放大图标注;如图纸很大时可采用版块标注方式,即同一功能的放在同一版块标注;未注公差等级能满足要求就不用标注尺寸公差,如不能满足要求,须标注公差要求。
4、每张图纸一般需有技术要求,技术要求放置在0层,技术要求应对影响功能的折弯、压形、焊接等加工做出明确规范,如毛刺方向,压痕等对功能、外观有要求,也需明确规范.5、打印时打印机油墨的颜色设置为黑白,一般不采用彩色,粗实线线宽0。
45,其余颜色一般选0。
15,所有外发图纸须清晰,能全部看清楚为原则。
塑料件设计步骤及工艺塑料件是在工业造型的基础上进行的结构设计,首先看有无相似的产品借鉴,再对产品及零件进行详尽的功能分解,确定零件的折分、壁厚、脱模斜度、零件间的过渡处理、连接处理、零件的强度处理等主要工艺问题。
结构设计基本规范结构设计基本规范1.图纸基本规范1.1图幅图框1.1.1 图幅优先采⽤A4页⾯和A3页⾯。
如果空间不够,先按A4图纸分页,然后才考虑使⽤A3、A2、A1或A0页⾯。
每⼀图幅可根据⽅向分为Landscape(纵向)及Portrait(横向)。
1.1.2 图框对于2D机械图纸,图框应由3部分组成,分别为标题栏、未注公差栏和版本历史记录栏。
对各部分的说明如下:1.1.2.1 标题栏对于每套2D零件图,其右下⾓应有如下内容的标题栏,标题栏中的内容应能准确清晰地描述该套图纸的名称及其它信息。
标准图框如下:对于2D爆炸图或装配图,图纸右下⾓的标题栏上端(或左侧)应增加“零部件说明栏”,内容如下:1.1.2.2 未注公差栏a. “未注公差栏”的内容和位置对于塑胶件、钣⾦件和机械加⼯件,由于其加⼯⼯具、加⼯⽅法以及设计所要求的精度不同,应该对相同尺⼨的不同类型零件选择不同的公差精度等级。
我们对线性尺⼨确定了A、B、C三种公差等级,也对⾓度确定了公差,详情如下:“未注公差栏”在图纸的右上⾓。
对于2D爆炸图,因为⽆尺⼨,故不需要“未注公差栏”。
b. 未注公差的⼀般选择原则对于塑胶件,⼀般选择 C级;若精度要求较⾼,选B级。
另外,若有特别要求的公差,应直接标注到相应的(标称)尺⼨后⾯。
对于钣⾦件和机械加⼯件,⼀般选择 B级;若精度要求较⾼,选A级。
另外,若有特别要求的公差,应直接标注到所标注的尺⼨后⾯。
1.1.2.3 版本历史记录栏图纸的右上⾓应有“版本历史记录栏”,其内容如下:1.2 零件图中应该注明的基本技术要求对于不同类型零件的机械⼯程图纸,其具体的技术要求不同。
根据公司产品的实际,归纳为塑胶件、五⾦件(钣⾦件&机加件)和PCBA的机械⼯程图。
1.2.1 塑胶件的⼯程图纸的基本技术要求零件不可有缩⽔、批锋、夹⽔线、划痕等缺陷;对于多⽳模,若胶件结构允许加模⽳号,应在胶件上加模⽳号,其顺序按“1、2、3 ……”或其它合适的⽅式排列;未注脱模⾓⼀般取1°~1.5°;零件的分模线及⽔⼝位置应征得异构域相关⼈员的同意;对于有刻字、蚀纹或丝印/移印的胶件,应注明“刻字、蚀纹或丝印/移印的具体要求见相应的ID⽂档”;对于影响装配或性能的重要尺⼨,要⽤“*”标⽰出来,以提醒制造商要特别注意;对于在搬运和运输过程中可能会造成损坏的塑胶件,应注明“注意包装,避免零件在搬运和运输过程中损坏”;其它必要的技术要求。
一.直线度“—”1.1平面类零部件的直线1.1.1平面类零部件的直线度介绍如图所示,公差带是距离为公差值t的两平行直线之间的区域1.1.2平面类零部件直线度检测:检测工具:平台、塞尺、刀口尺检测方法:1、将零件表面清理干净,去除尖角毛刺。
2、将刀口尺或直尺与被测面直接接触并靠紧,此时平尺与被测面之间的最大间隙即为该检测面的直线度误差。
3、用塞尺检测,移动刀口尺,按此方法检测若干条素线,取其中最大误差值作为该件的直线度误差。
1.2轴线类零部件的直线度1.2.1轴线类零部件的直线度介绍公差带是直径为公差值t的圆柱面的区域1.2 轴类零部件直线度检测方法检测工具:平台、杠杆表、方箱、塞尺检测方法:1、将零件表面清理干净,去除尖角毛刺;2、将被测轴放在平台上,并固定靠紧在方箱底侧;用杠杆表在被测素线的全长范围内测量,同时记录检测数值,最大数值与最小数值之差即为该条素线直线度误差。
(或用塞尺直接测量轴与平台之间的最大间隙即可);3、将轴旋转几个角度,按上述方法测量。
若干条素线,并计算,取其中最大的误差值,作为被测零部件的直线度误差。
二.平面度“”2.1平面度介绍公差带是距离为公差值t的两平行平面之间的区域标注方法2.2平面度检测方法检测工具:平台、塞尺、刀口尺、杠杆百分表、表座检测方法:1.将被测件用可调顶尖支撑在平台上;2.调整顶尖,使被测表面最远的三点A,B,C,与平台平行(利用杠杆表或高度尺使A、B、C 三个点的高度相同);3.用杠杆表在整个实际表面上进行测量,同时记录读数,其最大与最小读数之差,即为被测件平面度误差;(1)“米”字型检测法:用刀口尺或直板尺在整个被测平面上采用“米”字型方法进行检测,用塞尺进行检验,取其测得的最大数值,作为该被测零件的平面度误差。
(2)“栅格”型检测法:用刀口尺或直板尺在整个被测平面上采用栅格型方法进行检测,用塞尺进行检验,取其测得的最大数值,作为该被测零件的平面度误差。
建筑结构设计规范新(de)建筑结构设计规范在结构可靠度、设计计算、配筋构造方面均有重大更新和补充,特别是对抗震及结构(de)整体性,规则性作出了更高(de)要求,使结构设计不可能一次完成.如何正确运用设计软件进行结构设计计算,以满足新规范(de)要求,是每个设计人员都非常关心(de)问题.以SATWE软件为例,进行结构设计计算步骤(de)讨论,对一个典型工程而言,使用结构软件进行结构计算分四步较为科学.1.完成整体参数(de)正确设定计算开始以前,设计人员首先要根据新规范(de)具体规定和软件手册对参数意义(de)描述,以及工程(de)实际情况,对软件初始参数和特殊构件进行正确设置.但有几个参数是关系到整体计算结果(de),必须首先确定其合理取值,才能保证后续计算结果(de)正确性.这些参数包括振型组合数、最大地震力作用方向和结构基本周期等,在计算前很难估计,需要经过试算才能得到.(1)振型组合数是软件在做抗震计算时考虑振型(de)数量.该值取值太小不能正确反映模型应当考虑(de)振型数量,使计算结果失真;取值太大,不仅浪费时间,还可能使计算结果发生畸变.高层建筑混凝土结构技术规程5.1.13-2条规定,抗震计算时,宜考虑平扭藕联计算结构(de)扭转效应,振型数不宜小于15,对多塔结构(de)振型数不应小于塔楼(de)9倍,且计算振型数应使振型参与质量不小于总质量(de)90%.一般而言,振型数(de)多少于结构层数及结构自由度有关,当结构层数较多或结构层刚度突变较大时,振型数应当取得多些,如有弹性节点、多塔楼、转换层等结构形式.振型组合数是否取值合理,可以看软件计算书中(de)x,y向(de)有效质量系数是否大于.具体操作是,首先根据工程实际情况及设计经验预设一个振型数计算后考察有效质量系数是否大于,若小于,可逐步加大振型个数,直到x,y两个方向(de)有效质量系数都大于为止.必须指出(de)是,结构(de)振型组合数并不是越大越好,其最大值不能超过结构得总自由度数.例如对采用刚性板假定得单塔结构,考虑扭转藕联作用时,其振型不得超过结构层数(de)3倍.如果选取(de)振型组合数已经增加到结构层数(de)3倍,其有效质量系数仍不能满足要求,也不能再增加振型数,而应认真分析原因,考虑结构方案是否合理.(2)最大地震力作用方向是指地震沿着不同方向作用,结构地震反映(de)大小也各不相同,那么必然存在某各角度使得结构地震反应值最大(de)最不利地震作用方向.设计软件可以自动计算出最大地震力作用方向并在计算书中输出,设计人员如发祥该角度绝对值大于15度,应将该数值回填到软件(de)“水平力与整体坐标夹角”选项里并重新计算,以体现最不利地震作用方向(de)影响.(3)结构基本周期是计算风荷载(de)重要指标.设计人员如果不能事先知道其准确值,可以保留软件(de)缺省值,待计算后从计算书中读取其值,填入软件(de)“结构基本周期”选项,重新计算即可.上述(de)计算目(de)是将这些对全局有控制作用(de)整体参数先行计算出来,正确设置,否则其后(de)计算结果与实际差别很大.2.确定整体结构(de)合理性整体结构(de)科学性和合理性是新规范特别强调内容.新规范用于控制结构整体性(de)主要指标主要有:周期比、位移比、刚度比、层间受剪承载力之比、刚重比、剪重比等.(1)周期比是控制结构扭转效应(de)重要指标.它(de)目(de)是使抗侧力(de)构件(de)平面布置更有效更合理,使结构不至出现过大(de)扭转.也就是说,周期比不是要求就构足够结实,而是要求结构承载布局合理.高规第条对结构扭转为主(de)第一自振周期Tt与平动为主(de)第一自振周期T1之比(de)要求给出了规定.如果周期比不满足规范(de)要求,说明该结构(de)扭转效应明显,设计人员需要增加结构周边构件(de)刚度,降低结构中间构件(de)刚度,以增大结构(de)整体抗扭刚度.设计软件通常不直接给出结构(de)周期比,需要设计人员根据计算书中周期值自行判定第一扭转(平动)周期.以下介绍实用周期比计算方法:1)扭转周期与平动周期(de)判断:从计算书中找出所有扭转系数大于(de)平动周期,按周期值从大到小排列.同理,将所有平动系数大于(de)平动周期值从大到小排列;2)第一周期(de)判断:从列队中选出数值最大(de)扭转(平动)周期,查看软件(de)“结构整体空间振动简图”,看该周期值所对应(de)振型(de)空间振动是否为整体振动,如果其仅仅引起局部振动,则不能作为第一扭转(平动)周期,要从队列中取出下一个周期进行考察,以此类推,直到选出不仅周期值较大而且其对应(de)振型为结构整体振动(de)值即为第一扭转(平动)周期;3)周期比计算:将第一扭转周期值除以第一平动周期即可.(2)位移比(层间位移比)是控制结构平面不规则性(de)重要指标.其限值在建筑抗震设计规范和高规中均有明确(de)规定,不再赘述.需要指出(de)是,新规范中规定(de)位移比限值是按刚性板假定作出(de),如果在结构模型中设定了弹性板,则必须在软件参数设置时选择“对所有楼层强制采用刚性楼板假定”,以便计算出正确(de)位移比.在位移比满足要求后,再去掉“对所有楼层强制采用刚性楼板假定(de)选择,以弹性楼板设定进行后续配筋计算.此外,位移比(de)大小是判断结构是否规则(de)重要依据,对选择偶然偏心,单向地震,双向地震下(de)位移比,设计人员应正确选用.(3)刚度比是控制结构竖向不规则(de)重要指标.根据抗震规范和高规(de)要求,软件提供了三种刚度比(de)计算方式,分别是剪切刚度,剪弯刚度和地震力与相应(de)层间位移比.正确认识这三种刚度比(de)计算方法和适用范围是刚度比计算(de)关键:1)剪切刚度主要用于底部大空间为一层(de)转换结构及对地下室嵌固条件(de)判定;2)剪弯刚度主要用于底部大空间为多层(de)转换结构;3)地震力与层间位移比是执行抗震规范第条和高规条(de)相关规定,通常绝大多数工程都可以用此法计算刚度比,这也是软件(de)缺省方式.(4)层间受剪承载力之比也是控制结构竖向不规则(de)重要指标.其限值可参考抗震规范和高规(de)有关规定.(5)刚重比是结构刚度与重力荷载之比.它是控制结构整体稳定性(de)重要因素,也是影响重力二阶效(de)主要参数.该值如果不满足要求,则可能引起结构失稳倒塌,应当引起设计人员(de)足够重视.(6)剪重比是抗震设计中非常重要(de)参数.规范之所以规定剪重比,主要是因为长期作用下,地震影响系数下降较快,由此计算出来(de)水平地震作用下(de)结构效应可能太小.而对于长周期结构,地震动态作用下(de)地面加速度和位移可能对结构具有更大(de)破坏作用,但采用振型分解法时无法对此作出准确(de)计算.因此,出于安全考虑,规范规定了各楼层水平地震力(de)最小值,该值如果不满足要求,则说明结构有可能出现比较明显(de)薄弱部位,必须进行调整.除以上计算分析以外,设计软件还会按照规范(de)要求对整体结构地震作用进行调整,如最小地震剪力调整、特殊结构地震作用下内力调整、调整、强柱弱梁与强剪弱弯调整等等,因程序可以完成这些调整,就不再详述了.3 对单构件作优化设计前几步主要是对结构整体合理性(de)计算和调整,这一步则主要进行结构单个构件内力和配筋计算,包括梁,柱,剪力墙轴压比计算,构件截面优化设计等.(1)软件对混凝土梁计算显示超筋信息有以下情况:1)当梁(de)弯矩设计值M大于梁(de)极限承载弯矩Mu时,提示超筋;2)规范对混凝土受压区高度限制:四级及非抗震:ξ≤ξb二、三级:ξ≤(计算时取AS ’= AS )一级:ξ≤(计算时取A S ’= AS )当ξ不满足以上要求时,程序提示超筋;3)抗震规范要求梁端纵向受拉钢筋(de)最大配筋率%,当大于此值时,提示超筋;4)混凝土梁斜截面计算要满足最小截面(de)要求,如不满足则提示超筋.(2)剪力墙超筋分三种情况:1)剪力墙暗柱超筋:软件给出(de)暗柱最大配筋率是按照4%控制(de),而各规范均要求剪力墙主筋(de)配筋面积以边缘构件方式给出,没有最大配筋率.所以程序给出(de)剪力墙超筋是警告信息,设计人员可以酌情考虑;2)剪力墙水平筋超筋则说明该结构抗剪不够,应予以调整;3)剪力墙连梁超筋大多数情况下是在水平地震力作用下抗剪不够.规范中规定允许对剪力墙连梁刚度进行折减,折减后(de)剪力墙连梁在地震作用下基本上都会出现塑性变形,即连梁开裂.设计人员在进行剪力墙连梁设计时,还应考虑其配筋是否满足正常状态下极限承载力(de)要求.(3)柱轴压比计算:柱轴压比(de)计算在高规和抗震规范中(de)规定并不完全一样,抗震规范第条规定,计算轴压比(de)柱轴力设计值既包括地震组合,也包括非地震组合,而高规第条规定,计算轴压比(de)柱轴力设计值仅考虑地震作用组合下(de)柱轴力.软件在计算柱轴压比时,当工程考虑地震作用,程序仅取地震作用组合下(de)(de)柱轴力设计值计算;当该工程不考虑地震作用时,程序才取非地震作用组合下(de)柱轴力设计值计算.因此设计人员会发现,对于同一个工程,计算地震力和不计算地震力其柱轴压比结果会不一样.(4)剪力墙轴压比计算:为了控制在地震力作用下结构(de)延性,新(de)高规和抗震规范对剪力墙均提出了轴压比(de)计算要求.需要指出(de)是,软件在计算断指剪力墙轴压比时,是按单向计算(de),这与高规中规定(de)短肢剪力墙轴压比按双向计算有所不同,设计人员可以酌情考虑.(5)构件截面优化设计:计算结构不超筋,并不表示构件初始设置(de)截面和形状合理,设计人员还应进行构件优化设计,使构件在保证受力要求(de)德条件下截面(de)大小和形状合理,并节省材料.但需要注意(de)是,在进行截面优化设计时,应以保证整体结构合理性为前提,因为构件截面(de)大小直接影响到结构(de)刚度,从而对整体结构(de)周期、位移、地震力等一系列参数产生影响,不可盲目减小构件截面尺寸,使结构整体安全性降低.4. 满足规范抗震措施(de)要求在施工图设计阶段,还必须满足规范规定(de)抗震措施要求.混凝土规范、高规和抗震规范对结构(de)构造提出了非常详尽(de)规定,这些措施是很多震害调查和抗震设计经验(de)总结,也是保证结构安全(de)最后一道防线,设计人员不可麻痹大意.(1)设计软件进行施工图配筋计算时,要求输入合理(de)归并系数、支座方式、钢筋选筋库等,如一次计算结果不满意,要进行多次试算和调整. (2)生成施工图以前,要认真输入出图参数,如梁柱钢筋最小直径、框架顶角处配筋方式、梁挑耳形式、柱纵筋搭接方式,箍筋形式,钢筋放大系数等,以便生成符合需要(de)施工图.软件可以根据允许裂缝宽度自动选筋,还可以考虑支座宽度对裂缝宽度(de)影响.(3)施工图生成以后,设计人员还应仔细验证各特殊或薄弱部位构件(de)最小纵筋直径、最小配筋率、最小配箍率、箍筋加密区长度、钢筋搭接锚固长度、配筋方式等是否满足规范规定(de)抗震措施要求.规范这一部分(de)要求往往是以黑体字写出,属于强制执行条文,万万不可以掉以轻心. (4)最后设计人员还应根据工程(de)实际情况,对计算机生成(de)配筋结果作合理性审核,如钢筋排数、直径、架构等,如不符合工程需要或不便于施工,还要做最后(de)调整计算.。
建筑结构设计规范新的建筑结构设计规范在结构可靠度、设计计算、配筋构造方面均有重大更新和补充,特别是对抗震及结构的整体性,规则性作出了更高的要求,使结构设计不可能一次完成.如何正确运用设计软件进行结构设计计算,以满足新规范的要求,是每个设计人员都非常关心的问题.以SATWE软件为例,进行结构设计计算步骤的讨论,对一个典型工程而言,使用结构软件进行结构计算分四步较为科学。
1.完成整体参数的正确设定计算开始以前,设计人员首先要根据新规范的具体规定和软件手册对参数意义的描述,以及工程的实际情况,对软件初始参数和特殊构件进行正确设置。
但有几个参数是关系到整体计算结果的,必须首先确定其合理取值,才能保证后续计算结果的正确性.这些参数包括振型组合数、最大地震力作用方向和结构基本周期等,在计算前很难估计,需要经过试算才能得到.(1)振型组合数是软件在做抗震计算时考虑振型的数量。
该值取值太小不能正确反映模型应当考虑的振型数量,使计算结果失真;取值太大,不仅浪费时间,还可能使计算结果发生畸变.《高层建筑混凝土结构技术规程》5.1。
13-2条规定,抗震计算时,宜考虑平扭藕联计算结构的扭转效应,振型数不宜小于15,对多塔结构的振型数不应小于塔楼的9倍,且计算振型数应使振型参与质量不小于总质量的90%.一般而言,振型数的多少于结构层数及结构自由度有关,当结构层数较多或结构层刚度突变较大时,振型数应当取得多些,如有弹性节点、多塔楼、转换层等结构形式.振型组合数是否取值合理,可以看软件计算书中的x,y 向的有效质量系数是否大于0。
9。
具体操作是,首先根据工程实际情况及设计经验预设一个振型数计算后考察有效质量系数是否大于0。
9,若小于0.9,可逐步加大振型个数,直到x,y两个方向的有效质量系数都大于0.9为止。
必须指出的是,结构的振型组合数并不是越大越好,其最大值不能超过结构得总自由度数。
例如对采用刚性板假定得单塔结构,考虑扭转藕联作用时,其振型不得超过结构层数的3倍。
建筑结构设计规范新的建筑结构设计规范在结构可靠度、设计计算、配筋构造方面均有重大更新和补充,特别是对抗震及结构的整体性,规则性作出了更高的要求,使结构设计不可能一次完成。
如何正确运用设计软件进行结构设计计算,以满足新规范的要求,是每个设计人员都非常关心的问题。
以SATWE软件为例,进行结构设计计算步骤的讨论,对一个典型工程而言,使用结构软件进行结构计算分四步较为科学。
1.完成整体参数的正确设定计算开始以前,设计人员首先要根据新规范的具体规定和软件手册对参数意义的描述,以及工程的实际情况,对软件初始参数和特殊构件进行正确设置。
但有几个参数是关系到整体计算结果的,必须首先确定其合理取值,才能保证后续计算结果的正确性。
这些参数包括振型组合数、最大地震力作用方向和结构基本周期等,在计算前很难估计,需要经过试算才能得到。
(1)振型组合数是软件在做抗震计算时考虑振型的数量。
该值取值太小不能正确反映模型应当考虑的振型数量,使计算结果失真;取值太大,不仅浪费时间,还可能使计算结果发生畸变。
《高层建筑混凝土结构技术规程》5.1.13-2条规定,抗震计算时,宜考虑平扭藕联计算结构的扭转效应,振型数不宜小于15,对多塔结构的振型数不应小于塔楼的9倍,且计算振型数应使振型参与质量不小于总质量的90%。
一般而言,振型数的多少于结构层数及结构自由度有关,当结构层数较多或结构层刚度突变较大时,振型数应当取得多些,如有弹性节点、多塔楼、转换层等结构形式。
振型组合数是否取值合理,可以看软件计算书中的x,y向的有效质量系数是否大于0.9。
具体操作是,首先根据工程实际情况及设计经验预设一个振型数计算后考察有效质量系数是否大于0.9,若小于0.9,可逐步加大振型个数,直到x,y两个方向的有效质量系数都大于0.9为止。
必须指出的是,结构的振型组合数并不是越大越好,其最大值不能超过结构得总自由度数。
例如对采用刚性板假定得单塔结构,考虑扭转藕联作用时,其振型不得超过结构层数的3倍。
结构公差设计规范
_V01.0
-CAL-FENGHAI-(2020YEAR-YICAI)_JINGBIAN
目录
(一)概述
1.机械制图选择公差范围
2.公差数值选择的基本原则
3.公差的设定需要满足的要求
(二)公差分析技术
1.极值法
2.方和根法
3.蒙特卡洛模拟法
(三)公差等级
1.等级划分
2.公差等级表
3.选择原则
4.自由公差的概念
1) 基本定义
2)适用范围
(四)GB-T 5847-2004尺寸链计算方法
(五)尺寸链设计计算表
(一)概述
1.机械制图选择公差范围:其实质是在机械设计过程中对公称尺寸的加工精度进行约
束和限制。
公差是机械设计工作的核心内容之一,公差范围选择的不同直接会导致
机械设计的成与败。
但是公差范围选择对于任何一个机械产品的设计都无现成的标
准可供参考,只有设计人员依据公差数值选择基本原则和经验,对照已有成功产品
的公差为参照,选择相应的公差进行设计,并通过不断的试验,使公差带的选择符
合设计要求和生产需要。
2.公差数值选择的基本原则是:应使机器零件制造成本和使用价值的综合经济效果最
好,一般配合尺寸用IT5~IT13,特别精密零件的配合用IT2~IT5,非配合尺寸用
IT12~IT18,原材料配合用IT8~IT14。
3.公差的设定需要满足以下要求:
1).满足产品的制造能力,如果产品的制造能力达不到公差设定的要求,公差设定得再高也没有意义;
2).通过公差分析,设定的公差应当满足产品的装配、功能、外观和质量等要求;
3).公差与产品的成本相关,公差越严格,产品成本就越大,在满足以上要求的前提下,公差越宽松越好;
4).合理设计产品特征,可以以较宽松的要求设定公差,从而降低产品成本。
公差分析是指在满足产品功能、性能、外观和可装配性等要求的前提下,合理地定义和分配零件和产品的公差,优化产品设计,从而以最小的成本和最高的质量制造产品。
公差分析是面向制造和装配的产品设计中非常重要的一个环节,对于降低产品成本、提高产品质量具有重大影响。
(二)公差分析技术
公差分析也叫做公差的验证,就是指已知各零件的尺寸和公差,确定最终装配后需保证的封闭环的公差。
在公差分析的过程中,如果最终计算结果达不到设计要求,需调整各零件公差或优化尺寸链环。
现在被广泛运用的公差分析方法可以分为如下三种:极值法(Worst Case,WS)、方和根法(Root Sum Squared,RSS)以及蒙特卡洛模拟法(Monte Carlo Simulation)。
有如下三种方法:
1.极值法
2.方和根法
3.蒙特卡洛模拟法
1.极值法
极值法:极值法极值分析方法是目前应用范围最广泛且最易于理解的方法,大多数的设计都基于这个概念。
这种方法简便易行,假定加工出的零件尺寸都处于极值情况,零部件都设计为名义值,然后按照这样一种方法分配公差:公差完全向一个或另一个方向积累,装配仍能满足产品的功能要求,极值法建立在零件100%互换基础上,为保证装配尺寸上不干涉,必须根据技术要求确定最大、最小标准装配间隙(R 、Q).据此就可以定义最大、最小WC装配间隙.
极值法的计算方法:封闭环的最大极限尺寸为当所有增环均为最大极限尺寸且所有减环均为最小极限尺寸时获得;最小极限尺寸为当所有增环均为最小极限尺寸且所有减环均为最大极限尺寸时获得,即:假定各零件的尺寸同时处于极限值。
但在实际生产中,如果组成环中涉及二维或三维几何特征装配或由于零件刚度不足导致的变形时,装配函数通常会表现为非线性,影响最终计算结果。
在目前的公差分析理论中,极值法计算量小,理论简单。
极值法公式:
Twc=T1+T2+......+Tn
Twc=T1+T2+......+Tn
2.方和根法
方和根法:指输出响应的方差是其影响因素方差之和。
大多数的机械零件在它们的公差限范围内呈正态概率分布,单个零件的分布可以合并成一个正态分布,以一定的置信水平为依据(通常假定各组成环以及封闭环公差服从正态分布,且装配函数为线性关系,取置信水平P=99.73%,不要求100%互换),只要求大数互换,可以得到更接近于实际生产的装配公差值,且允许零件有较宽的公差带。
例如自动机床批量加工零件时,在机床、夹具与刀具处于稳定状态时,则该批工件的尺寸的分布趋十正态分布。
当组成环的分布不能确定时,根据中心极限定理,随着组成环数的增多,封闭环的分布迅速地近似于正态分布,而与组成环的分布无关。
由于方和根法是假定制造变量服从正态分布,但未考虑实际生产因素的影响。
实际生产中会有许多原因(焊接的方式方法、装配手法以及工装磨损等)都会使零件的均值发生移动。
因此,其计算结果在影响因素较多且装配函数为非线性的情况下往往与实际情况不相符。
方和根法是根据数理原理进行公差分析,数据会有一定失真,但符合制造质量和成本的均衡原则(Trss <
Twc)。
方和根法公式:
Trss=(√T21+T22+......+T2n)
Trss=(T12+T22+......+Tn2)
——采用方和根法需要满足一些附加条件:
1. 假设样品数据是大部分聚集在中心值附近,并呈正态分布;
2. 所有公差都是依据相同的质量标准,例如3σ or 4σ
补充说明,如果各子公差有不同的质量标准:
Tr=σr∗(√(T1/σ1)2+(T2/σ2)2+......+(Tn/σn)2Tr=σr∗
((T1/σ1)2+(T2/σ2)2+......+(Tn/σn)2
3. 公差都有对称公差;
4. 一般尺寸链尺寸3个及3个一下采用WC,4个以上采用RSS
3.蒙特卡洛模拟法
蒙特卡洛算法的基本思想为:当所求解问题是某种随机事件出现的概率,或者是某个随机变量的期望值时,通过某种“实验”的方法,以这种事件出现的频率估计这一随机事件的概率,或者得到这个随机变量的某些数字特征,并将其作为问题的解。
蒙特卡洛模拟法已被广泛应用于商业软件包中,比如:VSA、3DCS等。
但该方法也有以下缺陷:(1)为了保证计算的正确性,需要对大量的统计样本(至少2000)进行多次重复运算;(2)尺寸公差分析时,建模复杂且耗费时问;(3)如果装配函数中各分量的均值或方差发生改变,需重新进行运算。
(三)公差等级
公差等级是指确定尺寸精确程度的等级,国标规定分为20个等级,从IT01、IT0、IT1、IT2~IT18, 数字越大,公差等级(加工精度)越低,尺寸允许的变动范围(公差数值)越大,加工难度越小。
1.等级划分
2.公差等级表
3.选择原则
4.自由公差的概念
1) 基本定义
修定后国标(GB)1800-79中,标准公差分20级。
即;IT01、IT0、IT1至IT18。
IT表示标准公差,
公差等级的代号用阿拉伯数字表示,从IT01至IT18等级依次降低。
并制定(GB)1804-79未注公差尺寸的极限偏差,规定有三条:
①规定的极限偏差适用于金属切削加工的尺寸,也可用于非切削加工的尺寸,
②图样上未注公差尺寸的偏差,按本标准规定的系列,由相应的技术文件作出具体规定。
③未注公差尺寸的公差等级规定为IT12至IT18。
一般孔用H(+);轴用h(-);长度用(±)IT (即Js或js)。
必要时,可不分孔、轴或长度,均采用IT(即Js或js)。
根据国际标准ISO2768,以下为线性尺寸未注公差的公差表。
这个未注公差适用于金属切削加工的尺寸,也适用于一般的冲压加工尺
寸。
2)适用范围
这些极限偏差适用于:
(1)线性尺寸:例如外尺寸、内尺寸、阶梯尺寸、直径、半径、距离、倒圆半径和倒角高度;
(2)角度尺寸:包括通常不标出角度值的角度尺寸,例如直角(90°);机加工组装件的线性和角度尺寸。
这些极限偏差不适用于以下情况:
(1)已有其他一般公差标准规定的线性和角度尺寸;
(2)括号内的参考尺寸及或标注Ref的尺寸。
(四)GB-T 5847-2004尺寸链计算方法
GB-T
5847-2004尺寸链 计算
(五)尺寸链设计计算表
尺寸链设计计算表
.xls。