全站仪测角、测距记录表1.2.3表平均值
- 格式:xls
- 大小:62.50 KB
- 文档页数:2
建筑工程测量全站仪的测角原理及构造一、全站仪简介全站仪是集测角、测距、自动记录于一体的仪器。
它由光电测距仪、电子经纬仪、数据自动记录装置三大部分组成。
数据自动记录系统也称电子手簿,是为测量专门设计的野外小型数据存储设备。
目前,数据自动记录系统有输入输出接口,能迅速进行野外观测数据采集,并能与计算机、打印机、绘图仪等外围设备相连接,进行数据的自动化传输、处理、成果打印及绘图,从而实现了测量过程的自动化。
二、全站仪测角原理图1 全站仪内部构造模型图全站仪安装有带刻度的水平度盘和竖直度盘,通过操作,可以使仪器中心与待测角顶点位于同一铅垂线上,可以使水平度盘严格水平,竖直度盘严格铅垂;全站仪的望远镜,不仅能在水平方向左、右旋转,而且能在竖直方向上、下旋转,以便照准不同方向、不同高度的目标;通过显示屏,即可显示出望远镜瞄准不同目标时,水平度盘和竖直度盘的不同读数;利用角度测量原理,即可计算出水平角和竖直角。
三、全站仪的构造图2 全站仪各部件名称全站仪各部件名称与操作板面如图2和图3所示。
图3 全站仪的操作板面四、全站仪的附助设备采用全站仪进行测量工作,必须依靠必要的辅助设备。
常用的辅助设备有三脚架、反射棱镜或反射片、管式罗盘、温度计、气压表、数据通信电缆、阳光滤色镜以及电池及充电器等。
1.三脚架:在测站上用于架设仪器。
2.反射棱镜或反射片:测量时立于测站点上,作为观测的照准目标。
棱镜可以安置在三脚架上也可以安置在棱镜脚架上。
反射棱镜有单棱镜、三棱镜、九棱镜等不同种类,棱镜数量不同,测程也不同,选用多棱镜可使测程达到较大的数值。
反射棱镜一般都有一个固定的棱镜常数,将它和不同的全站仪进行配套使用时,必须在全站仪中对棱镜的棱镜常数进行设置。
3.管式罗盘:供全站仪望远镜照准磁北方向,使用时,将其插入仪器提柄上的管式罗盘插口,松开指针的制动螺旋,旋转全站仪照准部,使罗盘指针平分指标线,此时望远镜即指向磁北方向。
4.温度计和气压表:用于仪器参数设置,测量时用温度计和气压表测定工作现场的温度和气压,并进行设置。
全站仪测角度步骤详细全站仪具有角测量、距离(斜距、平距、高差)测量、三维坐标测量、导线测量、交会定点测量和放样测量等多种用途。
内置专用软件后,功能还可进一步拓展。
全站仪的基本操作与使用方法:1)水平角测量(1)按角度测量键,使全站仪处于角度测量模式,照准第一个目标A。
(2)设置A方向的水平度盘读数为0°00/00〃。
(3)照准第二个目标B,此时显示的水平度盘读数即为两方向间的水平夹角。
2)距离测量(1)设置棱镜常数测距前须将棱镜常数输入仪器中,仪器会自动对所测距离进行改正。
(2)设置大气改正值或气温、气压值光在大气中的传播速度会随大气的温度和气压而变化,15°C和760mmHg是仪器设置的一个标准值,此时的大气改正为0ppm。
实测时,可输入温度和气压值,全站仪会自动计算大气改正值(也可直接输入大气改正值),并对测距结果进行改正。
(4)距离测量照准目标棱镜中心,按测距键,距离测量开始,测距完成时显示斜距、平距、高差。
全站仪的测距模式有精测模式、跟踪模式、粗测模式三种。
精测模式是最常用的测距模式,测量时间约2.5S,最小显示单位1mm;跟踪模式,常用于跟踪移动目标或放样时连续测距,最小显示一般为1cm,每次测距时间约0.3S;粗测模式,测量时间约0.7S,最小显示单位1cm或1mm。
在距离测量或坐标测量时,可按测距模式(MODE)键选择不同的测距模式。
应注意,有些型号的全站仪在距离测量时不能设定仪器高和棱镜高,显示的高差值是全站仪横轴中心与棱镜中心的高差。
3)坐标测量(1)设定测站点的三维坐标。
(2)设定后视点的坐标或设定后视方向的水平度盘读数为其方位角。
当设定后视点的坐标时,全站仪会自动计算后视方向的方位角,并设定后视方向的水平度盘读数为其方位角。
(3)设置棱镜常数。
(4)设置大气改正值或气温、气压值。
(6)照准目标棱镜,按坐标测量键,全站仪开始测距并计算显示测点的三维坐标。
全站仪的数据通讯全站仪的的数据通讯是指全站仪与电子计算机之间进行的双向数据交换。
竭诚为您提供优质文档/双击可除全站仪的认识和使用实验报告篇一:全站仪的认识与使用实验报告全站仪的认识与使用实验报告1.实验时间:指导老师:分组号及成员:实验地点:2.实验目的:3.实验仪器及工具:4.实验任务及要求:5.实验步骤:6.实验数据记录及计算:全站仪测量记录表组别:仪器号码:年月日7.实验结果分析:8.实验总结:教师评价:篇二:全站仪操作与认识实验《数字测图原理与方法》课程实验指导书孟祥来编适用专业:地理信息与遥感黑龙江工程学院·测绘工程学院年月实验—全站仪的认识及使用一、实验目的(1)了解全站仪的基本构造及性能,熟悉各操作键的名称及其功能,并熟悉使用方法。
(2)掌握全站仪的安置方法和角度测量、距离测量与坐标测量的基本使用方法。
二、实验组织(1)性质:基础性实验。
(2)时数:课内1学时,课外1学时。
(3)组织:4人1组。
三、实验设备(1)每组5??级全站仪1套(含脚架1个、目标杆1根,棱镜与觇牌1套),记录本自带。
(2)自备:铅笔。
四、实验方法及步骤1.全站仪的构造(1)通过教师讲解和全站仪使用说明书,了解全站仪的基本结构及各操作部件的名称和作用。
(2)了解全站仪键盘上各按键的名称及其功能、显示符号的含义并熟悉角度测量、距离测量和坐标测量模式间的切换。
图1-1全站仪及棱镜2.全站仪测量(1)在小键盘上选择角度测量模式键,切换到角度测量模式,读出水平角、竖直角。
(2)在小键盘上选择距离测量模式键,切换到距离测量模式,读出斜距、平距、高差。
(3)在小键盘上选择坐标测量模式键,进入坐标测量模式,设置测站点坐标、定向,测量未知点坐标。
五、注意事项(1)全站仪使用时必须严格遵守操作规程,爱护仪器。
(2)仪器对中完成后,应检查连接螺旋是否使仪器与脚架牢固连接,以防仪器摔落。
(3)在阳光下使用全站仪测量时,一定要撑伞遮掩仪器,严禁用望远镜正对阳光。
(4)当电池电量不足时,应立即结束操作,更换电池。
全站仪的基本组成全站仪,即全站型电子速测仪,是由电子测角、电子测距、电子计算和数据存储单元等组成的三维坐标测量系统,测量结果能自动显示,并能与外转设备交换住处的多功能测量仪器。
由于全站型电子速测仪较完善地实现了测量和处理过程的电子化和一体化,所以人们也通常称之为全站型电子速测仪或简称全站仪。
从总体上看,全站仪有下列两大部分组成:(1)为采集数据而设置的专用设备:主要有电子测角系统,电子测距系统,数据存储系统,还有自动补偿设备等。
(2)过程控制机:主要用于有序地实现上述每一专用设备的功能。
过程控制机包括与测量数据相联接的外转设备及进行计算、产生指令的微处理机。
3、全站仪保管的注意事项3.1仪器的保管由专人负责,每天现场使用完毕带回办公室;不得放在现场工具箱内。
3.2 仪器箱内应保持干燥,要防潮防水并及时更换干燥剂。
仪器必须放置专门架上或固定位置。
3.3 仪器长期不用时,应以一月左右定期取出通风防霉并通电驱潮,以保持仪器良好的工作状态。
3.4 仪器放置要整齐,不得倒置。
4、使用时应注意事项:4.1 开工前应检查仪器箱背带及提手是否牢固。
4.2 开箱后提取仪器前,要看准仪器在箱内放置的方式和位置,装卸仪器时,必须握住提手,将仪器从仪器箱取出或装入仪器箱时,请握住仪器提手和底座,不可握住显示单元的下部。
切不可拿仪器的镜筒,否则会影响内部固定部件,从而降低仪器的精度。
应握住仪器的基座部分,或双手握住望远镜支架的下部。
仪器用毕,先盖上物镜罩,并擦去表面的灰尘。
装箱时各部位要放置妥帖,合上箱盖时应无障碍。
4.3 在太阳光照射下观测仪器,应给仪器打伞,并带上遮阳罩,以免影响观测精度。
在杂乱环境下测量,仪器要有专人守护。
当仪器架设在光滑的表面时,要用细绳(或细铅丝)将三脚架三个脚联起来,以防滑倒。
4.4当架设仪器在三脚架上时,尽可能用木制三脚架,因为使用金属三脚架可能会产生振动,从而影响测量精度。
4.5 当测站之间距离较远,搬站时应将仪器卸下,装箱后背着走。
全站仪角度测量实验报告全站仪角度测量实验报告1大学物理实验是物理学习的基础。
在这一年的大学物理实验的学习让我学会了很多。
在大学物理实验课即将结束之时,我对在这一年来的学习进行了总结。
大学物理实验课的学习,让我收获多多。
但在这中间,我也发现了我存在的很多不足。
我的动手能力还不够强,当有些实验需要很强的动手能力时我还不能从容应对;我的探索方式还有待改善,当面对一些复杂的实验时我还不能很快很好的完成;我的数据处理能力还得提高,当眼前摆着一大堆复杂数据时我处理的方式及能力还不足,不能用最佳的处理手段使实验误差减小到最小程度…但是通过学习也改变了自己很多实验的很多矛盾,以下是我学习和实验的一些方法吧!!老师要求我们提前实验预习。
估计是为了在规定的时间内快速高效率地完成实验,达到良好的实验效果,所以需要认真地预习。
首先是根据实验题目复习所学习的相关理论知识,并根据实验教材的相关内容,弄清楚实验的总体过程,了解实验目的,基本原理,仪器的正确操作步骤,特别是要注意那些可能对仪器造成损坏的事项。
然后写预习报告,包括目的,原理,仪器,操作步骤,数据表格等。
这里应注意,数据表格与操作步骤密切相关,数据表格的排列顺序应与操作步骤的顺序相一致。
这样可以随时观察和分析数据的规律性。
开始我们不注意预习报告里的数据表格,将数据随便记录,结果整理数据时出现混乱和错误,尤其是数据比较多的时候。
对于不明白的问题或实验原理中一些不明白的地方,可以在课堂上问老师,只有把实验中所有的地方都弄通弄透彻,才能把实验做的更好。
实验教会了我们要养成良好的科学的实验习惯。
我们做实验是在双周周周一的下午,首先实验辅导老师会对实验进行讲解,老师的讲解很重要,一定要认真地听。
因为老师会讲一些实验中可能会出现的问题及注意事项,这会帮我们解决很多麻烦,可以避免很多错误。
老实讲解完实验有关的事情后,还会给我们再详细的对实验仪器的使用进行讲解,在对基本实验的装置了解之后,我们对自己动手实验就不会有一种很陌生的感觉了,这一点对我们来说很有利,我们可以很投入和很成功的'完成实验。
全站仪测角精度分析作者:风流无情*易言*刘清利让许多测量初学者头痛的并不是测量如何进行,仪器如何操作的问题,其关键在于测角、测边的各种限差如何得知,不同的仪器其2C、上下半测回角之差限值、测回间角值较差限差如何确定的问题。
此文只就仪器精度进行分析。
全站仪精度为2’’是指一测回水平方向中误差不大于2’’。
而一测回水平方向是指盘左盘右方向值的平均值,即:一测回方向=盘左方向值+(盘右方向值±180°)2一、半测回归零差限差:设一测回方向中误差为m=±2’’,则盘左方向中误差=盘右方向方中误差=2√2’’由于半测回归零差=盘左方向值-(盘右方向值±180°)则半测回归零差方向值中=√2*2√2=4’’.2C限值取中误差的2倍,即2C=8’’二、一测回角值中误差及测回间角值较差的限差:一测回角值为两个方向值之差,所以,一测回角值中误差为mβ=m√2=2√2’’,用测回法测量水平角两个测回,两测回间角值较差方中误差是一测回角值中误差的√倍,即m∆=√β=4’’,取两倍中误差为限差,则测回间角值差的容许误差为2m∆=8’’三、半测回角值的中误差及上下半测回角值之差限差:一测回的角值是上下半测回角值平均值,故半测回角值中误差为:m=√2mβ=4’’,则上下半测回角值之差限差为半m∆=m半√2=4√2’’=5.6’’,取中误差的2倍为容许误差,故容许误差为11.2’’四、上边一二三部中对应的函数式如下:1.一测回方向=盘左方向值+(盘右方向值±180°)22.2C=盘左方向值-(盘右方向值±180°)3.一测回角值=(一测回方向)后-(一测回方向)前4.测回间角值较差=一测回角值-另一测回角值5.一测回角值=上半测回角值+下半测回角值26.上下半测回角值较差=上半测回角值-下半测回角值五、常用函数中误差公式:。
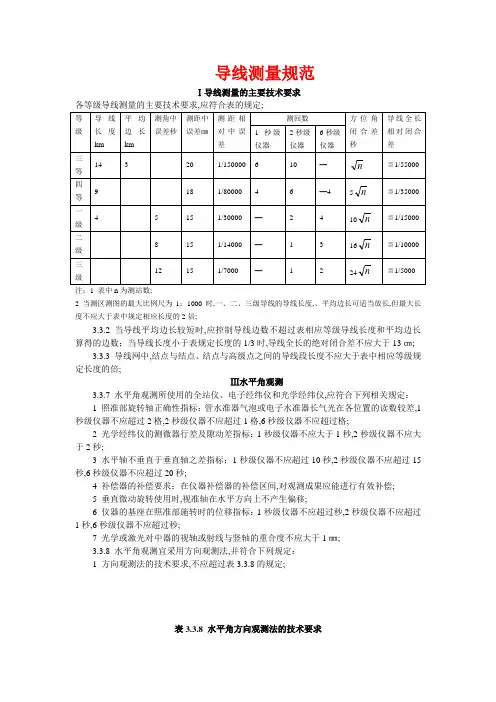
导线测量规范Ⅰ导线测量的主要技术要求各等级导线测量的主要技术要求,应符合表的规定;注:1 表中n为测站数;2 当测区测图的最大比例尺为1:1000时,一、二、三级导线的导线长度,、平均边长可适当放长,但最大长度不应大于表中规定相应长度的2倍;3.3.2 当导线平均边长较短时,应控制导线边数不超过表相应等级导线长度和平均边长算得的边数;当导线长度小于表规定长度的1/3时,导线全长的绝对闭合差不应大于13㎝;3.3.3 导线网中,结点与结点、结点与高级点之间的导线段长度不应大于表中相应等级规定长度的倍;Ⅲ水平角观测3.3.7 水平角观测所使用的全站仪、电子经纬仪和光学经纬仪,应符合下列相关规定:1 照准部旋转轴正确性指标:管水准器气泡或电子水准器长气光在各位置的读数较差,1秒级仪器不应超过2格,2秒级仪器不应超过1格,6秒级仪器不应超过格;2 光学经纬仪的测微器行差及隙动差指标:1秒级仪器不应大于1秒,2秒级仪器不应大于2秒;3 水平轴不垂直于垂直轴之差指标;1秒级仪器不应超过10秒,2秒级仪器不应超过15秒,6秒级仪器不应超过20秒;4 补偿器的补偿要求:在仪器补偿器的补偿区间,对观测成果应能进行有效补偿;5 垂直微动旋转使用时,视准轴在水平方向上不产生偏移;6 仪器的基座在照准部施转时的位移指标:1秒级仪器不应超过秒,2秒级仪器不应超过1秒,6秒级仪器不应超过秒;7 光学或激光对中器的视轴或射线与竖轴的重合度不应大于1㎜;3.3.8 水平角观测宜采用方向观测法,并符合下列规定:1 方向观测法的技术要求,不应超过表3.3.8的规定;表3.3.8 水平角方向观测法的技术要求注;1 全站仪、电子经纬仪水平角观测时不受光学测微器两次重合读数之差指标的限制;2 当观测方向的垂直角超过±30的范围时,该方向2C互差可按相邻测回同方向进行比较,其值应满足表中一测回内2C互差的限值;2 当观测方向不多于3个时,可不归零;3 当观测方向多于6个时,可进行分组观测;分组观测应包括两个共同方向其中一个为共同零方向;其两组观测角之差,不应大于同等级测角中误差的2倍;分组观测的最后结果,应按等权分组观测进行测站平差;4 各测回间应配置度盘;度盘配置应符合附录C的规定;5 水平角的观测值应取各测回的平均数作为测站成果;3.3.9 三、四等导线的水平角观测,当测站只有两个方向时,应在观测总测回中以奇数测回的度盘位置观测导线前进方向的左角,以偶数测回的度盘位置观测导线前进方向右角;左右角的测回数为总测回数的一半;但在观测右角时,应以左角起始方向为准变换度盘位置,也可用起始方向的度盘位置加上左角的概值在前进方向配置度盘;左角平均值与右角平均值之和与3600之差,不应大于本规范表3.3.1中相应等级导线测角中误差的2倍;3.3.10 水平角观测的测站作业,应符合下列规定:1 仪器或反光镜的对中误差不应大于2mm;2 水平角观测过程中,气泡中心位置偏离整置中心不宜超过1格;四等及以上等级的水平角观测,当观测方向的垂直角超过±30的范围时,宜在测回间重新整置气泡位置;有垂直轴补偿器的仪器,可不受此款限制;3 如受外界因素如地震的影响,仪器的补偿器无法正常工作或超出补偿器的补偿范围时,应停止观测;4 当测站或照准目标偏心时,应在水平角观测前或观测后测定归心元素;测定时,投影示误三角形的最长边,对于标石、`仪器中心的`投影不应大于5mm,对于照准标志中心的投影不应大于10mm;投影完毕后,除标石外,其他各投影中心均应描绘两个观测方向;角度元素应量至15秒,长度元素应量至1mm;3.3.11 水平角观测误差超限时,应在原来度盘位置上重测,并应符合下列规定:1 一测回内2C互差或同一方向值各测回较差超限时,应重测超限方向,并联测零方向;2 下半测回归零差或零方向的2C互差超限时,应重测该测回;3 若一测回中重测方向数超过总方向数的1/3时,应重测该测回;当重测的测回数超过总测回数的1/3时,应重测该站;3.3.12 首级控制网所联测的已知方向的水平角观测,应按首级网相应等级的规定执行;3.3.13 每日观测结束,应对外业记录手簿进行检查,当使用电子记录时,应保存原始观测数据,打印输出相关数据和预先设置的各项限差;Ⅳ距离测量3.3.14 级及以上等级控制网的边工,应采用中、短程全站仪或电磁波测距仪测距,一组以下也可采用普通钢尺量距;3.3.15 本规范对中、短程测距仪器的划分,短程为3km以下,中程为3~15km;3.3.16 测距仪器的标称精度,按式表示;m D = a+b×D 3.3.16式中,m D—测距中误差㎜a—标称精度中的固定误差㎜b—标称精度中的比例误差系数㎜/kmD—测距长度km3.3.17 测距仪器及相关的气象仪表,应及时校验;当在高海拔地区使用空盒气压表时,宜选当地气象台站校准;3.3.18 各等级控制网边长测距的主要技术要求,应符合表的规定;表3.3.18 测距的主要技术要求注;1 测回是指照准目标一次,读数2~4次的过程;2 困难情况下,边长测距可采取不同时间段测量代替往返观测;3.3.19 测距作业,应符合下列规定:1 测站对中误差不应大于2㎜;2 当观测数据超限时,应重测整个测回,如观测数据出现分群时,应分析原因,采取相应措施重新观测;3 四等及以上等级控制网的边长测量,应分别量取两端点观测始末的气象数据,计算时应取平均值;4 测量气象元素的温度计宜采用通风干湿温度计,气压表宜选用高原型空盒气压表;读数前应将温度计悬挂在离开地面和人体1.5m以外阳光不能直射的地方,且读数精确至0.2℃;气压表应置平,指针不应滞阻,且读数精确至50Pa;5 当测距边用电磁波测距三角高程测量方法测定的高差进行修正时,垂直角的观测和对向观测高差较差要求,可按本规范第4.3.2和和条中五等电磁波测距三角高程测量的有关规定放宽1倍执行;3.3.20 每日观测结束,应对外业记录进行检查;当使用电子记录时,应保存原始观测数据,打印输出相关数据和预先设置的各项限差;。
全站仪距离测量方案一、任务目的:学会全站仪的基本使用方法,会使用全站仪测量角度和距离二、任务要求:1、练习全站仪安装(对中、粗平及精平),瞄准与读数的方法。
2、用给定的2个点围绕第一教学楼测定其他点,点间距离及个角度数三、仪器工具:全站仪、纸、三脚架、笔和钉子、锤子、棱镜及脚架。
四、任务步骤:1、点的布置围绕一教布置八个点,分别以两个已知点和八个点作为测站点,分别测量个角度数及各点距离。
2、全站仪的安置:(1)在各点定一钉子(2)松开三脚架,安置于测站上,是高度适当,架头大致水平。
打开仪器箱,双手握住仪器支架,将仪器取出,置于架头上。
一手紧握支架,一手拧紧连接螺旋。
(3)对中平移三脚架,是螺旋大致对准测站点,并注意架头水平,拧紧三脚架。
稍松连接螺旋,两手扶住基座,在架头上平移仪器,通过目镜瞄准找准测站点,再拧紧连接旋钮。
(4)整平松开水平制动旋钮,转动照准部,使水准管平行于任意一对脚旋钮的连线,两手同时向内(或向外)转动这两只脚旋钮,使气泡居中。
降仪器绕竖轴转动90°,使水准管垂直于原来两脚旋钮的连线,转动第三只脚旋钮,使气泡居中。
如此反复调试,直到仪器转到任何方向,气泡中心不偏离水准管零点一个为止。
3、瞄准目标(1)将望远镜对向天空(或白色墙面),转动目镜使十字丝清晰。
(2)用望远镜上的瞄准器瞄准目标,再从望远镜中观看,若目标位于视场内,可固定望远镜制动旋钮和水平制旋钮。
(3)转动物镜对光旋钮使目标影像清晰,再调节望远镜和照准部微动旋钮,用十字丝的纵丝平分目标(或将目标夹在双丝中间);(4)眼睛微微左右移动,检查有无视差,若有,转动物镜对光旋钮予以消除。
盘左瞄准目标,读出水平度盘读数,纵转望远镜,盘右再瞄准该目标读数,两次读数之差约为180°,以此检核瞄准和读数是否正确。
4测距离瞄准棱镜同上五、整理数据计算结果(1)整理数据。
(2)计算角度。
(3)写报告。
距离测量认识、总结有了前两次水准仪和经纬仪的实训,这次全站仪的实训就没那么困难了。
全站仪角度测量实验报告全站仪角度测量实验报告1土木工程丈量作为专业的一项根本功,是我们学习土木专业学生必须很好把握的一项技能。
为了进步我们的测绘能力,能更好的把实践和理论联系起来,城市建设系为我们展开了为期两个星期的工程丈量实习。
我们的目的是小区域控制丈量,用到的仪器有经纬仪,水准仪,标尺,脚架等等,更感谢学校为了使我们能更方便的丈量,还为我们配备了先进的全站仪。
通过这次丈量,稳固和深入了在课堂上所学的理论知识,把握了各种仪器的操纵,并到达了一定的熟练程度。
作为一个户外的专业实习,我们有了经验,为我们将来步进社会做好了展垫,更重要的是它培养了我们一种精神,吃苦刻苦,独立自主,自己发现题目通过自己的努力往解决它,进步对繁琐数据的运算能力。
这些东西都是在平时课堂上所学不到的,但他又是那末根底,重要,由此我又不能不想起实践是检验真理的唯一标准这句话。
工程丈量,它是个复杂的工作,光靠一个人的气力是远远不够的,所以通过这次实习我彻完全底的明白了丈量她是一个团队的工作。
我们组共有7个组员,必须发挥每一个人的优点,才能使工作的效力最大化,我作为组长,要负责安排好每一个组员的任务,定好天天的工作的方案,还要保持和老师之间的联系。
我想每一个通过实习的同学都会在这点上有深入的印象。
我们这组人每天聚在一起,不同的意见,不同的做法,就会发生磕磕碰碰,闹的大家不愉快,但我们能够及时沟通了解,忘记不愉快,重新投进新的工作中。
学校安排我们实习的目的是为了让每一个学生都能用自己所学到的理论知识来实际操纵仪器,所以我们之间要相互学习,不懂的就问,决不是为了赶时间,赶进度。
不然就算了结束了实习,作业是完成了,但学校老师对我们的目的和期看却落在了过往的两个星期里了。
在丈量过程当中我们最大程度的做到了精确,每一个数据都经过检验,没有上一步的验证尽不做下一步。
举个简单的例子吧,每次仪器在丈量时都要经过对中整平,这个外表上看是一个简单的工作,但它必须做到精确精确再精确,只要不谨慎稍稍动一下仪器我们就要重新这一步工作,不然就会造成数据的误差,影响真个丈量结果。
1、概况京石高速铁路客运专线已经于2006年2月通过了国家发改委审批,建设总工期4年,预计2012年全线通车。
设有六个站,北京西—涿州—徐水—保定—定州—石家庄东。
设计时速350公里/小时。
全长281 公里。
本单位承包工程量8公里。
1、本工程收集到国家GPS点4个点作为本工程平面控制起算点。
2、本工程收集到Ⅲ等水准点15个,系珠基高程系成果,作为本工程高程控制起算点。
2、控制点交接桩概述2.1地形踏勘2.2控制桩情况:1完好控制桩占90%,2丟损控制桩占4%,松动控制桩占6%3、作业队伍情况为确保本次复测的准确性和高效性,我院派出精兵强将,由项目长亲自挂帅,由较强作业能力的工程技术人员5名,辅助技术员4名组成复测小组,从事复测工作;由10名技术人员进行地形测量工作,工程处长带队,工程师1名,技术员3名,技术熟练的辅助工12名从事外业测量和内业整理工作。
此次作业于2006年8月进驻测区,共投入人员68人,全站仪6台,汽车3部,计算机8台,绘图仪1台。
2004开思软件8套。
4、仪器设备全站仪:Leica (徕卡),角度测量精确度± 2″,距离测量精确度± 2mm +2ppm(已检核),基座(经检核所有基座都满足要求),气象表,温度计,脚架,棱镜,手持GPS5、规范5.1城市测量规范(C118/99)5.2工程测量规范(GB50026/93)6、技术要求6.1 一级导线测量的技术要求光电测距导线的主要技术要求应符合表一二三的规定。
表一,光电测距导线的水平角技术要求注:n为测站数。
表二,光电测距导线的竖直角技术要求表三,光电测距导线的测距技术要求6.2每条边量测测站一端的气象数据。
温度取位至0.5℃,气压取位至100pa或1mmHg(所使用的气象仪器应在检定的使用有效期内)。
导线边长应进行加常数、乘常数、气象、倾斜改正以及高程归化和投影改化等各项改正计算。
导线边长通过两点间高差进行倾斜改正,按“城市规范”第2.4.10和2.4.11条执行。