卫生器具及给水配件安装质量验收记录表
- 格式:doc
- 大小:41.00 KB
- 文档页数:2
《卫生器具安装检验批质量验收记录》表格示例及填写说明【规范名称及编号】《建筑给水排水及采暖工程质量验收规范》(GB 50242-2002)【条文摘录】7.1一般规定7.1.1本章适用于室内污水盆、洗涤盆、洗脸(手)盆、盥洗槽、浴盆、淋浴器、大便器、小便器、小便槽、大便冲洗槽、妇女卫生盆、化验盆、排水栓、地漏、加热器、煮沸消毒器和饮水器等卫生器具安装的质量检验与验收。
7.1.2卫生器具的安装应采用预埋螺栓或膨胀螺栓安装固定。
7.1.3卫生器具安装高度如设计无要求时,应符合表7.1.3的规定。
7.1.4卫生器具给水配件的安装高度,如设计无要求时,应符合表7.1.4的规定。
注:装设在幼儿园内的洗手盆、洗脸盆和盥洗槽水嘴中心离地面安装高度应为700mm,其他卫生器具给水配件的安装高度,应按卫生器具实际尺寸相应减少。
7.2卫生器具安装主控项目7.2.1排水栓和地漏的安装应平正、牢固,低于排水表面,周边无渗漏。
地漏水封高度不得小于50mm。
检验方法:试水观察检查。
7.2.2卫生器具交工前应做满水和通水试验。
检验方法:满水后各连接件不渗不漏;通水试验给、排水畅通。
一般项目7.2.3卫生器具安装的允许偏差应符合表7.2.3 的规定。
7.2.4有饰面的浴盆,应留有通向浴盆排水口的检修门。
检验方法:观察检查。
7.2.5 小便槽冲洗管,应采用镀锌钢管或硬质塑料管。
冲洗孔应斜向下方安装,冲洗水流同墙面成45°角。
镀锌钢管钻孔后应进行二次镀锌。
检验方法:观察检查。
7.2.6 卫生器具的支、托架必须防腐良好,安装平整、牢固,与器具接触紧密、平稳。
检验方法:观察和手扳检查。
室内给水管道及配件安装检验批质量验收记录1.前言根据《建设工程质量管理条例》,经项目部和施工单位的现场检查和评估,确认室内给水管道及配件安装工程基本完成,现组织进行质量验收。
本文档记录了工程的质量验收情况。
2.验收内容本次质量验收主要内容包括:(1)室内给水管道及配件的安装是否符合设计要求;(2)管道材质和配件的材料是否符合规范要求;(3)管道的施工质量和工艺是否符合标准要求;(4)管道安装和固定是否牢固可靠;(5)管道的防腐和防水工程是否完成;(6)阀门、支架、法兰接头等配件的安装情况;(7)施工过程中是否存在违规操作和质量隐患。
3.质量验收结果和问题记录(1)管道安装质量:管道的安装质量整体较好,对接部位焊缝牢固,没有渗漏现象。
部分焊接点的外观焊渣未清理干净。
问题记录:需要对焊接点进行清理。
(2)材料质量:管道和配件的材质符合设计要求,IPX4级防水类PVC管材使用符合要求。
问题记录:无。
(3)水表安装质量:水表与管道接口连接紧密,表盘读数清晰。
问题记录:无。
(4)阀门和支架安装:阀门安装牢固可靠,开启和关闭操作顺畅。
支架安装牢固,与墙面间保持适当距离。
问题记录:无。
(5)防腐和防水工程:防腐和防水工程进行了涂刷处理,无渗漏现象。
问题记录:无。
4.质量验收结论根据以上质量验收结果和问题记录,室内给水管道及配件安装工程基本符合设计要求和规范要求,通过了质量验收。
该工程的安装质量较好,达到预期效果。
5.后续工作及保修管理根据施工单位承诺,对质量验收中存在的问题进行整改,确保问题得到解决,并按照合同约定提供一定的保修服务。
6.附录(1)安装过程中的照片记录;(2)相关检测报告及证书的复印件;(3)其他补充材料。
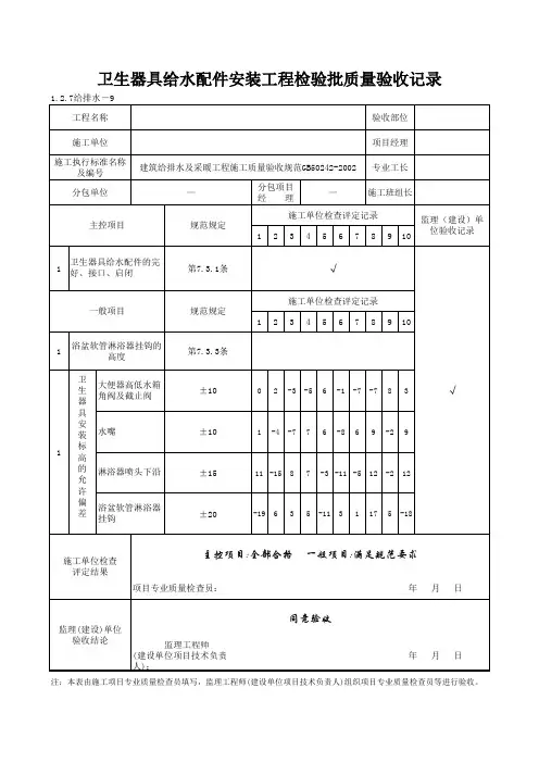
123456789101第7.3.1条12345678910
1第7.3.3条±105-35-95-36829±104-453-9-93-1-56±151341010-8-11-12-7-6±2012-919111251219-14
建筑给排水及采暖工程施工质量验收规范GB50242-2002—专业工长施工单位检查评定记录√
施工执行标准名称
及编号
分包单位主控项目。
卫生器具给水配件的完
好、接口、启闭施工单位检查评定记录
—施工班组长
年 月 日监理(建设)单
位验收记录规范规定
规范规定
分包项目
经 理一般项目1施工单位检查
评定结果浴盆软管淋浴器挂钩的
高度
卫 生 器
具
安
装 标
高
的 允
许
偏 差 大便器高低水箱角阀及截止阀水嘴
淋浴器喷头下沿浴盆软管淋浴器挂钩监理(建设)单位
验收结论同意验收
监理工程师
(建设单位项目技术负责
人):年 月 日
主控项目:全部合格 一般项目:满足规范要求
项目专业质量检查员:√卫生器具给水配件安装工程检验批质量验收记录
工程名称
施工单位
验收部位项目经理。
7. 2. 1 给水管道及配件安装检验批质量验收记录.给水管道及配件安装检验批质量验收记录与验收.4.1.2 给水管道必须采用与管材相适应的管件.生活给水系统所涉及的材料必须达到饮水卫生标准.4.1.3 管径小于或等于100mm的镀锌钢管应采作螺纹连接,套丝扣时破坏的镀锌层表面及外露螺纹部分应做防腐处理;管径大于100mm的镀锌钢管应采用法兰或卡套式专用管件连接,镀锌钢管与法兰的焊接处应二次镀锌.4.1.4 给水塑料管和复合管可以采用橡胶圈接口、粘接接口、热熔连接、专用管件连接及法兰连接等形式。
塑料管和复合管与金属管件、阀门等的连接应使用专用管件连接,不得在塑料管上套丝。
4.1.5 给水铸铁管管道采用水泥捻口或橡胶圈接口方式进行连接。
4.1.6铜管连接可采用专用接头或焊接,当管径小于22mm时宜采用承插或套管焊接,承口应迎介质流向安装;当管径大于或等于22mm时宜采用对口焊接。
4.1.7 给水立管和装有3个或3个以上配水点的支管始端,均应安装可折卸的连接件。
4.1.8 冷、热水管道同时安装应符合下列规定:1 上、下平行安装时热水管应在冷水管上方。
2 垂直平行安装时热水管应在冷水管左侧。
4.2 给水管道及配件安装主控项目4.2.1 室内给水管道的水压试验必须符合设计要求。
当设计未注明时,各种材质的给管道系统试验压力均为工作压力的1。
5倍,但不得小于0。
6Mpa。
检验方法:金属及复合管给水管道系统在试验压力下观测10min,压力降不应然后降到工作压力进行检查,应不渗不漏;塑料管给水系统应在试验压力下稳压1H,压力降不得超过,然后在工作压力的1。
15倍状态下稳压2H,压力降不得超过0。
03Mpa,同时检查各连接处不得渗漏。
4.2.2 给水系统交付使用前必须进行试验并做好记录.检验方法:观察和开启阀门,水嘴等放水。
4.2.3生活给水系统管道在交付使用前必须冲洗和,开经有关部门取样检验,符合国家《生活饮用水标准》方可使用。
给水管道及配件安装检验批质量验收记录注:本表内容的填写需依据《现场验收检验批检查原始记录》。
本检验批质量验收的规范依据见本页背面。
填写说明一、填写依据1 《建筑给水排水及采暖工程施工质量验收规范》GB50242-2002。
2 《建筑工程施工质量验收统一标准》GB50300-2013。
二、检验批划分可按设计系统、楼层、施工段、单元划分。
三、GB50242-2002规范摘要主控项目4.2.1 室内给水管道的水压试验必须符合设计要求。
当设计未注明时,各种材质的给水管道系统试验压力均为工作压力的1.5倍,但不得小于0.6MPa。
检验方法:金属及复合管给水管道系统在试验压力下观测10min,压力降不应大于0.02MPa,然后降到工作压力进行检查,应不渗不漏;塑料管给水系统应在试验压力下稳压1h,压力降不得超过0.05MPa,然后在工作压力的1.15倍状态下稳压2h,压力降不得超过0.03MPa,同时检查各连接处不得渗漏。
4.2.2 给水系统交付使用前必须进行通水试验并做好记录。
检验方法:观察和开启阀门、水嘴等放水。
4.2.3 生产给水系统管道在交付使用前必须冲洗和消毒,并经有关部门取样检验,符合国家《生活饮用水标准》方可使用。
检验方法:检查有关部门提供的检测报告。
4.2.4 室内直埋给水管道(塑料管道和复合管道除外)应做防腐处理。
埋地管道防腐层材质和结构应符合设计要求。
检验方法:观察或局部解剖检查。
一般项目4.2.5 给水引入管与排水排出管的水平净距不得小于1m。
室内给水与排水管道平行敷设时,两管间的最小水平净距不得小于0.5m;交叉铺设时,垂直净距不得小于0.15m。
给水管应铺在排水管上面,若给水管必须铺在排水管的下面时,给水管应加套管,其长度不得小于排水管管径的3倍。
检验方法:尺量检查。
4.2.6 管道及管件焊接的焊缝表面质量应符合下列要求:1 焊缝外形尺寸应符合图纸和工艺文件的规定,焊缝高度不得低于母材表面,焊缝与母材应圆滑过渡。
《卫生器具及给水配件安装工程检验批质量验收记录》填写说明与依据一、总说明(1)适用范围:适用于室内污水盆、洗涤盆、洗脸(手)盆、盥洗槽、浴盆、淋浴器、大便器、小便器、小便槽、大便冲洗槽、妇女卫生盆、化验盆、排水栓、地漏、加热器、煮沸消毒器和饮水器等卫生器具安装的质量检验与验收。
(2)检验批的划分:卫生器具安装分项工程应按系统、区域、施工段或楼层等划分。
分项工程应划分成若干检验批进行验收。
(3)验收人员:由监理工程师(建设单位项目专业技术负责人)组织施工单位项目经理和有关勘察、设计单位项目负责人等进行验收。
二、表格项目填写说明1.主控项目(1)排水栓与地漏安装1)规范要求;排水栓和地漏的安装应平正、牢固,低于排水表面,周边无渗漏。
地漏水封高度不得小于50mm。
2)检查方法:试水观察检查。
检查数量:各抽查10%,但均不少于5 个。
3)填写说明与依据:其周边的渗漏往往被人们所忽视,是一大隐患。
强调周边做到无渗漏。
规定水封高度,保证地漏使用功能。
(2)卫生器具满水试验和通水试验1)规范要求:卫生器具交工前应做满水和通水试验。
2)检查方法:满水后各连接件不渗不漏;通水试验给、排水畅通。
检查数量:全数检查。
3)填写说明与依据:通水试验前应检查地漏是否畅通,分户阀门是否关闭,然后按楼层分房间逐一进行通水试验,以免漏水使装修工程受损。
在冬期室内不通暖时,各种洁具必须将水放净。
存水弯应无积水,以免将洁具和存水弯冻裂。
(3)卫生器具给水配件1)规范要求:卫生器具给水配件应完好无损伤,接口严密,启闭部分灵话。
2)检查方法:观察及手扳检查。
检查数量:各抽查1%.但均不少于5 个接口处。
2.一般项目(1)卫生器具安装允许偏差1)规范要求:卫生器具安装的允许偏差应符合表12-21的规定。
表12-21 卫生器具安装的允许偏差和检验方法2)检查数量:各抽查1%,但均不少于5组。
3)填写说明与依据;卫生器具安装高度如设计无要求时,应符合表12-22 的规定。
室内给水管道及配件安装检验批质量验收记录一、项目名称:XXX项目二、项目地点:XXX地点三、施工单位:XXX公司四、监理单位:XXX公司五、检验单位:XXX公司六、检验日期:XXX年XX月XX日一、项目概况:二、检验内容:1.管道材料的验收:管道的材质、规格、长度等是否符合设计要求;2.管道的安装情况:管道的铺设是否平直、固定是否牢固、与墙面的间距是否符合规范要求;3.管道的连接情况:管道是否完全连接,连接口是否牢固,是否使用了合适的连接件;4.配件的安装情况:配件的规格、型号是否符合设计要求,安装是否符合规范;5.设施完善情况:是否安装了阀门、过滤器、水表等必要的设施,并检查其安装质量;6.管道的通水试验:进行管道的通水试验,检查是否有渗漏、异响等情况;三、检验过程:1.管道材料的验收:检查管道材料的出厂合格证明、产品标识及相关资料,与设计文件进行对照,确认材料是否合格;2.管道的安装情况:对管道进行目视检查,观察管道的整体安装情况,确认是否符合规范要求;3.管道的连接情况:检查管道连接处的焊接、螺纹联接等方式的质量,确认连接是否稳固;4.配件的安装情况:对配件的安装进行检查,包括阀门、过滤器、水表等的安装位置、安装质量;5.设施完善情况:确认安装的阀门、过滤器、水表等设施的型号、规格是否符合设计要求,检查其安装质量;6.管道的通水试验:对管道进行通水试验,检查是否有渗漏、异响等情况,以保证管道安装的质量;四、检验结果:经过检验,室内给水管道及配件的安装质量满足相关标准和设计要求,具体结论如下:1.管道材料的验收:合格;2.管道的安装情况:平直、牢固、与墙面间距符合规范要求;3.管道的连接情况:连接完全,连接口牢固;4.配件的安装情况:规格、型号符合设计要求,安装质量符合规范;5.设施完善情况:安装了必要的阀门、过滤器、水表等设施,安装质量满足要求;6.管道的通水试验:无渗漏、无异响;五、结论与建议:本次室内给水管道及配件安装的质量验收结果良好,施工单位在管道安装上做出了较为出色的工作。