常用湿气型缓凝粘合剂标准固化期快速检验方法
- 格式:docx
- 大小:16.90 KB
- 文档页数:2
胶粘剂检测标准简表胶粘剂是一种常用的粘接材料,用于将两个或多个物体粘结在一起。
为了确保胶粘剂的质量和性能符合要求,需要进行检测和评估。
下面是一份胶粘剂的检测标准简表,介绍了常见的检测项目和相应的测试方法。
1.粘结强度:粘结强度是评估胶粘剂性能的重要指标。
常见的测试方法包括剪切强度测试、拉伸强度测试和压缩强度测试等。
2.耐热性:胶粘剂在高温环境下的稳定性是其重要的性能之一、测试方法包括热老化试验和热稳定性试验等。
3.耐候性:耐候性是胶粘剂在室外或恶劣环境中使用时的重要性能。
测试方法包括光老化试验、温湿老化试验和冻融试验等。
4.粘度:粘度是衡量胶粘剂流动性的指标,常见的测试方法有旋转粘度法、动态粘度法和滴定法等。
5.固含量:固含量是胶粘剂中固体成分的含量,测试方法包括重量损失法和红外光谱法等。
6.pH值:胶粘剂的pH值会对其应用场景产生一定影响,测试方法是使用pH计进行测量。
7.溶剂残留量:溶剂残留量是衡量胶粘剂中有害溶剂残留的指标,测试方法包括气相色谱法和液相色谱法等。
8.粘接剥离强度:粘接剥离强度是评估胶粘剂与物体粘结能力的指标,测试方法包括剥离强度测试和剥离力试验等。
9.可溶性粘合剂含量:可溶性粘合剂含量是胶粘剂中可溶于特定溶剂中的物质含量,测试方法包括透明度法和煮沸法等。
10.柔韧性:胶粘剂的柔韧性是其在不同温度下保持一定稳定性的能力指标,测试方法包括拉伸弹性模量测试和冲击韧性测试等。
上述只是胶粘剂检测标准简表中的部分重要项目,实际的检测还应根据具体的胶粘剂类型和应用场景确定。
在进行胶粘剂检测时,应选择合适的测试方法和设备,并按照标准程序进行操作,确保测试结果的准确性和可重复性。
胶粘剂固化时间测试标准
胶粘剂固化时间测试是评估胶粘剂在一定条件下固化或硬化所需的时间。
这种测试有助于确定胶粘剂在特定环境条件下的固化速度和性能。
以下是一些常见的用于胶粘剂固化时间测试的标准:
1. ASTM D1002-10:这个标准规范了胶粘剂的剪切强度和固化时间的测试方法。
该方法使用机械试验机来测试胶粘剂在一定时间内的固化情况。
2. ISO 4587:2013:这是国际标准化组织制定的用于胶粘剂的固化时间测试的标准。
它涵盖了胶粘剂固化时间测试的方法和要求。
3. ASTM D1337-05:这个标准描述了测量不同胶粘剂固化时间的试验方法。
4. EN 12003-2:欧洲标准,用于评估硬化胶粘剂的时间。
这些标准通常涵盖了胶粘剂固化时间测试的实验设备、样品准备、测试方法和结果评估等方面的内容。
测试可以在特定温度、湿度或其他环境条件下进行,以模拟实际使用中的固化情况。
通过测试胶粘剂的固化时间,可以评估其在特定工艺或应用中的适用性,并为生产和质量控制提供指导。
胶黏剂测试标准胶黏剂测试标准是指用于评估胶黏剂性能的一系列测试方法和指标。
胶黏剂是一种广泛应用于工业生产和日常生活中的材料,它能够将两个或多个材料牢固地粘接在一起。
胶黏剂的质量和性能直接影响到粘接件的质量和使用寿命,因此需要通过测试来评估其性能。
胶黏剂测试标准通常包括以下几个方面:1. 粘接强度测试:粘接强度是评估胶黏剂性能的重要指标之一。
常用的测试方法有剪切强度测试、拉伸强度测试和剥离强度测试等。
这些测试方法可以评估胶黏剂在不同应力下的粘接强度,以及其对不同材料的粘接性能。
2. 耐候性测试:胶黏剂在使用过程中需要经受各种环境条件的考验,如高温、低温、湿度等。
耐候性测试可以模拟这些环境条件,评估胶黏剂在不同环境下的性能表现。
常用的耐候性测试方法有高温老化测试、低温老化测试和湿热老化测试等。
3. 耐化学品性能测试:胶黏剂在某些特殊环境下需要具备耐化学品的性能,如耐酸碱、耐油脂等。
耐化学品性能测试可以评估胶黏剂对不同化学品的耐受性,以及其在化学环境下的粘接性能。
4. 粘接速度测试:胶黏剂的粘接速度是评估其使用便捷性的重要指标之一。
常用的粘接速度测试方法有初期粘接力测试、固化时间测试和开放时间测试等。
这些测试方法可以评估胶黏剂在不同时间段内的粘接性能,以及其对操作者的使用便捷性。
5. 安全性能测试:胶黏剂在使用过程中需要注意安全性,以防止对人体或环境造成伤害。
安全性能测试可以评估胶黏剂对人体皮肤的刺激性、挥发性有机化合物(VOC)含量等指标,以及其对环境的污染程度。
以上仅为常见的胶黏剂测试标准,不同类型的胶黏剂可能还有其他特定的测试要求。
在进行胶黏剂测试时,需要根据具体的使用要求和应用场景选择相应的测试方法和指标,并按照标准要求进行测试。
通过胶黏剂测试,可以评估其质量和性能,为产品设计和生产提供科学依据,确保产品具备良好的粘接性能和使用寿命。
湿气型缓凝粘合剂抗压强度检验方法A.1 一般规定A.1.1 本检验方法适用于湿气型缓凝粘合剂抗压强度检验。
A.1.2 本检验方法共制备9个试件,其中6个试件为测量抗压强度用试件,3个试件为测量硬度用试件。
当试件的表面硬度和内部硬度均大于等于80D 时方可进行抗压强度检验。
A.2 试件制作A.2.1 取制作同批次的湿气型缓凝粘合剂不少于5000g 。
A.2.2 按照现行国家标准《水泥胶砂强度检验方法(ISO 法)》GB/T 17671中的规定准备9个尺寸为40mm×40mm×160mm 的棱形试模。
在试模内表面涂上一薄层机油或模型油后,将湿气型缓凝粘合剂装填进9个试模中,装填湿气型缓凝粘合剂时需不停地振动试模,以除去湿气型缓凝粘合剂中混入的空气,随后用刮刀沿试模边缘将湿气型缓凝粘合剂表面刮平整。
A.3 试件养护及测试A.3.1将制好的9个试件置于温度25℃,相对湿度60%的温湿度箱中养护,随后每隔4小时将温湿度箱中温度升高10℃,相对湿度升高5%,直至温度达到85℃,相对湿度达到80%,并在此环境条件下养护1200小时。
A.3.2达到养护时间后,每隔4小时将温湿度箱中的温度降低10℃,湿度降低5%,直至温度达到25℃,相对湿度达到60%。
在此环境条件下养护4小时后,将温度箱中一块硬度测试试件取出后脱模,按照现行国家标准《硫化橡胶或热塑性橡胶压入硬度试验方法 第一部分 D 型》GB/T 531.1标准的规定对试件进行硬度测量。
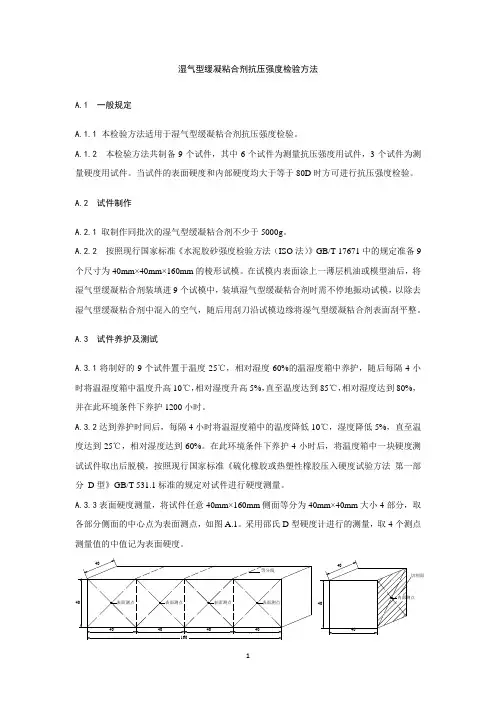
A.3.3表面硬度测量,将试件任意40mm×160mm 侧面等分为40mm×40mm 大小4部分,取各部分侧面的中心点为表面测点,如图A.1。
采用邵氏D 型硬度计进行的测量,取4个测点测量值的中值记为表面硬度。
等分线1604040表面测点40404040表面测点表面测点表面测点图A.1 试件测点分布示意图A.3.4当试件测得的表面硬度不小于80D 时,进行内部硬度测量。
胶粘剂最常用的几种测试方法.txt点的是烟抽的却是寂寞……不是你不笑,一笑粉就掉!人又不聪明,还学别人秃顶。
绑不住我的心就不要说我花心!再牛b的肖邦,也弹不出老子的悲伤!活着的时候开心点,因为我们要死很久。
请你以后不要在我面前说英文了,OK?胶粘剂最常用的几种测试方法胶粘剂最常用的几种测试方法一、胶粘剂的物化性能测试 1、外观:测定胶液的均匀性、状态、颜色和是否有杂质。
2、密度:用密度瓶测定液态胶粘剂的密度。
3、粘度:用涂-4粘度计(秒)和旋转粘度计(Pa.S)进行测试。
4、固化速度:研究胶粘剂固化条件的重要数据。
二、胶接性能测定胶接强度与许多因素有关:A、胶粘剂主体材料的结构、性质和配方;B、被粘物的性质与表面处理;C、涂胶、胶接和固化工艺有关;D、胶接头的形式、几何尺寸和加工质量;E、强度测试的环境如温度、压力、等;F、外力加载速度、方向和方式等。
(一)剪切和抗拉强度:1、剪切强度:胶接头在单位面积上能承受平行于胶接面的最大负荷。
根据受力方式分为:拉伸剪切、压缩剪切、扭转剪切和弯曲剪切。
2、剪切强度的测试方法:A、单搭接拉伸剪切强度测试方法:此法为最常用的铝片单面搭接方法,其标准尺寸:试片在测定时应不少于5对,取其算术平均值并观察试片的破坏特征B、压缩剪切强度测试方法:该法用于厚的非金属板材的胶接强度测试。
3、胶接头抗剪强度的因素。
A、胶粘剂的应力集中:由于胶接头的应力分布是不均匀的,剪切加载测试中应力集中在搭接头的端部,渐渐地引起破坏。
B、被粘物和胶粘剂的影响:被粘物的模量E和厚度越大,则应力集中系数越小,胶接头的抗剪强度越大。
胶粘剂模量高,应力集中严重,胶接头的抗剪强度就越小。
C、胶粘剂层厚度的影响:根据应力分布:胶层越厚,接头应力集中系数越小,抗剪强度越大。
然而,胶层越厚抗剪强度越低。
这是因为胶层越厚,内部缺陷呈指数关系增加,使胶层内聚强度下降;胶层越厚,由于温度变化引起收缩应力和热应力等内应力的产生,导致内聚强度的损失。
速凝剂检验方法范文速凝剂是一种用于控制混凝土凝结时间的化学添加剂。
在混凝土施工过程中,速凝剂的使用可以加快混凝土的凝结时间,提高施工效率。
为保证施工质量,需要对速凝剂进行检验,下面将介绍速凝剂检验的相关方法。
速凝剂的检验方法主要包括外观检查、化学成分检验、性能指标检验等。
一、外观检查外观检查主要是通过观察速凝剂的颜色、形状、气味等方面,判断其外观是否符合相关规定。
一般来说,速凝剂应该是无色或淡黄色的流动液体,没有悬浮物和沉淀物,无异味。
二、化学成分检验速凝剂的化学成分检验主要是为了确定其所含有的主要成分和含量是否与标准要求相符。
常用的检验方法包括质量分析方法和定量分析方法。
1.质量分析方法通过质量分析方法可以初步确定速凝剂的主要成分。
常用的质量分析方法包括考察速凝剂的溶解性和存在的化学反应等。
(1)溶解性检验:将速凝剂溶解在水中,观察其溶解度、有无结晶和沉淀。
一般来说,速凝剂应该能够充分溶解,不产生结晶和沉淀。
(2)化学反应检验:将速凝剂与混凝土试验样品进行反应,观察是否能产生速凝效果。
一般来说,速凝剂应该能够加快混凝土的凝结时间,并且达到预期的凝结效果。
2.定量分析方法定量分析方法更加精确地确定速凝剂的化学成分和含量。
常用的定量分析方法包括滴定法、色谱法和离子色谱法等。
(1)滴定法:对速凝剂中含有的酸碱度进行测定。
一般来说,速凝剂中的酸碱度应该在一定范围内,以保证其凝结效果。
(2)色谱法:通过色谱仪对速凝剂中的有机和无机物质进行分析。
通过分析速凝剂中的有机和无机物质,可以确定其化学成分和含量。
(3)离子色谱法:通过离子色谱仪对速凝剂中的离子进行定量分析。
通过离子色谱法可以确定速凝剂中各种离子的含量,从而判断其是否符合相关标准要求。
三、性能指标检验速凝剂的性能指标检验主要是为了确定其速凝效果和对混凝土性能的影响程度。
常用的性能指标包括凝结时间、气体含量、抗压强度和抗冻性等。
1.凝结时间检验:通过测定混凝土的凝结时间来确定速凝剂的速凝效果。
粘合剂检测报告1. 引言粘合剂是一种广泛应用于工业生产和日常生活中的材料,用于固定、连接和粘合不同物体。
然而,不合格的粘合剂可能会导致产品质量问题、安全风险和环境污染。
因此,对粘合剂进行有效的检测和评估至关重要。
本报告旨在介绍粘合剂检测的方法和结果。
2. 检测方法为了确保粘合剂的质量,我们采用了以下几种常用的检测方法:2.1 外观检查外观检查是最基本也是最直观的检测方法之一。
我们通过观察粘合剂的颜色、质地、流动性和是否有气泡等因素来评估其外观质量。
正常的粘合剂应该具有均匀一致的颜色和质地,流动性适中,没有明显的气泡存在。
2.2 粘度测定粘度测定是衡量粘合剂的流动性能的重要方法。
我们使用了粘度计来测定粘合剂的粘度值。
较高的粘度值可能意味着粘合剂含有过多的溶剂或者填充材料,从而影响其粘合性能。
2.3 力学性能测试力学性能测试可以评估粘合剂在应力下的强度和可靠性。
我们使用拉伸试验、抗剪强度测试和剥离强度测试来评估粘合剂的力学性能。
合格的粘合剂应该具有较高的强度和粘接可靠性。
2.4 化学成分分析粘合剂的化学成分可以对其性能和潜在危害进行评估。
我们使用了气相色谱-质谱联用仪(GC-MS)对粘合剂样品进行化学分析。
通过分析样品中的挥发性有机物和残留物,我们可以确定粘合剂中是否含有对人体健康有害的化学物质。
3. 检测结果经过以上检测方法的综合评估,我们得出了以下检测结果:1.外观检查:所有样品的外观质量良好,无明显的颜色差异、质地异样或气泡存在。
2.粘度测定:粘度值在正常范围内,符合标准要求。
3.力学性能测试:粘合剂样品的拉伸强度、抗剪强度和剥离强度均满足产品设计要求,具有良好的力学性能。
4.化学成分分析:通过GC-MS分析,未检测到任何有害化学物质的存在,粘合剂样品化学成分安全合格。
4. 结论本次粘合剂检测结果显示,样品的质量良好,符合产品设计和标准要求。
粘合剂具有良好的外观质量、适度的粘度、优异的力学性能和安全的化学成分。
胶粘剂检测方法
嘿,朋友们!今天咱来聊聊胶粘剂检测方法这档子事儿。
你想想看,胶粘剂就像是个小魔术贴,把各种东西粘在一起。
但咱可得知道它粘得牢不牢呀,对吧?这可太重要啦!要是粘得不结实,那可就麻烦大咯!
咱先说说外观检查。
这就好比你去相亲,第一眼总得看看对方长得顺不顺眼吧!看看胶粘剂有没有气泡啦、杂质啦,颜色均不均匀啦。
要是胶粘剂看起来就邋里邋遢的,那你还能指望它干出啥漂亮活儿来呀!
然后呢,就是黏度检测。
这就跟你喝酸奶,得看看它稠不稠一个道理。
黏度合适的胶粘剂,用起来才顺手嘛。
要是太稀了,跟水似的,那能粘住啥呀;要是太稠了,又不好涂开,这不是让人头疼嘛!
再来讲讲粘接强度检测。
这可是重中之重啊!就好比拔河比赛,得看看胶粘剂能不能把两边紧紧拉住。
可以做些小实验,把两个东西粘起来,然后用力扯一扯,看看会不会轻易就分开了。
要是轻轻一拽就开了,那这胶粘剂可真不咋地呀!
还有固化时间检测呢!你总不能等它固化等得花儿都谢了吧。
得知道它大概多久能凝固好,这样才能合理安排时间呀。
要是等了半天还没干,那不是耽误事儿嘛!
对了对了,耐温性也得测一测。
想象一下,要是胶粘剂在高温下就软趴趴的,或者在低温下就脆得不行,那可不行呀!咱得找个能经得住各种温度考验的胶粘剂才行。
说到这里,你是不是觉得胶粘剂检测还挺有讲究的呀?那可不!咱可不能随随便便就用个胶粘剂,得好好检测检测,不然出了问题可就麻烦咯!所以啊,大家在使用胶粘剂的时候,可别偷懒,一定要把这些检测都做做好呀!这样才能保证粘出来的东西又结实又耐用,咱用起来也放心不是?你说是不是这个理儿呀!。
胶粘剂最常用的几种测试方法胶粘剂是一种常见的粘接材料,广泛应用于许多不同领域和行业。
为了确保胶粘剂的质量和性能符合要求,需要进行一系列的测试。
下面是胶粘剂最常用的几种测试方法:1. 粘度测试:粘度是衡量胶粘剂流动性的指标,直接影响胶粘剂的施工性能。
粘度测试可以通过旋转式或振动式粘度计进行。
测试时,胶粘剂样品会在一定温度下施加剪切力,通过测试仪器测量胶粘剂的粘度值。
常见的胶粘剂粘度测试方法有Brookfield型旋转式粘度计、Cone和Plate型粘度计等。
2.干燥时间测试:胶粘剂在施工后需要一定的时间才能干燥,这个时间会直接影响到胶粘剂的使用周期和相关工艺。
干燥时间测试一般通过测量胶粘剂干燥至一定程度需要的时间来完成,常常使用挥发重量法、触摸干燥时间法和湿度指数法等。
3.强度测试:胶粘剂的强度是评价其粘接性能的重要指标。
常见的强度测试方法包括剪切强度测试、拉伸强度测试和剥离强度测试等。
测试时,将胶粘剂施加到两个材料之间,施加一定的力对其进行拉伸或剪切,测量其断裂强度以评估粘接强度。
4.耐热性测试:胶粘剂在高温条件下会发生变化,可能导致失去粘结力或出现其他性能问题。
耐热性测试通过将胶粘剂样品暴露在高温环境下一段时间,然后测量其粘结强度的变化来评估胶粘剂的耐热性能。
5.耐湿性测试:湿度是胶粘剂性能的重要环境因素之一,湿度变化可能导致黏附力减弱,失去粘结性。
耐湿性测试通过将胶粘剂样品暴露在高湿度环境中一段时间,然后测量其黏附强度的变化,以评估胶粘剂的耐湿性能。
6.老化测试:胶粘剂在使用一段时间后,可能会因受到不同环境因素的影响而发生退化。
老化测试可以通过模拟各种环境条件,如高温、低温、光照等,对胶粘剂进行长时间暴露,然后测试其性能的变化,以评估胶粘剂的耐久性能。
总结起来,胶粘剂的常用测试方法包括粘度测试、干燥时间测试、强度测试、耐热性测试、耐湿性测试和老化测试。
这些测试方法可以帮助生产商评估胶粘剂的质量和性能,并确保其能够满足特定的应用要求。
湿气型缓凝粘合剂标准张拉适用期、粘结特征强度标准固化期、标准固化期检验方法E.1 试件制作及养护E.1.1 拌制后15天内,同批次湿气型缓凝粘合剂任意取样不少于5000克。
E.1.2 将缓凝粘合剂分别装填于24个表面圆形直径为50~80mm,高度大于10mm的容器中,每个容器中的缓凝粘合剂的装填厚度为6~10mm。
装填时需不断振捣以除去试件内部及表面的气泡,振捣完毕后应用刮刀沿容器边缘将缓凝粘合剂表面刮平。
制作的24个试件中,9个用于稠度检测,15个用于硬度检测。
E.1.3 将厚度为1~2mm的聚乙烯薄板覆盖在试件表面,并将所有试件置于温度为25℃,相对湿度为60%的环境下进行养护。
E.2 试件测量E.2.1 根据本规范中表5.2所示的内容预估湿气型缓凝粘合剂的标准张拉适用期、粘结特征强度标准固化期及标准固化期,确定测量稠度和硬度的时间:a)标准张拉适用期测量稠度具体时间:第1次,预估标准张拉适用期(d)×0.8,此后分别以预估标准张拉适用期(d)×0.85、0.90、0.95、1.00、1.05等时间测量稠度,至检测稠度值40 1/10mm为止。
b)粘结特征强度标准固化期测量硬度具体时间:第1次,预估粘结特征强度标准固化期(d)×0.8,此后分别以预估粘结特征强度标准固化期(d)×0.85、0.90、0.95、1.00、1.05等时间测量硬度,至检测硬度值50D为止。
c)标准固化期测量硬度具体时间:第1次,预估标准固化期(d)×0.8,此后分别以预估标准固化期(d)×0.85、0.90、0.95、1.00、1.05等时间测量稠度,至检测硬度值80D为止。
E.2.2 稠度检测方法:将用于稠度检测的试件中的缓凝粘合剂刮取至硬质工作器中,工作器的尺寸需符合现行国家标准《润滑脂和石油脂锥入度测定方法》GB/T269中1/4比例尺寸润滑脂工作器的规定。
结构用粘结材料湿热老化性能现场快速复验方法及评定标准【1】适用范围1、本方法适用于已通过湿热老化性能验证性试验的结构胶粘剂和结构加固用聚合物砂浆进场复验。
2、当出具本复验报告时,必须附有湿热老化性能验证性试验报告,否则本复验报告无效。
【2】试验设备及装置1、恒温水槽试件的老化应在可调控水温的恒温水槽中进行,恒温水槽的水温应能在40~100℃之间可调,且能在任一温度点上保持稳定。
其水温误差不应大于0.5℃。
注:试验用水应采用蒸馏水或去离子水,且试验用过的水不得重复使用。
2、试验机,根据受检粘结材料的不同,选用拉力试验机或压力试验机。
试验机的加荷能力,应使试件的破坏荷载处于试验机标定满负荷20%~80%之间。
试验机的示值误差不应大于1%。
3、加荷装置(包括夹持器)根据不同受检粘结材料所执行的剪切试验方法国家标准确定。
【3】试件1、结构胶粘剂或结构用聚合物砂浆的老化性能的快速复验,应采用测定其抗剪强度的试件;其形式、尺寸和表面处理方法应按所执行的剪切试验方法标准确定。
注:若按现行国家标准《胶粘剂拉伸剪切强度测定方法(金属对金属)》GB/T7124制作试件不成功,则本试验无需进行,即可直接判定该胶粘剂为不合格产品。
2、试件的数量不应少于10个,且应随机分为2组;其中一组为老化试验组;另一组为对照组。
3、试件的粘合、养护条件和方法以及固化或硬化时间的要求,应符合其产品说明书的要求。
试件在23℃条件下固化养护时间以7d 为准,但若工期紧,且已征得有关各方同意,对胶粘剂则允许在40℃+20℃条件下固化养护24h,经自然降温至23℃±2℃后,再静置16h,即可开始复验。
【4】复验条件1、现场老化性能的复验条件应符合下列规定:(1)水温:对一般结构胶粘剂及聚合物砂浆,应保持80℃;对低粘度压力灌注胶粘剂,应保持55℃,允许偏差均为0℃+2℃;(2)恒温时间:对一般结构胶粘剂及聚合物砂浆为168h;对低粘度压力灌注结构胶粘剂为240h。
粘合剂性能测定方法一、方法来源:根据染整专业书籍和工厂实践经验自订。
二、适用范围:适用于测定涂料印花粘合剂的性能。
三、测定项目:1.外观、气味、贮存稳定性:说明书所描述的情况应与产品的实际情况一致。
2.含固量:称取样品约1g,置于40mm ×25mm 称量瓶中,放入烘箱中,在105±2℃下烘燥2hr。
3.pH值:用进口精密试纸(pH4.5~10的精密试纸)测定原液pH值。
4.结膜速度:先将粘合剂用蒸馏水稀释成含固量为20% ,然后称取2g,置于40mm ×25mm的称量瓶中,然后放入50℃烘箱中,每隔5min 观察表面是否开始结膜,记录结膜时间。
如果5min 后已结膜,则应适当缩短时间。
注:如1hr 不结膜,则将温度提高到60℃,但应在试验报告中注明。
5.成膜颜色:先将粘合剂用蒸馏水稀释成含固量为20% ,然后称取2g,置于40mm ×25mm的称量瓶中,放入105℃烘箱中烘燥使之成膜,观察颜色,然后移入150℃烘箱中烘5min ,取出冷却,观察膜颜色,最后移入180℃烘箱中烘3min ,取出冷却,观察颜色。
评定颜色可以“无色透明、半透明、微黄色、黄色和棕黄色”描述。
6.增稠效果(对增稠剂增稠能力的影响):用蒸馏水配制“增稠剂DME-756 X%、粘合剂15% 、涂料蓝8301 3%,加蒸馏水补足至100%”的色浆,使其粘度为45000±3000mPa ·s ,比较所用的增稠剂的用量,如果增稠剂用量大则表明粘合剂的增稠效果差,即它对增稠剂增稠能力的影响大,反之,则表明粘合剂的增稠效果好。
7.印制效果(得色量、鲜艳度、手感、牢度):用蒸馏水配制“增稠剂DME-756 X%、粘合剂15% 、涂料蓝8301(大红8111、金黄8204、黑8501)3%、加蒸馏水补足至100%”的色浆(粘度约为45000±3000m Pa ·s ),在T/C 梭织物上手工印花,100℃烘干,150℃焙烘3min ,测定刷洗牢度、摩擦牢度,并与外来样对比得色量、鲜艳度和轮廓清晰度。
水泥标准稠度用水量、凝结时间、安定性检验方法水泥标准稠度用水量、凝结时间、安定性检验方法文件编号:THZD1-1一、试验条件1.试验室温度为20℃±2℃,相对湿度不低于50%。
水泥试样、拌和水、仪器和用具的温度应与试验室一致。
2.湿气养护箱的温度为20℃±1℃,相对湿度不低于90%。
二、标准稠度用水量的测定1.先将水泥净浆搅拌机的锅和叶片和维卡仪标准稠度试干打湿,试模和玻璃板刷上油。
2.量好水,称好500g水泥。
先将水放入锅里,然后在5s-10s内小心将水泥放入锅中并记好时间。
3.水泥净浆搅拌机先低速搅拌120S,停15S,后将打湿的刮刀将水泥浆将锅壁上的水泥浆剐到中间地方,后搅拌机高速120S停机。
将试模放到玻璃板上。
4.将叶片上的水泥浆剐入锅中。
先将锅中水泥浆搅拌一下,把拌好的水泥浆装入试模中,用25mm直刀轻拍5次,排除浆中孔隙。
5.在试模表面三分之一处略倾斜于试模轻轻锯掉多余净浆,后磨平顶部一次。
6.将磨平好的水泥浆放到维卡仪上,将维卡仪与水泥浆平行并固定好(1S-2S内),突然放松,在试杆停止或30S 后记下数据。
整个过程在1.5min中完成。
清理干净。
7.将整改长度减去记录的数据在6mm±1mm中为水泥净浆稠度净浆。
并用p=33.4-0.485S来换算初p。
三、凝结时间的测定1.初凝时间的测定:将标准稠度净浆放入湿气养护箱中,试件在加水收30min时第一次进行测定。
将维卡仪中放入初凝试针,用试针将维卡仪与水泥浆平行并固定好(1S-2S内)(在最初测定的操作时应轻轻扶持金属杆,使其徐徐下降),突然放松,在试干停止或30S 后指针的读数。
并计算差值。
快到初凝时间每隔5min测定一次,当试针沉到距底板4mm±1mm时为初凝。
立即在另外一处重新测试一次,两次结果相同即初凝状态。
为加水到初凝状态,即为水泥达到初凝时间。
2.终凝时间的测定:初凝时间测定后,将玻璃板取下,翻转180°,玻璃板放在小端下。
胶粘剂固化时间检测标准胶粘剂固化时间的检测标准是一个复杂而重要的过程,它涉及到多个因素,包括温度、湿度、光照、化学反应速率等。
下面将详细介绍胶粘剂固化时间检测标准的几个关键方面。
一、定义和术语首先,需要明确什么是固化时间。
固化时间是指胶粘剂从液态转变为固态所需的时间。
这个过程通常包括化学反应和物理变化,如聚合、交联和结晶。
在检测固化时间时,我们通常会用到以下几个术语:1.初固时间:胶粘剂开始固化的时间,通常以分钟或小时为单位。
2.全固时间:胶粘剂完全固化的时间,通常以天为单位。
3.固化温度:胶粘剂开始固化所需的温度,通常以摄氏度为单位。
4.固化湿度:胶粘剂开始固化所需的环境湿度,通常以百分比为单位。
二、检测方法检测胶粘剂固化时间的方法有很多种,包括烘箱法、紫外光照射法、热压法等。
每种方法都有其优缺点和适用范围,需要根据具体情况选择合适的方法。
下面简单介绍两种常用的检测方法:1.烘箱法:将胶粘剂样品放入恒温烘箱中,在设定的温度下保持一定时间,然后观察样品的固化程度。
这种方法适用于热固化型胶粘剂,如环氧树脂、聚氨酯等。
2.紫外光照射法:将胶粘剂样品置于紫外光照射下,照射一定时间后观察样品的固化程度。
这种方法适用于光固化型胶粘剂,如丙烯酸酯、聚氨酯等。
三、影响因素影响胶粘剂固化时间的因素有很多,包括化学成分、温度、湿度、光照等。
下面列举几个主要因素:1.化学成分:不同种类的胶粘剂含有不同的化学成分,因此其固化时间也会有所不同。
一些胶粘剂中含有催化剂或促进剂,可以加速或减缓固化时间。
2.温度:温度对胶粘剂的固化时间有显著影响。
通常情况下,温度越高,固化时间越短。
因此,在选择胶粘剂时,需要考虑使用环境温度是否适宜。
3.湿度:湿度也会影响胶粘剂的固化时间。
在潮湿的环境中,水分会与某些胶粘剂发生反应,导致固化时间延长或固化不完全。
因此,在选择胶粘剂时,需要考虑使用环境湿度是否适宜。
4.光照:某些胶粘剂需要在光照条件下才能完全固化。
胶粘剂固化速度测试标准胶粘剂固化速度测试是评估胶粘剂在特定条件下固化的时间的重要方法之一。
通过进行固化速度测试,可以了解胶粘剂在实际使用过程中的固化速度,从而为产品的设计和工艺提供参考依据。
下面是胶粘剂固化速度测试的一些相关参考内容:1. 测试标准的制定:胶粘剂固化速度测试应该遵循一定的国家或行业标准。
例如,国际标准化组织(ISO)和美国标准与测试协会(ASTM)都有相应的标准来规范胶粘剂固化速度的测试方法。
这些标准包括测试条件、样品准备、测试设备和测试方法等方面的要求。
2. 测试条件的设定:胶粘剂的固化速度受到环境温度、湿度、压力和气氛等因素的影响。
因此,在进行固化速度测试时,需要明确规定测试条件,如温度、湿度和压力等,以保证测试结果的可比性。
3. 样品准备:在进行固化速度测试前,需要制备好样品。
样品的制备应遵循标准的要求,包括胶粘剂的使用量、涂布方式、固化剂的混合比例和固化时间等。
4. 测试设备:固化速度测试需要用到一些常见的实验设备,例如粘度计、密度计、拉伸试验机和动态机械分析仪等。
这些设备的选择和设置应符合标准的要求,并经过校准和验证,以确保测试结果的准确性。
5. 测试方法:固化速度测试的常用方法包括粘度测定法、吸收速度法和拉伸试验法等。
具体的测试方法应根据标准的要求进行,同时需要记录测试过程中的关键参数,如固化时间、温度和湿度等。
6. 数据分析和报告:完成固化速度测试后,需要对测试数据进行分析和汇总,并根据标准要求编写测试报告。
报告应包括测试样品的标识信息、测试条件、测试结果和数据分析等内容,以及对测试过程中出现的异常情况进行解释和说明。
总之,胶粘剂固化速度测试是一个相对复杂的测试过程,需要严格遵循相应的标准和规范。
只有按照标准要求进行测试,才能得到准确可靠的测试结果,为产品的设计和工艺提供有效的参考依据。
水泥标准稠度用水量、凝结时间、安定性检验方法1.仪器设备(1)水泥净浆搅拌机(2)标准法椎卡仪(3)代用法维卡仪(4)沸煮箱(5)雷氏夹膨胀仪(6)量水器:分度值为0.1ml,精度1%。
(7)天平:量程1000g,感量1g. (8)湿气养护箱:应能控温在20±1℃,相对温度大于90%。
(9)雷氏夹膨胀值测定仪:标尺最小刻度0.5mm。
(10)玻璃板:规格为100×100mm,与净浆接触面擦一层油。
2.试样及用水水泥试样应充分拌匀,通过0.9mm方孔筛,并记录筛作余物情况,但要防止过筛时混进其它水泥;试验用水必须是洁净的淡水,如有争议时可用蒸馏水。
3.试验室温度、相对湿度试验室温度为20±2℃,相对湿度大于50%;水泥试样、拌合水、仪器和用具的温度应与试验室内温度一致。
4.标准稠度用水量测定(标准法)(1)试验前准备 1)检查维卡仪的金属棒能否自由滑动;2)调整至试杆接触玻璃板时指针对准零点;3)水泥净浆搅拌机运行正常;(2)水泥净浆拌制用水泥净浆搅拌机搅拌,搅拌锅与搅拌机叶片先用湿布擦过,将拌合水倒入搅拌锅中,然后5-10s内小心将称好的500g水泥加入水中,防止不和水泥测出,拌合时,先将锅放在搅拌机的锅座上,升至搅拌位置,启动搅拌机,低速搅拌120s,停15s,同时将叶片和锅壁上的水泥浆刮入锅中间,接着高速搅拌120s停机。
(3)标准稠度用水量测定步骤:1)拌合结束后,立即将拌制好的水泥净浆装入已放在玻璃板上的试模中,用小刀振捣,轻轻振动数次,刮去多余的净浆。
2)抹平后迅速将试模或底板的距离,升起试杆后,立即擦净。
3)整个操作应在搅拌后1.5mim内完成,以试杆沉入净浆并距底板6mm±1mm的水泥净浆为标准稠度净浆。
其拌合水量为该水泥的标准稠度用水量(P),按水泥质量的百分比计。
4)当试杆距玻璃板小于5mm时,应适当减水,当大于7mm时,应适当加水,重复水泥净浆的拌制和上述过程。
常用湿气型缓粘结钢绞线实际张拉适用期和粘结特征强度实际固化期估算方法A.1 实际张拉适用期和粘结特征强度实际固化期估算方法 A.1.1设定工程现场环境相对湿度30%—90%。
A.1.2根据缓粘结预应力施工时间、当地气象历史与天气预报,预估以下三阶段(图A.1)平均温度:a)湿气固化型缓粘结预应力钢绞线运输、现场存放、铺设布筋阶段及混凝土浇筑16天后至缓粘结预应力钢绞线张拉阶段,平均环境温度1t ;b)混凝土浇筑及养护阶段,即混凝土开始浇筑至第16天恢复至平均环境温度3t 阶段,每2天取一混凝土平均温度2t ;c)混凝土浇筑第17天至缓粘结预应力钢绞线张拉和使用阶段,平均环境温度4t ;图A.1 各阶段分段示意图A.1.3根据混凝土浇筑时环境温度、混凝土截面面积、水泥类型标号和养护条件,预估混凝土浇筑最高水化热温度m ax t ;A.1.4 计算混凝土浇筑后,混凝土内部温度:a)假定混凝土浇筑后第二天混凝土水化热达到最高温度m ax t ,至第16天混凝土温度降至环境温度3t ;b)混凝土浇筑后16天内,混凝土内部温度按照表A.1规定计算。
运输、现场存放及铺设布筋阶段混凝土浇筑及养护阶段预应力筋张拉及使用阶段温度时间(d )表A.1 各阶段平均温度A.1.5 根据湿气型缓凝粘合剂类型及各时间段对应的平均温度,按照公式(A.1)计算各时间段的固化影响程度R i :()βα+-=i X i i e Y R / (A.1)式中:Y i —固化过程中某一时间段(d );X i —湿气型缓凝粘合剂在Y i 天平均温度(℃);α—湿气型缓凝粘合剂的温度系数(1/℃),按表A.2取值; β—湿气型缓凝粘合剂的固化剂系数,按表A.2取值。
表A.2 常用湿气型缓凝粘合剂硬化预测公式系数A.1.6湿气型缓粘结钢绞线的固化程度系数γ应按公式(A.2)计算。
()()/iX i i R Y e αβγ-+==∑∑(A.2)式中:γ—固化程度系数。
常用湿气型缓凝粘合剂标准固化期快速检验方法
F.1 试件制作
F.1.1 同批次湿气型缓凝粘合剂任意取样不少于120克。
F.1.2 将湿气型缓凝粘合剂分别装填于3个相同的耐高温硬质工作器。
工作器的尺寸需符合GB/T269中1/4比例尺寸润滑脂工作器的规定。
F.1.3装填缓凝粘合剂时需不停地震动工作器,以除去缓凝粘合剂中混入的空气,随后用刮刀沿工作器边缘将缓凝粘合剂表面刮平整。
F.2 试件养护及测试
F.2.1 参照现行国家标准《润滑脂和石油脂锥入度测定方法》GB/T269中润滑脂1/4比例尺寸锥体方法中的不工作锥入度的试验步骤对所取的试样进行稠度的测定,该稠度值记为初始稠度。
F.2.2 将试样完全用聚乙烯薄膜密封,随后将所有试样于85℃相对湿度60%的条件下养护10天。
F.2.3将经过高温后的缓凝粘合剂于25℃下静置24小时后,参照现行国家标准《润滑脂和石油脂锥入度测定方法》GB/T269中润滑脂1/4比例尺寸锥体方法中的不工作锥入度的试验步骤对工作器内的缓凝粘合剂进行稠度的测定。
该稠度记为高温处理后试样稠度。
F.2.4测定时设定锥体的下落时间为5.0±0.1秒。
F.3 测试结果
F.3.1稠度的单位为0.1 mm。
F.3.2 初始稠度及高温处理后试样稠度均为3次测量结果的算术平均值。
F.3.3稠度下降率=(高温处理后试样稠度的算术平均值 - 初始稠度的算术平均值)/初始稠度的算术平均值。
F.3.4 当不同型号湿气型缓凝粘合剂的稠度下降率符合表F.3.4的规定时,可按本标准表
3.2.6的规定确定其标准张拉适用期、特征强度期与标准固化期。
F.3.4 常用湿气型缓凝粘合剂型号的快速测试条件与合格标准。