等级医院评审临床检验检评审手册
- 格式:doc
- 大小:22.00 KB
- 文档页数:3
目录第一章员工如何应对检查第二章全院员工要重点记忆的内容一、医院文化与医院管理二、患者安全目三、重要应急处理(一)消防安全与火灾应急处理(二)停电应急处理(三)氧气故障应急处理(四)停水应急处理(五)信息系统故障应急处理(六)大规模伤员应急处理流程图四、各部门重点内容(一)质量管理办公室重要事项(二)医务科重要事项(三)医院感染管理科重要事项(四)护理部重要事项(五)医保办重要事项(六)门诊办公室重要事项(七)科教科重要事项(八)设备科重要事项五、模拟检查重要事项第三章医院公开项目附件一:重要电话号码附件二:节选常见危急值第一章员工如何应对检查一、如何应对检查者得提问:1.保持自信、镇静、友善的态度,请保持微笑。
2.只回答被问到的问题,并说你知道的。
不要提供额外的信息,尤其当你不是100%确定时。
因为检查者会因此而利用线索询问更多问题。
3.在回答问题前应谨慎思考,如不清楚检查者提出的问题可请检查者在解说一遍。
如不知道答案,不要回答“不知道”,应该说“我去查一下再回复您”。
4.必要时,可以利用你的笔记、文件夹、计算机文件、海报、医院网站等方式来帮忙回答问题,不必记忆所有的东西,但必须正确地说出相关资料的查阅位置和方法。
5.回答问题时可以参照政策:尽可能举出制度或流程以支持你的答案。
6.在回答检查者的问题时,避免使用含糊之词,要有自信,且回答“这是我们遵守的标准”。
7.在评审专家面前不要表示和同事的答案不统一,或强调你个人的不同意见或作业方式。
8.要有正面的态度:即认为评审专家是来帮我们改进的,要将他们的意见或建议用在改进上。
9.科主任在非必要时不可抢先回答问题,应引导员工向正确的方向回答问题,这样有机会使员工有正确的回答,检查者想看到的是员工怎样,制度有无层层落实。
二、模拟案例的检查应对:1.要熟悉危重病抢救程序及抢救人员的站位,特别要明确指挥者和记录者。
2.模拟案例考核是一种全新的考核方式,各相关部门必需进行多次相互配合的演练,让各个部门都知道有可能都要参与到案例考核中。
等级医院评审,日常检查都可用到,一页一元,物美价廉,求打赏加班费文件审批者:发布日期:操作者从事本项工作前,必须认真学习并掌握本手册的内容,严格按照操作规程操作!学习者:休订书册与增补程序内容与日期:学习者:休订书册与增补程序内容与日期:学习者:SOP_14-1 临床微生物学检验标准操作程序一、目的:统一项目操作规程,严格检验质量标准,为临床提供及时、可靠的结果报告。
二、适用范围:微生物鉴定及药物敏感试验。
三、操作人员:XXX、XXX等。
四、操作步骤:1 试剂与材料:1.1 孵育温箱:可调温度范围应由室温至60℃,温箱内要保持一定的湿度。
温箱在使用时,箱内必须放置1只温度计,或设有另外的温度指示仪表,指示每时每刻的温度。
每天早晨第一次开启温箱门后,首先观察温度,随手将温度记录在质控图表中,一旦发现温度升高或降低,应及时调整。
温箱温度正常的波动幅度应为所定温度士1℃。
1.2 显微镜:一般的光学显微镜就可满足常规要求。
自制暗视野(纸片)和萤光光源连接显微镜组成荧光显微镜。
1.3 CO2培养设备:蜡烛罐(以真空干燥罐、放入点燃的蜡烛,将罐盖盖上并密闭)。
1.4 厌氧培养设备:厌氧袋。
1.5 高压灭菌设备:手提式蒸气消毒锅。
1.6 冰箱:每天早晨第一次开启温箱门后,首先观察温度,随手将温度记录在质控图表中,一旦发现温度升高或降低,应及时调整。
温度正常的波动幅度应为所定温度士1℃。
1.7 pH计:系列酸度计。
1.8 离心机:离心物必须密闭,严防污染。
1.9 火焰灯:酒精灯。
1.10 天平:万分之一分析天平和物理天平。
1.11 接种器具:制备好的镍铬丝接种环。
紧急时可用300W的电炉丝自制。
1.12 平皿:塑料的无菌平皿。
1.13 染色液:革兰氏、抗酸、鞭毛、墨汁、异染颗粒染色液,为台湾贝索公司产品。
1.14 培养基:血培养、巧克力、中国兰、麦康凯、SS、克氏铁、碱性、庆大、4号、营养、沙保罗、TTC、血液增菌瓶等使用杭州天和微生物试剂公司产品。
医院迎评手册(检验版)二医院等级评审准备工作要点(一)、医院管理准备工作要点要点一:(4)医疗废物处理落实情况;核验《医疗机构执业许可证》登记范围与实际开展诊疗活动是否相一致,随机抽查多个临床、医技科室排班表等资料看卫生技术人员的执业准入、执业范围情况,查看违规执业、超范围执业情况,要点二:(2)随机抽查、询问管理干部和员工对相关重要管理制度、职责、医疗卫生政策、措施、医德行风等相关知识的掌握,并做好记录。
要点三:要点四:(6)现场查看30万、100万、300万以上医疗设备的完整资料及记录。
要点五:(1)听取总务、基建、维修、保卫、膳食、感染等部门负责人的汇报,个别交流、询问各类管理及医护人员对总务、基建、维修、保卫、膳食、感染重要管理、保障、维修制度,消防水电汽氧等重要部门的突发事件处置和应急预案知晓掌握情况。
(2)查阅医院应急工作组织、职责、流程,各种应急预案及开展有针对性的培训、演练;抽查5名相关人员了解对制度、职责、预案、流程等掌握情况;实地手术室、ICU等重点区域双回路供电,应急物资、设备的储备、管理情况。
(3)实地查看门诊、急诊、医技等部门为患者提供整体服务情况,标示系统、挂牌服务、隐私保护、流程设置等符合情况。
(6)现场查看双回路供电,配电、制氧、锅炉、消防等设备、设施状况,各岗位的工作流程。
(二)、医务准备工作要点(二)要求规章制度健全各级各类人员要认真熟悉有关工作制度和岗位职责,评审检查时要抽查相关人员的熟悉情况。
(三)诊疗护理常规,技术操作规程必备,要求人人掌握,评审检查时也要抽查相关人员的熟悉情况。
要点二、组织管理:医院应有健全的科学管理体系,组织机构设置合理、高效,各项管理工作均有专(兼)职人员负责。
(一)医疗质量管理1、建立健全院、科室质控小组、个人三级质控体系,制定质量管理方案,完善医疗质量管理内部约束机制,定期对医疗、护理、医技、药剂、病案质量管理进行监督检查、评审、提出整改意见。
三级医院评审医技组药事检查手册一、检查人员、时间及范围(一)检查人员及时间:共2人检查,共需3天,其中检查时间为二天半,评估总结时间为半天。
(二)检查范围:药学部(办公室、中西药库、门诊药房、急诊药房、住院药房、制剂室、临床药学室、质量监控室、药学信息维护室等)、临床科室(病区)、手术室、感染办、检验科、信息中心、护理部、医务处、教育处等。
二、时间安排与人员分工(一)第一天上午:先集中听取汇报,汇报会结束后,按“四、检查方法”,甲、乙共同对“(一)医院药事管理相关资料档案情况”进行检查。
(二)第一天下午:2人分头检查。
1、甲检查“(二)药品采购供应、储存养护等管理情况、(五)医院制剂管理情况”。
2、乙检查“(三)药品调剂管理情况、(四)肠外营养液和危害药物等静脉用药的集中调配管理”。
(三)第二天全天:2人分头检查。
1、甲检查“(六)临床药学工作开展情况、(七)抗菌药物监测管理”。
2、乙检查“(八)临床科室(病区)用药管理、(九)药品质量监督管理、(十)药学信息管理、(十一)药学部质量与安全管理”。
(四)第三天上午:甲、乙各自补缺补差,对照标准完成所有项目检查。
(五)第三天下午:集中汇报检查情况,并进行评分,撰写检查总结。
三、检查内容(一)第三章患者安全第五节、特殊药物的管理,提高用药安全:2条(3款)第一条(3.5.1):对高浓度电解质、易混淆(听似、看似)的药品有严格的贮存要求,并严格执行麻醉药品、精神药品、放射性药品、医疗用毒性药品及药品类易制毒化学品等特殊管理药品的使用与管理规章制度。
第1款(3.5.1.1):严格执行麻醉药品、精神药品、放射性药品、医疗用毒性药品及药品类易制毒化学品等特殊管理药品的使用与管理规章制度。
第2款(3.5.1.2):有高浓度电解质、听似、看似等易混淆的药品贮存与识别要求。
第二条(3.5.2):处方或用药医嘱在转抄和执行时有严格的核对程序,并由转抄和执行者签名确认。
(一)临床组共五人检查,检查时间为二天半。
(二)检查范围:内科系统、外科系统、手术室、麻醉科、重症医学科、门诊部、急诊科、病案室、介入科、血液净化中心、放疗科、康复科、感染性疾病科、新生儿科、中医科、高压氧舱管理、医务部、质管办。
(三)五人分工:甲:内科系统随机两个科、血液净化、肿瘤和放疗、康复、中医;乙:内科系统随机两个科、介入诊疗、感染性疾病科、新生儿室;丙:外科系统随机两个科、重症医学科、急诊科;丁:外科系统随机两个科、手术室、麻醉与镇痛;戊:医务部、质管办、门诊部,病案室、高压氧舱、三基及法律法规考试。
(一)第一天上午:先集中听取汇报,汇报会结束后甲乙丙丁检查内外各一个科,另一个人组织三基考试( 1 小时),考试结束后查病案室;(二)第一天下午和第二天上午:五个人分头检查,完成其他各科室检查工作,包括追踪检查;(三)第二天下午:五个人查病历,核对必备技术指标达标情况和相关统计指标(包括病历评分和统计甲级病历率);(四)第三天上午,补缺补差,按照标准全部检查完所有项目;(五) 第三天下午:集中汇报检查情况,并进行评分,撰写检查总结。
(一)第二章医院服务(除第五节基本医疗保障服务管理为管理组):第一节、预约诊疗服务3 项第二节、门诊流程管理6 项第三节、急诊绿色通道管理5 项、其中核心项目2第四节、住院、转诊、转科服务流程管理5 项第六节、患者的合法权益5 项、其中核心项目1第七节、投诉管理5 项、其中核心项目1第八节、就诊环境管理6 项(二)第三章患者安全(第四节执行手卫生规范为院感组,第五节特殊药物的管理为医技组,第七八节为护理组):第一节、确立查对制度,识别患者身份4 项、其中核心项目1第二节、确立在特殊情况下医务人员之间有效沟通的程序、步骤3 项第三节、确立手术安全核查制度,防止手术患者、手术部位及术式发生错误3 项、其中核心项目1第六节、临床“危(wei)险值”报告制度2 项、其中核心项目1第九节、妥善处理医疗安全(不良)事件 3 项、其中核心项目 1第十节、患者参预医疗安全2 项(三)第四章医疗质量管理与持续改进:第一节、质量与安全管理组织5 项第二节、医疗质量管理与持续改进13 项第三节、医疗技术管理9 项、其中核心项目3第四节、临床路径与单病种质量管理与持续改进7 项第五节、住院诊疗管理与持续改进26 项第六节、手术治疗管理与持续改进15 项、其中核心项目2第七节、麻醉管理与持续改进19 项、其中核心项目2第八节、急诊科管理与持续改进16 项、其中核心项目1第九节、重症医学科管理与持续改进8 项、其中核心项目3第十节、感染性疾病管理与持续改进9 项第十一节、中医管理与持续改进5 项第十二节、康复治疗管理与持续改进10 项第十三节、疼痛治疗管理与持续改进5 项第二十一节、介入诊疗管理与持续改进12 项第二十二节、血液净化管理与持续改进19 项第二十四节、医用氧舱管理(可选) 11 项第二十五节、放射治疗管理与持续改进 (可选) 14 项第二十七节、病历(案)管理与持续改进16 项、其中核心项目 2 共266 个项目,其中核心条款21 项。
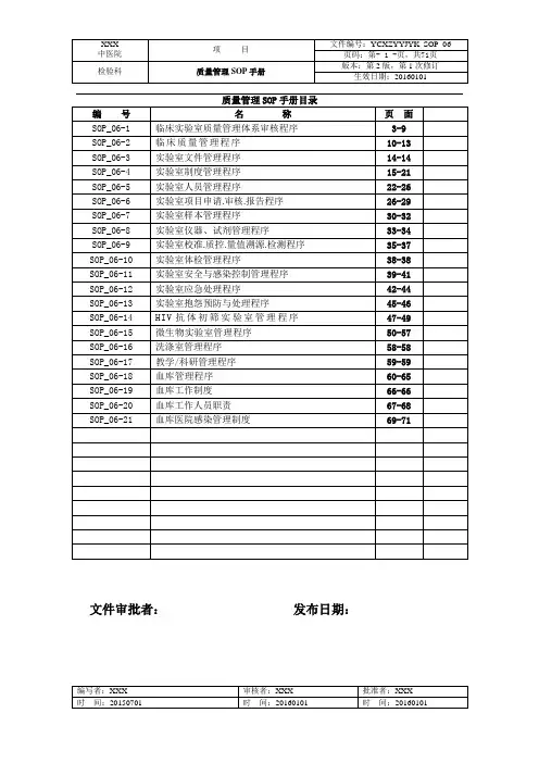
文件审批者:发布日期:操作者从事本项工作前,必须认真学习并掌握本手册的内容,严格按照操作规程操作!学习者:休订书册与增补程序内容与日期:学习者:休订书册与增补程序内容与日期:学习者:SOP_06-1 临床实验室质量管理体系审核程序一、目的:发现实验室质量管理体系运行中存在的问题,并及时加以纠正,以确保质量管理适应检验医学不断发展的需要。
二、适用范围:实验室质量管理体系。
三、支持性文件:《临床实验室管理办法》、《全国临床检验操作规程》等。
四、执行人员:XXX、XXX、XXX、XXX等。
五、操作程序:内部与管理评审程序评审员资格1、内审与管理评审员须经专业培训,并获取相关证书后方有资格作评审。
2、根据本实验室的特殊性,由获得证书者培训其它成员,并力争在短期内参加相应培训以获取证书。
内部评审1、实验室根据年度内审的计划表以及内审程序,每年进行。
2、达到验证检验科质量活动的运作是否能够符合质量体系和实验室认可准则的要求。
内审组织1、实验室内审由质量主管负责策划、组织内审。
2、检验科内审的组织机构质量主管:XXX、XXX。
秘书:XXX。
成员:XXX、XXX、XXX、XXX。
内审时间1、内部审核于每年的11月下旬组织、实施。
2、由于投诉等原因,影响质量体系或质量活动时,科主任认为需要时可以用附加审核随时地起动内审。
内审内容1、内部审核的范围:附件12、内部审核的内容应涉及质量体系的全部要素(质量检查表格)。
3、重要的要素(原始记录、检测结果)可多次审核。
内部评审流程1、内部审核的流程是依据:《检测和校准实验室认可准则》。
2、内部审核的流程主要有计划、审核准备、实施(检查)、报告和制定纠正措施及跟踪措施的有效性。
审核准备(4.13.1)1、由内审员完成对于质量体系文件审查。
2、设计检查表(要素与其对应的序号、内容以及评分标准)。
首次会议(4.13.2)1、组长主持会议,参加该会议的人员:检验科主任、被审核部门负责人(专业组长)、内审员及质量管理小组成员。
等级医院评审,日常检查都可用到,一页一元,物美价廉,求打赏加班费文件审批者:发布日期:操作者从事本项工作前,必须认真学习并掌握本手册的内容,严格按照操作规程操作!学习者:休订书册与增补程序内容与日期:学习者:休订书册与增补程序内容与日期:学习者:SOP_15-1 冰箱维护和保养标准操作程序【目的】对冰箱进行适当的维护,以确保冰箱的正常使用。
【适用范围】本实验室使用的各种品牌、型号的冰箱。
【该SOP变动程序】本标准操作程序的改动,可由任一使用本SOP的工作人员提出,并报经下述人员批准签字:专业主管、科主任。
【操作】1. 冰箱应放置于水平地面并留有一定的散热空间。
2. 外接电源电压必须匹配,并要求有良好的接地线。
3. 冰箱内禁止存放与本实验室无关的物品。
4. 放入冰箱内的所有试剂、样品、质控品等必须密封保存。
5. 保持冰箱出水口通畅;非自动除霜冰箱应定期除霜;定期清洁冰箱,清洁时切断电源,用软布蘸水擦拭冰箱内外,必要时可用中性洗涤剂。
6. 每日由专人负责观察冰箱内温度并记录于表中,记录表贴于门上,每月一张,一年装订成册存档。
7. 若温度超出规定范围,调节温控使其回到正常范围,并进行记录。
8. 若温控调节无效,报请设备科维修,修理后须验收合格并签字后方能正常使用。
【相关记录】《冰箱温度登记表》SOP_15-2 电热恒温培养箱维护和保养标准操作程【目的】电热恒温培养箱工作温度恒定。
【适用范围】本实验室内的所有电热恒温培养箱【该SOP变动程序】本标准操作程序的改动,可由任一使用本SOP的工作人员提出,并报经下述人员批准签字:专业主管、科主任。
【操作】1、培养箱应置于坚固的水平面上,电源电压须匹配。
2、打开电源开关,把温度控制器的温度调节旋钮至设定温度。
3、搁置工作物后关上箱盖,直到需取用时拿出;【注意事项】1、为确保培养目的实现,外插温度计应为合格品,并随时观察温度是否正确;2、为确保仪器内钢制金属内壳与搁板不受腐蚀,酸碱试剂不得置于箱内;3、箱壳必须有效接地,若有电感,应立即切断电源,检查排除故障;【仪器维护】1、日常维护每日两次记录温度情况;2、定期定期每年由市质量监督所检测温度;【相关记录】《恒温培养箱温度登记表》。
等级医院评审临床检验检评审手册
一、临床检验组检查人员及安排
1、临床检验检查组由1人组成,检查时间为二天半。
2、检查范围:检验科、发报告的临床实验室及被追踪到的相关临床科室和职能部门。
二、时间安排
1、第一天上午:先集中听取汇报,汇报会结束后,查阅各类文件。
主要包括:质量手册、程序文件、SOP和记录表单。
检查过程中应重点了解文件的规范性、可操作性和覆盖面等,并抽查2-3名技术人员,了解其对质量体系文件的理解和掌握情况。
2、第一天下午和第二天全天:现场检查和追踪检查。
参照《卫生部2011版三甲医院评审标准》,按《安徽省实施细则》中的评审方法逐项检查,并做记录。
3、第三天上午:补缺补差,按照标准完成全部检查项目。
4、第三天下午:汇总检查情况,并进行评分,撰写检查总结。
三、检查内容
1、十六、临床检验管理与持续改进的全部条款
四、检查方法
参照《卫生部2011版三甲医院评审标准》《安徽省实施细则》中的评审方法,采取问、听、看、查阅文件、现场检查和追踪检查相结合的方式,完成所有检查内容。
五、检查要求
1、检查资料要求为卫生部2011版标准颁布以后评审周期内的全部资料。
2、不进行现场评分,只记录现场检查情况。
3、注重质量的持续改进。
六、追踪检查内容和方法
1、临床检验项目满足临床需要,保证每一项结果的准确性,结果报告时间满足临床诊疗需求,报告单格式规范统一
2、危急值登记与报告
七、备注:追踪检查只是为了简化检查流程,流程图中未覆盖的内容需另行检查,最终评分以2011版标准中的评审要点为准。