安全评价试题A答案
- 格式:docx
- 大小:17.79 KB
- 文档页数:10
安全评价期末考试题及答案一、选择题(每题2分,共20分)1. 安全评价的目的是:A. 确定安全风险的大小B. 预防和控制事故的发生C. 制定安全措施D. 以上都是2. 安全评价的分类不包括:A. 定性评价B. 定量评价C. 预评价D. 后评价3. 以下哪项不是安全评价的方法:A. 检查表法B. 事件树分析法C. 风险矩阵法D. 财务分析法4. 安全评价的依据通常不包括:A. 安全法规B. 安全标准C. 企业内部规定D. 事故案例5. 安全评价的基本原则不包括:A. 系统性原则B. 预防性原则C. 客观性原则D. 随意性原则二、判断题(每题1分,共10分)1. 安全评价必须由具有相应资质的专业人员进行。
(对)2. 安全评价可以只针对企业内部进行,不需要考虑外部环境。
(错)3. 安全评价的目的是确定安全风险的大小,因此不需要制定安全措施。
(错)4. 安全评价的分类包括定性评价和定量评价。
(对)5. 安全评价的依据只包括安全法规和安全标准。
(错)三、简答题(每题10分,共30分)1. 简述安全评价的一般流程。
2. 描述事件树分析法在安全评价中的应用。
3. 解释安全评价中的风险矩阵法的基本原理。
四、案例分析题(每题15分,共30分)1. 某工厂在进行安全评价时,发现存在火灾隐患。
请分析该工厂应采取哪些安全措施?2. 假设你是一家化工厂的安全评价员,请根据安全评价结果提出改进建议。
安全评价期末考试题答案一、选择题答案1. D2. D3. D4. C5. D二、判断题答案1. 对2. 错3. 错4. 对5. 错三、简答题答案1. 安全评价的一般流程包括:确定评价对象和范围、收集相关资料、识别危险因素、分析危险因素、评价风险、制定安全措施、编制评价报告。
2. 事件树分析法在安全评价中用于分析事故发展过程中的各个事件,通过构建事件树,确定可能导致事故的各种条件和途径,从而评估事故发生的可能性和严重性。
3. 风险矩阵法通过确定风险的可能性和后果的严重性,将风险分为不同的等级,以便采取相应的控制措施。
安全评价师考试综合知识考试历年真题汇总含答案参考1. 多选题:安全评价是一个行为过程,该过程包括:()A.项目工程的可行性研究B.评价危险程度C.确定危险是否在可承受的范围D.项目的施工图设计正确答案:BC2. 单选题:专家评审后的预评价报告由()审批。
A、安全生产综合管理部门B、预评价单位主管部门C、建设单位主管部门D、工会、卫生、劳动行政、消防部门正确答案:A3. 单选题:关于职业病诊断机构,下列说法正确的是。
()A.职业病诊断应当由省级以上人民政府卫生行政部门批准的医疗卫生机构承担B.职业病诊断应当由省级人民政府卫生行政部门批准的医疗卫生机构承担c.职业病诊断应当由市级人民政府卫生行政部门批准的医疗卫生机构承担D.职业病诊断应当由县级人民政府卫牛行政部门批准的医疗卫生机构承担正确答案:A4. 判断题:油浸电力变压器室、油开关、高压电容器等不能使用二氧化碳灭火器灭火。
正确答案:错5. 单选题:预先危险性分析法力求达到的目的有4个,下列不属于其中的是。
()A.大体识别与系统有关的主要危险B.鉴别产生危险的原因c.预测事故出现对人体及系统产生的影响D.分析、确定已识别的危险性等级,并消除或控制危险性正确答案:D6. 多选题:道化法计算安全措施补偿系数,安全措施分()几类。
A设备控制B工艺控制C物质隔离D防火措施正确答案:BCD7. 多选题:职业病是指企业、事业单位和个体经济组织的劳动者在职业活动中,因接触而引起的疾病。
()A.粉尘B.放射性物质c.除A、B外的其他有毒、有害物质D.危险化学品正确答案:ABC8. 单选题:在压力容器的操作条件中,易燃介质是指与空气混合的爆炸下限小于10%,或爆炸上限与下限值之差()20%的气体,如一甲胺、乙烷、乙烯等。
A.大于等于B.小于等于C.大于D.小于正确答案:A9. 单选题:不属于新进人员人厂教育的是项。
()A.厂级教育B.部门级教育c.车问级教育D.班组级教育正确答案:B10. 单选题:在工业毒性危险化学品对人体的危害中,窒息涉及对身体组织氧化作用的干扰,这种症状分为3种,其中不包括()。
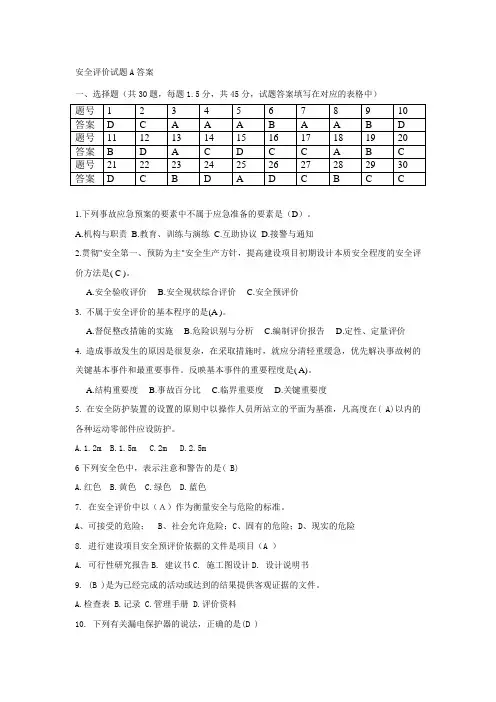
安全评价试题A答案一、选择题(共30题,每题1.5分,共45分,试题答案填写在对应的表格中)1.下列事故应急预案的要素中不属于应急准备的要素是(D)。
A.机构与职责B.教育、训练与演练C.互助协议D.接警与通知2.贯彻"安全第一、预防为主"安全生产方针,提高建设项目初期设计本质安全程度的安全评价方法是( C )。
A.安全验收评价B.安全现状综合评价C.安全预评价3. 不属于安全评价的基本程序的是(A )。
A.督促整改措施的实施B.危险识别与分析C.编制评价报告D.定性、定量评价4. 造成事故发生的原因是很复杂,在采取措施时,就应分清轻重缓急,优先解决事故树的关键基本事件和最重要事件。
反映基本事件的重要程度是( A)。
A.结构重要度B.事故百分比C.临界重要度D.关键重要度5.在安全防护装置的设置的原则中以操作人员所站立的平面为基准,凡高度在( A)以内的各种运动零部件应设防护。
A.1.2mB.1.5mC.2mD.2.5m6下列安全色中,表示注意和警告的是( B)A.红色B.黄色C.绿色D.蓝色7. 在安全评价中以(A)作为衡量安全与危险的标准。
A、可接受的危险;B、社会允许危险;C、固有的危险;D、现实的危险8. 进行建设项目安全预评价依据的文件是项目(A )A. 可行性研究报告B. 建议书C. 施工图设计D. 设计说明书9. (B )是为已经完成的活动或达到的结果提供客观证据的文件。
A.检查表B.记录C.管理手册D.评价资料10. 下列有关漏电保护器的说法,正确的是(D )A 漏电保护器在日常使用中,不可在通电状态下按试验按钮来检验其是否灵敏可靠B.漏电保护器安装点以后的线路不可以对地绝缘C.漏电保护器安装点以后的线路可以对地绝缘D. 漏电保护器既可以用来保护人身安全,还可用来对低压系统或设备的对地绝缘状况起到监督作用11. 参照《企业职工伤亡事故分类》(GB6441-86),综合考虑起因物、引起事故的诱导性原因、致害物、伤害方式等,将危险因素分为(B)类。
粮农食品安全评价试题含参考答案一、单选题(共80题,每题1分,共80分)1、测谷类、香料样品中的水分采取最佳的方法是( )A、真空干燥法B、蒸馏法C、卡尔-费休试剂法D、直接干燥法正确答案:B2、致病性乙型溶血性链球菌,产生的链激酶能激活人体中()使成为血浆蛋白酶。
A、血清蛋白B、血浆蛋白C、血浆蛋白酶原D、纤维蛋白正确答案:C3、实验室灰尘对下列情况影响说法欠妥当的是()。
A、对微量成分的分析结果影响很大B、对食物成分定性鉴定影响很大C、对微生物繁殖传播有利D、对仪器的稳定性影响很大正确答案:B4、偶然误差的性质是()A、在多次平行测定中重复出现B、对分析结果的影响比较恒定C、随机产生D、增加测定次数不能使其减小正确答案:C5、有关水的电离,下列说法中不正确的是()。
A、25℃,1升水有10-7mol/L水发生电离B、在25℃时,KW=1.00×10-14C、水是极弱的电解质D、水难电离是由于生成了缔合物正确答案:D6、试剂中含有微量被测组分,可采用()予以减免。
A、回收率试验B、对照实验C、平行试验D、空白试验正确答案:D7、由于试剂不纯引起的误差是()。
A、过失误差B、或然误差C、系统误差D、偶然误差正确答案:C8、碘量法测定酒精中醛的含量,加入过量的碳酸氢钠的作用是()。
A、消除样品中醇和酯的干扰B、与样品中的醛作用C、将醛与亚硫酸氢钠的加成物分解游离出来D、与过量的亚硫酸氢钠作用正确答案:C9、用pH计测定试样溶液的有效酸含量时,影响因素是()。
A、测定时的环境温度B、测定时的环境湿度C、试样溶液的颜色D、取酱油试样的体积正确答案:A10、下列说法不对的是()。
A、溶液要用带塞的试剂瓶盛装B、见光易分解的溶液要装于棕色瓶中C、盛装挥发性试剂的试剂瓶不需要安装瓶塞D、盛装见空气易变质试剂的试剂瓶瓶塞要严密正确答案:C11、根据重量分析分类,食品中粗脂肪测定属于()。
A、沉淀重量法B、萃取重量法C、电解重量法D、气化重量法正确答案:B12、一般地高甲氧基与低甲氧基果胶是以多少浓度为界。
安全评价人员培训试题单位:XX:得分:一、填空题(下列各题中给出了一些括号,请把正确的答案填在括号里。
共36 个空,每空 0.5 分,计 18 分。
)1、安全评价的四个基本原理分别是相关性原理、(类推原理)、(惯性原理)和(量变到质变原理)。
2、按照国家安全生产监督管理局第“安监管技装字 [2002]45 号”文件,安全评价分为(安全预评价)、安全验收评价、(安全现状综合评价)和专项安全评价。
3、安全预评价是根据(建设项目可行性研究报告)的内容,分析和预测该建设项目存在的危险、危害因素的种类和程度,提出合理可行的(安全技术设计和安全管理建议的过程)。
4、“三同时”是指生产经营单位的新建、改建、扩建工程项目的(安全设施),必须与主体工程同时设计、同时施工、(同时投入生产和使用)。
5、《中华人民XX国安全生产法》第二十五条规定,矿山建设项目和用于生产、(储存)危险物品的建设项目,应当分别按照国家有关规定进行安全条件论证和安全评价。
6、根据《生产过程危险和有害因素分类与代码》(GB/T13816-92) ,将危险危害因素分为6 大类、 37 个小类。
这 6 大类分别是:物理性危险、危害因素,(化学性)危险、危害因素,生物性危险、危害因素,(心理、生理性)危险、危害因素,行为性危险、危害因素和其他危险、危害因素。
7、安全生产法律法规是指调整在生产过程中产生的同劳动者或(生产人员)的安全与健康,以及与生产资料和(社会财富安全保障)有关的各种社会关系的法律法规的总和。
即有关安全生产过程中的规律、规程、条例、规X和技术标准的总称。
8、职业病是指企业、事业单位和个体经济组织的劳动者在职业活动中,因接触 ( 粉尘 ) 、( 放射性物质 ) 和其他有毒、有害物质等因素引起的 ( 疾病 ) 。
9、按可燃物性质不同,把火灾分为A 类火灾、 B类火灾、 C 类火灾和 D类火灾。
其中:A 类火灾是指(含碳固体可燃物)火灾,B 类火灾是发生在(易燃液体表面)的火灾。
2023年风险评价、安全评价师知识试题库(附含答案)一、选择题1.下列说法正确的是()A.风险评价方法不是一个单一的、确定的分析方法B.在选择风险评价方法时,应选择“最佳”的评价方法C.风险评价方法并不是决定风险评价结果的唯一因素D.风险评价方法的选择依赖于评价人员对评价结果的不断了解和实际评价的经验正确答案:ACD2.安全评价是一个行为过程,该过程包括:()A.项目工程的可行性研究B.评价危险程度C.确定危险是否在可承受的范围D.项目的施工图设计正确答案:BC3.进行建设项目安全预评价依据的文件是项目OA.可行性研究报告B.建议书C.施工图设计D.设计说明书正确答案:A4.预先危险分析要达到的基本目标是OA.识别与系统有关的主要危险危害B.鉴别产生危害的原因C.估计和鉴别危害对系统的影响D.将危险、危害分级正确答案:ABCD5、提出的安全对策措施应符合的原则是()。
(多选题)A:针对性B:灵活性C:可操作性D:经济合理性正确答案:A,C,D6、下列属于评价单元的工艺对策措施的包括()。
(多选题)A:机械化和自动化工艺对策措施B:安全检测工艺的对策措施C:防火防爆工艺对策措施D:静电工艺控制对策措施E:保险装置工艺对策措施正确答案:C,D7、企业生产、经营活动合法证明材料为()。
(多选题)A:批准文件B:地质勘探报告书C:采场详细设计文件D:矿山安全基础资料正确答案:A,B,D8、风险分析应在安全评价项目合同签订O进行。
(单选题)A:之前B:同时C:7日内D:之后,评价开始之前正确答案:A9、对于额定蒸发量大于O.5t∕h或者大于4t∕h且装有可靠超压连锁保护装置的蒸汽锅炉,应当至少装设O个安全阀。
(单选题)A:1B:2C:3D:4正确答案:B10、矿井通风系统的有效风量率()。
(单选题)A:高于60%B:低于60%C:高于40%D:低于40%正确答案:A11、根据《道路交通安全法》,机动车载运爆炸物品、易燃易爆化学物品以及剧毒、放射性等危险物品,应当经公安机关批准后,按指定的时间、路线、速度行驶,()警示标志并采取必要的安全措施。
安全评价期末考试试题及答案一、选择题(每题2分,共20分)1. 安全评价的目的是什么?A. 确定事故的直接原因B. 预防事故发生C. 提高生产效率D. 增加企业利润2. 以下哪项不是安全评价的基本原则?A. 客观性原则B. 系统性原则C. 经济性原则D. 预防性原则3. 安全评价方法中的“检查表法”主要用于评估什么?A. 事故概率B. 事故后果C. 事故原因D. 事故风险4. 风险矩阵法中,风险等级的确定是基于哪两个因素?A. 事故概率和事故后果B. 事故原因和事故后果C. 事故原因和事故概率D. 事故原因和事故影响范围5. 以下哪个不是安全评价的阶段?A. 准备阶段B. 危险辨识C. 风险评估D. 事故处理6. 根据《安全生产法》,企业应当如何进行安全评价?A. 定期进行B. 根据需要进行C. 仅在发生事故后进行D. 仅在企业成立时进行7. 安全评价报告中通常不包含以下哪项内容?A. 危险辨识结果B. 风险评估结果C. 事故处理方案D. 安全管理措施建议8. 以下哪个不是安全评价的常用工具?A. 事故树分析B. 事件树分析C. 风险矩阵法D. 财务报表分析9. 安全评价中,如何确定风险的可接受程度?A. 根据企业规模B. 根据行业标准C. 根据法律法规D. 根据个人经验10. 安全评价的最终目的是?A. 确定企业是否安全B. 制定安全管理制度C. 为决策提供科学依据D. 为员工提供安全培训二、判断题(每题1分,共10分)1. 安全评价的目的是确定事故的直接原因。
(错误)2. 安全评价的基本原则包括客观性原则和预防性原则。
(正确)3. 检查表法主要用于评估事故概率。
(错误)4. 风险矩阵法中,风险等级的确定是基于事故概率和事故后果。
(正确)5. 安全评价的阶段包括准备阶段、危险辨识、风险评估和事故处理。
(错误)6. 根据《安全生产法》,企业应当定期进行安全评价。
(正确)7. 安全评价报告中不包含事故处理方案。
2023-2024年安全培训考试试题及参考答案(A卷)单位:_______ 姓名:_______ 时间:_______ 分数:____ 满分:100一、单选题(30题每题1分,共30分)1.用灭火器进行灭火的最佳位置是( )。
A.下风位置B.离起火点10米以上的位置C.上风或侧风位置D.离起火点10米以下的位置2.可燃气体混合物的初始温度越高,使爆炸下限,上限增高,爆炸极限范围增大;()。
A.降低B.增高C.不变3.油锅起火应该使用( )的方法扑灭。
A.水B.盖锅盖C.扔出去4.电流为()毫安时,称为致死电流。
A.50B.100C.1505.完善安全生产应急救援管理体系中,健全完善()。
A.综合应急预案B.专项应急预案C.专项应急救援预案和现场处置方案D.现场处置方案6.特种设备就是容易出现事故的大型设备。
()A.√B.×7.致人死亡的电流值是多少,( )。
A.0.1安培B.0.5安培C.1安培8.一个灭火器设置点的灭火器配置数量不宜多于()具。
A.2B.3C.59.确定最大危险原则是:如果危险源具有多种危险物质或多种事故形态,按( )考虑。
A.后果最严重的危险物质或事故形态B.后果不严重的危险物质或事故形态C.没有后果的危险物质或事故形态10.当液化气罐内的气量不足时,应( )。
A.放在热水中加热B.换气C.把气罐横放11.从业人员有权对本单位安全生产工作中存在的问题提出批评、()、控告;有权拒绝违章指挥和强令冒险作业。
A.起诉B.检举C.仲裁12.在维修过程中,应严格遵守安全操作规程,正确穿戴好()。
做好现场交接班制度,同时妥善保管好现场材料备件、工具等。
A.劳保用品B.化妆品C.隔离衣13.泡沫不能用于扑救( )火灾。
A.塑料B.汽油C.煤油D.金属钠14.根据易制毒化学品管理条例,是可以用于制毒的主要原料;()。
A.第二类B.第一类C.第三类15.某中央企业按照《企业安全生产责任体系五落实五到位规定》(安监总办(2015)27号)要求,进一步健全“五落实、五到位”安全生产责任体系,强化安全生产主体责任落实,采取的以下做法中,符合“五落实”要求的是( )。
《安全评价》题集一、选择题(共10小题,每题5分)1.安全评价的目的是什么?( )A. 评估系统的安全性,发现潜在危险并提出改进措施B. 增加系统的复杂度,提高技术挑战性C. 单纯为了满足法律法规要求,无实际意义D. 评估系统的经济效益,忽略安全风险答案:A解析:安全评价的主要目的是通过系统分析,评估系统的安全性,识别潜在的危险因素,提出相应的改进措施,以降低事故发生的可能性和后果的严重性。
2.下列哪项不属于安全评价的基本原则?( )A. 科学性原则,依据科学的方法和程序进行评价B. 公正性原则,确保评价过程和结果不受外界干扰C. 保密性原则,对所有评价信息严格保密,不向任何人透露D. 综合性原则,全面考虑系统的各个方面和因素答案:C解析:安全评价的基本原则包括科学性、公正性、合法性和综合性等。
保密性虽然重要,但不是安全评价的基本原则之一,因为评价结果往往需要向相关部门或公众公开,以确保透明度和监督。
3.在进行危险源辨识时,应优先考虑哪种危险源?( )A. 发生概率极低但后果极其严重的危险源B. 发生概率高且后果严重的危险源C. 发生概率高但后果轻微的危险源D. 发生概率低且后果轻微的危险源答案:B解析:在进行危险源辨识时,应优先考虑那些发生概率高且后果严重的危险源,因为这些危险源对系统的安全威胁最大,需要优先进行控制和管理。
4.安全评价报告中,风险等级的划分通常依据什么标准?( )A. 危险源的数量B. 事故发生的可能性和后果的严重性C. 系统的复杂程度D. 评价人员的经验判断答案:B解析:安全评价报告中,风险等级的划分通常依据事故发生的可能性和后果的严重性。
通过综合考虑这两个因素,可以对系统的风险进行量化评估,并划分出不同的风险等级。
5.下列哪项不属于安全评价的方法?( )A. 预先危险性分析法(PHA)B. 故障树分析法(FTA)C. 事件树分析法(ETA)D. 主观臆断法答案:D解析:安全评价的方法包括多种,如预先危险性分析法(PHA)、故障树分析法(FTA)、事件树分析法(ETA)等。
题号一二三四五六七总分分数20 10 10 30 30 ——100 合分人:复查人:分数评卷人一、简答题:(5分/题,计20分)1. 建构筑物危险危害因素辨识主要考虑哪些方面?火灾危险性分类、耐火等级、结构、层数、占地面积、防火间距、安全疏散、泄爆面积等方面进行分析辨识。
2. 安全技术对策措施主要从哪几个方面考虑?生产场地及厂区平面布置的对策措施;防火、防爆对策措施;电气安全对策措施;机械伤害对策措施;有害因素控制对策措施;其他安全对策措施等。
3. 安全验收评价的工作程序?前期准备;编制安全验收评价计划;安全验收评价现场检查;编制安全验收评价报告;安全验收评价报告评审。
4. 起重伤害主要指什么?是指各种起重作业(包括起重机安装、检修、试验)中发生的挤压、坠落、(吊具、吊重)物体打击和触电。
分数评卷人二、公式推导(10分)已知气体喷射扩散浓度分布的在轴线上点x且垂直于喷射轴线的平面任一点的气体浓度的计算公式为:式中:c (x,y)—距泄漏口x处且垂直于喷射轴线的平面内y点的气体浓度,kg/m3;c(x) —喷射轴线上距泄漏口x处的气体浓度,kg/m3;b2—分布函数,;y—目标点到喷射轴线的距离,m。
请推导气体喷射扩散截面上浓度为轴线浓度10%的园半径公式。
解:依题条件有:c (x,y)/c (x) = 10%,解得:y = x所以气体喷射扩散截面上浓度为轴线难度10%的园半径公式为:y = x分数评卷人三、论述HAZOP法的评价步骤及适用性。
(10分)1 分析的准备1)确定分析的目的、对象和范围。
2)分析组的构成。
HAZOP研究小组一般由4~8人组成,每个成员都能为所研究的项目提供知识和经验,小组尽可能小但足够有效,最大限度发挥每个成员的作用。
3)获得必要的文件资料。
4)将资料变成适当的表格并拟定分析顺序。
对连续过程,工作量最小。
5)安排会议次数和时间。
有关数据和图纸收集整理完毕,制定会议计划。
安全评价师(理论)知识A 试卷 注 意 事 项 1、考试时间:120分钟。
2、本试卷依据《国家职业资格标准·安全评价师(一级)》(试行)命制。
3、请首先按要求在试卷的标封处填写您的姓名、准考证号和所在单位的名称。
4、请仔细阅读各种题目的回答要求,在规定的位置填写您的答案。
5、不要在试卷上乱写乱画,不要在标封区填写无关的内容。
一、单选题(1-20题,每题1分,共20分) 1、区域内的生产经营单位发生事故后,( )。
A 、不会影响区域内其它单位的生产经营活动。
B 、需要对区域内的人员立即紧急疏散。
C 、可能产生严重的连带、重叠影响。
D 、 其它单位不用关注。
2、《安全生产法》规定,矿山、金属冶炼、建筑施工、道路运输单位和危险品的生产、经营、储存单位,应当设置安全生产管理机构或者配备专职安全生产管理人员。
上述以外的其他生产经营单位,从业人员超过( )人的应当设置安全生产管理机构或者配备专职安全生产管理人员。
A 、100 B 、400 C 、300 D 、350 3、系统安全认为,事故发生的根本原因是系统中存在的( )。
A 、 危险源 B 、人工作业 C 、机械 D 、人工作业与机械 4、安全评价师标准是一项国家职业标准,是由国家( )组织相关专家制定。
A 、国家环保总局 B 、国家安全生产监督管理总局B 、 国家质量技术监督局 D 、原劳动和社会保障部5、区域危险有害因素辨识方案的编制应遵循科学性、系统性、整体性、( )与可控性原则。
一 二 三 四 五 总 分 得 分 得 分 评分人 考生答题不准超过此线地区姓名 单位 名 称 准 考 证 号A、预测B、唯一性C、经济性D、公平性6、下述选项中,()不属于对区域安全影响的自然条件因素。
A、温、湿度B、风频C、降水D、电力输送7、在自然条件对区域的影响分析中,如工艺条件认为自然条件的温、湿度将影响区域内企业生产的,则在设计过程中应考虑补偿措施,尽可能地满足安全生产的要求。
安全评价师考试模拟试题(附答案)一、选择题1.从事使用高毒物品作业的用人单位应当至少每——对高毒作业场所进行一次职业中毒危害因素检测;至少每——进行一次职业中毒危害控制效果评价。
( )A.三个月,一年B.二个月,半年c.一个月,半年D.六个月,二年2.以下评价方法主要用于设备和机器故障的分析,也用于连续生产工艺。
( )A.安全检查表法B.预先危险分析c.故障树法 D.故障类型及影响分析3.如果工作场所潮湿,为避免触电,使用手动式电动工具的人应——。
( )A.站在铁板上操作B.站在绝缘板上操作c.穿防静电鞋操作 D.不需配备任何防护装置4.下列属于安全管理对策措施。
( )A.建立健全企业安全生产责任制B.提高企业安全生产防护措施C.对关键生产环节或危险、有害的关键设备进行安全评价D.提高生产设备科技含量,加强设备的本质安全化5任何场所的消防通道内,都要装置。
( )A.防火标语及海报B.出路指示灯及照明设备c.消防头盔和防火服装 D.灭火器材6. 是评价机构安全评价工作的核心,表明了评价机构从事安全评价工作的发展方向和行动纲领。
( )A.安全评价过程控制方针B.安全评价过程控制目标c.安全评价报告的编制 D.纠正预防措施7.我国于1990年lO月由国防科学技术工业委员会批准发布了类似美国军用标准MIL—STD一885B的军用标准。
( )A.《系统安全大纲要点》B.《系统安全性通用大纲》c.《系统安全工程手册》 D.《军用通信设备及系统安全要求》8.“矽肺”中的“矽”指元素。
( )A.硅B.铜 c.碳 D.碘9.《防静电事故通用导则》GB 12158—1990中指出,存在静电引爆危险的场所,所有属静电导体的物体必须。
( )A.绝缘 B接地 c.隔离 D屏蔽10.顶上事件发生概率最大的最小割集概率。
( )A.大于B.小于 c等于 D.不确定参考答案1 2 3 4 5 6 7 8 9 10C D B A B D B A D D二、简答题1.某车间使用的热水器如下图所示,该热水器使用煤气做为燃料,装有温度和煤气开关联锁装置,当水温超过规定温度时,联锁动作将煤气关小,如果发生故障,则通过泄压安全阀放出热水。
安全评价师考试试题题库模拟训练含答案【3套练习题】答题时间:120分钟试卷总分:100分姓名:_______________ 成绩:______________第一套一.单选题(共20题)1.事故模式理论是从本质上阐明事故的(),说明事故的发生、发展过程和后果的理论。
A.条件关系B.递进关系C.因果关系D.从属关系2.系统按照()不同可分为:母系统与子系统,自然系统与人造系统,实体系统与概念系统,静态系统与动态系统,控制系统与行为系统等。
A.组成关系B.属性C.结构D.组成关系及属性3.教育培训不够属于导致事故的()原因。
A.物质B.人为C.间接D.环境4.穿防护服或戴防毒面具符合安全技术措施()的原则A消除B预防C减弱D隔离5.某建筑公司在起重机检修过程中,由于操作不慎,造成检修工具高处坠落,砸中一个人头部,导致死亡,根据《企业职工伤亡事故分类》(GB6441-1986)。
该事件属于()。
A.物体打击B.高处坠落C.机械伤害D.起重伤害6.在故障树的计算过程中,属于同一割集中的基本事件,这些事件的()相同。
A.概率重要系数B.基本事件重要系数C.结构重要系数D.故障事件重要系数7.下列属于化学性危险有害因素的是()。
A.传染病媒介物B.设备设施有缺陷C.粉尘与气溶胶D.致病微生物8.为监控输油气管道的运行状况,对油气管线的重要工艺参数及状态应连续监测和记录。
复杂的油气管道应设置计算机监控与数据采集系统,对输油气工艺过程、输油气设备重要的压力、温度、流量、液位等参数应设置()和声光报警功能。
A.低限保护B.连锁保护C.过载保护D.冗余保护9.物质危险性的最大分值定为()。
A.10分B.100分C.1000分D.10000分10.一般来说,人的失误率为(),机器的故障率为()。
A.10-3〜10-2,10-6〜10-4B.10-4〜10-2,10-6〜10-4C.10-6〜10-4,10-3〜10-2D.10-6〜10-4,10-4〜10-211.经测定,某井工煤矿的相对瓦斯涌出量为40m³/to根据《煤矿安全规程》,该煤矿为()矿井。
安全应知应会及水泥企业安全生产标准化评定标准考试卷(考试时间60分钟,满分100分)——A卷姓名:部门:岗位:得分:一、单项选择题(将正确答案序号填在括号内,每题2分,共40分)1. 安委会或安全生产领导机构()应至少召开一次安全专题会,协调解决安全生产问题。
会议纪要中应有工作要求并保存。
A.每月 B.每季度 C.每半年2.生产经营单位应当在有()的生产经营场所和有关设施、设备上,设置明显的安全警示标志。
A.一般危险因素 B.较大危险因素 C.重大危险因素3. 工业管道的基本识别色、识别符号和安全标识》(GB 7231-2003)规定:消防水应该用()标识。
A. 浅灰色 B. 艳绿色 C. 大红色4. 心脏按压术:方法是将触电者仰卧于平地上,救护人将双手重叠,将掌根放在伤员胸骨下()部位。
A.1/2 B. 1/3 C. 1/45. 从业人员在作业过程中,应当严格遵守本单位的安全生产规章制度和( ),服从管理。
A.安全生产责任制 B .操作规程 C. 危险作业管理制度6. 生产经营单位制定或修改有关安全生产规章制度,应当听取()的意见。
A.工会 B.政府 C.职工7.在煤堆场、煤粉制备系统、油库、仓库和稀油站等防火重点部位设灭火装置或( )装置。
A.视频监控 B. 自动报警 C. 红外线感应报警8. 库房内不准设置移动式照明灯具。
照明灯具下方不准堆放物品,其垂直下方与储存物品水平间距不得小于()。
A.0.5米 B. 1.0米 C.1.5米9. 常见安全标志可分为禁止、警告、指令和提示四类。
其中,( )标志的基本型式是正三角形。
A.禁止 B.警告 C.指令10. 动火作业一般分为一级动火、二级动火和()3 类。
A.三级动火 B.一般动火 C.特殊动火11. 水泥企业常用气瓶的检验周期为:一般气瓶(氧气、乙炔)每3年检验一次。
惰性气体(氮气)每()检验一次。
A.5年 B.7年 C.9年12. 《消防法》规定:禁止在具有火灾、爆炸危险的场所吸烟、使用明火。
2015-2016 学年第一学期期末考试试卷A课程代码:B083700004 课程名称:《安全评价》一、单项选择题(2*10=20分)1.进行安全评价时,危险度可用生产系统中事故发生的( )确定。
A.可能性与本质安全性 B.本质安全性与危险性C.危险性与危险源 D.可能性与严重性2。
起重设备在安装、检修、试验过程中发生了的人的挤压、吊具坠落的物体打击和触电事故,引起事故的危险因素为()。
A.物体打击 B.高处坠落C.触电 D.起重伤害3。
贯彻“安全第一、预防为主”安全生产方针,提高建设项目初期设计本质安全程度的安全评价方法是( ).A.安全验收评价 B.安全现状综合评价C.安全预评价 D.专项安全评价4.不属于安全评价的基本程序的是().A.督促整改措施的实施 B.危险识别与分析C.编制评价报告 D.定性、定量评价5.若引起事故发生的结构函数为T=(X1X2+X1X3)(X2+X4),经过布尔代数有关运算法则归并、化简得两个最小割集是( )。
A.{X1,X2},{X1,X3,X4}B.{X1,X3},{X1,X2,X4}C.{X1,X4},{X1,X2,X3}D. {X2,X3},{X1,X2,X4}6.安全预评价是指在项目()应用安全评价的原理和方法对系统的危险性、危害性进行预测性评价.A.可行性报告前 B。
建设中 C.竣工验收时 D。
建设前7。
在进行危险、有害因素的识别时,要全面、有序地进行识别,防止出现漏项,识别的过程实际上就是()的过程。
A.安全预评价 B。
安全评价C。
系统安全分析 D.安全验收8.安全评价程序主要包括:①准备阶段;②定性、定量评价;③结论及建议;④安全对策措施;⑤危险识别;⑥编制报告。
其具体的程序正确的是( )A.①②③④⑤⑥ B。
①⑤②④③⑥ C.①⑤②④⑥③ D. ①②④⑤③⑥9.某工厂废弃烟囱实行定向爆破拆除,由于设计不合理,烟囱未按预定方向倒塌,引起附近房屋坍塌,造成该起事故的危险因素为()。
安全评价试题A答案一、选择题(共30题,每题1.5分,共45分,试题答案填写在对应的表格中)1.下列事故应急预案的要素中不属于应急准备的要素是(D)。
A.机构与职责B.教育、训练与演练C.互助协议D.接警与通知2.贯彻"安全第一、预防为主"安全生产方针,提高建设项目初期设计本质安全程度的安全评价方法是(?C )。
A.安全验收评价B.安全现状综合评价C.安全预评价3. 不属于安全评价的基本程序的是(A )。
A.督促整改措施的实施B.危险识别与分析C.编制评价报告D.定性、定量评价4. 造成事故发生的原因是很复杂,在采取措施时,就应分清轻重缓急,优先解决事故树的关键基本事件和最重要事件。
反映基本事件的重要程度是( A)。
A.结构重要度B.事故百分比C.临界重要度D.关键重要度5.在安全防护装置的设置的原则中以操作人员所站立的平面为基准,凡高度在( A)以内的各种运动零部件应设防护。
C.2m6下列安全色中,表示注意和警告的是( B)A.红色B.黄色C.绿色D.蓝色7. 在安全评价中以(A)作为衡量安全与危险的标准。
A、可接受的危险;B、社会允许危险;C、固有的危险;D、现实的危险8. 进行建设项目安全预评价依据的文件是项目(A )A. 可行性研究报告B. 建议书C. 施工图设计D. 设计说明书9. (B )是为已经完成的活动或达到的结果提供客观证据的文件。
A.检查表B.记录C.管理手册D.评价资料10. 下列有关漏电保护器的说法,正确的是(D )A 漏电保护器在日常使用中,不可在通电状态下按试验按钮来检验其是否灵敏可靠B.漏电保护器安装点以后的线路不可以对地绝缘C.漏电保护器安装点以后的线路可以对地绝缘D. 漏电保护器既可以用来保护人身安全,还可用来对低压系统或设备的对地绝缘状况起到监督作用11. 参照《企业职工伤亡事故分类》(GB6441-86),综合考虑起因物、引起事故的诱导性原因、致害物、伤害方式等,将危险因素分为(B)类。
A.21B.20C.13D.1412. 下面 (D ) 危险源属于第一类危险源。
A. 高速公路上浓雾茫茫B.集聚人群C.建筑物D. 有毒物质13. 所有基本事件的发生概率都等于( A) 时,概率重要系数等于结构重要系数。
A.1/2B.1/3C.1/4D.114. 道化学火灾、爆炸指数评价中,基本最大可能财产损失与安全措施补偿系数的乘积为 (C )A.最大可能工作日损失B.最大可能财产损失C.实际最大可能财产损失D.最大财产损失15.确定分析对象系统,讨论系统中各元件可能产生的失效类型和原因,研究分析元件失效对相邻系统和整个系统之间的影响的系统安全分析方法是(D )。
A.可靠性分析B.事故引发和发展分析C.LEC法D.故障类型和影响分析16.危险和可操作性研究的基本过程是(C )为引导,对过程中工艺状态的变化(偏差)加以确定,找出装置及过程中存在的危害。
A.操作步骤B.工艺参数C.引导词D.事故发生的原因17.以下说法错误的是(C )A.一阶最小割集中出现的所有基本事件结构重要度大于所有高阶最小割集中基本事件的结构重要系数B.两事件结构的重要度系数大小由它们出现的次数决定,出现次数大的系数大C.相比较的两事件仅出现在基本事件个数不等的若干最小径集中D.用最小割集判别基本事件结构重要度顺序与最小径集判别结果一样18.本质安全型防爆电器不论是正常工作或是故障状态下都是安全的,因为其故障放电能量低于工作环境中可燃气体的 (A ) 点火能量。
A.最低B.最高C.正常D.普通19.生产安全是 ( B)相互协调、保持最佳秩序的一种状态。
A.人一物一环境B.人一机一环境C.人一机一系统D.人一物一系统20.通过安全评价,可确定系统存在的危险源及其分布部位、 ( ) ,预测系统发生事故的 ( ) 和严重度,进一步提出应采取的安全对策等。
(C)A.种类,时间B.数目,时间C.数目,概率D.种类,概率21.事故调查属于重在事故应急预案的(D)阶段。
A.应急策划B.应急准备C.应急响应D.现场恢复22. 下列(C )评价法需对物质系数进行温度修正。
a 日本“六阶段”定量评价法b 我国“危险度评价”法c 道化学法d 蒙德法23. 生产或使用闪点为59℃的物质的车间,按火灾危险性等级属于(B)类。
A、甲(<28℃)B、乙(28~60℃)C、丙(≥60℃)24.进行安全评价时,危险度可用生产系统中事故发生的( D)确定。
A.可能性与本质安全性B.本质安全性与危险性C.危险性与危险源D.可能性与严重性25.以下各种评价方法中属于定量评价方法的有( A)A.故障类型及影响分析B.事件树分析C.共同原因分析D.预先危险性分析26.安全评价报告编制完成后,必须经过审核后才能发放,报告内部审核过程中,下列人员(D)不参加内部审核。
A 报告编制人员B 项目负责人 C质量过程控制人 D技术负责人27. 危险是事故可能性与事故严重性的结合,所以(C)A.事故的可能性增大1倍,危险就增大1倍。
B.事故的严重性增大1倍,危险就增大1倍。
C.事故严重性越大,危险就越大。
D.当事故严重性相同时,危险与事故可能性无关。
28 火灾是安全生产中重大灾害,它的发生不仅烧毁建筑物,而且诱发其他灾变,造成大量人员伤亡。
下图为安全人员编制的失火死亡事故事件树,括号内为事件发生的概率,则失火死亡发生的概率是( B )。
A.0.1 B.0.02C.0.2 D.0.329. 在进行危险、有害因素的识别时,要全面、有序地进行识别,防止出现漏项,识别的过程实际上就是( C )的过程。
A.安全预评价 B.安全评价 C.系统安全分析 D.安全验收30根据风险管理理论,实施风险管理基本程序是:( C )。
A.风险评价、风险控制B.风险分析、提出方案、实施方案C.风险辨识、风险评价、风险控制D.风险调查、原因分析、整改、评审.二、多项选择题(多选、少选均不得分,共15题,每题2分,共30分,试题答案填写在对应的表格中)1.道化法计算安全措施补偿系数,安全措施分(b c d)几类。
A 设备控制B 工艺控制 C物质隔离 D 防火措施2. 失控主要体现在(ABC)。
A、设备故障;B、人员失误;C、管理缺陷;D、外界危险因素影响3. 道化学方法评价过程中的依据是(ACD)。
A、以往的事故统计资料;B、装置的工艺条件;C、物质的潜在能量D、现行安全措施的状况4. 液体易燃性是以闪点作为标准划分的,国家标准规定,液体闪点符合(ABC)的为易燃液体。
A、闪点≤-18℃B、-18℃<闪点<23℃C、 23℃≤闪点≤61℃D闪点>61℃5. 生产工艺装备进行危险有害因素辩识时,应注意考察其在(ABCDEF)情况下会出现的危险、危害。
A、生产及工艺异常时B、开车时C、停车时D、设备故障时E、突然停水停电、停止搅拌时F、相邻单元事故波及时6. 安全评价基本原理有(BCDE)A、因果对应原理;B、相关性原理;C、类推性原理;D、惯性原理;E、量变到质变原理7. 提出的安全对策措施应符合的原则是(ACD)。
A、针对性;B、灵活性;C、可操作性;D、经济合理性;8. 按装置和物质特性划分评价单元,其中可分为(ABCDE)。
A、按装置工艺功能划分;B、按布置的相对独立性划分;C、按工艺条件划分;D、按潜在化学元素能、毒性和物质的数量划分;E、按事故损失程度或危险性划分9. 特种设备是指国家认定的,因设备本身和外在因素的影响容易发生事故,且一旦发生事故会造成人身伤亡及重大经济损失的危险性较大的设备。
下列属于特种设备的是(A、B、C、D)A.电梯。
B.厂内机动车辆。
C.客运索道。
D.防爆电气设备。
10. 安全标志可分为(ABCD ) 类。
A.禁止标志B.警告标志C.指令标志D.提示标志11. 下列属于常用的危险辨识方法的是(A、B、C)A.分析材料性质和生产条件分析方法。
B.经验分析法。
C.重大危险源辨识方法。
D.危险指数评价法。
12. 安全验收评价程序一般包括( A C E )。
A.前期准备,资料收集B.申请安全监督部门批准C.编制验收评价计划和现场检查D.危险源辨识定性和定量分析E.编制评价报告和评审13. 安全评价目的是查找、分析和预测工程、系统存在的危险、有害因素及危险、危害程度(BCE )。
A.调查事故产生原因B.给出合理可行的安全对策措施C.指导危险源监控和事故预防D.提出对当事人的处罚意见E.达到最低事故损失和最优的安全投资效益14. 常用的评价单元划分地原则和方法是(BD)。
A.以装置的工艺功能划分 B.以装置和物质特征划分C.以工艺条件划分 D.以危险、有害因素的类别为主划分E.以装置的昂贵程度划分15. 某工人在具有苯的车间操作冲压机,由于带病作业、思想不集中、误按冲压机开关,导致事故的发生。
请问导致事故的直接原因有(A C D E)。
A.物理性危险、有害因素B.从事禁忌作业C.化学性危险、危害因素D.行为性危险、有害因素E.心理性危险、有害因素三、判断题(共15题,每题1分)1.物质危险的辨识只需从其理化性质,燃烧及爆炸特性方面进行分析与辨识.( ×)2.安全现状综合评价是针对某一个生产经营单位总体或局部的生产经营活动安全现状进行的全面评价.( √)3.根据《常用危险化学品贮存通则》,贮存化学危险品的建筑物不得有地下室或其他地下建筑. √4.《危险化学品安全管理条例》规定,生产、储存、使用剧毒危险化学品企业的生产、储存、使用装置需要每年进行一次安全评价.( ×)5.正常运行不产生电火花,电弧和危险温度的电气设备称为增安型电气设备.( √)6.进行安全评价时,利用具有密切关系(或相似)项目的有关资料,来代替被评价项目所缺少的资料.这种安全评价依据的安全评价原理是代替推算法。
( √)7.根据《建筑设计防火规范》(GBJ16-87:2000),煤油的火灾危险性是乙类,所以生产,存放煤油场所的火灾危险性一定是乙类.( ×)8. 重大危险源是长期地或临时地生产,加工,搬运,使用或贮存危险物质,且危险物质的数量等于或超过临界量的单元.( √)9. 常用的防止事故发生的安全技术有以下几种:消除危险源,限制能量或危险物质,隔离. √10.个体防护是一种避免或减少事故损失的安全技术.( √)11.安全检查表法可以提供事故后果分级.( ×)12.HAZOP分析方法只可用于连续系统的安全分析.( ×)13.最小径集表示系统的危险性,事故树最小径集的数目越多,系统危险性就越高.( ×)14. 安全技术措施等级顺序的要求依次是消除,预防,减弱,隔离,连锁和警告.( √)15. 贮存化学危险品的建筑物不得有地下室或其他地下建筑.( √)四、简答题(共2题,共10分)1安全评价过程控制的意义有哪些?1)强化评价过程管理,提高评价质量2)实现安全评价的规范化、标准化和法制化的建设3)在安全生产中起到指导作用4)使安全评价机构能够实现科学化管理5)约束评价人员的行为,各负其职6)促进安全评价人员的培训工作,促进评价业务交流7)提高评价机构市场信誉,实现在市场竞争中取胜。