上海贝尔4G常见告警解析及网管常用操作
- 格式:doc
- 大小:1002.00 KB
- 文档页数:7
贝尔L TE值班速成SAM的使用登陆和基本视图在网管电脑桌面上找到图标5620 SAM Client,双击进入输入用户名:lte_*密码:*,进入(注:本用户为只读权限,如果有锁放站或者重启的需要,联系网管人员)初始界面有三部分,左上导航树、右上物理拓扑、最下告警列表,常用为导航窗口,如果不小心关了,可以单击工具栏第一个图标重新打开。
另外:严禁点中一个基站后拖动,会把分组弄乱,因为分组是工程那边做的。
lte_cangzhou用户进入后,在导航树窗口可以搜索基站,直接输入基站英文名的全部或者部分,如果匹配到多个基站,可以点击后面的箭头来查找目标基站。
展开基站,可以发现基站的设备情况在基站上右击,列表里分别是:再同步/Audit/启动NEM/日志/Actions(重配置/reset/lock/unlock/关机/显示实时计数器/启动WPS CM应用/启动NPO)/生成新树根/生成根/复制到剪切板/属性。
只读用户可操作的只有Actions/Show Realtime Counters和查看属性,单击查看实时计数器后可以查看实时占用情况基站察看单击查看属性可以查看基站网元。
最左边有三个标签,分别对应逻辑视图/参数列表/设备(与导航树窗口一样)。
最开始位于逻辑视图,左边的树状结构把常看的(小区/rnc接入/s1/扇区/x2)模块化展示,单击每个模块,右边会显示对应模块的参数配置情况、状态、告警等信息。
模块异常时会有三种状态显示:表示lock状态、表示有严重告警甚至不可用、表示不严重的告警。
当异常显示在方块上时表示当前模块异常,当显示在圆圈上表示子模块有异常。
单击任意一个小区,右侧可以查看小区的General/States(状态)/CellInfo(小区信息)/Call Management(呼叫管理)/Radio Resource Management/Position/MBMS/Spare Info/Deployment/Faults(错误)。
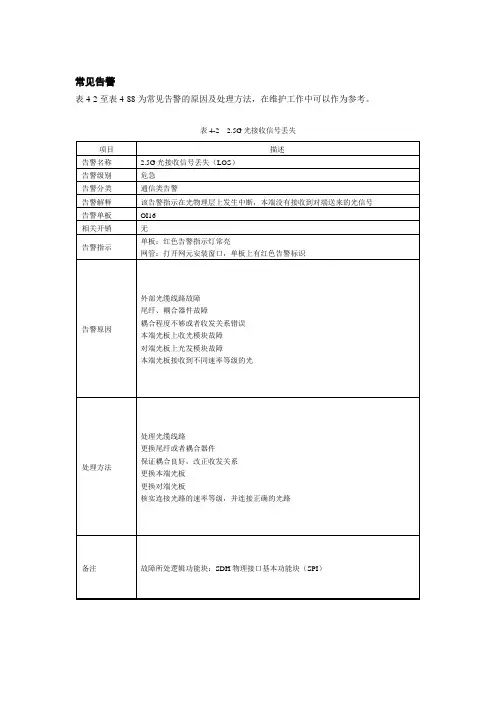
常见告警表4-2至表4-88为常见告警的原因及处理方法,在维护工作中可以作为参考。
表4-2 2.5G光接收信号丢失表4-3 622M光接收信号丢失表4-8 2M电信号丢失表4-9 CV性能超值表4-10 帧丢失表4-11 不可用时间开始(再生段)表4-12 B1 UAS性能超值表4-13 帧失步表4-14 OFS性能超值(OFS:帧失步秒)表4-15 再生段信号劣化表4-16 B1 SES性能超值表4-17 B1 ES性能超值表4-18 B1 BBE性能超值表4-19 复用段告警指示信号表4-20 不可用时间开始(复用段)表4-21 复用段远端缺陷指示表4-22 B2 UAS性能超值表4-23 B2 FEUAS性能超值表4-24 复用段信号劣化表4-25 B2误码过限表4-26 B2 SES性能超值表4-27 B2 FESES性能超值表4-28 B2 ES性能超值表4-29 B2 FEES性能超值表4-30 B2 BBE性能超值表4-31 B2 FEBBE性能超值表4-32 复用段保护倒换事件表4-33 AU4通道告警指示信号、不可用时间开始表4-34 AU4指针丢失表4-35远端缺陷指示(高阶VC4通道虚容器)表4-36 B3 UAS性能超值(高阶VC4通道虚容器)表4-37B3 FEUAS性能超值(高阶VC4通道虚容器)表4-38 复帧丢失(高阶VC4通道虚容器)表4-39 VC4高阶通道信号劣化表4-40 B3 SES性能超值(高阶VC4通道虚容器)表4-41 B3 FESES性能超值(高阶VC4通道虚容器)表4-42 B3 ES性能超值(高阶VC4通道虚容器)表4-43 B3 FEES性能超值(高阶VC4通道虚容器)表4-44 B3 BBE性能超值(高阶VC4通道虚容器)表4-45 B3 FEBBE性能超值(高阶VC4通道虚容器)表4-46 VC4高阶通道未装载表4-47 VC4高阶通道跟踪标识失配表4-48 VC4信号标识失配表4-49 VC4高阶通道净荷失配表4-50 AU4 PJE+性能超值、AU4 PJE-性能超值表4-51 AU4保护倒换事件表4-52 TU3通道告警指示信号、不可用时间开始表4-53 TU3指针丢失表4-54远端缺陷指示(高阶VC3通道虚容器)表4-55 B3 UAS性能超值(高阶VC3通道虚容器)。
···常见告警故障处理及分析MOTOROLA基站的告警按故障设备可分为三类:设备告警、内部告警、外部告警。
一、设备常见告警设备告警是硬件告警最常见也是最重要的告警,告警设备一般为基站的主要器件,它的告警类型就是它的设备类型。
1. DRI 29:[Front End Processor Failure - Watchdog Timer Expired] 前端处理器故障DRI硬件故障,出现此告警时DRI可能会反复自启,可能会退服,应先reset or ins DRI应进行INS或RESET处理,若告警未消失,更换TCU。
2. DRI 40-47 :[Channel Coder Timeslot 0(-7) Failure] 0-7时隙信道编码器失败。
M-CELL基站经常出现此类告警,应进行INS或RESET处理,不行再更换TCU900。
此告警在GSR4时出现,升级到GSR5可能会消失。
3. DRI 51 :[Baseband Hopping TDM Link Error]基带跳频TDM链路错误。
此告警有几种可能性:TDM-Highway BUS或KSW可能有问题。
DRIM的FEP,CCDSP可能有问题。
此告警须在现场具体测试分析。
测试后判定故障点。
此告警在GSR4时出现,升级到GSR5可能会消失TDM——Time Division Multiplexing时分复用:该总线用于把来自BTS的呼叫与信令数据传送到MSC,反之亦然。
可分为两个独立的部分:交换机公共通路&出局公共通路。
交换机公共通路:处理路由到交换机的数据,数据来自外部信源 (通过E1/T1接口)或由GPROC内部产生。
出局公共通路:这是一个被交换的数据,现在被路由出BSC/RXCDR (通过E1/T1接口)或通向内部GPROC。
4. DRI 81:[Transmitter Synthesizer Failure]收发单元故障此告警为收发单元TCU故障,故障原因有可能为:-接收Calibration频点丢失-信道盘的CEB故障-射频电缆连接失败处理方法:远程ins或reset TCU,告警消失并监测;若告警未消失,更换TCU 5. DRI 86 :[Transmitter Failure]输出功率失败,引起DRI退出服务。
中国联通上海贝尔BTS维护操作手册1.0版本2010.04目录1系统结构及重要硬件介绍 (4)1.1前言 (4)1.2BTS的功能块介绍 (5)1.2.1BTS的体系 (5)1.2.2电信功能 (8)1.2.3操作和维护的功能 (9)1.2.4传输功能 (10)1.2.5天馈网络 (11)1.3BTS硬件硬件板卡介绍 (12)1.3.1概述 (12)1.3.2SUM 板 (16)1.3.3收发信机(TRE) (21)1.3.4天线网络 (31)1.3.5BTS 的外部连接 (46)1.3.6风扇单元 (48)1.3.7BTS机架 (49)2维护作业计划操作指导 (49)2.1维护作业计划概述 (49)2.2维护作业计划内容 (49)2.2.1日常维护项目 (49)2.2.2周度维护项目 (50)2.2.3月度维护项目 (50)2.2.4年度维护项目 (51)3BTS重要操作维护指导 (51)3.19110-E Micro BTS维护 (51)3.1.1BTS终端概述 (51)3.1.2BTS终端的连接 (52)3.1.3启动BTS终端 (52)3.2安全块的定义和处理 (57)3.2.1SBL 的定义 (57)3.2.2SBL 状态 (59)3.2.3SBL 状态 (59)3.2.4SBL 操作命令 (62)3.2.5SBL 与RIT之间的关系 (64)3.2.6设置TMA采用菜单: (66)3.3更新内部数据(RI) (67)3.3.1读取RI (67)3.3.2修改RI (67)3.4传输设置 (68)3.4.1使用Setting 菜单 (68)3.4.2设置Qmux 地址 (68)3.4.3检查告警表 (69)3.4.4确认Qmux 状态 (69)3.4.5环路调试 (70)3.4.6设置时钟模式 (70)3.4.7设置并检查Abis映射表 (71)4常用软硬件工具介绍 (72)5常见故障处理 (72)1系统结构及重要硬件介绍1.1前言基站收发信台(BTS)是基站子系统(BSS)的无线部分。
上海贝尔LTE基站日常维护操作手册2015年12月2日目录日常维护操作手册,便于现场维护人员快速处理相关故障。
涉及如下内容:1. 产品介绍2. 安装维护(温度、接地检查及电压范围)3. 基站侧故障维护(天馈类、光路类、脱管和GPS故障)4. 硬件更换流程(C板、B板、RRH和RUC模块)一、产品介绍1.1 9926 BBU v1(legacy BBU)产品特点:支持F/D/E 频段可以插入任何19英寸机架中,BBU 设备高度2U -48V 直流供电控制板,基带板可插拔 仅有2种模块,便于维护1 块控制板 eCCM; eCCM 控制板上有9个CPRI 光接口,通过光纤与RRU 相连。
通过Ge 接口与核心网连接。
3 块基带板,可灵活配置 (bCEM) 支持灵活工作带宽 (5-20Mhz ) 物理特性:重量 < 13kg尺寸 W482.6 x H88.9 x D275 mm 回传接口⏹ 标配:1个光口或1个电口⏹ 最大:2个光口或1个电口+1个光口 Ir 接口:9X9.8Gbps功耗:满配典型功耗:约250W(2A) /370W (8A)单板介绍eCCM-2 HR :BBU 的控制&接口板。
bCEM :基带处理板。
1.2 9926 BBU v2 (SOC BBU)产品特点:支持F/D/E频段可以插入任何19英寸机架中,BBU设备高度2U-48V直流供电4个插槽,仅有2种模块,可插拔,便于维护每块bCAM2或bCEM2控制板上有6x10G Ir 接口1 -2块控制板bCAM2; 1- 3 块基带板bCEM2,可灵活配置支持灵活工作带宽(5-20Mhz)物理特性:重量< 11kg尺寸W482.6 x H88.1 x D300 mm回传接口⏹标配:1个光口、1个电口⏹最大:2个光口、2电口Ir 接口:24x10Gbps功耗:典型功耗:250W(8A);120W(2A)单板bCAM2单板BCEM21.3 RRH 介绍B39a RRH8x10产品特点:支持F 频段 (1880-1915MHz) 支持2载波, 20+10MHz 无线接收器组成部分 发射功率:80W电源接口校准线接口直流(-48V)供电外接DC/AC转换盒支持AC供电支持灵活工作带宽(5-20Mhz)物理特性:重量:< 21kg;体积24L尺寸:400mm x 540mm x 110mmIr 接口:2 x 9.8Gbps温度:-40℃to +55℃典型功耗:203WTD-RRH2x50-2350产品特点:支持E频段;(2320-2370MHz)支持3载波:2*20MHz+10MHz发射功率:100W直流(-48V)供电交流(220V)供电支持灵活工作带宽(5-20Mhz )物理特性:重量:< 14kg;体积17L尺寸:300mm x 480mm x 120mmIr 接口:2 X 9.8Gbps温度:-40℃to +55℃典型功耗:250W9768 LR MRO 2X5W TD-LTE产品特点:基于lightRadioTM cube,集成RRH与天线频段:TDD 2575-2615MHz2Tx/2Rx, 2x2 MIMOCPRI光纤直联,支持Daisy Chain连接分布式组网架构,与BBU或BBU Pool连接 容量易扩展,用户数取决于BBU物理特性:功率2x5W,功耗满载80W两种定向波束配置:70°x70°或35°(垂直)x70° (水平)机械Tilt +/-30°尺寸:175x500x145mm <11.7L重量:< 9kg电源:AC/DC200000小时MTBF二、安装维护2.1 工作电压范围主设备BBU、RRH工作电压范围,见下表。
贝尔日常维护流程及常用指令贝尔日常维护流程及常用指令第一部分:贝尔例行维护操作 (2)1.1每日例行工作 (2)1.2每周例行工作 (2)1.3每月例行工作 (4)1.4每季度例行工作 (5)第二部分:贝尔设备故障处理 (9)2.1 链路告警 (9)2.2 安全块告警 (10)第三部分:一些有用的指令和MARCO (11)第一部分:贝尔例行维护操作1.1每日例行工作1.1.1控制室环境卫生、终端及其它外设检查机房环境和设备清洁卫生1.1.2机房温湿度检查检查机房内的温湿度表,正常的温度应该是23℃±2℃,湿度应该是40%-60%;1.1.3七号信令告警显示及处理用指令>MM<19:OPTION=ALL.如果19命令显示有CCLK、CCLD等告警,则用7599命令看告警详细内容。
>MM<7599:OPTION=LINK,LKID=ALL.检查,看到的为信令链告警;<7599:OPTION=LKSET,LKSET=ALL.检查,看到的为链路集告警;<7599:OPTION=DEST,DEST=ALL,LOGNET=ALL.检查,看到的为DEST不可达告警。
1.1.4信令链路情况显示及处理根据上步7599命令显示,用>MM<241:LKID=BB,DETAIL=SWSTAT.查看链路状态及链路配置;根据状态显示对不正常链路做出相应处理(详细处理过程见第二部分贝尔故障处理)1.1.5信令路由情况显示及处理用指令>MM<250:RTESID=CC,DETAIL=1.检查信令路由状态,如果路由不可用:直达路由,与链路不正常处理一样,非直达路由,A-TFP代表中间的STP到目的地的路由不可用。
AV代表正常,无话务;TRF代表正常有话务。
UNAV NONE 代表操作设置不可用。
1.1.6设备告警显示及处理用指令<display-active-alarms.(命令号:19),如果19显示有安全块告警,用< p="">D: I:两个宏对安全块进行闭解操作。
4G重要告警解析一、影响小区发射的告警1. ReachabilityProblem(基站退服或脱管)●Alarm Code:ReachabilityProblem●告警影响:e Node B 设备监控失去●告警原因分析:导致该告警的原因主要体现在三个方面:电源、传输、主控卡(C板)故障:1)电源:交流停电等,此时应该有相关环境告警上传;2)传输:传输断3)主控卡故障:主控卡出现掉死、无法正常启动、不断重启等故障;●告警解决方法:电源或传输问题,请相关人员解决;如果是主控卡故障,需要维护人员上站解决;更换主控卡后,需要先问网管人员要一个Yang WO 文件重新下软件并导入WO文件激活。
2.CB INIT FAILURE (C板初始化失败)●Alarm Code:IK4004001●告警影响:整站退服,设备可监控;●告警原因分析:C板故障或者高温导致●告警解决方法:需上站下电重启设备,或热插拔C板,若故障依旧需要更换C板,更换流程请参考ReachabilityProblem(基站退服或脱管)3. NO CONTACT TO BOARD (B板退服)●Alarm Code:IK4009041●告警影响:整站退服,小区不发射;●告警原因分析:若基站无C板或者GPS告警的话,则是B板故障●告警解决方法:网管重启基站不管用的话,需要上站更换,更换B板会自动下软件,基站侧不需要做任何操作,大概需要10分钟左右4. LTECellAdminDown (小区退服)●Alarm Code:LTECellAdminDown●告警影响:相应小区退服;●告警原因分析:一般都是由于基站硬件告警或者小区被lock所致●告警解决方法:首先排除小区或基站是否被locked,其次查看是否有导致小区退服的硬件告警5. NO CONTACT TO BOARD(RRH脱离)●Alarm Code:IK4009138●告警影响:某个RRH对应的小区不发射●告警原因分析:造成此告警的原因可能是电源,光纤及RRH故障●告警解决方法:需下站查看电源及RRH和C板连接的光纤衰耗,如果两种情况都正常的话,就要考虑RRH本身的问题了,最好的方法是塔上和别的正常小区做对调来排查6. CB LOS LOF CPRIPORT *(某个小区RRH脱离)●Alarm Code:IK4004030●告警影响:对应小区不发射●告警原因分析:造成此告警的原因可能是电源,光纤及RRH故障●告警解决方法:需下站查看电源及RRH和C板连接的光纤衰耗,如果两种情况都正常的话,就要考虑RRH本身的问题了,最好的方法是塔上和别的正常小区做对调来排查7.CB ALL CPRIPORTS FAILED (所有小区不RRH脱离)●Alarm Code:IK4004061●告警影响:所有小区不发射●告警原因分析:造成此告警的原因可能是电源,光纤及RRH故障●告警解决方法:需下站查看电源及RRH和C板连接的光纤衰耗,如果两种情况都正常的话,就要考虑RRH本身的问题了,最好的方法是塔上和别的正常小区做对调来排查8.CB TRANS RX LOS CPRIPORT * (某个RRH脱离)●Alarm Code:IK4004042●告警影响:造成此告警的原因可能是电源,光纤及RRH故障●告警原因分析:RRH掉电、不加电,RRH掉死,光纤故障,CCM板卡故障等原因都会出现RRH脱离告警;●告警解决方法:需下站查看电源及RRH和C板连接的光纤衰耗,如果两种情况都正常的话,就要考虑RRH本身的问题了,最好的方法是塔上和别的正常小区做对调来排查;9. CB GPS ANT●Alarm Code:IK4004082●告警影响:GPS时钟不同步,长期告警会造成整站退服●告警原因分析:GPS天线安装问题或者接头等问题●告警解决方法:检查GPS天线及各个接头,告警同时会伴随产生以下告警IK4004012,IK4004014,IK4004157(GPS锁卫星失败)10. ANTENNA_PORT TX VSWR THRESH2(2级驻波)●Alarm Code:IK4011011●告警影响:小区不发射●告警原因分析:天馈接口问题●告警解决方法:下站基站馈线头是否松动或者进水等等11. ANTENNA_PORT GAIN CONTROL TX(天线口传输主分支增益已经超出范围)●Alarm Code:IK4011005●告警影响:小区不发射●告警原因分析:RRH硬件故障●告警解决方法:step1:SAM侧重启该RRH。
上海贝尔SAM网管使用手册收录整理:陈鹏1基站基本操作:SOC:板卡SDCAMlegacy:板卡eCCM2 +BCEM1845的RRH功耗:445瓦适应空开:16安培Legacy的BBU:620瓦(1ECM2 +3 BCEM)适应熔丝:16安培/20安培SOC的BBU:250瓦(1块BCEM2)1.1 开站问题1.1.1请问在导版本的时候提示“连接被拒绝”这个问题该如何解决?关掉防火墙之类的东西试试(360安全卫士/QQ管家之类的)1.1.2检查I2C连接情况:(注意:命令在sclish模式下执行)排查C板传输光口是否正常,failed是不正常的,succeed是正常的.(执行命令如下图)1.1.3SOC的设备开完站遇到GPS故障的,编辑WO查找gpsClockEnable,把里面的true改成false1.1.4开站光模块识别:传输使用的光模块RRH使用的双芯光模块(其中有6G的和9.8G的),还有1.4KM和10KM 的距离分别,根据现场需要进行适配.单芯光模块使用方法:1.1.5如何备份database打开secureCRT软件(在root权限下进行)进入database的目录下面:cd /data/db/active/mim将database的文件复制到/home/enb0xfer :cp database.xml /home/enb0xfer查看是否拷贝成功:cd /home/enboxfer 查看: ls查看是否存在databse.xml 文件存在继续下面操作、不存在重新执行上面命令修改文件权限:chmod enb0xfer database.xml (需要回车的)使用FileZilla软件下载:本地连接IP:192.168.2.1 网管对基站:基站IP即可(用户名/密码:enb0xfer/&65UytJhg)进入home/enboxfer 目录下载即可.(备份完成)1.1.6板卡S1不通,现场核查办法:1、与传输确认传输模式(自适应还是强制签到),我们eCCM2板卡只能支持强制签到模式,ECCM-U板卡都能支持.2、检查规划数据与database数据是否一致.(在NEM查看IP地址)eCCM2-root-root> ifconfigeth0 Link encap:Ethernet HWaddr 18:4A:6F:4B:0F:77inet6 addr: fe80::1a4a:6fff:fe4b:f77/64 Scope:LinkUP BROADCAST RUNNING MULTICAST MTU:2000 Metric:1RX packets:430667 errors:0 dropped:0 overruns:0 frame:0TX packets:424480 errors:0 dropped:0 overruns:0 carrier:0collisions:0 txqueuelen:1000RX bytes:48932078 (46.6 MiB) TX bytes:49651842 (47.3 MiB)Memory:fe5e0000-fe5e0fffeth0.200 Link encap:Ethernet HWaddr 18:4A:6F:4B:0F:77inet addr:10.105.107.226 Bcast:10.105.107.227 Mask:255.255.255.252 (核查IP地址)UP BROADCAST RUNNING MULTICAST MTU:1500 Metric:1RX packets:363040 errors:0 dropped:0 overruns:0 frame:0TX packets:357868 errors:0 dropped:0 overruns:0 carrier:0collisions:0 txqueuelen:0RX bytes:31576334 (30.1 MiB) TX bytes:31818524 (30.3 MiB)eth0.300 Link encap:Ethernet HWaddr 18:4A:6F:4B:0F:77inet addr:10.105.235.226 Bcast:10.105.235.227 Mask:255.255.255.252 (核查IP地址)UP BROADCAST RUNNING MULTICAST MTU:1500 Metric:1RX packets:67617 errors:0 dropped:0 overruns:0 frame:0TX packets:66606 errors:0 dropped:0 overruns:0 carrier:0collisions:0 txqueuelen:0RX bytes:11324790 (10.7 MiB) TX bytes:17832850 (17.0 MiB)eth2 Link encap:Ethernet HWaddr 18:4A:6F:4B:0F:79inet addr:192.168.10.1 Bcast:192.168.10.255 Mask:255.255.255.0inet6 addr: fe80::1a4a:6fff:fe4b:f79/64 Scope:LinkUP BROADCAST RUNNING MULTICAST MTU:1500 Metric:1RX packets:0 errors:0 dropped:0 overruns:0 frame:0TX packets:6 errors:0 dropped:0 overruns:0 carrier:0collisions:0 txqueuelen:1000RX bytes:0 (0.0 B) TX bytes:468 (468.0 B)Memory:fe5e4000-fe5e4fffeth3 Link encap:Ethernet HWaddr 18:4A:6F:4B:0F:7Ainet addr:192.168.1.2 Bcast:192.168.255.255 Mask:255.255.0.0inet6 addr: fe80::1a4a:6fff:fe4b:f7a/64 Scope:LinkUP BROADCAST RUNNING MULTICAST MTU:1500 Metric:1RX packets:1136780 errors:0 dropped:0 overruns:0 frame:0TX packets:504287 errors:0 dropped:0 overruns:0 carrier:0collisions:0 txqueuelen:1000RX bytes:596324345 (568.6 MiB) TX bytes:45330298 (43.2 MiB)Memory:fe5e6000-fe5e6ffflo Link encap:Local Loopbackinet addr:127.0.0.1 Mask:255.0.0.0inet6 addr: ::1/128 Scope:HostUP LOOPBACK RUNNING MTU:16436 Metric:1RX packets:337634 errors:0 dropped:0 overruns:0 frame:0TX packets:337634 errors:0 dropped:0 overruns:0 carrier:0collisions:0 txqueuelen:0RX bytes:92259214 (87.9 MiB) TX bytes:92259214 (87.9 MiB)tap0 Link encap:Ethernet HWaddr 02:EC:C8:94:E3:30inet6 addr: fe80::ec:c8ff:fe94:e330/64 Scope:LinkUP BROADCAST RUNNING MULTICAST MTU:1500 Metric:1RX packets:0 errors:0 dropped:0 overruns:0 frame:0TX packets:0 errors:0 dropped:0 overruns:0 carrier:0collisions:0 txqueuelen:500RX bytes:0 (0.0 B) TX bytes:0 (0.0 B)eCCM2-root-root> routeKernel IP routing tableDestination Gateway Genmask Flags Metric Ref Use Iface10.105.107.224 * 255.255.255.252 U 0 0 0 eth0.200 (网关地址)核查10.105.235.224 * 255.255.255.252 U 0 0 0 eth0.300 (网关地址)核查192.168.10.0 * 255.255.255.0 U 0 0 0 eth2192.168.0.0 * 255.255.0.0 U 0 0 0 eth3127.0.0.0 * 255.0.0.0 U 0 0 0 lodefault 10.105.235.225 0.0.0.0 UG 0 0 0 eth0.300 eCCM2-root-root>业务地址通的,管理地址不同(协调传输)1.1.7如何从NEM上查看SFP信息以上图为例,SFP 1-40-1表示C板上的SFP信息,Unit Position表示SFP所在的位置。
目录1 版本信息 12 前言 23 常见故障处理 23.1 告警Disk Volume C Full 23.2 告警Disk Volume D Full 33.3 告警FanFailure 43.4 告警loss of synch reference redundancy 63.5 告警Gigabit Ethernet Link Fault 73.6 告警Synch Reference Path HW Fault 93.7 告警NoContact 103.8 告警License Key 123.9 告警NTP Server Reachability Fault 123.10 告警Plug-In Unit General Problem 133.11 告警Power feeding fault 151 版本信息日期版本修订信息2013年5月10日初稿2 前言本文档描述了爱立信LTE EnodeB基站的一些常见故障现场处理方法。
本手册适用于RBS6000系列。
软件版本为L12B。
本文档的目的在于提供现场操作流程以及故障处理方法的中文描述,以帮助了解一些常见故障的处理过程,实际操作时请严格按照爱立信的ALEX文档步骤进行。
3 常见故障处理3.1 告警Disk Volume C Full3.1.1 故障描述Disk Volume C Full是一个主要告警,这个告警由MO ManagedElementData发出。
如果Main Processor(主处理器MP)的C卷上存储的数据过多,会导致该卷的可用空间耗尽或几乎耗尽,此时系统会发出Disk Volume C Full告警。
系统一般每隔15分钟对C卷进行一次检测,如果可用空间小于等于MO ManagedElementData的属性minimumHdVolumeCFreespace的值(单位为兆),告警就会出现。
只要可用空间比minimumHdVolumeCFreespace的值大1M,告警就能消除。
贝尔PON告警处理方法针对现场告警拦截方法有如下三种:一:从NE屏蔽设备告警, AMS收不到告警信息亦不上传。
这个方法分为在NE上操作和AMS上操作①NE操作:登陆NE的TL1模式,下发关闭设备告警信息命令:SET-ATTR-ONT::ONT:::NR,DG; 关闭断电告警上报SET-ATTR-ONT::ONT:::NR,INACT;关闭未激活ONU告警上报等检查命令: RTRV-ATTR-ONT::ONT;查询ONT告警是否被屏蔽,当检查结果不是NR时,表示未对该告警屏蔽操作,若为NR,则告警已被屏蔽②AMS操作即在AMS客户端界面,对某个NE的某一告警不报告。
如上图界面,在“已报告”为“是”时,说明该未对INACT告警做屏蔽,当显示为“否”时,说明已经将INACT告警屏蔽,不再上报,AMS无法收到该设备下ONU的INACT告警。
二:在不屏蔽告警情况下,对考核的告警影响等级降级。
对有些网元上报的告警,需要屏蔽的话,可以通过修改告警级别并调整AMS从NE收集告警的级别门槛方法来屏蔽告警。
NE告警级别修改:AMS转至要修改的NE上,Infrastructure →Alarms →Alarm Severity Assignment页面下,找到需要修改级别的对应告警,将严重性改成需要的告警级别,比如最低等级“不确定”,然后点Apply 图标保存修改。
同时调整AMS收集NE告警的级别门限。
修改AMS本身的告警,可以在AMS界面“管理“→ EMS Administration →”配置“→”告警“→ EMS Alarm Severity Assignment处操作:调整AMS收集NE告警的级别门限步骤:在“管理“→ EMS Administration →”配置“→”告警“→ Alarm Settings页面的 EMS严重性筛选处修改告警收集的门槛,如改成“警告”级别后,“不确定”级别的告警将不会被从网元上采集上来,从而不会上报。
贝尔日常维护流程及常用指令第一部分:贝尔例行维护操作 (2)1.1每日例行工作 (2)1.2每周例行工作 (2)1.3每月例行工作 (4)1.4每季度例行工作 (5)第二部分:贝尔设备故障处理 (9)2.1 链路告警 (9)2.2 安全块告警 (10)第三部分:一些有用的指令和MARCO (11)第一部分:贝尔例行维护操作1.1每日例行工作1.1.1控制室环境卫生、终端及其它外设检查机房环境和设备清洁卫生1.1.2机房温湿度检查检查机房内的温湿度表,正常的温度应该是23℃±2℃,湿度应该是40%-60%;1.1.3七号信令告警显示及处理用指令>MM<19:OPTION=ALL.如果19命令显示有CCLK、CCLD等告警,则用7599命令看告警详细内容。
>MM<7599:OPTION=LINK,LKID=ALL.检查,看到的为信令链告警;<7599:OPTION=LKSET,LKSET=ALL.检查,看到的为链路集告警;<7599:OPTION=DEST,DEST=ALL,LOGNET=ALL.检查,看到的为DEST不可达告警。
1.1.4信令链路情况显示及处理根据上步7599命令显示,用>MM<241:LKID=BB,DETAIL=SWSTAT.查看链路状态及链路配置;根据状态显示对不正常链路做出相应处理(详细处理过程见第二部分贝尔故障处理)1.1.5信令路由情况显示及处理用指令>MM<250:RTESID=CC,DETAIL=1.检查信令路由状态,如果路由不可用:直达路由,与链路不正常处理一样,非直达路由,A-TFP代表中间的STP到目的地的路由不可用。
AV代表正常,无话务;TRF代表正常有话务。
UNAV NONE代表操作设置不可用。
1.1.6设备告警显示及处理用指令<DISPLAY-ACTIVE-ALARMS.(命令号:19),如果19显示有安全块告警,用D: I:两个宏对安全块进行闭解操作。
上海贝尔FTTH网管开通方法1、登录AMS5520客户端双击桌面AMS5520客户端的快捷方式弹出登录界面,服务器:10.10.1.18;用户:isadmin;密码:123456当弹出3-4个告警窗口是,可以忽略,直接点击确定2、查看告警判断是否有新ONU上线,以溪湖为例双击“溪湖”组找到溪湖OLT双击OLT子框图标,进入OLT机框根据现场提供的LOID(020*******)找到ONU所在位置双击第2块板卡,进入PON板双击第3个端口进入PON口此时能看到该PON口下所有ONU在左侧树图中点开“ONT(New)”前方的三角号会看到新上线的ONU(ONT New 3),点击该ONU会看到右侧详细信息中显示了该ONU的SN码和LOID码,以此判断新上线ONU的LOID是否写错,如写错,则要求装机员修改LOID 码。
如果在改PON口下看不到新上线的ONU,需要进一步判断新上线ONU是否接错了PON口。
查询该OLT上所有当前告警在左侧树图中右键点击该OLT,分别选择“显示”“告警”“选定的对象&子树”弹出告警窗口,点击窗口右上角筛选图标(漏斗)右侧的向下三角号,在弹出菜单中选择“编辑”在筛选配置窗口中点击“高级的”,将筛选条件选定为“具体问题”(等于),再点击“…”图标,弹出具体告警条件窗口在具体条件窗口中输入关键字“发现”选中下方的“发现新ONT”,点击“OK”再次点击“OK”则将该OLT上新上线的ONT告警全部列出来,并且能看出新上线ONU的具体上线位置R1——1机架;S1——1子框;LT2——2PON板;PON3——3PON口;ONT3——第3个ONU (ONU位置为临时位置)双击该条告警信息能看到新上线ONU的详细信息从而可以判断新上线的ONU是否接错了PON口(PON口接错原因有2种,一是工程人员将分光器与上联PON口接串,二是用户地址错误,导致OID错误)如果在具体PON口和整个OLT上都看不到新上线ONU,还有一种可能就是,新上线的ONU 注册错了位置,就是所说的ONU位置串了(这种情况只能在同一PON口下发生)我们在回到网络的视图中在左侧树图中选中该PON口,在上方点击“图表转换”按钮,选择“表视图”在表视图中能看到该PON口下所有ONU的SN码,让装机员查看猫背面的SN码,与该PON 口下所有ONU进行比对,看是否有相同的SN码,如果找到相同的SN码,则说明ONU位置串了,需删除这个ONU,删除后该ONU会重新报码,会提示新上线ONU告警。
目录1 版本信息 12 前言 23 常见故障处理 23.1 告警Disk Volume C Full 23.2 告警Disk Volume D Full 33.3 告警FanFailure 43.4 告警loss of synch reference redundancy 63.5 告警Gigabit Ethernet Link Fault 73.6 告警Synch Reference Path HW Fault 93.7 告警NoContact 103.8 告警License Key 123.9 告警NTP Server Reachability Fault 123.10 告警Plug-In Unit General Problem 133.11 告警Power feeding fault 151 版本信息日期版本修订信息2013年5月10日初稿2 前言本文档描述了爱立信LTE EnodeB基站的一些常见故障现场处理方法。
本手册适用于RBS6000系列。
软件版本为L12B。
本文档的目的在于提供现场操作流程以及故障处理方法的中文描述,以帮助了解一些常见故障的处理过程,实际操作时请严格按照爱立信的ALEX文档步骤进行。
3 常见故障处理3.1 告警Disk Volume C Full3.1.1 故障描述Disk Volume C Full是一个主要告警,这个告警由MO ManagedElementData发出。
如果Main Processor(主处理器MP)的C卷上存储的数据过多,会导致该卷的可用空间耗尽或几乎耗尽,此时系统会发出Disk Volume C Full告警。
系统一般每隔15分钟对C卷进行一次检测,如果可用空间小于等于MO ManagedElementData的属性minimumHdVolumeCFreespace的值(单位为兆),告警就会出现。
只要可用空间比minimumHdVolumeCFreespace的值大1M,告警就能消除。
4G重要告警解析
一、影响小区发射的告警
1. ReachabilityProblem(基站退服或脱管)
●Alarm Code:ReachabilityProblem
●告警影响:e Node B 设备监控失去
●告警原因分析:导致该告警的原因主要体现在三个方面:电源、传输、主控
卡(C板)故障:
1)电源:交流停电等,此时应该有相关环境告警上传;
2)传输:传输断
3)主控卡故障:主控卡出现掉死、无法正常启动、不断重启等故障;
●告警解决方法:电源或传输问题,请相关人员解决;如果是主控卡故障,需
要维护人员上站解决;更换主控卡后,需要先问网管人员要一个Yang WO 文件重新下软件并导入WO文件激活。
2.CB INIT FAILURE (C板初始化失败)
●Alarm Code:IK4004001
●告警影响:整站退服,设备可监控;
●告警原因分析:C板故障或者高温导致
●告警解决方法:需上站下电重启设备,或热插拔C板,若故障依旧需要更换
C板,更换流程请参考ReachabilityProblem(基站退服或脱管)
3. NO CONTACT TO BOARD (B板退服)
●Alarm Code:IK4009041
●告警影响:整站退服,小区不发射;
●告警原因分析:若基站无C板或者GPS告警的话,则是B板故障
●告警解决方法:网管重启基站不管用的话,需要上站更换,更换B板会自
动下软件,基站侧不需要做任何操作,大概需要10分钟左右
4. LTECellAdminDown (小区退服)
●Alarm Code:LTECellAdminDown
●告警影响:相应小区退服;
●告警原因分析:一般都是由于基站硬件告警或者小区被lock所致
●告警解决方法:首先排除小区或基站是否被locked,其次查看是否有导致
小区退服的硬件告警
5. NO CONTACT TO BOARD(RRH脱离)
●Alarm Code:IK4009138
●告警影响:某个RRH对应的小区不发射
●告警原因分析:造成此告警的原因可能是电源,光纤及RRH故障
●告警解决方法:需下站查看电源及RRH和C板连接的光纤衰耗,如果两种
情况都正常的话,就要考虑RRH本身的问题了,最好的方法是塔上和别的正常小区做对调来排查
6. CB LOS LOF CPRIPORT *(某个小区RRH脱离)
●Alarm Code:IK4004030
●告警影响:对应小区不发射
●告警原因分析:造成此告警的原因可能是电源,光纤及RRH故障
●告警解决方法:需下站查看电源及RRH和C板连接的光纤衰耗,如果两种
情况都正常的话,就要考虑RRH本身的问题了,最好的方法是塔上和别的正常小区做对调来排查
7.CB ALL CPRIPORTS FAILED (所有小区不RRH脱离)
●Alarm Code:IK4004061
●告警影响:所有小区不发射
●告警原因分析:造成此告警的原因可能是电源,光纤及RRH故障
●告警解决方法:需下站查看电源及RRH和C板连接的光纤衰耗,如果两种
情况都正常的话,就要考虑RRH本身的问题了,最好的方法是塔上和别的正常小区做对调来排查
8.CB TRANS RX LOS CPRIPORT * (某个RRH脱离)
●Alarm Code:IK4004042
●告警影响:造成此告警的原因可能是电源,光纤及RRH故障
●告警原因分析:RRH掉电、不加电,RRH掉死,光纤故障,CCM板卡故
障等原因都会出现RRH脱离告警;
●告警解决方法:需下站查看电源及RRH和C板连接的光纤衰耗,如果两
种情况都正常的话,就要考虑RRH本身的问题了,最好的方法是塔上和别的正常小区做对调来排查
;
9. CB GPS ANT
●Alarm Code:IK4004082
●告警影响:GPS时钟不同步,长期告警会造成整站退服
●告警原因分析:GPS天线安装问题或者接头等问题
●告警解决方法:检查GPS天线及各个接头,告警同时会伴随产生以下告
警IK4004012,IK4004014,IK4004157(GPS锁卫星失败)
10. ANTENNA_PORT TX VSWR THRESH2(2级驻波)
●Alarm Code:IK4011011
●告警影响:小区不发射
●告警原因分析:天馈接口问题
●告警解决方法:下站基站馈线头是否松动或者进水等等
11. ANTENNA_PORT GAIN CONTROL TX(天线口传输主分支增益已经超出范围)
●Alarm Code:IK4011005
●告警影响:小区不发射
●告警原因分析:RRH硬件故障
●告警解决方法:step1:SAM侧重启该RRH。
Step2:重启不能恢复的安
排上站更换RRH。
12. ANTENNA_PORT RF OUTPUT OVRDRV TX(天线口射频在输出端功放过大)
●Alarm Code:IK4011006
●告警影响:小区不发射
●告警原因分析:RRH硬件故障,或者天馈系统问题
●告警解决方法:step1:SAM侧重启该RRH。
Step2:重启不能恢复的安
排代维上站检查馈线或更换RRH。
13. ANTENNA_PORT TX FAIL(天线口传输链路发生故障且端口射频传输不可用)
●Alarm Code:IK4011004
●告警影响:小区不发射
●告警原因分析:RRH硬件故障,或者天馈系统问题
●告警解决方法:step1:SAM侧重启该RRH。
Step2:重启不能恢复的安
排代维上站检查馈线或更换RRH。
14. S1 SCTP ASSOCIATION DOWN(ENB和MME的S1端口连接失败)
●Alarm Code:IK4009046
●告警影响:所有小区不发射
●告警原因分析:一般此告警产生原因都是传输问题
●告警解决方法:首先检查eNodeb侧数据配置是否正常,若正常请安排传
输排查,此告警产生会伴随IK4306099这个告警号,以及MMEAccessDown的告警。
二.不影响小区发射的告警
16.ANTENNA_PORT TX VSWR THRESH1 (一级驻波)
●Alarm Code:IK4011010
●告警影响:不影响小区发射,影响业务
●告警原因分析:天馈接口问题
●告警解决方法:下站基站馈线头是否松动或者进水等等
17. DBU RUC FAN FAULT MAJOR (风扇告警)
●Alarm Code:IK4005052;
●告警影响:影响基站散热
●告警原因分析:机房温度过高,或者基站设备安装位置不通风
●告警解决方法:解决室内温度问题
18. CB OVER TEMP MAJOR ,CB OVER TEMP CRITICAL (C板高温)
●Alarm Code:IK4004117,IK4004118;
●告警影响:影响基站散热
●告警原因分析:机房温度过高,或者基站设备安装位置不通风
●告警解决方法:解决室内温度问题
三、网管上常用的操作
1. RESET NODE B(重启基站)
查找到要重启的基站,右击基站名,依次选择Actions—Reset:
出现以下界面时,选中基站,点击yes,基站就重启了。
一般重启需要5分钟左右。
2. LOCK、UNLOCK 小区
首先右键单击基站属性properties如图:
选中对勾然后yes就ok了,Unlock小区也是一样的操作。
3. 查看基站硬件
首先进入基站属性(参考锁小区)然后点击左侧第三个图标如下图:
如图所示:
RACK-1内:ECCM2(这个就是C板主控板)
BCEM(这个是B板,业务板)
RACK-11,RACK-21,RACK-31分别代表三个小区的RRH
4.查看某个基站的全部告警,右键基站名----properties---选中站名---faults—aggregated Alarms,如下图所示:
5. 查看全部告警:打开告警界面,可以选择告警过滤器,如下图是选择脱管基站:。