常见钢材料物理性能
- 格式:xlsx
- 大小:59.07 KB
- 文档页数:74
40#钢性能:是强度较高的一种中碳优质钢,因淬透性差,一般以正火状态使用,机械性能要求较高时,采用调质处理。
冷变形塑性中等,退火和正火的切削加工性比调质的好。
用于制造强度要求较高的零件,如齿轮、轴、活塞销等和受力不很大的机械加工件、锻件、冲压件和螺栓、螺母、管接●化学成份:碳C :0.42~0.50硅Si:0.17~0.37锰Mn:0.50~0.80硫S :≤0.035磷P :≤0.035铬Cr:≤0.25镍Ni:≤0.25铜Cu:≤0.25●力学性能:抗拉强度σb (MPa):≥600(61)屈服强度σs (MPa):≥355(36)伸长率δ5 (%):≥16断面收缩率ψ (%):≥40冲击功Akv (J):≥39冲击韧性值αkv (J/cm2):≥49(5)硬度:未热处理,≤229HB;退火钢,≤197HB试样尺寸:试样尺寸为25mm●热处理规范及金相组织:热处理规范:正火,850℃;淬火,840℃;回火,600℃30#钢性能:30号钢调质后硬度的硬度在热处理时是可以控制的,一般常用的硬度为HRC30左右,硬度不影响焊接性能,评价是否影响焊接,主要是看钢的含碳量及在焊接时的淬硬的影响,所以焊接时要缓慢冷却,或做消除应力处理.做任何直径的轴都可以.试述中碳调质钢的焊接性。
碳的质量分数量较高(含碳量0.25%~0.5%),并加入适量的合金元素(M n 、Si、Cr、Ni、B、Mo、W、V、Ti等)以保证钢的淬透性,再通过调质处理以获得综合性能较好的高强钢称为中碳调质钢,常用牌号有30CrMnSiA、30CrMnSiNi2A、40CrMnSiMoVA、35CrMoA、35CrMo VA、34CrNi13MoA、40CrNiMoA等。
中碳调质钢的屈服点可达到880~1176MPa,但焊接性较差,主要表现在:⑴焊接热影响区的脆化和软化首先,由于中碳调质钢的含碳量高、合金元素多,钢的淬硬倾向大,在热影响区的淬火区会产生大量的马氏体,导致严重脆化。
常见钢材料物理性能常见钢材的物理性能概述钢是一种常见的金属材料,具有广泛的应用领域,从建筑结构到汽车制造,都需要使用到钢材。
钢材的物理性能决定了其在各种应力条件下的强度、刚度和耐磨损能力等关键特性。
以下是常见钢材的物理性能的介绍。
1.强度强度是衡量材料抵抗变形和破坏的能力,常用的指标是屈服强度和抗拉强度。
屈服强度是指当钢材开始发生塑性变形时所能承受的最大应力,而抗拉强度则是在材料断裂之前所能承受的最大应力。
不同类型的钢材具有不同的强度,高强度钢材通常具有更高的屈服强度和抗拉强度。
2.刚度刚度是指材料抵抗形变的能力,在应力施加下不轻易发生变形的性质。
通常用弹性模量来衡量材料的刚度,弹性模量越大,材料的刚度越高。
刚度高的钢材在使用中更不容易变形,可以提供更好的结构支撑能力。
3.延展性和韧性延展性和韧性是衡量钢材在应力作用下变形能力的指标。
延展性是指材料在拉伸过程中可以延展多少,而韧性则是指材料在受冲击载荷时可以吸收多少能量而不会断裂。
高延展性和韧性的钢材对于抵御撞击、震动和挤压应力具有更好的性能。
4.硬度硬度是指材料抵抗局部形变和划伤的能力。
一般使用洛氏硬度或布氏硬度来衡量钢材的硬度。
高硬度的钢材更难以切削和加工,但在需要耐磨性的场合非常有用。
5.磁性钢材可以分为磁性钢和非磁性钢。
磁性钢有良好的磁导率,可以用于电磁设备和电机等应用;而非磁性钢则不具备磁性,可以用于需要磁场屏蔽的场合。
6.导热性和导电性一般来说,金属材料具有较高的导热性和导电性。
钢材通常具有良好的导热和导电性能,适用于需要传导热量或电流的应用。
然而,不同类型的钢材具有不同的导热和导电性能,例如,不锈钢的导热性能相对较差。
除了上述常见的物理性能外,钢材还具有耐腐蚀性、耐磨性、耐高温和低温性能等特性,这些特性根据具体需求可以通过特殊的合金设计和处理工艺进行改善。
总结起来,钢材作为一种常见的金属材料,在各种工程和工业领域都有广泛应用。
了解和掌握常见钢材的物理性能有助于在选择和设计中做出合理的材料选择。
钢材性能大全
引言
本文将介绍钢材的各种性能和特点,包括力学性能、化学性能、热处理性能等方面的内容。
力学性能
- 强度:钢材的强度是指其抵抗外力的能力,可以分为屈服强度、抗拉强度、抗压强度等。
- 延展性:钢材的延展性是指其在受到外力作用下发生塑性变
形的能力,常用参数有断面收缩率、断面伸长率等。
- 硬度:钢材的硬度是指其抵抗外硬物压入的能力,可以通过
硬度测试进行评估。
化学性能
- 成分:钢材的化学成分对其性能有重要影响,主要包括碳含量、铁含量、合金元素含量等。
- 腐蚀性:钢材的腐蚀性是指其耐受化学腐蚀的能力,可以通
过抗腐蚀测试进行评估。
热处理性能
- 淬火硬化性能:钢材进行淬火硬化后的硬度和耐磨性能。
- 焊接性能:钢材的焊接性能是指其在焊接过程中的可操作性
和焊接接头的强度。
- 硬化能力:钢材在经过适当热处理后的硬度和强度提升能力。
结论
钢材的性能多样,根据具体需求和应用场景选择合适的种类和
牌号的钢材非常重要。
本文介绍了钢材的力学性能、化学性能和热
处理性能等方面的内容,希望对读者有所帮助。
> 注意:以上内容为一般性介绍,具体的钢材性能还需根据具
体牌号和相关标准来确定,不能以本文为准确依据。
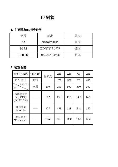
常用钢材化学成分及力学性能01.碳素钢板(一)Q235-A.F钢表1-10 钢的化学成分化学成分%C Si Mn P S0.14~0.22 ≤0.07 0.30~0.60 ≤0.045 ≤0.050表1-11 钢板的力学性能和冷弯性能板厚(mm) бb(Mpa) бs(Mpa) δs(%) 冷弯试验180 º2~3 375~500 ≥235 ≥20 d=1.5a>3~3.5 ≥21>3.5~4 ≥22>4~16 375~500 ≥235 ≥25 d=1.5a表1-12 钢板的许用应力板厚(mm) 在下列温度(℃)下的许用应力(Mpa)≤20 100 150 200 2503~4 113 113 113 105 944.5~16 113 113 113 105 94(二)Q235-A钢板表1-13 钢的化学成分化学成分(%)C Si Mn P S0.14~0.22 0.12~0.30 0.30~0.65 ≤0.045 ≤0.050表1-14 钢板的力学性能和冷弯性能板厚(mm) бb(Mpa) бs(Mpa) δs(%) 冷弯试验180 º2~3 375~500 ≥235 ≥20 d=1.5a>3~3.5 ≥21>3.5~4 ≥22>4~16 375~50 ≥235 ≥25 d=1.5a>16~40 375~50 ≥225 ≥24 d=1.5a表1-15 钢板的许用应力板厚(mm) 在下列温度(℃)下的许用应力(Mpa)≤20100 150 200 250 300 3503~4 113 113 113 113 94 94 864.5~16 113 113 113 113 94 94 86>16~40 113 113 113 107 91 91 83(三)Q235-B钢板表1-16 钢的化学成分化学成分%C Si Mn P S≤0.22 0.12~0.30 ≤0.70 ≤0.045 ≤0.045表1-17 钢板的力学性能和冷弯性能板厚(mm) бb(Mpa) бs(Mpa) δs(%) Akv(纵)(J) 冷弯试验180 º2~3 375~500 ≥235 ≥20 --- d=1.5a>3~3.5 ≥21>3.5~4 ≥22>4~16 375~50 ≥235 ≥25 ≥27d=1.5a>16~40 375~50 ≥225 ≥24 ≥27d=1.5a表1-18 钢板的许用应力板厚(mm) 在下列温度(℃)下的许用应力(Mpa)≤20100 150 200 250 300 3503~4 113 113 113 105 94 86 774.5~16 113 113 113 105 94 86 77>16~40 113 113 107 99 91 83 75(四)Q235-C钢板表1-19 钢的化学成分化学成分%C Si Mn P S≤0.18 0.12~0.30 0.35~0.80 ≤0.040 ≤0.040表1-20 钢板的力学性能和冷弯性能板厚(mm) бb(Mpa) бs(Mpa) δs(%) 0℃Akv(纵)(J) 冷弯试验180 º2~3 375~500 ≥235 ≥20 --- d=1.5a>3~3.5 ≥21>3.5~4 ≥22>4~16 375~50 ≥235 ≥25 ≥27d=1.5a>16~40 375~50 ≥225 ≥24 ≥27d=1.5a表1-21 钢板的许用应力板厚(mm) 在下列温度(℃)下的许用应力(Mpa)≤20100 150 200 250 300 350 4003~4 125 125 125 116 104 95 86 794.5~16 125 125 125 116 104 95 86 79>16~40 125 125 119 110 101 92 83 77(五)20HP钢板表1-22 钢的化学成分化学成分%C Si Mn P S≤0.22≤0.350.35~0.65 ≤0.035≤0.035表1-23 钢板的力学性能和冷弯性能板厚(mm) бb(Mpa) бs(Mpa) δs(%) Akv(横)(J) 冷弯试验180 º2.5~1.2 ≥390≥245≥25≥27d=1.5a(六)15MnHP钢板表1-24 钢的化学成分化学成分%C Si Mn P S0.12~0.20 ≤0.350.65~1.00 ≤0.035≤0.035表1-25 钢板的力学性能和冷弯性能板厚(mm) бb(Mpa) бs(Mpa) δs(%) Akv(横)(J) 冷弯试验180 o 2.5~1.2 ≥440≥295≥26≥27d=2a(七)20R钢板表1-26 钢的化学成分化学成分%C Si Mn P S〈=0.20 0.15~0.30 0.40~0.90 ≤0.035 ≤0.030表1-27 钢板的力学性能和冷弯性能板厚(mm) бb(Mpa) бs(Mpa) δs(%) 0℃Akv(纵)(J) 冷弯试验180 º6~16 400~520≥245≥25≥31d=2a>16~36 ≥235>36~60 ≥225>60~100 390~510 ≥205≥24表1-28 钢板的高温屈服强度板厚(mm) 在下列温度(℃)下的屈服强度(Mpa)不小于200 250 300 350 400 45021~36 186 167 153 139 129 121>36~60 178 161 147 133 123 116>60~100 164 147 135 123 113 106表1-29 钢板的许用应力板厚(mm) 在下列温度(℃)下的许用应力(Mpa)≤20 100 150 200 250 300 350 400 425 450 475 6~16 133 133 132 123 110 101 92 86 83 61 41 >16~36 133 132 126 116 104 95 86 79 78 61 41 >36~60 133 126 119 110 101 92 83 77 75 61 41 >60~100 128 115 110 103 92 84 77 71 68 61 4102.低合金高强度钢板(一)16MnR钢板表2~9 钢的化学成分化学成分%C Si Mn P S≤0.20 0.20~0.55 1.20~1.60 ≤0.035 ≤0.030表2~10 钢板的力学性能和冷弯性能板厚(mm) бb(M pa) бs(Mpa) δs(%) Akv(横)(J)冷弯试验180°6~16 510~640 ≥345 ≥21 ≥31 d=2a>16~36 490~620 ≥325 ≥21 d=3a>36~60 470~600 ≥305 ≥21>60~100 460~590 ≥285 ≥20>100~120 450~580 ≥275 ≥20表2~11 钢板的高温屈服强度板厚(mm) 在下列温度(℃)下的屈服强度(Mpa)不小于200 250 300 350 400 45021~36 255 235 215 200 190 180>36~60 240 220 200 185 175 165>60~100 225 205 185 175 165 155>100~120 220 200 180 170 160 150表2~12 钢板的许用应力板厚(mm) 在下列温度(℃)下的许用应力(Mpa)≤20 100 150 200 250 300 350 400 425 450 4756~16 170 170 170 170 156 144 134 125 93 66 43>16~36 163 163 163 159 147 134 125 119 93 66 43 >36~60 157 157 157 150 138 125 116 109 93 66 43 >60~100 153 153 150 141 128 116 109 103 93 66 43 100~120 150 150 147 138 125 113 106 100 93 66 4315MnVR表2~13钢的化学成分化学成分%C Si Mn P S V≤0.18 0.20~0.55 1.20~1.60 ≤0.035 ≤0.030 0.04~0.12表2~14 钢板的力学性能和冷弯性能板厚(mm) бb(Mpa) бs(Mpa) δs(%) Akv(横)(J)冷弯试验180 °6~16 530~665 ≥390 ≥19 ≥31 d=3a>16~36 510~645 ≥370 ≥19>36~60 490~625 ≥350 ≥19表2~15 钢板的高温屈服强度板厚(mm) 在下列温度(℃)下的屈服强度(Mpa)不小于200 250 300 350 400 45021~36 295 280 260 240 220 205>36~60 280 265 245 225 210 195表2~16 钢板的许用应力板厚(mm) 在下列温度(℃)下的许用应力(Mpa)≤20 100 150 200 250 300 350 4006~16 177 177 177 177 177 172 159 147>16~36 170 170 170 170 170 163 150 138>36~60 163 163 163 163 163 153 141 131(三)15MnVNR钢板表2~17 钢的化学成分化学成分%C Si Mn P S V N≤0.20 0.20~0.55 1.30~1.70 ≤0.035 ≤0.030 0.10~0.20 0.010~0.020表2~18 钢板的力学性能和冷弯性能板厚(mm) бb(Mpa) бs(Mpa) δs(%) Akv(横)(J)冷弯试验180°6~16 570~710 ≥440 ≥18 ≥34 d=3a>16~36 550~690 ≥420 ≥18>36~60 530~670 ≥400 ≥18表2~19 钢板的高温屈服强度板厚(mm) 在下列温度(℃)下的屈服强度(Mpa)不小于200 250 300 350 400 45021~36 340 315 290 270 250 235>36~60 320 300 275 255 235 220表2~20 钢板的许用应力板厚(mm) 在下列温度(℃)下的许用应力(Mpa)≤20 100 150 200 250 300 350 4006~16 190 190 190 190 190 190 175 163>16~36 183 183 183 183 183 181 169 156>36~60 177 177 177 177 177 172 159 147(四)18MnMoNbR钢板表2~21钢的化学成分化学成分%C Si Mn P S Mo Nb≤0.22 0.15~0.50 1.20~1.60 ≤0.035 ≤0.030 0.045~0.0.65 0.025~0.050表2~22 钢板的力学性能和冷弯性能板厚(mm) бb(Mpa) бs(Mpa) δs(%) Akv(横)(J)冷弯试验180 °30~60 590~740 ≥440 ≥17 ≥34 d=3a>60~100 570~720 ≥410 ≥17表2~23 钢板的高温屈服强度板厚(mm) 在下列温度(℃)下的屈服强度(Mpa)不小于200 250 300 350 400 45030~60 380 370 360 350 335 315>60~100 360 350 340 330 315 295表2~24 钢板的许用应力板厚(mm)在下列温度(℃)下的许用应力(Mpa)≤20 100 200 300 400 425 450 47530~60 197 197 197 197 197 197 177 11760~100 190 190 190 190 190 190 177 117(五)13MnNiMoNbR钢板表2~25钢的化学成分化学成分%C Si Mn P S Ni Mo Gr Nb≤0.15 0.15~0.50 1.20~1.60 ≤0.025 ≤0.025 0.60~1.00 0.20~0.40 0.20~0.40 0.025~0.050表2~26 钢板的力学性能和冷弯性能板厚(mm) бb(Mpa) бs(Mpa) δs(%) 0℃Akv(横)(J)冷弯试验180 °30~100 570~720 ≥390 ≥18 ≥31 d=3a>100~120 570~720 ≥380 ≥18 ≥31 d=3a表2~27 钢板的高温屈服强度板厚(mm) 在下列温度(℃)下的屈服强度(Mpa)不小于200 250 300 350 40030~100 355 350 345 335 305>100~120 345 340 335 325 300表2~28 钢板的许用应力板厚(mm)在下列温度(℃)下的许用应力(Mpa)≤20 100 150 200 250 300 350 40030~100 190 190 190 190 190 190 190 190>100~120 190 190 190 190 190 190 190 188表2~29钢的化学成分化学成分%C Si Mn P S Ni Gr Mo V B Pcm≤0.09 0.15~0.40 1.20~1.60 ≤0.030 ≤0.020 ≤0.030 0.10~0.30 0.10~0.30 0.02~0.06 ≤.0030 ≤0.20表2~30钢板的力学性能和冷弯性能板厚(mm) 取样方向及部位拉伸试验冲击试验冷弯试验180 °бb(Mpa) бs(Mpa) δs(%) 试验温度(℃) Akv(J)16~59 横向,1/4t 610~740 ≥490 ≥17 -20 ≥47 d=3a03.低温钢板(一)16MnDR钢板表3~9钢的化学成分化学成分%C Si Mn P S Als≤0.20 0.15~0.50 1.20~1.60 ≤0.030 ≤0.025 ≥0.015表3~10钢板的力学性能和冷弯性能板厚(mm) бb(Mpa) бs(Mpa) δ5(%) Akv(横)(J)冷弯试验180 °6~16 490~620 ≥315 ≥21 -40℃, ≥24 d=2a>16~36 470~600 ≥295 d=3a>36~60 450~580 ≥275 -30℃,≥24>60~100 450~580 ≥255表3~11钢板的许用应力板厚(mm) 在下列温度(℃)下的许用应力(Mpa)≤20 100 150 200 250 300 3506~16 163 163 163 156 144 131 122>16~36 157 157 156 147 134 122 113>36~60 150 150 147 138 125 113 106>60~100 150 147 138 128 116 106 100(二)09Mn2VDR钢板表3~12钢的化学成分化学成分%C Si Mn P S V Als≤0.12 0.15~0.50 1.40~1.80 ≤0.030 ≤0.0250.02~0.06 ≥0.015 表3~13钢板的力学性能和冷弯性能板厚(mm) бb(Mpa) бs(Mpa) δ5(%) Akv(横)(J)冷弯试验180 °6~16 440~570 ≥290 ≥22 -50℃,≥27 d=2a>16~36 430~560 ≥270(三)15MnNiDR钢板表3~14钢的化学成分化学成分%C Si Mn P S Ni V Als≤0.18 0.15~0.50 1.20~1.60 ≤0.030 ≤0.025 0.20~0.60 ≤0.06 ≥0.015 表3~15 钢板的力学性能和冷弯性能板厚(mm) бb(Mpa) бs(Mpa) δ5(%) Akv(横)(J)冷弯试验180 °6~16 490~630 ≥325 ≥20 -40℃,≥27 d=3a>16~36 470~610 ≥305>36~60 460~600 ≥290(四)09MnNiDR钢板表3~16钢的化学成分化学成分%C Si Mn P S Ni Nb Als≤0.12 0.15~0.50 1.20~1.60 ≤0.025 ≤0.020 0.30~0.80 ≤0.04 ≥0.015表3~17 钢板的力学性能和冷弯性能>板厚(mm) бb(Mpa)бs(Mpa) δ5(%) Akv(横)(J)冷弯试验180 °6~16 440~670 ≥300 ≥23 -70℃,≥27 d=2a>16~36 430~560 ≥280>36~60 430~560 ≥260表3~18钢板的许用应力板厚(mm) 在下列温度(℃)下的许用应力( Mpa)≤20 100 150 200 250 300 3506~16 147 147 147 147 147 147 138>16~36 143 143 143 143 143 138 128>36~60 143 143 143 141 134 128 119(五)07MnNiCrMoVDR钢板表3~19钢的化学成分化学成分%C Si Mn P S Ni Gr Mo V B Pcm≤0.09 0.15~0.40 1.20~1.60 ≤0.030 ≤0.020 0.20~0.50 0.10~0.30 0.10~0.30 0.02~0.06 ≤.0030 ≤0.21表3~20钢板的力学性能和冷弯性能板厚(mm) 取样方向及部位拉伸试验冲击试验冷弯试验180 °бb(Mpa) бs(Mpa) δs(%) 试验温度(℃) Akv(J)16~50 横向,1/4t 610~740 ≥490 ≥17 -40 ≥47 d=3a04.中温抗氢钢板(一)15CrMoR钢板表4~9钢的化学成分化学成分%C Si Mn P S Cr Mo0.12~0.18 0.15~0.40 0.40~0.70 ≤0.030 ≤0.030 0.80~1.20 0.45~0.60表4~10 钢板的力学性能和冷弯性能板厚(mm) 钢板状态бb(M pa) бs(Mpa) δ5(%) Akv(横)(J)冷弯试验180 °6~60 正火加回火450~590 ≥295 ≥19 ≥31 d=3a>60~100 ≥275 ≥18表4~11 钢板的高温屈服强度钢板状态板厚(mm) 在下列温度(℃)下的屈服强度(Mpa)不小于100 150 200 250 300 350 400 450 500正火加回火36~60 270 255 240 225 210 200 189 179 174 >60~100 250 235 220 210 196 186 176 167 162表4~12 钢板的许用应力钢板状态板厚(mm) 在下列温度(℃)下的许用应力(Mpa)≤20 100 150 200 250 300 350 400 425 450 475 500525 550正火加回火6~60 150 150 150 150 141 131 125 118 115 112 110 88 5837>60~100 150 150 147 138 131 123 116 110 107 104 103 88 5837(二)12Cr2Mo1R钢板表4~13钢的化学成分化学成分%C Si Mn P S Cr Mo≤0.15 ≤0.50 0.30~0.60 ≤0.025 ≤0.025 2.00~2.50 0.90~1.10表4~14 钢板的力学性能和冷弯性能板厚(mm) 钢板状态бb(Mpa) бs(Mpa) δ5(%) Akv(横)(J)冷弯试验180 °6~60 正火加回火515~690 ≥310 ≥18 ≥31 d=3a>60~150 ≥17表4~15 钢板的高温屈服强度板厚(mm) 在高温(℃)下的屈服强度(Mpa)不小于100 150 200 250 300 350 400 450 5006~150 280 270 260 255 250 245 240 230 215表4~16钢板的许用应力板厚(mm) 在下列温度(℃)下的许用应力(Mpa)≤20 100 150 200 250 300 350 400 425 450 475 500 525 550 5756~150 172 172 169 163 159 156 153 150 147 144 119 89 6146 3705.不锈钢板(一)0Cr13钢板表5~9钢的化学成分化学成分%C Si Mn P S Cr Ni≤0.08 ≤1.00 ≤1.00 ≤0.035 ≤0.030 11.50~13.50 ≤0.60表5~10 钢板的力学性能和冷弯性能拉伸试验硬度试验冷弯试验180 °бb(Mpa) б0.2(Mpa) δ5(%) HB HRB HV≥410 ≥205 ≥20 ≤183 ≤88 ≤200 d=2a表5~11GB150推荐的的高温屈服强度板厚(mm) 在下列温度(℃)下的屈服强度(Mpa)不小于100 150 200 250 300 350 400 450 500 5502~60 189 184 180 178 175 168 163 150 133 108表5~12 钢板的许用应力板厚(mm) 在下列温度(℃)下的许用应力(Mpa)≤20 100 150 200 250 300 350 400 450 5002~60 128 118 115 113 111 109 105 102 94 72 (二)0Cr18Ni9钢板表5~13钢的化学成分化学成分%C Si Mn P S Cr Ni≤0.07 ≤1.00 ≤2.00 ≤0.035 ≤0.030 17.0~19.00 8.00~11.00表5~14 钢板的力学性能拉伸试验硬度试验бb(Mpa) б0.2(Mpa) δ5(%) HB HRB HV≥520 ≥205 ≥40 ≤187 ≤90 ≤200表5~15GB150推荐的的高温屈服强度板厚(mm) 在下列温度(℃)下的屈服强度(Mpa)不小于100 150 200 250 300 350 400 450 500 5502~60 171 155 144 135 127 123 119 114 111 106表5~16 钢板的许用应力板厚(mm) 在下列温度(℃)下的许用应力(Mpa)≤20 100 150 200 300 400 550 550 600 650 700 2~60 137 137 137 130 114 107 100 91 64 42 27 137 114 103 96 85 79 74 71 62 42 27(三)1Cr18Ni9Ti钢板表5~17 钢的化学成分化学成分%C Si Mn P S Cr Ni Ti≤0.12 ≤1.00 ≤2.00 ≤0.035 ≤0.030 17.0~19.00 8.00~11.00 5(C%~-0.02)~0.80表5~18 钢板的力学性能拉伸试验硬度试验бb(Mpa) б0.2(Mpa) δ5(%) HB HRB HV≥540 ≥205 ≥40 ≤187 ≤90 ≤200(四)0Cr18Ni10Ti钢板表5~19 钢的化学成分化学成分%C Si Mn P S Cr Ni Ti≤0.08 ≤1.00 ≤2.00 ≤0.035 ≤0.030 17.0~19.00 9.00~12.00 ≥5XC%表5~20 钢板的力学性能拉伸试验硬度试验бb(Mpa) б0.2(Mpa) δ5(%) HB HRB HV≥520 ≥205 ≥40 ≤187 ≤90 ≤200表5~21 GB150推荐的的高温屈服强度板厚(mm) 在下列温度(℃)下的屈服强度(Mpa)不小于100 150 200 250 300 350 400 450 500 5502~60 171 155 144 135 127 123 120 117 114 111表5~22 钢板的许用应力板厚(mm) 在下列温度(℃)下的许用应力(Mpa)≤20 100 150 200 300 400 500 550 600 650 700 2~60 137 137 137 130 114 108 103 83 44 25 13 137 114 103 96 85 80 76 74 44 25 13(五)0Cr17Ni12Mo2钢板表5~23 钢的化学成分化学成分%C Si Mn P S Cr Ni Mo≤0.08 ≤1.00 ≤2.00 ≤0.035 ≤0.030 16.00~18.00 10.00~14.00 2.00~3.00表5~24 钢板的力学性能拉伸试验硬度试验бb(Mpa) б0.2(Mpa) δ5(%) HB HRB HV≥520 ≥205 ≥40 ≤187 ≤90 ≤200表5~25 GB150推荐的的高温屈服强度板厚(mm) 在下列温度(℃)下的屈服强度(Mpa)不小于100 150 200 250 300 350 400 450 500 5502~60 175 161 149 139 131 126 123 121 119 117表5~26 钢板的许用应力板厚(mm) 在下列温度(℃)下的许用应力(Mpa)≤20 100 150 200 300 400 500 550 600 650 7002~60 137 137 137 134 118 111 107 105 81 50 30 137 117 107 99 87 82 79 78 73 50 30(六)0Cr18Ni12Mo2Ti钢板表5~27 钢的化学成分化学成分%C Si Mn P S Cr Ni Mo Ti≤0.08 ≤1.00 ≤2.00 ≤0.035 ≤0.030 16.00~19.00 11.00~14.00 1.80~2.50 ≥5XC%~0.70表5~28 钢板的力学性能拉伸试验硬度试验бb(Mpa) б0.2(Mpa) δ5(%) HB HRB HV≥530 ≥205 ≥35 ≤187 ≤90 ≤200表5~29 GB150推荐的的高温屈服强度板厚(mm) 在下列温度(℃)下的屈服强度(Mpa)不小于100 150 200 250 300 350 400 450 500 5502~60 175 161 149 139 131 126 123 121 119 117表5~30 钢板的许用应力板厚(mm) 在下列温度(℃)下的许用应力(Mpa)≤20 100 150 200 250 300 350 400 450 475 500 6502~60 137 137 137 134 125 118 113 111 109 108 107 50 137 117 107 99 93 87 84 82 81 80 79 50(七)0Cr19Ni13Mo3钢板表5~31 钢的化学成分化学成分%C Si Mn P S Cr Ni Mo≤0.08 ≤1.00 ≤2.00 ≤0.035 ≤0.030 18.00~20.00 11.00~15.00 3.00~4.00表5~32 钢板的力学性能拉伸试验硬度试验бb(Mpa) б0.2(Mpa) δ5(%) HB HRB HV≥520 ≥205 ≥40 ≤187 ≤90 ≤200表5~33 GB150推荐的的高温屈服强度板厚(mm) 在下列温度(℃)下的屈服强度(Mpa)不小于100 150 200 250 300 300 350 350 400 450 400 550 500 5502~60 175 161 149 139 131 131 126 126 123 121 123 117 119117表5~34 钢板的许用应力板厚(mm) 在下列温度(℃)下的许用应力(Mpa)≤20 100 150 200 300 300 400 400 450 475 500 650 550 600 650 7002~60 137 137 137 134 118 118 111 111 109 108 107 50 10581 50 30137 117 107 99 87 87 82 82 81 80 79 50 78 7350 30( 八)00Cr19Ni10钢板表5~35 钢的化学成分化学成分%C Si Mn P S Cr Ni≤0.030 ≤1.00 ≤2.00 ≤0.035 ≤0.030 18.00~20.00 8.00~12.00表5~36 钢板的力学性能拉伸试验硬度试验бb(Mpa) б0.2(Mpa) δ5(%) HB HRB HV≥480 ≥177 ≥40≤187 ≤90 ≤200表5~37 GB150推荐的的高温屈服强度板厚(mm) 在下列温度(℃)下的屈服强度(Mpa)不小于100 150 200 250 300 300 350 350 400 450 400 550 450 500 5502~60 145 131 122 114 109 131 104 126 123 121 101 117 98119 117表5~38 钢板的许用应力板厚(mm) 在下列温度(℃)下的许用应力(Mpa)≤20 100 150 200 250 300 300 400 450 475 350 650 400 600 425 7002~60 118 118 118 110 103 118 98 111 109 108 94 50 9181 89 30118 97 87 81 76 87 73 82 81 80 69 50 67 7366 30(九)00Cr17Ni14Mo2钢板表5~39 钢的化学成分化学成分%C Si Mn P S Cr Ni Ni Mo≤0.030 ≤1.00 ≤2.00 ≤0.035 ≤0.030 18.00~20.00 8.00~12.00 12.00~15.00 2.00~3.00表5~40 钢板的力学性能拉伸试验硬度试验бb(Mpa) б0.2(Mpa) δ5(%) HB HRB HV≥480 ≥177 ≥40 ≤187 ≤90 ≤200表5~41 GB150推荐的的高温屈服强度板厚(mm) 在下列温度(℃)下的屈服强度(Mpa)不小于100 150 200 250 300 300 350 350 400 450 400 550 450500 5502~60 145 130 120 111 105 131 100 126 123 121 96 117 93119 117表5~42 钢板的许用应力板厚(mm) 在下列温度(℃)下的许用应力(Mpa)≤20 100 150 200 250 300 300 400 450 475 350 650 400 600 425 700 425 4502~60 118 118 117 108 100 118 95 111 109 108 90 50 8681 89 30 85 84118 97 87 80 74 87 70 82 81 80 67 50 64 7366 30 63 62(十)00Cr19Ni13Mo3钢板表5~43 钢的化学成分化学成分%C Si Mn P S Cr Ni Ni Mo≤0.030 ≤1.00 ≤2.00 ≤0.035 ≤0.030 18.00~20.00 8.00~12.00 11.00~15.00 3.00~4.00表5~44 钢板的力学性能拉伸试验硬度试验бb(Mpa) б0.2(Mpa) δ5(%) HB HRB HV≥480 ≥177 ≥40 ≤187 ≤90 ≤200表5~45 GB150推荐的的高温屈服强度板厚(mm) 在下列温度(℃)下的屈服强度(Mpa)不小于100 150 200 250 300 350 400 4502~60 175 161 149 139 131 126 123 121表5~46 钢板的许用应力板厚(mm) 在下列温度(℃)下的许用应力(Mpa)≤20 100 150 200 250 300 300 400 450 475 350 650 400 600 425 425 4502~60 118 118 118 118 118 118 118 111 109 108 113 50 11181 89 110 109118 117 107 99 93 87 87 82 81 80 84 50 82 7366 81 81(十一)00Cr18Ni5Mo3Si2钢板表5~47 钢的化学成分化学成分%C Si Mn P S Cr Ni Ni Mo N≤0.030 1.30~2.00 1.00~2.00 ≤0.030 ≤0.030 18.00~19.00 8.00~12.00 4.50~5.50 2.50~3.000 ≤0.10表5~48 钢板的力学性能拉伸试验硬度试验бb(Mpa) б0.2(Mpa) δ5(%) HB HRB HV≥590 ≥390 ≥20 _ ≤30 ≤300表5~49 GB150推荐的的高温屈服强度板厚(mm) 在下列温度(℃)下的屈服强度(Mpa)不小于100 150 200 250 3002~25 315 285 260 250 245表5~50 钢板的许用应力板厚(mm) 在下列温度(℃)下的许用应力(Mpa)≤20 100 150 200 250 3002~25 197 197 178 163 156 153(十二)铁素体型或马素体型钢板表5~51 钢的化学成分钢号化学成分(%)C Si Mn P S Cr Ni 其它0Cr13AL ≤0.08 ≤1.00 ≤1.00 ≤0.035 ≤0.030 11.50~14.50 ≤0.60 Al0.10~0.301Cr13 ≤0.15 ≤1.00 ≤1.00 ≤0.035 ≤0.030 11.50~13.50 ≤0.601Cr15 ≤0.12 ≤1.00 ≤1.00 ≤0.035 ≤0.030 14.00~16.00 ≤0.601Cr17 ≤0.12 ≤0.75 ≤1.00 ≤0.035 ≤0.030 16.00~18.00 ≤0.6000Cr27Mo ≤0.010 ≤0.40 ≤0.40 ≤0.030 ≤0.020 25.00~27.00 ≤0.50 Mo0.75~1.50≤0.015 00Cr30Mo2 ≤0.010 ≤0.40 ≤0.40 ≤0.030 ≤0.020 28.00~32.00 ≤0.50 Mo1.50~2.50≤0.015表5~52 钢板的力学性能和冷弯性能钢号钢板状态拉伸试验硬度试验冷弯试验180 °бb(Mpa) б0.2(Mpa) δ5(%) HB HRB HV0Cr13Al 退火≥410 ≥177 ≥20 ≤183 ≤88 ≤200 a<8mm,d=a a>8mm,d=2a1Cr13 退火≥440 ≥205 ≥20 ≤200 ≤93 ≤210 d=2a1Cr15 退火≥450 ≥205 ≥22 ≤183 ≤88 ≤200 d=2a1Cr17 退火≥450 ≥205 ≥22 ≤183 ≤88 ≤200 d=2a00Cr27Mo 退火≥410 ≥245 ≥22 ≤190 ≤90 ≤200 d=2a00Cr30Mo2 退火≥450 ≥295 ≥22 ≤209 ≤95 ≤220 d=2a(十三)奥氏体型钢管表5~53 钢的化学成分钢号化学成分(%)C Si Mn P S Cr Ni 其它1Cr18Ni9 ≤0.15≤1.00≤2.00≤0.035≤0.03017.00~19.00 8.00~10.000Cr19Ni9N ≤0.08≤1.00≤2.50≤0.035≤0.03018.00~20.00 7.00~10.50 N 0.10~0.2500Cr18Ni10N ≤0.030≤1.00≤2.00≤0.035≤0.03017.00~19.00 8.50~11.50 N 0.12~0.220Cr23Ni13 ≤0.08≤1.00≤2.00≤0.035≤0.03022.00~24.00 12.00~15.000Cr26Ni20 ≤0.08≤1.00≤2.00≤0.035≤0.03024.00~26.00 19.00~22.000Cr17Ni2Mo2N ≤0.08≤1.00≤2.00≤0.035≤0.03016.00~18.00 10.00~14.0 Mo 2.00~3.00 N 0.10~0.2200Cr17Ni 13Mo2N ≤0.030≤1.00≤2.00≤0.035≤0.03016.50~18.50 10.50~14.50 Mo 2.00~3.00 N 0.10~0.2200Cr18Ni14Mo2Cu2 ≤0.030≤1.00≤2.00≤0.035≤0.03017.00~19.0 12.00~16.00 Mo 1.20~2.75Cu 1.00~2.500Cr18Ni12Mo2Cu2 ≤0.08≤1.00≤2.00≤0.035≤0.03017.00~19.00 10.00~14.00 Mo 1.20~2.75Cu 1.00~2.500Cr18Ni16Mo5 ≤0.040≤1.00≤2.50≤0.035≤0.03016.00~19.00 15.00~17.00 Mo 4.00~6.000Cr18Ni11Nb ≤0.08≤1.00≤2.00≤0.035≤0.03017.00~19.00 9.00~13.00 Nb≥10XC0Cr18Ni13Si4 ≤0.08 3.0~5.00 ≤2.00≤0.035≤0.03015.00~20.00 11.60~15.00(十四)奥氏体--铁素体型钢板表5~55 钢的化学成分钢号化学成分(%)C Si Mn P S Cr Ni 其它0Cr26Ni5Mo2 ≤0.08 ≤1.00 ≤1.50 ≤0.035 ≤0.030 23.00~28.00 3.00~6.00 Mo 1.00~3.00表5~56 钢板的力学性能和冷弯性能钢号钢板状态拉伸试验硬度试验冷弯试验180°бb(Mpa)б0.2(Mpa)δ5(%)HB HRB HV0Cr26Ni5Mo2 固溶≥590≥390≥18≤277≤29≤292a<8mm,d=a a>8mm,d=2a06.碳素钢和低合金高强度钢钢管(一)GB8163中的10和20钢管(无缝管)表6~10 钢的化学成分钢号化学成分(%)C Si Mn P S Ni Cr Cu10 0.07~0.14 0.17~0.37 0.35~0.65 ≤0.035 ≤0.035 ≤0.25 ≤0.15 ≤0.2520 0.17~0.24 0.17~0.37 0.35~0.65 ≤0.035 ≤0.035 ≤0.25 ≤0.25 ≤0.25表6~11 钢管的力学性能钢号壁厚(mm) бb(Mpa) бs(Mpa) δ5(%)10 ≤15 335~475 ≥205 ≥2420 ≤15 390~530 ≥245 ≥20表6~12钢管的许用应力钢号壁厚(mm) 在下列温度(℃)下的许用应力(Mpa)≤20 100 150 200 250 300 350 400 425 450 475 10 ≤10 112 112 108 101 92 83 77 71 69 61 41 20 ≤10 130 130 130 123 110 101 92 86 83 61 41(二)GB9948中的10和20钢管(无缝管)表6~13 钢的化学成分钢号化学成分(%)C Si Mn P S Ni Cr Cu10 0.07~0.14 0.17~0.37 0.35~0.65 ≤0.035 ≤0.035 ≤0.25 ≤0.15 ≤0.2520 0.17~0.24 0.17~0.37 0.35~0.65 ≤0.035 ≤0.035 ≤0.25 ≤0.25 ≤0.25表6~14 钢管的力学性能钢号壁厚(mm) бb(Mpa) бs(Mpa) δ5(%) Aku(J)10 ≤16 330~490 ≥205 ≥24 ----20 ≤16 410~550 ≥245 ≥21 ≥39表6~15 钢管的许用应力钢号壁厚(mm) 在下列温度(℃)下的许用应力(Mpa)≤20 100 150 200 250 300 350 400 425 450 475 10 ≤16 112 112 108 101 92 83 77 71 69 61 41 20 ≤16 137 137 132 123 110 101 92 86 83 61 41(三)GB6479中的10、20G、16Mn和15MnV钢管(无缝管)表6~16 钢的化学成分钢号化学成分(%)C Si Mn P S V Cu10 0.07~0.14 0.17~0.37 0.35~0.65 ≤0.035 ≤0.040 --- ≤0.2520G 0.17~0.24 0.17~0.37 0.35~0.65 ≤0.035 ≤0.035 ---- ≤0.2516Mn 0.12~~0.20 0.20~0.60 1.20~1.60 ≤0.040 ≤0.040 ---- ≤0.2515MnV 0.12~0.18 0.20~0.60 1.20~1.60 ≤0.040 ≤0.040 0.04~0.12 ≤0.25表6~17钢管的力学性能钢号壁厚(mm) бb(Mpa) бs(Mpa) δ5(%) Aku(J)10 ≤16 335~490 ≥205 ≥24 ----17~40 ≥19520G ≤16 410~550 ≥245 ≥24 ≥4917~40 ≥23516Mn ≤16 490~670 ≥320 ≥21 ≥5917~40 ≥31015MnV ≤16 510~690 ≥350 ≥19 ≥5917~40 ≥340表6~18钢管的许用应力钢号壁厚(mm) 在下列温度(℃)下的许用应力(Mpa)≤20 100 150 200 250 300 350 400 425 450 47510 ≤16 112 112 108 101 92 83 77 71 69 61 4117~40 112 110 104 98 89 79 74 68 66 61 4120G ≤16 137 137 132 123 110 101 92 86 83 61 41 17~40 137 132 126 116 104 95 86 79 78 61 4116Mn ≤16 163 163 163 159 147 135 126 119 93 66 4317~40 163 163 163 153 141 129 119 116 93 66 4315MnV ≤16 170 170 170 170 166 153 141 129 --- --- --- 17~40 170 170 170 170 159 147 135 126 --- --- ---07.低温钢管(一)GB6479中的10、20G和16Mn钢管(无缝管)表7~9 钢管的化学成分钢号化学成分(%)C Si Mn P S Cu10 0.07~0.14 0.17~0.37 0.35~0.65 ≤0.035 ≤0.040 ≤0.2520G 0.17~0.22 0.17~0.37 0.35~0.65 ≤0.035 ≤0.035 ≤0.2516Mn 0.12~0.20 0.20~0.60 1.20~~1.60 ≤0.040 ≤0.040 ≤0.25表7~10 钢管的拉伸性能钢号壁厚(mm) бb(Mpa) бs(Mpa) δ5(%)10 ≤16 335~490 ≥205 ≥2417~40 ≥19520G ≤16 410~550 ≥245 ≥2417~40 ≥23516Mn ≤16 490~670 ≥320 ≥2117~40 ≥310表7~11 钢管的冲击性能钢号最后冲击试验温度(℃) 试样方向Akv(J)试样尺寸(mm)10X10X55 5X10X5510 -30 纵向≥18 ≥1220G -20 ≥18 ≥1216Mn -40 ≥21 ≥14(二)09Mn2VD钢管(无缝管)表7~12 钢管的化学成分钢号化学成分(%)C Si Mn P S V09Mn2VD ≤0.12 0.17~0.35 1.40~1.80 ≤0.025 ≤0.025 0.03~0.06表7~13 钢管的拉伸性能钢号壁厚(mm) бb(Mpa) бs(Mpa) δ5(%)09Mn2VD ≤16 450~600 ≥300 ≥23表7~14 钢管的冲击性能钢号最后冲击试验温度(℃) 试样方向Akv(J)试样尺寸(mm)10X10X55 7.5X10X55 5X10X5509Mn2VD -70 纵向≥21 ≥18 ≥1408.中温抗氢钢管(一)GB9948中的12CrMo和15CrMo钢管(无缝管)表8~10 钢的化学成分钢号化学成分(%)C Si Mn P S Cr Mo12CrMo 0.08~0.15 0.17~0.37 0.40~0.70 ≤0.035 ≤0.035 0.40~0.70 0.40~0.5515CrMo 0.12~0.18 0.17~0.37 0.40~0.70 ≤0.035 ≤0.035 0.80~1.10 0.40~0.55表8~11 钢管的力学性能钢号壁厚(mm) бb(Mpa) бs(Mpa) δ5(%) Aku(J) HB12CrMo ≤16 410~560 ≥205 ≥21 ≥55 ≤15615CrMo ≤16 440~640 ≥235 ≥21 ≥47 ≤170表8~12钢管的许用应力钢号壁厚(mm) 在下列温度(℃)下的许用应力(Mpa)≤20 100 200 250 300 350 400 450 500 525 55012CrMo ≤16 128 113 101 95 89 83 77 74 71 50 --- 15CrMo ≤16 147 132 116 110 101 95 89 86 83 58 37(二)GB6479中的12CrMo、15CrMo、10MoWVNb、12Cr2Mo和1Cr5Mo钢管(无缝管)表8~13 钢的化学成分钢号化学成分(%)C Si Mn P S Cr Mo12CrMo 0.08~0.15 0.17~0.37 0.40~0.70 ≤0.035 ≤0.035 0.40~0.70 0.40~0.5515CrMo 0.12~0.18 0.17~0.37 0.40~0.70 ≤0.035 ≤0.035 0.80~1.10 0.40~0.5510MoWVNb 0.07~0.13 0.50~0.80 0.50~0.80 ≤0.040 ≤0.030 --- 0.60~0.9012Cr2Mo 0.08~0.15 ≤0.50 0.40~0.70 ≤0.035 ≤0.035 2.00~2.50 0.90~1.201Cr5Mo ≤0.15 ≤0.50 ≤0.60 ≤0.035 ≤0.030 4.00~6.00 0.45~0.60表8~14 钢管的力学性能钢号壁厚(mm) бb(Mpa) бs(Mpa) δ5(%) aku(J/cm2)12CrMo ≤16 410~560 ≥205 ≥21 ≥6917~40 ≥19515CrMo ≤16 440~640 ≥235 ≥21 ≥5917~40 ≥22510MoWVNb ≤16 470~670 ≥295 ≥19 ≥7817~40 ≥28512Cr2Mo ≤16 450~600 ≥280 ≥20 协商17~40 ≥2701Cr5Mo ≤16 390~590 ≥195 ≥22 ≥11817~40 ≥185表8~15 钢管的许用应力钢号壁厚(mm) 在下列温度(℃)下的许用应力(Mpa)≤20 100 200 300 400 450 500 525 550 575 60012CrMo ≤16 128 113 101 89 77 74 71 50 -- -- -- 17~40 122 110 98 86 74 71 68 50 -- -- --15CrMo ≤16 147 132 116 101 89 86 83 58 37 -- -- 17~40 141 126 110 95 86 83 79 58 37 -- --10MoWVNb ≤16 157 157 156 147 135 126 97 -- -- -- -- 17~40 157 157 150 141 129 119 97 -- -- -- --12Cr2Mo ≤16 150 150 144 129 116 110 89 61 46 37 -- 17~40 150 150 138 123 110 104 89 61 46 37 --1Cr5Mo ≤16 122 110 101 95 89 86 62 46 35 26 18 17~40 116 104 95 89 83 79 62 46 35 26 18(三)GB5310中的12Cr1MoV钢管(无缝管)表8~16 钢的化学成分钢号化学成分(%)C Si Mn P S Cr Mo V12Cr1MoV 0.08~0.15 0.17~0.37 0.40~0.70 ≤0.035 ≤0.035 0.90~1.20 0.25~0.35 0.15~0.30表8~17 钢管的力学性能钢号壁厚(mm) бb(Mpa) бs(Mpa) δ5(%) aku(J)12Cr1MoV ≤16 470~640 ≥255 ≥21 ≥59表8~18 钢管的许用应力钢号壁厚(mm) 在下列温度(℃)下的许用应力(Mpa)≤20 100 200 300 350 400 500 525 550 57512Cr1MoV ≤16 147 144 126 110 104 98 89 82 57 3509.不锈钢管(一)GB/T14976 中的钢管表9~9 钢的化学成分钢号化学成分(%)C Si Mn P S Ni Cr Mo 其它0Cr13 ≤0.08 ≤0.60 ≤0.80 ≤0.035 ≤0.030 ≤0.60 12.00~14.00 -- --0Cr18Ni ≤0.07 ≤1.00 ≤2.00 ≤0.035 ≤0.030 8.00~11.00 17.00~19.00 -- --0Cr18Ni 10Ti ≤0.08 ≤1.00 ≤2.00 ≤0.035 ≤0.030 8.00~12.00 17.00~19.00 -- Ti≥5C%0Cr17Ni 12Mo2 ≤0.08 ≤1.00 ≤2.00 ≤0.035 ≤0.030 10.00~14.00 16.00~18.5 2.00~3.00 -- 0Cr18Ni 12Mo2Ti ≤0.08 ≤1.00 ≤2.00 ≤0.035 ≤0.030 11.00~14.00 16.00~19.00 1.80~2.50 Ti≥5C%~ 0.700Cr19Ni 13Mo3 ≤0.08 ≤1.00 ≤2.00 ≤0.035 ≤0.030 11.00~15.00 18.00~20.00 3.00~4.00 --00Cr19Ni10 ≤0.030 ≤1.00 ≤2.00 ≤0.035 ≤0.030 8.00~12.00 18.00~20.00 -- --00Cr17Ni14Mo2 ≤0.030 ≤1.00 ≤2.00 ≤0.035 ≤0.030 12.00~15.00 16.00~18.00 2.00~3.00 --00Cr19Ni13Mo3 ≤0.030 ≤1.00 ≤2.00 ≤0.035 ≤0.030 11.00~15.00 18.00~20.00 3.00~4.00 --1Cr18Ni9Ti ≤0.12 ≤1.00 ≤2.00 ≤0.035 ≤0.030 8.00~11.00 17.00~19.00 -- Ti≥5(C%-0.02)~ 0.080Cr26Ni5Mo2 ≤0.08 ≤1.00 ≤1.50 ≤0.035 ≤0.030 3.00~6.00 23.00~28.00 1.00~3.00 --表9~10 钢管的常温拉伸性能钢号钢管状态壁厚(mm) бb(Mpa) бs(Mpa) δ5(%)0Cr13 退火≤18 ≥370 ≥180 ≥220Cr18Ni 固溶≤18 ≥520 ≥205 ≥350Cr18Ni 10Ti 固溶≤18 ≥520 ≥205 ≥350Cr17Ni 12Mo2 固溶≤18 ≥520 ≥205 ≥350Cr18Ni 12Mo2Ti 固溶≤18 ≥530 ≥205 ≥350Cr19Ni 13Mo3 固溶≤18 ≥520 ≥205 ≥3500Cr19Ni10 固溶≤18 ≥480 ≥175 ≥3500Cr17Ni14Mo2 固溶≤18 ≥480 ≥175 ≥3500Cr19Ni13Mo3 固溶≤18 ≥480 ≥175 ≥351Cr18Ni9Ti 固溶≤18 ≥520 ≥205 ≥350Cr26Ni5Mo2 固溶≤18 ≥590 ≥390 ≥18表9~11 GB150推荐的的高温屈服强度钢号在下列温度(℃)下的屈服强度(Mpa)不小于20 100 150 200 250 300 350 400 450 500 5500Cr13 205 189 184 180 178 175 168 163 150 133 1080Cr18Ni 205 171 155 144 135 127 123 119 114 111 1060Cr18Ni 10Ti 205 17 155 144 135 127 123 120 117 114 1110Cr17Ni 12Mo2 205 175 161 149 139 131 126 123 121 119 117 0Cr18Ni 12Mo2Ti 205 175 161 149 139 131 126 123 121 119 117 0Cr19Ni 13Mo3 205 175 161 149 139 131 126 123 121 119 117 00Cr19Ni10 175 145 131 122 114 109 104 101 98 -- --00Cr17Ni14Mo2 175 145 130 120 111 105 100 96 93 -- --00Cr19Ni13Mo3 175 145 161 149 139 131 126 123 121 -- -- 表9-12 钢管的许用应力钢号壁厚(mm) 在下列温度(℃)下的许用应力(Mpa)≤20100 200 300 400 450 500 550 600 650 7000Cr13 ≤18124 118 113 109 102 94 82 38 16 -- --0Cr18Ni ≤18137 137 130 114 107 103 100 91 64 42 27 137 114 96 85 79 76 74 71 62 42 270Cr18Ni 10Ti ≤18137 137 130 114 108 105 103 83 44 25 13 137 114 96 85 80 78 76 74 44 25 130Cr17Ni 12Mo2 ≤18137 137 134 118 111 109 107 105 81 50 30137 117 99 87 82 81 79 78 73 50 300Cr18Ni 12Mo2Ti ≤18137 137 134 118 111 109 107 -- -- -- -- 137 117 99 87 82 81 79 -- -- -- --0Cr19Ni 13Mo3 ≤18137 137 134 118 111 109 107 105 81 50 30 137 117 99 87 82 81 79 78 73 50 3000Cr19Ni10 ≤18118 118 110 98 91 -- -- -- -- -- --118 97 81 73 67 -- -- -- -- -- --00Cr17Ni14Mo2 ≤18118 118 108 95 86 84 -- -- -- -- -- 118 97 80 70 64 62 -- -- -- -- --00Cr19Ni13Mo3 ≤18118 118 118 118 111 109 -- -- -- -- -- 118 117 9 87 82 81 -- -- -- -- --(二)GB13296 中的钢管钢号化学成分(%)C Si Mn P S Ni Cr Mo 其它0Cr18Ni9 ≤0.07≤0.10≤2.00≤0.035≤0.0308.00~11.00 17.00~19.00 -- --1Cr18Ni9Ti ≤0.12≤1.00≤2.00≤0.035≤0.0308.00~11.00 17.00~19.00 -- Ti≥5x(c%-0.02)~0.800Cr18Ni10Ti ≤0.08≤0.10≤2.00≤0.035≤0.0309.00~12.00 17.00~19.00 -- Ti≥5xc%00Cr19Ni10 ≤0.030≤0.10≤2.00≤0.035≤0.0308.00~12.00 18.00~20.00 -- --0Cr17Ni12Mo2 ≤0.08≤0.10≤2.00≤0.035≤0.03010.00~14.00 16.00~18.50 2.00~3.00 --0Cr18Ni12Mo2Ti ≤0.08≤0.10≤2.00≤0.035≤0.03011.00~14.00 16.00~19.00 1.80~2.50 Ti≥5xc%~0.7000Cr17Ni14Mo2 ≤0.030≤0.10≤2.00≤0.035≤0.030 12.00~15.00 16.00~19.00 2.00~3.00 --0Cr19Ni13Mo3 ≤0.08≤0.10≤2.00≤0.035≤0.03011.00~15.00 16.00~18.00 3.00~4.00 --00Cr19Ni13Mo3 ≤0.030≤0.10≤2.00≤0.035≤0.03011.00~15.00 18.00~20.00 3.00~4.00 --1Cr17 ≤0.12≤0.75≤1.00≤0.035≤0.030--- 16.00~18.00 -- --00Cr27Mo ≤0.10≤0.40≤0.40≤0.035≤0.030≤0.5025.00~27.00 0.75~1.50 N<0.015 1Cr18Ni9 0.04~0.10 ≤0.10≤2.00≤0.035≤0.0308.00~11.00 18.00~20.00 -- --0Cr23Ni13 ≤0.08≤0.10≤2.00≤0.035≤0.03012.00~15.00 22.00~24.00 -- --0Cr25Ni20 ≤0.08≤0.10≤2.00≤0.035≤0.03019.00~22.00 24.00~25.00 -- --0Cr18Ni11Nb ≤0.08≤0.10≤2.00≤0.035≤0.0309.00~13.00 17.00~19.00 -- Nb≥10xc% 0Cr18Ni13Si4 ≤0.08 3.00~5.00 ≤2.00≤0.035≤0.03011.50~15.00 15.00~20.00 -- -- 0Cr26Ni5Mo2 ≤0.08≤0.10≤1.50≤0.035≤0.030 3.00~6.00 23.00~28.00 1.00~3.00 --表9~14 钢管的常温力学性能钢号壁厚(mm)бb(MPa)б0.2(MPa)δ(%)HRB0Cr18Ni9 ≤13≥520≥205≥35〈901Cr18Ni9Ti ≤13≥550≥205≥40-0Cr18Ni10Ti ≤13≥520≥205≥35〈9000Cr19Ni10 ≤13≥480≥175≥35〈900Cr17Ni12Mo2 ≤13≥520≥205≥35〈900Cr18Ni12Mo2Ti ≤13≥530≥205≥35〈9000Cr17Ni14Mo2 ≤13≥480≥175≥40-0Cr19Ni13Mo3 ≤13≥520≥205≥35-00Cr19Ni13Mo3 ≤13≥480≥175≥35-1Cr17 ≤13≥410≥245≥20-00Cr27Mo ≤13≥410≥245≥20〈901Cr18Ni9 ≤13≥520≥205≥35〈900Cr23Ni13 ≤13≥520≥205≥35〈900Cr25Ni20 ≤13≥520≥205≥35〈900Cr18Ni11Nb ≤13≥520≥205≥35〈900Cr18Ni13Si4 ≤13≥520≥205≥35〈95。
常用钢材化学成分及力学性能01.碳素钢板(一)Q235-A.F钢表1-10 钢的化学成分C0.14~0.22板厚(mm) 2~3 >3~3.5 >3.5~4 >4~16表1-12 钢板的许用应力板厚(mm) 3~4 4.5~16(二)Q235-A钢板表1-13 钢的化学成分化学成分(%)C 0.14~0.22表1-14 钢板的力学性能和冷弯性能板厚(mm) 2~3 >3~3.5 >3.5~4 >4~16 >16~40表1-15 钢板的许用应力板厚(mm)在下列温度(℃)下的许用应力(Mpa) 100 150 200 250 300 375~500 375~500≥235 ≥225375~500≥235бb(Mpa)бs(Mpa)δs(%) ≥20 ≥21 ≥22 ≥25 ≥24冷弯试验180 ºd=1.5ad=1.5a d=1.5aSi 0.12~0.30Mn 0.30~0.65P ≤0.045S ≤0.050在下列温度(℃)下的许用应力(Mpa) ≤20113 113100 113 113150 113 113200 105 105250 94 94375~500 375~500≥235 ≥235表1-11 钢板的力学性能和冷弯性能бb(Mpa) бs(Mpa) δs(%) 冷弯试验180 º≥20 ≥21 ≥22≥25d=1.5a d=1.5aSi ≤0.07化学成分%Mn 0.30~0.60P ≤0.045S ≤0.050≤20 3503~4 4.5~16 >16~40 (三)Q235-B钢板113 113 113 113 113 113 113 113 113 113 113 107 94 94 91 94 94 91 86 86 83表1-16 钢的化学成分C ≤0.22表1-17 钢板的力学性能和冷弯性能板厚(mm) бb(Mpa) бs(Mpa) δs(%) Akv(纵)(J) 2~3 >3~3.5 >3.5~4 >4~16 >16~40表1-18 钢板的许用应力板厚(mm) 3~4 4.5~16 >16~40 (四)Q235-C钢板表1-19 钢的化学成分C ≤0.18Si 0.12~0.30化学成分%Mn 0.35~0.80P ≤0.040S ≤0.040在下列温度(℃)下的许用应力(Mpa) 100 150 200 250 300 113 113 105 94 86 113 113 105 94 86 113 107 99 91 83375~500 375~500≥235 ≥225375~500≥235≥20 ≥21 ≥22 ≥25 ≥24≥27 ≥27d=1.5a d=1.5a---d=1.5a 冷弯试验180 ºSi0.12~0.30化学成分%Mn ≤0.70P ≤0.045S ≤0.045≤20 113 113 113 350 77 77 75表1-20 钢板的力学性能和冷弯性能板厚(mm) бb(Mpa) бs(Mpa) δs(%) 0℃Akv(纵)(J) 2~3>3~3.5 375~500 >3.5~4 >4~16 >16~40表1-21 钢板的许用应力板厚(mm)在下列温度(℃)下的许用应力(Mpa)375~500 375~500≥235 ≥225 ≥235≥20 ≥21 ≥22 ≥25 ≥24≥27 ≥27d=1.5a d=1.5a---d=1.5a 冷弯试验180 º3~4 4.5~16 >16~40 (五)20HP钢板≤20 125 125 125 100 125 125 125 150 125 125 119 200 116 116 110 250 104 104 101 300 95 95 92 350 86 86 83 400 79 79 77表1-22 钢的化学成分C ≤0.22表1-23 钢板的力学性能和冷弯性能板厚(mm) 2.5~1.2 (六)15MnHP钢板表1-24 钢的化学成分C0.12~0.20表1-25 钢板的力学性能和冷弯性能板厚(mm) 2.5~1.2 (七)20R钢板表1-26 钢的化学成分C 〈=0.20表1-27 钢板的力学性能和冷弯性能板厚(mm) 6~16 >16~36 >36~60 >60~100表1-28 钢板的高温屈服强度Si ≤0.35化学成分% Mn 0.35~0.65P ≤0.035 S ≤0.035бb(Mpa) ≥390бs(Mpa) δs(%) Akv(横)(J) ≥245≥25≥27冷弯试验180 º d=1.5aSi ≤0.35化学成分%Mn 0.65~1.00P ≤0.035 S ≤0.035бb(Mpa) ≥440бs(Mpa) δs(%) Akv(横)(J) ≥295≥26≥27冷弯试验180o d=2aSi 0.15~0.30化学成分%Mn 0.40~0.90P ≤0.035 S ≤0.030бb(Mpa) бs(Mpa) δs(%) 0℃Akv(纵)(J) 冷弯试验180 º 400~520 390~510≥245 ≥235 ≥225 ≥205≥24 ≥25≥31d=2a在下列温度(℃)下的屈服强度(Mpa)不小于板厚(mm) 21~36 >36~60 >60~100表1-29 钢板的许用应力在下列温度(℃)下的许用应力(Mpa)板厚(mm) 6~16 >16~36 >36~60 >60~100≤20 100 150 200 250 300 350 133 133 132 123 110 101 92 133 132 126 116 104 95 133 126 119 110 101 92 128 115 110 103 92 8486 83 77400 425 450 86 79 77 7183 61 78 61 75 61 68 61200 186 178 164250 167 161 147300 153 147 135350 139 133 123400 129 123 113450 121 116 106475 41 41 41 4102.低合金高强度钢板(一)16MnR钢板表2~9 钢的化学成分化学成分%CSiMnPS0.20~0.55 1.20~1.60表2~10 钢板的力学性能和冷弯性能δ板厚(mm) Akv(横)(J)冷弯试验180°s(%)6~16 ≥345 ≥21 >16~36 ≥325 ≥21 >36~60 ≥305 ≥21 >60~100 ≥285 ≥20 >100~120 ≥275 ≥20表2~11 钢板的高温屈服强度d=2a≥31d=3a板厚(mm) 21~36 >36~60 >60~100 >100~120在下列温度(℃)下的屈服强度(Mpa)不小于 200 255 240 225 220 250 235 220 205 200300 215 200 185 180350 200 185 175 170400 190 175 165 160表2~12 钢板的许用应力在下列温度(℃)下的许用应力(Mpa)板厚(mm)6~16 >16~36 >36~60 >60~100 100~12015MnVR≤20 170 93 66 43 163 93 66 43 157 93 66 43 153 93 66 43 150 93 66 43表2~13钢的化学成分化学成分%C Si Mn P S V表2~14 钢板的力学性能和冷弯性能冷弯试验180 °6~16 ≥390 ≥19 >16~36 ≥370 ≥19 >36~60 ≥350 ≥19表2~15 钢板的高温屈服强度≥31d=3a板厚(mm) 21~36在下列温度(℃)下的屈服强度(Mpa)不小于 200 295250 280300 260350 240400 220450 205>36~60280 265 245 225 210 195表2~16 钢板的许用应力在下列温度(℃)下的许用应力(Mpa)≤20 100 150 200 250 300 177 170 163177 177 177 177 172 170 170 170 170 163 163 163 163 163 153板厚(mm) 6~16 >16~36 >36~60350 400 159 147 150 138 141 131(三)15MnVNR钢板表2~17 钢的化学成分化学成分%CSiMn 1.30~1.70PSVN 0.010~0.0200.10~≤0.030 0.20表2~18 钢板的力学性能和冷弯性能冷弯试验180板厚(mm) °6~16≥440 ≥18 ≥420 ≥18 ≥400 ≥18≥34d=3a>16~36 >36~60表2~19 钢板的高温屈服强度在下列温度(℃)下的屈服强度(Mpa)不小于 200 340 320250 315 300300 290 275表2~20 钢板的许用应力板厚(mm) 6~16在下列温度(℃)下的许用应力(Mpa)≤20 100 150 200 250 300 350 400 190 190 190 190 190 190 175 163 350 270 255400 250 235450 235 220板厚(mm) 21~36 >36~60>16~36>36~60 183 183 183 183 183 181 169 156 177 177 177 177 177 172 159 147(四)18MnMoNbR钢板表2~21钢的化学成分化学成分%C Si Mn P S Mo Nb 表2~22 钢板的力学性能和冷弯性能冷弯试验30~60 ≥440 ≥17>60~100 ≥410 ≥17表2~23 钢板的高温屈服强度板厚(mm)30~60>60~100表2~24 钢板的许用应力板厚(mm)30~6060~100(五)13MnNiMoNbR钢板表2~25钢的化学成分化学成分%C Si Mn P S Ni Mo Gr Nb 在下列温度(℃)下的许用应力(Mpa) ≤20 100 200 300 400 425 450 197 197 197 197 197 197 177 190 190 190 190 190 190 177 475 117 117 200 250 300 350 400 450 380 370 360 350 335 315 360 350 340 330 315 295 ≥34 d=3a ≤0.10.15~1.20~≤0.02≤0.020.60~0.20~0.20~5 0.50 1.60 5 5 1.00 0.40 0.40表2~26 钢板的力学性能和冷弯性能冷弯试验 30~100 ≥390 ≥18 ≥380 ≥18表2~27 钢板的高温屈服强度在下列温度(℃)下的屈服强度(Mpa)不小于板厚(mm) 30~100 >100~120200 355 345250 350 340300 345 335350 335 325400 305 300≥31 ≥31d=3a d=3a表2~28 钢板的许用应力板厚(mm) 30~100 >100~120表2~29钢的化学成分化学成分%CSiMnPSNiGrMoVBPcm在下列温度(℃)下的许用应力(Mpa)≤20 100 150 200 250 300 350 400 190 190 190 190 190 190 190 190 190 190 190 190 190 190 190 1881.20~0.10~0.10~0.02~0.40 1.60 0.30 0.30 0.06表2~30钢板的力学性能和冷弯性能冷弯试验板厚(mm)取样方向及180 部位试验温度(℃) Akv(J) ° 16~59 ≥490≥17-20≥47 拉伸试验冲击试验03.低温钢板(一)16MnDR钢板表3~9钢的化学成分化学成分%CSiMnPSAls表3~10钢板的力学性能和冷弯性能冷弯试验 6~16 >16~36 >36~60表3~11钢板的许用应力板厚(mm) 6~16 >16~36 >36~60 >60~100(二)09Mn2VDR钢板表3~12钢的化学成分化学成分%CSiMnPSVAls在下列温度(℃)下的许用应力(Mpa) 100 150 200 250 300 163 163 163 156 144 131 157 157 156 147 134 122 150 150 147 138 125 113 150 147 138 128 116 106350 122 113 106 100≥21-30℃,≥24 -40℃, ≥24d=2ad=3a1.40~1.80 表3~13钢板的力学性能和冷弯性能冷弯试验180 °6~16 >16~36 (三)15MnNiDR钢板表3~14钢的化学成分化学成分%CSiMnPSNiVAls≥22 -50℃,≥27d=2a1.20~1.60 表3~15 钢板的力学性能和冷弯性能冷弯试验180 °6~16 >16~36 >36~60 (四)09MnNiDR钢板表3~16钢的化学成分化学成分%CSiMnPSNiNbAls≥20 -40℃,≥27d=3a1.20~1.60表3~17 钢板的力学性能和冷弯性能>Akv(横)(J)冷弯试验180 °6~16 >16~36 >36~60表3~18钢板的许用应力板厚(mm) 6~16 >16~36 >36~60表3~19钢的化学成分化学成分%CSiMnPSNiGrMoVB在下列温度(℃)下的许用应力( Mpa) 100 150 200 250 300 350 147 147 147 147 147 147 138 143 143 143 143 143 138 128 143 143 143 141 134 128 119Pcm≥23-70℃,≥27d=2a(五)07MnNiCrMoVDR钢板0.15~1.20~0.20~0.10~0.10~0.02~0.40 1.60 0.50 0.30 0.30 0.06表3~20钢板的力学性能和冷弯性能板厚(mm) 取样方向及部位拉伸试验冲击试验бb(Mpa) 试验温度(℃) Akv(J)≥490 ≥17 -40 ≥47 冷弯试验180 ° d=3a 16~50 横向,1/4t 610~74004.中温抗氢钢板(一)15CrMoR钢板表4~9钢的化学成分化学成分%C Si Mn P S Cr Mo表4~10 钢板的力学性能和冷弯性能钢板状态 Akv(横)(J)冷弯试验180 °6~60>60~100表4~11 钢板的高温屈服强度钢板状态板厚(mm)36~60 在下列温度(℃)下的屈服强度(Mpa)不小于200 350 400 240 200 189 ≥295 ≥19 ≥275 ≥18 ≥31 d=3a 正火加回火>60~100 220 186 176 表4~12 钢板的许用应力钢板状态板厚(mm) 在下列温度(℃)下的许用应力(Mpa)6~60 58 >60~100 58 (二)12Cr2Mo1R钢板表4~13钢的化学成分化学成分%C Si Mn P S Cr Mo表4~14 钢板的力学性能和冷弯性能板厚(mm)6~60>60~150表4~15 钢板的高温屈服强度板厚(mm)6~150表4~16钢板的许用应力板厚(mm)6~150 在下列温度(℃)下的许用应力(Mpa) ≤20 400 172 150 89 61 46 37 在高温(℃)下的屈服强度(Mpa)不小于 100 150 200 250 300 350 400 450 500 280 270 260 255 250 245 240 230 215 钢板状态 Akv(横)(J)冷弯试验180 °正火加回火≥310 ≥18 ≥17 ≥31 d=3a05.不锈钢板(一)0Cr13钢板表5~9钢的化学成分化学成分%C Si Mn P S Cr Ni表5~10 钢板的力学性能和冷弯性能拉伸试验硬度试验冷弯试验180 °d=2a бb(Mpa) б0.2(Mpa) δ5(%) HB HRB HV ≥410表5~11GB150推荐的的高温屈服强度板厚(mm)2~6012 ≥205 ≥20 ≤200 在下列温度(℃)下的屈服强度(Mpa)不小于 100 150 200 250 300 350 400 450 500 550 189 184 180 178 175 168 163 150 133 108表5~12 钢板的许用应力板厚(mm)2~60 在下列温度(℃)下的许用应力(Mpa) ≤20 100 150 200 400 450 500 128 118 115 113 102 94 72(二)0Cr18Ni9钢板表5~13钢的化学成分化学成分%C Si Mn P S Cr Ni表5~14 钢板的力学性能拉伸试验бb(Mpa)≥520表5~15GB150推荐的的高温屈服强度在下列温度(℃)下的屈服强度(Mpa)不小于板厚(mm)2~60表5~16 钢板的许用应力板厚(mm) 在下列温度(℃)下的许用应力(Mpa) б0.2(Mpa) ≥205 δ5(%) ≥40 HB 硬度试验HRB HV ≤187 ≤90 ≤200 100 150 200 250 300 350 400 450 500 550 171 155 144 135 127 123 119 114 111 106≤20 100 150 200 300 400 550 550 600 650 700137 137 137 130 114 107 100 91 64 42 272~60137 114 103 96 85 79 74 71 62 42 27(三)1Cr18Ni9Ti钢板表5~17 钢的化学成分化学成分%C Si Mn P S Cr Ni Ti表5~18 钢板的力学性能拉伸试验бb(Mpa) б0.2(Mpa) 硬度试验 HB HRB HV 13≥540≥205 ≥40 (四)0Cr18Ni10Ti钢板表5~19 钢的化学成分化学成分%C Si Mn P S Cr Ni Ti 17.0~19.00 9.00~12.00 ≥5XC%表5~20 钢板的力学性能拉伸试验бb(Mpa) б0.2(Mpa) ≥520表5~21 GB150推荐的的高温屈服强度板厚(mm)2~60表5~22 钢板的许用应力板厚(mm) 在下列温度(℃)下的许用应力(Mpa) 在下列温度(℃)下的屈服强度(Mpa)不小于≥205 硬度试验HB HRB HV ≥40 100 150 200 250 300 350 400 450 500 550 171 155 144 135 127 123 120 117 114 111≤20 150 300 400 500 550 600 650 700137 137 114 108 103 83 44 25 132~60137 103 96 85 80 76 74 44 25 13(五)0Cr17Ni12Mo2钢板表5~23 钢的化学成分化学成分%C Si Mn P S Cr Ni Mo表5~24 钢板的力学性能拉伸试验бb(Mpa) б0.2(Mpa) ≥520≥205 硬度试验HB HRB HV ≥40 14表5~25 GB150推荐的的高温屈服强度板厚(mm)2~60表5~26 钢板的许用应力板厚(mm) 在下列温度(℃)下的许用应力(Mpa) 在下列温度(℃)下的屈服强度(Mpa)不小于 100 150 200 250 300 350 400 450 500 550 175 161 149 139 131 126 123 121 119 117≤20 100 150 200 300 400 500 550 600 650 700137 137 137 134 118 111 107 105 81 50 302~60137 117 107 99 87 82 79 78 73 50 30(六)0Cr18Ni12Mo2Ti钢板表5~27 钢的化学成分化学成分%C Si Mn P S Cr Ni Mo Ti表5~28 钢板的力学性能拉伸试验бb(Mpa) б0.2(Mpa) δ5(%)≥530表5~29 GB150推荐的的高温屈服强度板厚(mm)2~60表5~30 钢板的许用应力板厚(mm) 在下列温度(℃)下的许用应力(Mpa) 400 137 111 2~60(七)0Cr19Ni13Mo3钢板表5~31 钢的化学成分 137 99 93 87 84 82 81 80 500 107 79 650 50 50 在下列温度(℃)下的屈服强度(Mpa)不小于≥205 硬度试验HB HRB HV ≥35 100 150 200 250 300 350 400 450 500 550 175 161 149 139 131 126 123 121 119 117化学成分%C Si Mn P S Cr Ni Mo 表5~32 钢板的力学性能拉伸试验бb(Mpa) б0.2(Mpa) ≥520表5~33 GB150推荐的的高温屈服强度板厚(mm)2~60 在下列温度(℃)下的屈服强度(Mpa)不小于 550 117 表5~34 钢板的许用应力板厚(mm) 在下列温度(℃)下的许用应力(Mpa)650 50 81 50 30 50 78 73 50 30 ≥205 硬度试验HB HRB HV ≥40 2~60( 八)00Cr19Ni10钢板表5~35 钢的化学成分化学成分%C Si Mn P S Cr Ni8.00~12.00表5~36 钢板的力学性能拉伸试验硬度试验бb(Mpa) б0.2(Mpa) δ5(%) HB HRB HV≥480表5~37 GB150推荐的的高温屈服强度板厚(mm) 550 2~60 117 98表5~38 钢板的许用应力16 ≥177 ≥40 ≤187 ≤200 在下列温度(℃)下的屈服强度(Mpa)不小于在下列温度(℃)下的许用应力(Mpa)板厚(mm)2~6050 91 81 89 30 50 67 73 66 30(九)00Cr17Ni14Mo2钢板表5~39 钢的化学成分化学成分%CSi MnPSCrNi 8.00~12.00Ni 12.00~15.00Mo ≤0.03≤1.0≤18.00~0 0 0.035 20.00表5~40 钢板的力学性能拉伸试验бb(Mpa) ≥480表5~41 GB150推荐的的高温屈服强度板厚(mm)550 2~60 117 93表5~42 钢板的许用应力2~6086 81 89 30 85 84 64 73 66 30 63 62在下列温度(℃)下的许用应力(Mpa) 在下列温度(℃)下的屈服强度(Mpa)不小于б0.2(Mpa) ≥177δ5(%) ≥40HB ≤187硬度试验HRBHV≤90 ≤200(十)00Cr19Ni13Mo3钢板表5~43 钢的化学成分化学成分%CSi MnPSCrNi 8.00~12.00Ni 11.00~15.00Mo ≤0.03≤1.0≤18.00~0 0 0.035 20.00 表5~44 钢板的力学性能拉伸试验硬度试验бb(Mpa) б0.2(Mpa) δ5(%) ≥480≥177HB HRB HV ≤200≥40 ≤187 ≤90表5~45 GB150推荐的的高温屈服强度2~60表5~46 钢板的许用应力2~60在下列温度(℃)下的许用应力(Mpa) (十一)00Cr18Ni5Mo3Si2钢板表5~47 钢的化学成分化学成分%CSiMn 1.00~2.00PSCrNi 8.00~12.00Ni 4.50~5.50Mo 2.50~3.000N ≤≤0.01.30~30 2.00≤≤表5~48 钢板的力学性能拉伸试验硬度试验HV ≥590表5~49 GB150推荐的的高温屈服强度板厚(mm) 2~25表5~50 钢板的许用应力板厚(mm) 2~25在下列温度(℃)下的许用应力(Mpa) ≤20 100 150 200 250 300 197 197 178 163 156 153 在下列温度(℃)下的屈服强度(Mpa)不小于 100 315150 285200 260250 250300 245≥390 ≥20 18(十二)铁素体型或马素体型钢板表5~51 钢的化学成分钢号化学成分(%)CSi MnPSCr 11.50~14.50 11.50~13.50 14.00~16.00 16.00~18.00 25.00~27.00 28.00~32.00Ni ≤≤≤≤其它 Al0.10~0.301Cr13 1Cr15 1Cr17 ≤≤≤≤1.00 ≤≤≤≤1.00 ≤≤≤≤1.00 ≤≤≤≤1.00 ≤≤≤≤≤0.40 ≤Mo0.75~1.50≤0.015 ≤Mo1.50~2.50≤0.01500Cr30Mo≤≤≤≤≤2 0.40表5~52 钢板的力学性能和冷弯性能钢板状钢号态 0Cr13Al 1Cr13 1Cr15 1Cr17拉伸试验硬度试验冷弯试验 180 °ббδHB HVb(Mpa) 0.2(Mpa) 5(%)≥177 ≥20 ≥205 ≥20 ≥205 ≥22 ≥205 ≥22 ≥245 ≥22 ≥295 ≥22退火≥410 退火≥440 退火≥450 退火≥450≤≤≤a<8mm,d=a 183 88 200 ≤≤≤200 93 210 ≤≤≤183 88 200 ≤≤≤183 88 200 ≤≤≤190 90 200 ≤≤≤209 95 220d=2a d=2a d=2a d=2a d=2a退火≥410 00Cr30Mo2(十三)奥氏体型钢管退火≥450表5~53 钢的化学成分钢号化学成分(%)CSiMnPSCrNi其它1Cr18Ni90Cr19Ni9N 17.00~8.00~≤0.15 ≤1.00 ≤2.00 ≤0.035 ≤0.030 19.00 10.00 18.00~7.00~N 0.10~≤0.08 ≤1.00 ≤2.50 ≤0.035 ≤0.030 20.00 10.50 0.2517.00~8.50~N 0.12~00Cr18Ni10N ≤0.030 ≤1.00 ≤2.00 ≤0.035 ≤0.030 19.00 11.50 0.220Cr23Ni130Cr26Ni20 22.00~12.00~≤0.08 ≤1.00 ≤2.00 ≤0.035 ≤0.030 24.00 15.00 24.00~19.00~≤0.08 ≤1.00 ≤2.00 ≤0.035 ≤0.030 26.00 22.00 0Cr17Ni2Mo2N Mo 2.00~16.00~10.00~≤0.08 ≤1.00 ≤2.00 ≤0.035 ≤0.030 3.00 N 18.00 14.0 0.10~0.22Mo2.00~16.50~10.50~00Cr17Ni 13Mo2N ≤0.030 ≤1.00 ≤2.00 ≤0.035 ≤0.0303.00 N 18.50 14.50 0.10~0.22Mo1.20~17.00~12.00~00Cr18Ni14Mo2Cu2 ≤0.030 ≤1.00 ≤2.00 ≤0.035 ≤0.030 2.75Cu 19.0 16.00 1.00~2.50Mo1.20~17.00~10.00~0Cr18Ni12Mo2Cu2 ≤0.08 ≤1.00 ≤2.00 ≤0.035 ≤0.030 2.75Cu 19.00 14.00 1.00~2.50Mo 16.00~15.00~0Cr18Ni16Mo5 ≤0.040 ≤1.00 ≤2.50 ≤0.035 ≤0.030 4.00~19.00 17.00 6.000Cr18Ni11Nb 17.00~9.00~≤0.08 ≤1.00 ≤2.00 ≤0.035 ≤0.030 Nb≥10XC 19.00 13.00 3.0~15.00~11.60~≤2.00 ≤0.035 ≤0.030 5.00 20.00 15.00 0Cr18Ni13Si4 ≤0.08(十四)奥氏体--铁素体型钢板表5~55 钢的化学成分钢号化学成分(%)C Si Mn P S Cr Ni 其它≤0.08 ≤1.00 ≤1.50 ≤0.030表5~56 钢板的力学性能和冷弯性能钢号23.00~28.00 3.00~Mo 1.00~3.006.00拉伸试验硬度试验钢板状态бb(Mpa) б0.2(Mpa) δ5(%) HB HRB HV≥590≥390冷弯试验 180°0Cr26Ni5Mo2 固溶≥18 ≤277 ≤29 a<8mm,d=a a>8mm,d=2a06.碳素钢和低合金高强度钢钢管(一)GB8163中的10和20钢管(无缝管)表6~10 钢的化学成分10 20化学成分(%)C 0.07~0.14 0.17~0.24Si 0.17~0.37 0.17~0.37MnPSNiCrCu0.35~≤0.15 0.650.35~≤0.25 0.65表6~11 钢管的力学性能钢号 10 20壁厚(mm) бb(Mpa) бs(Mpa) δ5(%)≤15 ≤15335~475 390~530≥205 ≥245≥24 ≥20表6~12钢管的许用应力钢号 10 20(二)GB9948中的10和20钢管(无缝管)表6~13 钢的化学成分10化学成分(%)C 0.07~0.14Si 0.17~0.37MnPSNiCrCu壁厚(mm) ≤10 ≤10在下列温度(℃)下的许用应力(Mpa)≤20 100 150 200 250 300 350 400 425 450 475 112 112 108 101 92 83 77 71 69 61 41 130 130 130 123 110 101 92 86 83 61 410.35~≤0.15 ≤0.250.65200.17~0.24 0.17~0.37 0.35~≤0.25 ≤0.250.65表6~14 钢管的力学性能钢号壁厚(mm) бb(Mpa) бs(Mpa) δ5(%) Aku(J)10 20表6~15 钢管的许用应力钢号 10 20(三)GB6479中的10、20G、16Mn和15MnV钢管(无缝管)表6~16 钢的化学成分化学成分(%)CSiMnPSVCu壁厚(mm) ≤16 ≤16在下列温度(℃)下的许用应力(Mpa)≤20 100 150 200 250 300 350 400 425 450 475 112 112 108 101 92 83 77 71 69 61 41 137 137 132 123 110 101 92 86 83 61 41≤16 ≤16330~490 410~550≥205 ≥245≥24 ≥21---- ≥3910 0.07~0.14 20G 0.17~0.24 --- ---- ---- 0.12~0.18表6~17钢管的力学性能钢号壁厚(mm) бb(Mpa) бs(Mpa) δ5(%) Aku(J)10≤16 17~40 ≤16 17~40 ≤16 17~40 ≤16 17~40 335~490≥205 ≥195 ≥245 ≥235 ≥320 ≥310 ≥350 ≥340≥24 ----20G 410~550 ≥24 ≥4916Mn 490~670 ≥21 ≥5915MnV 510~690 ≥19 ≥59表6~18钢管的许用应力≤16在下列温度(℃)下的许用应力(Mpa)300 450 475 112 92 83 77 71 69 6141 41 41 41 43 431017~40 112 98 89 79 74 68 66 61 ≤16137 101 92 86 83 6195 86 79 78 6120G17~40 137 ≤16163 135 93 6617~40 163 129 93 66 ≤16170 153 --- ---17~40 170 147 --- ---07.低温钢管(一) GB6479中的10、20G和16Mn钢管(无缝管)表7~9 钢管的化学成分化学成分(%)CSiMnPSCu10 0.07~0.14 0.17~0.37 20G 0.17~0.22 0.17~0.370.35~0.65 0.35~0.65 0.12~0.20 0.20~0.60 1.20~~1.60表7~10 钢管的拉伸性能壁厚(mm) бb(Mpa) бs(Mpa)10≤16 17~40 ≤16 17~40 ≤16 17~40335~490≥205 ≥195 ≥245 ≥235 ≥320 ≥310≥2420G 410~550 ≥24490~670 ≥21表7~11 钢管的冲击性能钢号最后冲击试验温度(℃)-30-20-40 Akv(J) 试样方向试样尺寸(mm) 10X10X55 5X10X55 ≥18 纵向≥18 ≥21 ≥12 ≥12 ≥14 10 20G 16Mn(二)09Mn2VD钢管(无缝管)表7~12 钢管的化学成分钢号化学成分(%)C Si Mn P S V表7~13 钢管的拉伸性能钢号壁厚(mm) бb(Mpa) бs(Mpa)09Mn2VD表7~14 钢管的冲击性能Akv(J) 最后冲击试验试样尺寸(mm) 钢号试样方向温度10X10X55 7.5X10X55 5X10X55 (℃)09Mn2VD -70≤16 450~600 ≥300 ≥23 纵向≥21 ≥18 ≥1408.中温抗氢钢管(一)GB9948中的12CrMo和15CrMo钢管(无缝管)表8~10 钢的化学成分钢号化学成分(%)C Si Mn P S Cr Mo表8~11 钢管的力学性能钢号 12CrMo 15CrMo壁厚(mm) бb(Mpa) бs(Mpa) δ5(%) Aku(J) ≤16 ≤16410~560 440~640≥205 ≥235≥21 ≥21HB≥55 ≤156 ≥47 ≤170表8~12钢管的许用应力钢号 12CrMo 15CrMo(二)GB6479中的12CrMo、15CrMo、10MoWVNb、12Cr2Mo和1Cr5Mo钢管(无缝管)表8~13 钢的化学成分钢号化学成分(%)CSiMnPSCrMo壁厚(mm) ≤16 ≤16在下列温度(℃)下的许用应力(Mpa)≤20 100 200 250 300 350 400 450 500 525 128 113 101 95 89 83 77 74 71 50 147 132 116 110 101 95 89 86 83 58550 ---3712CrMo 15CrMo ---≤0.50 1Cr5Mo ≤0.15表8~14 钢管的力学性能≤0.50≤0.60钢号 12CrMo≥2117~40 ≥195 ≥235≥2117~40 ≥225 ≥19 17~40 ≥285 ≥20 17~40 ≥270 ≤16 ≤16≥280≤16≥295≤16 ≤16≥205≥6915CrMo ≥59≥78协商1Cr5Mo≥195≥22 ≥11817~40 ≥185表8~15 钢管的许用应力钢号壁厚(mm)≤1617~40≤1617~40≤1617~40≤1617~40≤1617~40 在下列温度(℃)下的许用应力(Mpa) ≤20 100 200 300 400 450 500 525 550 575 600 128 113 101 89 77 74 71 50 -- -- -- 122 110 98 86 74 71 68 50 -- -- -- 147 132 116 101 89 86 83 58 37 -- -- 141 126 110 95 86 83 79 58 37 -- -- 157 157 156 147 135 126 97 -- -- -- -- 157 157 150 141 129 119 97 -- -- -- -- 150 150 144 129 116 110 89 61 46 37 -- 150 150 138 123 110 104 89 61 46 37 -- 122 110 101 95 89 86 62 46 35 26 18 116 104 95 89 83 79 62 46 35 26 18 12CrMo 15CrMo 10MoWVNb 12Cr2Mo 1Cr5Mo(三)GB5310中的12Cr1MoV钢管(无缝管)表8~16 钢的化学成分钢号化学成分(%)C Si Mn P S Cr Mo V表8~17 钢管的力学性能钢号12Cr1MoV表8~18 钢管的许用应力钢号≤16 壁厚(mm) бb(Mpa) бs(Mpa) δ5(%) aku(J) ≤16 470~640 ≥255 ≥21 ≥59 09.不锈钢管(一)GB/T14976 中的钢管表9~9 钢的化学成分钢号化学成分(%)C Si Mn P26 S Ni Cr Mo 其它0Cr13 0Cr18Ni 0Cr18Ni 12Mo2Ti 00Cr19Ni10≤≤≤≤≤12.00~≤0.60 --0.08 14.00 ≤≤≤≤≤8.00~17.00~--0.07 11.00 19.00 ≤≤≤≤≤8.00~17.00~--0.08 12.00 19.00 ≤≤≤≤≤10.00~16.00~2.00~0.08 14.00 18.5 3.00-- -- Ti≥5C% --≤≤≤≤≤11.00~16.00~1.80~Ti≥5C%~ 0.700.08 14.00 19.00 2.50 ≤≤≤≤≤11.00~18.00~3.00~0.08 15.00 20.00 4.00-- -- -- --≤≤≤≤≤8.00~18.00~--12.00 20.00≤≤≤≤≤12.00~16.00~2.00~15.00 18.00 3.00 ≤≤≤≤≤11.00~18.00~3.00~15.00 20.00 4.001Cr18Ni9Ti≤≤≤≤≤8.00~17.00~Ti≥--0.12 11.00 19.00 ≤≤≤≤≤3.00~23.00~1.00~0.08 6.00 28.00 3.000Cr26Ni5Mo2--表9~10 钢管的常温拉伸性能钢号 0Cr13 0Cr18Niδ5(%) 退火固溶≤18 ≤18 ≤18 ≤18 ≤18 ≤18≥370≥180 ≥520 ≥205 ≥520 ≥205 ≥520 ≥205 ≥530 ≥205 ≥520 ≥205≥22 ≥35 ≥35 ≥35 ≥35 ≥350Cr18Ni 10Ti 固溶 0Cr18Ni 12Mo2Ti 固溶固溶固溶00Cr19Ni101Cr18Ni9Ti0Cr26Ni5Mo2固溶固溶固溶固溶固溶≤18 ≤18 ≤18 ≤18 ≤18 ≥480 ≥175 ≥480 ≥175 ≥480 ≥175≥520 ≥205 ≥590 ≥390 ≥35 ≥35 ≥35 ≥35 ≥18表9~11 GB150推荐的的高温屈服强度在下列温度(℃)下的屈服强度(Mpa)不小于钢号0Cr130Cr18Ni0Cr18Ni 10Ti0Cr17Ni 12Mo20Cr18Ni 12Mo2Ti0Cr19Ni 13Mo300Cr19Ni1000Cr17Ni14Mo200Cr19Ni13Mo3 20 150 450 205 184 150 205 155 114 205 17 155 117 205 161 121 205 161 121 205 161 121 175 131 98 -- -- 175 130 96 93 -- -- 175 161 121 -- -- 表 9-12 钢管的许用应力钢号0Cr130Cr18Ni0Cr17Ni 12Mo228 壁厚(mm) ≤18 ≤18 ≤18 ≤18 在下列温度(℃)下的许用应力(Mpa) ≤20 100 200 300 400 450 500 550 600 650 700 124 118 113 109 102 94 82 38 16 -- -- 137 137 130 114 107 103 100 91 64 42 27 137 114 96 85 79 76 74 71 62 42 27 137 137 130 114 108 105 103 83 44 25 13 137 114 96 85 80 78 76 74 44 25 13 137 137 134 118 111 109 107 105 81 50 30137 117 99 87 82 81 79 78 73 50 300Cr18Ni 12Mo2Ti 00Cr19Ni10(二)GB13296 中的钢管钢号 0Cr18Ni9化学成分(%)CSiMnPSNiCrMo --其它 --≤≤≤8.00~17.00~≤0.07 ≤0.102.00 0.035 0.030 11.00 19.00≤18 ≤18 ≤18 ≤18 ≤18137 137 134 118 111 109 107 -- -- -- -- 137 117 99 87 82 81 79 -- -- -- -- 137 137 134 118 111 109 107 105 81 50 30 137 117 99 87 82 81 79 78 73 50 30 118 118 110 98 91 -- -- -- -- -- -- 118 97 81 73 67 -- -- -- -- -- -- 118 118 108 95 86 84 -- -- -- -- -- 118 97 80 70 64 62 -- -- -- -- -- 118 118 118 118 111 109 -- -- -- -- -- 118 117 987 82 81 -- -- -- -- --≤≤≤8.00~17.00~1Cr18Ni9Ti ≤0.12 ≤1.002.00 0.035 0.030 11.00 19.00 ≤≤≤9.00~17.00~0Cr18Ni10Ti ≤0.08 ≤0.102.00 0.035 0.030 12.00 19.00 00Cr19Ni10≤≤≤≤8.00~18.00~≤0.10 0.030 2.00 0.035 0.030 12.00 20.00Ti≥-- 5x(c%-0.02)~0.80 -- --Ti≥5xc%-- --≤≤≤10.00~16.00~2.00~0Cr17Ni12Mo2 ≤0.08 ≤0.102.00 0.035 0.030 14.00 18.503.00≤≤≤11.00~16.00~1.80~Ti≥5xc%~0Cr18Ni12Mo2Ti ≤0.08 ≤0.102.00 0.035 0.030 14.00 19.00 2.50 0.70 00Cr17Ni14Mo2 ≤≤≤≤12.00~16.00~2.00~≤0.10 0.030 2.00 0.035 0.030 15.00 19.00 3.00-- -- -- -- N<0.015 -- --≤≤≤11.00~16.00~3.00~0Cr19Ni13Mo3 ≤0.08 ≤0.102.00 0.035 0.030 15.00 18.00 4.00 00Cr19Ni13Mo31Cr17 00Cr27Mo 1Cr18Ni9≤≤≤≤11.00~18.00~3.00~≤0.10 0.030 2.00 0.035 0.030 15.00 20.00 4.00--≤≤≤16.00~≤0.12 ≤0.75 ---1.00 0.035 0.030 18.00≤≤≤25.00~0.75~≤0.10 ≤0.40 ≤0.500.40 0.035 0.030 27.00 1.50 0.04~≤≤≤8.00~18.00~≤0.10 0.10 2.00 0.035 0.030 11.00 20.00≤≤12.00~22.00~-- --0Cr23Ni13 ≤0.08 ≤0.10 ≤2.00 0.035 0.030 15.00 24.00≤≤≤19.00~24.00~0Cr25Ni20 ≤0.08 ≤0.102.00 0.035 0.030 22.00 25.00 ≤≤≤9.00~17.00~0Cr18Ni11Nb ≤0.08 ≤0.102.00 0.035 0.030 13.00 19.00 3.00~≤≤≤11.50~15.00~0Cr18Ni13Si4 ≤0.085.00 2.00 0.035 0.030 15.00 20.00-- -- ---- Nb≥10xc%-- --≤≤≤3.00~23.00~1.00~0Cr26Ni5Mo2 ≤0.08 ≤0.101.50 0.035 0.030 6.00 28.00 3.00表9~14 钢管的常温力学性能钢号 0Cr18Ni9 1Cr18Ni9Ti 0Cr18Ni10Ti 00Cr19Ni10 0Cr17Ni12Mo20Cr18Ni12Mo2Ti 00Cr17Ni14Mo2 0Cr19Ni13Mo3 00Cr19Ni13Mo31Cr17 00Cr27Mo 1Cr18Ni9 0Cr23Ni13 0Cr25Ni20 0Cr18Ni11Nb 0Cr18Ni13Si40Cr26Ni5Mo2壁厚(mm)≤13 ≤13 ≤13 ≤13 ≤13 ≤13 ≤13 ≤13 ≤13 ≤13 ≤13 ≤13 ≤13 ≤13 ≤13 ≤13 ≤13бb(MPa) ≥520 ≥550 ≥520 ≥480 ≥520 ≥530 ≥480 ≥520 ≥480 ≥410 ≥410 ≥520 ≥520≥520 ≥520 ≥520 ≥590б0.2(MPa) ≥205 ≥205 ≥205 ≥175 ≥205 ≥205 ≥175 ≥205 ≥175 ≥245 ≥245 ≥205 ≥205 ≥205 ≥205 ≥205 ≥390δ(%) ≥35 ≥40 ≥35 ≥35 ≥35 ≥35 ≥40 ≥35 ≥35 ≥20 ≥20 ≥35 ≥35 ≥35 ≥35 ≥35 ≥18 HRB 〈90 - 〈90 〈90 〈90 〈90 - - - - 〈90 〈90 〈90 〈90 〈90 〈95 HRC〈29 表9-15 GB150 推荐的钢管高温屈服强度钢号 0Cr18Ni9 0Cr18Ni10Ti 0Cr17Ni12Mo2 00Cr19Ni10壁厚(mm)≤13 ≤13 ≤13 ≤13在下列温度(℃)下的屈服强度(MPa)不小于20100 150 200 250 300 350 400 450 500 205 171 155 144 135 127 123 119 114 111 205 171 155 144 135 127 123 120 117 114 205 175 161 149 139 131 126 123 121 119 175 145 131 122 114 109 104 10198---表 9-16 钢管的许用应力钢号 0Cr18Ni9在下列温度(℃)下的许用应力(MPa)壁厚≤20 100 200 300 400 450 500 550 600 650 700 ≤13137 137 130 114 107 103 100 91 64 42 27137 114 96 85 79 76 74 71 62 42 270Cr18Ni10Ti 0Cr17Ni12Mo2≤13 ≤13137 137 130 114 108 105 103 83 44 25 13 137 114 96 85 80 78 76 74 44 25 13 137 137 134 118 111 109 107 105 81 50 30 137 117 99 87 82 81 79 78 73 50 30 137 137 134 118 111 109 107 -- -- -- -- 137 117 99 87 82 81 79 -- -- -- -- 137 137 134 118 111 109 107 105 81 50 30 137 117 99 87 82 81 79 78 73 50 30 118 118 110 98 91 -- -- -- -- -- -- 118 97 81 73 67 -- -- -- --- -- -- 118 118 108 95 86 84 -- -- -- -- -- 118 97 80 70 64 62 -- -- -- -- -- 118 118 118 118 111 109 -- -- -- -- -- 118 117 99 87 82 81 -- -- -- -- -- 10.碳素钢和低温合金钢锻件表10-1 常用钢号钢锻件标准钢号 JB4726-9420,35,16MnV,20MnMo,20MnMoNb, 15CrMo,12Cr1MoV,12Cr2Mo1,1Cr5Mo备注压力容器用碳素钢和低合金钢锻件0Cr18Ni12Mo2Ti ≤13 0Cr19Ni13Mo3 00Cr19Ni10≤13 ≤1300Cr17Ni14M o2 ≤13 00Cr19Ni13Mo3 ≤13(一)20 钢锻件表10-2 钢的化学成分化学成分(%) CSiMnMo CrSPNiCu其他0.17~0.24 0.17~0.37 0.35~0.65 -- ≤0.25 ≤0.035 ≤0.035 ≤0.25 ≤0.25 -- 表10-3 钢锻件的常温力学性能公称厚度(mm) ≤100热处理状态正火σb(MP) 370~520σs(MP) ≥215δ5(%) Akv(J) HB ≥24≥27102~139表10-4 GB150 标准推荐的高温屈服强度公称厚度(mm) ≤100在下列温度(℃)下的σ0.2(MP)不小于 20 215100 191150 181200 167250 152300 137350 127400 118450 113表10-5 钢锻件的许用应力公称厚度(mm)在下列温度(℃)下的许用应力≤20≤100表10-6 化学成分123100 150 200 250 300 350 400 425 450 475 119 113 104 95867974726141(二)35 钢锻件的许用应力化学成分(%) CSiMnMo CrSPNiCu其他0.32~0.40 0.17~0.37 0.50~0.80 -- ≤0.25 ≤0.035 ≤0.035 ≤0.25 ≤0.25 -- 表10-7 钢锻件的常温力学性能公称厚度(mm) 热处理状态回火温度(℃)σb(MP) σs(MP) δ5(%) Akv(J) HB ≤100 >100~300正火------510~670 ≥265 490~640 ≥255≥18 ≥20 136~200 ≥18 ≥20 130~190正火加回火≥590表10-8 GB150 标准推荐的高温屈服强度公称厚度(mm) ≤100 >100~300在下列温度(℃)下的σ0.2(MP)不小于 20 265 255100 235 230150 225 220200 205 200250 186 181300 172 167350 157 152400 147 142450 137 132表10-9 钢锻件的许用应力公称厚度(mm) ≤100 >100~300 (三)16Mn 钢锻件表10-10化学成分化学成分(%) CSiMnMo CrSPNiCu其他在下列温度(℃)下的许用应力≤20 1666 159100 150 200 250 300 350 400 425 450 475 147 141 129 116 108 98 144 138 126 113 104 9592 8985 8561 6141 410.12~0.20 0.20~0.60 1.20~1.60 -- ≤0.30 ≤0.035 ≤0.035 ≤0.30 ≤0.25 -- 表10-11 钢锻件的常温力学性能公称厚度(mm) 热处理状态回火温度(℃)σb(MP) σs(MP) δ5(%) Akv(J) HB ≤300正火加回火≥600450~600 ≥275≥19 ≥34 121~178表10-12 GB150 标准推荐的高温屈服强度公称厚度(mm) ≤300在下列温度(℃)下的σ0.2(MP)不小于 20 275100 245150 235200 215250 205300 186350 176400 167450 162表10-13 钢锻件的许用应力公称厚度(mm) ≤300(四)15MnV 钢锻件表10-14化学成分在下列温度(℃)下的许用应力≤20 100 150 200 250 300 350 400 425 450 475 150150 147 135 129 116 110 104 926643化学成分(%) CSiMnMo CrSPNiCuV0.12~0.18 0.20~0.60 1.20~1.60 -- ≤0.30 ≤0.035 ≤0.035 ≤0.30 ≤0.25 0.04~0.10 表10-15 钢锻件的常温力学性能公称厚度(mm) 热处理状态回火温度(℃)σb(MP) σs(MP) δ5(%) Akv(J) HB ≤300正火加回火≥600470~620 ≥315≥18 ≥34 126~185表10-16 GB150 标准推荐的高温屈服强度公称厚度(mm) ≤300在下列温度(℃)下的σ0.2(MP)不小于 20 315100 285150 265200 250250 235300 215350 205400 181450 172表10-17 钢锻件的许用应力公称厚度(mm) ≤300表10-18化学成分化学成分(%) CSiMnMoCrSPNiCu在下列温度(℃)下的许用应力(MPa) ≤20 157100 157150 157200 156250 147300 139350 126400 113(五)20MnMo钢锻件0.17~0.23 0.17~0.37 1.10~1.40 0.20~0.35 ≤0.30 ≤0.035 ≤0.035 ≤0.30 ≤0.25 表10-19 钢锻件的常温力学性能公称厚度(mm) 热处理状态回火温度(℃)σb(MP) σs(MP) δ5(%) Akv(J) HB ≤300 >300~500 >500~700调质≥600530~700 ≥370 510~680 ≥355 490~660 ≥340≥18 ≥41 156~208 ≥18 ≥41 136~201 ≥18 ≥34 130~196表10-20 JB4726对钢锻件高温屈服强度的规定在下列温度(℃)下的σ0.2(MP)不小于公称厚度(mm)200 250 300 350 400 450 ≤300 >300~500305 290295 280285 270275 260260 245240 225>500~700 285 275 265 255 240 220表10-21 钢锻件的许用应力公称厚度(mm) ≤300 >300~500 >500~700 表10-22化学成分化学成分(%) C 0.17~0.23Si 0.17~0.37Mn 1.30~1.60Mo 0.45~0.65Nb 0.025~0.050CrSP。
钢材的物理力学性能和机械性能表钢材的主要机械性能(也叫力学性能)通常是指钢材在标准条件下均匀拉伸.冷弯和冲击等.单独作用下所显示的各种机械性能。
钢材通常有五大主要的机械性能指标:通过一次拉伸试验可得到抗拉强度,伸长率和屈服点三项基本性能;通过冷弯试验可得到钢材的冷弯性能;通过冲击韧性试验可得到冲击韧性。
1.屈服点(σs)钢材或试样在拉伸时,当应力超过弹性极限,即使应力不再增加,而钢材或试样仍继续发生明显的塑性变形,称此现象为屈服,而产生屈服现象时的最小应力值即为屈服点。
设Ps为屈服点s处的外力,Fo为试样断面积,则屈服点σs =Ps/Fo(MPa),MPa称为兆帕等于N(牛顿)/mm2,(MPa=106Pa,Pa:帕斯卡=N/m2)2.屈服强度(σ0.2)有的金属材料的屈服点极不明显,在测量上有困难,因此为了衡量材料的屈服特性,规定产生永久残余塑性变形等于一定值(一般为原长度的0.2%)时的应力,称为条件屈服强度或简称屈服强度σ0.2。
3.抗拉强度(σb)材料在拉伸过程中,从开始到发生断裂时所达到的最大应力值。
它表示钢材抵抗断裂的能力大小。
与抗拉强度相应的还有抗压强度、抗弯强度等。
设Pb为材料被拉断前达到的最大拉力,Fo为试样截面面积,则抗拉强度σb= Pb/Fo (MPa)。
4.伸长率(δs)材料在拉断后,其塑性伸长的长度与原试样长度的百分比叫伸长率或延伸率。
5.屈强比(σs/σb)钢材的屈服点(屈服强度)与抗拉强度的比值,称为屈强比。
屈强比越大,结构零件的可靠性越高,一般碳素钢屈强比为0.6-0.65,低合金结构钢为0.65-0.75合金结构钢为0.84-0.86。
6.硬度硬度表示材料抵抗硬物体压入其表面的能力。
它是金属材料的重要性能指标之一。
一般硬度越高,耐磨性越好。
常用的硬度指标有布氏硬度、洛氏硬度和维氏硬度。
⑴布氏硬度(HB)以一定的载荷(一般3000kg)把一定大小(直径一般为10mm)的淬硬钢球压入材料表面,保持一段时间,去载后,负荷与其压痕面积之比值,即为布氏硬度值(HB),单位为公斤力/mm2 (N/mm2)。
个人收集整理勿做商业用途作者:ZHANGJIAN仅供个人学习,勿做商业用途工业常用钢的性能及用途一, 结构钢根据使用性能特点 , 结构钢可分为工程用钢和机器用钢两大类 .①工程用钢大都是用普通碳素钢和低合金结构钢制造 , 这类钢一般不进行热处理 .②机器制造用钢大都是用优质碳素结构钢和合金结构钢制造 , 这类钢一般要进行热处理 .1.普通结构钢包括碳素结构钢和低合金结构钢 .1)碳素结构钢①碳素结构钢通常轧制成钢板和各种型材(圆钢, 方钢,扁钢,角钢,槽钢工字钢 ,钢筋等)供应.②碳素结构钢的力学性能一般能满足普通机械零件及工程结构要求 , 因此用量很大 , 约占钢材总量的 70%.③这类钢的牌号有 :Q195,Q215,Q235,Q255,Q275 等 .Q195,Q215,Q235,Q255 均属低碳钢 , 塑性,焊接性能好 ,常用于受力不大的零件 .其中 Q235钢应用最广 .Q275钢属中碳钢 ,可用作承受中等应力的普通零件 .2)低合金结构钢①低合金结构钢是在低碳钢的基础上 , 加入少量合金元素发展而来的 .例如在 Q235 钢中加入适量 Mn形成 16Mn,其抗拉强度约提高 50%.②常用的牌号有:16Mn,15MnV,15MnTi,14MnMoVBRe,14CrMnMoVB等.16Mn 是典型钢号. 它发展最早,用的最多 ,产量最大 .目前有 16Mn派生钢种 ,如16MnRe,16MnCu等.这类钢多用于船舶车辆,桥梁等大型钢结构 .15MnV,15MnTi 主要用于大型结构 , 中压容器等.14MnMoVBRe的焊接性能好, 广泛用于石油化工, 中温高压容器等.14CrMnMoVB 适用于制造 400~ 500℃的锅炉 , 高压容器等 .2.优质结构钢优质结构钢包括优质碳素结构钢和合金结构钢 .1/ 12个人收集整理勿做商业用途1)优质碳素结构钢常用优质碳素结构钢主要性能和用途如下 :①08F 钢含碳量低 , 成本低 , 主要用于制造用量大的冲压零件 .②10~25钢也有良好的冷冲压性和焊接性 , 可用于制造表面要求耐磨并能承受冲击载荷的零件.③35 ~55钢属中碳钢 ,经调质处理后可获得良好的综合力学性能, 主要用于制造齿轮和轴类等零件 .④60 ~70 钢主要用于制造弹簧等 .3.合金结构钢合金结构钢可分为渗碳钢 , 调质钢 , 弹簧钢 , 轴承钢 , 耐磨钢等 .1) 渗碳钢①渗碳钢主要经渗碳淬火与低温回火后使用 ,获得"表硬里韧 "性能 .②渗碳钢的成分一般为:C=0.10%~0.25%,合金渗碳钢常加入Cr,Mn,Ni,B 等.此外, 还可加入 Ti,V 等碳化物形成元素 .③常用渗碳钢的牌号有 :20Cr,20MnB,20CrMn,20Mn2B ,20CrMnTi,20Mn2BTi,20CrNi,18Cr2Ni4WA 等 .④热处理方法与工艺路线以齿轮为例 , 材料为 20CrMnTi, 工艺路线为 :下料→锻造→正火→加工齿形→渗碳 (930 ℃ ) →预冷淬火 (830 ℃) →低温回火(200 ℃)→磨齿2)调质钢①调质钢经调质后 , 获得良好的综合力学性能 , 主要用于制造受力复杂的重要机器零件 .②调质钢含碳量在 0.30%~0.50 之间;对合金调质钢 , 常加入 Cr,Si,Mn,Ni 等主加元素 ,并可加入 Mo,W,V,Ti,B 等辅加元素 .其主要作用是 :①强化铁素体 ;②提高淬透性 ;③细化组织 ;④防止第二类回火脆性 .①最常用的调质钢钢种是 45 钢和 40Cr.2/ 12个人收集整理勿做商业用途②调质零件的热处理方法与工艺路线以连杆螺栓为例 , 材质为 40Cr, 其工艺路线为 :下料→锻造→退火→粗机加工→调质(830 ℃加热 , 油脆后 525 ℃回火)→精机加工对调质钢 , 有时在调质处理后进行表面淬火或氮化处理 .3)弹簧钢①弹簧钢往往在动载荷下工作 . 要求弹簧钢的屈服强度 , 疲劳强度高 , 要求热处理的淬透性好. 有些特殊弹簧 , 要求有耐高温 , 耐腐蚀 ,导电, 无磁性等性能 .②碳素弹簧钢含碳量一般为 0.62 ~ 0.9%,合金弹簧钢含碳量为 0.46 ~0.75%. 常用的钢号有 65Mn,60Si2Mn,50CrVA 等 .③按弹簧的加工工艺特点 , 分冷成型弹簧和热成型弹簧 .A 冷成型弹簧 : 对于钢丝直径小于 10mm的弹簧 , 通过拉拔(或冷拉), 冷卷成型 , 然后进行定型处理.B 热成型弹簧 : 热卷簧后进行淬火 +中温回火(350 ~ 500℃ )处理 .C 弹簧表面质量对使用寿命影响很大 , 常采用喷丸强化表面 . 如汽车板簧 , 材料为60Si2Mn, 经喷丸处理寿命提高 3~5 倍.4)轴承钢用于制造轴承的钢称为轴承钢 .①轴承钢应具有的性能 :A 高而均匀的硬度(HRC61~ 65);B 高的弹性极限和接触疲劳强度 ;C 足够的冲击韧度和淬透性 ;D 一定的抗腐蚀能力 .②轴承钢的含碳量为 0.95 ~1.10%, 同时加入 0.4 ~ 1.65%Cr; 对于大型轴承 , 加入硅 , 锰等元素 .③轴承钢常用的钢号有 GCr6,GCr9,GCr15,GCr15SiMn 等 .④轴承钢的热处理工艺是 :球化退火 +淬火(850 ℃油脆)+低温回火(160 ~180℃ )对精密轴承 ,淬火后进行冷处理(-60 ~ 80℃ ), 磨削加工后进行 120℃的时效处理 .5)耐磨钢①磨损是机械工程广泛存在的问题 .3/ 12个人收集整理勿做商业用途②耐磨钢是指在冲击和磨损条件下使用的高锰钢 .③高锰钢的主要成分是含碳量 1~1.3%, 含锰量为 11~ 14%.如常用钢号 ZGMn13.④对高锰钢一般要进行 " 水韧处理 ", 即把钢加热到 1100 ℃进行水冷 , 零件表面在工作时受强烈冲击而发生加工硬化以提高耐磨性 .二, 工具钢1.刃具钢对刃具钢的要求是 :①高的硬度 ;②高的耐磨性 ;③高的红硬性(热硬性);④足够的强度 , 塑性和冲击韧度 ;⑤良好的加工工艺性能 .1)碳素工具钢①碳素工具钢的含碳量为 0.65 ~1.35%, 钢号有 T7,T7A,T8,T8A, ⋯⋯ T13A.②碳素工具钢的热处理 :③预备热处理(球化退火)→最终热处理(780 ℃淬火 +180 ℃回火)④碳素工具钢的缺点是红硬性差 , 淬透性差 .⑤碳素工具钢大多用于受热程度低的手动工具 , 低速的机用工具 , 也可作尺寸小的模具等 2)低合金工具钢①低合金工具钢含碳量一般为 0.75 ~1.50%, 加入合金元素常为 Cr,Mn,Si,W,V 等 .②常用的低合金钢有 9SiCr,9Mn2V,CrWMn 等. 如用 9SiCr 制作丝锥 , 板牙及其它形状复杂要求变形小的刀具 .③低合金工具钢的热处理 :④预备热处理(球化退火)→最终热处理(用油淬火 +低温回火)⑤低合金工具钢的特点是淬火变形及开裂倾向小 .3)高速钢①高速钢的特点是 :1.硬度高(HRC63~ 66), 红硬性高 , 当切削温度达 600℃时 , 其硬度仍无明显下降 ;2.淬透性高 , 在空气中就能淬火 .4/ 12个人收集整理勿做商业用途②高速钢的含碳量为 0.7 ~1.65%,并加入大量 W,Mo,V,Cr等而形成高合金钢 . 常用的牌号有 W18Cr4V,W6Mo5Cr4V2等.③以 W18Cr4V为例 , 说明其成分和特点 .A 含碳量较高 , 但又不能过高 . 一般为 0.7 ~ 0.8%.B 钨的含量为 17.5 ~19%,以提高红硬性和耐磨性 .钨可形 . 成阻止晶粒长大的 W6C,溶入马氏体的钨在回火时析出的 W2C,Fe2W2C等, 可提高红硬性 . 钨可形成 WC以提高耐磨性 .C 铬的含量为 4%, 其作用是提高淬透性 .D 钒是提高耐磨性和热硬性的重要元素 . 可形成稳定的 VC.VC的性能是 : 大于 1200℃才开始溶解 , 硬度大于 HRC83.④高速钢的热处理比较复杂 . 以 W18Cr4V盘状铣刀为例 , 其工艺路线是 : 下料→锻造→退火→机加工→淬火→回火→喷砂→磨削加工A. 锻造的目的是消除莱氏体中粗大的且不均匀的碳化物.W18Cr4V 的铸态组织如图所示 .B 退火的目的是消除应力 , 降低硬度 . 退火后的组织如图所示 .C 淬火温度应取1280℃, 因为高速钢达到此温度时, 奥氏体中才能溶解7~8%的钨,4%的铬和 1%的钒 , 如图所示 .D 淬火冷却多采用盐浴中分级淬火(580 ~ 620 ℃中性盐浴), 淬火后的组织为隐状马氏体 +粒状碳化物 +残余奥氏体 . 如图所示 .E 回火的目的是消除应力 , 稳定组织 . 应采用 560℃回火 , 因为在此温度回火硬度最高 , 如图所示 .F 由于高速钢淬火后的残余奥氏体量达20~ 25%,通常采用 560℃回火三次 . 如图为W18Cr4V盘状铣刀的淬火 , 回火工艺 .G 回火后的组织为回火马氏体 +粒状碳化物 +残余奥氏体 . 如图所示 .4)硬质合金硬质合金是把高硬度 ,高熔点的粉末和胶结物质混合 ,加压成型 ,再烧结而成的一种粉末冶金材料 .①硬质合金的特点是 :A 硬度极高(89 ~ 91HRA);B 红硬性好 , 切削温度可达 1000℃ ;C 耐磨性好 .5/ 12个人收集整理勿做商业用途②常用的硬质合金有两种 :A 钨钴类 : 牌号有 YG3,YG6,YG8等 . 主要用于加工脆性材料 , 如铸铁及胶木等非金属材料 .B 钨钴钛类: 牌号有YT5,YT15,YT30 等. 主要用于加工韧性材料, 如加工各种钢件.C 近年来发展的新品种 YW1,YW2称为万能硬质合金 , 可用来切削难加工材料 .2. 模具钢1)冷作模具钢①对性能的要求用来制造在冷态下变形的模具 , 如冷冲模 , 冷镦模 ,拉丝模 ,冷轧模等 . 主要要求 :A 高的硬度和耐磨性 ;B 较高的强度和冲击忍度 ;C 良好的工艺性 .②冷模用钢A 碳素工具钢和低合金工具钢钢种有 T8A,T10A,T12A;Cr2,9SiCr,CrWMn, Cr6WV等.这类钢的优点是价格便宜 , 加工性能好 . 缺点是淬透性差 ,热处理变形大 .B 高碳高铬模具钢 : 主要指 Cr12 型冷作模具钢 , 钢号有 Cr12,Cr12MoV 等 .a)这类钢的含碳量为 1.4 ~2.3%,Cr 可提高钢的淬透性 ,Mo 和 V可减少碳化物的不均匀性 .b)Cr12 钢属莱氏体钢 , 热处理工艺为 : 球化退火 +淬火 +低温回火c)Cr12 钢的组织为回火马氏体 +碳化物 +残余奥氏体 .2)热作模具钢① 对性能的要求制造使金属热成型的模具 , 如热锻模 , 热挤压模和压铸模等 . 主要要求是 :A 要求综合力学性能好 ;B 抗热疲劳能力高 ;C 淬透性高 .② 成分和钢种A 对中小尺寸模具 , 一般用 5CrMnMo;对大尺寸模具 , 一般用 5NiMo.B 热模钢的含碳量为 0.50 ~ 0.60%, 对压铸模为 0.30%.③热处理工艺对热模锻 : 锻造→退火→淬火→高温回火3.量具钢6/ 12个人收集整理勿做商业用途1)对量具钢的要求及解决办法工作部分要求有高的硬度和耐磨性 ; 要求组织稳定 ,使用时尺寸不变 . 解决办法 :① 采用低变形钢 , 如铬锰钢 , 铬钨锰钢等 ;② 淬火前进行调质处理 , 得回火索氏体 ;③淬火后举行冷处理 ;④长时间的低温回火(低温时效).2)常用的量具用钢① 碳素钢具钢 . 常用于制作尺寸小 , 形状简单 , 精度要求低的量具 .② 低合金工具钢(包括 GCr15等). 如用 GCr15钢制作量具 , 其工艺路线为 : 锻造→球化退火→机加工→粗磨→淬火→低温回火→精磨→时效→涂油③有时也用渗碳钢制作精度不高 , 耐冲击的量具 ; 有时也用冷作模具钢制作精密量具 . 文档来源网络及个人整理 ,勿用作商业用途三, 特殊性能钢特殊性能钢是指具有特殊的物理 , 化学性能的钢 .1. 不锈钢1)金属腐蚀的一般概念① 腐蚀通常可分为化学腐蚀和电化学腐蚀 .② 大部分金属的腐蚀都属于电化学腐蚀 . 电化学腐蚀实际是电池作用 , 其腐蚀原理如图所示③对同一种合金, 因组成合金的相或组织不同, 也会形成微电池, 造成电化学腐蚀. 如珠光体由铁素体(F)和渗碳体(Cm)两相组织而组成微电池 , 其腐蚀原理如图所示 .④观察碳钢显微组织时的试样就是利用电化学腐蚀原理制成的 .⑤要提高金属的抗电化学腐蚀能力 , 通常采取以下措施 :A 尽量设法使金属在获得均匀的单项组织条件下使用, 如在钢中加入大于 24%的 Ni.B 通过加入合金元素来提高金属机体的电极电位 , 如加入大于 13%的 Cr.C 加入合金元素 , 使金属表面腐蚀后形成一层致密的氧化膜 .2)常用不锈钢① 马氏体不锈钢A 常用的马氏体钢含碳量为 0.1 ~0.45%, 含铬量为 12~14%, 如典型的钢号1Cr13,2Cr13,3Cr13,4Cr13 等 .B 钢中铬的 n/8 规律 : 即含铬量达 n/8 原子分数时 , 电极电位呈台阶式跃增 , 腐蚀速度呈台阶7/ 12个人收集整理勿做商业用途式下降 .铬的含量超过台阶值时 ,钢的耐磨性才明显提高 .如 n=1,换成重量百分数为12.5%×(52/55.8)=11.7%.C 含铬量超过 11.7%, 电化学腐蚀过程变缓 , 并可使金属表面形成一层钝化模 .D 为提高耐腐蚀性 , 不锈钢的含碳量一般不超过 0.4%.E 1Cr13 和 2Cr13 钢具有抗大气等介质腐蚀的能力 , 常作为结构钢使用 . 热处理方式为淬火 + 高温回火 (600 ~700℃),用来制造汽轮机叶片 , 锅炉管附件等 .F 3Cr13,4Cr13 钢耐腐蚀性能差些 , 通过淬火 +低温回火 (200 ~300℃ ), 可得到较高硬度和气度, 常作为工具钢使用 .② 铁素体不锈钢A 铁素体不锈钢含碳量低于 0.15%, 含铬量为 12~ 30%.钢号有 0Cr13,1Cr17,1Cr17Ti,1Cr28 等 .B 铁素体不锈钢在加热和冷却时不发生相变 .C 铁素体不锈钢在 450~ 550 ℃停留会引起钢的脆化 , 称为 "475 ℃脆性 ".D 铁素体不锈钢在 600~ 800℃长期加热会产生硬而脆的σ 相 .E 铁素体不锈钢强度低 , 主要用于制造腐蚀零件 , 广泛用于硝酸和氮肥工业中 .③奥氏体不锈钢A 最典型的奥氏体不锈钢是 1Cr18Ni9Ti 钢 .B 对奥氏体不锈钢 ,通常采用固溶处理方法 ,即把钢加热到 1100℃后水冷 , 以得到单相的奥氏体组织 .C 奥氏体不锈钢的冷热加工性和焊接性也很好 , 广泛用于制造化工生产的某些设备及管道等D 奥氏体不锈钢具有一定的耐热性 , 可用于 700℃ .但会在晶界析出铬的碳化物 , 引起晶间腐蚀. 因此在不锈钢中要加入稳定碳化物元素钛, 铌等 .E 超低碳的不锈钢可防止晶间腐蚀 , 如 0Cr18Ni9,00Cr18Ni9 等 .F 奥氏体不锈钢的缺点是常产生应力腐蚀破裂 .④其它类型不锈钢A 复相不锈钢由奥氏体和δ 铁素体两相形成复相组织 . 具有抗应力腐蚀 , 抗晶间腐蚀和抗焊缝热裂作用. 常用的有:0Cr21Ni5Ti,1Cr21Ni5Ti,1Cr18Mn10Ni5Mo3N 等.B 沉淀硬化不锈钢奥氏体不锈钢难以用加工硬化进行强化, 但沉淀硬化不锈钢则可以. 常用的牌号有 :0Cr17Ni4Cu4Nb,0Cr17Ni7Al,0Cr15Ni7Mo2Al 等.8/ 12个人收集整理勿做商业用途2. 耐热钢1)耐热钢的一般概念包括高温抗氧化性和高温强度两方面 .① 抗氧化性 :指钢在高温下迅速氧化形成的氧化膜后 ,使钢不再氧化的性能 .一般采用合金化方法 ,加入铬 , 钨 , 铝等使钢表面形成致密的高熔点的氧化膜.② 高温强度指钢在高温下所表现的力学性能 .A 金属在高温时会发生使强度值下降的 "蠕变 "现象 .B 所谓 "蠕变 ", 是指在机械应力作用下金属随时间增加而慢慢发生塑性变形的现象.C 钢的高温强度是用蠕变强度和持久强度来表示的 .a)蠕变强度 : 金属在一定温度和一定时间内 ,产生一定变形量所能承受的最大应力 . 例如b)持久强度 : 金属在一定温度和一定时间内 ,所能承受的最大断裂应力 .例如D 为提高钢的高温强度 , 通常采用固溶强化 , 析出强化和强化晶界等措施 .a)固溶强化 :在钢中加入合金元素 ,形成单相固溶体 , 提高原子结合力 .b)析出强化 :在固溶体中沉淀析出稳定的碳化物 ,氮化物和金属间化合物 . 如加入铌 ,钒, 钛等.c)强化晶界 :加入钼 ,锆, 钒, 硼等晶界吸附元素 ,使晶界强化 .2)常用的耐热钢① 珠光体耐热钢A 常用的牌号如 15CrMo,12Cr1MoV等 .B 一般热处理工艺为 :正火(Ac3+30℃)+回火(高于工作温度 50℃).C 这类钢的工作温度为 350~550℃, 工艺性能好 , 常用于制造锅炉 , 化工压力容器 ,热交换器 , 汽阀等耐热构件 .② 马氏体耐热钢A 常用的牌号如 1Cr13,2Cr13,1Cr11MoV,4Cr9Si2 等 .B 1Cr13,2Cr13 最早用于制造汽轮机叶片 .C 1Cr11MoV经淬火 +高温回火后 , 工作温度可达 550~ 580℃ .D 4Cr9Si2 是最典型的汽车阀门用钢 .③奥氏体耐热钢9/ 12个人收集整理勿做商业用途A 常用的钢号如 1Cr18Ni9Ti,4Cr14Ni14W2Mo 等 .B 这类钢的冷塑性变形性能和焊接性能很好, 工作温度在600~700℃, 广泛用于航空 ,舰艇, 石油化工等工业部门. 文档来源网络及个人整理 ,勿用作商业用途10/ 12个人收集整理勿做商业用途版权申明本文部分内容,包括文字、图片、以及设计等在网上搜集整理。
弹簧钢1.概述弹簧钢主要是应有好的弹性,又由于它是在动载荷环境条件下工作的,所以对制造弹簧的材质最主要的应有高的屈服强度;在承受重载荷时不引起塑性变形;应有高的疲劳强度,在载荷反复作用下具有长的使用寿命;并有足够的韧性和塑性,以防在冲击力作用下突然脆断。
在碳素钢中碳含量在0.60~0.90%之间的优质钢是制造弹簧的钢种,但碳素弹簧钢的渗透性差,只宜制作小截面的弹簧,大截面的弹簧需要用合金钢制作。
在合金钢中由于合金元素的强化作用,可制造弹簧的材质其含碳量可降低到0.5~0.7%。
硅、锰、铬、钒是弹簧钢中最常用的合金元素。
一般淬火后进行中温回火可获得高的弹性。
(1)生产制造方法:通常采用电炉冶炼,加入脱氧剂硅、铝,注入钢锭模后,通过锻压或轧制,便得到各种形状的钢材和锻件。
(2)用途:主要用在机车、车辆、汽车、拖拉机、飞机的各种螺旋弹簧和板簧等。
2.主要生产厂及输往国家、地区我国大连钢厂、上海钢厂、重庆钢厂是生产弹簧钢的主要厂家。
目前有少量出口任务,质量稳定。
主要输往香港及东南亚等地区。
3.主要进口生产国家我国目前主要从日本、瑞士、巴西等国进口。
进口弹簧钢索赔案中发现的质量问题有:内部裂纹、端部裂纹、锈蚀、麻坑、结疤等;此外短重、短尺问题也曾发生过。
因此须加强检验把关。
4.种类在碳素钢中钢号有65—85号。
在合金钢中有65Mn,55SiMn,60SiMn,50CRV等。
5.规格及外观质量主要有热轧圆钢、方钢、扁钢及异型截面的弹簧钢钢材。
钢材的表面不得有裂纹、折叠、结疤、夹杂、分层和压入的氧化铁皮。
6.化学成分我国国标、日本工业标准中主要钢号的化学成分如表6—7—27。
7.物理性能钢材的低倍组织不得有缩孔、裂缝、分层、白点、气泡等缺陷。
一般疏松、中心疏松、偏析均不得超过3级。
脱碳层深度不应大于直径或厚度的2%。
主要钢号的机械性能见表6—7—28。
表6-7-27 我国和日本标准中主要钢号的化学成分指标表6-7-28 主要钢号的机械性能指标8.包装裸装、成捆交货、铁丝或钢带捆扎,并有标牌标明炉号、规格等印记。
各种钢材的性能和用途!钢是一种由铁和碳等元素组成的合金,其性能和用途各不相同。
以下是几种常见的钢材及其性能和用途的介绍:1.低碳钢低碳钢是含有较低碳含量的钢材,通常小于0.25%。
其特点是具有良好的可塑性、韧性和焊接性能。
低碳钢通常用于制造汽车零部件、建筑结构、钢琴线以及其他不要求高强度的构件。
2.中碳钢中碳钢的碳含量在0.25%到0.60%之间。
中碳钢具有中等强度和硬度,同时具备一定的耐磨性。
中碳钢常用于制造机械零部件、车轴、曲柄轴等需要较高强度的构件。
3.高碳钢高碳钢的碳含量通常在0.60%以上。
高碳钢具有良好的强度和硬度,但韧性较差。
高碳钢常用于制造刀片、弹簧、汽车座椅骨架等需要高硬度和耐磨性的构件。
4.不锈钢不锈钢是一种含有铬元素的钢材,具有优异的耐腐蚀性能。
不锈钢可以分为多种类型,如奥氏体不锈钢、马氏体不锈钢和铁素体不锈钢等。
不锈钢广泛应用于制造厨具、建筑装饰、医疗器械、航空航天等领域。
5.合金钢合金钢是通过添加其他元素(如铬、镍、钼等)来改善钢材的性能。
合金钢通常具有良好的强度、硬度、耐腐蚀性和耐热性能。
合金钢广泛用于汽车制造、航空航天、化工装备和矿山机械等领域。
6.工具钢工具钢是一类用于制造各种切削工具和冷冲模具的特殊钢材。
工具钢具有高硬度、良好的耐磨性和耐冲击性能。
工具钢通常用于制造钻头、刀具、冲压模具等工具。
7.高速钢高速钢是一种用于制造刀具和钻头等切削工具的特殊钢材。
高速钢具有优异的热硬性、耐磨性和耐冲击性能,能够在高速切削条件下保持较长的寿命。
高速钢广泛用于制造刀具、车床刀片、铣刀等。
总之,钢材具有广泛的用途,不同类型的钢材具有不同的性能和特点,可以满足各种不同工程和产业的需求。
通过合理选择合适的钢材,可以提高产品的质量和性能,同时减少生产成本。
常用钢材化学成分及力学性能01.碳素钢板(一)Q235-A.F钢(二)Q235-A钢板(三)Q235-B钢板(四)Q235-C钢板(五)20HP钢板(六)15MnHP钢板(七)20R钢板02.低合金高强度钢板(一)16MnR钢板(三)15MnVNR钢板(四)18MnMoNbR钢板(五)13MnNiMoNbR钢板03.低温钢板(一)16MnDR钢板(二)09Mn2VDR钢板(三)15MnNiDR钢板(四)09MnNiDR钢板(五)07MnNiCrMoVDR钢板04.中温抗氢钢板(一)15CrMoR钢板(二)12Cr2Mo1R钢板05.不锈钢板(一)0Cr13钢板(二)0Cr18Ni9钢板(三)1Cr18Ni9Ti钢板(四)0Cr18Ni10Ti钢板(五)0Cr17Ni12Mo2钢板(六)0Cr18Ni12Mo2Ti钢板(七)0Cr19Ni13Mo3钢板( 八)00Cr19Ni10钢板(九)00Cr17Ni14Mo2钢板(十)00Cr19Ni13Mo3钢板(十一)00Cr18Ni5Mo3Si2钢板(十二)铁素体型或马素体型钢板(十三)奥氏体型钢管(十四)奥氏体--铁素体型钢板06.碳素钢和低合金高强度钢钢管(一)GB8163中的10和20钢管(无缝管)(二)GB9948中的10和20钢管(无缝管)(三)GB6479中的10、20G、16Mn和15MnV钢管(无缝管)07.低温钢管(一)GB6479中的10、20G和16Mn钢管(无缝管)(二)09Mn2VD钢管(无缝管)08.中温抗氢钢管(一)GB9948中的12CrMo和15CrMo钢管(无缝管)(二)GB6479中的12CrMo、15CrMo、10MoWVNb、12Cr2Mo和1Cr5Mo钢管(无缝管)(三)GB5310中的12Cr1MoV钢管(无缝管)09.不锈钢管(一)GB/T14976 中的钢管表9-12 钢管的许用应力(二)GB13296 中的钢管表9~14 钢管的常温力学性能表9-15 GB150 推荐的钢管高温屈服强度表9-16 钢管的许用应力10.碳素钢和低温合金钢锻件表10-1 常用钢号(一)20 钢锻件表10-2 钢的化学成分表10-3 钢锻件的常温力学性能表10-4 GB150 标准推荐的高温屈服强度表10-5 钢锻件的许用应力(二)35 钢锻件的许用应力表10-6 化学成分表10-7 钢锻件的常温力学性能表10-8 GB150 标准推荐的高温屈服强度表10-9 钢锻件的许用应力(三)16Mn 钢锻件表10-10化学成分表10-11 钢锻件的常温力学性能表10-12 GB150 标准推荐的高温屈服强度表10-13 钢锻件的许用应力(四)15MnV 钢锻件表10-14化学成分表10-15 钢锻件的常温力学性能表10-16 GB150 标准推荐的高温屈服强度表10-17 钢锻件的许用应力(五)20MnMo 钢锻件 表10-18化学成分表10-19 钢锻件的常温力学性能表10-20 JB4726对钢锻件高温屈服强度的规定表10-21 钢锻件的许用应力(六)20MnMoNb 钢锻件表10-22化学成分注:对真空碳脱氧钢,允许Si含量小于或等于0.12%表10-23 钢锻件的常温力学性能表10-24 JB4726对钢锻件高温屈服强度的规定表10-25 钢锻件的许用应力(七)15CrMo 钢锻件表10-26化学成分注:对真空碳脱氧钢,允许Si含量小于或等于0.12%表10-27 钢锻件的常温力学性能表10-28 JB4726对钢锻件高温屈服强度的规定表10-29 15CrMo钢锻件的许用应力(八)35CrMo钢锻件表10-30化学成分注:对真空碳脱氧钢,允许Si含量小于或等于0.12%表10-31 钢锻件的常温力学性能表10-32 JB4726对钢锻件高温屈服强度的规定表10-33 钢锻件的许用应力(九)12Cr1MoV钢锻件表10-34化学成分注:对真空碳脱氧钢,允许Si含量小于或等于0.12%表10-35 钢锻件的常温力学性能表10-36 JB4726对钢锻件高温屈服强度的规定表10-37 钢锻件的许用应力(十)12Cr2Mo1 钢锻件注:对真空碳脱氧钢,允许Si含量小于或等于0.12%表10-38 钢锻件的常温力学性能表10-39 JB4726对钢锻件高温屈服强度的规定表10-40 钢锻件的许用应力(十一)1Cr5Mo钢锻件表10-41化学成分注:对真空碳脱氧钢,允许Si含量小于或等于0.12%表10-42 钢锻件的常温力学性能表10-43 GB150 标准推荐的高温屈服强度表10-44 钢锻件的许用应力11.低温钢锻件表11-1 中国常用钢号(一)20D 钢锻件表11-2 钢的化学成分表11-3 钢锻件的常温拉伸和低温冲击性能表11-4 钢锻件的许用应力(二)16MnD 钢锻件表11-5化学成分表11-6 钢锻件的常温拉伸和低温冲击性能表11-7 钢锻件的许用应力(三)09Mn2VD 钢锻件表11-8化学成分表11-9 钢锻件的常温拉伸和低温冲击性能表11-10 钢锻件的许用应力(四)09MnNiD 钢锻件表11-11化学成分表11-12 钢锻件的常温拉伸和低温冲击性能表11-13 钢锻件的许用应力(五)16MnMoD 和20MnMoD 钢锻件表11-14 钢的化学成分表11-15 钢锻件的常温拉伸和低温冲击性能表11-16 钢锻件的许用应力(六)08MnNiCrMoVD 钢锻件表11-17化学成分表11-18 钢锻件的常温拉伸和低温冲击性能表11-19 钢锻件的许用应力(七)10Ni3MoVD 钢锻件表11-20化学成分表11-21 钢锻件的常温拉伸和低温冲击性能表11-22 钢锻件的许用应力12.不锈钢锻件(一)0Cr13和1Cr13钢锻件(二)0Cr18Ni9和00Cr19Ni10钢锻件(三)0Cr17Ni12Mo2和00Cr17Ni14Mo2钢锻件(四)1Cr18Ni9和0Cr18Ni10Ti钢锻件(五)00Cr18Ni5Mo3Si2钢锻件13.超高压容器锻件1、34CrNi3MoA钢化学成分2、34CrNi3MoA钢锻件的力学性能14.螺柱用钢材(一)Q235-A镇静钢(二)35钢(三)螺柱用合金结构钢15.碳素钢和低温合金钢铸件(一)ZG200-400H铸钢(二)ZG230-450H铸钢(三)ZG275-485H铸钢16.不锈钢铸件(一)ZG1Cr13铸钢(二)ZG0Cr18Ni9和ZG00Cr18Ni10(三)ZG1Cr18Ni9Ti和ZG0Cr18Ni9Ti铸钢(四)ZG0Cr18Ni12Mo2Ti铸钢。
各种不锈钢的化学物理特性:**各种钢的化学物理特性中国与亚洲、北美诸国(地区)以及澳大利亚的不锈钢钢号近似对照:不锈钢通俗地说,不锈钢就是不容易生锈的钢,实际上一部分不锈钢,既有不锈性,又有耐酸性(耐蚀性)。
不锈钢的不锈性和耐蚀性是由于其表面上富铬氧化膜(钝化膜)的形成。
这种不锈性和耐蚀性是相对的。
试验表明,钢在大气、水等弱介质中和硝酸等氧化性介质中,其耐蚀性随钢中铬含水量的增加而提高,当铬含量达到一定的百分比时,钢的耐蚀性发生突变,即从易生锈到不易生锈,从不耐蚀到耐腐蚀。
不锈钢的分类方法很多。
按室温下的组织结构分类,有马氏体型、奥氏体型、铁素体和双相不锈钢;按主要化学成分分类,基本上可分为铬不锈钢和铬镍不锈钢两大系统;按用途分则有耐硝酸不锈钢、耐硫酸不锈钢、耐海水不锈钢等等,按耐蚀类型分可分为耐点蚀不锈钢、耐应力腐蚀不锈钢、耐晶间腐蚀不锈钢等;按功能特点分类又可分为无磁不锈钢、易切削不锈钢、低温不锈钢、高强度不锈钢等等。
由于不锈钢材具有优异的耐蚀性、成型性、相容性以及在很宽温度范围内的强韧性等系列特点,所以在重工业、轻工业、生活用品行业以及建筑装饰等行业中获取得广泛的应用。
奥氏体不锈钢在常温下具有奥氏体组织的不锈钢。
钢中含Cr约18%、Ni 8%~10%、C约0.1%时,具有稳定的奥氏体组织。
奥氏体铬镍不锈钢包括著名的18Cr-8Ni钢和在此基础上增加Cr、Ni含量并加入Mo、Cu、Si、Nb、Ti等元素发展起来的高Cr-Ni系列钢。
奥氏体不锈钢无磁性而且具有高韧性和塑性,但强度较低,不可能通过相变使之强化,仅能通过冷加工进行强化。
如加入S,Ca,Se,Te等元素,则具有良好的易切削性。
此类钢除耐氧化性酸介质腐蚀外,如果含有Mo、Cu等元素还能耐硫酸、磷酸以及甲酸、醋酸、尿素等的腐蚀。
此类钢中的含碳量若低于0.03%或含Ti、Ni,就可显著提高其耐晶间腐蚀性能。
高硅的奥氏体不锈钢浓硝酸肯有良好的耐蚀性。
表_1表_2表_3表_4表_5表_6表_7表_8表_9表_10表_11表_12表_13表_14表_15常用材料表弹性,抗拉,泊松比对照表常用金属密度表常用材料密度钢铁硬度与强度近似换算国内外优质碳素结构钢牌号对照表国内外普通碳素结构钢牌号对照表一胜百钢材成分、硬度属性常见材料中外牌号对照国内外常用碳素工具钢牌号对照表国内外常用合金工具钢牌号对照表国内外淬透性合金结构钢牌号对照表国内外常用合金结构钢牌号对照表钢材料及常见材料物理参数大全钢牌号对照国内外常用铝及铝合金牌号对照表国内外常用不锈耐酸钢牌号对照表国内外弹簧钢、滚动轴承钢、高速工具钢牌号对照表国内外常用铝及铝合金牌号对照表类中国美国英国日本法国德国前苏联别GB ASTM BS JIS NF DINГОСТ工1A991199A199.99R A99业1A97A199.98R A97纯1A95A95铝1A801080(1A)10801080A A199.90A8 1A5010501050(1B)10501050A A199.50A5防5A025052NS450525052A1Mg2.5Amg 锈5A03NS5AMg3铝5A055056NB65056A1Mg5AMg5V 5A305456NG61555659572A01203621172117AlCu2.5Mg0.5D18硬2A11HF1520172017S AlCuMg1D1 铝2A12212420242024AlCuMg2D16AVTV 2B162319锻2A802N01AK4 2A9022182018AK2铝2A14201420142014AlCuSiMn AK8超硬铝7A09717570757075AlZnMgCu1.5V95PZAlSi7Mn356.2LM25AC4C G-AlSi7Mg 铸ZAlSi12413.2LM6AC3A A-S12-Y4G-Al12AL2造AlSi5Cu1M355.2AL5铝lSi2Cu2M413.0AC8A G-Al12(Cu)合ZAlCu5Mn AL19金lCu5MnCd201.0ZAlMg10520.2LM10AG11G-AlMg10AL8ZAlMg5Si G-AlMg5Si AL13中国日本德国英国法国前苏联GB,YB JIS DIN(W-Nr.)ASTM AISI SAE BS NFГОСТ0Cr13SUS405X7Cr13(1.4000)405405S1708X13(0X13)SUS429429SUS416416416S21Z12CF13 1Cr17SUS430X8Cr17(1.4016)430430S15Z8C1712X17(X17) SUS430F X12CrMoS17(1.4104)430F Z10CF17SUS434X6CrMo17(1.4113)434434S19Z8CD17-01 1Cr28X8Cr28(1.4083)15X28(X28)0Cr17Ti08X17T(0X17T) 1Cr17Ti X8CrTi17(1.4510)1Cr25Ti25X25T(X25T)1Cr17Mo2Ti X8CrMoTi17(1.4523)SUS410,X10Cr13(1.4006),410,410S21,SUS403X15Cr13(1.4024)403403S17SUS410S X7Cr13(1.4000)410S Z6C1308X13(0X13)420S37420S29SUS420F420F Z30CF13 3Cr13SUS420J2420S45Z30C1330X13(3X13)4Cr13X40Cr13(1.4034)Z40C1440X13(4X13)1Cr17Ni2SUS431X22CrNi17(1.4057)431431S2914X17H2(1X17H2) 9Cr1895X18(9X18)9Cr18MoV X90CrMoV18(1.4112)SUS440A440ASUS440B440BSUS440C440C Z100CD17SUS440F440FSUS305X5CrNi1911(1.4303)305305S19Z8CN18-1200Cr18Ni10SUS304L X2CrNi189(1.4306)304L304L12Z2CN18-1003X18H11(000X18H11)项目美国1Cr1312X13(1X13)2Cr13SUS420J1X20Cr13(1.4021)420Z20C1320X13(2X13)Z12C130Cr18Ni9SUS304X5CrNi189(1.4301)304304S15Z6CN18-0908X18H10(0X18H10)1Cr18Ni9SUS302X12CrNi188(1.4300)302302S25Z10CN18-0912X18H9(X18H9)2Cr18Ni917X18H9(2X18H9)SUS303X12CrNiS188(1.4305)303303S12Z10CNF18-09SUS303Se303Se303S1412X18H10E(X18H10E)SUS20120112X17 Г9AH4(X17 Г9AH4)SUS301301301S21Z12CN17-070Cr18Ni9TiSUS321X10CrNiTi189(1.4541)321321S12Z6CNT18-1108X18H10T(0X18H10T)12X18H10T(X18H10T),12X18H9T(X18H9T)08X18H12 ь(0X18H12ь )SUS384384Z6CNC18-16SUS385385SUS XM7XM7Z6CNU18-10SUS XM15J1XM1520X13H4Г 9(2X13H4Г 9)15X17A Г 14(X17A Г14)10X17H13M2T(X17H13M2T)202284S16SUS2021Cr18Ni11NbSUS347X10CrNiNb189(1.4550)1Cr18Ni9Ti X10CrNiTi189(1.4541)321S20Z10CNT18-11347347S172Cr13Mn9Ni4Z10CNNb18-10Z8CNDT17-120Cr18Ni2Mo2Ti X10CrNiMoTi1810(1.4571)1Cr18Mn8Ni5N10X17H13M2T(X17H13M2T) SUS308308SUS309S309SSUS310S310S00Cr17Ni14Mo3SUS317L X2CrNiMo1810(1.4438)317L317S12Z2CND19-150Cr18Ni12 Mo3Ti 320S17Z8CNDT17-131Cr18Ni12 Mo3TiZ8CNDT17-13SUS317317317S16SUS316X2CrNiMo1810(1.4401)316Z6CND17-12X2CrNiMo1810(1.4404),Z2CND17-12,03X17H14M2X2CrNiMo1812(1.4435)Z2CND17-13(000X17H13M2)00Cr18Ni14Mo2Cu2SUS316J1L0Cr18Ni18 Mo2Cu2TiX5CrNiMoCuTi1818(1.4506)09X17H7ю(0X17H7ю ) SUS6306301Cr18Ni12 Mo2TiX10CrNiMoTi1810(1.4571)Z8CNDT17-12 SUS316L316LZ8CNA17-7316S120Cr17Ni7Al SUS631X7CrNiAl177(1.4568)631中国日本德国英国法国前苏联国际GB,YB JIS DIN(W-Nr.)ASTM AISI SAE BS NFГОСТISO C67(1.0761)1064,1064,1064,CK67(1.1231)106510651065C67(1.0761)CK67(1.1231)XC70,XC8085SUP3108410841084080A86851566-106655S6,56S765Si7(1.0906),250A58,66Si7(1.5028),250A6160SiCr7(1.0961)60Si2CrA 67SiCr5(1.7103)9254925460C2XA50CrMn SUP955Cr3(1.7176)527A6050X Г50CrVA SUP1050CrV4(1.8159)615061506150735A5050CV450X Φ A GCr6105Cr2(1.3501)E5010050100100C3Ш X6 GCr9SUJ1105Cr4(1.3503)E511005110051100534A99100C5Ш X9 GCr15SUJ2100Cr6(1.3505)E521005210052100534A99100C6Ш X15GCr9Si Mn SUJ3A485-Gr.1GCr15 SiMn 100CrMn6(1.3520)Ш X15CГ4201Z80WCV#####4271Z80WKCV项目美国弹簧钢65080A6755Si2MnSUP655Si7(1.0904)925592559255XC6565 70107010701070070A72XC7070 75C75(1.0773)107410741074070A7875 65Mn156665 Г250A5355C260Si2MnSUP792609260926061S760C2滚动轴承钢W18Cr 4V SKH2(S18-0-1)(1.3355)T1T1BT1P18SKH3S18-1-2-5(1.3255)T4T4BT418-05-04-014275Z80WKCV18-10-04-02 SKH4B T6T6BT64175Z165WKCV12-05-05-044301Z85WDCV06-05-04-02 SKH52M3-1M3-1SKH53S6-5-3(1.3344)M3-2M3-24361Z130WDCV06-05-04-044371Z85WDKCV06-05-05-04-02 SKH56M36M36SKH57S10-4-3-10(1.3207)W12Cr 4V4MoS12-4(1.3302)P14 φ 4高速工具钢SKH4A T5T5BT5SKH10S12-1-4-5(1.3202)T15BT15P10K5 φ5SKH9S6-5-2(1.3343)M2M2BM2SKH54M4BM14SKH55S6-5-2-5(1.3243)中国日本德国英国法国前苏联国际GB,YB JIS DIN(W-Nr.)ASTM AISISAEBSNF ГОСТISO1204Y275,1304Y375T8SK6,SK5W1-71/2Y8T8Mn SK5Y8 ГW2-81/2,W1-81/2W2-91/2,1203Y290,W1-91/21303Y390T11SK3W1-101/21202Y2105Y11T12SK2W1-111/2BW1C1201Y2120Y12W2-13,W1-121/2T7A 1105Y165Y7A C80W1(1.1525)(VDEh)C85WS(1.1830)(VDEh)T9A 1103Y1909YA C105W1(1.1545)(VDEh)T11A 1102Y1105Y11A T12A 1101Y1120Y12A T13AY13AY10A T8MnAY8 Г AY13T8A1104Y175Y8A1200Y2135T10SK3,SK4BW1BY10Y7T9SK4,SK5WB1AY9W1-7T7SK7,SK6T13SK1T10A项目美国中国日本德国英国法国前苏联国际GB,YBJISVDEh(W -Nr.)ASTM AISISAEBSNFГОСТISO(1) 量具刃具用9SiCr90CrSi5(1.2108)9XC8MnSiC75W3(1.1750)钢组CrMn145Cr5(1.2063)X ГSKS51L6L6CrW5SKS1XB5SKS11F2F22142110WC201230Y2135C100Cr6(1.2067),105Cr5(1.2060)9Cr285Cr7(1.2064)9X 2141100WC10W2-91/2,1162W1-91/2Y1105VW SKS21F1BF1(2) 耐冲击工具35WCrV 7(1.2541),2341用钢组45WCrV 7(1.2542)55WC205CrW2Si 45WCrV 7(1.2542)BS15XB2CBS14XB2C4CrW2Si SKS41S1S1BW2ψVSKS43SKS2B1X Cr2L3CrO6SKS8140Cr3(1.2008)13XO7SKS7O7项目美国SKS4280WCrV8(1.2552)6CrW2Si6XB2CSKS44W2-81/22233Z200C12BD2,2235BD2AZ160CDV12Cr6WVX6B ψ2231Z100CDV59Mn2O2O2221190MV8MnCrWVO1O1BO1221290MCW59CrWMoSKS39XB ГSKD2X210CrW12(1.2436)D7D75CrMnM oSKT340CrMn Mo7(1.2311)6G(AS M)6G 5X Г MSKT548CrMo V67(1.2323)6G(AS M)6GSKT2615061506150338155NCDV7BH21,3543BH21A Z30WCV938SiCrV 8(1.2248)45SiCrV 6(1.2249)4XC4SiCrV3Cr2W8VSKD5X30WCr V53(1.2567)H21H213X2B8 ψ(4) 热作模具钢组SCrNiMoSKT455NiCr MoV6(1.2713)6F2(A SM)6F25X Г M冷作模具钢组CrWMn SKS31105WCr6(1.2419)XB Г9Mn2V90MnV8(1.2842)O2O2BO2A2A2BA2X12Cr12MoVSKD11X165Cr MoV12(1.2601)D2D2X12MD3D3BD3(3) 冷作模具钢组Cr12SKD1X210Cr 12(1.2080)SKD128Cr38X33431Z38CDV5SKD44X2B5 ψMSKD61X40CrMoV51(1.2344)H13H13BH133432Z38CDWV5MnCrWVO1O1BO1221290MCW59CrWMoSKS39XB ГSKD2X210Cr W12(1.2436)D7D75CrMnM oSKT340CrMn Mo7(1.2311)6G(AS M)6G 5X Г MSKT548CrMo V67(1.2323)6G(AS M)6GSKT2615061506150338155NCDV7BH21,3543BH21A Z30WCV938SiCrV 8(1.2248)45SiCrV 6(1.2249)8Cr38X33431Z38CDV5SKD44X2B5 ψMSKD61X40CrMoV51(1.2344)H13H13BH133432H12BH12SKD62H124Cr5Mo VSiSKD6X38CrM oV51(1.2343)H11H11BH114XC4SiCrV3Cr2W8VSKD5X30WCr V53(1.2567)H21H213X2B8 ψ(4) 热作模具钢组SCrNiMoSKT455NiCr MoV6(1.2713)6F2(A SM)6F25X Г M冷作模具钢组CrWMn SKS31105WCr6(1.2419)XB ГH12BH12SKD62H124Cr5Mo VSiSKD6X38CrM oV51(1.2343)H11H11BH11Z38CDWV5中国日本德国英国法国前苏联国际GB,YB JIS DIN(W-Nr.)ASTM AISI SAE BS NFГОСТISO SMn433H(SMn1H)SMn438H(SMn2H)SMn443H(SMn3H)SCr420H(SCr22H)SCr430H(SCr2H)SCr435H(SCr3H)SCr440H(SCr4H)SCM418H4118H4118H4118HSCM435H(SCM3H)SCM440H(SCM4H)SCM445H(SCM5H)SNC631H30NC114145H4145H4145H4140H4140H4140H708H424135H4135H4135H640H3530CD4 5140H5140H503H405135H5135H5135H503H365130H5130H5130H530H305120H5120H1041H1041H1041H1041H1041H1041H1330H1330H1330H5120H5140H项目美国(SNC2H) SNC815H (SNC22H) SNCM220H (SNCM21H)SNCM420H (SNCM2 3H)4320H4320H4320H8620H8620H8620H20NCD2655H13合金结构钢(3)中国日本德国英国法国前苏联国际GB,YBJISDIN(W-Nr.)ASTMAISISAEBSNFГОСТISO09Mn209 Г 210Mn21513151310 Г 215Mn215 Г 2SMn4201524(SMn21)-1024SMn43328Mn6(1.5065),(SMn1)30Mn5(1.5066)SMn438(SMn2)40Mn2Smn443(SMn3)13401340134040 Г 245Mn2Smn443(SMn3)13451345134545 Г 21552-105227SiMn 27C Г35SiMn37MnSi 5(1.5122)35C Г42SiMn 46MnSi 4(1.5121)43C Г15MnV15MnV5(1.5213)(3) 锰钒钢组42Mn2V42MnVT (1.5223)15CrSCr415(SCr21)5115511512C315X527A19,527M205130,5130,5130,530A30,20X30CrSCr430( SC 232C430X(2) 硅锰钢组(4) 铬钢组20CrSCr240(SCr22)51205120512018C335 Г 250Mn21052105250 Г133********M3630Mn2133013301330150M2830 Г 21024150M1920 Г 2(1) 锰钢组20Mn2102435Mn236Mn5(1.5067)13351合金结构钢(2)项目美国513251325132530A3234Cr4(1.7033),37Cr4(1.7034)530A40,530M405147,5147,5147,51455145514550Cr51505150515050X 38CrSi 38XC 40CrSi 40XC15X Г ,18X Г15CrMn20MnCr 4(1.7147)20MC520X Г40CrMn40X Г中国日本德国英国法国前苏联国际GB,YBJISDIN(W-Nr.)ASTMAISISAEBSNFГОСТISO20CrMnS i20X ГC 25CrMnSi25X ГC 30CrMnSi30X ГC 35CrMnSi35X ГCA 20CrV 22CrV4(1.7513)20X ψ40CrV42CrV6(1.7561)40X ψA 50CrVSUF1050CrV4(1.8159)615061506150735A5050CV450X ψA (9) 铬锰钛钢组30CrMnT i 30X ГT (10) 钼钢组16Mo15Mo3(1.5415)16M(8) 铬钒钢组项目美国(7) 铬锰硅钢组2(6) 铬锰钢组38CrMn45C445X16MC5(5) 铬硅钢组45Cr SCr445( SCr5)R683/ Ⅶ 240Cr SCr440( SCr4)41Cr4(1.7035)51405140514042C440X R683/ Ⅶ 35135530A3638C435X35CrSCr435( SCr3)51355135( SCr2)12CrMo 13CrMo 44(1.7335)1501-620Gr ·2712CD412XMSCM415A387Cr(SCM21)· 12SCM42018CD4(SCM22)20CD4SCM430(SCM2)SCM435(SCM3)SCM440708M40,(SCM4)708A42,709M40SCM421(SCM23)SCM418411841184118SCM445(SCM5)SCM822(SCM24)SACM645(SACM1)15CrMn Mo15CrMo 5(1.7262)20CrMnMo 20CrMo 5(1.7264)18X ГM40X ГM,414041404140708A42(12) 铬锰钼钢组40CrMn Mo38CrMoA l 34CrAlMo5(1.8507)905M3938XM юAR683/ Ⅹ425CrMo4(1.7218)25CD4R683/ Ⅺ 750CrMo4(1.7228)41454145414535XM R683/ Ⅱ 242CrMo 42CrMo4(1.7225)41404140414042CD4R683/ Ⅱ330CD430XM35CrMo 34CrMo4(1.7220)413541354135708A3735CD441304130413015XM20CrMo 25CrMo4(1.7218)20XM12CD4(11) 铬钼钢组15CrMo 16CrMo 44(1.7337)30CrMo 34CrMo4(1.7220)38X ГM12CrMoV12XM ψ12Cr1MoV 12X1Mψ24CrMoV35 ψ Mψ A35CrMoV中国日本德国英国法国前苏联国际GB,YB JIS DIN(W-Nr.)ASTM AISI SAE BS NFГОСТISO SNC41510N11,(SNC21)16NC11SNC81510NC12,(SNC22)14NC12(E3310),(3310),(E3316)331620CrNi-3120-3120635M1520NC620XH20CrNi3A20NC1120XH3A20Cr2Ni4A-332530NC1420X2H4A SNC63130NC11,(SNC2)30NC12SNC836(SNC3)SNC236(SNC1)45CrNi(A3145)-314545XHSNCM4394340,4340,817M40,40XMA R683/ Ⅲ4(15) 镍铬钼钢组40CrNiMoA434040CrNi-3140-3140640M4035NC640XH30XH3A37CrNi3A-333535NC15-3435653M3112Cr2Ni4A12NC1512X2H2A12XH212CrNi3A14NiCr10(1.5732)-3415665M1312XH3A项目美国(14) 镍铬钢组12CrNi230CrNi3A 3(13) 铬锰钒钢组24CrMo V55(1.7 733)(SNCM8)-43374337816M40SNCM220(SNCM21)SNCM240945M38,(SNCM6)945A40SNCM415(SNCM22)SNCM420(SNCM23)SNCM431(SNCM1)SNCM447(SNCM9)SNCM625(SNCM2)SNCM815(SNCM25)40B TS14B3540B 50B36H 40MnB TS14B35H 40MnBTS14B50H(16) 硼钢组835M15R683/ Ⅺ14830M314347-4337-43374320432043204315R683/ Ⅺ12864086408640R683/ Ⅷ 1862086208620805M2020NCD2较高含锰量组中国日本德国英国法国前苏联国际GB,YBJISDIN(W-Nr.)ASTM AISISAE BS NFГОСТISO普05F 10051005015A0305kn 08F 100610061006040A0408kn 通C10(1.0301),CK10(1.1121)含10F 101010101010040A1010kn 040A10,锰050A10,060A10量040A12,050A12,组060A1215F 040A1515kn S15C,C15(1.0401),040A15,CK15(1.1141),050A15,S15CK Cm15(1.1140)060A15040A17,050A17,060A1720F 040A2020kn S20C,050A20,S20CK 060A20C22(1.0402),040A22,CK22(1.1151)050A22,060A221025,1025,1025,060A25,102610261026080A25060A27,080A27060A30,080A30,080M30060A32,080A32C35(1.0501),1035,1035,1035,060A35,CK35(1.1181),103710371037080A3535S35CXC3535R683/IC 35e10351035S33C103530S30C 103010301030XC3230R683/IC 30e25R683/IC 25eS28C10291029102925S25C XC251023S22C10231023201020102010202010171017XC18S17C 1017151015101510151510121012XC12S12C 101210S10CCK10(1.1121)101010101010XC10101008050A0488S09CK(S9CK)100810081普通含锰量组项目美国Cm35(1.1180)中国日本德国英国法国前苏联国际GB,YBJIS DIN(W-Nr.)ASTM AISI SAE BS NF ГОСТISO普060A37,080A37通1040,1040,1040,060A40,103910391039080A40,含080M401042,1042,1042,060A42,锰104310431043080A42C45(1.0503),1045,1045,1045,060A47,量CK45(1.1191),104610461046080A47,Cm45(1.1201)080M46钢1045,1045,1045,060A47,1046,1046,1046,080A47组1049104910491050,1050,1050,105310531053060A52,080A52C55(1.0535),070M55,CK55(1.1181),060A57,Cm55(1.1209)080A57C60(1.0601),060A62,CK60(1.1221),080A62Cm60(1.1223)060A67,080A67060A72,070A72,080A72060A78,070A78,080A78060A82,080A83060A86,108410848585108480108010801080XC8080107410747575107470107010701070XC707010651065XC6565651065106060R683/IC 60e60S58C1060106055S55C105510551055XC5555R683/IC 55e10551055S53C105550080M5050R683/IC 50eS48CXC4845S45CXC4545R683/IC 45eS43CXC4240S40C40R683/IC 40e10381038XC38S38C 10382项目美国080A86中国日本德国英国法国前苏联国际GB,YBJISDIN(W-Nr.)ASTM AISI SAE BS NFГОСТISO较1016,1016,1016,080A15,101910191019080A17高1021,1021,1021,080A20,含102210221022070M2025MnS28C 102610261026070M2625 Г锰080A30,080A32量35Mn S35C 103710371037080A3535 Г1039,1039,1039,钢1040104010401043,1043,1043,组1046104610461050,1050,1050,080A52,105310531053080M5060Mn 156********A6460 Г65Mn 15661566(1066)65 Г70Mn1572157270 Г45 Г50Mn S53C XC4850 Г45MnS45C080A4740 Г10301030XC3240MnS40C40Mn4(1.5038)080A4030 Г30Mn S30C 103015 Г20MnXC1820 Г项目美国15Mn17Mn4(1.8044)3中国德国法国CT1KPSPHCCT1C P SPH DCT1PCCT2KP-2CT2PC-2CT2CP-2CT2KP-3SPHCCT2P C-3SPH DCT2C P-3CT3K P-2Fe360BFe360BFe360BCT3P C-2Fe 360 CCT3C P-2Fe360CFe360CCT3K P-3Fe360BFe360BFe360BCT3P C-3Fe360CFe360CFe360CCT3C P-3 CT3K P-4 CT3P C-4 CT3C P-4CT3K P-4Fe360D1Fe360D1Fe360D1CT3P C-4Fe 360D 2CT3C P-4Fe360D2Fe360D2 SS400A(SS41A)080A15Fe360CFe360CQ 235 DFe360DSS400A(SS41A)SM400BFe360CGr.D Gr.65Gr.DQ 235 CFe360DSS400(SS41)SM400A(SM41A)080A15Gr.DQ 235 BFe360DSS400(SS41)SM400A(SM41A)080A15Q235 AFe360AGr.DSS330(SS34)040A12Fe360CFe360CQ 215 B Gr.C Gr.58Gr.CSPHC Fe360C040A12Q 215 A HR1Gr.C Gr.58SS330(SS34)040A10BSEN10025Q 195HR2Gr.B SS330(SS34)JISG3131JISG3106DINEN10025BS970Part1ASTMA573MASTMA284MASTMA709MJISG3101ISO630GOST535GOST380ASTMA283MGB/T 700ISO3573NFEN10025普通碳素结构钢国际原苏联美国日本英国CT4K P-2 CT4P C-2 CT4C P-2 CT4K P-3 CT4P C-3 CT4C P-3CT5K P-2 CT5C P-2SS 490( SS50 )Q 275Fe430ASS400(SS41)SS400A(SS41A)Q 255 B Gr.36[250]SS400A(SS41A)Q 255 A Gr.36[250]SS400(SS41)UDDEHOLM出厂硬度特性淬硬温度℃用 途UHBCCr Ni W Mo V Co 200300400Max ARNE DF-21.2510O1SKS3HB1900.950.6-0.6-0.1Mn1.1820625752-DF-3DF-3O1HB1900.90.85-0.55--Mn1.2820625852-RIGOR XW-10 1.2363A2SKD12HB2151 5.3-- 1.10.2-940615857-SVERKER-3XW-5 1.2436D6/D3SKD2HB2402.0512.5- 1.3---960646160-XW-41 1.2379D2SKD11HB2101.5511.8--0.80.8-1020625959-ASSAB XW42XW-42D2HB2101.4211.2--0.80.2-1020625959-CARMO635H-HB240~2700.6 4.5--0.50.2-960605855-CALMAX635-HB2000.6 4.5--0.50.2-960605855-ASSAB 618ASSAB618P20MODI FIEDHB280~3200.38 1.9--0.15-Mn1.5IMPAX718H718S1.2311Md f.P20MODI FIEDSNCM HB330~370HB290~3310.3821-0.2-Mn1.4RAMAX S1681.2083420SUS420HB290~3400.3316.7-----STAVAX S 136H 420ESR HB290~3300.3816.7---0.3-STAVAX S-136420ESRHB2150.3813.6---0.3-10255353--ELMAX--HB240 1.718--13-108058575760ALUMEC 89PRODAX 89-HB145------------MOLDMAX 30MM30-HRC26~32MOLDMAX 40MM40-HRC36~42PROTHERMPT18-HB190ORVAR 2M84021.2344H13MICR ODIZ EDSKD61HB1850.385.3-- 1.30.9Si 1.010205252525384071.2344H13ESR SUPR EMESKD61HB1850.385.3-- 1.30.9Si 1.0102052525253QRO-90HB1800.38 2.6--2.250.9-1020ASP-60ASP-60HB340 2.34- 6.57 6.510.51150~1190---68ASP-30ASP-30HB3001.27 4.2- 6.45 3.18.51150~1180---67ASP-23ASP-20M3:2HB2601.284.2- 6.45 3.1-1120~1060---66VANADIS-4V-4-HB2351.58-- 1.54-1020~106061606162V-10-HB280~3102.98-- 1.59.8-1020~106063626265一胜百钢材ASSABW.nr AISI JIS主要成分回火后硬度一冷作钢胜塑胶模钢百预加硬,不须淬火,亦可于模腔凸缘施火焰加硬法提高硬度至HRC52抛光度高模具,适合防酸性高Be 1.9 Co+Ni 0.25预加硬,不须固溶处理及时效Be 1.9 Co+Ni 0.26Be 1.9 Ni 1.8热作钢钢ASSAB Patented Product于620℃回火后硬度HRC50ASSAB Patented Product 粉未冶金炼制ASSAB Patented ProductHSP-41HSP-41 1.3343M2HB2400.87 4.2- 6.45 1.9-HSS for col d wor k and cut tin g too ls wit h goo d wea r res ist anc e.1050~1220冷冲模ASSAB 17ASSAB 17-HRC67~691.4 4.2-9 3.5 3.512.5-----KM-2KM-2M2HB2600.88 4.2- 6.45 1.9-1150---63709709 1.72254140SCM40.421.05--0.2-Mn0.8705M 705M 1.65824340SNCM8HB275~3350.35 1.4 1.4-0.2-Mn0.7830~86072107210M3115SNC21MaxHB2170.150.8 1.2-0.1-Mn0.9850~9507607601.17301045/1050HB2100.45-----Mn0.7820~870HARDNESSBe Ni Cu N/mm2W/m℃PROTHERM0.4 1.8BAL.HB190640MM30 1.9Co+Ni0.25BAL.HRC30966MM40 1.9Co+Ni0.26BAL.HRC401070材高速钢机械钢经淬硬及回火调质,拉力强度690~1270N/mm2粉未钢By:Jeffrey Lee 2000.Feb19LI U M C O P P E R M O U L D A L L O Y (铍铜GRADE COMPOSITION CHARACTERISTICSAPPLICATIONS High conductivity beryllium copper mould alloyInjectionHigh strength beryllium copper mould alloyTensile Strength Coefficient ofN/mm2 ThermalHigh strength beryllium copper mould alloy Blow 117317.0x10E-7Blow127717.0x10E-879017.2x10E-6英国法国ASTM UNS AISI BS NF碳素结构钢Q195(A1)Cт/спA283grA SS34040A10A33碳素结构钢Q195-b(A1b)Cт/пс碳素结构钢Q195-F(A1F)Cт/кп碳素结构钢Q215-A(A2)Cт2псRSt34-2A283grB SS34040A12A34-2碳素结构钢Q215-A.b(A2b)Cт2сп碳素结构钢Q215-A.F(A2F)Cт2кпUSt34-2碳素结构钢Q215-B(C2)BCт2спRSt34-2A283grB040A12A34-2碳素结构钢Q215-B.b(C2b)BCт2пс碳素结构钢Q215-B.F(C2F)BCт2кпUSt34-2碳素结构钢Q235-A(A3)Cт3спRSt37-2A283grC SS41050A17A37-2碳素结构钢Q235-A.b(A3b)Cт3пс碳素结构钢Q235-A.F(A3F)Cт3кпUSt37-2碳素结构钢Q235-B(C3)BCт3спRSt37-2A36SS41050A17A37-2碳素结构钢Q235-B.b(C3b)BCт3пс碳素结构钢Q235-B.F(C3F)BCт3кпUSt37-2常见材料中外牌号对照种类中国GB国际标准ISO前苏联гOCT德国DIN 美 国日本JIS碳素结构钢Q235-C060A22A42-2碳素结构钢Q235-D060A22A42-2碳素结构钢Q255-A(A4)Cт4спRSt42-2A238grD060A22A50-2碳素结构钢Q255-B(C4)BCт4спRSt42-2碳素结构钢Q275(C5)BCт5спSt50-2 SS50优质碳素钢08F08кп优质碳素钢10F10кп优质碳素钢15F15кп优质碳素钢88G10081008S09CK 050A0 4优质碳素钢10C10e10CK10G101001010S10C050A10XC10优质碳素钢15C15e15CK15G101501015S15C050A15XC12优质碳素钢20C20e20CK20G102001020S20C050A20XC18优质碳素钢25C25e25CK25G102501025S25C060A25XC25优质碳素钢30C30e30CK30G103001030S30C060A30XC32优质碳素钢35C35e35CK35G103501035S35C060A35优质碳素钢40C40e40CK40G104001040S40C060A4XC38H1优质碳素钢45C45e45CK45G104501045S45C060A47XC42H1优质碳素钢50C50e50CK50G105001050S50C060A52XC48H1优质碳素钢55C55e55CK55G105501055S55C060A57XC55H1优质碳素钢60C60e60CK60G106001060S58C060A62优质碳素钢6565CK67G106501065060A67优质碳素钢7070G107001070060A72XC68优质碳素钢7575CK75G107501075060A78XC75优质碳素钢8080CK80G108001080060A83XC80优质碳素钢8585G108501085060A86优质碳素钢15Mn15г14Mn4G101601016SB46080A15优质碳素钢20Mn20г21Mn4G102201022080A2优质碳素钢25Mn25гG102601026S28C080A25优质碳素钢30Mn30гG103301033S30C080A3优质碳素钢35Mn35гG103701037S35C080A35优质碳素钢40Mn40г40Mn4G103901039S40C080A4XC38H2优质碳素钢45Mn45гG104301043S45C080A47XC42H2优质碳素钢50Mn50гG105301053S50C080A52XC48H2优质碳素钢60Mn60гG156101561S58C080A62XC55H2优质碳素钢65Mn65гG156601566080A67优质碳素钢70Mn70гG157201572080A72易切削结构钢Y1210S20A1210S20G121201212SUM12210M1513MF4易切削结构钢Y12Pb 10SPb2010SPb20G1213412L13SUM22L易切削结构钢Y1515S2015S20G121301213SUM22220M07S250易切削结构钢Y15Pb 11SMnPb28AC149SMnPb28G1214412L14SUM24LS250Pb易切削结构钢Y2022S20A2022S20G112001120SUM3218MF5易切削结构钢Y30A30G1132 01132易切削结构钢Y3535S20A3535S20G113701137212M3635MF6易切削结构钢Y40Mn44SMn28A40гG114401144SUM42225M4445MF6.3易切削结构钢Y45Ca冷镦钢ML08CC8X08кпQSt34-3G1010010100/1XC6冷镦钢ML10CC8A10кпQSt36-21012SWRCH10R0/2XC10冷镦钢ML15CC15A15псQSt38-3G101501015SWRCH15R0/3XC15冷镦钢ML20CC21A20псG102001020SWRCH17R0/4XC18冷镦钢ML25CE28E425G102501025SWRCH25K XC25冷镦钢ML30CE28E430G103001030SWRCH30K 1/2XC32冷镦钢ML35CE35E435Cq35G103501035SWRCH35K 3/8XC38冷镦钢ML40CE40E440G104001040SWRCH40K XC42冷镦钢ML45CE45E445Cq45G104401044SWRCH45K XC45冷镦钢ML25MnCE28E4G102601026IC25冷镦钢ML30MnCE28E4G103001030SWRCH30K IC30冷镦钢ML35MnCE35E4Cq351034SWRCH35K2IC35冷镦钢ML40MnCE40E440гG104001040SWRCH40K1IC40冷镦钢ML45MnCE45E445гCq45G104501045SWRCH45K162IC45冷镦钢ML15Cr15X17Cr3G511505115冷镦钢ML20Cr20Cr4E20XG51200512020C4冷镦钢ML40Cr41Cr4E40X37Cr3G514005140 1 1/242C4冷镦钢ML15MnBCE20BG21518SWRCHB6209/0冷镦钢ML15 MnVB冷镦钢ML20 MnTiB冷镦钢ML30CrMo34CrMo4E30XMAG413004130冷镦钢ML35CrMo34CrMo4E34CrMo4G41350413534CD4冷镦钢ML42CrMo34CrMo4E42CrMo4G414004140锅炉用碳素钢和低合金刚钢板20 g P235,PH23520K HⅡGr·65SB450A42CP锅炉用碳素钢和低合金刚钢板22g P265,PH26522K HⅢSB480锅炉用碳素钢和低合金刚钢板12Mng P290,PH290A48CP锅炉用碳素钢和低合金刚钢板16Mng P355,PH35519Mn6A52CP锅炉用碳素钢和低合金刚钢板15MnVg15гф锅炉用碳素钢和低合金刚钢板14Mn MoVg锅炉用碳素钢和低合金刚钢板18MnM0NbgE500T-Ⅱ钢筋钢Q235(R235)PB240CT3псGr·300SR235Gr·250FeE235钢筋钢20MnSi(RL335)RB30032г2PпсSD345钢筋钢20MnNbb(RL335)35гс钢筋钢20MnSiV(RL400)RB40032г2PпсBST420SA706M SD345Gr·450FeE40钢筋钢20MnTi(RL400)RB400W35гсA615MFeTE400钢筋钢25MnSi(RL400)Gr·400SD390钢筋钢MnV(RL540)RB50020Xг2цBST500S Gr·500SD490FeE50钢筋钢45SiMnV(RL540)RB500W80CBST500MFeTE500钢筋钢MnTi( RL540 )钢筋钢20MnSi(KL400)RB400BST420SA706M SD390FeE40钢筋钢40Si2Mn(RB150)A615M钢筋钢48Si2 Mn(R B150)钢筋钢45SiCr (RB15 0)低合金高强度结构钢Q295A29515Mo3,PH295Gr·42SPFC490A50低合金高强度结构钢Q295B29515Mo3,PH295Gr·42SPFC490A50低合金高强度结构钢Q345A345Fe510C Gr·50SPFC590Fe510CFe510C。
20号钢和45号钢的化学成分及物理性能20号钢化学成分质量分数%|C: 0.17~0.23化学成分质量分数%|Si: 0.17~0.37化学成分质量分数%|Mn: 0.35~0.65化学成分质量分数%|Cr≤: 0.25化学成分质量分数%|Ni≤: 0.30化学成分质量分数%|Cu≤: 0.25推荐热处理/℃|正火: 910推荐热处理/℃|淬火:推荐热处理/℃|回火:力学性能|σb/MPa≥: 410力学性能|σs/MPa≥: 245力学性能|δ5(%)≥: 25力学性能|ψ(%)≥: 55力学性能|AKU/J≥:35#钢化学成分及力学性能35#钢力学性能45号钢化学成分质量分数%|C: 0.42~0.50化学成分质量分数%|Si: 0.17~0.37化学成分质量分数%|Mn: 0.50~0.80化学成分质量分数%|Cr≤: 0.25化学成分质量分数%|Ni≤: 0.30化学成分质量分数%|Cu≤: 0.25推荐热处理/℃|正火: 850推荐热处理/℃|淬火: 840推荐热处理/℃|回火: 600力学性能|σb/MPa≥: 600力学性能|σs/MPa≥: 355力学性能|δ5(%)≥: 16力学性能|ψ(%)≥: 40力学性能|AKU/J≥: 39钢材交货状态硬度HBS10/3000,≤|未热处理钢: 229钢材交货状态硬度HBS10/3000,≤|退火钢: 197易切削钢化学成分及物理性能Y40Mn易切削钢标准:GB/T 8731-1988●特性及适用范围:Y40Mn是高硫中碳易切削钢,有较好的切削性能,与45号钢相比可提高刀具寿命四倍,提高生产效率30%,有较高的强度和硬度,适于加工要求刚性高的零件,如丝杠、光杆、齿条和花键轴等。
●化学成份:碳 C :0.37~0.45硅Si:0.15~0.35锰Mn:1.20~1.55硫S :0.02~0.30磷P :≤0.05●力学性能:抗拉强度σb (MPa):(热轧)590~735; (冷拉后高温回火状态)590~785伸长率δ5 (%):(热轧)≥14;(冷轧)≥17断面收缩率ψ (%):(热轧)≥20硬度:(热轧)≤207HB;(冷拉)179~229HB●热处理规范及金相组织:输送流体用无缝钢管10、20、Q345力学性能化学成分标准:GB/T8163——中国国家标准用途:用于输送流体用的一般无缝钢管主要生产钢管牌号:10、20、Q345 等尺寸公差:力学性能:化学成分:结构用无缝钢管10、20、35、45、Q345、15CrMo、12Cr1MoV化学成分力学性能结构用无缝钢管标准:GB/T8162——中国国家标准ASTM A53——美国材料与试验学会标准ASME SA53 ——美国锅炉及压力容器规范用途:用于制造管道、容器、设备、管件及机械结构用无缝钢管主要生产钢管牌号:10、20、35、45、Q345、15CrMo、12Cr1MoV、A53A、A53B、SA53A、SA53B等尺寸公差:钢管种类外径(D)钢管壁厚(S)冷拔管钢管外径(mm) 允许偏差(mm) 钢管壁厚(mm) 允许偏差(mm)>30~50 ±0.3 ≤30 ±10%>50~219 ±0.8%热轧管>219 ±1.0%>20 ±10%力学性能:标准牌号抗拉强度(MPa)屈服强度(MPa)伸长率(%)GB/T8162 10 ≥335 ≥205 ≥2420 ≥390 ≥245 ≥2035 ≥510 ≥305 ≥1745 ≥590 ≥335 ≥14Q345 ≥490 ≥325 ≥2115CrMo ≥440 ≥295 ≥2212Cr1MoV ≥490 ≥245 ≥22ASTM A53ASME SA53 A ≥330 ≥205 查看ASTM A53的表查看ASME SA53的表B ≥415 ≥240化学成分:标准牌号化学成分(%)C 碳Si 硅Mn 锰P 磷S 硫Cu 铜Ni 镍Mo钼Cr 铬V 钒GB/T8162100.07~0.14 0.17~0.37 0.35~0.65 ≤0.035≤0.035 ≤0.25≤0.25/ ≤0.15 /200.17~0.24 0.17~0.37 0.35~0.65 ≤0.035 ≤0.035 ≤0.25≤0.25 / ≤0.25 /350.32~0.40 0.17~0.37 0.50~0.80 ≤0.035 ≤0.035≤0.25≤0.25/ ≤0.25 /450.42~0.50 0.17~0.37 0.50~0.80 ≤0.035 ≤0.035 ≤0.25 ≤0.25/ ≤0.25 /Q345 0.12~0.20 0.20~0.55 1.20~1.60 ≤0.035≤0.035≤0.25 ≤0.25 / ≤0.25 /15CrMo0.12~0.18 0.17~0.37 0.40~0.70 ≤0.035≤0.035 ≤0.25≤0.300.40~0.55 0.80~1.10 /12Cr1MoV 0.08~0.15 0.17~0.37 0.40~0.70 ≤0.035 ≤0.035 ≤0.25 ≤0.300.25~0.35 0.90~1.20 0.15~0.30ASTMA53ASMESA53 A≤0.25/ ≤0.95 ≤0.05≤0.06≤0.40≤0.40 ≤0.15 ≤0.40≤0.08ASMESA53B ≤0.30/ ≤1.20≤0.05≤0.06 ≤0.40≤0.40 ≤0.15 ≤0.40 ≤0.089SiCr合金工具钢合金工具钢:9SiCr标准:GB/T 1299-19859SiCr合金工具钢特性及适用范围:9SiCr量具刃具用钢,是常用的低合金工具钢,具有较高的淬透性和淬硬性,以及较高的回火稳定性。