人事作业程序 (2)
- 格式:doc
- 大小:66.01 KB
- 文档页数:11
2024企业人事工作计划作为人事,一个月的工作只有提前去做好计划,那么才能更加高效的去完成好,而____月份的工作我也是要把计划给做好,特别是而今这一年的工作,是必须要更加专注的去把事情做好的。
今年开年开工的时间是比较晚的,而且公司的人才去年年底也是由于一些原因流失了一批,而招聘也是一个重点要去做的事情,但是____月份却是比较难的招到人,所以____月份的招聘工作是重中之重,而且公司目前很多部门也是缺人的,所以我更是要把这个招聘的工作去给做好,只有做好了招聘的工作,那么其余的事情也是能更加从容的去做了,重点的工作是需要优先去做的,而且几个部门的需求也是给予了我很大的一个招聘压力,我要提前的在各个招聘的网站去挂好招聘的讯息,同时也是通过各种的一个渠道去找到合适的人才,来进行应聘,争取在____月份能把公司需要的人才都是能招聘到手的,只有把人员都招到了,那么我的后续工作才能更好进行。
除了做好招聘的工作,____月份也是需要对于新入职的人员进行好培训的工作,____月份虽然比较难招到人,但是也是可以招到一些的,而进入公司之后的培训工作也是要做好的,只有做好了,让新人熟悉了工作,熟悉了要做的岗位,愿意留下来,接受公司的安排,认同公司的价值观,同时通过培训的考核,确认招聘过来的人员是合适的,那么才能下到岗位,更好的去为公司来服务,培训的工作我也是需要提前的去把资料准备好,做好更新,每一年的情况都是会有一些转变,同时培训也是需要去适应公司一个变化,不能一直用着以前的培训资料,不去更新,那么也是做不好培训的一个工作的。
新的一个月,面临着很大的挑战,但是我也是不惧,只要做好了计划,按照计划的要求去执行,我想到了____月份,我一定是可以做好工作的,而到了月底也是可以骄傲的回顾自己所做的工作,做好了的计划也是必须要认真的执行,到了实际的工作之中,也是要根据实际的一个情况,部门以及公司的一个需求,去调整好自己的计划,来更好的为公司而服务,把人事____月份的一个工作去给做好。
2024年两学一做社区党员学习计划范文行政人事工作是一项自费繁琐的系统工程,往往是苦而无功。
我不知道你以前是否做过行政人事管理。
我想从工作计划的角度谈点自己的看法,希望能对你有所帮助。
行政人事管理重要的是你的执行力。
工作计划应当围绕如果你是该公司的行政人事主管,你认为在你的职权范围内如何开展工作并使之卓有成效。
一、用1~____个月的时间熟悉公司的管理,了解公司的管理现状,提出公司在行政管理过程中所存在的问题,应当着手解决的问题。
二、了解公司的企业文化,着手建立企业文化的内涵,将个人的发展融入企业文化的理念之中。
帮助公司建立健康的企业文化氛围。
三、制度建设:科学的、规范的、合理的企业制度建设是管理的基础。
制度决定行为!在公司管理中注重制度化管理,而非人治。
四、人事作业程序:规范员工的入职要求及工作说明书,包括员工的招聘入职到离职都应当建立相应的流程规范管理。
五、员工培训方面。
没有经过培训的员工是企业的负债,作为企业必须注重员工的培训,行政人事管理必须把员工的培训纳入工作日程中来,包括员工的入职培训、岗前培训等等。
六、绩效考核与薪酬体系。
绩效考核是行政人事管理的重点,在你的工作计划中应当作为重点。
明确考核的重点与考核的指标,努力要求员工达成工作目标。
2024年两学一做社区党员学习计划范文(二)新的一学期开始了,为了不断提升自己的精神追求,增强职业道德,掌握教育规律,拓展学科知识,强化专业技能和提高教育教学水平的过程。
根据实际情况我拟定以下个人工作计划:一、加强学习,提高认识读书学习-注重个人素质的培养,不贪名利,切实提高自身理论水平和业务水平,力求为学生创造最好的教育。
用教育理论武装自己,为了自己的教育教学水平尽快的提高,读书是一种至关重要的途径,所以我在本学期要坚持读有关教育的书籍.,如:《师生沟通的艺术》,《教学策略》,《教育新理念》,《课堂管理的策略》。
除了读有关教学的书籍外,我还要不断去读其它的书籍,来武装自己的思想二、以身立教,为人师表师德-教师职业作为一种以人育人的职业。
1目的为加强人员招聘录用管理,保证公司人才需求和人才引进,为公司的业务发展提供充足的人才储备、保持合理的人才结构而制定。
2范围适用于公司各部门、各分公司、各管理处。
3工作内容3.1权责3.1.1人力资源部是公司人员招聘录用的归口管理部门,负责审核用人部门提出的人员招聘录用申请;人员招聘方案的制定;办理人员招聘录用手续;实现公司内各部门之间余、缺人力的调配。
3.1.2各部门、管理处、驻外机构负责本部门人员需求计划的拟定,向人力资源部提出人员招聘录用申请,协助人力资源部招聘录用本部门所需人员,并协同做好试用人员的使用、管理及考核工作<3.2总体原则(招聘录用原则)3.2.1招聘员工应视工作需要和岗位空缺情况而定,不得超计划招聘员工。
3.2.2员工招聘工作由公司人力资源部组织实施,任何部门或个人不得擅自招工或在未办妥入职手续前安排员工到职(三天试工期除外),否则,人力资源部和财务审算部有权拒绝支付任何费用。
期间如发生意外伤亡、违纪违法等规定的,公司不负任何责任(包括经济责任),一切责任由擅自招工者负责,情节严重或造成严重后果的,追究有关人员法律责任。
3.2.3公司招聘员工,应本着“先内部调整,后外部招聘”的原则,确实无法在公司内部调整的,经公司领导批准转为外部招聘。
3.2.4凡需外部招聘员工的,一律公开聘用条件,面向社会招聘,广泛吸引有才之士。
招聘形式必须经公司人力资源部审定。
3.2.5公司招聘各级员工要求学历(学识)、工作能力、工作经验、品德、身体素质等条件与其相应岗位相适应,即应与公司 QW行政-汇编《公司各岗位任职资格汇编手册》各岗位条件相符。
3.2.6公司实行并坚持“举贤避亲”的人事原则。
为保证客观公正及便于管理,公司禁止各级管理人员举荐亲属、朋友、原单位同事等到本人同一部门或本人所分管的部门工作。
特殊情况(如因业务关系需要安排人员或对高级人才的推荐)须经领导班子专题讨论通过后会签实施,且候选人须符合全部任职资格要求。
1 目的对承担质量体系职责的人员规定相应的管理能力要求,并通过培训、增强员工的质量意识和健康安全意识,提高工作技能与健康安全防范措施,确保管理体系有效运行,建设“以人为本”的高效和谐的生产工作环境。
2 范围适用于从事影响产品质量对公司环境表现起作用的所有人员,包括临时雇用的人员,必要时还包括相关方的人员。
3 职责3.1 总经理3.1.1批准公司年度培训计划;3.1.2批准《岗位职责说明书》;3.1.3批准人员配置计划和管理规程。
3.2行政人事部3.2.1负责编制各部门负责人的《岗位职责说明书》、《员工花名册》、《公司定员编制表》;3.2.2负责《年度培训计划》的制定及监督实施、上岗基础教育、组织对培训效果进行评估;3.2.3负责员工招聘、公司员工的劳动工资、福利待遇、社会保险和劳动防护用品的发放审核管理工作。
3.3各部门3.3.1负责人按照《岗位职责说明书》规定,负责提供员工《岗位职责说明书》所需的内容和信息,并与行政人事部共同完成《岗位职责说明书》编制的相关工作;3.3.2负责提出培训申请,并按公司统一制定的培训计划组织实施;3.3.3对应聘人员的甄选,“双向选择”试用人员的考核等工作;3.3.4负责本部门员工的岗位技能培训、缺编人员补充申报工作。
4 工作程序4.1识别人员能力,实施竞聘上岗4.1.1行政人事部负责确定《岗位职责说明书》编制要求;4.1.2行政人事部负责组织编制《公司定员编制表》,上报总经理审批;4.1.3行政人事部负责每本年进行检查修订各部门的《岗位员额编制表》,根据岗位员额编制变动情况,作为行政人事部制订人力资源规划的依据;4.1.4人员增补申请作业程序a各部门如需增补人员,按程序审核后报行政人事部办理;b行政人事部根据申请表,审查申请员额是否属于员额编制内所需求,其需要时机是否恰当等问题;c审阅后,即就申请人员来源做正确的拟办建议,对定员内缺员增补的呈总经理核准,对调整定员增补的经总经理办公会会议讨论通过后,根据指示办理调动或招聘准备工作。
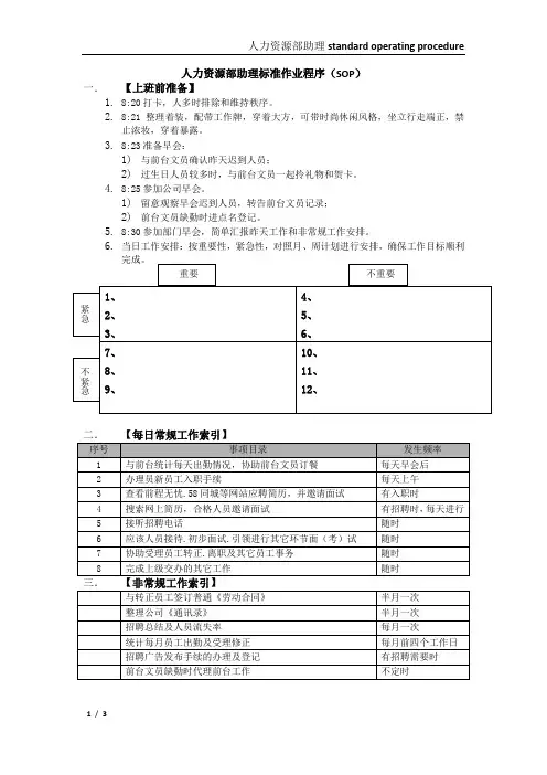
人力资源部助理标准作业程序(SOP)一.【上班前准备】1.8:20打卡,人多时排除和维持秩序。
2.8:21整理着装,配带工作牌,穿着大方,可带时尚休闲风格,坐立行走端正,禁止浓妆,穿着暴露。
3.8:23准备早会:1)与前台文员确认昨天迟到人员;2)过生日人员较多时,与前台文员一起拎礼物和贺卡。
4.8:25参加公司早会。
1)留意观察早会迟到人员,转告前台文员记录;2)前台文员缺勤时进点名登记。
5.8:30参加部门早会,简单汇报昨天工作和非常规工作安排。
6.当日工作安排:按重要性,紧急性,对照月、周计划进行安排,确保工作目标顺利四.【每日时间分配与各项作业标准】1.8:35-9:10:1)与前台统计每天出勤情况,协助前台文员订餐。
对照请假条.外出单和点明人数,核对当天出勤,对迟到.外出.出差.旷工等相关信息,有疑问的及时与部门主管确认,最后登记清楚。
2)接待入职人员,办理入职手续。
a)让入职人员填写《人事档案表》,向入职人员索要身份证,学历证,学位证及其它资格证书的原件进行复印,索要一寸相片两张,占贴在人事档案表;b)将新员工人事信息录入OA系统,并将人事资源转交人事经理;c)让入职人员阅读公司规章制度汇编,其不理解之处进行讲解;d)对公司概况和重点规章制度用PPT进行讲解,并让入职人员进行签字确认;e)给新员工发放临时工作牌;f)带领入职人员录入指纹信息;g)入职人员为部门主管的,将带到各部门进行介绍,标准用语为:各位打扰一下,这是公司新上任的**主管(经理),他叫***,请大家以后相互帮助。
h)带领新员工到部门主管处,进行岗前培训。
2.9:10-9:40——查看前程无忧.58同城等网站应聘简历,将所发布岗位进行刷新,对已经入职的岗位进行暂停,最后拨打电话邀请符合条件的应聘者前来面试。
邀请面试的标准语言为:你好,请问是**先生/小姐吗?我是女装品牌菀草壹公司的,我在**网上看到你投简历应聘我们公司的**岗位,我们经理筛选决定请你到我们公司来面试一下,请面试时带上身份证和学历原件,公司地址在****,祝你一路顺风。
人事管理相关制度执行流程一、面试程序(签字制度)(一)程序:人力资源部面试7合格后应聘者填写《招聘信息表》7人力资源部签署意见7应聘者持表到部门进行第二次面试7合格后部门经理签署意见7应聘者持表返回人力资源部7人力资源部开具《入职通知书》二、入职程序(手续办理齐全后方可上岗)(一)程序:应聘者持《入职通知书》及所需全部手续在规定日期到人力资源部报到7人力资源部开具《入职审批表》7应聘者按程序办理相关手续7归档、填写花名册(二)所需表格及手续(5种):《入职通知书》、《招聘信息表》、《入职审批表》、《档案索引》、《入职手续不齐表》三、转正程序(试用期1至3个月)(一)程序:每月20日统计当月转正人员名单(以试用期一个月为标准,15日以前入店员工视同当月入店,15日以后入店员工视同下一个月入店)7发放《转正考核表》(每人一份)7需转正员工填写个人总结7部门评估考核并签署意见(同意转正或延时转正)7部门在规定日期内将《转正考核表》全部返回人力资源部(25日)7 人力资源部安排同意转正员工考试(月底)7人力资源部考核并签署意见7将考核合格员工《转正考核表》报分管老总批准7向部门发放转正通知7转正员工在规定日期到人力资源部办理转正手续(人力资源部为转正员工更换实习生工牌为正式工牌、开具工作调令、调整工资7人力资源部经理签批7部门经理签批7分管老总签批)7资料存入转正员工档案(每月10日前完成转正工作)(二)所需表格及文件(4种):《转正考核表》、转正试题3至4套、转正通知、《工作调令》四、离职程序(按《员工办理离职手续的规定》执行)(一)程序:辞职员工打辞职报告书(部门开具辞退或除名书)7部门经理签署意见7送人力资源部备案7人力资源部开具《离职通知书》7离职员工持《离职通知书》在规定日期到人力资源部办理离职手续7人力资源部开具《离职审批表》7离职人员按程序办理相关手续7离职人员填写《离职调查表》7离职人员领取档案并填写《档案处理意见表》7离职档案归档并填写离职人员花名册(离职人员档案三个月后可销毁)(二)所需表格及文件(5种):离职报告书(辞退或除名书)、《离职通知书》、《离职审批表》、《离职调查表》、《档案处理意见表》五、其他工作(一)每月1日前统计上一个月《人员结构月报表》,报本部门经理及酒店老总;(二)每月5日前做离职分析,报本部门经理及酒店老总;(三)办理入职、转正、离职手续时间为每周二、四上午9: 00至12: 00人力资源部2014年5月20日个人工作业务总结本人于2009年7月进入新疆中正鑫磊地矿技术服务有限公司(前身为“西安中正矿业信息咨询有限公司”),主要从事测量技术工作,至今已有三年。
人事工作流程(一):人事日常工作流程手册第一章前言第一条为使本公司人事作业正轨化、制度化,能在有序可循的状况下,使本公司人事统一、脉络一贯,并加强人事部门与各部门间的了解,借以更密切配合,提高工作效率,特制订本程序。
第二章主办第二条人事、劳资工资事宜由公司行政部负责管辖和办理,下设人事专员一人,负责下列全盘人事业务。
第三章招募甄试第三条人员招募作业程序如下人事专员处收到“增补人员申请单”时,即行拟订招募计划,资料包括下列项目:1。
招募职位名称及名额2。
资格条件限制3。
职位预算薪金4。
预定任用日期5。
通报稿或登报稿拟具6。
资料审核方式及办理日期7。
甄试方式及时程安排8。
场地安排9。
工作潜力安排10。
准备事项。
诉求:即将招募消息告诉大众及求职人,如下:1。
登报征求:先拟广告稿,估计刊登费,决定刊登何报、何时,然后联络报社。
2。
同仁推荐:以海报或公告方式进行。
应征信息处理:1。
诉求消息发出后,会收到应征资料,经审核后,对合格应征者发出”初试通知单”及”复试通知单”,通知前来本公司理解甄试。
2。
不合格应征资料,归档一个月后销毁,但有要求退件者,应给予退件。
为了给社会大众一个好的印象,对所有未录取者发“致谢函”也是应有的礼貌。
甄试:新进人员甄选考试分笔试及面谈。
1。
笔试包括下列:专业测验领导潜力测验2。
面谈:由申请部门主管、行政主管、核定权限主管分别或共同面谈,面谈时应注意:要尽量使应征人员感到亲切、自然、简单;要了解自我所要获知的答案及问题点要了解自我要告诉对方的问题要尊重对方的人格将口试结果随时记录于”面谈记录表”。
3。
如初次面谈不够周详,发出“复试通知单”,再次安排约谈。
背景调查:经甄试合格,初步决定的人选,视状况应做有效的背景调查。
结果评定:经评定未录取人员,先发出谢函通知,将其资料归入储备人才档案中,以备不时之需。
评定录用人员经总经理核准,行政部部发出“报到通知单”,并安排职前训练有关准备工作。
各类人事管理表格大全【最新完整版】目录应聘人员登记表 . . . . . . . . . . . . . . . . . . . . . . . . . . . . . . . . . . . . . . . . . . . . . . . . . . . . . . . . . . . . . . . . . . . . . . . . . . . . . . . 3招聘员工审批表 . . . . . . . . . . . . . . . . . . . . . . . . . . . . . . . . . . . . . . . . . . . . . . . . . . . . . . . . . . . . . . . . . . . . . . . . . . . . . . . 4面试评分表 . . . . . . . . . . . . . . . . . . . . . . . . . . . . . . . . . . . . . . . . . . . . . . . . . . . . . . . . . . . . . . . . . . . . . . . . . . . . . . . . . . . . . . . 5面试提问设计 . . . . . . . . . . . . . . . . . . . . . . . . . . . . . . . . . . . . . . . . . . . . . . . . . . . . . . . . . . . . . . . . . . . . . . . . . . . . . . . . . . . 6人事资料表 . . . . . . . . . . . . . . . . . . . . . . . . . . . . . . . . . . . . . . . . . . . . . . . . . . . . . . . . . . . . . . . . . . . . . . . . . . . . . . . . . . . . . . . 9新进人员职前介绍检查表 . . . . . . . . . . . . . . . . . . . . . . . . . . . . . . . . . . . . . . . . . . . . . . . . . . . . . . . . . . . . . . 1 0试用同意书 . . . . . . . . . . . . . . . . . . . . . . . . . . . . . . . . . . . . . . . . . . . . . . . . . . . . . . . . . . . . . . . . . . . . . . . . . . . . . . . . . . . . . 1 1誓约书 . . . . . . . . . . . . . . . . . . . . . . . . . . . . . . . . . . . . . . . . . . . . . . . . . . . . . . . . . . . . . . . . . . . . . . . . . . . . . . . . . . . . . . . . . . . . . 1 2担保书 . . . . . . . . . . . . . . . . . . . . . . . . . . . . . . . . . . . . . . . . . . . . . . . . . . . . . . . . . . . . . . . . . . . . . . . . . . . . . . . . . . . . . . . . . . . . . 1 3录用通知 . . . . . . . . . . . . . . . . . . . . . . . . . . . . . . . . . . . . . . . . . . . . . . . . . . . . . . . . . . . . . . . . . . . . . . . . . . . . . . . . . . . . . . . . . 1 4请假申请单 . . . . . . . . . . . . . . . . . . . . . . . . . . . . . . . . . . . . . . . . . . . . . . . . . . . . . . . . . . . . . . . . . . . . . . . . . . . . . . . . . . . . . 1 5加班审批表 . . . . . . . . . . . . . . . . . . . . . . . . . . . . . . . . . . . . . . . . . . . . . . . . . . . . . . . . . . . . . . . . . . . . . . . . . . . . . . . . . . . . . 1 6加班审批表 . . . . . . . . . . . . . . . . . . . . . . . . . . . . . . . . . . . . . . . . . . . . . . . . . . . . . . . . . . . . . . . . . . . . . . . . . . . . . . . . . . . . . 1 6补休登记表 . . . . . . . . . . . . . . . . . . . . . . . . . . . . . . . . . . . . . . . . . . . . . . . . . . . . . . . . . . . . . . . . . . . . . . . . . . . . . . . . . . . . . 1 7社会基本养老保险缴纳情况调查表 . . . . . . . . . . . . . . . . . . . . . . . . . . . . . . . . . . . . . . . . . . . . . . 1 8员工辞退通知书 . . . . . . . . . . . . . . . . . . . . . . . . . . . . . . . . . . . . . . . . . . . . . . . . . . . . . . . . . . . . . . . . . . . . . . . . . . . . . 1 9员工辞职审批表 . . . . . . . . . . . . . . . . . . . . . . . . . . . . . . . . . . . . . . . . . . . . . . . . . . . . . . . . . . . . . . . . . . . . . . . . . . . . . 2 0员工辞退、辞职结算汇签表 . . . . . . . . . . . . . . . . . . . . . . . . . . . . . . . . . . . . . . . . . . . . . . . . . . . . . . . . . . 2 1员工内部调动审批表 . . . . . . . . . . . . . . . . . . . . . . . . . . . . . . . . . . . . . . . . . . . . . . . . . . . . . . . . . . . . . . . . . . . . . .2 2员工内部调动交接表 . . . . . . . . . . . . . . . . . . . . . . . . . . . . . . . . . . . . . . . . . . . . . . . . . . . . . . . . . . . . . . . . . . . . . .2 3调令 . . . . . . . . . . . . . . . . . . . . . . . . . . . . . . . . . . . . . . . . . . . . . . . . . . . . . . . . . . . . . . . . . . . . . . . . . . . . . . . . . . . . . . . . . . 2 4调令 . . . . . . . . . . . . . . . . . . . . . . . . . . . . . . . . . . . . . . . . . . . . . . . . . . . . . . . . . . . . . . . . . . . . . . . . . . . . . . . . . . . . . . . . . . 2 4辞退人员工资单 . . . . . . . . . . . . . . . . . . . . . . . . . . . . . . . . . . . . . . . . . . . . . . . . . . . . . . . . . . . . . . . . . . . . . . . . . . . . . 2 5工资表 . . . . . . . . . . . . . . . . . . . . . . . . . . . . . . . . . . . . . . . . . . . . . . . . . . . . . . . . . . . . . . . . . . . . . . . . . . . . . . . . . . . . . . . . . . . . . 2 6工资情况汇总表 . . . . . . . . . . . . . . . . . . . . . . . . . . . . . . . . . . . . . . . . . . . . . . . . . . . . . . . . . . . . . . . . . . . . . . . . . . . . . 2 7员工分类分级工资标准 . . . . . . . . . . . . . . . . . . . . . . . . . . . . . . . . . . . . . . . . . . . . . . . . . . . . . . . . . . . . . . . . . . 2 8 附加各类人事表格:一、人事变更报告单二、人事部门绩效评价样表三、人事部门月报表四、人事部年初招聘计划报批表五、人事部年度招聘计划报批表六、人事档案 ---- 岗位职务说明书七、人事档案 ---- 管理人才储备表八、人事档案管理制度九、人事档案 ---- 人事变动申请表十、人事档案 ---- 人事变更报告单十一、人事档案 ---- 人事部门月报表十二、人事档案 ---- 人事登记表十三、人事档案 ---- 人事动态及费用资料表十四、人事档案 ---- 人事管理制度样例十五、人事档案 ---- 人事考核制度十六、人事档案 ---- 人事流动月报表十七、人事档案 ---- 人事日报表十八、人事档案 ---- 人事资料表十九、人事档案 ---- 人事资料记录表二十、人事档案 ---- 人事作业程序二十一、人事档案 ---- 员工培训计划二十二、人事档案 ---- 员工人事资料卡二十三、人事档案 ---- 员工招聘申请书二十四、人事档案 ---- 员工职位变动通知单二十五、人事档案 ---- 增补人员申请书二十六、人事动态及费用资料表二十七、人事管理的程序与规则 1 0 1 0 1 0 1 0二十八、人事管理的程序与规则 ---- 人事管理规章二十九、人事管理的程序与规则 ---- 人事管理制度三十、人事管理的程序与规则 ---- 人事作业程序三十一、人事管理的程序与规则 ---- 事务处理准则三十二、人事管理调查表 1111三十三、人事管理调查表 2222三十四、人事管理工作事项责权划分表三十五、人事管理工作责权划分表三十六、人事管理规定三十七、人事管理规则-事务处理准则三十八、人事管理规章三十九、人事管理规章制度四十、人事管理者心理素质完全手册四十一、人事管理制度四十二、人事管理制度样例四十三、人事经理工作职责和工作分析计划四十四、人事决策权一览表四十五、人事考核的重点四十六、人事考核规程四十七、人事考核 ― ― 能力考核四十八、人事考核 ― ― 态度考核四十九、人事考核制度范例五十、人事考绩要素定义表五十一、人事考评表 1111五十二、人事考评表 2222五十三、人事理念与人事政策的订立五十四、人事流动月报表五十五、人事权限划分表五十六、人事日报表五十七、人事通知单(二)五十八、人事通知单(一)五十九、人事资料记录表六十、人员测评-高智商,责任心?六十一、人员的招聘、筛选与录用六十二、人员调动申请单六十三、人员调配方法六十四、人员录用通知书六十五、人员录用政策及程序六十六、人员试用标准六十七、人员需求估计表六十八、人员需求申请表六十九、人员异动记录簿七十、人员增补申请表七十一、人员增减申请书应聘人员登记表姓名性别出生年月籍贯照片民族婚姻文化程度身高详细地址户口所在地本人简历工作经历应聘何种职务有何特长技能联系电话对应聘人员评价考官签字人力资源部总经理填表日期:招聘员工审批表年月日部门现有人数拟招聘人数及岗位招聘原因部门经理签字:年月日拟聘岗位条件支持。
人事部SOP流程◇人员招聘甑选流程:一、各部门将部门需求人员明细报人事部,人事部拟订招募计划,内容包括:1、招募职位名称及名额。
2、资格条件限制。
3、拟定招募方式。
4、确定资料审核方式及办理日期(招聘截止日期)。
5、甄试方式及进程安排(含部门负责人面谈安排)。
6、场地安排。
7、准备事项(通知单、公司宣传资料等)。
二、招募:人事部按照拟定好的诉求方式将招募消息告诉大众及求职人,如:登报征求、网上招聘、同仁推荐等。
三、应征信处理:1. 审核收到应征资料,通知合格应征者前来本公司接受面试。
2. 不合格应征资料,归档一个月后销毁。
四、面试:1、由人事经理、申请部门经理、总经理分别或共同对应聘者进行面试,并填写《面试记录表》。
2、部分需要进行笔试的岗位要先进行笔试,笔试通过以后在进入面试阶段。
专业测验由申请部门拟订试题。
3、分析《面试记录表》,由面试小组成员确定进入复试的人员。
4、确定复试的时间,通知合格者前来参加复试。
五、背景调查:经面试合格,初步决定的人选,视情况应做有效的背景核查。
六、结果评定:经评定录取人员,由人事部和部门经理商榷报到日期后电话通知录取人员,并安排职前训练有关准备工作。
◇新员工入职流程:一、新员工入职需向人事部提供身份证、学历证明(大学本科及以上需提供学位证书)、职称证明的复印件,填写《入职登记表》及保密保证书,如实、准确的填报个人资料,还需提供1、一寸相片两张;2、招商银行帐号(账号和身份证件复印在一张A4纸上,必须清晰);3、社保卡号,如没有社保卡号则需提交社保相片回执单。
二、当个人资料有以下更改或补充时,请员工于一星期内填写《个人情况变更申报表》,交人事部,以确保与员工有关的各项权益:A、姓名;B、家庭地址和电话电码;C、出现事故或紧张情况时的联系人;D、培训结业或进修毕业。
三、提倡正直诚实,并保留审查员工所提供个人资料的权利,如有虚假,将立即被终止试用并解除劳动合同,公司保留追究责任的权利。
人事作业程序- 前言第一条依据本公司办事细则第十九条规定办理。
第二条为使本公司人事作业正轨化、制度化,能在有序可循的情况下,使本公司人事统一、脉络一贯,并加强人事部门与各部门间的了解,借以更密切配合,提高工作效率,特制订本程序。
- 主办第三条人事作业负责单位隶属于管理部(科),设科长一人,承上级之命,负责下列全盘人事业务。
(一)依据公司业务需要,研究组织职责及权责划分的改进方案。
(二)配合公司经营目标,依据人力分析及人力预测的结果,拟订人力资源发展计划及人员编制数额,并根据人力发展计划,筹划各项教育及训练。
(三)设计、推行及改进人事管理制度及其作业流程,并确保其有效实施。
(四)经与各单位主管会商,拟定每一职位的工作标准及其所需资格、条件,以求适才适所。
(五)依生活水准、薪资市场情况及公司政策,建议研订合理的员工待遇。
(六)制定各项员工福利与工作安全措施,并维持员工与公司间和谐关系。
第肆条人事科另设专员及办事员各若干名,分别负责下列工作(一)专员:1. 行政公文处理;2. 员工征信调查及对保工作;3. 招募行政工作;4. 考绩行政工作。
(二)办事员:1. 资料档案管理;2. 劳保行政工作;3. 考勤行政工作。
第五条人事科组织关系(一)受秘书处主任指挥及监督,并向其直接报告。
(二)以诚恳友善态度与其他单位协调、联系,并就其所提出的有关本单位工作的询问、质疑予以解答。
(三)在权限内督导各部门有关人事事宜。
(四)为达成本单位的任务,与其他有关方面建立并保持必要的联络。
- 组织第六条为了完成本公司的任务与目标,而将应处理的工作做适当分配安排,对所有员工有效运用,制定本公司“组织系统表”,并视情况每年定期检查修订。
- 体制第七条区分组织中纵的性质与横的程度及其交错的结构体制,据此而设定本公司“职位(等)及职称配置表”作为人事管理基础。
- 工作分析第八条公司确立组织体制及人事措施实行前,须将各项工作职责的任务,以及工作人员的条件等予以分析研究,做成“职务说明书”作为人事行政的依据。
- 分层负责第九条为明确划分各层人员的人事权责,拟定“人事权限划分表”,表中所列的权责,各层人员均应确实负责办理,不得借词推诿,实施时如遇困难或特别事情发生,应向上一级人员请示后予以处理。
- 编制第十条本公司为推行业务及基于人事预算控制,对各部门可设职称及可用员额予以规定,订立各单位“员额编制表”并视情况每年定期检查修订。
- 人力控制第十一条根据编制,本公司定期召开人力检查会,就现有人员适职与否、流动率、缺勤情况及应储备人力及需求人力做正确、客观的检查建议,作为人事科研订人力计划,办理开拓人力来源的参考依据。
第十二条人员拨补申请作业程序如下(一)各单位如须增补人员,先至人事科领取“人员拨补申请单”填妥后,汇人事科办理。
(二)人事科接到申请单后,应调查所申请人员是否为编制内所需求,其职位薪资预算是否在控制内,其需要时机是否恰当等问题。
(三)人事科调查后,即就申请人员的来源做正确的拟办建议,呈总经理核准后,根据指示办理招募预备工作。
(四)人员拨补申请单经批示完毕后,均应转回申请单位,人事科凭副本办理。
- 招募甄试第十三条人员招募作业程序如下(一)人事科收集人员拨补申请单至一定时期,即行拟订招募计划,内容包括下列项目:1. 招募职位名称及名额;2. 资格条件限制;3. 职位预算薪金;4. 预定任用日期;5. 通报稿或登报稿(诉求方式)拟具;6. 资料审核方式及办理日期(截止日期);7. 甄试方式及时程安排(含面谈主管安排);8. 场地安排;9. 工作能力安排;10. 准备事项(通知单、海报、公司宣传资料等)。
(二)诉求:即将招募消息告诉大众及求职人,如下:1. 登报征求:先拟广告稿,估计刊登费,决定刊登何报、何时,然后联络报社。
2. 同仁推荐:以海报或公告方式进行。
(三)应征信处理:1. 诉求消息发出后,会收到应征资料,经审核后,对合格应征者发出“初试通知单”及“甄选报名单”,通知前来本公司接受甄试。
2. 不合格应征资料,归档一个月后销毁,但有要求退件者,应给予退件。
为了给社会大众一个好的印象,对所有未录取者发出“谢函”也是应有的礼貌。
(四)甄试:新进人员甄选考试分笔试及面谈。
1. 笔试包括下列:(1)专业测验(由申请单位拟订试题);(2)定向测验;(3)领导能力测验(适合干部级);(4)智力测验。
2. 面谈:由申请单位主管、人事主管、核定权限主管分别或共同面谈,面谈时应注意:(1)要尽量使应征人员感到亲切、自然、轻松;(2)要了解自己所要获知的答案及问题点;(3)要了解自己要告诉对方的问题;(4)要尊重对方的人格;(5)将口试结果随时记录于“面谈记录表”。
3. 如初次面谈不够周详,无法做有效参考,可再发出“复谈通知单”,再次安排约谈。
(五)背景调查:经甄试合格,初步决定的人选,视情况应做有效的背景调查。
(六)结果评定:经评定未录取人员,先发出谢函通知,将其资料归入储备人才档案中,以备不时之需,经评定录取人员,由人事主管及用人主管会商进用日期后发给“报到通知单”,并安排职前训练有关准备工作。
(七)注意事项:应征资料的处理及背景调查时应尊重应征人的个人隐私权,注意保密工作。
- 任用第十四条经核定录用人员,由人事科依据甄选报名单发给“报到通知单”,请他于报到时携带下列资料:(一)保证书;(二)服务自愿书;(三)员工资料卡;(四)相片六张;(五)户籍誊本;(六)身份证复印件;(七)体检表;(八)扶养亲属申报表;(九)学历证件复印件。
(以上应缴资料视情况可增减)第十五条干部人员任用,视情况可发给“聘任书”。
第十六条新进人员于报到日,人事科即发给“报到程序单”,并检收其应缴资料,若资料不全,应限期补办,否则首月薪资可暂扣发。
第十七条人事科随后应亲切有礼地引导新进人员依报到程序单上的顺序,逐项协助办理下列:(一)领取员工手册及识别证;(二)制考勤卡并解释使用;(三)领制服及制服卡(总务科主办);(四)领储物柜锁匙(总务科主办);(五)若有需要,填“住宿申请单”;(六)登记参加劳保及参加工会;(七)视情况引导参观各单位及安排职前训练。
第十八条前条逐项办理完毕后,人事科即填制“新进人员简介及到职通知”,引导新进人员向单位主管报到,由单位主管收存到职通知后依“职前介绍表”逐项给予说明,并于报到程序单上签章交回人事科,表示人员报到完毕。
第十九条人事科依据报到程序单随后应办理下列事项:(一)填“人员异动记录簿”。
(二)登记人事科管理用的“人员状况表”。
(三)干部人员发布“干部到职通报”。
(四)登记对保名册,安排对保。
(五)填制“薪资通知单”办理核薪。
(六)收齐报到应缴资料(扶养亲属申报表转会计科)连同甄选报名单建立个人资料档案,编号列管。
- 对保第二十条新进人员报到上班后,应实施第一次对保,以后每年度视必要复对一次,并予记录。
第二十一条对保分亲自对保及通信对保。
第二十二条被保人如无故离职,移交不清,本公司应发出“保证责任催告函”。
第二十三条有关对保作业,应另参照人事管理规章中有关规定办理。
- 试用第二十四条新进人员试用期为三个月(作业员为40天),届满前一周由人事单位提供“考核表”,分甲(干部人员)、乙(一般人员)两种,并登记被考核人试用期间出勤资料,依人事权限划分表顺序,逐级考核。
第二十五条人事单位根据考核表发给“试用期满通知”。
第二十六条人事单位发出试用期满通知后,并依不同的批示,分别办理下列事项:(一)试用不合格者,另发给通知单。
(二)调(升)职者,由人事单位办理异动作业。
(三)薪资变更者,由人事单位填制“薪资通知单”办理调薪。
第二十七条前条办理完毕后,考核表应归入个人资料袋中。
第二十八条新进人员在试用期中,表现不合要求,单位主管认为有必要停止试用时,可立即提前办理考核,并签人事异动申请单,报请权限主管核定停止试用。
- 异动第二十九条晋升(升职、升等、升级)及降级由申请人填写“人事异动申请单”及办理临时考核,转人事单位签注意见后,呈权限主管批示。
第三十条调职由申请人填写“人事异动申请单”送调职单位会签,转人事单位签注意见后,呈权限主管核定。
第三十一条未批准的升、降、调申请单退回申请单位。
经批准的申请单则由人事科依据发布“人事异动通知”,副本抄送申请单位及本人,并限期办理业务移交手续,履任新职。
若职称异动或单位异动,副本应抄发会计单位,通知变更薪资名册。
第三十二条经批准异动案件,涉及调整薪资者,人事科应根据人事异动申请单批示,填制“薪资通知单”办理调薪,呈核后转会计单位作业。
第三十三条资遣(一)凡符合于资遣规定者,由人事主管与单位主管商定后填写人事异动申请单签注原因转呈总经理核准,然后发给“资遣通知单”(副本抄送会计单位核发资遣费)及“离职通知单”通知办理离职手续,办妥后始可发给资遣费。
(二)资遣作业应另参照人事管理规章中有关规定办理。
第三十四条留职停薪(一)人员有留职停薪的需要时,可由申请人填写人事异动申请单并经人事主管调查符合留职停薪申请规定后,转呈总经理核准发给“留职停薪通知单”及离职通知单,通知办理离职手续。
(二)留职停薪期满时,当事人应到公司填写人事异动申请单申请复职或延长期限,凡未办理者,视同免职。
(三)留职停薪人员,概不保留底缺,申请复职时,如原服务单位无缺额或业务上已无需要时,则不准复职,视同免职。
(四)留职停薪作业应另参照人事管理规章中有关规定办理。
第三十五条免职(一)凡合于免职规定者,可由单位主管或人事科填写人事异动申请单会签意见后,呈总经理核准,发给离职通知单通知办理离职手续并核发薪资。
(二)免职申请应参照人事管理规章中有关规定办理。
第三十六条经批准离职案件,人事科应填制薪资通知单办理停薪,转会计科作业。
第三十七条人事单位应依据人事异动申请表逐日整理办理下列工作:(一)填入人员异动记录簿内。
(二)登记于个人资料卡内(离职人员,其资料应予归档另行保管)。
(三)修正人事单位管理人员状况表。
- 请假第三十八条员工因故请假,应至人事科领取个人专用请假卡,依人事权限划分表逐级呈核,再转回人事单位登记于考勤表上。
第三十九条休假作业应另参照休假办法有关规定办理。
- 考勤第四十条本公司除特定人员外,均须于警卫室设置打卡单。
第四十一条各单位主管应于月终前将下月份本单位工作时间表送人事科备查;人事科收集各单位一级主管干部人员出勤时间表呈总经理核阅。
(如非轮班人员,每月工作时间固定者不必再排时间)第四十二条如需变更出勤与轮休时间,或补充新进人员出勤时间,应填“出勤时间调整单”,经权限主管核准后,转人事单位登记备查。
第四十三条员工因故延长上班时间或于假日出勤,先至人事单位领取“加班报告单”,经权限主管核准后转人事单位查核并登记于考勤表上。