钢结构中钢材选用的标准
- 格式:doc
- 大小:25.50 KB
- 文档页数:15
钢结构质量控制要点钢结构是一种重要的建造结构形式,广泛应用于工业厂房、大型商业建造和桥梁等工程中。
为了确保钢结构的质量,需要进行有效的质量控制。
下面将详细介绍钢结构质量控制的要点。
一、材料选用1. 钢材质量:钢材应符合国家标准要求,具有足够的强度和韧性,能够满足设计要求。
2. 钢板表面质量:钢板表面应平整、光滑,不得有明显的划痕、凹陷和腐蚀等缺陷。
3. 焊材质量:焊材应符合国家标准要求,具有良好的焊接性能和强度。
二、焊接质量控制1. 焊接工艺:根据钢结构的设计要求,选择适当的焊接工艺,确保焊缝的质量。
2. 焊工技术:焊工应具有相应的资质证书,并熟练掌握焊接技术,确保焊接质量。
3. 焊接材料:选择合适的焊接材料,确保焊缝的强度和可靠性。
三、创造过程控制1. 钢结构创造过程应按照设计图纸和相关规范进行操作,确保尺寸和形状的准确性。
2. 创造工艺:采用适当的创造工艺,包括切割、钻孔、焊接等,确保工艺操作的准确性和质量。
3. 检测与测量:使用合适的检测设备和测量工具,对创造过程中的尺寸、角度等进行检测和测量,确保符合设计要求。
四、安装质量控制1. 安装工艺:根据设计要求和施工图纸,制定合理的安装工艺,确保安装的准确性和稳定性。
2. 安装顺序:按照先大后小、先重后轻的原则进行安装,确保结构的整体稳定性。
3. 紧固件质量:选择合适的紧固件,确保其质量和强度,防止因紧固件松动导致安装质量问题。
五、质量检验1. 钢结构在创造和安装完成后,应进行质量检验,包括外观检查、尺寸检测、焊缝检测等。
2. 检验标准:根据国家标准和相关规范,制定合理的检验标准,确保钢结构的质量符合要求。
3. 检验记录:对每一项检验结果进行记录,包括检验日期、检验人员、检验结果等,以备查证。
六、质量保证体系1. 建立质量保证体系,包括质量手册、程叙文件等,明确质量控制的责任和流程。
2. 培训与管理:对相关人员进行培训,提高其质量控制的意识和能力;加强对施工现场的管理,确保质量控制措施的有效实施。
在建筑钢结构工程的钢材选用是至关重要的,因为钢是非常好的建筑材料,一般会选择高质量、耐用的钢材,这样做的目的也是为了保证之后的结构建筑有更长的使用寿命。
所以做好工程尽量采购选用预制涂层好的钢材,因为钢材表面涂层的质量对使用的耐久性至关重要。
如果没有适当的涂层,钢在暴露于潮湿和其他环境因素时就容易腐蚀。
低质量的钢材通常是使用的劣质涂层进行浸渍或喷涂,这些涂层可能持续不了多久后就需要重新喷涂。
而有着高质量的防护涂层和无机漆面的钢材,只要表面没有划伤或划伤,钢材将会非要耐用并且难以被腐蚀。
三、配件和紧固件既然选择了高质量的钢,则不要选择劣质紧固件或低质量钢配件而导致钢材损坏和雨水渗漏。
因为那些生锈和氧化的紧固件和失效的垫圈会使湿气进入面板,造成的损伤,而需要修复。
同时劣质的紧固件还会导致外墙染上锈水的颜色以及条纹的问题,严重印象美观,长期持续下去不维护更换紧固件还会导致安全问题。
钢结构的材料选用原则是保证承重结构的承载能力和防止在一定条件下出现脆性破坏,根据结构的重要性、荷载特征、结构形式、应力状态、连接方法、钢材厚度和工作环境等因素综合考虑的。
《钢结构设计规范》GB50017-2003提出的四种钢材型号是“宜”使用的型号,是在条件许可时的首先选择,并不禁止其它型号的使用,只要使用的钢材满足规范的要求即可。
安徽宏俊钢结构有限公司是一家集钢结构加工制作、设计和施工安装于一体的综合性企业,具有国家钢结构专业承包贰级资质。
公司主要从事钢结构、轻钢厂房、钢网架、彩钢压型板、彩钢复合板等产品的设计、制作、施工及配套产品的生产和销售。
公司以国家优惠政策为向导,坚持以人为本,把握市场规律,恪守优良的质量和服务理念;以科技为先导、质量管理为中心,用全新的姿态步入新世纪高新建筑安装钢结构的各个领域。
近年来,公司承建省内外钢结构工程100余项,产品覆盖安徽、湖北、江西、河南等多个省市,深受广大客户的好评,赢得了良好的信誉度。
钢结构工程施工的标准钢结构工程施工是现代建筑行业中的一项重要工作。
为确保施工质量和安全,有必要制定一系列标准和规范。
本文将介绍钢结构工程施工的标准,并对每一个标准进行详细描述。
一、材料选择和检验标准1. 钢材选用标准:在钢结构工程施工中,需要选用质量优良、符合相关国家标准的钢材。
钢材的选用要考虑其力学性能、耐久性、可焊性等因素。
2. 强度检验标准:所有使用的钢材都必须进行强度检验,以确保其达到设计要求。
常见的检验方法包括拉伸试验、冲击试验等。
3. 表面处理标准:钢材的表面处理应符合相关标准要求,例如喷漆、防锈处理等。
表面处理的质量直接影响到钢结构的使用寿命和美观度。
二、施工准备和安全标准1. 基坑开挖标准:在进行钢结构施工前,需要进行基坑的开挖。
开挖深度、土质检验、支护结构等都需要符合相关标准,以确保基坑的稳定性和施工安全。
2. 地基处理标准:钢结构工程的地基处理需要进行合理的设计和施工。
地基处理的标准包括改良土质、加固地基等,以增强地基的承载能力。
3. 安全防护标准:在钢结构施工过程中,必须严格遵守相关安全防护标准。
这包括施工人员佩戴安全帽、安全绳等,同时加强对施工现场的监督和管理,确保施工安全。
三、焊接和连接标准1. 焊工资格标准:进行钢结构焊接工作的焊工必须具备相应的资格证书,并符合相关国家标准要求。
焊工的技术水平和经验直接关系到焊接质量和工程的安全性。
2. 焊接材料标准:选用适合的焊接材料是保证焊接质量的重要因素。
焊接材料必须符合相关标准,包括焊条、焊丝等。
3. 连接方法标准:钢结构的连接方式有多种,如螺栓连接、焊接连接等。
每一种连接方法都需要严格按照相关标准进行,以确保连接的牢固和稳定。
四、质量控制和验收标准1. 质量控制标准:在钢结构施工过程中,需要建立完善的质量控制体系,包括原材料的检验、施工过程的控制等。
所有的质量控制必须按照相关标准进行,以确保施工质量。
2. 施工记录和检查标准:施工过程中的记录和检查是进行质量评估和验收的重要依据。
钢结构技术1高性能钢材应用技术1.1技术内容选用高强度钢材(屈服强度ReL≥390Mpa),可减少钢材用量及加工量,节约资源,降低成本。
为了提高结构的抗震性,要求钢材具有高的塑性变形能力,选用低屈服点钢材(屈服强度ReL=IOO-225Mpa)o国家标准《低合金高强度结构钢》GB/T1591中规定八个牌号,其中Q390、Q420、Q460、Q500、Q550、Q620、Q690属高强钢范围;《桥梁用结构钢》GB/T714有九个牌号,其中Q420q>Q460q>Q500q>Q550q.Q620q、Q690q属高强钢范围;《建筑结构用钢》GB/T19879有Q390GJ>Q420GJ>Q460GJ三个牌号属于高强钢范围;《耐候结构钢》GB/T4171,有Q415NH、Q460NH.Q500NH.Q550NH属于高强钢范围;《建筑用低屈服强度钢板》GB/T28905,有LYIO0、LYl60、LY225属于低屈服强度钢范围。
1.2技术指标钢厂供货品种及规格:轧制钢板的厚度为6-400mm,宽度为1500-4800mm,长度为6000-25000mm o有多种交货方式,包括:普通轧制态AR控制轧制态CR正火轧制态NR、控轧控冷态TMCP、正火态N、正火加回火态N+T、调质态QT等。
建筑结构用高强钢一般具有低碳、微合金、纯净化、细晶粒四个特点。
使用高强度钢材时必须注意新钢种焊接性试验、焊接工艺评定、确定匹配的焊接材料和焊接工艺,编制焊接工艺规程。
建筑用低屈服强度钢中残余元素铜、格、银的含量应各不大于0.30%o成品钢板的化学成分允许偏差应符合GB/T222的规定。
1.3适用范围高层建筑、大型公共建筑、大型桥梁等结构用钢,其它承受较大荷载的钢结构工程,以及屈曲约束支撑产品。
2钢结构深化设计与物联网应用技术2.1技术内容钢结构深化设计是以设计院的施工图、计算书及其它相关资料为依据,依托专业深化设计软件平台,建立三维实体模型,计算节点坐标定位调整值,并生成结构安装布置图、零构件图、报表清单等的过程。
钢结构主要技术标准和性能要求一、规范、标准投标人应该严格按照设计图纸、技术资料要求及现行国家和地方现行施工验收、规范、标准进行施工,必须执行以下规范和技术标准,包括但不限于下列内容:《中华人民共和国建筑法》《建设工程质量管理条例》国务院令第279号《建设工程监理规范》(GB50319—2000)《建设工程项目管理规范》(GB/T50326—2001)《建设工程文件归档整理规范》(GB/T50328—2001)《建筑工程施工质量验收统一标准》(GB50300—2001)《钢结构工程施工及验收规范》(GB50205-2001)《钢结构高强度螺栓连接的设计、施工及验收规程》(JGJ82-91)《低合金高强度结构钢》(GB/T1591-94)《碳素结构钢》(GB/T 700-88)《热轧H型钢》(GB/T9946-88)《焊接H型钢》(YB3301-92)《建筑用压型钢板》(GB/T12755-91)《涂装前钢材表面锈蚀等级和除锈等级》(GB8923-88);《多功能钢铁表面处理液通用技术条件》(GB/T12612-1990);《工业建筑防腐蚀设计规范》(GB50046-95);《防腐标准》(ISO/EN 12944);《钢铁结构构件防腐保护涂层应用指南;》(BS 5493: 1997)《钢结构工程施工及验收规范》(GB 50205-95);《钢结构防火涂料应用技术规程》(CECS 24:90);《建筑构件耐火试验方法》(GB 9978-88);《钢结构防火涂料通用技术条件》(GB 14907);《建筑构件防火喷涂材料性能试验方法》(GA110);《色漆和清漆漆腊的划格实验》(SB 9286-88)。
《钢结构设计规范》(50017—2003)《钢结构高强螺栓连接的设计、施工及严守规程》(JGJ82—91)《钢结构工程施工及验收规范》(GBJ 50205—2001)《建筑钢结构焊接技术规程》(JGJ81-2002;J218-2002)《焊缝质量保证》(GB/T12467~12469-90)《钢焊缝手工超声波探伤方法和探伤结果分级》(GB/T11345-89)《钢架质量标准》(JGJ741-91)《钢架检验及验收标准》(JGJ742-91)《压型金属板设计与施工规程》(YBJ216-88)二、材料要求2.1钢材:2.1.1钢材型号及强度等级符合设计文件要求。
在钢结构工程设计中正确合理地选用钢材柴昶(冶金部建筑研究总院北京 100088)摘要:钢结构工程设计中,许多设计人员还不能很好地了解为此,介绍了结构用钢材的材质、材性以及在工程中正确合理选用钢材的要求和注意事项,以供设计参考。
关键词:选材材质性能力学性能钢号CORRECT AND RATIONAL SELECTION OF STEEL FOR ENGINEERING DESIGNOF STEEL STRUCTURESChai Chang(Central Research Institute of Building and Construction of MMI Beijing 100088) ABSTRACT Many designers of the steel structures Construction can not select the steel material correctly and rationally.Therefore, thispaper introduces the requirements and precaution for the correct and rational selection of the steel in the engineering designs,which may bea reference for designs in the future.KEY WORDS selected material property of material quality mechanical propertysteel grade近10余年来我国钢铁工业与建筑钢结构的应用都有迅速的发展,1998~2000年,我国的年钢产量已连续超过亿吨.居世界首位;而近几年内采用钢结构的工业与民用筑年平均用量,估计已超过100万m2,其中约90%以上都用了国产钢材。
8.3 建筑钢材的标准与选用建筑工程用钢有钢结构用钢和钢筋混凝土结构用钢两类,前者主要应用型钢和钢板,后者主要采用钢筋和钢丝。
一、钢结构用钢钢结构用钢主要有碳素结构钢和低合金结构钢两种。
(一)碳素结构钢(非合金钢)1.碳素结构钢的牌号及其表示方法碳素结构钢的牌号由四个部分组成:屈服点的字母(Q)、屈服点数值(N/mm2)、质量等级符号(A、B、C、D)、脱氧程度符号(F、B、Z、TZ)。
碳素结构钢的质量等级是按钢中硫、磷含量由多至划分的,随A、B、C、D的顺序质量等级逐级提高。
当为镇静钢或特殊镇静钢时,则牌号表示“Z”与“TZ”符号可予以省略。
按标准规定,我国碳素结构钢分五个牌号,即Q195、Q215、Q235、Q255和Q275。
例如Q235—A·F,它表示:屈服点为235N/mm2的平炉或氧气转炉冶炼的A级沸腾碳素结构钢。
2.碳素结构钢的技术要求按照标准GB700—88规定,碳素结构钢的技术要求包括化学成分、力学性能、冶炼方法、交货状态、表面质量等五个方面。
各牌号碳素结构钢的化学成分及力学性能应分别符合表8.3.1、表8.3.2的要求。
表8.3.1 碳素结构钢的化学成分(GB700-88)表8.3.2 碳素结构钢的力学性能(GB700-88)3.碳素结构钢各类牌号的特性与用途建筑工程中常用的碳素结构钢牌号为Q235,由于该牌号钢既具有较高的强度,又具有较好的塑性和韧性,可焊性也好,故能较好地满足一般钢结构和钢筋混凝土结构的用钢要求。
相反用Q195和Q215号钢,虽塑性很好,但强度太低;而Q255和Q275号钢,其强度很高,但塑性较差,可焊性亦差,所以均不适用。
Q235号钢冶炼方便,成本较低,故在建筑中应用广泛。
由于塑性好,在结构中能保证在超载、冲击、焊接、温度应力等不利条件下的安全:并适于各种加工,大量被用作轧制各种型钢、钢板及钢筋。
其力学性能稳定,对轧制、加热、急剧冷却时的敏感性较小。
习题2.1简述建筑钢结构对钢材的要求、指标,规范推荐使用的钢材有哪些?2.2衡量材料力学性能的好坏,常用那些指标?它们的作用如何?2.3哪些因素可使钢材变脆,从设计角度防止构件脆断的措施有哪些?2.4碳、硫、磷对钢材的性能有哪些影响?2.5什么是钢材的可焊性?影响钢材可焊性的化学元素有哪些?2.6钢材的力学性能为何要按厚度(直径)进行划分?2.7钢材中常见的冶金缺陷有哪些?2.8随着温度的变化,钢材的力学性能有何变化?2.9什么情况下会产生应力集中,应力集中对材性有何影响?2.10什么是疲劳断裂?它的特点如何?简述其破坏过程2.11快速加荷对钢材的力学性能有何影响?2.12选择钢材应考虑的因素有哪些?2.13什么是冷工硬化(应变硬化)、时效硬化?习题3.1简述构件截面的分类,型钢及组合截面应优先选用有哪一种,为什么份3.2梁的强度计算有哪些内容?如何计算?3.3什么叫梁的内力重分布,如何进行塑性设计?3.4拉弯和压弯构件强度计算公式与其强度极限状态是否一致?3.5为什么直接承受动力荷载的实腹式拉弯和压弯构件不考虑塑性开展,承受静力荷载的同一类构件却考虑塑性开展?格构式构件考虑塑性开展吗?3.6截面塑性发展系数的意义是什么?试举例说明其应用条件。
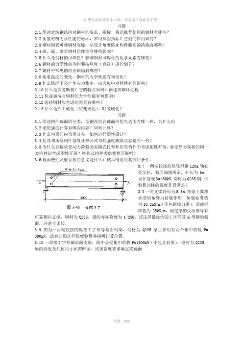
3.7一两端铰接的热轧型钢120a轴心Array受压柱,截面如图所示.杆长为6m,设计荷载N=450kN.钢材为Q235钢,试验算该柱的强度是否满足?3.8一简支梁跨长为5.5m,在梁上翼缘承受均布静力荷载作用,恒载标准值为10.2kN/m(不包括梁自重),活载标准值为25kN/m,假定梁的受压翼缘有可靠侧向支撑,钢材为Q235,梁的容许挠度为1/250,试选择最经济的工字形及H型钢梁截面,并进行比较。
3.9图为一两端铰接的焊接工字形等截面钢梁,钢材为Q235梁上作用有两个集中荷载P=300kN。
试对此梁进行强度验算并指明计算位置。
3.10一焊接工字形截面简支梁,跨中承受集中荷载P=1500kN(不包含自重),钢材为Q235,梁的跨度及几何尺寸如图所示。
钢结构设计构造要求一、钢结构设计的基本要求设计钢结构时,应从工程项目的实际情况出发,合理选用材料、结构方案和构造措施,满足结构构件在制造、运输、安装和使用过程中的强度、稳定性和刚度要求;并应优先使用通用的、标准化的结构和构件,减少制作和安装工作量。
根据现行相关规范,一般采用承载能力的极限状态进行设计计算,在设计中需要考虑可能的荷载效应组合。
钢结构的设计除了按照规范要求进行强度计算外,还应该对结构构件进行变形的设计,以满足构件在刚度和稳定上的基本要求。
二、钢结构构造的内容1、构件选材的要求1.1、钢结构设计选材应根据结构受力和构造特性选用符合国家标准的钢材,Q235、Q345、Q390和Q420等。
对于特殊结构应选用特殊的钢材,如销轴可选用硬度较高的45#钢等。
1.2、构件的截面尺寸不宜小于∠45×4或∠56×36×4(焊接结构)或∠50×5(螺栓连接),但轻型钢结构不受此限。
1.3、受力构件钢板不宜小于4mm,钢管璧厚不宜小于3mm。
1.4、梁及受压构件的最大宽厚比可参照《钢结构设计规范》中的稳定性要求选用。
圆钢管的外径与璧厚之比不应超过方钢管和矩形钢管的最大外缘尺寸与璧厚比不应超过2、结构受力要求的构造,结构稳定性要求的构造2.1、杆件的长细比结构构件应具有足够的刚度,以防构件在搬运、安装和使用期内发生弯曲,因此,必须对构件的长细比加以限制。
如果长细比过大,则容易在搬运过程中产生弯曲,对受压构件而言,这种弯曲增加了作用力的偏心距,构件易早期失稳,从而使强度降低。
因此规范的构件计算中对长细比进行了严格的要求(参见《钢结构设计规范-GB 50017-2003》)。
2.2、构件的变形为了不影响结构或构件的正常使用,设计时应对结构或构件的变形(挠度或侧移)规定相应的限值。
不同的结构变形的限值应有区别。
对较为重要的受力结构,如龙门吊机、工作平台、行车的施工栈桥、现浇支架、现浇挂篮等的变形应有严格的控制(参见《钢结构设计规范-GB 50017-2003》);对于施工中的辅助结构,如箱梁内模、脚手架、临时便桥、围堰等的变形限制在不影响正常使用的情况下可适当放宽要求。
钢结构通用规范GB55006住房和城乡建设部关于发布国家标准《钢结构通用规范》的公告现批准《钢结构通用规范》为国家标准,编号为GB 55006-2021,自2022年1月1日起实施。
本规范为强制性工程建设规范,全部条文必须严格执行。
现行工程建设标准相关强制性条文同时废止。
现行工程建设标准中有关规定与本规范不一致的,以本规范的规定为准。
本规范在住房和城乡建设部门户网站()上发布,由住房和城乡建设部标准与定额研究所在中国建筑出版传媒上发布。
住房和城乡建设部2021年4月9日废止的现行工程建设标准相关强制性条文1.《钢结构设计标准》GB 50017-2017第4.3.2、4.4.1、4.4.3、4.4.4、4.4.5、4.4.6、18.3.3条2.《冷弯薄壁型钢结构技术规范》GB 50018-2002第3.0.6、4.1.3、4.1.7、4.2.1、4.2.3、4.2.4、4.2.5、4.2.7、9.2.2、10.2.3条3.《高耸结构设计标准》GB 50135-2019第5.1.2、7.1.5条4.《构筑物抗震设计规范》GB 50191-2012第3.7.2(3)、5.1.1、7.7.7、8.2.14、8.2.15、9.2.3(1)、9.2.15(2)、10.2.7、10.2.10、10.2.15、11.2.8、12.2.7、13.2.8、22.2.4、22.2.9、22.2.11、22.4.5、24.2.4、24.2.11、24.3.5条(款)5.《钢结构工程施工质量验收标准》GB 50205-2020第4.2.1、4.3.1、4.4.1、4.5.1、4.6.1、4.7.1、5.2.4、6.3.1、8.2.1、11.4.1、13.2.3、13.4.3条6.《粮食钢板筒仓设计规范》GB 50322-2011第4.1.1、4.2.3、5.1.2、5.5.3(3)、6.4.2条(款)7.《钢结构焊接规范》GB 50661-2011第4.0.1、5.7.1、6.1.1、8.1.8条8.《钢结构工程施工规范》GB 50775-2012第11.2.4、11.2.6条9.《钢筒仓技术规范》GB 50884-2013第4.1.1、4.2.2、5.1.2、6.1.2条10.《机械工业厂房结构设计规范》GB 50906-2013第5.3.2、6.1.7、9.1.8(5)、9.6.12(9)条(款)11.《高耸与复杂钢结构检测与鉴定标准》GB 51008-2016第3.1.2、8.1.2条12.《门式刚架轻型房屋钢结构技术规范》GB 51022-2015第14.2.5条13.《高耸结构工程结构施工质量验收规范》GB 51203-2016第4.5.1、5.2.5、5.7.4条14.《空间网格结构技术规程》JGJ 7-2010第3.1.8、3.4.5、4.3.1、4.4.1、4.4.2条15.《钢结构高强度螺栓连接技术规程》JGJ 82-2011第3.1.7、4.3.1、6.1.2、6.2.6、6.4.5、6.4.8条16.《高层民用建筑钢结构技术规程》JGJ 99-2015第3.6.1、3.7.1、3.7.3、5.2.4、5.3.1、5.4.5、6.1.5、6.4.1、6.4.2、6.4.3、6.4.4、7.5.2、7.5.3、8.8.1条17.《轻型钢结构住宅技术规程》JGJ 209-2010第3.1.2、3.1.8、4.4.3、5.1.4、5.1.5条18.《低层冷弯薄壁型钢房屋建筑技术规程》JGJ 227-2011第3.2.1、4.5.3、12.0.2条19.《索结构技术规程》JGJ 257-2012第5.1.2、5.1.5条1 总则1.0.1 为保障钢结构工程质量、安全,落实资源能源节约和合理利用政策,保护生态环境,保证人民群众生命财产安全和人身健康,防止并减少钢结构工程事故,提高钢结构工程绿色发展水平,制定本规范。
浅谈钢结构用钢材的选用原则傅枞春杨开怀程艳林燕清(福建船政交通职业学院机械工程系,福建福州350007)【摘要】本文梳理了钢结构用钢材按化学成分、强度等级、供货状态等的分类方法,列出常用钢结构的钢材材质牌号,重点分析低合金高强度结构钢、建筑结构用钢、桥梁用结构钢、耐候结构钢等钢材的性能特点,指出钢结构用钢材应该按照使用用途来选用,并综合考虑结构重要性、静态或动态荷载性质、服役温度和腐蚀环境等因素。
【关键词】钢结构钢材选用原则Discussion on the Material Selection of Structural SteelFu Congchun,Yang Kaihuai,Cheng Yan,Lin Yanqing(Department of Mechanical Engineering,Fujian Chuanzheng Communications College,Fuzhou 350007,China )【Abstract 】Material grading for steel structures is listed and analysed according to chemical cmposition,tensile strength grade and supply status,which including low-alloy high strength structural steel,building structural steel,structural steel for bridges,and weathering structural steel.Point out that steel for steel structure should be selected according to the use,and taking into account factors such as structural importance,static or dynamic load properties,service temperature,and corrosive environment.【Keywords 】structural steel;steel;selection;principle引言钢结构工程广泛应用于建筑领域,大型体育场馆、大型文化设施、交通枢纽站、钢桥梁、城市现代高层建筑等,具有规模大、技术难度高、结构新颖等特点,都依托钢结构来实现。
钢结构工程中钢材如何选用及代用原则一、钢材的选用原则各种结构对钢材各有要求,这些要求主要是针对钢材的强度、塑性、韧性耐疲劳性、焊接性能、耐锈蚀性能等。
对厚板结构、焊接结构、低温环境下结构,还应防止脆性破坏。
表1-3〜表1-5为建筑结构钢材的设计选择原则。
表1-3焊接结构钢材的设计选择原则表1-4非焊接结构钢材设计选用原则表1-5需要验算疲劳结构钢材设计选择原则二、钢材的确认与代用原则施工单位应按照设计选用钢材的钢号,根据设计对钢材的性能要求进行采购。
钢结构工程所采用的钢材必须附有钢材的质量证明书,各项指标应符合设计文件的要求和国家现行有关标准规定。
钢材代用必须与设计单位共同研究确定,并办理书面代用手续后方可实施代用,钢材的确认与代用原则如下:(1)钢号虽然满足设计要求,但生产厂提供的材质保证书中缺少设计提出的性能要求时,应做补充试验。
如钢材缺少冲击、低温、冲击试验的保证条件时,应做补充试验,合格后才能应用。
(2)钢材性能虽然满足设计要求,但钢号的质量(指标)优于设计提出的要求时,应经过设计同意并办理代用手续,保证钢材代用的安全性和经济合理性。
普通低合金钢的相互代用,如Q390钢代用Q345钢等,要更加谨慎,除机械性能满足设计要求外,在化学成分方面还应注意可焊性。
重要的结构要有可靠的试验依据。
(3)钢材的钢号和性能都与设计提出的要求不符时,如Q235钢代用Q345钢,应办理设计变更手续,按钢材的设计强度重新计算,根据计算结果改变结构构件的截面、焊缝尺寸和节点构造。
(4)钢材的化学成分检测值允许与规定的标准数值有一定的偏差,允许偏差参见表1-6。
表1-6钢材化学成分允许偏差(5)钢材机械性能所需的保证项目仅有一项不合格者,可按照以下原则处理:①当冷弯合格时,抗拉强度的上限值可以不限;②伸长率比规定的数值低1%时,允许使用,但不宜用于考虑塑性变形的构件;③冲击功值按一组3个试样值的算术平均值计算,允许其中1个试样的值低于规定值,但不得低于规定值的70%。
简述钢材的选用原则
钢材作为一种常见的建筑材料,在建筑、制造、交通运输等领域有着广泛的应用。
选择合适的钢材对于工程的质量和成本都有着重要的影响,因此选用钢材时需要遵循一定的原则。
首先,要考虑工程的使用环境和要求。
不同的工程对钢材的力学性能、耐腐蚀性能、耐磨性等都有不同的要求,因此在选用钢材时需要根据具体的使用环境和要求来选择合适的钢材材质和规格。
其次,要考虑成本和可行性。
在选择钢材时,需要综合考虑成本、加工性能和可行性等因素。
不同种类和规格的钢材价格差异较大,同时加工难度和可行性也会影响到工程的进度和成本,因此需要在成本和可行性之间做出权衡。
另外,要考虑钢材的生产和供应情况。
不同的钢材厂家生产工艺、质量和供应能力都有所不同,因此在选择钢材时需要考虑到供应商的信誉、质量和供货能力等因素,以确保工程能够按时、按质完成。
最后,要考虑工程的设计和标准要求。
在国家和行业标准的要求下,选择合适的钢材是确保工程质量的重要保障。
因此在选用钢材时需要遵循相关的设计规范和标准要求,以确保工程的安全和可靠。
总之,选择合适的钢材是确保工程质量的重要环节,需要综合考虑使用环境和要求、成本和可行性、生产和供应情况,以及设计和标准要求等因素。
只有根据实际情况综合考虑,才能选择到最合适的钢材,确保工程的质量和成本。
一、结构钢的质量等级如何选择?1. 质量等级如何确定?结构钢不同强度等级都有A~D或者E的质量等级,质量等级实际上主要代表的是材料在不同温度下的冲击韧性要求。
根据材料的标准《碳素结构钢》(GB/T 700-2006)以及《低合金高强度结构钢》(GB/T 1591-2008)的规定,Q235、Q345、Q390、Q420、Q460不同质量等级的化学成分以及力学性能如下表。
可以看出,不同牌号的钢材通过调整C、S、P的含量,实现了不同温度下的冲击韧性性能,达到了不同的质量等级。
2. 哪些是需要验算疲劳的焊接结构?《钢标》第16.1.1条及条文说明规定,直接承受动力荷载重复作用的钢结构构件及其连接(例如工业厂房吊车梁、有悬挂吊车的屋盖结构、桥梁、海洋钻井平台、风力发电机结构、大型旋转游乐设施等),当其荷载产生的应力变化的循环次数n等于或大于5×10^4次时,应进行疲劳计算。
当钢结构承受的应力循环次数小于本条要求时,可不进行疲劳计算,且可按照不需要验算疲劳的要求选用钢材。
《钢标》第16.2.4条规定,重级工作制吊车梁和重级、中级工作制吊车桁架应进行疲劳计算。
同时在条文说明中说明,“轻级工作制吊车梁和吊车桁架以及大多数中级工作制吊车梁,根据多年来使用的情况和设计经验,可不进行疲劳计算”。
二、GJ钢在何时选用?我国的《建筑结构用钢板》(GB/T 19879-2015)参考日本的SN钢材标准制定,在原钢材牌号后加GJ表示,如Q345GJ,俗称“GJ钢”,是专为高层民用建筑钢结构生产的高性能钢板。
GJ钢对钢的纯净性提出了严格的要求,大大降低了有害元素P、S元素的含量。
从而实现了强度厚度效应小(随厚度钢材强度降低程度小)、屈服点有上下限(可实现抗震既定的塑性耗能区)、保证碳当量和Z向性能(Z15、Z25、Z35)等方面的优点。
我国目前并未像日本强制性要求抗震的建筑钢结构采用GJ钢。
目前主要是《高层民用建筑钢结构技术规程》在提要求:第4.1.2条:主要承重构件所用较厚的板材宜选用高性能建筑用GJ钢板;第4.1.4条,高层民用建筑中按抗震设计的框架梁、柱和抗侧力支撑等主要抗侧力构件,钢材屈服强度波动范围不应大于120N/mm2。
钢结构中钢材选用的标准:
1.用于承重的冷弯薄壁型钢、轻型热轧型钢和钢板,应采用先行国家标准《碳素结构钢》GB/T700规定的Q235钢和《低合金高强度结构钢》GB/T1591规定的Q345钢。
2.门式刚架、吊车梁、和焊接的檩条、墙梁等构件宜采用Q235B或Q345A及以上等级的钢。
非焊接的檩条和墙梁等构件可采用Q235A钢。
当有根据时,门式刚架、檩条和墙梁可采用其他牌号的钢制作。
以上内容均根据学员实际工作中遇到的问题整理而成,供参考,如有问题请及时沟通、指正。
广州珍珠岩广东珍珠岩广东珍珠岩厂 编辑:ejdnchh。