锚杆框架梁锚杆注浆施工记录表
- 格式:xls
- 大小:28.00 KB
- 文档页数:4
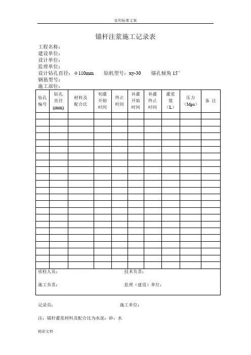
锚杆注浆施工记录表工程名称:建设单位:设计单位:监理单位:设计钻孔直径:φ110mm 钻机型号:xy-30 锚孔倾角15°钢筋型号:施工部位:记录员:施工单位:注:锚杆灌浆材料及配合比为水泥:砂:水锚杆注浆施工记录表工程名称:天立·水晶郦苑边坡治理锚喷工程建设单位:泸州市兴胜房地产开发有限公司设计单位:四川省泸州地质勘察施工公司监理单位:四川江阳工程项目管理监理有限公司设计钻孔直径:φ91mm 钻机型号:xy-30 锚孔倾角15°钢筋型号:1Φ25;Φ14连接筋φ6.5网片筋间距为:200×200施工部位:7号楼内侧1坡面记录员:施工单位:重庆市基础工程有限公司注:锚杆灌浆材料及配合比为水泥:砂:水锚杆注浆施工记录表工程名称:天立·水晶郦苑边坡治理锚喷工程建设单位:泸州市兴胜房地产开发有限公司设计单位:四川省泸州地质勘察施工公司监理单位:四川江阳工程项目管理监理有限公司设计钻孔直径:φ91mm 钻机型号:xy-30 锚孔倾角15°钢筋型号:1Φ25;Φ14连接筋φ6.5网片筋间距为:200×200施工部位:7号楼内侧2面记录员:施工单位:重庆市基础工程有限公司注:锚杆灌浆材料及配合比为水泥:砂:水锚杆注浆施工记录表工程名称:天立·水晶郦苑边坡治理锚喷工程建设单位:泸州市兴胜房地产开发有限公司设计单位:四川省泸州地质勘察施工公司监理单位:四川江阳工程项目管理监理有限公司设计钻孔直径:φ91mm 钻机型号:xy-30 锚孔倾角15°钢筋型号:1Φ25;Φ14连接筋φ6.5网片筋间距为:200×200施工部位:7号楼内侧2面记录员:施工单位:重庆市基础工程有限公司注:锚杆灌浆材料及配合比为水泥:砂:水锚杆注浆施工记录表工程名称:天立·水晶郦苑边坡治理锚喷工程建设单位:泸州市兴胜房地产开发有限公司设计单位:四川省泸州地质勘察施工公司监理单位:四川江阳工程项目管理监理有限公司设计钻孔直径:φ91mm 钻机型号:xy-30 锚孔倾角15°钢筋型号:1Φ25;Φ14连接筋φ6.5网片筋间距为:200×200施工部位:7号楼内侧2面记录员:施工单位:重庆市基础工程有限公司注:锚杆灌浆材料及配合比为水泥:砂:水锚杆注浆施工记录表工程名称:天立·水晶郦苑边坡治理锚喷工程建设单位:泸州市兴胜房地产开发有限公司设计单位:四川省泸州地质勘察施工公司监理单位:四川江阳工程项目管理监理有限公司设计钻孔直径:φ91mm 钻机型号:xy-30 锚孔倾角15°钢筋型号:1Φ25;Φ14连接筋φ6.5网片筋间距为:200×200施工部位:8楼内侧3记录员:施工单位:重庆市基础工程有限公司注:锚杆灌浆材料及配合比为水泥:砂:水锚杆注浆施工记录表工程名称:天立·水晶郦苑边坡治理锚喷工程建设单位:泸州市兴胜房地产开发有限公司设计单位:四川省泸州地质勘察施工公司监理单位:四川江阳工程项目管理监理有限公司设计钻孔直径:φ91mm 钻机型号:xy-30 锚孔倾角15°钢筋型号:1Φ25;Φ14连接筋φ6.5网片筋间距为:200×200施工部位:8号楼内侧3坡面记录员:施工单位:重庆市基础工程有限公司注:锚杆灌浆材料及配合比为水泥:砂:水锚杆注浆施工记录表工程名称:天立·水晶郦苑边坡治理锚喷工程建设单位:泸州市兴胜房地产开发有限公司设计单位:四川省泸州地质勘察施工公司监理单位:四川江阳工程项目管理监理有限公司设计钻孔直径:φ91mm 钻机型号:xy-30 锚孔倾角15°钢筋型号:1Φ25;Φ14连接筋φ6.5网片筋间距为:200×200施工部位:8楼内侧3记录员:施工单位:重庆市基础工程有限公司注:锚杆灌浆材料及配合比为水泥:砂:水锚杆注浆施工记录表工程名称:天立·水晶郦苑边坡治理锚喷工程建设单位:泸州市兴胜房地产开发有限公司设计单位:四川省泸州地质勘察施工公司监理单位:四川江阳工程项目管理监理有限公司设计钻孔直径:φ91mm 钻机型号:xy-30 锚孔倾角15°钢筋型号:1Φ25;Φ14连接筋φ6.5网片筋间距为:200×200施工部位:8号楼内侧3坡面记录员:施工单位:重庆市基础工程有限公司注:锚杆灌浆材料及配合比为水泥:砂:水锚杆注浆施工记录表工程名称:天立·水晶郦苑边坡治理锚喷工程建设单位:泸州市兴胜房地产开发有限公司设计单位:四川省泸州地质勘察施工公司监理单位:四川江阳工程项目管理监理有限公司设计钻孔直径:φ91mm 钻机型号:xy-30 锚孔倾角15°钢筋型号:1Φ25;Φ14连接筋φ6.5网片筋间距为:200×200施工部位:8楼内侧3记录员:施工单位:重庆市基础工程有限公司注:锚杆灌浆材料及配合比为水泥:砂:水锚杆注浆施工记录表工程名称:天立·水晶郦苑边坡治理锚喷工程建设单位:泸州市兴胜房地产开发有限公司设计单位:四川省泸州地质勘察施工公司监理单位:四川江阳工程项目管理监理有限公司设计钻孔直径:φ91mm 钻机型号:xy-30 锚孔倾角15°钢筋型号:1Φ25;Φ14连接筋φ6.5网片筋间距为:200×200施工部位:8号楼内侧3坡面记录员:施工单位:重庆市基础工程有限公司注:锚杆灌浆材料及配合比为水泥:砂:水锚杆注浆施工记录表工程名称:天立·水晶郦苑边坡治理锚喷工程建设单位:泸州市兴胜房地产开发有限公司设计单位:四川省泸州地质勘察施工公司监理单位:四川江阳工程项目管理监理有限公司设计钻孔直径:φ91mm 钻机型号:xy-30 锚孔倾角15°钢筋型号:1Φ25;Φ14连接筋φ6.5网片筋间距为:200×200施工部位:8楼内侧3记录员:施工单位:重庆市基础工程有限公司注:锚杆灌浆材料及配合比为水泥:砂:水锚杆注浆施工记录表工程名称:天立·水晶郦苑边坡治理锚喷工程建设单位:泸州市兴胜房地产开发有限公司设计单位:四川省泸州地质勘察施工公司监理单位:四川江阳工程项目管理监理有限公司设计钻孔直径:φ91mm 钻机型号:xy-30 锚孔倾角15°钢筋型号:1Φ25;Φ14连接筋φ6.5网片筋间距为:200×200施工部位:8号楼内侧3坡面记录员:施工单位:重庆市基础工程有限公司注:锚杆灌浆材料及配合比为水泥:砂:水锚杆注浆施工记录表工程名称:天立·水晶郦苑边坡治理锚喷工程建设单位:泸州市兴胜房地产开发有限公司设计单位:四川省泸州地质勘察施工公司监理单位:四川江阳工程项目管理监理有限公司设计钻孔直径:φ91mm 钻机型号:xy-30 锚孔倾角15°钢筋型号:1Φ25;Φ14连接筋φ6.5网片筋间距为:200×200施工部位:8楼内侧3坡面记录员:施工单位:重庆市基础工程有限公司注:锚杆灌浆材料及配合比为水泥:砂:水锚杆注浆施工记录表工程名称:天立·水晶郦苑边坡治理锚喷工程建设单位:泸州市兴胜房地产开发有限公司设计单位:四川省泸州地质勘察施工公司监理单位:四川江阳工程项目管理监理有限公司设计钻孔直径:φ91mm 钻机型号:xy-30 锚孔倾角15°钢筋型号:1Φ25;Φ14连接筋φ6.5网片筋间距为:200×200施工部位:8号楼内侧3坡面记录员:施工单位:重庆市基础工程有限公司注:锚杆灌浆材料及配合比为水泥:砂:水锚杆注浆施工记录表工程名称:天立·水晶郦苑边坡治理锚喷工程建设单位:泸州市兴胜房地产开发有限公司设计单位:四川省泸州地质勘察施工公司监理单位:四川江阳工程项目管理监理有限公司设计钻孔直径:φ91mm 钻机型号:xy-30 锚孔倾角15°钢筋型号:1Φ25;Φ14连接筋φ6.5网片筋间距为:200×200施工部位:8楼内侧4坡面记录员:施工单位:重庆市基础工程有限公司注:锚杆灌浆材料及配合比为水泥:砂:水锚杆注浆施工记录表工程名称:天立·水晶郦苑边坡治理锚喷工程建设单位:泸州市兴胜房地产开发有限公司设计单位:四川省泸州地质勘察施工公司监理单位:四川江阳工程项目管理监理有限公司设计钻孔直径:φ91mm 钻机型号:xy-30 锚孔倾角15°钢筋型号:1Φ25;Φ14连接筋φ6.5网片筋间距为:200×200施工部位:8号楼内侧4坡面记录员:施工单位:重庆市基础工程有限公司注:锚杆灌浆材料及配合比为水泥:砂:水锚杆注浆施工记录表工程名称:天立·水晶郦苑边坡治理锚喷工程建设单位:泸州市兴胜房地产开发有限公司设计单位:四川省泸州地质勘察施工公司监理单位:四川江阳工程项目管理监理有限公司设计钻孔直径:φ91mm 钻机型号:xy-30 锚孔倾角15°钢筋型号:1Φ25;Φ14连接筋φ6.5网片筋间距为:200×200施工部位:8楼内侧4坡面记录员:施工单位:重庆市基础工程有限公司注:锚杆灌浆材料及配合比为水泥:砂:水锚杆注浆施工记录表工程名称:天立·水晶郦苑边坡治理锚喷工程建设单位:泸州市兴胜房地产开发有限公司设计单位:四川省泸州地质勘察施工公司监理单位:四川江阳工程项目管理监理有限公司设计钻孔直径:φ91mm 钻机型号:xy-30 锚孔倾角15°钢筋型号:1Φ25;Φ14连接筋φ6.5网片筋间距为:200×200施工部位:8号楼内侧4坡面记录员:施工单位:重庆市基础工程有限公司注:锚杆灌浆材料及配合比为水泥:砂:水锚杆注浆施工记录表工程名称:天立·水晶郦苑边坡治理锚喷工程建设单位:泸州市兴胜房地产开发有限公司设计单位:四川省泸州地质勘察施工公司监理单位:四川江阳工程项目管理监理有限公司设计钻孔直径:φ25mm 钻机型号:FG-30 锚孔倾角15°钢筋型号:1Φ14;Φ14连接筋φ6.5网片筋间距为:300×300施工部位:8楼内侧3坡面记录员:施工单位:重庆市基础工程有限公司注:锚杆灌浆材料及配合比为水泥:砂:水锚杆注浆施工记录表工程名称:天立·水晶郦苑边坡治理锚喷工程建设单位:泸州市兴胜房地产开发有限公司设计单位:四川省泸州地质勘察施工公司监理单位:四川江阳工程项目管理监理有限公司设计钻孔直径:φ25mm 钻机型号:FG-30 锚孔倾角15°钢筋型号:1Φ14;Φ14连接筋φ6.5网片筋间距为:300×300施工部位:8号楼内侧3坡面记录员:施工单位:重庆市基础工程有限公司注:锚杆灌浆材料及配合比为水泥:砂:水锚杆注浆施工记录表工程名称:天立·水晶郦苑边坡治理锚喷工程建设单位:泸州市兴胜房地产开发有限公司设计单位:四川省泸州地质勘察施工公司监理单位:四川江阳工程项目管理监理有限公司设计钻孔直径:φ25mm 钻机型号:FG-30 锚孔倾角15°钢筋型号:1Φ14;Φ14连接筋φ6.5网片筋间距为:300×300施工部位:8楼内侧3坡面记录员:施工单位:重庆市基础工程有限公司注:锚杆灌浆材料及配合比为水泥:砂:水锚杆注浆施工记录表工程名称:天立·水晶郦苑边坡治理锚喷工程建设单位:泸州市兴胜房地产开发有限公司设计单位:四川省泸州地质勘察施工公司监理单位:四川江阳工程项目管理监理有限公司设计钻孔直径:φ25mm 钻机型号:FG-30 锚孔倾角15°钢筋型号:1Φ14;Φ14连接筋φ6.5网片筋间距为:300×300施工部位:8号楼内侧3坡面记录员:施工单位:重庆市基础工程有限公司注:锚杆灌浆材料及配合比为水泥:砂:水锚杆注浆施工记录表工程名称:天立·水晶郦苑边坡治理锚喷工程建设单位:泸州市兴胜房地产开发有限公司设计单位:四川省泸州地质勘察施工公司监理单位:四川江阳工程项目管理监理有限公司设计钻孔直径:φ25mm 钻机型号:FG-30 锚孔倾角15°钢筋型号:1Φ14;Φ14连接筋φ6.5网片筋间距为:300×300施工部位:8楼内侧3坡面记录员:施工单位:重庆市基础工程有限公司注:锚杆灌浆材料及配合比为水泥:砂:水锚杆注浆施工记录表工程名称:天立·水晶郦苑边坡治理锚喷工程建设单位:泸州市兴胜房地产开发有限公司设计单位:四川省泸州地质勘察施工公司监理单位:四川江阳工程项目管理监理有限公司设计钻孔直径:φ25mm 钻机型号:FG-30 锚孔倾角15°钢筋型号:1Φ14;Φ14连接筋φ6.5网片筋间距为:300×300施工部位:8号楼内侧3坡面记录员:施工单位:重庆市基础工程有限公司注:锚杆灌浆材料及配合比为水泥:砂:水锚杆注浆施工记录表工程名称:天立·水晶郦苑边坡治理锚喷工程建设单位:泸州市兴胜房地产开发有限公司设计单位:四川省泸州地质勘察施工公司监理单位:四川江阳工程项目管理监理有限公司设计钻孔直径:φ25mm 钻机型号:FG-30 锚孔倾角15°钢筋型号:1Φ14;Φ14连接筋φ6.5网片筋间距为:300×300施工部位:8楼内侧3坡面记录员:施工单位:重庆市基础工程有限公司注:锚杆灌浆材料及配合比为水泥:砂:水锚杆注浆施工记录表工程名称:天立·水晶郦苑边坡治理锚喷工程建设单位:泸州市兴胜房地产开发有限公司设计单位:四川省泸州地质勘察施工公司监理单位:四川江阳工程项目管理监理有限公司设计钻孔直径:φ25mm 钻机型号:FG-30 锚孔倾角15°钢筋型号:1Φ14;Φ14连接筋φ6.5网片筋间距为:300×300施工部位:8号楼内侧3坡面记录员:施工单位:重庆市基础工程有限公司注:锚杆灌浆材料及配合比为水泥:砂:水锚杆注浆施工记录表工程名称:天立·水晶郦苑边坡治理锚喷工程建设单位:泸州市兴胜房地产开发有限公司设计单位:四川省泸州地质勘察施工公司监理单位:四川江阳工程项目管理监理有限公司设计钻孔直径:φ25mm 钻机型号:FG-30 锚孔倾角15°钢筋型号:1Φ14;Φ14连接筋φ6.5网片筋间距为:300×300施工部位:8楼内侧3坡面记录员:施工单位:重庆市基础工程有限公司注:锚杆灌浆材料及配合比为水泥:砂:水锚杆注浆施工记录表工程名称:天立·水晶郦苑边坡治理锚喷工程建设单位:泸州市兴胜房地产开发有限公司设计单位:四川省泸州地质勘察施工公司监理单位:四川江阳工程项目管理监理有限公司设计钻孔直径:φ25mm 钻机型号:FG-30 锚孔倾角15°钢筋型号:1Φ14;Φ14连接筋φ6.5网片筋间距为:300×300施工部位:8号楼内侧3坡面记录员:施工单位:重庆市基础工程有限公司注:锚杆灌浆材料及配合比为水泥:砂:水锚杆注浆施工记录表工程名称:天立·水晶郦苑边坡治理锚喷工程建设单位:泸州市兴胜房地产开发有限公司设计单位:四川省泸州地质勘察施工公司监理单位:四川江阳工程项目管理监理有限公司设计钻孔直径:φ25mm 钻机型号:FG-30 锚孔倾角15°。
锚杆注浆施工记录表工程名称:建设单位:设计单位:监理单位:设计钻孔直径:φ110mm 钻机型号:xy-30 锚孔倾角15°钢筋型号:记录员:施工单位:注:锚杆灌浆材料及配合比为水泥:砂:水锚杆注浆施工记录表工程名称:天立·水晶郦苑边坡治理锚喷工程建设单位:泸州市兴胜房地产开发有限公司设计单位:四川省泸州地质勘察施工公司监理单位:四川江阳工程项目管理监理有限公司设计钻孔直径:φ91mm 钻机型号:xy-30 锚孔倾角15°钢筋型号:1Φ25;Φ14连接筋φ6.5网片筋间距为:200×200记录员:施工单位:重庆市基础工程有限公司注:锚杆灌浆材料及配合比为水泥:砂:水锚杆注浆施工记录表工程名称:天立·水晶郦苑边坡治理锚喷工程建设单位:泸州市兴胜房地产开发有限公司设计单位:四川省泸州地质勘察施工公司监理单位:四川江阳工程项目管理监理有限公司设计钻孔直径:φ91mm 钻机型号:xy-30 锚孔倾角15°钢筋型号:1Φ25;Φ14连接筋φ6.5网片筋间距为:200×200记录员:施工单位:重庆市基础工程有限公司注:锚杆灌浆材料及配合比为水泥:砂:水锚杆注浆施工记录表工程名称:天立·水晶郦苑边坡治理锚喷工程建设单位:泸州市兴胜房地产开发有限公司设计单位:四川省泸州地质勘察施工公司监理单位:四川江阳工程项目管理监理有限公司设计钻孔直径:φ91mm 钻机型号:xy-30 锚孔倾角15°钢筋型号:1Φ25;Φ14连接筋φ6.5网片筋间距为:200×200施工部位:7号楼内侧2面记录员:施工单位:重庆市基础工程有限公司注:锚杆灌浆材料及配合比为水泥:砂:水锚杆注浆施工记录表工程名称:天立·水晶郦苑边坡治理锚喷工程建设单位:泸州市兴胜房地产开发有限公司设计单位:四川省泸州地质勘察施工公司监理单位:四川江阳工程项目管理监理有限公司设计钻孔直径:φ91mm 钻机型号:xy-30 锚孔倾角15°钢筋型号:1Φ25;Φ14连接筋φ6.5网片筋间距为:200×200记录员:施工单位:重庆市基础工程有限公司注:锚杆灌浆材料及配合比为水泥:砂:水锚杆注浆施工记录表工程名称:天立·水晶郦苑边坡治理锚喷工程建设单位:泸州市兴胜房地产开发有限公司设计单位:四川省泸州地质勘察施工公司监理单位:四川江阳工程项目管理监理有限公司设计钻孔直径:φ91mm 钻机型号:xy-30 锚孔倾角15°钢筋型号:1Φ25;Φ14连接筋φ6.5网片筋间距为:200×200记录员:施工单位:重庆市基础工程有限公司注:锚杆灌浆材料及配合比为水泥:砂:水锚杆注浆施工记录表工程名称:天立·水晶郦苑边坡治理锚喷工程建设单位:泸州市兴胜房地产开发有限公司设计单位:四川省泸州地质勘察施工公司监理单位:四川江阳工程项目管理监理有限公司设计钻孔直径:φ91mm 钻机型号:xy-30 锚孔倾角15°钢筋型号:1Φ25;Φ14连接筋φ6.5网片筋间距为:200×200记录员:施工单位:重庆市基础工程有限公司注:锚杆灌浆材料及配合比为水泥:砂:水锚杆注浆施工记录表工程名称:天立·水晶郦苑边坡治理锚喷工程建设单位:泸州市兴胜房地产开发有限公司设计单位:四川省泸州地质勘察施工公司监理单位:四川江阳工程项目管理监理有限公司设计钻孔直径:φ91mm 钻机型号:xy-30 锚孔倾角15°钢筋型号:1Φ25;Φ14连接筋φ6.5网片筋间距为:200×200记录员:施工单位:重庆市基础工程有限公司注:锚杆灌浆材料及配合比为水泥:砂:水锚杆注浆施工记录表工程名称:天立·水晶郦苑边坡治理锚喷工程建设单位:泸州市兴胜房地产开发有限公司设计单位:四川省泸州地质勘察施工公司监理单位:四川江阳工程项目管理监理有限公司设计钻孔直径:φ91mm 钻机型号:xy-30 锚孔倾角15°钢筋型号:1Φ25;Φ14连接筋φ6.5网片筋间距为:200×200记录员:施工单位:重庆市基础工程有限公司注:锚杆灌浆材料及配合比为水泥:砂:水锚杆注浆施工记录表工程名称:天立·水晶郦苑边坡治理锚喷工程建设单位:泸州市兴胜房地产开发有限公司设计单位:四川省泸州地质勘察施工公司监理单位:四川江阳工程项目管理监理有限公司设计钻孔直径:φ91mm 钻机型号:xy-30 锚孔倾角15°钢筋型号:1Φ25;Φ14连接筋φ6.5网片筋间距为:200×200记录员:施工单位:重庆市基础工程有限公司注:锚杆灌浆材料及配合比为水泥:砂:水锚杆注浆施工记录表工程名称:天立·水晶郦苑边坡治理锚喷工程建设单位:泸州市兴胜房地产开发有限公司设计单位:四川省泸州地质勘察施工公司监理单位:四川江阳工程项目管理监理有限公司设计钻孔直径:φ91mm 钻机型号:xy-30 锚孔倾角15°钢筋型号:1Φ25;Φ14连接筋φ6.5网片筋间距为:200×200记录员:施工单位:重庆市基础工程有限公司注:锚杆灌浆材料及配合比为水泥:砂:水锚杆注浆施工记录表工程名称:天立·水晶郦苑边坡治理锚喷工程建设单位:泸州市兴胜房地产开发有限公司设计单位:四川省泸州地质勘察施工公司监理单位:四川江阳工程项目管理监理有限公司设计钻孔直径:φ91mm 钻机型号:xy-30 锚孔倾角15°钢筋型号:1Φ25;Φ14连接筋φ6.5网片筋间距为:200×200记录员:施工单位:重庆市基础工程有限公司注:锚杆灌浆材料及配合比为水泥:砂:水锚杆注浆施工记录表工程名称:天立·水晶郦苑边坡治理锚喷工程建设单位:泸州市兴胜房地产开发有限公司设计单位:四川省泸州地质勘察施工公司监理单位:四川江阳工程项目管理监理有限公司设计钻孔直径:φ91mm 钻机型号:xy-30 锚孔倾角15°钢筋型号:1Φ25;Φ14连接筋φ6.5网片筋间距为:200×200记录员:施工单位:重庆市基础工程有限公司注:锚杆灌浆材料及配合比为水泥:砂:水锚杆注浆施工记录表工程名称:天立·水晶郦苑边坡治理锚喷工程建设单位:泸州市兴胜房地产开发有限公司设计单位:四川省泸州地质勘察施工公司监理单位:四川江阳工程项目管理监理有限公司设计钻孔直径:φ91mm 钻机型号:xy-30 锚孔倾角15°钢筋型号:1Φ25;Φ14连接筋φ6.5网片筋间距为:200×200记录员:施工单位:重庆市基础工程有限公司注:锚杆灌浆材料及配合比为水泥:砂:水锚杆注浆施工记录表工程名称:天立·水晶郦苑边坡治理锚喷工程建设单位:泸州市兴胜房地产开发有限公司设计单位:四川省泸州地质勘察施工公司监理单位:四川江阳工程项目管理监理有限公司设计钻孔直径:φ91mm 钻机型号:xy-30 锚孔倾角15°钢筋型号:1Φ25;Φ14连接筋φ6.5网片筋间距为:200×200记录员:施工单位:重庆市基础工程有限公司注:锚杆灌浆材料及配合比为水泥:砂:水锚杆注浆施工记录表工程名称:天立·水晶郦苑边坡治理锚喷工程建设单位:泸州市兴胜房地产开发有限公司设计单位:四川省泸州地质勘察施工公司监理单位:四川江阳工程项目管理监理有限公司设计钻孔直径:φ91mm 钻机型号:xy-30 锚孔倾角15°钢筋型号:1Φ25;Φ14连接筋φ6.5网片筋间距为:200×200施工部位:8楼内侧4坡面记录员:施工单位:重庆市基础工程有限公司注:锚杆灌浆材料及配合比为水泥:砂:水锚杆注浆施工记录表工程名称:天立·水晶郦苑边坡治理锚喷工程建设单位:泸州市兴胜房地产开发有限公司设计单位:四川省泸州地质勘察施工公司监理单位:四川江阳工程项目管理监理有限公司设计钻孔直径:φ91mm 钻机型号:xy-30 锚孔倾角15°钢筋型号:1Φ25;Φ14连接筋φ6.5网片筋间距为:200×200记录员:施工单位:重庆市基础工程有限公司注:锚杆灌浆材料及配合比为水泥:砂:水锚杆注浆施工记录表工程名称:天立·水晶郦苑边坡治理锚喷工程建设单位:泸州市兴胜房地产开发有限公司设计单位:四川省泸州地质勘察施工公司监理单位:四川江阳工程项目管理监理有限公司设计钻孔直径:φ91mm 钻机型号:xy-30 锚孔倾角15°钢筋型号:1Φ25;Φ14连接筋φ6.5网片筋间距为:200×200记录员:施工单位:重庆市基础工程有限公司注:锚杆灌浆材料及配合比为水泥:砂:水锚杆注浆施工记录表工程名称:天立·水晶郦苑边坡治理锚喷工程建设单位:泸州市兴胜房地产开发有限公司设计单位:四川省泸州地质勘察施工公司监理单位:四川江阳工程项目管理监理有限公司设计钻孔直径:φ91mm 钻机型号:xy-30 锚孔倾角15°钢筋型号:1Φ25;Φ14连接筋φ6.5网片筋间距为:200×200记录员:施工单位:重庆市基础工程有限公司注:锚杆灌浆材料及配合比为水泥:砂:水锚杆注浆施工记录表工程名称:天立·水晶郦苑边坡治理锚喷工程建设单位:泸州市兴胜房地产开发有限公司设计单位:四川省泸州地质勘察施工公司监理单位:四川江阳工程项目管理监理有限公司设计钻孔直径:φ25mm 钻机型号:FG-30 锚孔倾角15°钢筋型号:1Φ14;Φ14连接筋φ6.5网片筋间距为:300×300记录员:施工单位:重庆市基础工程有限公司注:锚杆灌浆材料及配合比为水泥:砂:水锚杆注浆施工记录表工程名称:天立·水晶郦苑边坡治理锚喷工程建设单位:泸州市兴胜房地产开发有限公司设计单位:四川省泸州地质勘察施工公司监理单位:四川江阳工程项目管理监理有限公司设计钻孔直径:φ25mm 钻机型号:FG-30 锚孔倾角15°钢筋型号:1Φ14;Φ14连接筋φ6.5网片筋间距为:300×300记录员:施工单位:重庆市基础工程有限公司注:锚杆灌浆材料及配合比为水泥:砂:水锚杆注浆施工记录表工程名称:天立·水晶郦苑边坡治理锚喷工程建设单位:泸州市兴胜房地产开发有限公司设计单位:四川省泸州地质勘察施工公司监理单位:四川江阳工程项目管理监理有限公司设计钻孔直径:φ25mm 钻机型号:FG-30 锚孔倾角15°钢筋型号:1Φ14;Φ14连接筋φ6.5网片筋间距为:300×300记录员:施工单位:重庆市基础工程有限公司注:锚杆灌浆材料及配合比为水泥:砂:水锚杆注浆施工记录表工程名称:天立·水晶郦苑边坡治理锚喷工程建设单位:泸州市兴胜房地产开发有限公司设计单位:四川省泸州地质勘察施工公司监理单位:四川江阳工程项目管理监理有限公司设计钻孔直径:φ25mm 钻机型号:FG-30 锚孔倾角15°钢筋型号:1Φ14;Φ14连接筋φ6.5网片筋间距为:300×300记录员:施工单位:重庆市基础工程有限公司注:锚杆灌浆材料及配合比为水泥:砂:水锚杆注浆施工记录表工程名称:天立·水晶郦苑边坡治理锚喷工程建设单位:泸州市兴胜房地产开发有限公司设计单位:四川省泸州地质勘察施工公司监理单位:四川江阳工程项目管理监理有限公司设计钻孔直径:φ25mm 钻机型号:FG-30 锚孔倾角15°钢筋型号:1Φ14;Φ14连接筋φ6.5网片筋间距为:300×300记录员:施工单位:重庆市基础工程有限公司注:锚杆灌浆材料及配合比为水泥:砂:水锚杆注浆施工记录表工程名称:天立·水晶郦苑边坡治理锚喷工程建设单位:泸州市兴胜房地产开发有限公司设计单位:四川省泸州地质勘察施工公司监理单位:四川江阳工程项目管理监理有限公司设计钻孔直径:φ25mm 钻机型号:FG-30 锚孔倾角15°钢筋型号:1Φ14;Φ14连接筋φ6.5网片筋间距为:300×300记录员:施工单位:重庆市基础工程有限公司注:锚杆灌浆材料及配合比为水泥:砂:水锚杆注浆施工记录表工程名称:天立·水晶郦苑边坡治理锚喷工程建设单位:泸州市兴胜房地产开发有限公司设计单位:四川省泸州地质勘察施工公司监理单位:四川江阳工程项目管理监理有限公司设计钻孔直径:φ25mm 钻机型号:FG-30 锚孔倾角15°钢筋型号:1Φ14;Φ14连接筋φ6.5网片筋间距为:300×300记录员:施工单位:重庆市基础工程有限公司注:锚杆灌浆材料及配合比为水泥:砂:水锚杆注浆施工记录表工程名称:天立·水晶郦苑边坡治理锚喷工程建设单位:泸州市兴胜房地产开发有限公司设计单位:四川省泸州地质勘察施工公司监理单位:四川江阳工程项目管理监理有限公司设计钻孔直径:φ25mm 钻机型号:FG-30 锚孔倾角15°钢筋型号:1Φ14;Φ14连接筋φ6.5网片筋间距为:300×300记录员:施工单位:重庆市基础工程有限公司注:锚杆灌浆材料及配合比为水泥:砂:水锚杆注浆施工记录表工程名称:天立·水晶郦苑边坡治理锚喷工程建设单位:泸州市兴胜房地产开发有限公司设计单位:四川省泸州地质勘察施工公司监理单位:四川江阳工程项目管理监理有限公司设计钻孔直径:φ25mm 钻机型号:FG-30 锚孔倾角15°钢筋型号:1Φ14;Φ14连接筋φ6.5网片筋间距为:300×300施工部位:8楼内侧3坡面记录员:施工单位:重庆市基础工程有限公司注:锚杆灌浆材料及配合比为水泥:砂:水锚杆注浆施工记录表工程名称:天立·水晶郦苑边坡治理锚喷工程建设单位:泸州市兴胜房地产开发有限公司设计单位:四川省泸州地质勘察施工公司监理单位:四川江阳工程项目管理监理有限公司设计钻孔直径:φ25mm 钻机型号:FG-30 锚孔倾角15°钢筋型号:1Φ14;Φ14连接筋φ6.5网片筋间距为:300×300记录员:施工单位:重庆市基础工程有限公司注:锚杆灌浆材料及配合比为水泥:砂:水锚杆注浆施工记录表工程名称:天立·水晶郦苑边坡治理锚喷工程建设单位:泸州市兴胜房地产开发有限公司设计单位:四川省泸州地质勘察施工公司监理单位:四川江阳工程项目管理监理有限公司设计钻孔直径:φ25mm 钻机型号:FG-30 锚孔倾角15°钢筋型号:1Φ14;Φ14连接筋φ6.5网片筋间距为:300×300记录员:施工单位:重庆市基础工程有限公司注:锚杆灌浆材料及配合比为水泥:砂:水锚杆注浆施工记录表工程名称:天立·水晶郦苑边坡治理锚喷工程建设单位:泸州市兴胜房地产开发有限公司设计单位:四川省泸州地质勘察施工公司监理单位:四川江阳工程项目管理监理有限公司设计钻孔直径:φ25mm 钻机型号:FG-30 锚孔倾角15°钢筋型号:1Φ14;Φ14连接筋φ6.5网片筋间距为:300×300记录员:施工单位:重庆市基础工程有限公司注:锚杆灌浆材料及配合比为水泥:砂:水锚杆注浆施工记录表工程名称:天立·水晶郦苑边坡治理锚喷工程建设单位:泸州市兴胜房地产开发有限公司设计单位:四川省泸州地质勘察施工公司监理单位:四川江阳工程项目管理监理有限公司设计钻孔直径:φ25mm 钻机型号:FG-30 锚孔倾角15°钢筋型号:1Φ14;Φ14连接筋φ6.5网片筋间距为:300×300记录员:施工单位:重庆市基础工程有限公司注:锚杆灌浆材料及配合比为水泥:砂:水锚杆注浆施工记录表工程名称:天立·水晶郦苑边坡治理锚喷工程建设单位:泸州市兴胜房地产开发有限公司设计单位:四川省泸州地质勘察施工公司监理单位:四川江阳工程项目管理监理有限公司设计钻孔直径:φ25mm 钻机型号:FG-30 锚孔倾角15°钢筋型号:1Φ14;Φ14连接筋φ6.5网片筋间距为:300×300记录员:施工单位:重庆市基础工程有限公司注:锚杆灌浆材料及配合比为水泥:砂:水锚杆注浆施工记录表工程名称:天立·水晶郦苑边坡治理锚喷工程建设单位:泸州市兴胜房地产开发有限公司设计单位:四川省泸州地质勘察施工公司监理单位:四川江阳工程项目管理监理有限公司设计钻孔直径:φ25mm 钻机型号:FG-30 锚孔倾角15°钢筋型号:1Φ14;Φ14连接筋φ6.5网片筋间距为:300×300记录员:施工单位:重庆市基础工程有限公司注:锚杆灌浆材料及配合比为水泥:砂:水。
锚杆注浆施工记录表工程名称:金领格兰维亚一期建设单位:四川金领地产开发有限公司设计单位:核工业德阳金阳岩土工程有限公司监理单位:四川精正建设管理咨询有限公司设计钻孔直径:110 mm 钻机型号:xy-90 锚孔倾角15°钢筋型号:1Φ32; Φ14连接筋 φ6.5网片筋间距为:200×200施工部位:人工挖孔桩腰梁钻孔编号钻孔直径(mm)材料及配合比初灌开始时间终止时间补灌开始时间补灌终止时间灌浆量(m3)压力(Mpa)日期1φ1101:0.23:0.48:008:0315:2515:280.1140.462012-2-282φ1101:0.23:0.48:038:0615:2915:310.1140.462012-2-283φ1101:0.23:0.48:068:0915:3215:340.1140.462012-2-284φ1101:0.23:0.48:098:1215:3515:370.1140.462012-2-285φ1101:0.23:0.48:128:1515:3815:400.1140.462012-2-286φ1101:0.23:0.48:158:1815:4215:450.1140.462012-2-287φ1101:0.23:0.48:188:2115:4715:500.1140.462012-2-288φ1101:0.23:0.48:228:2515:5215:560.1140.462012-2-289φ1101:0.23:0.48:268:2915:5816:000.1140.462012-2-2810φ1101:0.23:0.48:308:3316:0116:040.1140.462012-2-2811φ1101:0.23:0.48:348:3616:0516:080.1140.462012-2-28φ1101:0.23:0.48:388:3916:1016:130.1140.462012-2-122813φ1101:0.23:0.48:418:4316:1516:180.1140.462012-2-2814φ1101:0.23:0.48:458:4816:1916:210.1140.462012-2-2815φ1101:0.23:0.48:508:5316:2216:250.1140.462012-2-2816φ1101:0.23:0.48:558:5716:2716:290.1140.462012-2-2817φ1101:0.23:0.48:589:0016:3016:330.1140.462012-2-2818φ1101:0.23:0.49:039:0616:3416:370.1140.462012-2-2819φ1101:0.23:0.49:089:1116:3916:420.1140.462012-2-2820φ1101:0.23:0.49:139:1516:4316:470.1140.462012-2-2821φ1101:0.23:0.49:179:1916:4816:520.1140.462012-2-2822φ1101:0.23:0.49:219:2316:5516:570.1140.462012-2-2823φ1101:0.23:0.49:259:2716:5917:020.1140.462012-2-28质检人员:技术负责:施工负责:监理(建设)单位:记录员:施工单位:核工业西南建设集团有限公司注:锚杆灌浆材料及配合比为砂:水:水泥锚杆注浆施工记录表工程名称:金领格兰维亚一期建设单位:四川金领地产开发有限公司设计单位:核工业德阳金阳岩土工程有限公司监理单位:四川精正建设管理咨询有限公司设计钻孔直径:110 mm 钻机型号:xy-90 锚孔倾角15°钢筋型号:1Φ32; Φ14连接筋 φ6.5网片筋间距为:200×200施工部位:人工挖孔桩腰梁钻孔编号钻孔直径(mm)材料及配合比初灌开始时间终止时间补灌开始时间补灌终止时间灌浆量(m3)压力(Mpa)日期24φ1101:0.23:0.48:008:0315:2515:280.1140.462012-3-125φ1101:0.23:0.48:038:0615:2915:310.1140.462012-3-126φ1101:0.23:0.48:068:0915:3215:340.1140.462012-3-127φ1101:0.23:0.48:098:1215:3515:370.1140.462012-3-128φ1101:0.23:0.48:128:1515:3815:400.1140.462012-3-129φ1101:0.23:0.48:158:1815:4215:450.1140.462012-3-130φ1101:0.23:0.48:188:2115:4715:500.1140.462012-3-131φ1101:0.23:0.48:228:2515:5215:560.1140.462012-3-132φ1101:0.23:0.48:268:2915:5816:000.1140.462012-3-133φ1101:0.23:0.48:308:3316:0116:040.1140.462012-3-134φ1101:0.23:0.48:348:3616:0516:080.1140.462012-3-135φ1101:0.23:0.48:388:3916:1016:130.1140.462012-3-136φ1101:0.23:0.48:418:4316:1516:180.1140.462012-3-137φ1101:0.23:0.48:458:4816:1916:210.1140.462012-3-138φ1101:0.23:0.48:508:5316:2216:250.1140.462012-3-139φ1101:0.23:0.48:558:5716:2716:290.1140.462012-3-140φ1101:0.23:0.48:589:0016:3016:330.1140.462012-3-141φ1101:0.23:0.49:039:0616:3416:370.1140.462012-3-142φ1101:0.23:0.49:089:1116:3916:420.1140.462012-3-143φ1101:0.23:0.49:139:1516:4316:470.1140.462012-3-144φ1101:0.23:0.49:179:1916:4816:520.1140.462012-3-145φ1101:0.23:0.49:219:2316:5516:570.1140.462012-3-146φ1101:0.23:0.49:259:2716:5917:020.1140.462012-3-1质检人员:技术负责:施工负责:监理(建设)单位:记录员:施工单位:核工业西南建设集团有限公司注:锚杆灌浆材料及配合比为砂:水:水泥锚杆注浆施工记录表工程名称:金领格兰维亚一期建设单位:四川金领地产开发有限公司设计单位:核工业德阳金阳岩土工程有限公司监理单位:四川精正建设管理咨询有限公司设计钻孔直径:110 mm 钻机型号:xy-90 锚孔倾角15°钢筋型号:1Φ32; Φ14连接筋 φ6.5网片筋间距为:200×200施工部位:人工挖孔桩腰梁钻钻孔孔编号直径(mm)材料及配合比初灌开始时间终止时间补灌开始时间补灌终止时间灌浆量(m3)压力(Mpa)日期47φ1101:0.23:0.48:008:0315:2515:280.1140.462012-3-348φ1101:0.23:0.48:038:0615:2915:310.1140.462012-3-349φ1101:0.23:0.48:068:0915:3215:340.1140.462012-3-350φ1101:0.23:0.48:098:1215:3515:370.1140.462012-3-351φ1101:0.23:0.48:128:1515:3815:400.1140.462012-3-352φ1101:0.23:0.48:158:1815:4215:450.1140.462012-3-353φ1101:0.23:0.48:188:2115:4715:500.1140.462012-3-354φ1101:0.23:0.48:228:2515:5215:560.1140.462012-3-355φ1101:0.23:0.48:268:2915:5816:000.1140.462012-3-356φ1101:0.23:0.48:308:3316:0116:040.1140.462012-3-3质检人员:技术负责:施工负责:监理(建设)单位:记录员:施工单位:核工业西南建设集团有限公司注:锚杆灌浆材料及配合比为砂:水:水泥。
锚杆注浆施工记录表工程名称:建设单位:设计单位:监理单位:设计钻孔直径:φ110mm 钻机型号:xy-30 锚孔倾角15°钢筋型号:记录员:施工单位:注:锚杆灌浆材料及配合比为水泥:砂:水锚杆注浆施工记录表工程名称:天立·水晶郦苑边坡治理锚喷工程建设单位:泸州市兴胜房地产开发有限公司设计单位:四川省泸州地质勘察施工公司监理单位:四川江阳工程项目管理监理有限公司设计钻孔直径:φ91mm 钻机型号:xy-30 锚孔倾角15°钢筋型号:1Φ25;Φ14连接筋φ网片筋间距为:200×200记录员:施工单位:重庆市基础工程有限公司注:锚杆灌浆材料及配合比为水泥:砂:水锚杆注浆施工记录表工程名称:天立·水晶郦苑边坡治理锚喷工程建设单位:泸州市兴胜房地产开发有限公司设计单位:四川省泸州地质勘察施工公司监理单位:四川江阳工程项目管理监理有限公司设计钻孔直径:φ91mm 钻机型号:xy-30 锚孔倾角15°钢筋型号:1Φ25;Φ14连接筋φ网片筋间距为:200×200记录员:施工单位:重庆市基础工程有限公司注:锚杆灌浆材料及配合比为水泥:砂:水锚杆注浆施工记录表工程名称:天立·水晶郦苑边坡治理锚喷工程建设单位:泸州市兴胜房地产开发有限公司设计单位:四川省泸州地质勘察施工公司监理单位:四川江阳工程项目管理监理有限公司设计钻孔直径:φ91mm 钻机型号:xy-30 锚孔倾角15°钢筋型号:1Φ25;Φ14连接筋φ网片筋间距为:200×200记录员:施工单位:重庆市基础工程有限公司注:锚杆灌浆材料及配合比为水泥:砂:水锚杆注浆施工记录表工程名称:天立·水晶郦苑边坡治理锚喷工程建设单位:泸州市兴胜房地产开发有限公司设计单位:四川省泸州地质勘察施工公司监理单位:四川江阳工程项目管理监理有限公司设计钻孔直径:φ91mm 钻机型号:xy-30 锚孔倾角15°钢筋型号:1Φ25;Φ14连接筋φ网片筋间距为:200×200记录员:施工单位:重庆市基础工程有限公司注:锚杆灌浆材料及配合比为水泥:砂:水锚杆注浆施工记录表工程名称:天立·水晶郦苑边坡治理锚喷工程建设单位:泸州市兴胜房地产开发有限公司设计单位:四川省泸州地质勘察施工公司监理单位:四川江阳工程项目管理监理有限公司设计钻孔直径:φ91mm 钻机型号:xy-30 锚孔倾角15°钢筋型号:1Φ25;Φ14连接筋φ网片筋间距为:200×200记录员:施工单位:重庆市基础工程有限公司注:锚杆灌浆材料及配合比为水泥:砂:水锚杆注浆施工记录表工程名称:天立·水晶郦苑边坡治理锚喷工程建设单位:泸州市兴胜房地产开发有限公司设计单位:四川省泸州地质勘察施工公司监理单位:四川江阳工程项目管理监理有限公司设计钻孔直径:φ91mm 钻机型号:xy-30 锚孔倾角15°钢筋型号:1Φ25;Φ14连接筋φ网片筋间距为:200×200记录员:施工单位:重庆市基础工程有限公司注:锚杆灌浆材料及配合比为水泥:砂:水锚杆注浆施工记录表工程名称:天立·水晶郦苑边坡治理锚喷工程建设单位:泸州市兴胜房地产开发有限公司设计单位:四川省泸州地质勘察施工公司监理单位:四川江阳工程项目管理监理有限公司设计钻孔直径:φ91mm 钻机型号:xy-30 锚孔倾角15°钢筋型号:1Φ25;Φ14连接筋φ网片筋间距为:200×200记录员:施工单位:重庆市基础工程有限公司注:锚杆灌浆材料及配合比为水泥:砂:水锚杆注浆施工记录表工程名称:天立·水晶郦苑边坡治理锚喷工程建设单位:泸州市兴胜房地产开发有限公司设计单位:四川省泸州地质勘察施工公司监理单位:四川江阳工程项目管理监理有限公司设计钻孔直径:φ91mm 钻机型号:xy-30 锚孔倾角15°钢筋型号:1Φ25;Φ14连接筋φ网片筋间距为:200×200记录员:施工单位:重庆市基础工程有限公司注:锚杆灌浆材料及配合比为水泥:砂:水锚杆注浆施工记录表工程名称:天立·水晶郦苑边坡治理锚喷工程建设单位:泸州市兴胜房地产开发有限公司设计单位:四川省泸州地质勘察施工公司监理单位:四川江阳工程项目管理监理有限公司设计钻孔直径:φ91mm 钻机型号:xy-30 锚孔倾角15°钢筋型号:1Φ25;Φ14连接筋φ网片筋间距为:200×200记录员:施工单位:重庆市基础工程有限公司注:锚杆灌浆材料及配合比为水泥:砂:水锚杆注浆施工记录表工程名称:天立·水晶郦苑边坡治理锚喷工程建设单位:泸州市兴胜房地产开发有限公司设计单位:四川省泸州地质勘察施工公司监理单位:四川江阳工程项目管理监理有限公司设计钻孔直径:φ91mm 钻机型号:xy-30 锚孔倾角15°钢筋型号:1Φ25;Φ14连接筋φ网片筋间距为:200×200记录员:施工单位:重庆市基础工程有限公司注:锚杆灌浆材料及配合比为水泥:砂:水锚杆注浆施工记录表工程名称:天立·水晶郦苑边坡治理锚喷工程建设单位:泸州市兴胜房地产开发有限公司设计单位:四川省泸州地质勘察施工公司监理单位:四川江阳工程项目管理监理有限公司设计钻孔直径:φ91mm 钻机型号:xy-30 锚孔倾角15°钢筋型号:1Φ25;Φ14连接筋φ网片筋间距为:200×200施工部位:8楼内侧3记录员:施工单位:重庆市基础工程有限公司注:锚杆灌浆材料及配合比为水泥:砂:水锚杆注浆施工记录表工程名称:天立·水晶郦苑边坡治理锚喷工程建设单位:泸州市兴胜房地产开发有限公司设计单位:四川省泸州地质勘察施工公司监理单位:四川江阳工程项目管理监理有限公司设计钻孔直径:φ91mm 钻机型号:xy-30 锚孔倾角15°钢筋型号:1Φ25;Φ14连接筋φ网片筋间距为:200×200记录员:施工单位:重庆市基础工程有限公司注:锚杆灌浆材料及配合比为水泥:砂:水锚杆注浆施工记录表工程名称:天立·水晶郦苑边坡治理锚喷工程建设单位:泸州市兴胜房地产开发有限公司设计单位:四川省泸州地质勘察施工公司监理单位:四川江阳工程项目管理监理有限公司设计钻孔直径:φ91mm 钻机型号:xy-30 锚孔倾角15°钢筋型号:1Φ25;Φ14连接筋φ网片筋间距为:200×200记录员:施工单位:重庆市基础工程有限公司注:锚杆灌浆材料及配合比为水泥:砂:水锚杆注浆施工记录表工程名称:天立·水晶郦苑边坡治理锚喷工程建设单位:泸州市兴胜房地产开发有限公司设计单位:四川省泸州地质勘察施工公司监理单位:四川江阳工程项目管理监理有限公司设计钻孔直径:φ91mm 钻机型号:xy-30 锚孔倾角15°钢筋型号:1Φ25;Φ14连接筋φ网片筋间距为:200×200记录员:施工单位:重庆市基础工程有限公司注:锚杆灌浆材料及配合比为水泥:砂:水锚杆注浆施工记录表工程名称:天立·水晶郦苑边坡治理锚喷工程建设单位:泸州市兴胜房地产开发有限公司设计单位:四川省泸州地质勘察施工公司监理单位:四川江阳工程项目管理监理有限公司设计钻孔直径:φ91mm 钻机型号:xy-30 锚孔倾角15°钢筋型号:1Φ25;Φ14连接筋φ网片筋间距为:200×200记录员:施工单位:重庆市基础工程有限公司注:锚杆灌浆材料及配合比为水泥:砂:水锚杆注浆施工记录表工程名称:天立·水晶郦苑边坡治理锚喷工程建设单位:泸州市兴胜房地产开发有限公司设计单位:四川省泸州地质勘察施工公司监理单位:四川江阳工程项目管理监理有限公司设计钻孔直径:φ91mm 钻机型号:xy-30 锚孔倾角15°钢筋型号:1Φ25;Φ14连接筋φ网片筋间距为:200×200记录员:施工单位:重庆市基础工程有限公司注:锚杆灌浆材料及配合比为水泥:砂:水锚杆注浆施工记录表工程名称:天立·水晶郦苑边坡治理锚喷工程建设单位:泸州市兴胜房地产开发有限公司设计单位:四川省泸州地质勘察施工公司监理单位:四川江阳工程项目管理监理有限公司设计钻孔直径:φ91mm 钻机型号:xy-30 锚孔倾角15°钢筋型号:1Φ25;Φ14连接筋φ网片筋间距为:200×200记录员:施工单位:重庆市基础工程有限公司注:锚杆灌浆材料及配合比为水泥:砂:水锚杆注浆施工记录表工程名称:天立·水晶郦苑边坡治理锚喷工程建设单位:泸州市兴胜房地产开发有限公司设计单位:四川省泸州地质勘察施工公司监理单位:四川江阳工程项目管理监理有限公司设计钻孔直径:φ91mm 钻机型号:xy-30 锚孔倾角15°钢筋型号:1Φ25;Φ14连接筋φ网片筋间距为:200×200记录员:施工单位:重庆市基础工程有限公司注:锚杆灌浆材料及配合比为水泥:砂:水锚杆注浆施工记录表工程名称:天立·水晶郦苑边坡治理锚喷工程建设单位:泸州市兴胜房地产开发有限公司。
锚杆注浆施工记录表工程名称:建设单位:设计单位:监理单位:设计钻孔直径:φ110mm 钻机型号:xy-30 锚孔倾角15°钢筋型号:记录员:施工单位:注:锚杆灌浆材料及配合比为水泥:砂:水锚杆注浆施工记录表工程名称:天立·水晶郦苑边坡治理锚喷工程建设单位:泸州市兴胜房地产开发有限公司设计单位:四川省泸州地质勘察施工公司监理单位:四川江阳工程项目管理监理有限公司设计钻孔直径:φ91mm 钻机型号:xy-30 锚孔倾角15°钢筋型号:1Φ25;Φ14连接筋φ网片筋间距为:200×200记录员:施工单位:重庆市基础工程有限公司注:锚杆灌浆材料及配合比为水泥:砂:水锚杆注浆施工记录表工程名称:天立·水晶郦苑边坡治理锚喷工程建设单位:泸州市兴胜房地产开发有限公司设计单位:四川省泸州地质勘察施工公司监理单位:四川江阳工程项目管理监理有限公司设计钻孔直径:φ91mm 钻机型号:xy-30 锚孔倾角15°钢筋型号:1Φ25;Φ14连接筋φ网片筋间距为:200×200记录员:施工单位:重庆市基础工程有限公司注:锚杆灌浆材料及配合比为水泥:砂:水锚杆注浆施工记录表工程名称:天立·水晶郦苑边坡治理锚喷工程建设单位:泸州市兴胜房地产开发有限公司设计单位:四川省泸州地质勘察施工公司监理单位:四川江阳工程项目管理监理有限公司设计钻孔直径:φ91mm 钻机型号:xy-30 锚孔倾角15°钢筋型号:1Φ25;Φ14连接筋φ网片筋间距为:200×200施工部位:7号楼内侧2面记录员:施工单位:重庆市基础工程有限公司注:锚杆灌浆材料及配合比为水泥:砂:水锚杆注浆施工记录表工程名称:天立·水晶郦苑边坡治理锚喷工程建设单位:泸州市兴胜房地产开发有限公司设计单位:四川省泸州地质勘察施工公司监理单位:四川江阳工程项目管理监理有限公司设计钻孔直径:φ91mm 钻机型号:xy-30 锚孔倾角15°钢筋型号:1Φ25;Φ14连接筋φ网片筋间距为:200×200记录员:施工单位:重庆市基础工程有限公司注:锚杆灌浆材料及配合比为水泥:砂:水锚杆注浆施工记录表工程名称:天立·水晶郦苑边坡治理锚喷工程建设单位:泸州市兴胜房地产开发有限公司设计单位:四川省泸州地质勘察施工公司监理单位:四川江阳工程项目管理监理有限公司设计钻孔直径:φ91mm 钻机型号:xy-30 锚孔倾角15°钢筋型号:1Φ25;Φ14连接筋φ网片筋间距为:200×200记录员:施工单位:重庆市基础工程有限公司注:锚杆灌浆材料及配合比为水泥:砂:水锚杆注浆施工记录表工程名称:天立·水晶郦苑边坡治理锚喷工程建设单位:泸州市兴胜房地产开发有限公司设计单位:四川省泸州地质勘察施工公司监理单位:四川江阳工程项目管理监理有限公司设计钻孔直径:φ91mm 钻机型号:xy-30 锚孔倾角15°钢筋型号:1Φ25;Φ14连接筋φ网片筋间距为:200×200记录员:施工单位:重庆市基础工程有限公司注:锚杆灌浆材料及配合比为水泥:砂:水锚杆注浆施工记录表工程名称:天立·水晶郦苑边坡治理锚喷工程建设单位:泸州市兴胜房地产开发有限公司设计单位:四川省泸州地质勘察施工公司监理单位:四川江阳工程项目管理监理有限公司设计钻孔直径:φ91mm 钻机型号:xy-30 锚孔倾角15°钢筋型号:1Φ25;Φ14连接筋φ网片筋间距为:200×200记录员:施工单位:重庆市基础工程有限公司注:锚杆灌浆材料及配合比为水泥:砂:水锚杆注浆施工记录表工程名称:天立·水晶郦苑边坡治理锚喷工程建设单位:泸州市兴胜房地产开发有限公司设计单位:四川省泸州地质勘察施工公司监理单位:四川江阳工程项目管理监理有限公司设计钻孔直径:φ91mm 钻机型号:xy-30 锚孔倾角15°钢筋型号:1Φ25;Φ14连接筋φ网片筋间距为:200×200记录员:施工单位:重庆市基础工程有限公司注:锚杆灌浆材料及配合比为水泥:砂:水锚杆注浆施工记录表工程名称:天立·水晶郦苑边坡治理锚喷工程建设单位:泸州市兴胜房地产开发有限公司设计单位:四川省泸州地质勘察施工公司监理单位:四川江阳工程项目管理监理有限公司设计钻孔直径:φ91mm 钻机型号:xy-30 锚孔倾角15°钢筋型号:1Φ25;Φ14连接筋φ网片筋间距为:200×200记录员:施工单位:重庆市基础工程有限公司注:锚杆灌浆材料及配合比为水泥:砂:水锚杆注浆施工记录表工程名称:天立·水晶郦苑边坡治理锚喷工程建设单位:泸州市兴胜房地产开发有限公司设计单位:四川省泸州地质勘察施工公司监理单位:四川江阳工程项目管理监理有限公司设计钻孔直径:φ91mm 钻机型号:xy-30 锚孔倾角15°钢筋型号:1Φ25;Φ14连接筋φ网片筋间距为:200×200记录员:施工单位:重庆市基础工程有限公司注:锚杆灌浆材料及配合比为水泥:砂:水锚杆注浆施工记录表工程名称:天立·水晶郦苑边坡治理锚喷工程建设单位:泸州市兴胜房地产开发有限公司设计单位:四川省泸州地质勘察施工公司监理单位:四川江阳工程项目管理监理有限公司设计钻孔直径:φ91mm 钻机型号:xy-30 锚孔倾角15°钢筋型号:1Φ25;Φ14连接筋φ网片筋间距为:200×200记录员:施工单位:重庆市基础工程有限公司注:锚杆灌浆材料及配合比为水泥:砂:水锚杆注浆施工记录表工程名称:天立·水晶郦苑边坡治理锚喷工程建设单位:泸州市兴胜房地产开发有限公司设计单位:四川省泸州地质勘察施工公司监理单位:四川江阳工程项目管理监理有限公司设计钻孔直径:φ91mm 钻机型号:xy-30 锚孔倾角15°钢筋型号:1Φ25;Φ14连接筋φ网片筋间距为:200×200记录员:施工单位:重庆市基础工程有限公司注:锚杆灌浆材料及配合比为水泥:砂:水锚杆注浆施工记录表工程名称:天立·水晶郦苑边坡治理锚喷工程建设单位:泸州市兴胜房地产开发有限公司设计单位:四川省泸州地质勘察施工公司监理单位:四川江阳工程项目管理监理有限公司设计钻孔直径:φ91mm 钻机型号:xy-30 锚孔倾角15°钢筋型号:1Φ25;Φ14连接筋φ网片筋间距为:200×200记录员:施工单位:重庆市基础工程有限公司注:锚杆灌浆材料及配合比为水泥:砂:水锚杆注浆施工记录表工程名称:天立·水晶郦苑边坡治理锚喷工程建设单位:泸州市兴胜房地产开发有限公司设计单位:四川省泸州地质勘察施工公司监理单位:四川江阳工程项目管理监理有限公司设计钻孔直径:φ91mm 钻机型号:xy-30 锚孔倾角15°钢筋型号:1Φ25;Φ14连接筋φ网片筋间距为:200×200记录员:施工单位:重庆市基础工程有限公司注:锚杆灌浆材料及配合比为水泥:砂:水锚杆注浆施工记录表工程名称:天立·水晶郦苑边坡治理锚喷工程建设单位:泸州市兴胜房地产开发有限公司设计单位:四川省泸州地质勘察施工公司监理单位:四川江阳工程项目管理监理有限公司设计钻孔直径:φ91mm 钻机型号:xy-30 锚孔倾角15°钢筋型号:1Φ25;Φ14连接筋φ网片筋间距为:200×200施工部位:8楼内侧4坡面记录员:施工单位:重庆市基础工程有限公司注:锚杆灌浆材料及配合比为水泥:砂:水锚杆注浆施工记录表工程名称:天立·水晶郦苑边坡治理锚喷工程建设单位:泸州市兴胜房地产开发有限公司设计单位:四川省泸州地质勘察施工公司监理单位:四川江阳工程项目管理监理有限公司设计钻孔直径:φ91mm 钻机型号:xy-30 锚孔倾角15°钢筋型号:1Φ25;Φ14连接筋φ网片筋间距为:200×200记录员:施工单位:重庆市基础工程有限公司注:锚杆灌浆材料及配合比为水泥:砂:水锚杆注浆施工记录表工程名称:天立·水晶郦苑边坡治理锚喷工程建设单位:泸州市兴胜房地产开发有限公司设计单位:四川省泸州地质勘察施工公司监理单位:四川江阳工程项目管理监理有限公司设计钻孔直径:φ91mm 钻机型号:xy-30 锚孔倾角15°钢筋型号:1Φ25;Φ14连接筋φ网片筋间距为:200×200记录员:施工单位:重庆市基础工程有限公司注:锚杆灌浆材料及配合比为水泥:砂:水锚杆注浆施工记录表工程名称:天立·水晶郦苑边坡治理锚喷工程建设单位:泸州市兴胜房地产开发有限公司设计单位:四川省泸州地质勘察施工公司监理单位:四川江阳工程项目管理监理有限公司设计钻孔直径:φ91mm 钻机型号:xy-30 锚孔倾角15°钢筋型号:1Φ25;Φ14连接筋φ网片筋间距为:200×200记录员:施工单位:重庆市基础工程有限公司注:锚杆灌浆材料及配合比为水泥:砂:水锚杆注浆施工记录表工程名称:天立·水晶郦苑边坡治理锚喷工程建设单位:泸州市兴胜房地产开发有限公司设计单位:四川省泸州地质勘察施工公司监理单位:四川江阳工程项目管理监理有限公司设计钻孔直径:φ25mm 钻机型号:FG-30 锚孔倾角15°钢筋型号:1Φ14;Φ14连接筋φ网片筋间距为:300×300记录员:施工单位:重庆市基础工程有限公司注:锚杆灌浆材料及配合比为水泥:砂:水锚杆注浆施工记录表工程名称:天立·水晶郦苑边坡治理锚喷工程建设单位:泸州市兴胜房地产开发有限公司设计单位:四川省泸州地质勘察施工公司监理单位:四川江阳工程项目管理监理有限公司设计钻孔直径:φ25mm 钻机型号:FG-30 锚孔倾角15°钢筋型号:1Φ14;Φ14连接筋φ网片筋间距为:300×300记录员:施工单位:重庆市基础工程有限公司注:锚杆灌浆材料及配合比为水泥:砂:水锚杆注浆施工记录表工程名称:天立·水晶郦苑边坡治理锚喷工程建设单位:泸州市兴胜房地产开发有限公司设计单位:四川省泸州地质勘察施工公司监理单位:四川江阳工程项目管理监理有限公司设计钻孔直径:φ25mm 钻机型号:FG-30 锚孔倾角15°钢筋型号:1Φ14;Φ14连接筋φ网片筋间距为:300×300记录员:施工单位:重庆市基础工程有限公司注:锚杆灌浆材料及配合比为水泥:砂:水锚杆注浆施工记录表工程名称:天立·水晶郦苑边坡治理锚喷工程建设单位:泸州市兴胜房地产开发有限公司设计单位:四川省泸州地质勘察施工公司监理单位:四川江阳工程项目管理监理有限公司设计钻孔直径:φ25mm 钻机型号:FG-30 锚孔倾角15°钢筋型号:1Φ14;Φ14连接筋φ网片筋间距为:300×300记录员:施工单位:重庆市基础工程有限公司注:锚杆灌浆材料及配合比为水泥:砂:水锚杆注浆施工记录表工程名称:天立·水晶郦苑边坡治理锚喷工程建设单位:泸州市兴胜房地产开发有限公司设计单位:四川省泸州地质勘察施工公司监理单位:四川江阳工程项目管理监理有限公司设计钻孔直径:φ25mm 钻机型号:FG-30 锚孔倾角15°钢筋型号:1Φ14;Φ14连接筋φ网片筋间距为:300×300记录员:施工单位:重庆市基础工程有限公司注:锚杆灌浆材料及配合比为水泥:砂:水锚杆注浆施工记录表工程名称:天立·水晶郦苑边坡治理锚喷工程建设单位:泸州市兴胜房地产开发有限公司设计单位:四川省泸州地质勘察施工公司监理单位:四川江阳工程项目管理监理有限公司设计钻孔直径:φ25mm 钻机型号:FG-30 锚孔倾角15°钢筋型号:1Φ14;Φ14连接筋φ网片筋间距为:300×300记录员:施工单位:重庆市基础工程有限公司注:锚杆灌浆材料及配合比为水泥:砂:水锚杆注浆施工记录表工程名称:天立·水晶郦苑边坡治理锚喷工程建设单位:泸州市兴胜房地产开发有限公司设计单位:四川省泸州地质勘察施工公司监理单位:四川江阳工程项目管理监理有限公司设计钻孔直径:φ25mm 钻机型号:FG-30 锚孔倾角15°钢筋型号:1Φ14;Φ14连接筋φ网片筋间距为:300×300记录员:施工单位:重庆市基础工程有限公司注:锚杆灌浆材料及配合比为水泥:砂:水锚杆注浆施工记录表工程名称:天立·水晶郦苑边坡治理锚喷工程建设单位:泸州市兴胜房地产开发有限公司设计单位:四川省泸州地质勘察施工公司监理单位:四川江阳工程项目管理监理有限公司设计钻孔直径:φ25mm 钻机型号:FG-30 锚孔倾角15°钢筋型号:1Φ14;Φ14连接筋φ网片筋间距为:300×300记录员:施工单位:重庆市基础工程有限公司注:锚杆灌浆材料及配合比为水泥:砂:水锚杆注浆施工记录表工程名称:天立·水晶郦苑边坡治理锚喷工程建设单位:泸州市兴胜房地产开发有限公司设计单位:四川省泸州地质勘察施工公司监理单位:四川江阳工程项目管理监理有限公司设计钻孔直径:φ25mm 钻机型号:FG-30 锚孔倾角15°钢筋型号:1Φ14;Φ14连接筋φ网片筋间距为:300×300施工部位:8楼内侧3坡面记录员:施工单位:重庆市基础工程有限公司注:锚杆灌浆材料及配合比为水泥:砂:水锚杆注浆施工记录表工程名称:天立·水晶郦苑边坡治理锚喷工程建设单位:泸州市兴胜房地产开发有限公司设计单位:四川省泸州地质勘察施工公司监理单位:四川江阳工程项目管理监理有限公司设计钻孔直径:φ25mm 钻机型号:FG-30 锚孔倾角15°钢筋型号:1Φ14;Φ14连接筋φ网片筋间距为:300×300记录员:施工单位:重庆市基础工程有限公司注:锚杆灌浆材料及配合比为水泥:砂:水锚杆注浆施工记录表工程名称:天立·水晶郦苑边坡治理锚喷工程建设单位:泸州市兴胜房地产开发有限公司设计单位:四川省泸州地质勘察施工公司监理单位:四川江阳工程项目管理监理有限公司设计钻孔直径:φ25mm 钻机型号:FG-30 锚孔倾角15°钢筋型号:1Φ14;Φ14连接筋φ网片筋间距为:300×300记录员:施工单位:重庆市基础工程有限公司注:锚杆灌浆材料及配合比为水泥:砂:水锚杆注浆施工记录表工程名称:天立·水晶郦苑边坡治理锚喷工程建设单位:泸州市兴胜房地产开发有限公司设计单位:四川省泸州地质勘察施工公司监理单位:四川江阳工程项目管理监理有限公司设计钻孔直径:φ25mm 钻机型号:FG-30 锚孔倾角15°钢筋型号:1Φ14;Φ14连接筋φ网片筋间距为:300×300记录员:施工单位:重庆市基础工程有限公司注:锚杆灌浆材料及配合比为水泥:砂:水锚杆注浆施工记录表工程名称:天立·水晶郦苑边坡治理锚喷工程建设单位:泸州市兴胜房地产开发有限公司设计单位:四川省泸州地质勘察施工公司监理单位:四川江阳工程项目管理监理有限公司设计钻孔直径:φ25mm 钻机型号:FG-30 锚孔倾角15°钢筋型号:1Φ14;Φ14连接筋φ网片筋间距为:300×300记录员:施工单位:重庆市基础工程有限公司注:锚杆灌浆材料及配合比为水泥:砂:水锚杆注浆施工记录表工程名称:天立·水晶郦苑边坡治理锚喷工程建设单位:泸州市兴胜房地产开发有限公司设计单位:四川省泸州地质勘察施工公司监理单位:四川江阳工程项目管理监理有限公司设计钻孔直径:φ25mm 钻机型号:FG-30 锚孔倾角15°钢筋型号:1Φ14;Φ14连接筋φ网片筋间距为:300×300记录员:施工单位:重庆市基础工程有限公司注:锚杆灌浆材料及配合比为水泥:砂:水锚杆注浆施工记录表工程名称:天立·水晶郦苑边坡治理锚喷工程建设单位:泸州市兴胜房地产开发有限公司设计单位:四川省泸州地质勘察施工公司监理单位:四川江阳工程项目管理监理有限公司设计钻孔直径:φ25mm 钻机型号:FG-30 锚孔倾角15°钢筋型号:1Φ14;Φ14连接筋φ网片筋间距为:300×300记录员:施工单位:重庆市基础工程有限公司注:锚杆灌浆材料及配合比为水泥:砂:水。
锚杆注浆施工记录表工程名称:大锦山环山路东肖接线工程设计钻孔直径:φ130mm 钻机型号:xy-30 锚孔倾角15°钢筋型号:φ28记录员:施工单位:福建惠丰建筑工程有限公司注:锚杆灌浆材料及配合比为水泥:砂:水锚杆注浆施工记录表工程名称:天立·水晶郦苑边坡治理锚喷工程建设单位:泸州市兴胜房地产开发有限公司设计单位:四川省泸州地质勘察施工公司监理单位:四川江阳工程项目管理监理有限公司设计钻孔直径:φ91mm 钻机型号:xy-30 锚孔倾角15°钢筋型号:1Φ25;Φ14连接筋φ6.5网片筋间距为:200×200记录员:施工单位:重庆市基础工程有限公司注:锚杆灌浆材料及配合比为水泥:砂:水锚杆注浆施工记录表工程名称:天立·水晶郦苑边坡治理锚喷工程建设单位:泸州市兴胜房地产开发有限公司设计单位:四川省泸州地质勘察施工公司监理单位:四川江阳工程项目管理监理有限公司设计钻孔直径:φ91mm 钻机型号:xy-30 锚孔倾角15°钢筋型号:1Φ25;Φ14连接筋φ6.5网片筋间距为:200×200记录员:施工单位:重庆市基础工程有限公司注:锚杆灌浆材料及配合比为水泥:砂:水锚杆注浆施工记录表工程名称:天立·水晶郦苑边坡治理锚喷工程建设单位:泸州市兴胜房地产开发有限公司设计单位:四川省泸州地质勘察施工公司监理单位:四川江阳工程项目管理监理有限公司设计钻孔直径:φ91mm 钻机型号:xy-30 锚孔倾角15°钢筋型号:1Φ25;Φ14连接筋φ6.5网片筋间距为:200×200记录员:施工单位:重庆市基础工程有限公司注:锚杆灌浆材料及配合比为水泥:砂:水锚杆注浆施工记录表工程名称:天立·水晶郦苑边坡治理锚喷工程建设单位:泸州市兴胜房地产开发有限公司设计单位:四川省泸州地质勘察施工公司监理单位:四川江阳工程项目管理监理有限公司设计钻孔直径:φ91mm 钻机型号:xy-30 锚孔倾角15°钢筋型号:1Φ25;Φ14连接筋φ6.5网片筋间距为:200×200记录员:施工单位:重庆市基础工程有限公司注:锚杆灌浆材料及配合比为水泥:砂:水锚杆注浆施工记录表工程名称:天立·水晶郦苑边坡治理锚喷工程建设单位:泸州市兴胜房地产开发有限公司设计单位:四川省泸州地质勘察施工公司监理单位:四川江阳工程项目管理监理有限公司设计钻孔直径:φ91mm 钻机型号:xy-30 锚孔倾角15°钢筋型号:1Φ25;Φ14连接筋φ6.5网片筋间距为:200×200记录员:施工单位:重庆市基础工程有限公司注:锚杆灌浆材料及配合比为水泥:砂:水锚杆注浆施工记录表工程名称:天立·水晶郦苑边坡治理锚喷工程建设单位:泸州市兴胜房地产开发有限公司设计单位:四川省泸州地质勘察施工公司监理单位:四川江阳工程项目管理监理有限公司设计钻孔直径:φ91mm 钻机型号:xy-30 锚孔倾角15°钢筋型号:1Φ25;Φ14连接筋φ6.5网片筋间距为:200×200记录员:施工单位:重庆市基础工程有限公司注:锚杆灌浆材料及配合比为水泥:砂:水锚杆注浆施工记录表工程名称:天立·水晶郦苑边坡治理锚喷工程建设单位:泸州市兴胜房地产开发有限公司设计单位:四川省泸州地质勘察施工公司监理单位:四川江阳工程项目管理监理有限公司设计钻孔直径:φ91mm 钻机型号:xy-30 锚孔倾角15°钢筋型号:1Φ25;Φ14连接筋φ6.5网片筋间距为:200×200记录员:施工单位:重庆市基础工程有限公司注:锚杆灌浆材料及配合比为水泥:砂:水锚杆注浆施工记录表工程名称:天立·水晶郦苑边坡治理锚喷工程建设单位:泸州市兴胜房地产开发有限公司设计单位:四川省泸州地质勘察施工公司监理单位:四川江阳工程项目管理监理有限公司设计钻孔直径:φ91mm 钻机型号:xy-30 锚孔倾角15°钢筋型号:1Φ25;Φ14连接筋φ6.5网片筋间距为:200×200记录员:施工单位:重庆市基础工程有限公司注:锚杆灌浆材料及配合比为水泥:砂:水锚杆注浆施工记录表工程名称:天立·水晶郦苑边坡治理锚喷工程建设单位:泸州市兴胜房地产开发有限公司设计单位:四川省泸州地质勘察施工公司监理单位:四川江阳工程项目管理监理有限公司设计钻孔直径:φ91mm 钻机型号:xy-30 锚孔倾角15°钢筋型号:1Φ25;Φ14连接筋φ6.5网片筋间距为:200×200记录员:施工单位:重庆市基础工程有限公司注:锚杆灌浆材料及配合比为水泥:砂:水锚杆注浆施工记录表工程名称:天立·水晶郦苑边坡治理锚喷工程建设单位:泸州市兴胜房地产开发有限公司设计单位:四川省泸州地质勘察施工公司监理单位:四川江阳工程项目管理监理有限公司设计钻孔直径:φ91mm 钻机型号:xy-30 锚孔倾角15°钢筋型号:1Φ25;Φ14连接筋φ6.5网片筋间距为:200×200记录员:施工单位:重庆市基础工程有限公司注:锚杆灌浆材料及配合比为水泥:砂:水锚杆注浆施工记录表工程名称:天立·水晶郦苑边坡治理锚喷工程建设单位:泸州市兴胜房地产开发有限公司设计单位:四川省泸州地质勘察施工公司监理单位:四川江阳工程项目管理监理有限公司设计钻孔直径:φ91mm 钻机型号:xy-30 锚孔倾角15°钢筋型号:1Φ25;Φ14连接筋φ6.5网片筋间距为:200×200记录员:施工单位:重庆市基础工程有限公司注:锚杆灌浆材料及配合比为水泥:砂:水锚杆注浆施工记录表工程名称:天立·水晶郦苑边坡治理锚喷工程建设单位:泸州市兴胜房地产开发有限公司设计单位:四川省泸州地质勘察施工公司监理单位:四川江阳工程项目管理监理有限公司设计钻孔直径:φ91mm 钻机型号:xy-30 锚孔倾角15°钢筋型号:1Φ25;Φ14连接筋φ6.5网片筋间距为:200×200记录员:施工单位:重庆市基础工程有限公司注:锚杆灌浆材料及配合比为水泥:砂:水锚杆注浆施工记录表工程名称:天立·水晶郦苑边坡治理锚喷工程建设单位:泸州市兴胜房地产开发有限公司设计单位:四川省泸州地质勘察施工公司监理单位:四川江阳工程项目管理监理有限公司设计钻孔直径:φ91mm 钻机型号:xy-30 锚孔倾角15°钢筋型号:1Φ25;Φ14连接筋φ6.5网片筋间距为:200×200记录员:施工单位:重庆市基础工程有限公司注:锚杆灌浆材料及配合比为水泥:砂:水锚杆注浆施工记录表工程名称:天立·水晶郦苑边坡治理锚喷工程建设单位:泸州市兴胜房地产开发有限公司设计单位:四川省泸州地质勘察施工公司监理单位:四川江阳工程项目管理监理有限公司设计钻孔直径:φ91mm 钻机型号:xy-30 锚孔倾角15°钢筋型号:1Φ25;Φ14连接筋φ6.5网片筋间距为:200×200记录员:施工单位:重庆市基础工程有限公司注:锚杆灌浆材料及配合比为水泥:砂:水锚杆注浆施工记录表工程名称:天立·水晶郦苑边坡治理锚喷工程建设单位:泸州市兴胜房地产开发有限公司设计单位:四川省泸州地质勘察施工公司监理单位:四川江阳工程项目管理监理有限公司设计钻孔直径:φ91mm 钻机型号:xy-30 锚孔倾角15°钢筋型号:1Φ25;Φ14连接筋φ6.5网片筋间距为:200×200记录员:施工单位:重庆市基础工程有限公司注:锚杆灌浆材料及配合比为水泥:砂:水锚杆注浆施工记录表工程名称:天立·水晶郦苑边坡治理锚喷工程建设单位:泸州市兴胜房地产开发有限公司设计单位:四川省泸州地质勘察施工公司监理单位:四川江阳工程项目管理监理有限公司设计钻孔直径:φ91mm 钻机型号:xy-30 锚孔倾角15°钢筋型号:1Φ25;Φ14连接筋φ6.5网片筋间距为:200×200记录员:施工单位:重庆市基础工程有限公司注:锚杆灌浆材料及配合比为水泥:砂:水锚杆注浆施工记录表工程名称:天立·水晶郦苑边坡治理锚喷工程建设单位:泸州市兴胜房地产开发有限公司设计单位:四川省泸州地质勘察施工公司监理单位:四川江阳工程项目管理监理有限公司设计钻孔直径:φ91mm 钻机型号:xy-30 锚孔倾角15°钢筋型号:1Φ25;Φ14连接筋φ6.5网片筋间距为:200×200记录员:施工单位:重庆市基础工程有限公司注:锚杆灌浆材料及配合比为水泥:砂:水锚杆注浆施工记录表工程名称:天立·水晶郦苑边坡治理锚喷工程建设单位:泸州市兴胜房地产开发有限公司设计单位:四川省泸州地质勘察施工公司监理单位:四川江阳工程项目管理监理有限公司设计钻孔直径:φ91mm 钻机型号:xy-30 锚孔倾角15°钢筋型号:1Φ25;Φ14连接筋φ6.5网片筋间距为:200×200。
锚杆注浆施工记录表工程名称:建设单位:设计单位:监理单位:设计钻孔直径:φ110mm 钻机型号:xy-30 锚孔倾角15°钢筋型号:施工部位:记录员:施工单位:注:锚杆灌浆材料及配合比为水泥:砂:水锚杆注浆施工记录表工程名称:天立·水晶郦苑边坡治理锚喷工程建设单位:泸州市兴胜房地产开发有限公司设计单位:四川省泸州地质勘察施工公司监理单位:四川江阳工程项目管理监理有限公司设计钻孔直径:φ91mm 钻机型号:xy-30 锚孔倾角15°钢筋型号:1Φ25;Φ14连接筋φ6.5网片筋间距为:200×200 施工部位:7号楼内侧1坡面记录员:施工单位:重庆市基础工程有限公司注:锚杆灌浆材料及配合比为水泥:砂:水锚杆注浆施工记录表工程名称:天立·水晶郦苑边坡治理锚喷工程建设单位:泸州市兴胜房地产开发有限公司设计单位:四川省泸州地质勘察施工公司监理单位:四川江阳工程项目管理监理有限公司设计钻孔直径:φ91mm 钻机型号:xy-30 锚孔倾角15°钢筋型号:1Φ25;Φ14连接筋φ6.5网片筋间距为:200×200施工部位:7号楼内侧2面记录员:施工单位:重庆市基础工程有限公司注:锚杆灌浆材料及配合比为水泥:砂:水锚杆注浆施工记录表工程名称:天立·水晶郦苑边坡治理锚喷工程建设单位:泸州市兴胜房地产开发有限公司设计单位:四川省泸州地质勘察施工公司监理单位:四川江阳工程项目管理监理有限公司设计钻孔直径:φ91mm 钻机型号:xy-30 锚孔倾角15°钢筋型号:1Φ25;Φ14连接筋φ6.5网片筋间距为:200×200 施工部位:7号楼内侧2面记录员:施工单位:重庆市基础工程有限公司注:锚杆灌浆材料及配合比为水泥:砂:水锚杆注浆施工记录表工程名称:天立·水晶郦苑边坡治理锚喷工程建设单位:泸州市兴胜房地产开发有限公司设计单位:四川省泸州地质勘察施工公司监理单位:四川江阳工程项目管理监理有限公司设计钻孔直径:φ91mm 钻机型号:xy-30 锚孔倾角15°钢筋型号:1Φ25;Φ14连接筋φ6.5网片筋间距为:200×200施工部位:7号楼内侧2面记录员:施工单位:重庆市基础工程有限公司注:锚杆灌浆材料及配合比为水泥:砂:水锚杆注浆施工记录表工程名称:天立·水晶郦苑边坡治理锚喷工程建设单位:泸州市兴胜房地产开发有限公司设计单位:四川省泸州地质勘察施工公司监理单位:四川江阳工程项目管理监理有限公司设计钻孔直径:φ91mm 钻机型号:xy-30 锚孔倾角15°钢筋型号:1Φ25;Φ14连接筋φ6.5网片筋间距为:200×200施工部位:8楼内侧3记录员:施工单位:重庆市基础工程有限公司注:锚杆灌浆材料及配合比为水泥:砂:水锚杆注浆施工记录表工程名称:天立·水晶郦苑边坡治理锚喷工程建设单位:泸州市兴胜房地产开发有限公司设计单位:四川省泸州地质勘察施工公司监理单位:四川江阳工程项目管理监理有限公司设计钻孔直径:φ91mm 钻机型号:xy-30 锚孔倾角15°钢筋型号:1Φ25;Φ14连接筋φ6.5网片筋间距为:200×200施工部位:8号楼内侧3坡面记录员:施工单位:重庆市基础工程有限公司注:锚杆灌浆材料及配合比为水泥:砂:水锚杆注浆施工记录表工程名称:天立·水晶郦苑边坡治理锚喷工程建设单位:泸州市兴胜房地产开发有限公司设计单位:四川省泸州地质勘察施工公司监理单位:四川江阳工程项目管理监理有限公司设计钻孔直径:φ91mm 钻机型号:xy-30 锚孔倾角15°钢筋型号:1Φ25;Φ14连接筋φ6.5网片筋间距为:200×200 施工部位:8楼内侧3记录员:施工单位:重庆市基础工程有限公司注:锚杆灌浆材料及配合比为水泥:砂:水锚杆注浆施工记录表工程名称:天立·水晶郦苑边坡治理锚喷工程建设单位:泸州市兴胜房地产开发有限公司设计单位:四川省泸州地质勘察施工公司监理单位:四川江阳工程项目管理监理有限公司设计钻孔直径:φ91mm 钻机型号:xy-30 锚孔倾角15°钢筋型号:1Φ25;Φ14连接筋φ6.5网片筋间距为:200×200施工部位:8号楼内侧3坡面记录员:施工单位:重庆市基础工程有限公司注:锚杆灌浆材料及配合比为水泥:砂:水锚杆注浆施工记录表工程名称:天立·水晶郦苑边坡治理锚喷工程建设单位:泸州市兴胜房地产开发有限公司设计单位:四川省泸州地质勘察施工公司监理单位:四川江阳工程项目管理监理有限公司设计钻孔直径:φ91mm 钻机型号:xy-30 锚孔倾角15°钢筋型号:1Φ25;Φ14连接筋φ6.5网片筋间距为:200×200 施工部位:8楼内侧3记录员:施工单位:重庆市基础工程有限公司注:锚杆灌浆材料及配合比为水泥:砂:水锚杆注浆施工记录表工程名称:天立·水晶郦苑边坡治理锚喷工程建设单位:泸州市兴胜房地产开发有限公司设计单位:四川省泸州地质勘察施工公司监理单位:四川江阳工程项目管理监理有限公司设计钻孔直径:φ91mm 钻机型号:xy-30 锚孔倾角15°钢筋型号:1Φ25;Φ14连接筋φ6.5网片筋间距为:200×200施工部位:8号楼内侧3坡面记录员:施工单位:重庆市基础工程有限公司注:锚杆灌浆材料及配合比为水泥:砂:水锚杆注浆施工记录表工程名称:天立·水晶郦苑边坡治理锚喷工程建设单位:泸州市兴胜房地产开发有限公司设计单位:四川省泸州地质勘察施工公司监理单位:四川江阳工程项目管理监理有限公司设计钻孔直径:φ91mm 钻机型号:xy-30 锚孔倾角15°钢筋型号:1Φ25;Φ14连接筋φ6.5网片筋间距为:200×200 施工部位:8楼内侧3记录员:施工单位:重庆市基础工程有限公司注:锚杆灌浆材料及配合比为水泥:砂:水锚杆注浆施工记录表工程名称:天立·水晶郦苑边坡治理锚喷工程建设单位:泸州市兴胜房地产开发有限公司设计单位:四川省泸州地质勘察施工公司监理单位:四川江阳工程项目管理监理有限公司设计钻孔直径:φ91mm 钻机型号:xy-30 锚孔倾角15°钢筋型号:1Φ25;Φ14连接筋φ6.5网片筋间距为:200×200施工部位:8号楼内侧3坡面记录员:施工单位:重庆市基础工程有限公司注:锚杆灌浆材料及配合比为水泥:砂:水锚杆注浆施工记录表工程名称:天立·水晶郦苑边坡治理锚喷工程建设单位:泸州市兴胜房地产开发有限公司设计单位:四川省泸州地质勘察施工公司监理单位:四川江阳工程项目管理监理有限公司设计钻孔直径:φ91mm 钻机型号:xy-30 锚孔倾角15°钢筋型号:1Φ25;Φ14连接筋φ6.5网片筋间距为:200×200施工部位:8楼内侧3坡面记录员:施工单位:重庆市基础工程有限公司注:锚杆灌浆材料及配合比为水泥:砂:水锚杆注浆施工记录表工程名称:天立·水晶郦苑边坡治理锚喷工程建设单位:泸州市兴胜房地产开发有限公司设计单位:四川省泸州地质勘察施工公司监理单位:四川江阳工程项目管理监理有限公司设计钻孔直径:φ91mm 钻机型号:xy-30 锚孔倾角15°钢筋型号:1Φ25;Φ14连接筋φ6.5网片筋间距为:200×200 施工部位:8号楼内侧3坡面记录员:施工单位:重庆市基础工程有限公司注:锚杆灌浆材料及配合比为水泥:砂:水锚杆注浆施工记录表工程名称:天立·水晶郦苑边坡治理锚喷工程建设单位:泸州市兴胜房地产开发有限公司设计单位:四川省泸州地质勘察施工公司监理单位:四川江阳工程项目管理监理有限公司设计钻孔直径:φ91mm 钻机型号:xy-30 锚孔倾角15°钢筋型号:1Φ25;Φ14连接筋φ6.5网片筋间距为:200×200 施工部位:8楼内侧4坡面记录员:施工单位:重庆市基础工程有限公司注:锚杆灌浆材料及配合比为水泥:砂:水锚杆注浆施工记录表工程名称:天立·水晶郦苑边坡治理锚喷工程建设单位:泸州市兴胜房地产开发有限公司设计单位:四川省泸州地质勘察施工公司监理单位:四川江阳工程项目管理监理有限公司设计钻孔直径:φ91mm 钻机型号:xy-30 锚孔倾角15°钢筋型号:1Φ25;Φ14连接筋φ6.5网片筋间距为:200×200 施工部位:8号楼内侧4坡面记录员:施工单位:重庆市基础工程有限公司注:锚杆灌浆材料及配合比为水泥:砂:水锚杆注浆施工记录表工程名称:天立·水晶郦苑边坡治理锚喷工程建设单位:泸州市兴胜房地产开发有限公司设计单位:四川省泸州地质勘察施工公司监理单位:四川江阳工程项目管理监理有限公司设计钻孔直径:φ91mm 钻机型号:xy-30 锚孔倾角15°钢筋型号:1Φ25;Φ14连接筋φ6.5网片筋间距为:200×200 施工部位:8楼内侧4坡面记录员:施工单位:重庆市基础工程有限公司注:锚杆灌浆材料及配合比为水泥:砂:水锚杆注浆施工记录表工程名称:天立·水晶郦苑边坡治理锚喷工程建设单位:泸州市兴胜房地产开发有限公司设计单位:四川省泸州地质勘察施工公司监理单位:四川江阳工程项目管理监理有限公司设计钻孔直径:φ91mm 钻机型号:xy-30 锚孔倾角15°钢筋型号:1Φ25;Φ14连接筋φ6.5网片筋间距为:200×200 施工部位:8号楼内侧4坡面记录员:施工单位:重庆市基础工程有限公司注:锚杆灌浆材料及配合比为水泥:砂:水锚杆注浆施工记录表工程名称:天立·水晶郦苑边坡治理锚喷工程建设单位:泸州市兴胜房地产开发有限公司设计单位:四川省泸州地质勘察施工公司监理单位:四川江阳工程项目管理监理有限公司设计钻孔直径:φ25mm 钻机型号:FG-30 锚孔倾角15°钢筋型号:1Φ14;Φ14连接筋φ6.5网片筋间距为:300×300 施工部位:8楼内侧3坡面记录员:施工单位:重庆市基础工程有限公司注:锚杆灌浆材料及配合比为水泥:砂:水锚杆注浆施工记录表工程名称:天立·水晶郦苑边坡治理锚喷工程建设单位:泸州市兴胜房地产开发有限公司设计单位:四川省泸州地质勘察施工公司监理单位:四川江阳工程项目管理监理有限公司设计钻孔直径:φ25mm 钻机型号:FG-30 锚孔倾角15°钢筋型号:1Φ14;Φ14连接筋φ6.5网片筋间距为:300×300施工部位:8号楼内侧3坡面记录员:施工单位:重庆市基础工程有限公司注:锚杆灌浆材料及配合比为水泥:砂:水锚杆注浆施工记录表工程名称:天立·水晶郦苑边坡治理锚喷工程建设单位:泸州市兴胜房地产开发有限公司设计单位:四川省泸州地质勘察施工公司监理单位:四川江阳工程项目管理监理有限公司设计钻孔直径:φ25mm 钻机型号:FG-30 锚孔倾角15°钢筋型号:1Φ14;Φ14连接筋φ6.5网片筋间距为:300×300 施工部位:8楼内侧3坡面。
工程名称:建设单位:设计单位:监理单位:设计钻孔直径:φ110mm 钻机型号:xy-30 锚孔倾角15°钢筋型号:记录员:施工单位:注:锚杆灌浆材料及配合比为水泥:砂:水工程名称:天立·水晶郦苑边坡治理锚喷工程建设单位:泸州市兴胜房地产开发有限公司设计单位:四川省泸州地质勘察施工公司监理单位:四川江阳工程项目管理监理有限公司设计钻孔直径:φ91mm 钻机型号:xy-30 锚孔倾角15°钢筋型号:1Φ25;Φ14连接筋φ6.5网片筋间距为:200×200记录员:施工单位:重庆市基础工程有限公司注:锚杆灌浆材料及配合比为水泥:砂:水工程名称:天立·水晶郦苑边坡治理锚喷工程建设单位:泸州市兴胜房地产开发有限公司设计单位:四川省泸州地质勘察施工公司监理单位:四川江阳工程项目管理监理有限公司设计钻孔直径:φ91mm 钻机型号:xy-30 锚孔倾角15°钢筋型号:1Φ25;Φ14连接筋φ6.5网片筋间距为:200×200记录员:施工单位:重庆市基础工程有限公司注:锚杆灌浆材料及配合比为水泥:砂:水工程名称:天立·水晶郦苑边坡治理锚喷工程建设单位:泸州市兴胜房地产开发有限公司设计单位:四川省泸州地质勘察施工公司监理单位:四川江阳工程项目管理监理有限公司设计钻孔直径:φ91mm 钻机型号:xy-30 锚孔倾角15°钢筋型号:1Φ25;Φ14连接筋φ6.5网片筋间距为:200×200记录员:施工单位:重庆市基础工程有限公司注:锚杆灌浆材料及配合比为水泥:砂:水工程名称:天立·水晶郦苑边坡治理锚喷工程建设单位:泸州市兴胜房地产开发有限公司设计单位:四川省泸州地质勘察施工公司监理单位:四川江阳工程项目管理监理有限公司设计钻孔直径:φ91mm 钻机型号:xy-30 锚孔倾角15°钢筋型号:1Φ25;Φ14连接筋φ6.5网片筋间距为:200×200记录员:施工单位:重庆市基础工程有限公司注:锚杆灌浆材料及配合比为水泥:砂:水工程名称:天立·水晶郦苑边坡治理锚喷工程建设单位:泸州市兴胜房地产开发有限公司设计单位:四川省泸州地质勘察施工公司监理单位:四川江阳工程项目管理监理有限公司设计钻孔直径:φ91mm 钻机型号:xy-30 锚孔倾角15°钢筋型号:1Φ25;Φ14连接筋φ6.5网片筋间距为:200×200记录员:施工单位:重庆市基础工程有限公司注:锚杆灌浆材料及配合比为水泥:砂:水工程名称:天立·水晶郦苑边坡治理锚喷工程建设单位:泸州市兴胜房地产开发有限公司设计单位:四川省泸州地质勘察施工公司监理单位:四川江阳工程项目管理监理有限公司设计钻孔直径:φ91mm 钻机型号:xy-30 锚孔倾角15°钢筋型号:1Φ25;Φ14连接筋φ6.5网片筋间距为:200×200记录员:施工单位:重庆市基础工程有限公司注:锚杆灌浆材料及配合比为水泥:砂:水工程名称:天立·水晶郦苑边坡治理锚喷工程建设单位:泸州市兴胜房地产开发有限公司设计单位:四川省泸州地质勘察施工公司监理单位:四川江阳工程项目管理监理有限公司设计钻孔直径:φ91mm 钻机型号:xy-30 锚孔倾角15°钢筋型号:1Φ25;Φ14连接筋φ6.5网片筋间距为:200×200记录员:施工单位:重庆市基础工程有限公司注:锚杆灌浆材料及配合比为水泥:砂:水工程名称:天立·水晶郦苑边坡治理锚喷工程建设单位:泸州市兴胜房地产开发有限公司设计单位:四川省泸州地质勘察施工公司监理单位:四川江阳工程项目管理监理有限公司设计钻孔直径:φ91mm 钻机型号:xy-30 锚孔倾角15°钢筋型号:1Φ25;Φ14连接筋φ6.5网片筋间距为:200×200记录员:施工单位:重庆市基础工程有限公司注:锚杆灌浆材料及配合比为水泥:砂:水工程名称:天立·水晶郦苑边坡治理锚喷工程建设单位:泸州市兴胜房地产开发有限公司设计单位:四川省泸州地质勘察施工公司监理单位:四川江阳工程项目管理监理有限公司设计钻孔直径:φ91mm 钻机型号:xy-30 锚孔倾角15°钢筋型号:1Φ25;Φ14连接筋φ6.5网片筋间距为:200×200记录员:施工单位:重庆市基础工程有限公司注:锚杆灌浆材料及配合比为水泥:砂:水工程名称:天立·水晶郦苑边坡治理锚喷工程建设单位:泸州市兴胜房地产开发有限公司设计单位:四川省泸州地质勘察施工公司监理单位:四川江阳工程项目管理监理有限公司设计钻孔直径:φ91mm 钻机型号:xy-30 锚孔倾角15°钢筋型号:1Φ25;Φ14连接筋φ6.5网片筋间距为:200×200记录员:施工单位:重庆市基础工程有限公司注:锚杆灌浆材料及配合比为水泥:砂:水工程名称:天立·水晶郦苑边坡治理锚喷工程建设单位:泸州市兴胜房地产开发有限公司设计单位:四川省泸州地质勘察施工公司监理单位:四川江阳工程项目管理监理有限公司设计钻孔直径:φ91mm 钻机型号:xy-30 锚孔倾角15°钢筋型号:1Φ25;Φ14连接筋φ6.5网片筋间距为:200×200记录员:施工单位:重庆市基础工程有限公司注:锚杆灌浆材料及配合比为水泥:砂:水工程名称:天立·水晶郦苑边坡治理锚喷工程建设单位:泸州市兴胜房地产开发有限公司设计单位:四川省泸州地质勘察施工公司监理单位:四川江阳工程项目管理监理有限公司设计钻孔直径:φ91mm 钻机型号:xy-30 锚孔倾角15°钢筋型号:1Φ25;Φ14连接筋φ6.5网片筋间距为:200×200记录员:施工单位:重庆市基础工程有限公司注:锚杆灌浆材料及配合比为水泥:砂:水工程名称:天立·水晶郦苑边坡治理锚喷工程建设单位:泸州市兴胜房地产开发有限公司设计单位:四川省泸州地质勘察施工公司监理单位:四川江阳工程项目管理监理有限公司设计钻孔直径:φ91mm 钻机型号:xy-30 锚孔倾角15°钢筋型号:1Φ25;Φ14连接筋φ6.5网片筋间距为:200×200记录员:施工单位:重庆市基础工程有限公司注:锚杆灌浆材料及配合比为水泥:砂:水工程名称:天立·水晶郦苑边坡治理锚喷工程建设单位:泸州市兴胜房地产开发有限公司设计单位:四川省泸州地质勘察施工公司监理单位:四川江阳工程项目管理监理有限公司设计钻孔直径:φ91mm 钻机型号:xy-30 锚孔倾角15°钢筋型号:1Φ25;Φ14连接筋φ6.5网片筋间距为:200×200记录员:施工单位:重庆市基础工程有限公司注:锚杆灌浆材料及配合比为水泥:砂:水工程名称:天立·水晶郦苑边坡治理锚喷工程建设单位:泸州市兴胜房地产开发有限公司设计单位:四川省泸州地质勘察施工公司监理单位:四川江阳工程项目管理监理有限公司设计钻孔直径:φ91mm 钻机型号:xy-30 锚孔倾角15°钢筋型号:1Φ25;Φ14连接筋φ6.5网片筋间距为:200×200记录员:施工单位:重庆市基础工程有限公司注:锚杆灌浆材料及配合比为水泥:砂:水工程名称:天立·水晶郦苑边坡治理锚喷工程建设单位:泸州市兴胜房地产开发有限公司设计单位:四川省泸州地质勘察施工公司监理单位:四川江阳工程项目管理监理有限公司设计钻孔直径:φ91mm 钻机型号:xy-30 锚孔倾角15°钢筋型号:1Φ25;Φ14连接筋φ6.5网片筋间距为:200×200记录员:施工单位:重庆市基础工程有限公司注:锚杆灌浆材料及配合比为水泥:砂:水工程名称:天立·水晶郦苑边坡治理锚喷工程建设单位:泸州市兴胜房地产开发有限公司设计单位:四川省泸州地质勘察施工公司监理单位:四川江阳工程项目管理监理有限公司设计钻孔直径:φ91mm 钻机型号:xy-30 锚孔倾角15°钢筋型号:1Φ25;Φ14连接筋φ6.5网片筋间距为:200×200记录员:施工单位:重庆市基础工程有限公司注:锚杆灌浆材料及配合比为水泥:砂:水工程名称:天立·水晶郦苑边坡治理锚喷工程建设单位:泸州市兴胜房地产开发有限公司设计单位:四川省泸州地质勘察施工公司监理单位:四川江阳工程项目管理监理有限公司设计钻孔直径:φ91mm 钻机型号:xy-30 锚孔倾角15°钢筋型号:1Φ25;Φ14连接筋φ6.5网片筋间距为:200×200记录员:施工单位:重庆市基础工程有限公司注:锚杆灌浆材料及配合比为水泥:砂:水工程名称:天立·水晶郦苑边坡治理锚喷工程建设单位:泸州市兴胜房地产开发有限公司设计单位:四川省泸州地质勘察施工公司监理单位:四川江阳工程项目管理监理有限公司设计钻孔直径:φ25mm 钻机型号:FG-30 锚孔倾角15°钢筋型号:1Φ14;Φ14连接筋φ6.5网片筋间距为:300×300记录员:施工单位:重庆市基础工程有限公司注:锚杆灌浆材料及配合比为水泥:砂:水工程名称:天立·水晶郦苑边坡治理锚喷工程建设单位:泸州市兴胜房地产开发有限公司设计单位:四川省泸州地质勘察施工公司监理单位:四川江阳工程项目管理监理有限公司设计钻孔直径:φ25mm 钻机型号:FG-30 锚孔倾角15°钢筋型号:1Φ14;Φ14连接筋φ6.5网片筋间距为:300×300记录员:施工单位:重庆市基础工程有限公司注:锚杆灌浆材料及配合比为水泥:砂:水工程名称:天立·水晶郦苑边坡治理锚喷工程建设单位:泸州市兴胜房地产开发有限公司设计单位:四川省泸州地质勘察施工公司监理单位:四川江阳工程项目管理监理有限公司设计钻孔直径:φ25mm 钻机型号:FG-30 锚孔倾角15°钢筋型号:1Φ14;Φ14连接筋φ6.5网片筋间距为:300×300记录员:施工单位:重庆市基础工程有限公司注:锚杆灌浆材料及配合比为水泥:砂:水工程名称:天立·水晶郦苑边坡治理锚喷工程建设单位:泸州市兴胜房地产开发有限公司设计单位:四川省泸州地质勘察施工公司监理单位:四川江阳工程项目管理监理有限公司设计钻孔直径:φ25mm 钻机型号:FG-30 锚孔倾角15°钢筋型号:1Φ14;Φ14连接筋φ6.5网片筋间距为:300×300记录员:施工单位:重庆市基础工程有限公司注:锚杆灌浆材料及配合比为水泥:砂:水工程名称:天立·水晶郦苑边坡治理锚喷工程建设单位:泸州市兴胜房地产开发有限公司设计单位:四川省泸州地质勘察施工公司监理单位:四川江阳工程项目管理监理有限公司设计钻孔直径:φ25mm 钻机型号:FG-30 锚孔倾角15°钢筋型号:1Φ14;Φ14连接筋φ6.5网片筋间距为:300×300记录员:施工单位:重庆市基础工程有限公司注:锚杆灌浆材料及配合比为水泥:砂:水工程名称:天立·水晶郦苑边坡治理锚喷工程建设单位:泸州市兴胜房地产开发有限公司设计单位:四川省泸州地质勘察施工公司监理单位:四川江阳工程项目管理监理有限公司设计钻孔直径:φ25mm 钻机型号:FG-30 锚孔倾角15°钢筋型号:1Φ14;Φ14连接筋φ6.5网片筋间距为:300×300记录员:施工单位:重庆市基础工程有限公司注:锚杆灌浆材料及配合比为水泥:砂:水工程名称:天立·水晶郦苑边坡治理锚喷工程建设单位:泸州市兴胜房地产开发有限公司设计单位:四川省泸州地质勘察施工公司监理单位:四川江阳工程项目管理监理有限公司设计钻孔直径:φ25mm 钻机型号:FG-30 锚孔倾角15°钢筋型号:1Φ14;Φ14连接筋φ6.5网片筋间距为:300×300记录员:施工单位:重庆市基础工程有限公司注:锚杆灌浆材料及配合比为水泥:砂:水工程名称:天立·水晶郦苑边坡治理锚喷工程建设单位:泸州市兴胜房地产开发有限公司设计单位:四川省泸州地质勘察施工公司监理单位:四川江阳工程项目管理监理有限公司设计钻孔直径:φ25mm 钻机型号:FG-30 锚孔倾角15°钢筋型号:1Φ14;Φ14连接筋φ6.5网片筋间距为:300×300记录员:施工单位:重庆市基础工程有限公司注:锚杆灌浆材料及配合比为水泥:砂:水工程名称:天立·水晶郦苑边坡治理锚喷工程建设单位:泸州市兴胜房地产开发有限公司设计单位:四川省泸州地质勘察施工公司监理单位:四川江阳工程项目管理监理有限公司设计钻孔直径:φ25mm 钻机型号:FG-30 锚孔倾角15°钢筋型号:1Φ14;Φ14连接筋φ6.5网片筋间距为:300×300记录员:施工单位:重庆市基础工程有限公司注:锚杆灌浆材料及配合比为水泥:砂:水工程名称:天立·水晶郦苑边坡治理锚喷工程建设单位:泸州市兴胜房地产开发有限公司设计单位:四川省泸州地质勘察施工公司监理单位:四川江阳工程项目管理监理有限公司设计钻孔直径:φ25mm 钻机型号:FG-30 锚孔倾角15°钢筋型号:1Φ14;Φ14连接筋φ6.5网片筋间距为:300×300记录员:施工单位:重庆市基础工程有限公司注:锚杆灌浆材料及配合比为水泥:砂:水工程名称:天立·水晶郦苑边坡治理锚喷工程建设单位:泸州市兴胜房地产开发有限公司设计单位:四川省泸州地质勘察施工公司监理单位:四川江阳工程项目管理监理有限公司设计钻孔直径:φ25mm 钻机型号:FG-30 锚孔倾角15°钢筋型号:1Φ14;Φ14连接筋φ6.5网片筋间距为:300×300记录员:施工单位:重庆市基础工程有限公司注:锚杆灌浆材料及配合比为水泥:砂:水工程名称:天立·水晶郦苑边坡治理锚喷工程建设单位:泸州市兴胜房地产开发有限公司设计单位:四川省泸州地质勘察施工公司监理单位:四川江阳工程项目管理监理有限公司设计钻孔直径:φ25mm 钻机型号:FG-30 锚孔倾角15°钢筋型号:1Φ14;Φ14连接筋φ6.5网片筋间距为:300×300记录员:施工单位:重庆市基础工程有限公司注:锚杆灌浆材料及配合比为水泥:砂:水工程名称:天立·水晶郦苑边坡治理锚喷工程建设单位:泸州市兴胜房地产开发有限公司设计单位:四川省泸州地质勘察施工公司监理单位:四川江阳工程项目管理监理有限公司设计钻孔直径:φ25mm 钻机型号:FG-30 锚孔倾角15°钢筋型号:1Φ14;Φ14连接筋φ6.5网片筋间距为:300×300记录员:施工单位:重庆市基础工程有限公司注:锚杆灌浆材料及配合比为水泥:砂:水工程名称:天立·水晶郦苑边坡治理锚喷工程建设单位:泸州市兴胜房地产开发有限公司设计单位:四川省泸州地质勘察施工公司监理单位:四川江阳工程项目管理监理有限公司设计钻孔直径:φ25mm 钻机型号:FG-30 锚孔倾角15°钢筋型号:1Φ14;Φ14连接筋φ6.5网片筋间距为:300×300记录员:施工单位:重庆市基础工程有限公司注:锚杆灌浆材料及配合比为水泥:砂:水工程名称:天立·水晶郦苑边坡治理锚喷工程建设单位:泸州市兴胜房地产开发有限公司设计单位:四川省泸州地质勘察施工公司监理单位:四川江阳工程项目管理监理有限公司设计钻孔直径:φ25mm 钻机型号:FG-30 锚孔倾角15°钢筋型号:1Φ14;Φ14连接筋φ6.5网片筋间距为:300×300记录员:施工单位:重庆市基础工程有限公司注:锚杆灌浆材料及配合比为水泥:砂:水。
锚杆注浆施工记录表工程名称:大锦山环山路东肖接线工程设计钻孔直径:φ130mm 钻机型号:xy-30 锚孔倾角15°钢筋型号:φ28记录员:施工单位:福建惠丰建筑工程有限公司注:锚杆灌浆材料及配合比为水泥:砂:水锚杆注浆施工记录表工程名称:天立·水晶郦苑边坡治理锚喷工程建设单位:泸州市兴胜房地产开发有限公司设计单位:四川省泸州地质勘察施工公司监理单位:四川江阳工程项目管理监理有限公司设计钻孔直径:φ91mm 钻机型号:xy-30 锚孔倾角15°钢筋型号:1Φ25;Φ14连接筋φ网片筋间距为:200×200记录员:施工单位:重庆市基础工程有限公司注:锚杆灌浆材料及配合比为水泥:砂:水锚杆注浆施工记录表工程名称:天立·水晶郦苑边坡治理锚喷工程建设单位:泸州市兴胜房地产开发有限公司设计单位:四川省泸州地质勘察施工公司监理单位:四川江阳工程项目管理监理有限公司设计钻孔直径:φ91mm 钻机型号:xy-30 锚孔倾角15°钢筋型号:1Φ25;Φ14连接筋φ网片筋间距为:200×200记录员:施工单位:重庆市基础工程有限公司注:锚杆灌浆材料及配合比为水泥:砂:水锚杆注浆施工记录表工程名称:天立·水晶郦苑边坡治理锚喷工程建设单位:泸州市兴胜房地产开发有限公司设计单位:四川省泸州地质勘察施工公司监理单位:四川江阳工程项目管理监理有限公司设计钻孔直径:φ91mm 钻机型号:xy-30 锚孔倾角15°钢筋型号:1Φ25;Φ14连接筋φ网片筋间距为:200×200记录员:施工单位:重庆市基础工程有限公司注:锚杆灌浆材料及配合比为水泥:砂:水锚杆注浆施工记录表工程名称:天立·水晶郦苑边坡治理锚喷工程建设单位:泸州市兴胜房地产开发有限公司设计单位:四川省泸州地质勘察施工公司监理单位:四川江阳工程项目管理监理有限公司设计钻孔直径:φ91mm 钻机型号:xy-30 锚孔倾角15°钢筋型号:1Φ25;Φ14连接筋φ网片筋间距为:200×200记录员:施工单位:重庆市基础工程有限公司注:锚杆灌浆材料及配合比为水泥:砂:水锚杆注浆施工记录表工程名称:天立·水晶郦苑边坡治理锚喷工程建设单位:泸州市兴胜房地产开发有限公司设计单位:四川省泸州地质勘察施工公司监理单位:四川江阳工程项目管理监理有限公司设计钻孔直径:φ91mm 钻机型号:xy-30 锚孔倾角15°钢筋型号:1Φ25;Φ14连接筋φ网片筋间距为:200×200记录员:施工单位:重庆市基础工程有限公司注:锚杆灌浆材料及配合比为水泥:砂:水锚杆注浆施工记录表工程名称:天立·水晶郦苑边坡治理锚喷工程建设单位:泸州市兴胜房地产开发有限公司设计单位:四川省泸州地质勘察施工公司监理单位:四川江阳工程项目管理监理有限公司设计钻孔直径:φ91mm 钻机型号:xy-30 锚孔倾角15°钢筋型号:1Φ25;Φ14连接筋φ网片筋间距为:200×200记录员:施工单位:重庆市基础工程有限公司注:锚杆灌浆材料及配合比为水泥:砂:水锚杆注浆施工记录表工程名称:天立·水晶郦苑边坡治理锚喷工程建设单位:泸州市兴胜房地产开发有限公司设计单位:四川省泸州地质勘察施工公司监理单位:四川江阳工程项目管理监理有限公司设计钻孔直径:φ91mm 钻机型号:xy-30 锚孔倾角15°钢筋型号:1Φ25;Φ14连接筋φ网片筋间距为:200×200记录员:施工单位:重庆市基础工程有限公司注:锚杆灌浆材料及配合比为水泥:砂:水锚杆注浆施工记录表工程名称:天立·水晶郦苑边坡治理锚喷工程建设单位:泸州市兴胜房地产开发有限公司设计单位:四川省泸州地质勘察施工公司监理单位:四川江阳工程项目管理监理有限公司设计钻孔直径:φ91mm 钻机型号:xy-30 锚孔倾角15°钢筋型号:1Φ25;Φ14连接筋φ网片筋间距为:200×200记录员:施工单位:重庆市基础工程有限公司注:锚杆灌浆材料及配合比为水泥:砂:水锚杆注浆施工记录表工程名称:天立·水晶郦苑边坡治理锚喷工程建设单位:泸州市兴胜房地产开发有限公司设计单位:四川省泸州地质勘察施工公司监理单位:四川江阳工程项目管理监理有限公司设计钻孔直径:φ91mm 钻机型号:xy-30 锚孔倾角15°钢筋型号:1Φ25;Φ14连接筋φ网片筋间距为:200×200记录员:施工单位:重庆市基础工程有限公司注:锚杆灌浆材料及配合比为水泥:砂:水锚杆注浆施工记录表工程名称:天立·水晶郦苑边坡治理锚喷工程建设单位:泸州市兴胜房地产开发有限公司设计单位:四川省泸州地质勘察施工公司监理单位:四川江阳工程项目管理监理有限公司设计钻孔直径:φ91mm 钻机型号:xy-30 锚孔倾角15°钢筋型号:1Φ25;Φ14连接筋φ网片筋间距为:200×200记录员:施工单位:重庆市基础工程有限公司注:锚杆灌浆材料及配合比为水泥:砂:水锚杆注浆施工记录表工程名称:天立·水晶郦苑边坡治理锚喷工程建设单位:泸州市兴胜房地产开发有限公司设计单位:四川省泸州地质勘察施工公司监理单位:四川江阳工程项目管理监理有限公司设计钻孔直径:φ91mm 钻机型号:xy-30 锚孔倾角15°钢筋型号:1Φ25;Φ14连接筋φ网片筋间距为:200×200记录员:施工单位:重庆市基础工程有限公司注:锚杆灌浆材料及配合比为水泥:砂:水锚杆注浆施工记录表工程名称:天立·水晶郦苑边坡治理锚喷工程建设单位:泸州市兴胜房地产开发有限公司设计单位:四川省泸州地质勘察施工公司监理单位:四川江阳工程项目管理监理有限公司设计钻孔直径:φ91mm 钻机型号:xy-30 锚孔倾角15°钢筋型号:1Φ25;Φ14连接筋φ网片筋间距为:200×200记录员:施工单位:重庆市基础工程有限公司注:锚杆灌浆材料及配合比为水泥:砂:水锚杆注浆施工记录表工程名称:天立·水晶郦苑边坡治理锚喷工程建设单位:泸州市兴胜房地产开发有限公司设计单位:四川省泸州地质勘察施工公司监理单位:四川江阳工程项目管理监理有限公司设计钻孔直径:φ91mm 钻机型号:xy-30 锚孔倾角15°钢筋型号:1Φ25;Φ14连接筋φ网片筋间距为:200×200记录员:施工单位:重庆市基础工程有限公司注:锚杆灌浆材料及配合比为水泥:砂:水锚杆注浆施工记录表工程名称:天立·水晶郦苑边坡治理锚喷工程建设单位:泸州市兴胜房地产开发有限公司设计单位:四川省泸州地质勘察施工公司监理单位:四川江阳工程项目管理监理有限公司设计钻孔直径:φ91mm 钻机型号:xy-30 锚孔倾角15°钢筋型号:1Φ25;Φ14连接筋φ网片筋间距为:200×200记录员:施工单位:重庆市基础工程有限公司注:锚杆灌浆材料及配合比为水泥:砂:水锚杆注浆施工记录表工程名称:天立·水晶郦苑边坡治理锚喷工程建设单位:泸州市兴胜房地产开发有限公司设计单位:四川省泸州地质勘察施工公司监理单位:四川江阳工程项目管理监理有限公司设计钻孔直径:φ91mm 钻机型号:xy-30 锚孔倾角15°钢筋型号:1Φ25;Φ14连接筋φ网片筋间距为:200×200记录员:施工单位:重庆市基础工程有限公司注:锚杆灌浆材料及配合比为水泥:砂:水锚杆注浆施工记录表工程名称:天立·水晶郦苑边坡治理锚喷工程建设单位:泸州市兴胜房地产开发有限公司设计单位:四川省泸州地质勘察施工公司监理单位:四川江阳工程项目管理监理有限公司设计钻孔直径:φ91mm 钻机型号:xy-30 锚孔倾角15°钢筋型号:1Φ25;Φ14连接筋φ网片筋间距为:200×200记录员:施工单位:重庆市基础工程有限公司注:锚杆灌浆材料及配合比为水泥:砂:水锚杆注浆施工记录表工程名称:天立·水晶郦苑边坡治理锚喷工程建设单位:泸州市兴胜房地产开发有限公司设计单位:四川省泸州地质勘察施工公司监理单位:四川江阳工程项目管理监理有限公司设计钻孔直径:φ91mm 钻机型号:xy-30 锚孔倾角15°钢筋型号:1Φ25;Φ14连接筋φ网片筋间距为:200×200记录员:施工单位:重庆市基础工程有限公司注:锚杆灌浆材料及配合比为水泥:砂:水锚杆注浆施工记录表工程名称:天立·水晶郦苑边坡治理锚喷工程建设单位:泸州市兴胜房地产开发有限公司设计单位:四川省泸州地质勘察施工公司监理单位:四川江阳工程项目管理监理有限公司设计钻孔直径:φ91mm 钻机型号:xy-30 锚孔倾角15°钢筋型号:1Φ25;Φ14连接筋φ网片筋间距为:200×200。
工程名称:建设单位:设计单位:监理单位:设计钻孔直径:φ110mm 钻机型号:xy-30 锚孔倾角15°钢筋型号:记录员:施工单位:注:锚杆灌浆材料及配合比为水泥:砂:水工程名称:天立·水晶郦苑边坡治理锚喷工程建设单位:泸州市兴胜房地产开发有限公司设计单位:四川省泸州地质勘察施工公司监理单位:四川江阳工程项目管理监理有限公司设计钻孔直径:φ91mm 钻机型号:xy-30 锚孔倾角15°钢筋型号:1Φ25;Φ14连接筋φ6.5网片筋间距为:200×200记录员:施工单位:重庆市基础工程有限公司注:锚杆灌浆材料及配合比为水泥:砂:水锚杆注浆施工记录表工程名称:天立·水晶郦苑边坡治理锚喷工程建设单位:泸州市兴胜房地产开发有限公司设计单位:四川省泸州地质勘察施工公司监理单位:四川江阳工程项目管理监理有限公司设计钻孔直径:φ91mm 钻机型号:xy-30 锚孔倾角15°钢筋型号:1Φ25;Φ14连接筋φ6.5网片筋间距为:200×200记录员:施工单位:重庆市基础工程有限公司注:锚杆灌浆材料及配合比为水泥:砂:水锚杆注浆施工记录表工程名称:天立·水晶郦苑边坡治理锚喷工程建设单位:泸州市兴胜房地产开发有限公司设计单位:四川省泸州地质勘察施工公司监理单位:四川江阳工程项目管理监理有限公司设计钻孔直径:φ91mm 钻机型号:xy-30 锚孔倾角15°钢筋型号:1Φ25;Φ14连接筋φ6.5网片筋间距为:200×200施工部位:7号楼内侧2面记录员:施工单位:重庆市基础工程有限公司注:锚杆灌浆材料及配合比为水泥:砂:水锚杆注浆施工记录表工程名称:天立·水晶郦苑边坡治理锚喷工程建设单位:泸州市兴胜房地产开发有限公司设计单位:四川省泸州地质勘察施工公司监理单位:四川江阳工程项目管理监理有限公司设计钻孔直径:φ91mm 钻机型号:xy-30 锚孔倾角15°钢筋型号:1Φ25;Φ14连接筋φ6.5网片筋间距为:200×200记录员:施工单位:重庆市基础工程有限公司注:锚杆灌浆材料及配合比为水泥:砂:水锚杆注浆施工记录表工程名称:天立·水晶郦苑边坡治理锚喷工程建设单位:泸州市兴胜房地产开发有限公司设计单位:四川省泸州地质勘察施工公司监理单位:四川江阳工程项目管理监理有限公司设计钻孔直径:φ91mm 钻机型号:xy-30 锚孔倾角15°钢筋型号:1Φ25;Φ14连接筋φ6.5网片筋间距为:200×200注:锚杆灌浆材料及配合比为水泥:砂:水锚杆注浆施工记录表工程名称:天立·水晶郦苑边坡治理锚喷工程建设单位:泸州市兴胜房地产开发有限公司设计单位:四川省泸州地质勘察施工公司监理单位:四川江阳工程项目管理监理有限公司设计钻孔直径:φ91mm 钻机型号:xy-30 锚孔倾角15°钢筋型号:1Φ25;Φ14连接筋φ6.5网片筋间距为:200×200记录员:施工单位:重庆市基础工程有限公司注:锚杆灌浆材料及配合比为水泥:砂:水锚杆注浆施工记录表工程名称:天立·水晶郦苑边坡治理锚喷工程建设单位:泸州市兴胜房地产开发有限公司设计单位:四川省泸州地质勘察施工公司监理单位:四川江阳工程项目管理监理有限公司设计钻孔直径:φ91mm 钻机型号:xy-30 锚孔倾角15°钢筋型号:1Φ25;Φ14连接筋φ6.5网片筋间距为:200×200记录员:施工单位:重庆市基础工程有限公司注:锚杆灌浆材料及配合比为水泥:砂:水锚杆注浆施工记录表工程名称:天立·水晶郦苑边坡治理锚喷工程建设单位:泸州市兴胜房地产开发有限公司设计单位:四川省泸州地质勘察施工公司监理单位:四川江阳工程项目管理监理有限公司设计钻孔直径:φ91mm 钻机型号:xy-30 锚孔倾角15°钢筋型号:1Φ25;Φ14连接筋φ6.5网片筋间距为:200×200记录员:施工单位:重庆市基础工程有限公司注:锚杆灌浆材料及配合比为水泥:砂:水锚杆注浆施工记录表工程名称:天立·水晶郦苑边坡治理锚喷工程建设单位:泸州市兴胜房地产开发有限公司设计单位:四川省泸州地质勘察施工公司监理单位:四川江阳工程项目管理监理有限公司设计钻孔直径:φ91mm 钻机型号:xy-30 锚孔倾角15°钢筋型号:1Φ25;Φ14连接筋φ6.5网片筋间距为:200×200注:锚杆灌浆材料及配合比为水泥:砂:水锚杆注浆施工记录表工程名称:天立·水晶郦苑边坡治理锚喷工程建设单位:泸州市兴胜房地产开发有限公司设计单位:四川省泸州地质勘察施工公司监理单位:四川江阳工程项目管理监理有限公司设计钻孔直径:φ91mm 钻机型号:xy-30 锚孔倾角15°钢筋型号:1Φ25;Φ14连接筋φ6.5网片筋间距为:200×200记录员:施工单位:重庆市基础工程有限公司注:锚杆灌浆材料及配合比为水泥:砂:水锚杆注浆施工记录表工程名称:天立·水晶郦苑边坡治理锚喷工程建设单位:泸州市兴胜房地产开发有限公司设计单位:四川省泸州地质勘察施工公司监理单位:四川江阳工程项目管理监理有限公司设计钻孔直径:φ91mm 钻机型号:xy-30 锚孔倾角15°钢筋型号:1Φ25;Φ14连接筋φ6.5网片筋间距为:200×200记录员:施工单位:重庆市基础工程有限公司注:锚杆灌浆材料及配合比为水泥:砂:水锚杆注浆施工记录表工程名称:天立·水晶郦苑边坡治理锚喷工程建设单位:泸州市兴胜房地产开发有限公司设计单位:四川省泸州地质勘察施工公司监理单位:四川江阳工程项目管理监理有限公司设计钻孔直径:φ91mm 钻机型号:xy-30 锚孔倾角15°钢筋型号:1Φ25;Φ14连接筋φ6.5网片筋间距为:200×200记录员:施工单位:重庆市基础工程有限公司注:锚杆灌浆材料及配合比为水泥:砂:水锚杆注浆施工记录表工程名称:天立·水晶郦苑边坡治理锚喷工程建设单位:泸州市兴胜房地产开发有限公司设计单位:四川省泸州地质勘察施工公司监理单位:四川江阳工程项目管理监理有限公司设计钻孔直径:φ91mm 钻机型号:xy-30 锚孔倾角15°钢筋型号:1Φ25;Φ14连接筋φ6.5网片筋间距为:200×200记录员:施工单位:重庆市基础工程有限公司注:锚杆灌浆材料及配合比为水泥:砂:水锚杆注浆施工记录表工程名称:天立·水晶郦苑边坡治理锚喷工程建设单位:泸州市兴胜房地产开发有限公司设计单位:四川省泸州地质勘察施工公司监理单位:四川江阳工程项目管理监理有限公司设计钻孔直径:φ91mm 钻机型号:xy-30 锚孔倾角15°钢筋型号:1Φ25;Φ14连接筋φ6.5网片筋间距为:200×200记录员:施工单位:重庆市基础工程有限公司注:锚杆灌浆材料及配合比为水泥:砂:水锚杆注浆施工记录表工程名称:天立·水晶郦苑边坡治理锚喷工程建设单位:泸州市兴胜房地产开发有限公司设计单位:四川省泸州地质勘察施工公司监理单位:四川江阳工程项目管理监理有限公司设计钻孔直径:φ91mm 钻机型号:xy-30 锚孔倾角15°钢筋型号:1Φ25;Φ14连接筋φ6.5网片筋间距为:200×200施工部位:8楼内侧4坡面记录员:施工单位:重庆市基础工程有限公司注:锚杆灌浆材料及配合比为水泥:砂:水锚杆注浆施工记录表工程名称:天立·水晶郦苑边坡治理锚喷工程建设单位:泸州市兴胜房地产开发有限公司设计单位:四川省泸州地质勘察施工公司监理单位:四川江阳工程项目管理监理有限公司设计钻孔直径:φ91mm 钻机型号:xy-30 锚孔倾角15°钢筋型号:1Φ25;Φ14连接筋φ6.5网片筋间距为:200×200记录员:施工单位:重庆市基础工程有限公司注:锚杆灌浆材料及配合比为水泥:砂:水锚杆注浆施工记录表工程名称:天立·水晶郦苑边坡治理锚喷工程建设单位:泸州市兴胜房地产开发有限公司设计单位:四川省泸州地质勘察施工公司监理单位:四川江阳工程项目管理监理有限公司设计钻孔直径:φ91mm 钻机型号:xy-30 锚孔倾角15°钢筋型号:1Φ25;Φ14连接筋φ6.5网片筋间距为:200×200注:锚杆灌浆材料及配合比为水泥:砂:水锚杆注浆施工记录表工程名称:天立·水晶郦苑边坡治理锚喷工程建设单位:泸州市兴胜房地产开发有限公司设计单位:四川省泸州地质勘察施工公司监理单位:四川江阳工程项目管理监理有限公司设计钻孔直径:φ91mm 钻机型号:xy-30 锚孔倾角15°钢筋型号:1Φ25;Φ14连接筋φ6.5网片筋间距为:200×200记录员:施工单位:重庆市基础工程有限公司注:锚杆灌浆材料及配合比为水泥:砂:水锚杆注浆施工记录表工程名称:天立·水晶郦苑边坡治理锚喷工程建设单位:泸州市兴胜房地产开发有限公司设计单位:四川省泸州地质勘察施工公司监理单位:四川江阳工程项目管理监理有限公司设计钻孔直径:φ25mm 钻机型号:FG-30 锚孔倾角15°钢筋型号:1Φ14;Φ14连接筋φ6.5网片筋间距为:300×300注:锚杆灌浆材料及配合比为水泥:砂:水锚杆注浆施工记录表工程名称:天立·水晶郦苑边坡治理锚喷工程建设单位:泸州市兴胜房地产开发有限公司设计单位:四川省泸州地质勘察施工公司监理单位:四川江阳工程项目管理监理有限公司设计钻孔直径:φ25mm 钻机型号:FG-30 锚孔倾角15°钢筋型号:1Φ14;Φ14连接筋φ6.5网片筋间距为:300×300记录员:施工单位:重庆市基础工程有限公司注:锚杆灌浆材料及配合比为水泥:砂:水锚杆注浆施工记录表工程名称:天立·水晶郦苑边坡治理锚喷工程建设单位:泸州市兴胜房地产开发有限公司设计单位:四川省泸州地质勘察施工公司监理单位:四川江阳工程项目管理监理有限公司设计钻孔直径:φ25mm 钻机型号:FG-30 锚孔倾角15°钢筋型号:1Φ14;Φ14连接筋φ6.5网片筋间距为:300×300记录员:施工单位:重庆市基础工程有限公司注:锚杆灌浆材料及配合比为水泥:砂:水锚杆注浆施工记录表工程名称:天立·水晶郦苑边坡治理锚喷工程建设单位:泸州市兴胜房地产开发有限公司设计单位:四川省泸州地质勘察施工公司监理单位:四川江阳工程项目管理监理有限公司设计钻孔直径:φ25mm 钻机型号:FG-30 锚孔倾角15°钢筋型号:1Φ14;Φ14连接筋φ6.5网片筋间距为:300×300记录员:施工单位:重庆市基础工程有限公司注:锚杆灌浆材料及配合比为水泥:砂:水锚杆注浆施工记录表工程名称:天立·水晶郦苑边坡治理锚喷工程建设单位:泸州市兴胜房地产开发有限公司设计单位:四川省泸州地质勘察施工公司监理单位:四川江阳工程项目管理监理有限公司设计钻孔直径:φ25mm 钻机型号:FG-30 锚孔倾角15°钢筋型号:1Φ14;Φ14连接筋φ6.5网片筋间距为:300×300注:锚杆灌浆材料及配合比为水泥:砂:水锚杆注浆施工记录表工程名称:天立·水晶郦苑边坡治理锚喷工程建设单位:泸州市兴胜房地产开发有限公司设计单位:四川省泸州地质勘察施工公司监理单位:四川江阳工程项目管理监理有限公司设计钻孔直径:φ25mm 钻机型号:FG-30 锚孔倾角15°钢筋型号:1Φ14;Φ14连接筋φ6.5网片筋间距为:300×300记录员:施工单位:重庆市基础工程有限公司注:锚杆灌浆材料及配合比为水泥:砂:水锚杆注浆施工记录表工程名称:天立·水晶郦苑边坡治理锚喷工程建设单位:泸州市兴胜房地产开发有限公司设计单位:四川省泸州地质勘察施工公司监理单位:四川江阳工程项目管理监理有限公司设计钻孔直径:φ25mm 钻机型号:FG-30 锚孔倾角15°钢筋型号:1Φ14;Φ14连接筋φ6.5网片筋间距为:300×300记录员:施工单位:重庆市基础工程有限公司注:锚杆灌浆材料及配合比为水泥:砂:水锚杆注浆施工记录表工程名称:天立·水晶郦苑边坡治理锚喷工程建设单位:泸州市兴胜房地产开发有限公司设计单位:四川省泸州地质勘察施工公司监理单位:四川江阳工程项目管理监理有限公司设计钻孔直径:φ25mm 钻机型号:FG-30 锚孔倾角15°钢筋型号:1Φ14;Φ14连接筋φ6.5网片筋间距为:300×300记录员:施工单位:重庆市基础工程有限公司注:锚杆灌浆材料及配合比为水泥:砂:水锚杆注浆施工记录表工程名称:天立·水晶郦苑边坡治理锚喷工程建设单位:泸州市兴胜房地产开发有限公司设计单位:四川省泸州地质勘察施工公司监理单位:四川江阳工程项目管理监理有限公司设计钻孔直径:φ25mm 钻机型号:FG-30 锚孔倾角15°钢筋型号:1Φ14;Φ14连接筋φ6.5网片筋间距为:300×300记录员:施工单位:重庆市基础工程有限公司注:锚杆灌浆材料及配合比为水泥:砂:水锚杆注浆施工记录表工程名称:天立·水晶郦苑边坡治理锚喷工程建设单位:泸州市兴胜房地产开发有限公司设计单位:四川省泸州地质勘察施工公司监理单位:四川江阳工程项目管理监理有限公司设计钻孔直径:φ25mm 钻机型号:FG-30 锚孔倾角15°钢筋型号:1Φ14;Φ14连接筋φ6.5网片筋间距为:300×300记录员:施工单位:重庆市基础工程有限公司注:锚杆灌浆材料及配合比为水泥:砂:水锚杆注浆施工记录表工程名称:天立·水晶郦苑边坡治理锚喷工程建设单位:泸州市兴胜房地产开发有限公司设计单位:四川省泸州地质勘察施工公司监理单位:四川江阳工程项目管理监理有限公司设计钻孔直径:φ25mm 钻机型号:FG-30 锚孔倾角15°钢筋型号:1Φ14;Φ14连接筋φ6.5网片筋间距为:300×300注:锚杆灌浆材料及配合比为水泥:砂:水锚杆注浆施工记录表工程名称:天立·水晶郦苑边坡治理锚喷工程建设单位:泸州市兴胜房地产开发有限公司设计单位:四川省泸州地质勘察施工公司监理单位:四川江阳工程项目管理监理有限公司设计钻孔直径:φ25mm 钻机型号:FG-30 锚孔倾角15°钢筋型号:1Φ14;Φ14连接筋φ6.5网片筋间距为:300×300记录员:施工单位:重庆市基础工程有限公司注:锚杆灌浆材料及配合比为水泥:砂:水锚杆注浆施工记录表工程名称:天立·水晶郦苑边坡治理锚喷工程建设单位:泸州市兴胜房地产开发有限公司设计单位:四川省泸州地质勘察施工公司监理单位:四川江阳工程项目管理监理有限公司设计钻孔直径:φ25mm 钻机型号:FG-30 锚孔倾角15°钢筋型号:1Φ14;Φ14连接筋φ6.5网片筋间距为:300×300记录员:施工单位:重庆市基础工程有限公司注:锚杆灌浆材料及配合比为水泥:砂:水锚杆注浆施工记录表工程名称:天立·水晶郦苑边坡治理锚喷工程建设单位:泸州市兴胜房地产开发有限公司设计单位:四川省泸州地质勘察施工公司监理单位:四川江阳工程项目管理监理有限公司设计钻孔直径:φ25mm 钻机型号:FG-30 锚孔倾角15°钢筋型号:1Φ14;Φ14连接筋φ6.5网片筋间距为:300×300记录员:施工单位:重庆市基础工程有限公司注:锚杆灌浆材料及配合比为水泥:砂:水锚杆注浆施工记录表工程名称:天立·水晶郦苑边坡治理锚喷工程建设单位:泸州市兴胜房地产开发有限公司设计单位:四川省泸州地质勘察施工公司监理单位:四川江阳工程项目管理监理有限公司设计钻孔直径:φ25mm 钻机型号:FG-30 锚孔倾角15°钢筋型号:1Φ14;Φ14连接筋φ6.5网片筋间距为:300×300。
工程名称:建设单位:设计单位:监理单位:设计钻孔直径:φ110mm 钻机型号:xy-30 锚孔倾角15°钢筋型号:记录员:施工单位:注:锚杆灌浆材料及配合比为水泥:砂:水工程名称:天立·水晶郦苑边坡治理锚喷工程建设单位:泸州市兴胜房地产开发有限公司设计单位:四川省泸州地质勘察施工公司监理单位:四川江阳工程项目管理监理有限公司设计钻孔直径:φ91mm 钻机型号:xy-30 锚孔倾角15°钢筋型号:1Φ25;Φ14连接筋φ6.5网片筋间距为:200×200记录员:施工单位:重庆市基础工程有限公司注:锚杆灌浆材料及配合比为水泥:砂:水工程名称:天立·水晶郦苑边坡治理锚喷工程建设单位:泸州市兴胜房地产开发有限公司设计单位:四川省泸州地质勘察施工公司监理单位:四川江阳工程项目管理监理有限公司设计钻孔直径:φ91mm 钻机型号:xy-30 锚孔倾角15°钢筋型号:1Φ25;Φ14连接筋φ6.5网片筋间距为:200×200记录员:施工单位:重庆市基础工程有限公司注:锚杆灌浆材料及配合比为水泥:砂:水工程名称:天立·水晶郦苑边坡治理锚喷工程建设单位:泸州市兴胜房地产开发有限公司设计单位:四川省泸州地质勘察施工公司监理单位:四川江阳工程项目管理监理有限公司设计钻孔直径:φ91mm 钻机型号:xy-30 锚孔倾角15°钢筋型号:1Φ25;Φ14连接筋φ6.5网片筋间距为:200×200记录员:施工单位:重庆市基础工程有限公司注:锚杆灌浆材料及配合比为水泥:砂:水工程名称:天立·水晶郦苑边坡治理锚喷工程建设单位:泸州市兴胜房地产开发有限公司设计单位:四川省泸州地质勘察施工公司监理单位:四川江阳工程项目管理监理有限公司设计钻孔直径:φ91mm 钻机型号:xy-30 锚孔倾角15°钢筋型号:1Φ25;Φ14连接筋φ6.5网片筋间距为:200×200记录员:施工单位:重庆市基础工程有限公司注:锚杆灌浆材料及配合比为水泥:砂:水工程名称:天立·水晶郦苑边坡治理锚喷工程建设单位:泸州市兴胜房地产开发有限公司设计单位:四川省泸州地质勘察施工公司监理单位:四川江阳工程项目管理监理有限公司设计钻孔直径:φ91mm 钻机型号:xy-30 锚孔倾角15°钢筋型号:1Φ25;Φ14连接筋φ6.5网片筋间距为:200×200记录员:施工单位:重庆市基础工程有限公司注:锚杆灌浆材料及配合比为水泥:砂:水工程名称:天立·水晶郦苑边坡治理锚喷工程建设单位:泸州市兴胜房地产开发有限公司设计单位:四川省泸州地质勘察施工公司监理单位:四川江阳工程项目管理监理有限公司设计钻孔直径:φ91mm 钻机型号:xy-30 锚孔倾角15°钢筋型号:1Φ25;Φ14连接筋φ6.5网片筋间距为:200×200记录员:施工单位:重庆市基础工程有限公司注:锚杆灌浆材料及配合比为水泥:砂:水工程名称:天立·水晶郦苑边坡治理锚喷工程建设单位:泸州市兴胜房地产开发有限公司设计单位:四川省泸州地质勘察施工公司监理单位:四川江阳工程项目管理监理有限公司设计钻孔直径:φ91mm 钻机型号:xy-30 锚孔倾角15°钢筋型号:1Φ25;Φ14连接筋φ6.5网片筋间距为:200×200记录员:施工单位:重庆市基础工程有限公司注:锚杆灌浆材料及配合比为水泥:砂:水工程名称:天立·水晶郦苑边坡治理锚喷工程建设单位:泸州市兴胜房地产开发有限公司设计单位:四川省泸州地质勘察施工公司监理单位:四川江阳工程项目管理监理有限公司设计钻孔直径:φ91mm 钻机型号:xy-30 锚孔倾角15°钢筋型号:1Φ25;Φ14连接筋φ6.5网片筋间距为:200×200记录员:施工单位:重庆市基础工程有限公司注:锚杆灌浆材料及配合比为水泥:砂:水工程名称:天立·水晶郦苑边坡治理锚喷工程建设单位:泸州市兴胜房地产开发有限公司设计单位:四川省泸州地质勘察施工公司监理单位:四川江阳工程项目管理监理有限公司设计钻孔直径:φ91mm 钻机型号:xy-30 锚孔倾角15°钢筋型号:1Φ25;Φ14连接筋φ6.5网片筋间距为:200×200记录员:施工单位:重庆市基础工程有限公司注:锚杆灌浆材料及配合比为水泥:砂:水工程名称:天立·水晶郦苑边坡治理锚喷工程建设单位:泸州市兴胜房地产开发有限公司设计单位:四川省泸州地质勘察施工公司监理单位:四川江阳工程项目管理监理有限公司设计钻孔直径:φ91mm 钻机型号:xy-30 锚孔倾角15°钢筋型号:1Φ25;Φ14连接筋φ6.5网片筋间距为:200×200记录员:施工单位:重庆市基础工程有限公司注:锚杆灌浆材料及配合比为水泥:砂:水工程名称:天立·水晶郦苑边坡治理锚喷工程建设单位:泸州市兴胜房地产开发有限公司设计单位:四川省泸州地质勘察施工公司监理单位:四川江阳工程项目管理监理有限公司设计钻孔直径:φ91mm 钻机型号:xy-30 锚孔倾角15°钢筋型号:1Φ25;Φ14连接筋φ6.5网片筋间距为:200×200记录员:施工单位:重庆市基础工程有限公司注:锚杆灌浆材料及配合比为水泥:砂:水工程名称:天立·水晶郦苑边坡治理锚喷工程建设单位:泸州市兴胜房地产开发有限公司设计单位:四川省泸州地质勘察施工公司监理单位:四川江阳工程项目管理监理有限公司设计钻孔直径:φ91mm 钻机型号:xy-30 锚孔倾角15°钢筋型号:1Φ25;Φ14连接筋φ6.5网片筋间距为:200×200记录员:施工单位:重庆市基础工程有限公司注:锚杆灌浆材料及配合比为水泥:砂:水工程名称:天立·水晶郦苑边坡治理锚喷工程建设单位:泸州市兴胜房地产开发有限公司设计单位:四川省泸州地质勘察施工公司监理单位:四川江阳工程项目管理监理有限公司设计钻孔直径:φ91mm 钻机型号:xy-30 锚孔倾角15°钢筋型号:1Φ25;Φ14连接筋φ6.5网片筋间距为:200×200记录员:施工单位:重庆市基础工程有限公司注:锚杆灌浆材料及配合比为水泥:砂:水工程名称:天立·水晶郦苑边坡治理锚喷工程建设单位:泸州市兴胜房地产开发有限公司设计单位:四川省泸州地质勘察施工公司监理单位:四川江阳工程项目管理监理有限公司设计钻孔直径:φ91mm 钻机型号:xy-30 锚孔倾角15°钢筋型号:1Φ25;Φ14连接筋φ6.5网片筋间距为:200×200记录员:施工单位:重庆市基础工程有限公司注:锚杆灌浆材料及配合比为水泥:砂:水工程名称:天立·水晶郦苑边坡治理锚喷工程建设单位:泸州市兴胜房地产开发有限公司设计单位:四川省泸州地质勘察施工公司监理单位:四川江阳工程项目管理监理有限公司设计钻孔直径:φ91mm 钻机型号:xy-30 锚孔倾角15°钢筋型号:1Φ25;Φ14连接筋φ6.5网片筋间距为:200×200记录员:施工单位:重庆市基础工程有限公司注:锚杆灌浆材料及配合比为水泥:砂:水工程名称:天立·水晶郦苑边坡治理锚喷工程建设单位:泸州市兴胜房地产开发有限公司设计单位:四川省泸州地质勘察施工公司监理单位:四川江阳工程项目管理监理有限公司设计钻孔直径:φ91mm 钻机型号:xy-30 锚孔倾角15°钢筋型号:1Φ25;Φ14连接筋φ6.5网片筋间距为:200×200记录员:施工单位:重庆市基础工程有限公司注:锚杆灌浆材料及配合比为水泥:砂:水工程名称:天立·水晶郦苑边坡治理锚喷工程建设单位:泸州市兴胜房地产开发有限公司设计单位:四川省泸州地质勘察施工公司监理单位:四川江阳工程项目管理监理有限公司设计钻孔直径:φ91mm 钻机型号:xy-30 锚孔倾角15°钢筋型号:1Φ25;Φ14连接筋φ6.5网片筋间距为:200×200记录员:施工单位:重庆市基础工程有限公司注:锚杆灌浆材料及配合比为水泥:砂:水工程名称:天立·水晶郦苑边坡治理锚喷工程建设单位:泸州市兴胜房地产开发有限公司设计单位:四川省泸州地质勘察施工公司监理单位:四川江阳工程项目管理监理有限公司设计钻孔直径:φ91mm 钻机型号:xy-30 锚孔倾角15°钢筋型号:1Φ25;Φ14连接筋φ6.5网片筋间距为:200×200记录员:施工单位:重庆市基础工程有限公司注:锚杆灌浆材料及配合比为水泥:砂:水工程名称:天立·水晶郦苑边坡治理锚喷工程建设单位:泸州市兴胜房地产开发有限公司设计单位:四川省泸州地质勘察施工公司监理单位:四川江阳工程项目管理监理有限公司设计钻孔直径:φ25mm 钻机型号:FG-30 锚孔倾角15°钢筋型号:1Φ14;Φ14连接筋φ6.5网片筋间距为:300×300记录员:施工单位:重庆市基础工程有限公司注:锚杆灌浆材料及配合比为水泥:砂:水工程名称:天立·水晶郦苑边坡治理锚喷工程建设单位:泸州市兴胜房地产开发有限公司设计单位:四川省泸州地质勘察施工公司监理单位:四川江阳工程项目管理监理有限公司设计钻孔直径:φ25mm 钻机型号:FG-30 锚孔倾角15°钢筋型号:1Φ14;Φ14连接筋φ6.5网片筋间距为:300×300记录员:施工单位:重庆市基础工程有限公司注:锚杆灌浆材料及配合比为水泥:砂:水工程名称:天立·水晶郦苑边坡治理锚喷工程建设单位:泸州市兴胜房地产开发有限公司设计单位:四川省泸州地质勘察施工公司监理单位:四川江阳工程项目管理监理有限公司设计钻孔直径:φ25mm 钻机型号:FG-30 锚孔倾角15°钢筋型号:1Φ14;Φ14连接筋φ6.5网片筋间距为:300×300记录员:施工单位:重庆市基础工程有限公司注:锚杆灌浆材料及配合比为水泥:砂:水工程名称:天立·水晶郦苑边坡治理锚喷工程建设单位:泸州市兴胜房地产开发有限公司设计单位:四川省泸州地质勘察施工公司监理单位:四川江阳工程项目管理监理有限公司设计钻孔直径:φ25mm 钻机型号:FG-30 锚孔倾角15°钢筋型号:1Φ14;Φ14连接筋φ6.5网片筋间距为:300×300记录员:施工单位:重庆市基础工程有限公司注:锚杆灌浆材料及配合比为水泥:砂:水工程名称:天立·水晶郦苑边坡治理锚喷工程建设单位:泸州市兴胜房地产开发有限公司设计单位:四川省泸州地质勘察施工公司监理单位:四川江阳工程项目管理监理有限公司设计钻孔直径:φ25mm 钻机型号:FG-30 锚孔倾角15°钢筋型号:1Φ14;Φ14连接筋φ6.5网片筋间距为:300×300记录员:施工单位:重庆市基础工程有限公司注:锚杆灌浆材料及配合比为水泥:砂:水工程名称:天立·水晶郦苑边坡治理锚喷工程建设单位:泸州市兴胜房地产开发有限公司设计单位:四川省泸州地质勘察施工公司监理单位:四川江阳工程项目管理监理有限公司设计钻孔直径:φ25mm 钻机型号:FG-30 锚孔倾角15°钢筋型号:1Φ14;Φ14连接筋φ6.5网片筋间距为:300×300记录员:施工单位:重庆市基础工程有限公司注:锚杆灌浆材料及配合比为水泥:砂:水工程名称:天立·水晶郦苑边坡治理锚喷工程建设单位:泸州市兴胜房地产开发有限公司设计单位:四川省泸州地质勘察施工公司监理单位:四川江阳工程项目管理监理有限公司设计钻孔直径:φ25mm 钻机型号:FG-30 锚孔倾角15°钢筋型号:1Φ14;Φ14连接筋φ6.5网片筋间距为:300×300记录员:施工单位:重庆市基础工程有限公司注:锚杆灌浆材料及配合比为水泥:砂:水工程名称:天立·水晶郦苑边坡治理锚喷工程建设单位:泸州市兴胜房地产开发有限公司设计单位:四川省泸州地质勘察施工公司监理单位:四川江阳工程项目管理监理有限公司设计钻孔直径:φ25mm 钻机型号:FG-30 锚孔倾角15°钢筋型号:1Φ14;Φ14连接筋φ6.5网片筋间距为:300×300记录员:施工单位:重庆市基础工程有限公司注:锚杆灌浆材料及配合比为水泥:砂:水工程名称:天立·水晶郦苑边坡治理锚喷工程建设单位:泸州市兴胜房地产开发有限公司设计单位:四川省泸州地质勘察施工公司监理单位:四川江阳工程项目管理监理有限公司设计钻孔直径:φ25mm 钻机型号:FG-30 锚孔倾角15°钢筋型号:1Φ14;Φ14连接筋φ6.5网片筋间距为:300×300记录员:施工单位:重庆市基础工程有限公司注:锚杆灌浆材料及配合比为水泥:砂:水工程名称:天立·水晶郦苑边坡治理锚喷工程建设单位:泸州市兴胜房地产开发有限公司设计单位:四川省泸州地质勘察施工公司监理单位:四川江阳工程项目管理监理有限公司设计钻孔直径:φ25mm 钻机型号:FG-30 锚孔倾角15°钢筋型号:1Φ14;Φ14连接筋φ6.5网片筋间距为:300×300记录员:施工单位:重庆市基础工程有限公司注:锚杆灌浆材料及配合比为水泥:砂:水工程名称:天立·水晶郦苑边坡治理锚喷工程建设单位:泸州市兴胜房地产开发有限公司设计单位:四川省泸州地质勘察施工公司监理单位:四川江阳工程项目管理监理有限公司设计钻孔直径:φ25mm 钻机型号:FG-30 锚孔倾角15°钢筋型号:1Φ14;Φ14连接筋φ6.5网片筋间距为:300×300记录员:施工单位:重庆市基础工程有限公司注:锚杆灌浆材料及配合比为水泥:砂:水工程名称:天立·水晶郦苑边坡治理锚喷工程建设单位:泸州市兴胜房地产开发有限公司设计单位:四川省泸州地质勘察施工公司监理单位:四川江阳工程项目管理监理有限公司设计钻孔直径:φ25mm 钻机型号:FG-30 锚孔倾角15°钢筋型号:1Φ14;Φ14连接筋φ6.5网片筋间距为:300×300记录员:施工单位:重庆市基础工程有限公司注:锚杆灌浆材料及配合比为水泥:砂:水工程名称:天立·水晶郦苑边坡治理锚喷工程建设单位:泸州市兴胜房地产开发有限公司设计单位:四川省泸州地质勘察施工公司监理单位:四川江阳工程项目管理监理有限公司设计钻孔直径:φ25mm 钻机型号:FG-30 锚孔倾角15°钢筋型号:1Φ14;Φ14连接筋φ6.5网片筋间距为:300×300记录员:施工单位:重庆市基础工程有限公司注:锚杆灌浆材料及配合比为水泥:砂:水工程名称:天立·水晶郦苑边坡治理锚喷工程建设单位:泸州市兴胜房地产开发有限公司设计单位:四川省泸州地质勘察施工公司监理单位:四川江阳工程项目管理监理有限公司设计钻孔直径:φ25mm 钻机型号:FG-30 锚孔倾角15°钢筋型号:1Φ14;Φ14连接筋φ6.5网片筋间距为:300×300记录员:施工单位:重庆市基础工程有限公司注:锚杆灌浆材料及配合比为水泥:砂:水工程名称:天立·水晶郦苑边坡治理锚喷工程建设单位:泸州市兴胜房地产开发有限公司设计单位:四川省泸州地质勘察施工公司监理单位:四川江阳工程项目管理监理有限公司设计钻孔直径:φ25mm 钻机型号:FG-30 锚孔倾角15°钢筋型号:1Φ14;Φ14连接筋φ6.5网片筋间距为:300×300记录员:施工单位:重庆市基础工程有限公司注:锚杆灌浆材料及配合比为水泥:砂:水。
锚杆注浆施工记录表工程名称:建设单位:设计单位:监理单位:设计钻孔直径:φ110mm 钻机型号:xy-30 锚孔倾角15°钢筋型号:施工部位:记录员:施工单位:注:锚杆灌浆材料及配合比为水泥:砂:水锚杆注浆施工记录表工程名称:天立·水晶郦苑边坡治理锚喷工程建设单位:泸州市兴胜房地产开发有限公司设计单位:四川省泸州地质勘察施工公司监理单位:四川江阳工程项目管理监理有限公司设计钻孔直径:φ91mm 钻机型号:xy-30 锚孔倾角15°钢筋型号:1Φ25;Φ14连接筋φ6.5网片筋间距为:200×200施工部位:7号楼内侧1坡面记录员:施工单位:重庆市基础工程有限公司注:锚杆灌浆材料及配合比为水泥:砂:水锚杆注浆施工记录表工程名称:天立·水晶郦苑边坡治理锚喷工程建设单位:泸州市兴胜房地产开发有限公司设计单位:四川省泸州地质勘察施工公司监理单位:四川江阳工程项目管理监理有限公司设计钻孔直径:φ91mm 钻机型号:xy-30 锚孔倾角15°钢筋型号:1Φ25;Φ14连接筋φ6.5网片筋间距为:200×200施工部位:7号楼内侧2面记录员:施工单位:重庆市基础工程有限公司注:锚杆灌浆材料及配合比为水泥:砂:水锚杆注浆施工记录表工程名称:天立·水晶郦苑边坡治理锚喷工程建设单位:泸州市兴胜房地产开发有限公司设计单位:四川省泸州地质勘察施工公司监理单位:四川江阳工程项目管理监理有限公司设计钻孔直径:φ91mm 钻机型号:xy-30 锚孔倾角15°钢筋型号:1Φ25;Φ14连接筋φ6.5网片筋间距为:200×200施工部位:7号楼内侧2面记录员:施工单位:重庆市基础工程有限公司注:锚杆灌浆材料及配合比为水泥:砂:水锚杆注浆施工记录表工程名称:天立·水晶郦苑边坡治理锚喷工程建设单位:泸州市兴胜房地产开发有限公司设计单位:四川省泸州地质勘察施工公司监理单位:四川江阳工程项目管理监理有限公司设计钻孔直径:φ91mm 钻机型号:xy-30 锚孔倾角15°钢筋型号:1Φ25;Φ14连接筋φ6.5网片筋间距为:200×200施工部位:7号楼内侧2面记录员:施工单位:重庆市基础工程有限公司注:锚杆灌浆材料及配合比为水泥:砂:水锚杆注浆施工记录表工程名称:天立·水晶郦苑边坡治理锚喷工程建设单位:泸州市兴胜房地产开发有限公司设计单位:四川省泸州地质勘察施工公司监理单位:四川江阳工程项目管理监理有限公司设计钻孔直径:φ91mm 钻机型号:xy-30 锚孔倾角15°钢筋型号:1Φ25;Φ14连接筋φ6.5网片筋间距为:200×200施工部位:8楼内侧3记录员:施工单位:重庆市基础工程有限公司注:锚杆灌浆材料及配合比为水泥:砂:水锚杆注浆施工记录表工程名称:天立·水晶郦苑边坡治理锚喷工程建设单位:泸州市兴胜房地产开发有限公司设计单位:四川省泸州地质勘察施工公司监理单位:四川江阳工程项目管理监理有限公司设计钻孔直径:φ91mm 钻机型号:xy-30 锚孔倾角15°钢筋型号:1Φ25;Φ14连接筋φ6.5网片筋间距为:200×200施工部位:8号楼内侧3坡面记录员:施工单位:重庆市基础工程有限公司注:锚杆灌浆材料及配合比为水泥:砂:水锚杆注浆施工记录表工程名称:天立·水晶郦苑边坡治理锚喷工程建设单位:泸州市兴胜房地产开发有限公司设计单位:四川省泸州地质勘察施工公司监理单位:四川江阳工程项目管理监理有限公司设计钻孔直径:φ91mm 钻机型号:xy-30 锚孔倾角15°钢筋型号:1Φ25;Φ14连接筋φ6.5网片筋间距为:200×200施工部位:8楼内侧3记录员:施工单位:重庆市基础工程有限公司注:锚杆灌浆材料及配合比为水泥:砂:水锚杆注浆施工记录表工程名称:天立·水晶郦苑边坡治理锚喷工程建设单位:泸州市兴胜房地产开发有限公司设计单位:四川省泸州地质勘察施工公司监理单位:四川江阳工程项目管理监理有限公司设计钻孔直径:φ91mm 钻机型号:xy-30 锚孔倾角15°钢筋型号:1Φ25;Φ14连接筋φ6.5网片筋间距为:200×200施工部位:8号楼内侧3坡面记录员:施工单位:重庆市基础工程有限公司注:锚杆灌浆材料及配合比为水泥:砂:水锚杆注浆施工记录表工程名称:天立·水晶郦苑边坡治理锚喷工程建设单位:泸州市兴胜房地产开发有限公司设计单位:四川省泸州地质勘察施工公司监理单位:四川江阳工程项目管理监理有限公司设计钻孔直径:φ91mm 钻机型号:xy-30 锚孔倾角15°钢筋型号:1Φ25;Φ14连接筋φ6.5网片筋间距为:200×200施工部位:8楼内侧3记录员:施工单位:重庆市基础工程有限公司注:锚杆灌浆材料及配合比为水泥:砂:水锚杆注浆施工记录表工程名称:天立·水晶郦苑边坡治理锚喷工程建设单位:泸州市兴胜房地产开发有限公司设计单位:四川省泸州地质勘察施工公司监理单位:四川江阳工程项目管理监理有限公司设计钻孔直径:φ91mm 钻机型号:xy-30 锚孔倾角15°钢筋型号:1Φ25;Φ14连接筋φ6.5网片筋间距为:200×200施工部位:8号楼内侧3坡面记录员:施工单位:重庆市基础工程有限公司注:锚杆灌浆材料及配合比为水泥:砂:水锚杆注浆施工记录表工程名称:天立·水晶郦苑边坡治理锚喷工程建设单位:泸州市兴胜房地产开发有限公司设计单位:四川省泸州地质勘察施工公司监理单位:四川江阳工程项目管理监理有限公司设计钻孔直径:φ91mm 钻机型号:xy-30 锚孔倾角15°钢筋型号:1Φ25;Φ14连接筋φ6.5网片筋间距为:200×200施工部位:8楼内侧3记录员:施工单位:重庆市基础工程有限公司注:锚杆灌浆材料及配合比为水泥:砂:水锚杆注浆施工记录表工程名称:天立·水晶郦苑边坡治理锚喷工程建设单位:泸州市兴胜房地产开发有限公司设计单位:四川省泸州地质勘察施工公司监理单位:四川江阳工程项目管理监理有限公司设计钻孔直径:φ91mm 钻机型号:xy-30 锚孔倾角15°钢筋型号:1Φ25;Φ14连接筋φ6.5网片筋间距为:200×200施工部位:8号楼内侧3坡面记录员:施工单位:重庆市基础工程有限公司注:锚杆灌浆材料及配合比为水泥:砂:水锚杆注浆施工记录表工程名称:天立·水晶郦苑边坡治理锚喷工程建设单位:泸州市兴胜房地产开发有限公司设计单位:四川省泸州地质勘察施工公司监理单位:四川江阳工程项目管理监理有限公司设计钻孔直径:φ91mm 钻机型号:xy-30 锚孔倾角15°钢筋型号:1Φ25;Φ14连接筋φ6.5网片筋间距为:200×200施工部位:8楼内侧3坡面记录员:施工单位:重庆市基础工程有限公司注:锚杆灌浆材料及配合比为水泥:砂:水锚杆注浆施工记录表工程名称:天立·水晶郦苑边坡治理锚喷工程建设单位:泸州市兴胜房地产开发有限公司设计单位:四川省泸州地质勘察施工公司监理单位:四川江阳工程项目管理监理有限公司设计钻孔直径:φ91mm 钻机型号:xy-30 锚孔倾角15°钢筋型号:1Φ25;Φ14连接筋φ6.5网片筋间距为:200×200施工部位:8号楼内侧3坡面记录员:施工单位:重庆市基础工程有限公司注:锚杆灌浆材料及配合比为水泥:砂:水锚杆注浆施工记录表工程名称:天立·水晶郦苑边坡治理锚喷工程建设单位:泸州市兴胜房地产开发有限公司设计单位:四川省泸州地质勘察施工公司监理单位:四川江阳工程项目管理监理有限公司设计钻孔直径:φ91mm 钻机型号:xy-30 锚孔倾角15°钢筋型号:1Φ25;Φ14连接筋φ6.5网片筋间距为:200×200施工部位:8楼内侧4坡面记录员:施工单位:重庆市基础工程有限公司注:锚杆灌浆材料及配合比为水泥:砂:水锚杆注浆施工记录表工程名称:天立·水晶郦苑边坡治理锚喷工程建设单位:泸州市兴胜房地产开发有限公司设计单位:四川省泸州地质勘察施工公司监理单位:四川江阳工程项目管理监理有限公司设计钻孔直径:φ91mm 钻机型号:xy-30 锚孔倾角15°钢筋型号:1Φ25;Φ14连接筋φ6.5网片筋间距为:200×200施工部位:8号楼内侧4坡面记录员:施工单位:重庆市基础工程有限公司注:锚杆灌浆材料及配合比为水泥:砂:水锚杆注浆施工记录表工程名称:天立·水晶郦苑边坡治理锚喷工程建设单位:泸州市兴胜房地产开发有限公司设计单位:四川省泸州地质勘察施工公司监理单位:四川江阳工程项目管理监理有限公司设计钻孔直径:φ91mm 钻机型号:xy-30 锚孔倾角15°钢筋型号:1Φ25;Φ14连接筋φ6.5网片筋间距为:200×200施工部位:8楼内侧4坡面记录员:施工单位:重庆市基础工程有限公司注:锚杆灌浆材料及配合比为水泥:砂:水锚杆注浆施工记录表工程名称:天立·水晶郦苑边坡治理锚喷工程建设单位:泸州市兴胜房地产开发有限公司设计单位:四川省泸州地质勘察施工公司监理单位:四川江阳工程项目管理监理有限公司设计钻孔直径:φ91mm 钻机型号:xy-30 锚孔倾角15°钢筋型号:1Φ25;Φ14连接筋φ6.5网片筋间距为:200×200施工部位:8号楼内侧4坡面记录员:施工单位:重庆市基础工程有限公司注:锚杆灌浆材料及配合比为水泥:砂:水锚杆注浆施工记录表工程名称:天立·水晶郦苑边坡治理锚喷工程建设单位:泸州市兴胜房地产开发有限公司设计单位:四川省泸州地质勘察施工公司监理单位:四川江阳工程项目管理监理有限公司设计钻孔直径:φ25mm 钻机型号:FG-30 锚孔倾角15°钢筋型号:1Φ14;Φ14连接筋φ6.5网片筋间距为:300×300施工部位:8楼内侧3坡面记录员:施工单位:重庆市基础工程有限公司注:锚杆灌浆材料及配合比为水泥:砂:水锚杆注浆施工记录表工程名称:天立·水晶郦苑边坡治理锚喷工程建设单位:泸州市兴胜房地产开发有限公司设计单位:四川省泸州地质勘察施工公司监理单位:四川江阳工程项目管理监理有限公司设计钻孔直径:φ25mm 钻机型号:FG-30 锚孔倾角15°钢筋型号:1Φ14;Φ14连接筋φ6.5网片筋间距为:300×300施工部位:8号楼内侧3坡面记录员:施工单位:重庆市基础工程有限公司注:锚杆灌浆材料及配合比为水泥:砂:水锚杆注浆施工记录表工程名称:天立·水晶郦苑边坡治理锚喷工程建设单位:泸州市兴胜房地产开发有限公司设计单位:四川省泸州地质勘察施工公司监理单位:四川江阳工程项目管理监理有限公司设计钻孔直径:φ25mm 钻机型号:FG-30 锚孔倾角15°钢筋型号:1Φ14;Φ14连接筋φ6.5网片筋间距为:300×300施工部位:8楼内侧3坡面记录员:施工单位:重庆市基础工程有限公司注:锚杆灌浆材料及配合比为水泥:砂:水锚杆注浆施工记录表工程名称:天立·水晶郦苑边坡治理锚喷工程建设单位:泸州市兴胜房地产开发有限公司设计单位:四川省泸州地质勘察施工公司监理单位:四川江阳工程项目管理监理有限公司设计钻孔直径:φ25mm 钻机型号:FG-30 锚孔倾角15°钢筋型号:1Φ14;Φ14连接筋φ6.5网片筋间距为:300×300施工部位:8号楼内侧3坡面记录员:施工单位:重庆市基础工程有限公司注:锚杆灌浆材料及配合比为水泥:砂:水锚杆注浆施工记录表工程名称:天立·水晶郦苑边坡治理锚喷工程建设单位:泸州市兴胜房地产开发有限公司设计单位:四川省泸州地质勘察施工公司监理单位:四川江阳工程项目管理监理有限公司设计钻孔直径:φ25mm 钻机型号:FG-30 锚孔倾角15°钢筋型号:1Φ14;Φ14连接筋φ6.5网片筋间距为:300×300施工部位:8楼内侧3坡面记录员:施工单位:重庆市基础工程有限公司注:锚杆灌浆材料及配合比为水泥:砂:水锚杆注浆施工记录表工程名称:天立·水晶郦苑边坡治理锚喷工程建设单位:泸州市兴胜房地产开发有限公司设计单位:四川省泸州地质勘察施工公司监理单位:四川江阳工程项目管理监理有限公司设计钻孔直径:φ25mm 钻机型号:FG-30 锚孔倾角15°钢筋型号:1Φ14;Φ14连接筋φ6.5网片筋间距为:300×300施工部位:8号楼内侧3坡面记录员:施工单位:重庆市基础工程有限公司注:锚杆灌浆材料及配合比为水泥:砂:水锚杆注浆施工记录表工程名称:天立·水晶郦苑边坡治理锚喷工程建设单位:泸州市兴胜房地产开发有限公司设计单位:四川省泸州地质勘察施工公司监理单位:四川江阳工程项目管理监理有限公司设计钻孔直径:φ25mm 钻机型号:FG-30 锚孔倾角15°钢筋型号:1Φ14;Φ14连接筋φ6.5网片筋间距为:300×300施工部位:8楼内侧3坡面记录员:施工单位:重庆市基础工程有限公司注:锚杆灌浆材料及配合比为水泥:砂:水锚杆注浆施工记录表工程名称:天立·水晶郦苑边坡治理锚喷工程建设单位:泸州市兴胜房地产开发有限公司设计单位:四川省泸州地质勘察施工公司监理单位:四川江阳工程项目管理监理有限公司设计钻孔直径:φ25mm 钻机型号:FG-30 锚孔倾角15°钢筋型号:1Φ14;Φ14连接筋φ6.5网片筋间距为:300×300施工部位:8号楼内侧3坡面记录员:施工单位:重庆市基础工程有限公司注:锚杆灌浆材料及配合比为水泥:砂:水锚杆注浆施工记录表工程名称:天立·水晶郦苑边坡治理锚喷工程建设单位:泸州市兴胜房地产开发有限公司设计单位:四川省泸州地质勘察施工公司监理单位:四川江阳工程项目管理监理有限公司设计钻孔直径:φ25mm 钻机型号:FG-30 锚孔倾角15°钢筋型号:1Φ14;Φ14连接筋φ6.5网片筋间距为:300×300施工部位:8楼内侧3坡面记录员:施工单位:重庆市基础工程有限公司注:锚杆灌浆材料及配合比为水泥:砂:水锚杆注浆施工记录表工程名称:天立·水晶郦苑边坡治理锚喷工程建设单位:泸州市兴胜房地产开发有限公司设计单位:四川省泸州地质勘察施工公司监理单位:四川江阳工程项目管理监理有限公司设计钻孔直径:φ25mm 钻机型号:FG-30 锚孔倾角15°钢筋型号:1Φ14;Φ14连接筋φ6.5网片筋间距为:300×300施工部位:8号楼内侧3坡面记录员:施工单位:重庆市基础工程有限公司注:锚杆灌浆材料及配合比为水泥:砂:水锚杆注浆施工记录表工程名称:天立·水晶郦苑边坡治理锚喷工程建设单位:泸州市兴胜房地产开发有限公司设计单位:四川省泸州地质勘察施工公司监理单位:四川江阳工程项目管理监理有限公司设计钻孔直径:φ25mm 钻机型号:FG-30 锚孔倾角15°钢筋型号:1Φ14;Φ14连接筋φ6.5网片筋间距为:300×300施工部位:8楼内侧4面记录员:施工单位:重庆市基础工程有限公司注:锚杆灌浆材料及配合比为水泥:砂:水锚杆注浆施工记录表工程名称:天立·水晶郦苑边坡治理锚喷工程建设单位:泸州市兴胜房地产开发有限公司设计单位:四川省泸州地质勘察施工公司监理单位:四川江阳工程项目管理监理有限公司设计钻孔直径:φ25mm 钻机型号:FG-30 锚孔倾角15°钢筋型号:1Φ14;Φ14连接筋φ6.5网片筋间距为:300×300施工部位:8号楼内侧3坡面记录员:施工单位:重庆市基础工程有限公司注:锚杆灌浆材料及配合比为水泥:砂:水锚杆注浆施工记录表工程名称:天立·水晶郦苑边坡治理锚喷工程建设单位:泸州市兴胜房地产开发有限公司设计单位:四川省泸州地质勘察施工公司监理单位:四川江阳工程项目管理监理有限公司设计钻孔直径:φ25mm 钻机型号:FG-30 锚孔倾角15°钢筋型号:1Φ14;Φ14连接筋φ6.5网片筋间距为:300×300施工部位:8楼内侧3坡面。