完整word版,初中常用化学仪器及名称图
- 格式:pdf
- 大小:138.23 KB
- 文档页数:1
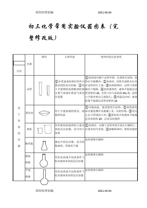
初三化学常用实验仪器图表(完整修改版)时分类名称 图形 主要用途 使用时的注意事项用 于 加 热 的 仪 器试管①在常温或加热时用作少量试剂的反应容器;②用于少量物质的溶解或收集少量气体或作简易气体发生装置 ①加热前应擦干试管外壁,先预热后加热,加热后不能骤冷;②加热时,试管夹或铁夹应夹在试管的中上部;③加热固体时,试管口部要略向下倾斜;④加热液体时,液体不能超过试管容积的1/3,且管口应与桌面成45o 角,试管口不能对着自己或别人;⑤常温反应时,液体的量不能超过试管容积的1/2 蒸发皿用于少量溶液的蒸发、浓缩和结晶 ①可耐高温,能直接用火加热;②热的蒸发皿应避免骤冷及被溅上水,以防炸裂;③用完之后立即清洗干净;④蒸发皿中的液体不能超过其容积的2/3,注意及时搅拌 烧杯用作配制溶液和较大量试剂的反应容器,也可用于加热①加热时,应擦干试管外壁并放在石棉网上,以使其均匀受热;②溶解固体时,要轻轻搅拌 锥形瓶滴定中的反应器,也可收集液体,组装洗气瓶加热要垫石棉网圆底 烧瓶用作加热或不加热条件下较多液体参加的反应容器加热要垫石棉网平底 烧瓶用作加热或不加热条件下较多液体参加的反应容器加热要垫石棉网燃烧匙少量固体燃烧反应器可以直接加热;硫磺等物燃烧实验应在匙底垫少许石棉或细砂加热仪器酒精灯用于加热①添加酒精时,不得超过酒精灯容积的2/3,也不能少于1/3;②严禁用燃着的酒精灯去点燃另一只酒精灯;③用酒精灯的外焰给物质加热;④不加热时,应用灯帽盖灭,不可用嘴吹灭盛放物质的仪器细口瓶用于盛放液体试剂不能用于加热;广口瓶用于盛放固体试剂,也可以做洗气瓶不能用于加热;集气瓶①用作收集或贮存少量气体;②用于有关气体的化学反应①不能用于加热;②做物质在气体里燃烧的实验时,如有高温固体物质生成,应预先在瓶底铺一薄层细沙或装入少量的水滴瓶滴管用于吸取和滴加少量液体,滴瓶用于盛放液体药品①手捏胶头排气后深入液体中,松开手指吸液,不可反复捏胶头;②胶头滴管滴液时,滴管应悬空放在容器口上方,不要接触容器壁,以免沾污滴管或造成试剂污染;③取液后的滴管应保持橡胶乳头在上,不可吸液过满,不要平放或倒置,防止试液倒流,腐蚀橡胶乳头④胶头滴管用过后应立即洗净,再去吸取其他药品;滴瓶上的滴管用完后不必清洗但要立即放回原瓶上,以免放错位置或污染试剂;计量仪器托盘天平用于粗略称量物质的质量,一般只能称准至0.1g①称量前,将游码拨到标尺“0”处,调节螺母调节零点;②称量时,左盘放称量物,右盘放砝码,不能称量热物质;③称量物需放在纸、表面皿或烧杯中量筒度量液体体积①不能加热,不能用作反应容器;②与胶头滴管配套使用③根据量取液体体积的多少,选择适合的量程的量筒;④量液时,量筒必须水平放置。
常用的化学仪器及名称图洗气瓶→→锥形瓶漏斗试管1000mL20℃容量瓶启普发生器U 型管干燥管梨 形 分 液 漏 斗 滴瓶 研钵 试管架分 液 漏 斗 铁 架 台托盘天平 坩 埚 钳 坩 埚 集气瓶 蒸发皿 圆底烧瓶平底烧瓶 蒸馏烧瓶胶 头 滴 管 量 筒燃烧 匙水槽烧杯 酒精灯 广口瓶 细口瓶 表面皿碱式 滴 定 管冷凝管 量 杯移 液 管 25℃20mL 温度 计多孔隔板初中化学常用仪器根据用途分类1、能直接加热的仪器: 试管、蒸发皿、燃烧匙.2、不能直接加热的仪器: 烧杯、烧瓶.3、不能加热的仪器: 集气瓶、水槽、漏斗、量筒.4、用于称量和量取的仪器:托盘天平、量筒.5、用于取药品的仪器:药匙、镊子、胶头滴管.6、给液体加热的仪器:试管、烧杯、烧瓶、蒸发皿7、给固体加热的仪器:试管、蒸发皿8、用于夹持或支撑的仪器:试管夹、铁架台(带铁夹或铁圈) 、坩埚钳.9、过滤分离的仪器:漏斗、玻璃棒.10、加热常用的仪器:酒精灯.11、加热至高温的仪器:酒精喷灯、电炉.化学实验基本操作一、药品的取用(一)三大原则1、取用药品的“三”不原则:不触不尝不猛闻2、取用药品的用量:“节约原则”⑴严格按实验规定用量;⑵未指明用量取最少量:液体1mL-2mL;固体盖满试管底部。
3、实验剩余药品“三不”原则:不丢不回不带走.(二)取用方法1、固体药品的取用方法:⑴块状固体和密度较大的金属颗粒:“一横二放三慢竖”.⑵粉末状固体:“一斜二送三直立”.a、块状或密度较大的固体颗粒一般用镊子夹取。
b、粉末状或小颗粒状的药品用钥匙(或纸槽)。
c、使用过的镊子或钥匙应立即用干净的纸擦干净。
2、液体药品的取用方法(1)较多量:“一放、二向、三挨、四流”.A、从细口瓶里取用试液时,应把瓶塞拿下,倒放在桌上;B、倾倒液体时,应使标签向着手心,瓶口紧靠试管口或仪器口,防止残留在瓶口的药液流下来腐蚀标签。
(2)较少量:用胶头滴管吸取.A、吸有药液的滴管应悬空垂直在仪器的正上方,将药液滴入接受药液的仪器中,不要让吸有药液的滴管接触仪器壁;B、不要将滴管平放在实验台或其他地方,以免沾污滴管;C、不能用未清洗的滴管再吸别的试剂(滴瓶上的滴管不能交叉使用,也不需冲洗)二、一定量药品的称量和液体的量取液体(用量筒量取)固体(用托盘天平称取)(一)托盘天平固体称量用天平,平放然后再调零;用纸先将盘底垫,易潮易腐放烧杯;左物右码不要乱,右加游码等于左;取码用镊手不沾,先大后小游码添;完毕砝码归盒中,游码回到零刻度.A、酒精灯内的酒精不超过容积的2/3;B、用完酒精灯后必须用灯帽盖灭,不可用嘴去吹灭;C、绝对禁止向燃着的酒精灯内添加酒精;D、绝对禁止用燃着的酒精灯引燃另一盏酒精灯,以免引起火灾。
常用的化学仪器及名称图洗气瓶→→锥形瓶漏斗试管1000mL20℃容量瓶启普发生器U 型管干燥管梨 形 分 液 漏 斗 滴瓶 研钵 试管架分 液 漏 斗 铁架 台托盘天平 坩 埚 钳 坩 埚 集气瓶 蒸发皿 圆底烧瓶平底烧瓶 蒸馏烧瓶胶 头 滴 管 量 筒燃烧 匙水槽烧杯 酒精灯 广口瓶 细口瓶 表面皿碱式 滴 定 管冷凝管 量 杯移 液 管 25℃20mL 温度 计多孔隔板初中化学常用仪器根据用途分类1、能直接加热的仪器: 试管、蒸发皿、燃烧匙.2、不能直接加热的仪器: 烧杯、烧瓶.3、不能加热的仪器: 集气瓶、水槽、漏斗、量筒.4、用于称量和量取的仪器:托盘天平、量筒.5、用于取药品的仪器:药匙、镊子、胶头滴管.6、给液体加热的仪器:试管、烧杯、烧瓶、蒸发皿7、给固体加热的仪器:试管、蒸发皿8、用于夹持或支撑的仪器:试管夹、铁架台(带铁夹或铁圈) 、坩埚钳.9、过滤分离的仪器:漏斗、玻璃棒.10、加热常用的仪器:酒精灯.11、加热至高温的仪器:酒精喷灯、电炉.化学实验基本操作一、药品的取用(一)三大原则1、取用药品的“三”不原则:不触不尝不猛闻2、取用药品的用量:“节约原则”⑴严格按实验规定用量;⑵未指明用量取最少量:液体1mL-2mL;固体盖满试管底部。
3、实验剩余药品“三不”原则:不丢不回不带走.(二)取用方法1、固体药品的取用方法:⑴块状固体和密度较大的金属颗粒:“一横二放三慢竖”.⑵粉末状固体:“一斜二送三直立”.a、块状或密度较大的固体颗粒一般用镊子夹取。
b、粉末状或小颗粒状的药品用钥匙(或纸槽)。
c、使用过的镊子或钥匙应立即用干净的纸擦干净。
2、液体药品的取用方法(1)较多量:“一放、二向、三挨、四流”.A、从细口瓶里取用试液时,应把瓶塞拿下,倒放在桌上;B、倾倒液体时,应使标签向着手心,瓶口紧靠试管口或仪器口,防止残留在瓶口的药液流下来腐蚀标签。
(2)较少量:用胶头滴管吸取.A、吸有药液的滴管应悬空垂直在仪器的正上方,将药液滴入接受药液的仪器中,不要让吸有药液的滴管接触仪器壁;B、不要将滴管平放在实验台或其他地方,以免沾污滴管;C、不能用未清洗的滴管再吸别的试剂(滴瓶上的滴管不能交叉使用,也不需冲洗)二、一定量药品的称量和液体的量取液体(用量筒量取)固体(用托盘天平称取)(一)托盘天平固体称量用天平,平放然后再调零;用纸先将盘底垫,易潮易腐放烧杯;左物右码不要乱,右加游码等于左;取码用镊手不沾,先大后小游码添;完毕砝码归盒中,游码回到零刻度.A、酒精灯内的酒精不超过容积的2/3;B、用完酒精灯后必须用灯帽盖灭,不可用嘴去吹灭;C、绝对禁止向燃着的酒精灯内添加酒精;D、绝对禁止用燃着的酒精灯引燃另一盏酒精灯,以免引起火灾。
常用的化学仪器及名称图锥形瓶漏斗试管启普发生器U 型管滴瓶 试管架分 液 漏 斗铁 架 台托盘天平坩 埚 钳坩 埚集气瓶蒸发皿圆底烧瓶平底烧瓶蒸馏烧瓶胶 头 滴 管量 筒燃烧 匙水槽烧杯酒精灯广口瓶细口瓶表面皿冷凝管温度 计初中化学常用仪器根据用途分类1、能直接加热的仪器: 试管、蒸发皿、燃烧匙.2、不能直接加热的仪器: 烧杯、烧瓶.3、不能加热的仪器: 集气瓶、水槽、漏斗、量筒.4、用于称量和量取的仪器:托盘天平、量筒.→→研钵5、用于取药品的仪器:药匙、镊子、胶头滴管.6、给液体加热的仪器:试管、烧杯、烧瓶、蒸发皿7、给固体加热的仪器:试管、蒸发皿8、用于夹持或支撑的仪器:试管夹、铁架台(带铁夹或铁圈) 、坩埚钳.9、过滤分离的仪器:漏斗、玻璃棒.10、加热常用的仪器:酒精灯.11、加热至高温的仪器:酒精喷灯、电炉.化学实验基本操作一、药品的取用(一)三大原则1、取用药品的“三”不原则:不触不尝不猛闻2、取用药品的用量:“节约原则”⑴严格按实验规定用量;⑵未指明用量取最少量:液体1mL-2mL;固体盖满试管底部。
3、实验剩余药品“三不”原则:不丢不回不带走.(二)取用方法1、固体药品的取用方法:⑴块状固体和密度较大的金属颗粒:“一横二放三慢竖”.⑵粉末状固体:“一斜二送三直立”.a、块状或密度较大的固体颗粒一般用镊子夹取。
b、粉末状或小颗粒状的药品用钥匙(或纸槽)。
c、使用过的镊子或钥匙应立即用干净的纸擦干净。
2、液体药品的取用方法(1)较多量:“一放、二向、三挨、四流”.A、从细口瓶里取用试液时,应把瓶塞拿下,倒放在桌上;B、倾倒液体时,应使标签向着手心,瓶口紧靠试管口或仪器口,防止残留在瓶口的药液流下来腐蚀标签。
(2)较少量:用胶头滴管吸取.A、吸有药液的滴管应悬空垂直在仪器的正上方,将药液滴入接受药液的仪器中,不要让吸有药液的滴管接触仪器壁;B、不要将滴管平放在实验台或其他地方,以免沾污滴管;C、不能用未清洗的滴管再吸别的试剂(滴瓶上的滴管不能交叉使用,也不需冲洗)二、一定量药品的称量和液体的量取液体(用量筒量取)固体(用托盘天平称取)(一)托盘天平固体称量用天平,平放然后再调零;用纸先将盘底垫,易潮易腐放烧杯;左物右码不要乱,右加游码等于左;取码用镊手不沾,先大后小游码添;完毕砝码归盒中,游码回到零刻度.A、酒精灯内的酒精不超过容积的2/3;B、用完酒精灯后必须用灯帽盖灭,不可用嘴去吹灭;C、绝对禁止向燃着的酒精灯内添加酒精;D、绝对禁止用燃着的酒精灯引燃另一盏酒精灯,以免引起火灾。
初三化学常用实验仪器图表(完整修改版)
①在常温或加热时用作少量试
剂的反应容器;②用于少量物
质的溶解或收集少量气体或作
简易气体发生装置
用于少量溶液的蒸发、浓缩和
结晶
用作配制溶液和较大量试剂的
反应容器,也可用于加热
少量固体燃烧反应器
用于加热
①用作收集或贮存少量气体;
②用于有关气体的化学反应
用于粗略称量物质的质量,一般只能称准至
用于过滤或向小口容器里加液体
用于注入液体
固定和放置各种仪器
夹持试管进行简单的加热实验
夹持坩埚加热或夹持热的蒸发皿等
取用固体药品
搅拌液体、引流、蘸取液体。
常用的化学仪器及名称图一、写出下列仪器的名称初中化学常用仪器根据用途分类 1、能直接加热的仪器: 试管、蒸发皿、燃烧匙. 2、不能直接加热的仪器: 烧杯、烧瓶.3、不能加热的仪器: 集气瓶、水槽、漏斗、量筒.4、用于称量和量取的仪器:托盘天平、量筒.5、用于取药品的仪器:药匙、镊子、胶头滴管.洗气瓶→→锥形瓶试管1000mL 20℃容量瓶启普发生器U 型管干燥管梨形分1.——1225坩 埚坩 913圆底烧平底烧蒸馏烧胶 头11燃烧6814广口瓶 细口瓶 表面皿4 碱 式滴定10量移 液25℃20mL7多孔隔板6、给液体加热的仪器:试管、烧杯、烧瓶、蒸发皿7、给固体加热的仪器:试管、蒸发皿8、用于夹持或支撑的仪器:试管夹、铁架台(带铁夹或铁圈) 、坩埚钳.9、过滤分离的仪器:漏斗、玻璃棒.10、加热常用的仪器:酒精灯.11、加热至高温的仪器:酒精喷灯、电炉.化学实验基本操作一、药品的取用(一)三大原则1、取用药品的“三”不原则:不触不尝不猛闻2、取用药品的用量:“节约原则”⑴严格按实验规定用量;⑵未指明用量取最少量:液体1mL-2mL;固体盖满试管底部。
3、实验剩余药品“三不”原则:不丢不回不带走.(二)取用方法1、固体药品的取用方法:⑴块状固体和密度较大的金属颗粒:“一横二放三慢竖”.⑵粉末状固体:“一斜二送三直立”.a、块状或密度较大的固体颗粒一般用镊子夹取。
b、粉末状或小颗粒状的药品用钥匙(或纸槽)。
c、使用过的镊子或钥匙应立即用干净的纸擦干净。
2、液体药品的取用方法(1)较多量:“一放、二向、三挨、四流”.A、从细口瓶里取用试液时,应把瓶塞拿下,倒放在桌上;B、倾倒液体时,应使标签向着手心,瓶口紧靠试管口或仪器口,防止残留在瓶口的药液流下来腐蚀标签。
(2)较少量:用胶头滴管吸取.A、吸有药液的滴管应悬空垂直在仪器的正上方,将药液滴入接受药液的仪器中,不要让吸有药液的滴管接触仪器壁;B、不要将滴管平放在实验台或其他地方,以免沾污滴管;C、不能用未清洗的滴管再吸别的试剂(滴瓶上的滴管不能交叉使用,也不需冲洗)二、一定量药品的称量和液体的量取液体(用量筒量取)固体(用托盘天平称取)(一)托盘天平固体称量用天平,平放然后再调零;用纸先将盘底垫,易潮易腐放烧杯;左物右码不要乱,右加游码等于左;取码用镊手不沾,先大后小游码添;完毕砝码归盒中,游码回到零刻度.A、酒精灯内的酒精不超过容积的2/3;B、用完酒精灯后必须用灯帽盖灭,不可用嘴去吹灭;C、绝对禁止向燃着的酒精灯内添加酒精;D、绝对禁止用燃着的酒精灯引燃另一盏酒精灯,以免引起火灾。