三标一体化管理体系文件实施归口管理责任部门一览表
- 格式:doc
- 大小:155.00 KB
- 文档页数:4
受控文件清单QEHS/TJJT-JL-001-01-2010 NO:文件、档案销毁清单QEHS/TJJT-JL-001-04-2010 NO:批准:制表人:执行人:监销人:监督检查记录QEHS/TJJT-JL-001-06-2010 NO:记录清单QEHS/TJJT-JL-002-2010 NO:法律、法规和其他要求清单QEHS/TJJT-JL-004-01-2010 NO:管理评审计划QEHS/TJJT-JL-006-01-2010 NO:管理评审会议信息输入表QEHS/TJJT-JL-006-02-2010 NO:会议记录QEHS/TJJT-JL-006-04-2010 NO:会议签到表QEHS/TJJT-JL-006-03-2010 NO:员工培训需求表QEHS/TJJT-JL-007-01-2010 NO:员工培训登记表QEHS/TJJT-JL-007-02-2010 NO:特种作业人员花名册QEHS/TJJT-JL-007-03-2010 NO:培训记录表QEHS/TJJT-JL-007-04-2010 NO:负责人:填表人:劳务工招用计划表QEHS/TJJT-JL-007-05-2010 NO:编制人:审核人:批准人:年月日年月日年月日劳务工班组评价记录表QEHS/TJJT-JL-007-06-2010 NO:评价人:审核人:批准人:拟招用劳务工名册QEHS/TJJT-JL-007-07-2010 NO:部门名称:制表人:审核人:批准人:合格劳务工注册登记表QEHS/TJJT-JL-007-08-2010 NO:劳务用工检查记录表QEHS/TJJT-JL-007-09-2010 NO:劳务工班组期末评定考核记录表QEHS/TJJT-JL-007-010-2010 NO:填表人:年月日工程合同评审单QEHS/TJJT-JL-009-02-2010 NO:工程合同台帐QEHS/TJJT-JL-009-03-2010 NO:供方调查、评价记录QEHS/TJJT-JL-010-01-2010-B NO:合格供方名册QEHS/TJJT-JL-010-02-2010-B NO:单位工程物资申请总计划QEHS/TJJT-JL-010-03-2010-B NO:审批人:编制人:年月日项目部组成上岗审查表QEHS/TJJT-JL-011-01-2010-B NO:公司总工程师:公司副经理批准:年月日用户意见调查表QEHS/TJJT-JL-011-02-2010-B NO:内部审核实施计划QEHS/TJJT-JL-016-01-2010 NO:内部审核检查表QEHS/TJJT-JL-016-02-2010 NO:审核员:内部审核不合格报告QEHS/TJJT-JL-016-03-2010 NO:内部审核报告QEHS/TJJT-JL-016-04-2010 NO:QEHS/TJJT-JL-016-04-2010 共页第页QEHS/TJJT-JL-016-04-2010 共页第页内部审核不符合项分布表QEHS/TJJT-JL-016-05-2010 NO:收(发)文登记表QEHS/TJJT-JL-001-02-2010 NO:文件号:文件名称:收到时间:员工健康档案QEHS/TJJT-JL-018-01-2010 NO:姓名:性别:出生年月:婚姻状况:工种:从事本工种年限:不合格物资记录事故、事件不符合调查处理报告单事故处理报告QEHS/TJJT-JL-021-02-2010 NO:技术负责人:填表人:报告时间:数据分析应用表纠正/预防措施报告QEHS/TJJT-JL-024-01-2010 NO:。
项目“三标一体”管理流程及工作标准1、项目“三标一体”管理流程图2、项目“三标一体”管理工作标准第 1 页共 3 页第 2 页共 3 页第 3 页共 3 页编制:朱锋审核:曾耀成附录-1:项目管理内容:项目管理内容包括以下几方面。
1.产品质量方面:(1)进行图纸会审、平面布置,作好施工准备,严格按照施工组织设计施工;(2)明确工程项目的特殊过程,编制作业指导书,对特殊过程的过程能力、人员、设备要进行预先鉴定,保证人员持证上岗,设备能力完好,施工方案可行,在施工中进行连续监控,作好记录;(3)针对项目的难点、重点制定预防措施,并组织实施;(4)物资管理:评价选择合格供方,建立《合格供方名单》,在《合格供方名单》中确定物资供应方,把好物资进场验收关,按照有关规定作好物资检验和试验,产品标识规范,可追溯记录详实,物资保管、防护、搬运、贮存符合规定,物资帐、卡、物相符,定期进行自查;(5)分类建立《受控文件资料清单》,对受控文件予以控制,包括国家标准、行业标准、标准图集等。
搜集与工程质量有关的法律法规,建立《法律法规清单》。
(6)配置工程所需的机械设备及检测设备,分别建立《机械设备台帐》、《监视及测量装置台帐》。
机械设备应作好进场验收和日常维护,检测设备应作好校验工作,并分别保存记录。
(7)严格按照合同工期组织施工,保证工程如期完工。
(8)根据工程特点制定产品防护措施,如防洪、防寒措施;工序交接包含了必要的防护交接,避免不必要的颠倒作业或不合理的立体交叉作业,确保下道工序不污染上道工序,防止施工交叉污染或损坏;(9)严格工程质量检验制度,对工程建设标准强制性条文规定的、影响结构安全的关键工序、与“四新”有关的质量问题、质量通病、项目的特定难点应加强控制,按照标准、规范、程序等要求及时作好质量记录;(10)建立《不合格品台帐》,对不合格品予以控制,发现不合格品立即报告有关人员,采取相应措施,作好记录;(11)对产品质量中发现的问题,应及时制定纠正措施,防止同类问题再发生;(12)建立《数据分析、统计技术应用台帐》,有针对性地应用数据分析、统计技术和方法改进产品质量和工作质量;(13)加强特种设备管理,建立《特种作业人员名单》,保证特种作业人员持证上岗;(14)与顾客(监理)保持联系,建立顾客(监理)意见簿,有计划地、主动地回访建设单位和用户,及时获取有关信息予以改进,关注并测量顾客满意度;(15)将上述要求告之分包方(劳务分包方),并督促其执行。
管理评审记录表5.6-01管理评审报告受控文件清单文件发文记录文件更改申请单申请人: 年月日批准人: 年月日文件销毁申请记录供方考察评价记录采购计划表_________标识记录计量器具周检计划计量器具采购申请表计量器具领用登记表计量器具报废申请表计量器具管理卡表7.6-05计量器具转移登记表7.6-06计量器具台帐7.6-07不合格品记录纠正(预防)措施实施情况及验证记录不合格报告内审检查表察项(口头不合格), 3代表不合格(必须出具不合格报告)。
审核组长: 审核员:共 页, 第 页。
内部质量审核报告首(末)次会议记录8.2.2—02内部审核观察项记录表8.2.2-05年度培训调查表信息联络处理单信息登记表相关方投诉投诉处理记录统计技术验证记录合同洽谈工作记录合同修改评审单评审记录表7.2—02附: 与施工工程有关的要求(合同草案、协议、招标书、投标书等)记录清单记录借阅申请4.2.4-02记录销毁登记表目标分解方案批准人: 年月日目标完成情况考核记录表5.4.1-02考核人: 年月日应急演练记录顾客满意程度调查记录填表说明: 以上五项内容标准分各为100分, 请顾客方代表在表中相应栏内打分(90-100分为很满意;80-89分为满意;70-79分为一般;69分及以下为不满意)。
经顾客方实际打分后, 合计的总平均分即为最终得分, 即代表顾客方的满意程度。
合格供方名录、年度评估表表7.4-03编制: 批准: 年月日设备维修记录主修人: 操作人: 验收人:年月日项目设备检查、维护、保养记录记录人:设备台帐年月日排列图编制: 审核: 年月日说明:应附有原始数据, 通过此表可以找出主要问题, 并加以解决(纠正和纠正措施)因果分析图单位: 表8.4—02编制: 审核: 年月日参加培训人员登记表月日培训安排日文件、记录归档登记表。
“三位一体”工作研究和建议一、“三位一体”各相关部门职责明细1、路长:A、自行安排责任区市政、绿化及环卫保洁状况巡查;B、发现问题立即报各行业主管部门进行任务分解;C、跟踪养护维修任务,了解进展情况,发现养护存在问题可现场要求整改,并向中心和环卫所相应责任的小组长反映;D、参与维修验收和工程认证工作;E、进行月度小结,评价道路总体状况,对养护维修及相关事项提出意见,供各部门参考。
2、城建处、园管处、房管处、环卫所(行业管理部门)A、编制部门年度和月度养护维修总体计划和资金安排计划;B、安排“三位一体”任务区未包含的背街小巷和城郊接合部道路的巡查;C、进行养护维修任务验收和工程量签证,并安排资金的支付;D、组织市政养护维修月考;E、又城建处牵头路长的月评分汇总工作;3、“三位一体”信息中心A、针对各部门维修制计划制定月度养护维修计划;B、收集路长和各部门的养护维修信息。
进行分解,下发联系单到各养护维修班组,工程量较大的项目报行业管理部门确认;C、养护班组工作完成后向中心反馈工作联系单,由中心报行业管理部门和路长组织验收;D、接受养护维修月度和季度考核;E、养护维修数据统计和汇总,委以后的工作提供参考;F、进行阶段性的“三位一体”工作的总结和汇报;4、建设科A、进行“三位一体”工作督查,并参与季度年度考核和通报工作总体进展情况;B、“三位一体”养护维修资金的拨付审批;C、养护小型工程的招标项目管理;D、年度养护资金的核准和上报;E、协调具体工作中遇到的问题。
5、财务室A、保障“三位一体”资金到位;B、审核“三位一体”资金拨付。
6、监察室督查“三位一体”工作情况,接受“三位一体”工作信息反馈,对工作不到位的单位和个人提出批评。
二、“路长制”工作方式及考核形式1、何谓“路长制”“路长制”即城区道路分解成任务区后,将其市政养护、周边公共绿化、保洁巡查监督反馈工作打包,由专人负责巡查,处理养护维修保洁事宜的制度。
注1:文件查阅含记录的查阅。
注2:“检查结果记录”栏:符合○,轻微不符合△,严重不符合×(有不符合时要记录证据,并要求受审核部门当事人签名确认)。
注1:文件查阅含记录的查阅。
注2:“检查结果记录”栏:符合○,轻微不符合△,严重不符合×(有不符合时要记录证据,并要求受审核部门当事人签名确认)。
注1:文件查阅含记录的查阅。
注2:“检查结果记录”栏:符合○,轻微不符合△,严重不符合×(有不符合时要记录证据,并要求受审核部门当事人签名确认)。
注1:文件查阅含记录的查阅。
注2:“检查结果记录”栏:符合○,轻微不符合△,严重不符合×(有不符合时要记录证据,并要求受审核部门当事人签名确认)。
注1:文件查阅含记录的查阅。
注2:“检查结果记录”栏:符合○,轻微不符合△,严重不符合×(有不符合时要记录证据,并要求受审核部门当事人签名确认)。
注1:文件查阅含记录的查阅。
注2:“检查结果记录”栏:符合○,轻微不符合△,严重不符合×(有不符合时要记录证据,并要求受审核部门当事人签名确认)。
注1:文件查阅含记录的查阅。
注2:“检查结果记录”栏:符合○,轻微不符合△,严重不符合×(有不符合时要记录证据,并要求受审核部门当事人签名确认)。
注1:文件查阅含记录的查阅。
注2:“检查结果记录”栏:符合○,轻微不符合△,严重不符合×(有不符合时要记录证据,并要求受审核部门当事人签名确认)。
注1:文件查阅含记录的查阅。
注2:“检查结果记录”栏:符合○,轻微不符合△,严重不符合×(有不符合时要记录证据,并要求受审核部门当事人签名确认)。
注1:文件查阅含记录的查阅。
注2:“检查结果记录”栏:符合○,轻微不符合△,严重不符合×(有不符合时要记录证据,并要求受审核部门当事人签名确认)。
注1:文件查阅含记录的查阅。
注2:“检查结果记录”栏:符合○,轻微不符合△,严重不符合×(有不符合时要记录证据,并要求受审核部门当事人签名确认)。
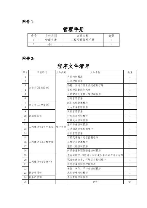
三标一体化体系文件清单三标一体化体系文件清单山西煤炭建设监理咨询公司年月一、管理手册目录《管理手册》批准颁布令管理者代表、职业健康安全事务代表任命书管理手册说明(引用标准、术语)公司概况公司组织机构图职能活动分配表方针和目标管理体系文件和资料控制记录控制管理职责方针策划目标管理体系策划环境因素、危险源识别与评价策划职责、权限与沟通管理评审控制资源管理人力资源控制基础设施和工作环境控制产品实现产品实现的策划与顾客有关过程控制设计和开发采购和供方评定控制生产和服务提供的控制(删减)监视和测量装置的控制环境和职业健康安全管理运行控制应急情况处理与事故调查处理控制测量分析和改进顾客满意度测量内部审核过程和产品的监视与测量控制环境的监视和测量职业健康安全的监视和测量法律法规执行情况的监测和评价综合管理体系绩效的监测和测量不合格品控制数据分析控制质量改进纠正和预防措施控制程序文件目录表管理手册修改记录二、程序文件目录. 《文件和资料控制程序》. 《记录控制程序》. 《人力资源控制程序》. 《监理过程控制程序》. —《内部审核控制程序》. 《不合格品控制程序》. 《纠正和预防措施控制程序》. 《建设工程监理投标控制程序》. 《项目监理部工作质量考核程序》. 《竣工工程监理资料管理工作程序》. 《法规与其他要求及其合规性评价控制程序》. —《环境因素识别、评价、控制策划程序》. —《危险源识别、评价、控制策划程序》. —《环境运行控制及绩效监测程序》. —《职业健康安全运行控制程序》. —《应急情况处理与事故调查处理控制程序》. —《信息交流与协商沟通程序》三、管理制度目录1.消防安全管理制度2.安全检查制度3.安全考核制度4.事故管理办法5.女职工劳动保护管理办法6.职业危害防治管理办法7.劳动防护用品管理办法8.火灾事故专项应急预案9.交通安全事故应急预案(修正稿)10.突法公共事件总体应急预案11.电梯应急预案12.食物中毒事故应急预案(修正稿)13.清洁卫生管理制度14.监理工地食堂管理制度15.公司库房管理制度16.办公室保密制度17.档案管理制度18.办公室安全卫生管理制度19.监理人员宿舍管理制度20.固体废弃物(危险废弃物)管理办法21.车辆管理办法22.。