规范标准允许偏差一览表
- 格式:doc
- 大小:1.06 MB
- 文档页数:32
土建规范一览表一、钢筋工程二、砌体工程三、模板工程模板安装允许偏差及检查方法四、混凝土工程预制构件尺寸允许偏差及检验方法注:1、为构件长度(mm)。
2 、检查中心线、螺栓和孔道位置时,应沿纵、横两个方向量测,并取其中的较大值;3 、对开头复杂或特殊要求的构件,其尺寸偏差应符合标准图基设计的要求。
现浇构件尺寸允许偏差及检验方法/view/14e7a48ecc22bcd126ff0c0b.html一混凝土工程GBJ134-901、梁、柱上任何一处的锋窝面积不大于1000㎝²,累计不大于2000㎝²;孔洞面积不大于40㎝²,累计不大于80㎝²;露筋长度不大于10㎝,累计不大于20㎝。
2、墙、板、拱上任何一处的蜂窝面积不大于2000㎝²,累计不大于4000㎝²;孔洞面积不大于100㎝²,累计不大于200㎝²;露筋长度不大于20㎝,累计不大于40㎝²。
3、混凝土结构尺寸的允许偏差表人防)项目允许偏差(㎜)轴线位移10标高层高全高±10 ±20截面尺寸厚度小于200㎜±10厚度为200-400㎜±15厚度大于400㎜±20柱、墙垂直度5表面平整度8预埋管、预留孔中心线位置偏移5预埋螺栓中心线位置偏移5预留洞中心线位置偏移15电梯井井筒长、宽对中心线井筒全高垂直度+25H/1000且不大于20注:H为电梯井筒全高(㎜)。
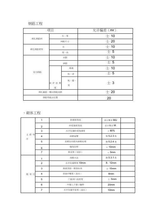
4、混凝土组成材料计量结果的允许偏差:GB50164-92组成材料允许偏差水泥、掺合料±2%粗、细骨料±3%水、外加剂±2%5、混凝土从搅拌机卸出到浇筑完毕的延续时间: GB50164-92气温延续时间(min)采用搅拌车采用其他运输设备≤C30 >C30 ≤C30 >C30≤25ºC>25ºC >12090 9060 9060 75456、现浇结构尺寸允许偏差和检验方法:GB50204-2002项目允许偏差(㎜) 检验方法轴线位置基础15 钢尺检查独立基础10墙、柱、梁8剪力墙 5垂直度层高≤5 8 经纬仪或吊线、钢尺检查>5m10 经纬仪或吊线、钢尺检查全高H/1000且≤30 经纬仪、钢尺检查标高层高±10 水准仪或拉线、钢尺检查全高±30截面尺寸+8,-5 钢尺检查电梯井井筒长、宽对定位中心线+25,0 钢尺检查井筒全高(H)垂直度H/1000且≤30 经纬仪、钢尺检查表面平整度8 2m靠尺和塞尺检查预埋设施中心线位置预埋件10 钢尺检查预埋螺栓 5预埋管 5预留洞中心线位置15 钢尺检查7、现浇结构外观质量缺陷: GB50204-2002名称现象严重缺陷一般缺陷露筋构件内钢筋未被混凝土包裹而外露纵向受力钢筋有露筋其他钢筋有少量露筋蜂窝混凝土表面缺少水泥砂浆而形成石子外露构件主要受力部位有蜂窝基他部位有少量蜂窝孔洞混凝土中孔穴深度和长度均超过保护层厚度构件主要受力部位有孔洞其他部位有少量孔洞夹渣混凝土中央有杂物且深度超过保护层厚度构件主要受力部位有夹渣其他部位有少量夹渣疏松混凝土中局部不密实构件主要受力部位有疏松其他部位有少量疏松裂缝缝隙从混凝土表面延伸至混凝土内部构件主要受力部位有影响结构性能或使用功能的裂缝其他部位有少量不影响结构性能或使用功能的裂缝连结部位缺陷构件连接处混凝土缺陷及连接钢筋、连接件松动连接部位有影响结构传力性能的缺陷连接部位有基本不影晌结构传力性能的缺陷外形缺陷缺棱掉角、棱角不直、翘曲不平、飞边凸肋等清水混凝土构件有影响使用功能或装饰效果的外形缺陷其他混凝土构件有不影响使用功能的外形缺陷外表缺陷构件表面麻面、掉皮、起砂、沾污等具有重要装饰效果的清水混凝土构件有外表缺陷其他混凝土构件有不影响使用功能的外表缺陷8、预制构件尺寸的允许偏差及检验方法: GB50204-2002项目允许偏差(㎜) 检验方法长度板、梁+10,-5 钢尺检查柱+5,-10墙板±5薄腹梁、桁架+15,-10宽度、高(厚)度板、梁、柱、墙板、薄腹梁、桁架±钢尺量一端及中部,取其中较大值侧向弯曲板、梁、柱L/750且≤20 拉线、钢尺量最大侧向弯曲处墙板、薄腹梁、桁架L/1000且≤20预埋件中心线位置10 钢尺检查螺栓位置 5螺栓外露长度+10,-5预留孔中心线位置 5 钢尺检查预留洞中心线位置15 钢尺检查主筋保护层厚度板+5,-3 钢尺或保护层厚度测梁、柱、墙板、薄腹梁、桁架+10,-5 定仪量测对角线差板、墙板10 钢尺量量两对角线表面平整度板、墙板、柱、梁 5 2m靠尺和塞尺检查预应力构件预留孔道位置梁、墙板、薄腹梁、桁架+3 钢尺检查翘曲板L/750 调平尺在两端量测墙板L/1000二模板工程1、现浇构件模板安装的允许偏差及检验方法: GB50204-2002项目允许偏差(㎜) 检验方法轴线位置 5 钢尺检查底模上表面标高±5 水准仪或拉线、钢尺检查截面内基础±10 钢尺检查部尺寸柱、墙、梁+4,-5 钢尺检查层高垂直度不大于5m 6 经纬仪或吊线、钢尺检查大于5m8 经纬仪或吊线、钢尺检查相邻两板表面高低差 2 钢尺检查表面平整度 5 2m靠尺和塞尺检查2、预埋件和预留孔洞的允许偏差: GB50204-2002项目允许偏差(㎜)预埋钢板中心线位置 3预埋管、预留孔中心线位置 3插筋中心线位置 5外露长度+10,0预埋螺栓中心线位置 2外露长度+10,0预留洞中心线位置10尺寸+10,03、预制构件模板安装的允许许偏差及检验方法: GB50204-2002项目允许偏差(㎜) 检验方法长度板、梁±5 钢尺量两角边,取其中较大值薄腹梁、桁架±10柱0,-10墙、板0,-5宽度板、墙板0,-5 钢尺量一端及中部,梁、薄腹梁、桁架、柱+2,-5 取其中较大值高(厚)度板+2,-3 钢尺量一端及中部,取其中较大值墙板0,-5梁、薄腹梁、桁架、柱+2,-5侧向弯曲梁、板、柱L/1000且≤15 拉线、钢尺量最大弯曲处墙板、薄腹梁、桁架L/1500且≤15板的表面平整度 3 2m靠尺和塞尺检查相邻两板表面高低差 1 钢尺检查对角线差板7 钢尺量两个对角线墙板 5翘曲板、墙板L/1500 调平尺在两端量测设计起拱薄腹梁、桁架、梁±3 拉线,钢尺量跨中注为构件长度(㎜)4、底模板拆除时的混凝土强度要求: GB50204-2002构件内型构件跨度(m) 达到设计的混凝土立方体抗压强度标准值的百分率(%)板≤2 ≥50>2,≤8 ≥75>8 ≥100梁、拱、壳≤8 ≥75>8 ≥100悬臂构件/ ≥100三钢筋工程1、钢筋加工的允许偏差: GB50204-2002项目允许偏差(㎜)受力钢筋顺长度方向全长的净尺寸±10弯起钢筋的弯折位置±20箍筋内净尺寸±52、钢筋安装位置的允许偏差和检验方法: GB50204-2002项目允许偏差(㎜) 检验方法绑扎钢筋网长、宽±10 钢尺检查网眼尺寸±20 钢尺量连续三档,取最大值绑扎钢筋骨架长±10 钢尺检查宽、高±5 钢尺检查受力钢筋间距±10 钢尺量两端、中间各一点,取最大值排间±5保护层厚度基础±10 钢尺检查柱、梁±5 钢尺检查板、墙、壳±3 钢尺检查绑扎箍筋、横向钢筋间距±20 钢尺量连续三档,取最大值钢筋弯起点位置20 钢尺检查预埋件中心线位置 5 钢尺检查水平高差+4,0 饮尺和塞尺检查注:表中梁类、板类构件上部纵向受力钢筋保护层厚度的合点率应达到90%及以上,且不得有超过表中数值1.5倍的尺寸偏差。
模板安装允许偏差和检验办法项次项目允许偏差值(mm)检验方法国家规范标准优质结构标准1 轴线位移柱、墙、梁 5 3 尺量2 底模上表面标高±5 ±3 水准仪或拉线尺3 截面模内尺寸基础±10 ±5尺量柱、墙、梁+4、-5 ±34 竖向模板垂直度层高不大于 6 3 经纬仪或吊线、尺量大于5m 8 55 相邻两板表面高低差 2 2 尺量6 表面平整度 5 2 靠尺、塞尺7 阴阳角方正— 2 方尺、塞尺顺直— 2 线尺8 预埋铁件中心线位移 3 2 拉线、尺量9 预埋螺栓中心线位移 3 2拉线、尺量螺栓外露长度+10、0 +5、010 预留洞中心线位置+10 5拉线、尺量尺寸+10、0 +5、011 门窗洞口中心线位移— 3拉线、尺量宽、高—±5对角线— 612 插筋中心线位移 5 5尺量外露长度+10、0 +10、013 预留管、预埋孔中心线位置 3 2 尺量钢筋安装位置的允许偏差和检验方法项次项目允许偏差值(mm)检验方法国家规范标准优质结构标准1 绑扎钢筋龙骨宽、高±5 ±5尺量长±10 ±102 受力主筋间距±10 ±10尺量排距±5 ±5弯起点位置20 ±153 绑扎钢筋网长、宽±10 ±10 尺量连续5个间距网格尺寸±20 ±104 保护层厚度基础±10 ±5尺量柱、梁±5 ±3板、墙、壳±3 ±35 钢筋电弧焊连接焊缝宽度≮0.7d —+0.1d、0量规或尺量厚度≮0.3d —+0.2d、0长度—+5、06 电渣压力焊焊包凸出钢筋表面≥4 ≥4 尺量7不等强直螺纹接头外露丝扣直筒外露整扣≯2个≯1个目测直筒外露半扣—≯3个8梁、板受力钢筋搭接锚固长度入支座、节点搭接—+10、-5尺量入支座、节点锚固—±59 绑扎箍筋、横向钢筋间距±20 ±10 尺量10 预埋件中心线位置 5 3尺量水平高差+3、0 +3、0现浇结构尺寸允许偏差和检验方法项次项目允许偏差值(mm)检验方法国家规范标准优质结构标准1 轴线位置基础15 10尺量独立基础10 10墙、柱、梁8 52 垂直度层高≤5m 8 5 经纬仪吊线尺量层高>5m 10 8全高(H)H/1000、且≤30 H/1000、且≤303 标高层高±10 ±5水准仪、尺量全高±30 ±304 截面尺寸基础宽、高+8、-5 ±5尺量柱、墙、梁+8、-5 ±35 表面平整度8 3 2m靠尺、尺6 角、线顺直度— 3 拉线、尺量7 楼梯踏步板宽度、高度—±3 尺量8 电梯井筒长、宽对定位中心线+25、0 +20、0经纬仪、尺量筒全高(H)垂直度H/1000、且≤30 H/1000、且≤309 阳台、雨罩位移—±5 吊线、尺量10 预留孔、洞中心线位置15 10 尺量11预埋设施中心线位置预埋件10 3尺量预埋螺栓 5 +5、0预埋管 5 3砌体允许偏差和检验方法项次项目允许偏差值(mm)检验方法国家规范标准优质结构标准1 轴线位移10 10 尺量2 垂直度全高≤10m 10 8 经纬仪吊线尺量>10m 20 15每层 5 53 标高基础顶面±15 ±10 水准仪或拉线尺量楼面±15 ±154 表面平整度清水墙、柱 5 5 2m靠尺尺量混水墙、柱8 55 门窗洞口高、宽度±10(后塞口)±5拉线、尺量上下口偏移20 106 灰缝清水墙水平缝平直度7 5拉线、尺量混水墙水平缝平直度10 7清水墙游丁走缝20 10 吊线、尺量水平灰缝厚度多孔砖(10皮累计)±8 ±5 尺量小砌块(5皮累计)±10 ±7 尺量垂直灰缝宽度多孔砖(水平10皮累计)±10 ±7 尺量小砌块±15 ±10 尺量(水平5皮累计)。
钢筋工程、砌体工程三、模板工程模板安装允许偏差及检查方法四、混凝土工程预制构件尺寸允许偏差及检验方法注:1、为构件长度(m m)。
2、检查中心线、螺栓和孔道位置时,应沿纵、横两个方向量测,并取其中的较大值;3、对开头复杂或特殊要求的构件,其尺寸偏差应符合标准图基设计的要求。
现浇构件尺寸允许偏差及检验方法混凝土工程GBJ134—90、梁、杠上任何一处的蚱窝而枳不大十20C51S 累汁不大于WCKJOcmS 孑L洞而科!不人于4Ocmr 累十卜不犬于80c皿备碍筋氏度不人于1 0cm2 , 累计不人于20cm。
二、墙*板*拱上仃何一处的卿備面积不大于2000cm2 >累计>F大十4OOOcm2,孑L洞而私大于lOOcm2*驭刁不大于2OQcm2;筋氏庶不人-HNOcm” 累计不人一H 4Ocg、混凝土结构尺寸的允许偏差表人防截面尺寸厚度小于200伽±0mm厚度为200-40伽±15mm厚度大于400伽±20 mm柱、墙垂直度5mm表面平整度8mm预埋管、预留孔中心线位置偏移5mm预埋螺栓中心线位置偏移5mm预留洞中心线位置偏移15 mm电梯井井筒长、宽对中心线井筒全咼垂直度+ 25H/1000且不大于20 注:H为电梯井筒全高(mm)4、混凝土组成材料计量结果的允许偏差:GB50164 —92组成材料允许偏差水泥、掺合料±2%粗、细骨料±5%水、外加剂±>%6、现浇结构尺寸允许偏差和检验方法:GB50204 —20027、现浇结构外观质量缺陷:GB50204 —2002名称现象严重缺陷一般缺陷露筋构件内钢筋未被混凝土包裹而外露纵向受力钢筋有露筋其他钢筋有少量露筋蜂窝混凝土表面缺少水泥砂浆而形成石子外露构件主要受力部位有蜂窝基他部位有少量蜂窝孔洞混凝土中孔穴深度和长度均超过保护层厚度构件主要受力部位有孔洞其他部位有少量孔洞夹渣混凝土中央有杂物且深度超过保护层厚度构件主要受力部位有夹渣其他部位有少量夹渣疏松混凝土中局部不密实构件主要受力部位有疏松其他部位有少量疏松裂缝缝隙从混凝土表面延构件主要受力部位有影响结其他部位有少量不影响伸至混凝土内部构性能或使用功能的裂缝结构性能或使用功能的裂缝连结部构件连接处混凝土缺陷连接部位有影响结连接部位有基本不影位缺陷及连接钢筋、连接件松动构传力性能的缺陷响结构传力性能的缺陷二模板工程1、现浇构件模板安装的允许偏差及检验方法 :GB50204 — 2002项目允许偏差(伽)检验方法轴线位置5 钢尺检查底模上表面标咼±5水准仪或拉线、钢尺检查截面内 基础±10钢尺检杳部尺寸 柱、 墙、梁 + 4,— 5钢尺检查层咼垂直度不大于5m 6 经纬仪或吊线、钢尺检查大于5m8 经纬仪或吊线、钢尺检查相邻两板表面咼低差2钢尺检查起砂、沾污等 清水混凝土构件有外表缺陷 影响使用功能的外表缺陷 8预制构件尺寸的允许偏差及检验方法GB50204 —外形缺陷 缺棱掉角、棱角不直、翘 曲不平、飞边凸肋等 清水混凝土构件有影响使用 功能或装饰效果的外形缺陷 其他混凝土构件有不 影响使用功能的外形缺陷表面平整度52 m 靠尺和塞尺检查相邻两板表面咼低差 钢尺量两个对角线墙板项目允许偏差(伽)预埋钢板中心线位置 3预埋管、 预留孔中心线位置 3插筋中心线位置 5外露长度+ 10,0预埋螺栓中心线位置 2外露长度+ 10,0预留洞中心线位置 10尺寸+ 10,03、预制构件模板安装的允许许偏差及检验方法:GB50204 — 2002项目允许偏差(伽)检验方法长度板、梁 ±5钢尺量两角边,取其中较大值薄腹梁、桁架±10柱0,— 10墙、板0, — 5宽度板、墙板 0, — 5钢尺量一端及中部,梁、薄腹梁、桁架、柱十2, — 5取其中较大值高(厚)度板 + 2, — 3钢尺量一端及中部,墙板0, — 5取其中较大值梁、 薄腹梁、桁架、柱+ 2, — 5侧向弯曲梁、板、柱L/1000且w 15 拉线、钢尺量最大弓曲处墙板、薄腹梁、桁架L/1500且w 152、预埋件和预留孔洞的允许偏差:GB50204 — 2002板的表面平整度 2m 靠尺和塞尺检查3翘曲 板、墙板L/1500调平尺在两端量测 设计起拱 薄腹梁、 桁架、±3拉线,钢尺量跨中4、底模板拆除时的混凝土强度要求:GB50204 — 2002构件内型 构件跨度(m )达到设计的混凝土立方体抗压强度标准值的百分率(%)>8钢尺检查 对角线差>8 >100悬臂构件/ > 100三钢筋工程1、钢筋加工的允许偏差:GB50204— 2002项目允许偏差(伽) 受力钢筋顺长度方向全长的净尺寸 ±0 弯起钢筋的弯折位置 i20 箍筋内净尺寸±得有超过表中数值1.5倍的尺寸偏差3、纵向受拉钢筋的最小搭接长度 :GB50204— 2002 附录 B钢筋类型混凝土强度等级C15 C20〜C25C30 〜C35 > C40 光圆钢筋 HPB23级 45d 35d 30d 25d 带肋钢筋HRB335 级 55d45d35d30dHRB400 级RRB400 级 / 55d 40d35d注:两根直径不同钢筋的搭接长度 ,以较细钢筋的直径计算。
二、砌体工程模板安装允许偏差及检查方法预制构件尺寸允许偏差及检验方法注:1、为构件长度(mm)。
2 、检查中心线、螺栓和孔道位置时,应沿纵、横两个方向量测,并取其中的较大值;3 、对开头复杂或特殊要求的构件,其尺寸偏差应符合标准图基设计的要求。
现浇构件尺寸允许偏差及检验方法一混凝土工程GBJ134-903、混凝土结构尺寸的允许偏差表人防)项目允许偏差轴线位移10标高层高全高±10 ±20截面尺寸厚度小于200㎜±10mm厚度为200-40㎜±15mm厚度大于400㎜±20 mm柱、墙垂直度5mm表面平整度8mm预埋管、预留孔中心线位置偏移5mm预埋螺栓中心线位置偏移5mm预留洞中心线位置偏移15 mm电梯井井筒长、宽对中心线井筒全高垂直度+25H/1000且不大于20 注:H为电梯井筒全高(㎜)4、混凝土组成材料计量结果的允许偏差:GB50164-92组成材料允许偏差水泥、掺合料±2%粗、细骨料±3%水、外加剂±2%5、混凝土从搅拌机卸出到浇筑完毕的延续时间: GB50164-926、现浇结构尺寸允许偏差和检验方法:GB50204-20027、现浇结构外观质量缺陷: GB50204-2002名称现象严重缺陷一般缺陷露筋构件内钢筋未被混凝土包裹而外露纵向受力钢筋有露筋其他钢筋有少量露筋蜂窝混凝土表面缺少水泥砂浆而形成石子外露构件主要受力部位有蜂窝基他部位有少量蜂窝孔洞混凝土中孔穴深度和长度均超过保护层厚度构件主要受力部位有孔洞其他部位有少量孔洞夹渣混凝土中央有杂物且深度超过保护层厚度构件主要受力部位有夹渣其他部位有少量夹渣疏松混凝土中局部不密实构件主要受力部位有疏松其他部位有少量疏松裂缝缝隙从混凝土表面延构件主要受力部位有影响结其他部位有少量不影响伸至混凝土内部构性能或使用功能的裂缝结构性能或使用功能的裂缝连结部构件连接处混凝土缺陷连接部位有影响结连接部位有基本不影位缺陷及连接钢筋、连接件松动构传力性能的缺陷响结构传力性能的缺陷外形缺陷缺棱掉角、棱角不直、翘清水混凝土构件有影响使用其他混凝土构件有不曲不平、飞边凸肋等功能或装饰效果的外形缺陷影响使用功能的外形缺陷外表缺陷构件表面麻面、掉皮、具有重要装饰效果的其他混凝土构件有起砂、沾污等清水混凝土构件有外表缺陷影响使用功能的外表缺陷8、预制构件尺寸的允许偏差及检验方法: GB50204-2002二模板工程1、现浇构件模板安装的允许偏差及检验方法: GB50204-2002项目允许偏差(㎜) 检验方法轴线位置 5 钢尺检查底模上表面标高±5 水准仪或拉线、钢尺检查截面内基础±10 钢尺检查部尺寸柱、墙、梁+4,-5 钢尺检查层高垂直度不大于5m 6 经纬仪或吊线、钢尺检查大于5m8 经纬仪或吊线、钢尺检查相邻两板表面高低差 2 钢尺检查表面平整度 5 2m靠尺和塞尺检查2、预埋件和预留孔洞的允许偏差: GB50204-2002项目允许偏差(㎜)预埋钢板中心线位置 3预埋管、预留孔中心线位置 3插筋中心线位置 5外露长度+10,0预埋螺栓中心线位置 2外露长度+10,0预留洞中心线位置10尺寸+10,03、预制构件模板安装的允许许偏差及检验方法: GB50204-2002项目允许偏差(㎜) 检验方法长度板、梁±5 钢尺量两角边,取其中较大值薄腹梁、桁架±10柱0,-10墙、板0,-5宽度板、墙板0,-5 钢尺量一端及中部,梁、薄腹梁、桁架、柱+2,-5 取其中较大值高(厚)度板+2,-3 钢尺量一端及中部,墙板0,-5 取其中较大值梁、薄腹梁、桁架、柱+2,-5侧向弯曲梁、板、柱L/1000且≤15 拉线、钢尺量最大弯曲处墙板、薄腹梁、桁架L/1500且≤15板的表面平整度 3 2m靠尺和塞尺检查相邻两板表面高低差 1 钢尺检查对角线差板7 钢尺量两个对角线墙板 5翘曲板、墙板L/1500 调平尺在两端量测设计起拱薄腹梁、桁架、梁±3 拉线,钢尺量跨中4、底模板拆除时的混凝土强度要求: GB50204-2002构件内型构件跨度(m) 达到设计的混凝土立方体抗压强度标准值的百分率(%) 板≤2 ≥50>2,≤8 ≥75>8 ≥100梁、拱、壳≤8 ≥75>8 ≥100悬臂构件/ ≥100三钢筋工程1、钢筋加工的允许偏差: GB50204-2002项目允许偏差(㎜)受力钢筋顺长度方向全长的净尺寸±10弯起钢筋的弯折位置±20箍筋内净尺寸±52、钢筋安装位置的允许偏差和检验方法: GB50204-2002项目允许偏差(㎜) 检验方法绑扎钢筋网长、宽±10 钢尺检查网眼尺寸±20 钢尺量连续三档,取最大值绑扎钢筋骨架长±10 钢尺检查宽、高±5 钢尺检查受力钢筋间距±10 钢尺量两端、中间各一点,取最大值排间±5保护层厚度基础±10 钢尺检查柱、梁±5 钢尺检查板、墙、壳±3 钢尺检查绑扎箍筋、横向钢筋间距±20 钢尺量连续三档,取最大值钢筋弯起点位置20 钢尺检查预埋件中心线位置 5 钢尺检查水平高差+4,0 钢尺和塞尺检查注:表中梁类、板类构件上部纵向受力钢筋保护层厚度的合点率应达到90%及以上,且不得有超过表中数值1.5倍的尺寸偏差。
一、钢筋工程二、砌体工程三、模板工程模板安装允许偏差及检查方法四、混凝土工程预制构件尺寸允许偏差及检验方法注:1、为构件长度(mm).2 、检查中心线、螺栓和孔道位置时,应沿纵、横两个方向量测,并取其中的较大值;3 、对开头复杂或特殊要求的构件,其尺寸偏差应符合标准图基设计的要求。
现浇构件尺寸允许偏差及检验方法一混凝土工程GBJ134-903、混凝土结构尺寸的允许偏差表人防)截面尺寸厚度小于200㎜±10mm厚度为200-40㎜±15mm厚度大于400㎜±20mm柱、墙垂直度5mm表面平整度8mm预埋管、预留孔中心线位置偏移5mm预埋螺栓中心线位置偏移5mm预留洞中心线位置偏移15mm电梯井井筒长、宽对中心线井筒全高垂直度+25H/1000且不大于20注:H为电梯井筒全高(㎜)4、混凝土组成材料计量结果的允许偏差:GB50164-92组成材料允许偏差水泥、掺合料±2%粗、细骨料±3%水、外加剂±2%5、混凝土从搅拌机卸出到浇筑完毕的延续时间: GB50164-926、现浇结构尺寸允许偏差和检验方法:GB50204-20027、现浇结构外观质量缺陷:GB50204-2002名称现象严重缺陷一般缺陷露筋构件内钢筋未被混凝土包裹而外露纵向受力钢筋有露筋其他钢筋有少量露筋蜂窝混凝土表面缺少水泥砂浆而形成石子外露构件主要受力部位有蜂窝基他部位有少量蜂窝孔洞混凝土中孔穴深度和长度均超过保护层厚度构件主要受力部位有孔洞其他部位有少量孔洞夹渣混凝土中央有杂物且深度超过保护层厚度构件主要受力部位有夹渣其他部位有少量夹渣疏松混凝土中局部不密实构件主要受力部位有疏松其他部位有少量疏松裂缝缝隙从混凝土表面延构件主要受力部位有影响结其他部位有少量不影响伸至混凝土内部构性能或使用功能的裂缝结构性能或使用功能的裂缝连结部构件连接处混凝土缺陷连接部位有影响结连接部位有基本不影位缺陷及连接钢筋、连接件松动构传力性能的缺陷响结构传力性能的缺陷外形缺陷缺棱掉角、棱角不直、翘清水混凝土构件有影响使用其他混凝土构件有不曲不平、飞边凸肋等功能或装饰效果的外形缺陷影响使用功能的外形缺陷外表缺陷构件表面麻面、掉皮、具有重要装饰效果的其他混凝土构件有起砂、沾污等清水混凝土构件有外表缺陷影响使用功能的外表缺陷8、预制构件尺寸的允许偏差及检验方法: GB50204-2002二模板工程1、现浇构件模板安装的允许偏差及检验方法: GB50204-2002项目允许偏差(㎜)检验方法轴线位置 5 钢尺检查底模上表面标高±5 水准仪或拉线、钢尺检查截面内基础±10 钢尺检查部尺寸柱、墙、梁+4,-5 钢尺检查层高垂直度不大于5m 6 经纬仪或吊线、钢尺检查大于5m8 经纬仪或吊线、钢尺检查相邻两板表面高低差 2 钢尺检查表面平整度 5 2m靠尺和塞尺检查2、预埋件和预留孔洞的允许偏差: GB50204-2002项目允许偏差(㎜)预埋钢板中心线位置 3预埋管、预留孔中心线位置 3插筋中心线位置 5 外露长度+10,0预埋螺栓中心线位置 2外露长度+10,0预留洞中心线位置10尺寸+10,03、预制构件模板安装的允许许偏差及检验方法:GB50204-2002项目允许偏差(㎜)检验方法长度板、梁±5 钢尺量两角边,取其中较大值薄腹梁、桁架±10柱0,-10墙、板0,-5宽度板、墙板0,-5 钢尺量一端及中部,梁、薄腹梁、桁架、柱+2,-5 取其中较大值高(厚)度板+2,-3 钢尺量一端及中部,墙板0,-5 取其中较大值梁、薄腹梁、桁架、柱+2,-5 侧向弯曲梁、板、柱L/1000且≤15 拉线、钢尺量最大弯曲处墙板、薄腹梁、桁架L/1500且≤15板的表面平整度 3 2m靠尺和塞尺检查相邻两板表面高低差 1 钢尺检查对角线差板7 钢尺量两个对角线墙板 5翘曲板、墙板L/1500 调平尺在两端量测设计起拱薄腹梁、桁架、梁±3 拉线,钢尺量跨中4、底模板拆除时的混凝土强度要求:GB50204-2002构件内型构件跨度(m) 达到设计的混凝土立方体抗压强度标准值的百分率(%) 板≤2 ≥50>2,≤8 ≥75〉8 ≥100梁、拱、壳≤8 ≥75>8 ≥100悬臂构件/ ≥100三钢筋工程1、钢筋加工的允许偏差:GB50204-2002项目允许偏差(㎜)受力钢筋顺长度方向全长的净尺寸±10弯起钢筋的弯折位置±20箍筋内净尺寸±52、钢筋安装位置的允许偏差和检验方法:GB50204-2002项目允许偏差(㎜)检验方法绑扎钢筋网长、宽±10 钢尺检查网眼尺寸±20 钢尺量连续三档,取最大值绑扎钢筋骨架长±10 钢尺检查宽、高±5 钢尺检查受力钢筋间距±10 钢尺量两端、中间各一点,取最大值排间±5保护层厚度基础±10 钢尺检查柱、梁±5 钢尺检查板、墙、壳±3 钢尺检查绑扎箍筋、横向钢筋间距±20 钢尺量连续三档,取最大值钢筋弯起点位置20 钢尺检查预埋件中心线位置 5 钢尺检查水平高差+4,0 钢尺和塞尺检查注:表中梁类、板类构件上部纵向受力钢筋保护层厚度的合点率应达到90%及以上,且不得有超过表中数值1。
常见机械零件允许偏差表
以上是常见机械零件的允许偏差表。
在制造过程中,机械零件的尺寸偏差是难以避免的,但是这些偏差是在一定范围内可以接受的。
通过使用允许偏差表,可以确保零件的尺寸在合理的范围内,以保证其正常的工作和装配。
请注意,以上表格中列出的偏差值只是一般参考值,实际应根据具体的设计要求和制造标准进行调整。
此外,在使用允许偏差表时,还应该考虑到零件的功能、使用环境和装配要求等因素,以确保零件的性能和质量。
允许偏差表是机械制造过程中的重要工具,可以帮助工程师和制造者确定合适的制造偏差,从而提高零件的制造效率和质量。
在设计和制造过程中,合理使用和解读允许偏差表是至关重要的,可以避免尺寸偏差过大或过小,从而导致零件不可用或装配困难的问题。
总结而言,允许偏差表是机械制造过程中必备的参考工具,可以帮助工程师和制造者确保零件的尺寸在合理的范围内,从而提高零件的性能和质量。
在实际应用中,应根据具体的设计要求和制造标准,结合零件的功能和使用环境,合理使用允许偏差表,以确保零件能够正常工作和装配。
一、钢筋工程二、砌体工程三、模板工程模板安装允许偏差及检查方法四、混凝土工程预制构件尺寸允许偏差及检验方法注:1、为构件长度(mm)。
2 、检查中心线、螺栓和孔道位置时,应沿纵、横两个方向量测,并取其中的较大值;3 、对开头复杂或特殊要求的构件,其尺寸偏差应符合标准图基设计的要求。
现浇构件尺寸允许偏差及检验方法一混凝土工程GBJ134-903、混凝土结构尺寸的允许偏差表人防)截面尺寸厚度小于200㎜±10mm厚度为200-40㎜±15mm厚度大于400㎜±20mm柱、墙垂直度5mm表面平整度8mm预埋管、预留孔中心线位置偏移5mm预埋螺栓中心线位置偏移5mm预留洞中心线位置偏移15mm电梯井井筒长、宽对中心线井筒全高垂直度+25H/1000且不大于20注:H为电梯井筒全高(㎜)4、混凝土组成材料计量结果的允许偏差:GB50164-92组成材料允许偏差水泥、掺合料±2%粗、细骨料±3%水、外加剂±2%5、混凝土从搅拌机卸出到浇筑完毕的延续时间: GB50164-926、现浇结构尺寸允许偏差和检验方法:GB50204-20027、现浇结构外观质量缺陷:GB50204-2002名称现象严重缺陷一般缺陷露筋构件内钢筋未被混凝土包裹而外露纵向受力钢筋有露筋其他钢筋有少量露筋蜂窝混凝土表面缺少水泥砂浆而形成石子外露构件主要受力部位有蜂窝基他部位有少量蜂窝孔洞混凝土中孔穴深度和长度均超过保护层厚度构件主要受力部位有孔洞其他部位有少量孔洞夹渣混凝土中央有杂物且深度超过保护层厚度构件主要受力部位有夹渣其他部位有少量夹渣疏松混凝土中局部不密实构件主要受力部位有疏松其他部位有少量疏松裂缝缝隙从混凝土表面延构件主要受力部位有影响结其他部位有少量不影响伸至混凝土内部构性能或使用功能的裂缝结构性能或使用功能的裂缝连结部构件连接处混凝土缺陷连接部位有影响结连接部位有基本不影位缺陷及连接钢筋、连接件松动构传力性能的缺陷响结构传力性能的缺陷外形缺陷缺棱掉角、棱角不直、翘清水混凝土构件有影响使用其他混凝土构件有不曲不平、飞边凸肋等功能或装饰效果的外形缺陷影响使用功能的外形缺陷外表缺陷构件表面麻面、掉皮、具有重要装饰效果的其他混凝土构件有起砂、沾污等清水混凝土构件有外表缺陷影响使用功能的外表缺陷8、预制构件尺寸的允许偏差及检验方法: GB50204-2002二模板工程1、现浇构件模板安装的允许偏差及检验方法:GB50204-2002项目允许偏差(㎜) 检验方法轴线位置 5 钢尺检查底模上表面标高±5 水准仪或拉线、钢尺检查截面内基础±10 钢尺检查部尺寸柱、墙、梁+4,-5 钢尺检查层高垂直度不大于5m 6 经纬仪或吊线、钢尺检查大于5m8 经纬仪或吊线、钢尺检查相邻两板表面高低差 2 钢尺检查表面平整度 5 2m靠尺和塞尺检查2、预埋件和预留孔洞的允许偏差: GB50204-2002项目允许偏差(㎜)预埋钢板中心线位置 3预埋管、预留孔中心线位置 3插筋中心线位置 5 外露长度+10,0预埋螺栓中心线位置 2外露长度+10,0预留洞中心线位置10尺寸+10,03、预制构件模板安装的允许许偏差及检验方法: GB50204-2002项目允许偏差(㎜)检验方法长度板、梁±5 钢尺量两角边,取其中较大值薄腹梁、桁架±10柱0,-10墙、板0,-5宽度板、墙板0,-5 钢尺量一端及中部,梁、薄腹梁、桁架、柱+2,-5 取其中较大值高(厚)度板+2,-3 钢尺量一端及中部,墙板0,-5 取其中较大值梁、薄腹梁、桁架、柱+2,-5 侧向弯曲梁、板、柱L/1000且≤15 拉线、钢尺量最大弯曲处墙板、薄腹梁、桁架L/1500且≤15板的表面平整度 3 2m靠尺和塞尺检查相邻两板表面高低差 1 钢尺检查对角线差板7 钢尺量两个对角线墙板 5翘曲板、墙板L/1500 调平尺在两端量测设计起拱薄腹梁、桁架、梁±3 拉线,钢尺量跨中4、底模板拆除时的混凝土强度要求:GB50204-2002构件内型构件跨度(m)达到设计的混凝土立方体抗压强度标准值的百分率(%) 板≤2 ≥50〉2,≤8 ≥75〉8 ≥100梁、拱、壳≤8 ≥75>8 ≥100悬臂构件/ ≥100三钢筋工程1、钢筋加工的允许偏差: GB50204-2002项目允许偏差(㎜)受力钢筋顺长度方向全长的净尺寸±10弯起钢筋的弯折位置±20箍筋内净尺寸±52、钢筋安装位置的允许偏差和检验方法: GB50204-2002项目允许偏差(㎜) 检验方法绑扎钢筋网长、宽±10 钢尺检查网眼尺寸±20 钢尺量连续三档,取最大值绑扎钢筋骨架长±10 钢尺检查宽、高±5 钢尺检查受力钢筋间距±10 钢尺量两端、中间各一点,取最大值排间±5保护层厚度基础±10 钢尺检查柱、梁±5 钢尺检查板、墙、壳±3 钢尺检查绑扎箍筋、横向钢筋间距±20 钢尺量连续三档,取最大值钢筋弯起点位置20 钢尺检查预埋件中心线位置 5 钢尺检查水平高差+4,0 钢尺和塞尺检查注:表中梁类、板类构件上部纵向受力钢筋保护层厚度的合点率应达到90%及以上,且不得有超过表中数值1。
土建规范一览表一、钢筋工程二、砌体工程三、模板工程模板安装允许偏差及检查方法四、混凝土工程预制构件尺寸允许偏差及检验方法注:1、为构件长度(mm)。
2 、检查中心线、螺栓和孔道位置时,应沿纵、横两个方向量测,并取其中的较大值;3 、对开头复杂或特殊要求的构件,其尺寸偏差应符合标准图基设计的要求。
现浇构件尺寸允许偏差及检验方法/view/14e7a48ecc22bcd126ff0c0b.html一混凝土工程GBJ134-901、梁、柱上任何一处的锋窝面积不大于1000㎝²,累计不大于2000㎝²;孔洞面积不大于40㎝²,累计不大于80㎝²;露筋长度不大于10㎝,累计不大于20㎝。
2、墙、板、拱上任何一处的蜂窝面积不大于2000㎝²,累计不大于4000㎝²;孔洞面积不大于100㎝²,累计不大于200㎝²;露筋长度不大于20㎝,累计不大于40㎝²。
3、混凝土结构尺寸的允许偏差表人防)项目允许偏差(㎜)轴线位移10标高层高全高±10 ±20截面尺寸厚度小于200㎜±10厚度为200-400㎜±15厚度大于400㎜±20柱、墙垂直度5表面平整度8预埋管、预留孔中心线位置偏移5预埋螺栓中心线位置偏移5预留洞中心线位置偏移15电梯井井筒长、宽对中心线井筒全高垂直度+25H/1000且不大于20注:H为电梯井筒全高(㎜)。
4、混凝土组成材料计量结果的允许偏差:GB50164-92组成材料允许偏差水泥、掺合料±2%粗、细骨料±3%水、外加剂±2%5、混凝土从搅拌机卸出到浇筑完毕的延续时间: GB50164-92气温延续时间(min)采用搅拌车采用其他运输设备≤C30 >C30 ≤C30 >C30≤25ºC>25ºC >12090 9060 9060 75456、现浇结构尺寸允许偏差和检验方法:GB50204-2002项目允许偏差(㎜) 检验方法轴线位置基础15 钢尺检查独立基础10墙、柱、梁8剪力墙 5垂直度层高≤5 8 经纬仪或吊线、钢尺检查>5m10 经纬仪或吊线、钢尺检查全高H/1000且≤30 经纬仪、钢尺检查标高层高±10 水准仪或拉线、钢尺检查全高±30截面尺寸+8,-5 钢尺检查电梯井井筒长、宽对定位中心线+25,0 钢尺检查井筒全高(H)垂直度H/1000且≤30 经纬仪、钢尺检查表面平整度8 2m靠尺和塞尺检查预埋设施中心线位置预埋件10 钢尺检查预埋螺栓 5预埋管 5预留洞中心线位置15 钢尺检查7、现浇结构外观质量缺陷: GB50204-2002名称现象严重缺陷一般缺陷露筋构件内钢筋未被混凝土包裹而外露纵向受力钢筋有露筋其他钢筋有少量露筋蜂窝混凝土表面缺少水泥砂浆而形成石子外露构件主要受力部位有蜂窝基他部位有少量蜂窝孔洞混凝土中孔穴深度和长度均超过保护层厚度构件主要受力部位有孔洞其他部位有少量孔洞夹渣混凝土中央有杂物且深度超过保护层厚度构件主要受力部位有夹渣其他部位有少量夹渣疏松混凝土中局部不密实构件主要受力部位有疏松其他部位有少量疏松裂缝缝隙从混凝土表面延伸至混凝土内部构件主要受力部位有影响结构性能或使用功能的裂缝其他部位有少量不影响结构性能或使用功能的裂缝连结部位缺陷构件连接处混凝土缺陷及连接钢筋、连接件松动连接部位有影响结构传力性能的缺陷连接部位有基本不影晌结构传力性能的缺陷外形缺陷缺棱掉角、棱角不直、翘曲不平、飞边凸肋等清水混凝土构件有影响使用功能或装饰效果的外形缺陷其他混凝土构件有不影响使用功能的外形缺陷外表缺陷构件表面麻面、掉皮、起砂、沾污等具有重要装饰效果的清水混凝土构件有外表缺陷其他混凝土构件有不影响使用功能的外表缺陷8、预制构件尺寸的允许偏差及检验方法: GB50204-2002项目允许偏差(㎜) 检验方法长度板、梁+10,-5 钢尺检查柱+5,-10墙板±5薄腹梁、桁架+15,-10宽度、高(厚)度板、梁、柱、墙板、薄腹梁、桁架±钢尺量一端及中部,取其中较大值侧向弯曲板、梁、柱L/750且≤20 拉线、钢尺量最大侧向弯曲处墙板、薄腹梁、桁架L/1000且≤20预埋件中心线位置10 钢尺检查螺栓位置 5螺栓外露长度+10,-5预留孔中心线位置 5 钢尺检查预留洞中心线位置15 钢尺检查主筋保护层厚度板+5,-3 钢尺或保护层厚度测梁、柱、墙板、薄腹梁、桁架+10,-5 定仪量测对角线差板、墙板10 钢尺量量两对角线表面平整度板、墙板、柱、梁 5 2m靠尺和塞尺检查预应力构件预留孔道位置梁、墙板、薄腹梁、桁架+3 钢尺检查翘曲板L/750 调平尺在两端量测墙板L/1000二模板工程1、现浇构件模板安装的允许偏差及检验方法: GB50204-2002项目允许偏差(㎜) 检验方法轴线位置 5 钢尺检查底模上表面标高±5 水准仪或拉线、钢尺检查截面内基础±10 钢尺检查部尺寸柱、墙、梁+4,-5 钢尺检查层高垂直度不大于5m 6 经纬仪或吊线、钢尺检查大于5m8 经纬仪或吊线、钢尺检查相邻两板表面高低差 2 钢尺检查表面平整度 5 2m靠尺和塞尺检查2、预埋件和预留孔洞的允许偏差: GB50204-2002项目允许偏差(㎜)预埋钢板中心线位置 3预埋管、预留孔中心线位置 3插筋中心线位置 5外露长度+10,0预埋螺栓中心线位置 2外露长度+10,0预留洞中心线位置10尺寸+10,03、预制构件模板安装的允许许偏差及检验方法: GB50204-2002项目允许偏差(㎜) 检验方法长度板、梁±5 钢尺量两角边,取其中较大值薄腹梁、桁架±10柱0,-10墙、板0,-5宽度板、墙板0,-5 钢尺量一端及中部,梁、薄腹梁、桁架、柱+2,-5 取其中较大值高(厚)度板+2,-3 钢尺量一端及中部,取其中较大值墙板0,-5梁、薄腹梁、桁架、柱+2,-5侧向弯曲梁、板、柱L/1000且≤15 拉线、钢尺量最大弯曲处墙板、薄腹梁、桁架L/1500且≤15板的表面平整度 3 2m靠尺和塞尺检查相邻两板表面高低差 1 钢尺检查对角线差板7 钢尺量两个对角线墙板 5翘曲板、墙板L/1500 调平尺在两端量测设计起拱薄腹梁、桁架、梁±3 拉线,钢尺量跨中注为构件长度(㎜)4、底模板拆除时的混凝土强度要求: GB50204-2002构件内型构件跨度(m) 达到设计的混凝土立方体抗压强度标准值的百分率(%)板≤2 ≥50>2,≤8 ≥75>8 ≥100梁、拱、壳≤8 ≥75>8 ≥100悬臂构件/ ≥100三钢筋工程1、钢筋加工的允许偏差: GB50204-2002项目允许偏差(㎜)受力钢筋顺长度方向全长的净尺寸±10弯起钢筋的弯折位置±20箍筋内净尺寸±52、钢筋安装位置的允许偏差和检验方法: GB50204-2002项目允许偏差(㎜) 检验方法绑扎钢筋网长、宽±10 钢尺检查网眼尺寸±20 钢尺量连续三档,取最大值绑扎钢筋骨架长±10 钢尺检查宽、高±5 钢尺检查受力钢筋间距±10 钢尺量两端、中间各一点,取最大值排间±5保护层厚度基础±10 钢尺检查柱、梁±5 钢尺检查板、墙、壳±3 钢尺检查绑扎箍筋、横向钢筋间距±20 钢尺量连续三档,取最大值钢筋弯起点位置20 钢尺检查预埋件中心线位置 5 钢尺检查水平高差+4,0 饮尺和塞尺检查注:表中梁类、板类构件上部纵向受力钢筋保护层厚度的合点率应达到90%及以上,且不得有超过表中数值1.5倍的尺寸偏差。
土建规范一览表一、钢筋工程项目允许偏差(mm)绑扎钢筋网长、宽±10 网眼尺寸±20绑扎钢筋骨架长±10 宽、高±5受力钢筋间距±10排距±5 保护层厚度基础±10柱、梁±5板、墙、壳±3绑扎箍筋、横向钢筋间距±20 钢筋弯起点位置20 二、砌体工程主控项目1 砖强度等级设计要求MU2 砂浆强度等级设计要求M3 水平灰缝砂浆饱满度≥80%4 斜槎留置第5.2.3条5 直槎拉结筋及接槎处理第5.2.4条6 轴线位移≤10mm7 垂直度(每层)≤5mm一般项目1 组砌方法第5.3.1条2 水平灰缝厚度10mm 8–12mm3 基础顶面、楼面标高±15mm4 表面平整度(混水)8mm5 门窗洞口高度宽±5mm6 外墙上下窗口偏移20mm7 水平灰缝平直度(混水)10mm三、模板工程模板安装允许偏差及检查方法序号项目允许偏差值(mm)检查方法国家标准省优质结构工程标准1 轴线位移柱、墙、梁 5 3 尺量2 底模上表面标高±5 ±3 水准仪或拉线尺量3 截面内尺寸基础±10±6尺量柱、墙、梁+4、-5±34 层高垂直度层高不大于5m6 4 经纬仪或吊线、尺量小于5m 8 65 相邻两板表面高低差 2 2 尺量6 表面平整度 5 3 靠尺、塞尺7 阴阳角方正— 2 方尺、塞尺顺直— 2 线尺8 预埋铁件中心线位移 3 2 拉线、尺量9 预埋管、螺栓中心线位移 3 2拉线、尺量螺栓外露长度+10、0 +5、010 预留孔洞中心线位移+10 6拉线、尺量尺寸+10、0 +6、011 门窗洞口中心线位移— 3拉线、尺量宽、高—±5对角线— 612 插筋中心线位移 5 5尺量外露长度+10、0 +10、0四、混凝土工程预制构件尺寸允许偏差及检验方法项目允许偏差(mm)检验方法长度板、梁+10,-5钢尺检查柱+5,-10墙板±5薄腹梁、桁架+15,-10宽度高(厚)度板、梁、柱、墙板、薄腹梁、桁架±5钢尺量一端及中部,取其中较大值侧向弯曲梁、柱、板L/750 且≤20拉线、钢尺量最大侧向弯曲处墙板、薄腹梁、桁架L/1000且≤20预埋件中心线位置10钢尺检查螺栓位置 5螺栓外露长度+10,-5预留孔中心线位置 5 钢尺检查预留洞中心线位置15 钢尺检查主筋保护层厚度板+5,-3钢尺或保护层厚度测定仪式量测梁、柱、墙板、薄腹梁、桁架+10,-5对角线差板、墙板10 钢尺量两个对角线表面平整度板、墙板、柱、梁 5 2m靠尺和塞尺检查预应力构件预留孔道位置梁、墙板、薄腹梁、桁架3 钢尺检查翘曲板L/750 调平尺在两端量测墙板L/1000墙板注:1、为构件长度(mm)。
二、砌体工程模板安装允许偏差及检查方法预制构件尺寸允许偏差及检验方法注:1、为构件长度(mm)。
2 、检查中心线、螺栓和孔道位置时,应沿纵、横两个方向量测,并取其中的较大值;3 、对开头复杂或特殊要求的构件,其尺寸偏差应符合标准图基设计的要求。
现浇构件尺寸允许偏差及检验方法一混凝土工程GBJ134-90截面尺寸厚度小于200㎜±10mm厚度为200-40㎜±15mm厚度大于400㎜±20 mm柱、墙垂直度 5mm表面平整度 8mm预埋管、预留孔中心线位置偏移 5mm预埋螺栓中心线位置偏移 5mm预留洞中心线位置偏移 15 mm电梯井井筒长、宽对中心线井筒全高垂直度+25H/1000且不大于20 注:H为电梯井筒全高(㎜)4、混凝土组成材料计量结果的允许偏差:GB50164-92组成材料允许偏差水泥、掺合料±2%粗、细骨料±3%水、外加剂±2%5、混凝土从搅拌机卸出到浇筑完毕的延续时间: GB50164-926、现浇结构尺寸允许偏差和检验方法:GB50204-20027、现浇结构外观质量缺陷: GB50204-2002名称现象严重缺陷一般缺陷露筋构件内钢筋未被混凝土包裹而外露纵向受力钢筋有露筋其他钢筋有少量露筋蜂窝混凝土表面缺少水泥砂浆而形成石子外露构件主要受力部位有蜂窝基他部位有少量蜂窝孔洞混凝土中孔穴深度和长度均超过保护层厚度构件主要受力部位有孔洞其他部位有少量孔洞夹渣混凝土中央有杂物且深度超过保护层厚度构件主要受力部位有夹渣其他部位有少量夹渣疏松混凝土中局部不密实构件主要受力部位有疏松其他部位有少量疏松裂缝缝隙从混凝土表面延构件主要受力部位有影响结其他部位有少量不影响伸至混凝土内部构性能或使用功能的裂缝结构性能或使用功能的裂缝连结部构件连接处混凝土缺陷连接部位有影响结连接部位有基本不影位缺陷及连接钢筋、连接件松动构传力性能的缺陷响结构传力性能的缺陷外形缺陷缺棱掉角、棱角不直、翘清水混凝土构件有影响使用其他混凝土构件有不曲不平、飞边凸肋等功能或装饰效果的外形缺陷影响使用功能的外形缺陷外表缺陷构件表面麻面、掉皮、具有重要装饰效果的其他混凝土构件有起砂、沾污等清水混凝土构件有外表缺陷影响使用功能的外表缺陷8、预制构件尺寸的允许偏差及检验方法: GB50204-2002二模板工程 1、现浇构件模板安装的允许偏差及检验方法: GB50204-2002项目允许偏差(㎜) 检验方法轴线位置 5 钢尺检查底模上表面标高±5 水准仪或拉线、钢尺检查截面内基础±10 钢尺检查部尺寸柱、墙、梁+4,-5 钢尺检查层高垂直度不大于5m 6 经纬仪或吊线、钢尺检查大于5m 8 经纬仪或吊线、钢尺检查相邻两板表面高低差 2 钢尺检查表面平整度 5 2m靠尺和塞尺检查2、预埋件和预留孔洞的允许偏差: GB50204-2002项目允许偏差(㎜)预埋钢板中心线位置 3预埋管、预留孔中心线位置 3插筋中心线位置 5外露长度+10,0预埋螺栓中心线位置 2外露长度+10,0预留洞中心线位置 10尺寸+10,03、预制构件模板安装的允许许偏差及检验方法: GB50204-2002项目允许偏差(㎜) 检验方法长度板、梁±5 钢尺量两角边,取其中较大值薄腹梁、桁架±10柱 0,-10墙、板 0,-5宽度板、墙板 0,-5 钢尺量一端及中部,梁、薄腹梁、桁架、柱+2,-5 取其中较大值高(厚)度板+2,-3 钢尺量一端及中部,墙板 0,-5 取其中较大值梁、薄腹梁、桁架、柱+2,-5侧向弯曲梁、板、柱 L/1000且≤15 拉线、钢尺量最大弯曲处墙板、薄腹梁、桁架 L/1500且≤15板的表面平整度 3 2m靠尺和塞尺检查相邻两板表面高低差 1 钢尺检查对角线差板 7 钢尺量两个对角线墙板 5翘曲板、墙板 L/1500 调平尺在两端量测设计起拱薄腹梁、桁架、梁±3 拉线,钢尺量跨中4、底模板拆除时的混凝土强度要求: GB50204-2002构件内型构件跨度(m) 达到设计的混凝土立方体抗压强度标准值的百分率(%) 板≤2 ≥50>2,≤8 ≥75>8 ≥100梁、拱、壳≤8 ≥75>8 ≥100悬臂构件 / ≥100三钢筋工程1、钢筋加工的允许偏差: GB50204-2002项目允许偏差(㎜)受力钢筋顺长度方向全长的净尺寸±10弯起钢筋的弯折位置±20箍筋内净尺寸±52、钢筋安装位置的允许偏差和检验方法: GB50204-2002项目允许偏差(㎜) 检验方法绑扎钢筋网长、宽±10 钢尺检查网眼尺寸±20 钢尺量连续三档,取最大值绑扎钢筋骨架长±10 钢尺检查宽、高±5 钢尺检查受力钢筋间距±10 钢尺量两端、中间各一点,取最大值排间±5保护层厚度基础±10 钢尺检查柱、梁±5 钢尺检查板、墙、壳±3 钢尺检查绑扎箍筋、横向钢筋间距±20 钢尺量连续三档,取最大值钢筋弯起点位置 20 钢尺检查预埋件中心线位置 5 钢尺检查水平高差+4,0 钢尺和塞尺检查注:表中梁类、板类构件上部纵向受力钢筋保护层厚度的合点率应达到90%及以上,且不得有超过表中数值倍的尺寸偏差。
国标尺寸公差标准一览表主要涉及的是确定尺寸精确程度的等级,以及相应的公差数值。
根据国家标准,公差等级分为20个等级,从IT01到IT18,数字越大,公差等级(加工精度)越低,尺寸允许的变动范围(公差数值)越大,加工难度越小。
具体到尺寸公差的标注,一般有三种形式:
1. 标注公差带代号;
2. 标注极限偏差;
3. 同时标注公差带代号和极限偏差。
在机械设计中,我们经常看到如“50H8”或“50f7”这样的标注,其中“50”指的是零件的设计直径,而“H”或“f”指的是偏差,数字“8”或“7”则是公差等级代号。
通过国标表格,我们可以查出相应的极限偏差和公差值。
此外,对于未注公差的情况,应按照GB/T1804-2008《未注公差的线性和角度尺寸公差》的要求执行。
而对于形位公差,则按照GB/T1184-1996《形状和位置公差未注公差值》中的等级进行标注。
在焊接结构方面,根据GB/T19804-2005/ISO13920:1996,焊接结构的尺寸(线性尺寸和角度尺寸)公差及形位公差分为四个等级,适用于普通制造精度。
公差等级的选择应当满足实际需求。
总的来说,国标尺寸公差标准一览表为我们提供了明确的公差等级和相应的公差数值,以便我们在设计过程中进行准确的尺寸标注。
一、钢筋工程项目允许偏差(mm)绑扎钢筋网长、宽±10 网眼尺寸±20绑扎钢筋骨架长±10 宽、高±5受力钢筋间距±10排距±5 保护层厚度基础±10柱、梁±5板、墙、壳±3绑扎箍筋、横向钢筋间距±20 钢筋弯起点位置20 二、砌体工程主控项目1 砖强度等级设计要求MU2 砂浆强度等级设计要求M3 水平灰缝砂浆饱满度≥80%4 斜槎留置第5.2.3条5 直槎拉结筋及接槎处理第5.2.4条6 轴线位移≤10mm7 垂直度(每层)≤5mm一 1 组砌方法第5.3.1般项目条2 水平灰缝厚度10mm 8–12mm3 基础顶面、楼面标高±15mm4 表面平整度(混水)8mm5 门窗洞口高度宽±5mm6 外墙上下窗口偏移20mm7 水平灰缝平直度(混水)10mm三、模板工程模板安装允许偏差及检查方法序号项目允许偏差值(mm)检查方法国家标准省优质结构工程标准1 轴线位移柱、墙、梁 5 3 尺量2 底模上表面标高±5 ±3 水准仪或拉线尺量3 截面内尺寸基础±10±6尺量柱、墙、梁+4、-5±34 层高垂直度层高不大于5m6 4 经纬仪或吊线、尺量小于5m 8 65 相邻两板表面高低差 2 2 尺量6 表面平整度 5 3 靠尺、塞尺7 阴阳角方正— 2 方尺、塞尺顺直— 2 线尺8 预埋铁件中心线位移 3 2 拉线、尺量9 预埋管、螺栓中心线位移 3 2拉线、尺量螺栓外露长度+10、0 +5、010 预留孔洞中心线位移+10 6拉线、尺量尺寸+10、0 +6、011 门窗洞口中心线位移— 3拉线、尺量宽、高—±5对角线— 612 插筋中心线位移 5 5尺量外露长度+10、0 +10、0四、混凝土工程预制构件尺寸允许偏差及检验方法项目允许偏差(mm)检验方法长度板、梁+10,-5钢尺检查柱+5,-10墙板±5薄腹梁、桁架+15,-10宽度高(厚)度板、梁、柱、墙板、薄腹梁、桁架±5钢尺量一端及中部,取其中较大值侧向弯曲梁、柱、板L/750 且≤20拉线、钢尺量最大侧向弯曲处墙板、薄腹梁、桁架L/1000且≤20预埋件中心线位置10钢尺检查螺栓位置 5螺栓外露长度+10,-5预留孔中心线位置 5 钢尺检查预留洞中心线位置15 钢尺检查主筋保护层厚度板+5,-3钢尺或保护层厚度测定仪式量测梁、柱、墙板、薄腹梁、桁架+10,-5对角线差板、墙板10 钢尺量两个对角线表面平整度板、墙板、柱、梁 5 2m靠尺和塞尺检查预应力构件梁、墙板、薄腹梁、 3 钢尺检查预留孔道位置桁架翘曲板L/750 调平尺在两端量测墙板L/1000墙板注:1、为构件长度(mm)。
二、砌体工程模板安装允许偏差及检查方法预制构件尺寸允许偏差及检验方法注:1、为构件长度(mm)。
2 、检查中心线、螺栓和孔道位置时,应沿纵、横两个方向量测,并取其中的较大值;3 、对开头复杂或特殊要求的构件,其尺寸偏差应符合标准图基设计的要求。
现浇构件尺寸允许偏差及检验方法一混凝土工程GBJ134-903、混凝土结构尺寸的允许偏差表人防)项目允许偏差轴线位移10标高层高全高±10 ±20截面尺寸厚度小于200㎜±10mm厚度为200-40㎜±15mm厚度大于400㎜±20 mm柱、墙垂直度5mm表面平整度8mm预埋管、预留孔中心线位置偏移5mm预埋螺栓中心线位置偏移5mm预留洞中心线位置偏移15 mm电梯井井筒长、宽对中心线井筒全高垂直度+25H/1000且不大于20 注:H为电梯井筒全高(㎜)4、混凝土组成材料计量结果的允许偏差:GB50164-92组成材料允许偏差水泥、掺合料±2%粗、细骨料±3%水、外加剂±2%5、混凝土从搅拌机卸出到浇筑完毕的延续时间: GB50164-926、现浇结构尺寸允许偏差和检验方法:GB50204-20027、现浇结构外观质量缺陷: GB50204-2002名称现象严重缺陷一般缺陷露筋构件内钢筋未被混凝土包裹而外露纵向受力钢筋有露筋其他钢筋有少量露筋蜂窝混凝土表面缺少水泥砂浆而形成石子外露构件主要受力部位有蜂窝基他部位有少量蜂窝孔洞混凝土中孔穴深度和长度均超过保护层厚度构件主要受力部位有孔洞其他部位有少量孔洞夹渣混凝土中央有杂物且深度超过保护层厚度构件主要受力部位有夹渣其他部位有少量夹渣疏松混凝土中局部不密实构件主要受力部位有疏松其他部位有少量疏松裂缝缝隙从混凝土表面延构件主要受力部位有影响结其他部位有少量不影响伸至混凝土内部构性能或使用功能的裂缝结构性能或使用功能的裂缝连结部构件连接处混凝土缺陷连接部位有影响结连接部位有基本不影位缺陷及连接钢筋、连接件松动构传力性能的缺陷响结构传力性能的缺陷外形缺陷缺棱掉角、棱角不直、翘清水混凝土构件有影响使用其他混凝土构件有不曲不平、飞边凸肋等功能或装饰效果的外形缺陷影响使用功能的外形缺陷外表缺陷构件表面麻面、掉皮、具有重要装饰效果的其他混凝土构件有起砂、沾污等清水混凝土构件有外表缺陷影响使用功能的外表缺陷8、预制构件尺寸的允许偏差及检验方法: GB50204-2002二模板工程1、现浇构件模板安装的允许偏差及检验方法: GB50204-2002项目允许偏差(㎜) 检验方法轴线位置 5 钢尺检查底模上表面标高±5 水准仪或拉线、钢尺检查截面内基础±10 钢尺检查部尺寸柱、墙、梁+4,-5 钢尺检查层高垂直度不大于5m 6 经纬仪或吊线、钢尺检查大于5m8 经纬仪或吊线、钢尺检查相邻两板表面高低差 2 钢尺检查表面平整度 5 2m靠尺和塞尺检查2、预埋件和预留孔洞的允许偏差: GB50204-2002项目允许偏差(㎜)预埋钢板中心线位置 3预埋管、预留孔中心线位置 3插筋中心线位置 5外露长度+10,0预埋螺栓中心线位置 2外露长度+10,0预留洞中心线位置10尺寸+10,03、预制构件模板安装的允许许偏差及检验方法: GB50204-2002项目允许偏差(㎜) 检验方法长度板、梁±5 钢尺量两角边,取其中较大值薄腹梁、桁架±10柱0,-10墙、板0,-5宽度板、墙板0,-5 钢尺量一端及中部,梁、薄腹梁、桁架、柱+2,-5 取其中较大值高(厚)度板+2,-3 钢尺量一端及中部,墙板0,-5 取其中较大值梁、薄腹梁、桁架、柱+2,-5侧向弯曲梁、板、柱L/1000且≤15 拉线、钢尺量最大弯曲处墙板、薄腹梁、桁架L/1500且≤15板的表面平整度 3 2m靠尺和塞尺检查相邻两板表面高低差 1 钢尺检查对角线差板7 钢尺量两个对角线墙板 5翘曲板、墙板L/1500 调平尺在两端量测设计起拱薄腹梁、桁架、梁±3 拉线,钢尺量跨中4、底模板拆除时的混凝土强度要求: GB50204-2002构件内型构件跨度(m) 达到设计的混凝土立方体抗压强度标准值的百分率(%) 板≤2 ≥50>2,≤8 ≥75>8 ≥100梁、拱、壳≤8 ≥75>8 ≥100悬臂构件/ ≥100三钢筋工程1、钢筋加工的允许偏差: GB50204-2002项目允许偏差(㎜)受力钢筋顺长度方向全长的净尺寸±10弯起钢筋的弯折位置±20箍筋内净尺寸±52、钢筋安装位置的允许偏差和检验方法: GB50204-2002项目允许偏差(㎜) 检验方法绑扎钢筋网长、宽±10 钢尺检查网眼尺寸±20 钢尺量连续三档,取最大值绑扎钢筋骨架长±10 钢尺检查宽、高±5 钢尺检查受力钢筋间距±10 钢尺量两端、中间各一点,取最大值排间±5保护层厚度基础±10 钢尺检查柱、梁±5 钢尺检查板、墙、壳±3 钢尺检查绑扎箍筋、横向钢筋间距±20 钢尺量连续三档,取最大值钢筋弯起点位置20 钢尺检查预埋件中心线位置 5 钢尺检查水平高差+4,0 钢尺和塞尺检查注:表中梁类、板类构件上部纵向受力钢筋保护层厚度的合点率应达到90%及以上,且不得有超过表中数值1.5倍的尺寸偏差。
3、纵向受拉钢筋的最小搭接长度: GB50204-2002附录B钢筋类型混凝土强度等级C15 C20~C25 C30~C35 ≥C40光圆钢筋HPB23级45d 35d 30d 25d带肋钢筋HRB335级55d 45d 35d 30dHRB400级RRB400级/ 55d 40d 35d注:两根直径不同钢筋的搭接长度,以较细钢筋的直径计算。
4、钢筋电弧焊焊条型号:JGJ18-96钢筋级别电弧焊接头型式坡口焊,熔槽帮条焊, 窄间隙焊钢筋与钢板搭接焊预埋邦条焊,搭接焊预埋件穿孔塞焊件T型角焊ⅠE4203 E4303 E4316E4315 E4303ⅡE4303 E5003 E5016E5015 E4303ⅢE5003 E5503 E6016E6015 /6、电渣压力焊接头焊接缺陷及消除措施: JGJ18-96焊接缺陷措施轴线偏移 1.矫正直钢筋端部;2.正确安装夹具和钢筋;3.避免过大的顶压力;4.及时修理或更换夹具弯折 1. 矫正直钢筋端部;2.注意安装和扶持上钢筋;3.避免焊后过快卸夹具;4. 修理或更换夹具咬边 1.减小焊接电流;2.缩短焊接时间;3.注意上钳口的起点和止点,确保钢筋顶压到位未焊合 1.增大焊接电流;2.避免焊接时间过短;3.确保上钢筋下送处如焊包不均 1.钢筋端面力求平整;2.填装焊浏尽量均匀;3.延长焊接时间.适当增加熔化量气孔 1.按规定要求烘焙焊浏;2.清除钢筋焊接部位的铁锈;3.确保接缝在焊剂中合适埋入深度烧伤 1.钢筋导电部位除净铁锈;2.尽量夹紧钢筋焊包下淌 1.彻底封堵焊剂筒的漏孔;2.避免焊后过快回收焊剂7、埋弧压力焊焊接参数: JGJ18-96钢筋级别钢筋直径(㎜) 引弧提升高度(㎜) 电弧电压(V) 焊接电流(A) 焊接通电时间(S)I级 6 2.5 30~35 400~4508 2.5 30~35 500~600Ⅱ级10 2.5 30~35 500~65012 3.0 30~35 500~65014 3.5 30~35 500~65016 3.5 30~40 500~65018 3.5 30~40 500~65020 3.5 30~40 500~60022 4.0 30~40 500~60025 4.0 30~40 500~6508、预埋件钢筋埋弧压力焊接头焊接缺陷及消除措施: JGJ18-96焊接缺陷措施钢筋咬边 1.减小焊接电流或缩短焊接时间;2.增大压入量;气孔 1.烘焙焊剂;2.清除钢板和钢板上的铁锈、油污;夹渣 1.清除焊剂中熔渣等杂物;2.避免过早切断焊接流;3.加快顶压速度;未焊合 1.增大焊接电流,增加焊接通电时间;2.适当加大顶压力;焊包不均匀 1.保证焊接地线的接触良好;2.使焊接处对称导电;钢板焊穿 1.减小焊接电流或减少焊接通电时间;2.避免钢板局部悬空;钢筋淬硬脆断 1. 减小焊接电流,延长焊接时间;2.检查钢筋化学成分;钢板凹陷 1. 减小焊接电流,延长焊接时间;2.减小顶压力,减小压入量9、钢筋电弧焊接头尺寸偏差及缺陷允许值: JGJ18-96名称单位接头型式帮条焊搭接焊坡口焊;窄间隙焊;熔槽帮条焊帮条焊接头中心线的纵向偏移㎜0.5d / /接头处弯折角(º) 4 4 4接头处钢筋轴线的偏移㎜0.1d 0.1d 0.1d焊缝厚度㎜+0.05d;0 +0.05d;0 /焊缝宽度㎜+0.1d;0 +0.1d;0 /焊缝长度㎜-0.5d -0.5d /横向咬边深度㎜0.5 0.5 0.5在长2d焊缝表面数量↑ 2 2 /上的气孔及夹渣面积㎜² 6 6 /在全部焊缝表面数量↑ / / 2上的气孔及夹渣面积㎜² / / 69、钢筋临时性接头尺寸偏差及缺陷允许值: 同8四地基与基础工程1、土方开挖工程质量检验标准(㎜)GB50202-20022、临时性2、挖方边坡值: GB50202-2002土的类别边坡值(高:宽)砂土(不包括细砂、粉砂) 1:1.25~1:1.5一般性粘土硬1:0.75~1:1.0硬、塑1:1.00~1:1.25软1:0.50~1:1.0或更缓碎石类土充填坚硬,硬塑性粘土1:0.50~1:1.00碎石类土充填砂土1:1.0~1:1.50注:1.设计有要求时,应符合设计标准。
2.如采用降水或其他加固措施,可不受本表限制,但应计算复核。
3.开挖深度,对软土不应超过4m,对硬土不应超过8m。
3、填方施工时的分层厚度及压实遍数: GB50202-2002压实机械分层厚度(㎜) 每层压实遍数平辗250~300 6~8振动压实机250~350 3~4柴油打夯机200~250 3~4人工打夯<200 3~44、灌注桩的平面位置和垂直度的允许偏差: GB50202-2002注:1.桩径允许偏差的负值是指个别断面。
2.采用复打、反插法施工的桩,其桩径允许偏差不受上表限制。
3.H为施工现场地面标高与桩顶设计标高的距离,D为设计桩径5、混凝土灌注桩钢筋质量检验标准: GB50202-20026、6、混凝土灌注桩质量检验标准: GB50202-2002五、砌体工程1、砌体工程放线尺寸偏差: GB50203-20022、砌体墙和柱的允许自由高度(m) GB50203-20023、砖砌体的位置及垂直度允许偏差: GB50203-20024、砖砌体一般尺寸允许偏差: GB50203-20025、石砌体的一般尺寸允许偏差GB50203-20027、填充墙砌体一般尺寸允许偏差GB50203-2002六屋面工程1、屋面防水等级和设防要求:GB50207-20022、屋面工程各子分部工程和分项目工程的划分: GB50207-20023、屋面找平层的厚度和技术要求: GB50207-20024、找平层转角处圆弧半径: GB50207-20025、5、卷材厚度选用表: GB50207-20026、卷材施工搭接宽度(㎜): GB50207-2002铺贴方法卷材种娄短边搭接长边搭接满粘法空铺、点粘、条粘法满粘法空铺、点粘、条粘法沥青防水卷材100 150 70 100高聚物改性沥青防水卷材80 100 80 100合成高分子防水卷材胶粘剂80 100 80 100 胶粘带50 60 50 60单缝焊60,有效焊接宽度不小于25双缝焊80,有效焊接宽度10×2+空腔宽7、涂膜防水厚度选用表: GB50207-2002屋面防水等级设防道数高聚物改性沥青防水卷材合成高分子防水卷材Ⅰ级(25年) 二道或三道以上设防/ 不应小于1.5㎜Ⅱ级(15年) 二道设防不应小于3.0㎜不应小于1.5㎜Ⅲ级(10年) 一道设防不应小于3.0㎜不应小于2.0㎜Ⅳ级(五年) 一道设防不应小于2.0㎜/8、高聚物改性沥防水卷材外观质量: GB50207-2002项目质量要求孔洞、缺边、裂口不允许边缘不整齐不超过10㎜胎体露白、未浸透不允许撒布材料粒度、顏色均匀每卷卷材的接头不超过一处,较短的一段不应小于1000㎜,接头处应加长150㎜9、合成高分子防水卷材外观质量: GB50207-2002项目质量要求折痕每卷不超过2处,总长度不超过20㎜杂质大于0.5㎜颗粒不允许,每一㎡不超过9㎜²胶块每卷不超过6处,每处面积不大于4㎜²凹痕每卷不超过6处,深度不超过本身厚度的30%;树脂类深度不超过15%每卷卷材的接头橡胶类每20m不超过1处,较短的一段不应水于300㎜,接头处应加长150㎜;树脂类20m长度内不允许有接头10、沥青防水卷材外观质量: GB50207-2002项目质量要求孔洞、硌伤不允许露胎、涂盖不匀不允许折纹、皱折距卷芯1000㎜以外,长度不大于100㎜裂纹距卷芯1000㎜以外,长度不大于10㎜裂口、缺边边缘缺口小于20㎜;缺边长度小于50㎜,深度小于20㎜每卷卷材的接头不超过1处,较短的一段不应小于2500㎜,接头处应加长150㎜11、胎体增强材料质量要求: GB50207-200213、板状保温材料质量要求: GB50207-2002抗压强度(Mpa)1 沥青防水卷材大于1000卷每500~1000卷抽4卷,100~499卷抽3卷,100卷以下抽2卷,进行规格尺寸和外观质量检验。