汇聚层交换机技术规范书(3750)
- 格式:doc
- 大小:44.00 KB
- 文档页数:1
目录1. 编制说明 (1)1.1 范围 (1)1.2 引用标准 (1)1.3定义、术语和缩写 (1)1.3.1 定义 (1)1.3.2 术语和缩写 (1)2. 概述及总体要求 (2)3. 设备基本要求 (3)3.1 硬件结构要求 (3)3.2 设备软件要求 (3)3.3 接口类型要求 (3)3.3.1 百兆以太网接口 (3)3.3.2 千兆以太网接口 (4)3.3.3 万兆以太网接口 (4)3.3.4 管理接口 (4)3.4 设备容量要求 (4)3.5 冗余备份 (4)3.6 可靠性和可用性 (4)3.7 供电和环境要求 (5)3.7.1 供电要求 (5)3.7.2 接地 (5)3.7.3 工作环境 (5)3.7.4 防雷 (5)3.7.5 防电磁干扰 (5)4. 功能要求 (6)4.1 以太网基本功能要求 (6)4.2 生成树协议 (7)4.3 VLAN功能 (7)4.4 VLAN堆叠 (7)4.5 端口聚合 (8)4.6 广播抑制 (9)4.7 二层组播 (9)4.8 策略控制功能 (9)4.8.1 访问控制 (9)4.8.2 业务分类 (10)4.8.3 队列技术 (10)4.8.4 速率限制 (10)4.9 MAC地址限制 (10)5. 性能要求 (11)5.1 MAC地址学习和缓存能力 (11)5.1.1 MAC地址学习速度 (11)5.1.2 MAC地址表容量 (11)5.2 VLAN能力 (11)5.3 转发性能 (11)5.4 组播处理能力 (11)5.5 访问控制表条目 (12)6. 运行与维护 (12)6.1 命令行功能 (12)6.2 远程访问 (12)6.3 用户认证 (12)6.4 日志记录 (13)6.5 流量镜像 (13)7. 网络管理 (13)7.1 网管协议 (13)7.2 管理信息库 (13)7.3 网管系统 (15)7.3.1 配置管理 (15)7.3.2 性能管理 (15)7.3.3 故障管理 (16)7.3.4 安全管理 (16)1. 编制说明1.1 范围本技术规范以RFC文档、ITU-T以及IEEE标准为依据,针对中国电信实际情况和具体要求,对IP城域网中汇聚交换机的软硬件结构、功能、性能、运维与管理等进行了规定。
技术规范书一、基本要求
二、资质要求
1、为保证供货和服务的及时性,本次竞价限本地供应商或在本地有销售及服务网点的外地供应商参与,外地供应商须在竞价时以附件形式上传本地销售服务网点证明材料;
2、本次竞价投标供应商须为中央政府采购网的协议供货商;
3、对交换机,需上传DCN原厂商的3年售后服务承诺函(承诺函上需要显示正确的项目编号),承诺原厂商工程师负责软硬件产品安装、连接、测试,协助供应商完成与其他设备的联调,供货时提供原件;
4、对标签打印机,只需要上传供应商的1年售后服务承诺函(供货时提供原件),无需原厂承诺函。
三、服务要求
1、对交换机,原厂商工程师负责软硬件产品安装、连接、测试,协助供应商完成与其他设备的联调。
2、交换机:3年7*24小时售后技术支持。
标签打印机:1年7*24小时售后技术支持。
3、只需上传DCN厂商针对此项目产品的售后服务承诺函(承诺函上需要显示正确的项目编号)供货时提供原件。
Quidway S5700系列全千兆企业网交换机产品概述:Q uidway S5700系列全千兆企业网交换机(以下简称S5700),是华为公司为满足大带宽接入和以太网多业务汇聚而推出的新一代绿色节能的全千兆高性能以太网交换机。
它基于新一代高性能硬件和华为公司统一的VRP?( Versatile RoutingPlatform)平台,具备大容量、高密度千兆端口,可提供万兆上行,充分满足客户对高密度千兆和万兆上行设备的需求,同时针对企业网用户的园区网接入、汇聚、IDC千兆接入以及千兆到桌面等多种应用场景,融合了可靠、安全、绿色环保等先进技术,采用简单便利的安装维护手段,帮助客户减轻网络规划、建设和维护的压力,助力企业搭建面向未来的IT网络。
S5700系列以太网交换机为盒式设备,机箱高度为1U,提供标准型(SI)和增强型(EI)两种产品版本。
标准型支持二层和基本的三层功能,增强型支持复杂的路由协议和更为丰富的业务特性。
产品规格:强大的多业务支持能力S5700支持IGMP v1/v2/v3 Snooping/Filter/FastLeave/Proxy等协议。
S5700支持线速的跨VLAN组播复制功能,支持捆绑端口的组播负载分担,支持可控组播,可以充分满足IPTV 和其他组播业务的需求。
S5700支持MCE 功能,实现了不同VPN用户在同一台设备的隔离,有效解决用户数据安全问题,同时降低用户投资成本。
完备的高可靠保护机制S5700不仅支持传统的STP/RSTP/MSTP生成树协议,还支持SmartLink和RRPP等增强型以太网技术,可以实现毫秒级链路保护倒换,保证高可靠性的网络质量。
此外,针对Smartlink 和 RRPP均提供多实例功能,可实现链路负载分担,进一步提高了链路带宽利用率。
S5700支持以太Trunk(E-Trunk)功能。
在使用ETrunk之后,CE设备可以通过E-Trunk双归接入到两台PE设备上。
3750交换机(EMI)简明配置维护手册3750交换机简明配置维护手册天图科技2004-12-103750交换机(EMI)简明配置维护手册目录说明 (3)产品特性 (3)配置端口 (6)配置一组端口 (6)配置二层端口 (8)配置端口速率及双工模式 (8)端口描述 (9)配置三层口 (10)监控及维护端口 (12)监控端口和控制器的状态 (12)刷新、重置端口及计数器 (14)关闭和打开端口 (15)配置VLAN (16)理解VLAN (16)可支持的VLAN (17)配置正常范围的VLAN (17)生成、修改以太网VLAN (18)删除VLAN (19)将端口分配给一个VLAN (20)配置VLAN Trunks (21)使用STP实现负载均衡 (24)3750交换机(EMI)简明配置维护手册说明本手册只包括日常使用的有关命令及特性产品特性Cisco Catalyst 3750系列交换机产品概述思科新推出的Cisco Catalyst 3750系列交换机是一个创新的产品系列,它结合业界领先的易用性和最高的冗余性,里程碑地提升了堆叠式交换机在局域网中的工作效率。
这个新的产品系列采用了最新的思科StackWise技术,不但实现高达32Gbps的堆叠互联,还从物理上到逻辑上使若干独立交换机在堆叠时集成在一起,便于用户建立一个统一、高度灵活的交换系统--就好像是一整台交换机一样。
这代表了堆叠式交换机新的工业技术水平和标准。
对于中型组织和企业分支机构而言,Cisco Catalyst 3750系列可以通过提供配置灵活性,支持融合网络模式,已经自动配置智能化网络服务,降低融合应用的部署难度,适应不断变化的业务需求。
此外,Cisco Catalyst 3750系列针对高密度千兆位以太网部署进行了专门的优化,其中包含多种可以满足接入、汇聚或者小型网络骨干网连接需求的交换机。
图1 Cisco Catalyst 3750系列交换机配置●Cisco Catalyst 3750G-24TS--24个以太网10/100/1000端口和4条SFP上行链路●Cisco Catalyst 3750G-24T--24个以太网10/100/1000端口●Cisco Catalyst 3750-48TS--48个以太网10/100端口和4条SFP上行链路●Cisco Catalyst 3750-24TS--24个以太网10/100端口和2条小型可插拔(SFP)上行链路3750交换机(EMI)简明配置维护手册Cisco Catalyst 3750系列可以使用标准多层软件镜像(SMI)或者增强多层软件镜像(EMI)。
汇聚层交换机参数汇聚层交换机是网络架构中的重要组成部分,其主要功能是汇总和转发数据。
以下是汇聚层交换机的一些关键参数:1. 背板带宽:这是交换机内部交换数据的最大能力,表示为Gbps(千兆位每秒)。
高背板带宽意味着交换机可以同时处理更多的数据流。
2. 转发速率:表示交换机每秒能够转发的数据包数量。
转发速率通常以Mpps(百万包每秒)为单位。
高转发速率可以减少数据传输的延迟。
3. 端口密度:指交换机上可以支持的端口数量。
高端口密度可以方便更多设备接入,减少网络设备的数量,降低布线难度和成本。
4. 冗余设计:包括电源冗余和模块冗余。
电源冗余可以保证交换机在某个电源故障时仍能正常工作;模块冗余可以提高设备的可靠性和可用性。
5. 扩展性:表示交换机未来能够支持更多的端口或者更高级别的功能的能力。
良好的扩展性设计可以使设备在未来升级时不需要更换整个设备。
6. VLAN支持:虚拟局域网(VLAN)是一种将局域网从逻辑上划分为多个独立网段的方法,可以提高网络的灵活性和安全性。
汇聚层交换机应支持VLAN功能。
7. QoS支持:服务质量(QoS)是一种控制网络传输的方法,以确保数据传输的实时性和准确性。
汇聚层交换机应支持QoS功能,以便对不同优先级的数据流进行控制。
8. 安全性:包括对MAC地址过滤、端口安全、IP过滤等安全特性的支持,以防止未经授权的访问和数据泄露。
9. 管理功能:包括对设备进行配置、管理和监控的工具和命令行接口(CLI)。
良好的管理功能可以方便设备的部署和管理。
10. 兼容性:指汇聚层交换机应与上层和下层设备兼容,以确保数据传输的稳定性和可靠性。
在选择汇聚层交换机时,需要根据实际需求和网络规模来考虑这些参数,以选择最适合的设备。
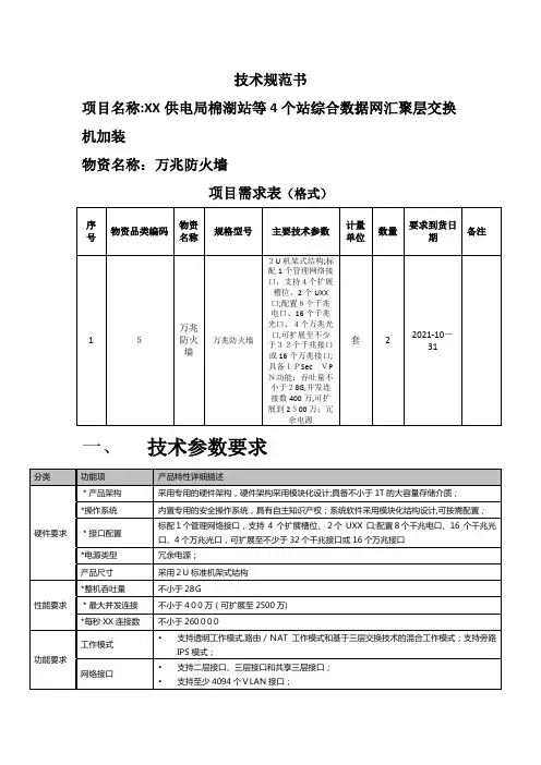
第三部分项目技术规范和服务要求特别提示:各投标人在作报价时,必须按本次招标文件所提供的设备清单统一报价,如投标人对本招标文件所列招标范围和技术规范要求有所不同和建议,请填写技术偏离表和建议书。
一、项目概况杭州市保俶塔实验学校申花路校区网络设备采购项目承包。
投标包含以下部分:●设备、材料及施工费用等报价清单●施工组织方案●工程验收标准及办法(验收内容、指标、程序、标准及仪器)二、各系统技术要求2.1 综合布线系统本系统已建成,校方负责组织验收同时将布线系统资料及验收情况提供给中标方. 本系统不列入本次招标范围2.2 计算机网络系统1、总体要求学校计算机网络系统服务于学校教学、科研、管理,为各种应用提供通信基础。
1. 网络结构:整个网络按核心层、汇聚层、接入层三层结构设计。
2. 主要技术要求:a. 核心层链路带宽不低于千兆一定的带宽扩展能力。
各级交换机,核心与汇聚,汇聚与接入,核心与接入,接入与接入,皆需满足千兆传输b. 带宽管理支持公平算法、自动拥塞避免技术、负载均衡技术。
c. 支持全网组播功能。
d. 网内各节点要求互联互通,可以实现端口级访问控制等要求。
2、详细技术要求本工程计算机网业务均为基于IP的应用,核心层交换技术选择为IP交换技术,在完全支持IPv4的前提下,要求硬件支持IPv6.本网络是一个可以提供多种应用的宽带数据通信网络系统。
本网络为三层结构,即:核心层、汇聚层(仅在中学教学楼和小学教学楼1与小学教学楼2)、接入层。
本次网络设备交换机、防火墙、服务器等设备要求提供原厂商三年质保服务承诺函,UPS及电池要求提供原厂商五年质保服务承诺函,所有交换机要求使用统一品牌,上行光口与电口的配备可由投标交换机根据自身情况实现,如自带或模块等方式,投标时将价格计算在内。
核心层:系统配置1台核心交换机,设置于中心机房。
详细要求如下:推荐品牌为Cisco、华三、华为,配置要求如下:说明:除招标文件明确的要求外,欢迎其他能满足本项目技术需求且性能与所明确品牌相当的产品参加。
Quidway S5700系列全千兆企业网交换机产品概述:Q uidway S5700系列全千兆企业网交换机(以下简称S5700),是华为公司为满足大带宽接入和以太网多业务汇聚而推出的新一代绿色节能的全千兆高性能以太网交换机。
它基于新一代高性能硬件和华为公司统一的VRP?( Versatile RoutingPlatform)平台,具备大容量、高密度千兆端口,可提供万兆上行,充分满足客户对高密度千兆和万兆上行设备的需求,同时针对企业网用户的园区网接入、汇聚、IDC千兆接入以及千兆到桌面等多种应用场景,融合了可靠、安全、绿色环保等先进技术,采用简单便利的安装维护手段,帮助客户减轻网络规划、建设和维护的压力,助力企业搭建面向未来的IT网络。
S5700系列以太网交换机为盒式设备,机箱高度为1U,提供标准型(SI)和增强型(EI)两种产品版本。
标准型支持二层和基本的三层功能,增强型支持复杂的路由协议和更为丰富的业务特性。
产品规格:强大的多业务支持能力S5700支持IGMP v1/v2/v3 Snooping/Filter/FastLeave/Proxy等协议。
S5700支持线速的跨VLAN组播复制功能,支持捆绑端口的组播负载分担,支持可控组播,可以充分满足IPTV 和其他组播业务的需求。
S5700支持MCE 功能,实现了不同VPN用户在同一台设备的隔离,有效解决用户数据安全问题,同时降低用户投资成本。
完备的高可靠保护机制S5700不仅支持传统的STP/RSTP/MSTP生成树协议,还支持SmartLink和RRPP等增强型以太网技术,可以实现毫秒级链路保护倒换,保证高可靠性的网络质量。
此外,针对Smartlink 和 RRPP均提供多实例功能,可实现链路负载分担,进一步提高了链路带宽利用率。
S5700支持以太Trunk(E-Trunk)功能。
在使用ETrunk之后,CE设备可以通过E-Trunk双归接入到两台PE设备上。
摩比汇聚交换机技术规格书——千兆汇聚交换机BR-CAS2000-26G-2F 摩比天线技术(深圳)有限公司了解更多产品信息,欢迎登陆咨询电话:86-产品概述BR-CAS2000G系列是一款全千兆环路监测安全型交换机,目前推出两款型号:BR-CAS2000-26G-2F、BR-CPS2000-10G-2F。
该机型采用业界少有的独立光口设计,突破传统的复用口局限;可靠的交换引擎、宽频的电信级电源设计、快速高效的环路保护功能,为您的网络稳定运行保驾护航;国际“EEE”环保节能标准设计,切实为用户省电省钱。
该系列产品在安全可靠、多业务融合、易管理和维护等方面为用户提供全新的技术特性和解决方案,是理想的办公网、业务网和驻地网的汇聚、接入交换机以及中小企业、分支机构的核心交换机。
产品外观BR-CAS2000-26G-2F管理型交换机,24个10/100/1000M电口,2个千兆SFP光口,1个Console口;产品特点无阻塞高速转发BR-CAS2000系列交换机所有端口提供二层线速交换的能力,保证所有端口无阻塞地进行报文转发。
完善的安全控制策略支持端口汇聚功能,提升网络带宽的同时,通过链路备份保障网络安全;支持STP、RSTP等多种生成树协议,快速收敛,提高容错能力,保证网络的稳定运行和链路的负载均衡,合理使用网络通道,提高冗余链路利用率;支持用户端口+IP地址+MAC地址绑定,可防御内网ARP攻击和DDoS攻击;支持DHCP Snooping防止私接DHCP服务器等需求;支持半双工模式下的背压(Back-pressure)流量控制和全双工模式下的IEEE 802.3x流量控制功能,可保障在大流量数据峰值稳定交换,而不会因过度负担而导致网络瘫痪。
高效的多业务融合技术提供各种类型网络接入提供完善的端到端的QoS服务质量;提供Voice VLAN技术,为接入端口语音流量提供专门通道,自动下发优先级规则保证语音流的优先传输来保证通话质量。
交换机技术指标要求1、汇聚交换机数量1台基本需求"交换容量≥2.5Tbps,包转发率≥1000Mpps 官网存在多个指标时以小的值为准;支持48个万兆SFP+端口,2个40G QSFP+端口,扩展后最大可支持6个40G QSFP+端口;支持可插拔的双电源"端口能力支持10GE端口转发时延<1µs,签订合同前提供权威第三方测试报告备查二层功能支持4K个VLAN,支持Guest VLAN、Voice VLAN,支持基于MAC/协议/IP子网/策略/端口的VLAN三层功能支持静态路由、RIP V1/2、OSPF、IS-IS、BGP、RIPng、OSPFv3、BGP4+、ISISv6VxLAN 支持VxLAN功能,支持VxLAN二层网关、三层网关,支持BGP EVPN,实现自动建立隧道,提供权威第三方测试报告MPLS 支持MPLS L3VPN、MPLS L2VPN(VPLS/VLL)、MPLS-TE、MPLS QoS,签订合同前提供权威第三方测试报告备查虚拟化"支持堆叠,支持堆叠单向带宽≥240G,签订合同前提供权威第三方测试报告备查;支持纵向虚拟化,作为父节点管理纵向子节点,作为纵向子节点零配置即插即用提供权威第三方测试报告; 管理维护支持SNMPv1/v2c/v3、网管系统、WEB网管特性安全性支持CPU保护功能,签订合同前提供权威第三方测试报告备查资质与服务"具备工信部入网证,检测报告;提供三年原厂质保;2、接入交换机数量4台基本需求"交换容量≥336Gbps,包转发率≥100Mpps,官网存在多个指标时以小的值为准;24个千兆电口,4个万兆SFP口"设备开局支持标准USB接口,便于U盘快速开局二层功能"支持MAC地址≥16K,支持ARP表项≥2K,签订合同前提供权威第三方测试报告备查;支持4K个VLAN"三层功能"支持RIP、RIPng、OSPF,签订合同前提供权威第三方测试报告备查;支持IPv4 FIB表项≥4K,签订合同前提供权威第三方测试报告备查虚拟化"支持智能堆叠,堆叠后逻辑上虚拟为一台设备,具有统一的表项和管理,堆叠系统通过多台成员设备之间冗余备份;支持纵向虚拟化,作为纵向子节点零配置即插即用,签订合同前提供权威第三方测试报告备查管理维护"支持SNMP V1/V2/V3、Telnet、SSHV2;支持通过命令行、WEB网管、中文图形化配置软件等方式进行配置和管理"节能支持能效以太网EEE,节能环保,签订合同前提供权威第三方测试报告备查资质与服务"具备提供工信部入网证;检测报告提供三年原厂质保;3、模块以及辅材一批提供所需交换机的所有万兆和千兆端口原厂模块,三年保修。
汇聚层和接入层配置实例在网络架构中,汇聚层和接入层是两个重要的组成部分。
汇聚层负责连接不同的子网或网络段,将流量聚合并转发到正确的目标。
接入层则是连接用户设备和汇聚层的桥梁,负责用户数据的转发和接收。
本文将通过配置实例来介绍如何正确配置汇聚层和接入层。
一、汇聚层配置实例1. VLAN配置在汇聚层,一种常见的配置是使用VLAN(虚拟局域网)来实现流量隔离和管理。
首先,我们需要在交换机上创建VLAN,并将相应的接口划分到不同的VLAN中。
然后,通过配置交换机的Trunk端口,将不同VLAN的流量聚合到汇聚层交换机上。
2. 聚合链路配置为了提高带宽和冗余性,我们可以配置聚合链路(也称为链路聚合或端口聚合)来将多个物理链路绑定成一个逻辑链路。
通过这种方式可以增加带宽,并在某个物理链路故障时实现自动切换。
在汇聚层交换机上,我们需要配置端口聚合协议(如LACP或PAgP)来实现链路聚合。
3. 路由配置为了实现不同子网之间的通信,我们需要在汇聚层配置路由。
在汇聚层交换机上,我们可以配置静态路由或动态路由协议(如OSPF或BGP),根据不同的需求选择合适的路由方式。
二、接入层配置实例1. VLAN配置与汇聚层类似,接入层交换机也可以使用VLAN来实现流量隔离和管理。
通过将用户设备连接到不同的VLAN中,可以实现不同用户之间的隔离和安全控制。
在接入层交换机上,我们需要配置端口的VLAN 成员关系,并设置合适的VLAN间路由或转发机制。
2. 802.1X认证配置为了增强网络的安全性,我们可以在接入层配置802.1X认证。
通过这种方式,用户设备在接入网络时需要进行身份认证,只有通过认证的设备才能接入网络。
在接入层交换机上,我们需要配置认证服务器、认证方式和认证端口等相关参数。
3. QoS配置为了保证关键业务的优先传输和网络性能的稳定性,我们可以在接入层配置QoS(质量服务)。
通过配置接入层交换机的QoS策略,我们可以对不同类型的流量进行分类和优先处理。
汇聚节点交换机设置规范适用范围:汇聚三层交换机适用设备:考虑到全网设备的兼容性和可控性,原则上统一使用思科交换机。
并具备三层路由功能。
设备选型:考虑到全网设备实施策略的统一性和网络稳定性,不允许使用厂家已停产的设备机型,同时接入设备的系统版本要保持及时更新。
设置规范:1.汇聚交换机管理vlan统一使用vlan1,并配置管理ip。
管理ip院外使用31.0.3.0/24网段地址,院内使用31.0.4.0/24网段地址。
2.汇聚交换机命名依据规定的命名规则进行设置。
级联交换机端口增加description设置。
3.汇聚交换机密码依据我们的密码表进行设置,同时设置enabel secrectpassword和telnet password.并在vty 线程上设置访问控制列表,仅允许特定的网段远程访问。
4.汇聚交换机上下级联端口设置trunk模式(cisco),统一封装协议为802.1q。
汇聚交换机用户接入端口统一设置为access模式,不允许使用switchport mode dynamic desirable自动协商模式。
5.vtp域设置依据节点位置名称进行设置,并将vtp模式设置为server模式。
Vlan名称依据对应单位的名称进行命名。
6.交换机所有端口设置广播风暴抑制,抑制基准线:千兆口设置为2%,百兆口设置为5%。
7.交换机所有用户接入(非级联交换机)端口设置bpdu guard 环路抑制功能。
8.交换机所有密码使用密文模式,设置service password-encryption。
并关闭web访问模式no ip http server。
9.接入交换机统一设置只读通信密码snmp-server community xhpublic RO ,和读写通信密码snmp-server community xhprivate RW。
10.汇聚交换机启用ospf路由,设置内容如下:& 设置ospf路由进程,全网统一使用100& 设置每个路由id,每个交换机必须唯一& 设置ospf路由状态变化,及时看到日志& 加密认证&& 静态路由分布到ospf路由里& 发布31.0.255.0网段11.vlan700做为ofpf路由发布vlan,并在vlan700接口上ospf路由认证:ip ospfmessage-digest-key 1 md5 7 cisco。
浙江电信宽带IP网汇聚层交换机技术规范书浙江省电信公司目录一总则 (1)1概述 (1)2对卖方的建议书要求 (2)3报价要求 (3)二工程描述 (3)1工程概述 (3)2 网络组织 (3)三设备配置及报价范围 (6)1城域汇聚交换机设备配置 (6)2区域汇聚交换机设备配置 (7)3配置要求 (9)4报价范围 (10)四设备技术要求及性能指标 (10)1 满足标准 (10)2 物理接口 (10)3 主要性能指标 (10)4 技术功能要求 (11)5 网管软件 (12)6 软硬件设备要求 (13)五设备安装、调试、验收、开通及试运行 (14)1安装和调试 (14)2 验收、开通和试运行 (15)六保修期与维修 (15)七技术服务 (15)八技术培训 (16)九技术文件 (17)十工程进度 (17)十一其他 (17)一总则1概述1.1本规范为浙江省电信公司拟对浙江省宽带IP网汇聚层交换机2001年扩容工程的主要技术、网络、业务功能和供货、安装调测、验收等要求,供卖方编写建议书和报价之用。
1.2卖方所提供的所有各项设备和系统(包括软、硬件)应符合的技术标准如下:(1)符合有关标准(如ISO、ITU-T、ETSI、IMTC、IETF、IEEE等),卖方应在建议书中具体说明,并附上相应的详细技术资料;(2)若卖方的设备和系统包含自己的专用标准,应在建议书中具体说明,并附上相应的详细技术资料;(3)本文件中未给出,但ITU-T已有建议的系统设备性能和功能均应满足ITU-T 最新建议要求;1.3卖方应按照本文件的要求提供报价和详细的技术建议。
卖方提供的各项设备及系统的功能、性能应完全符合买方指明的标准,并满足或高于买方指出的要求。
对于本文件未规定的有关设备性能,卖方应提出建议,并陈述其理由。
1.4卖方应根据本文件的工程、技术要求在规定时间内(7天内)提供至少15份(中文)建议书和3份报价书。
建议书与报价应单独分册,同时提供电子版文件。