电力监控系统要求复习过程
- 格式:doc
- 大小:23.00 KB
- 文档页数:6
监控主要业务培训教材一、总则:1、省调对管辖变电所的预发令是通过省调操作票查询系统发至监控中心,监控值班人员在接到调度预发命令通知后,与省调调度员进行核对预发令是否正确,确证预发令正确后转发相关操作班,监控值班人员对接受预发令的正确性负责;通调、配调对管辖变电所的预发令暂不经监控中心值班人员转发。
二、SCADA系统简介和相关操作规定:(一)SCADA系统功能简介实时监控子系统(SCADA)是架构OPEN3000统一支撑平台上的最基本的应用,接受前置子系统(FES)送来的实时数据。
实现完整的、高性能的实时数据监控与处理,为能量管理(EMS)系统其它应用提供可靠的数据服务。
SCADA子系统提供集控系统所需的信息分层、责任分区、间隔处理、操作防误与闭锁、保护与故障信息处理等功能。
1、SCADA系统信息分层的作用调度远动班将SCADA系统分成实时信息、事故信息、预告信息、越限信息、操作信息、一般信息、检修信息、变位信息、自动化信息、未复归信息共十层,正常监控人员使用“实时信息”这个界面进行监控。
若在工作中需要单独查看某种信息时,我们就调用某层信息,比如:要单独查看某变电所的操作信息时,我们就点击“操作信息”层,然后SCADA系统界面上就只出现相关的操作信息了。
特别是检修信息的分层,给运行人员的工作带来了便利。
检修状态的判断是通过采集变电所现场隔离开关辅助触点的位置信号来实现的(OPEN系统自己判断的),或在设备检修时,只要检修人员投入保护屏“检修压板”就可以屏蔽该间隔检修期间的软报文信号,(如用的是南瑞97系列(南自66系列)的测控装置,则投入该间隔测控屏上的“检修压板”就可以屏蔽该间隔所有来自现场和保护装置的硬结点信息,但如果该间隔硬结点信息又传输到其它测控装置,再由其它测控装置往上传输,则无法屏蔽其他测控装置上的信息)这样现场的检修信号只在保护装置上显示,不上传后台机,但若测控装置无“检修压板”的,在检修期间还是会有检修的硬接点报文上传到监控系统,影响正常的监控。
电网监控技术B 复习(讲过的每章节都考核,一章内容分数从4到10分) 概述:常规变电站的二次系统有哪些部分?对电力系统运行的基本要求? 电力系统各种运行状态? 国家电网调度机构分级? 我国电网调度的基本原则?电网监控与调度自动化系统的结构与功能系统基本结构按功能分?第一章 厂站监控技术概述 厂站端监控系统的基本功能?结构形式通常可分为集中组屏式、分层分布式、完全分散式、分散集中结合式和分布式网络结构式等五种类型。
目前,在电网监控系统中,国内主要采用两类通信规约。
一类是循环式数据传输(Cyclic Digital Transmission )规约,简称CDT 规约;另一类是问答式(Polling )数据传输规约。
(2)帧结构。
在CDT 规约中,帧结构如图1-10所示。
每一帧均由同步字、控制字和信息字组成。
通道发码时,首先发送同步字,然后发送控制字和信息字。
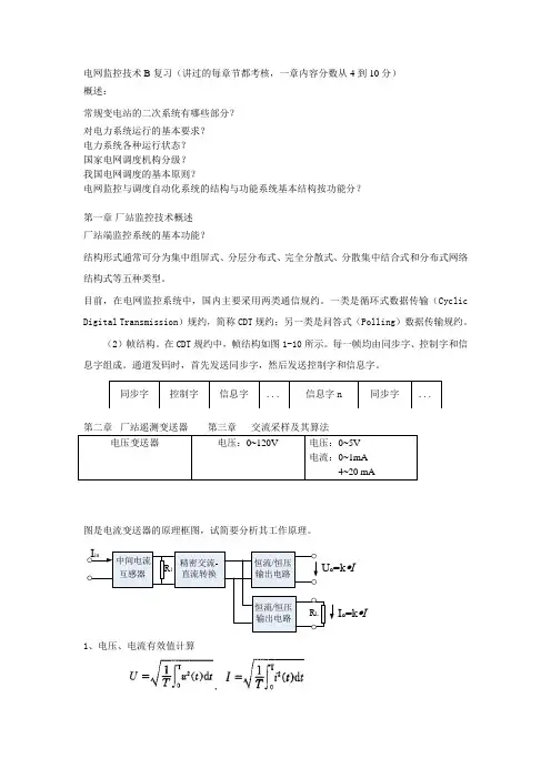
第二章 厂站遥测变送器 第三章 交流采样及其算法电压变送器电压:0~120V电压:0~5V电流:0~1mA4~20 mA图是电流变送器的原理框图,试简要分析其工作原理。
互感器I in恒流/恒压输出电路U O =k ·I中间电流精密交流-直流转换恒流/恒压输出电路I O =k ·IR 1R L1、电压、电流有效值计算,同步字控制字信息字...信息字n同步字...,交流采样硬件电路的工作原理。
0—120V , 0—6A第四章 厂站监控信息采集简要分析下图采用变送器采集64路模拟遥测量的原理框图工作原理。
可编程接口A/D 转换器 多路模拟开关采样保持器1-N多路模拟开关电压互感器(TV )组,电流互感器(TA )组信号调理电路采样保持逻辑阻抗变换器分析下图遥信信息采集的输入电路工作原理。
DGNDAGNDR1R2R3遥信触点R4V1V2光耦R5+5V+24V 或220V 遥信信号第三节 实时时钟GPS接收器提供的1PPS信号是以秒为计时单位的,精确度为1 s。
电力监控培训计划一、培训目标本培训计划旨在提高电力监控人员的专业技能和实际操作能力,使其能够熟练掌握电力监控系统的运行原理、故障处理和应急处理技能,保障电力系统的安全稳定运行。
二、培训对象电力监控人员、电力系统运行维护人员、相关技术人员。
三、培训内容1. 电力监控系统概述1.1 电力监控系统的组成与功能1.2 电力监控系统运行原理1.3 电力监控系统关键技术2. 电力监控系统的安装与调试2.1 电力监控系统的安装要求2.2 电力监控系统的调试方法2.3 电力监控系统的调试注意事项3. 电力监控系统的操作与维护3.1 电力监控系统的日常操作流程3.2 电力监控系统的故障处理流程3.3 电力监控系统的维护要点4. 电力监控系统的故障处理与应急处理4.1 电力监控系统常见故障原因分析4.2 电力监控系统的故障诊断与处理4.3 电力监控系统的应急处理流程5. 电力监控系统的数据分析与报告编写5.1 电力监控系统历史数据分析5.2 电力监控系统实时数据分析5.3 电力监控系统运行报告的编写与提交6. 电力监控系统的更新与升级6.1 电力监控系统更新技术要点6.2 电力监控系统升级实施方案6.3 电力监控系统更新与升级的注意事项四、培训方法1. 理论授课采用专业教材和课件,结合案例分析,介绍电力监控系统的基本原理和技术要点。
2. 案例分析结合真实案例,讲解电力监控系统的故障处理与应急处理方法。
3. 模拟操作在实验室环境中,模拟电力监控系统的操作与维护,加深学员对系统的理解与掌握。
4. 实地参观参观电力监控系统的实际运行设备,了解系统运行和维护的实际情况。
五、培训时间本培训计划为期5天,每天8小时,包括理论授课、案例分析、模拟操作和实地参观。
六、培训师资培训教师由电力监控系统厂家的技术专家组成,他们具有丰富的实际操作经验和教学经验,能够针对学员的实际需求进行专业指导。
七、培训考核1. 课后作业学员需完成相关的课后作业和实验报告,以检验其对课程内容的理解和掌握程度。
电网监控与调度自动化复习资料一、选择题(每空2分,共30分)1、对电力系统运行的基本要求是:可靠性、灵活性和经济性三个方面。
2、远方终端对电网监视和控制功能主要是指遥测、遥信、遥控和遥调。
3、CPU参与巡查判别的方式,包括:定时扫查方式、中断方式和中断触发扫查方式三种方式。
4、数据传输的差错控制方法包括:差错控制方法、检错重发法、反馈检验法和前向纠错法。
5、按数据传输方向,可将通讯系统分为单工通讯系统、半双工通讯系统和全双工通讯系统。
二、简答题(每题10分,共50分)1、简述电网监控与调度自动化系统的基本结构。
答:电网监控与调度自动化系统按其功能可分为四个子系统:(1)信息采集和命令执行子系统;(2)信息传输子系统;(3)信息的收集、处理和控制子系统;(4)人机联系子系统。
2、简述交流数据采集技术方案的基本原理。
答:对交流量瞬时值直接采样,通过A/D变换将模拟量变为数字量,由微机对这些数字量进行运算,获得被测电压、电流、有功、无功功率和电能量值。
3、简述RTU的种类、功能与基本结构答:种类:TTU、RTU、FTU功能:1)远方功能:遥测、遥控、遥信、遥调、电力系统统一时钟、转发,适合多种规约的数据远传;2)当地功能:CRT显示、汉子报表打印、本机键盘、显示器、远方终端的自检与自调功能。
基本结构:1)系统部分:CPU、RAM、定时器/计数器、中断控制器;2)采集信息输入电路部分:模拟量、状态量、脉冲量、数字量;3)命令输出电路;4)信息传输部分:串行接口、Modem;5)人机联系部分。
4、简述变电站自动化的含义及其基本功能答:变电站自动化是专业性的综合技术,将监视监测、继电保护、自动控制装置和运动等所要完成的功能组合在一起的一个综合系统。
变电站自动化的基本功能体现在七个子系统:1)监控子系统;2)微机保护子系统;3)电压、无功功率综合控制子系统;4)五防子系统;5)其它自动装置功能子系统;6)遥视及检测子系统;7)远动及数据通信子系统。
电力监控系统(一)引言概述:电力监控系统是一种通过监测、控制和管理电力系统中的各种参数和设备的技术系统。
它的主要作用是实时监测电力系统的运行状态,提供对电力系统各种参数的准确测量和分析,以确保电力系统的安全可靠运行。
本文将从以下五个方面详细探讨电力监控系统的相关内容。
一、系统架构设计1. 主要硬件组成a. 电力监测装置b. 数据采集单元c. 控制中心服务器d. 通信设备2. 系统软件设计a. 数据采集与传输b. 数据处理与管理c. 用户界面设计d. 系统安全性设计二、实时数据采集与传输1. 数据采集方式a. 传感器监测b. 仪表读取c. PLC数据采集2. 数据传输技术a. 有线传输b. 无线传输c. 互联网传输3. 数据传输协议a. Modbus协议b. DNP3协议c. IEC 60870-5协议三、数据处理与分析1. 数据清洗与整理a. 数据校正b. 数据筛选c. 数据去噪2. 数据分析与建模a. 电力负荷分析b. 故障诊断与预测c. 能源消耗分析3. 数据可视化与报表生成a. 实时监控界面b. 数据趋势图c. 运行报表生成四、远程监控与控制1. 远程监控功能a. 数据远程访问b. 告警与通知c. 远程设备控制2. 网络通信安全a. 防火墙保护b. 数据加密技术c. 用户权限管理五、系统维护与优化1. 定期维护工作a. 设备巡检与清洁b. 系统备份与恢复c. 软件升级与优化2. 故障排除与修复a. 系统故障定位b. 故障分析与修复c. 紧急备用方案总结:电力监控系统是一项重要的技术系统,通过合理的系统架构设计和数据处理与分析,可以实现对电力系统的实时监测和控制。
同时,远程监控与控制功能和系统维护与优化工作也是保证电力监控系统稳定运行的关键。
通过合理的使用和维护,电力监控系统可以提高电力系统的可靠性和安全性,减少故障和能源浪费,从而为电力行业带来广泛的应用和益处。
3.3 供配电监控系统3.3.1系统概述1. 供配电设备监视系统由智能变配电监视系统进行监控,自成系统,在变配电所设置监控工作站,具备编程控制、显示及打印功能。
并提供统一RS-485接口,Modbus 协议与BAS通信。
2. 供配电系统通过配电柜各回路的网络综合仪表来实现监控要求,网络综合仪表能测量三相/单相电流、电压、有功功率、无功功率、功率因数、有功/无功电能计量;部分回路带开关量遥信输入和输出;LED数码实时显示。
高低压配电系统及各回路仪表配置见广东省建筑设计研究院相关图纸,各仪表具有RS-485通信接口/Modbus RTU通信规约。
3.3.2 系统设计1.系统结构监控系统采用分散、分层、分布式结构设计,按间隔单元划分、模块化设计、分布式处理。
系统从整个网络结构上,分为三层结构:即现场间隔层、通信管理层及所级监控管理层。
1)现场间隔层:所有10kV高压保护测控装置、400V低压电力监控仪表和监控单元按一次设备对应分布式配置,就地安装在高、低压开关柜内,各装置、仪表和测控单元相对独立,完成保护、测量、控制、通信等功能,同时具有动态实时显示电气设备工作状态、运行参数、故障信息和事件记录、保护定值等功能,综合保护测控装置及低压智能监控仪表模块与开关柜融为一体,构成智能化开关柜,所有装置和仪表通过通信口接入相应的底层子网,将有关信息传送至通信管理层,同时各综合保护装置和测量仪表的功能可完全不依赖于网络而独立完成对电气设备的保护、测量和监控。
2)通信管理层:完成现场间隔层和监控管理层之间的网络连接、转换和数据、命令的交换,将现场实时数据和事件信息经网络上传到所级监控管理层,支持各种标准通信规约。
通信介质可为双绞线或光纤等,网络冗余配置能够满足对通信可靠性要求极高的现场的要求。
通过以太网交换机可实现与建筑设备监控系统(BAS)、火灾自动报警系统(FAS)等其它自动化系统的网络通信,达到信息资源共享,此外,系统还具备与变压器智能温度监控单元、柴油发电机组、智能直流电源系统等其它自动化系统和智能设备的RS485通信接口,规约为Modbus。
3)所级监控管理层:集中监控主机采用高性能工业计算机,所有监控后台设备安装在变配电室值班室,实现整个变配电系统高、低压电气设备及主要用电设备的遥信、遥控、遥测、遥调“四遥”功能,系统选用专业组态监控软件,对变配电系统电气设备的运行状态进行实时监控、电气参数实时监测、事故异常报警、事件记录和打印、电能管理和负荷控制、故障录波和分析、统计报表自动生成和打印、事故异常报警等综合功能。
2.系统要求通过网络智能仪表实现对变配电所内高压进线、出线及联络开关的状态监视;对低压进线及联络开关状态、电流、电压、电量、功率因数等参数的测量记录;干式变压器运行温度显示、超温报警;切除非消防负荷;柴油发电机进出线电流、电压显示,功率因数显示,频率显示;高、低压配电图形显示。
能够提供包括但不限于如下信息:1)高压配电系统●高压进出线开关运行状况监视●高压进出线开关故障警报;●高压配电系统图图形显示;●各回路电压值显示;●各回路电流值显示;●进线回路功率因数、有功功率、无功功率测量;●进线回路电能计量。
2)变压器●变压器高温报警信号;●变压器超温跳闸信号。
3)直流屏●直流电源输出电流;●直流电源输出电压;●蓄电池的电压;●充电器故障状态4)低压配电系统●低压进出线开关运行状况监视;●低压进出线开关故障警报;●低压配电系统图图形显示;●各回路电源电压值显示;●各回路三相电流值显示;●各回路电能计量;●进线回路有功功率、无功功率测量、电能计量;●各段低压母线的功率因数测量。
5)柴油发电机组应急柴油发电机组自带检测与控制装置,并且有自己的控制箱。
该控制箱应向变电所监控系统提供以下信号:●油发电机的启停状态;●柴油发电机的故障状态;●柴油发电机的输出电压;●柴油发电机的输出电流;●柴油发电机的发电频率;●蓄电池的电压;日用油箱的油位及低位报警;3.系统关联要求1)发生事故,母联开关合闸时,系统主机应完成以下功能:●记录合闸前各回路的电压、电流、有功功率、无功功率、功率因数;●进行状态分析、数据计算,判断母联开关合闸后的变压器负载率;●若满足变压器安全运行条件(η≤110%),自动投入母联开关;●若不满足变压器安全运行条件(η > 110%),系统应先根据当前负载情况及预设的负荷等级作出判断,切除部分或全部非保证负荷,再自动投入母联开关。
2)发生事故,需启动第三电源柴油发电机时,系统主机应完成以下功能:●记录合闸前柴油机母线段各回路的电压、电流、有功功率、无功功率、功率因数;●进行状态分析、数据计算,判断柴油发电机启动后的负载率;●若η≤80%,满足柴油发电机安全运行条件;●若η > 80%,则不满足柴油发电机安全运行条件,系统应根据当前柴油机母线段的负载情况及预设的负荷等级作出判断,切除部分或全部非保证负荷;3.3.3 系统主要技术要求1.人、机联系(全中文汉化界面)1)图形显示变配电系统高、低压系统电气主接线图、主要用电设备的分支接线图,主接线图集中显示变配电系统高、低压回路的监控界面,分支接线图集中显示主要用电设备的运行状态,主接线图和分支接线图之间的切换可方便地通过快捷键切换。
2)配置供电系统示意图3)配置变电所主接线,可进行各种控制操作,动态显示开关状态及测量数据动态显示。
4)配置全所自动化系统构成图,可动态监视系统设备运行状况。
5)配置保护配置、系统参数整定画面6)配置各种记录、警报、程控等用户画面。
7)配置各种报表、曲线显示画面。
8)可根据用户要求开发的其他画面2.动态刷新显示工况图:包括高、低压电气测量参数、运行参数和状态量参数,日常数据电度显示、选点召唤等,各线路按电压等级不同以不同颜色区分。
15.3.3模拟量显示:包括各模拟量的意义、对应的开关号及实时测量数据:三相电流、电压、功率(有功、无功)、电度(有功、无功)、频率、功率因数等。
3.开关量显示:包括开关量的含义、对应开关号及开关量的当前运行状态。
4.连续记录显示:负荷曲线、电压曲线、温度曲线、故障数据追忆曲线、电流电压棒图等,具有安全参数、危险参数、报警参数界限。
5.事故顺序记录显示:将保护动作和开关跳、合闸等事件按动作顺序进行记录,在报警窗里显示保护动作,断路器、刀闸状态量的变位情况,模拟量的越限值等。
6.操作控制1)控制方式采用远动控制、所内集中控制、设备本体控制三级控制方式。
正常运行时采用远动控制,当设备检修时,采用所内集中控制或设备本体控制。
一般在开关柜上设当地/远方选择开关,在控制信号盘上设置当地/远方转换开关和相应的合分闸开关。
三种控制方式相互闭锁,以达到安全控制的目的。
2)操作及权限:操作控制采用二级校验方式,即:选择-返校-执行。
具有严格的分级管理和身份管理系统,控制操作具有操作权限等级管理功能,对不同操作员进行权限和口令设置,至少有:值班员、维护工程师、专业开发人员三级口令。
遥控操作时,系统自动校验操作者的操作权限及口令,只有当具有遥控操作权限的运行人员在输入正确的操作和监护口令后,才有权进行操作控制。
3)对于每次遥控操作,系统均对操作人、操作时刻及操作类型进行记录,自动生成遥控操作记录,并将记录存盘,此记录可随时调用显示、打印。
4)单独控制:改变某一对象运行状态的控制,包括开关合/分控制、自动装置投入/撤除、保护定值切换、保护软压板投/退等操作。
5)程序控制:将多个单控按一定顺序组合,通过一次操作完成顺序控制。
6)紧急状态控制:当现场发生紧急情况时,通过调用该程序紧急断电,达到避险或减少损失的目的。
可设置自动或手动两种启动方式。
也可由外部接点启动。
7)自动控制:由特定信息启动的程控。
例如,当系统发生某些故障,需对该故障设备或区段进行切除的操作。
为了安全起见,以上操作包括:选择 执行两步,程序控制具有中止操作。
在操作过程中,还可增加安全闭锁条件,避免不安全操作。
具体内容,在设计联络时确定。
8)开关模拟对位操作。
3.3.4施工要求1. 供配电监控系统主机安装在变配电所值班室内。
2. 由主机至高低压柜内的网络智能仪表、变压器温控器、直流屏等的信号线采用线槽敷设方式。
3.应密切配合配电柜厂家,协商智能仪表接线端子位置以及配电柜的进线孔。
3.2.5 系统测试和工程竣工验收细则1.通过现场测量的方法对电压、电流、有功(无功)功率、用电量等各项参数和工作站测量的参数进行准确性和真实性检查,显示的电力负荷及上述各参数的动态图形能比较准确地反映参数变化情况,并对报警信号进行验证。
2.检测方法为抽检,抽检数量按每类参数抽20%,且数量不少于20点,少于20点时全部检测。
被检参数合格率100%时为检测合格。
3.对高低压配电柜的运行状态、电力变压器的温度、应急发电机组的工作状态、储油罐的液位、蓄电池组及充电设备的运行状态、直流屏的工作状态等参数进行检测时,应全部检测,合格率100%时为检测合格。
4.对需要远动控制的回路,应逐一进行检测,合格率100%时为检测合格。
3.2.6 工程竣工资料工程竣工资料随工程的进度及时收集,整理、归类成册,由现场施工组负责收集整理。
包括如下内容:1.设计方案和施工图(包括设计说明、系统结构图、设备布置及管线图、相关监控设备电气接线图、设备清单);2.设备、材料质量合格证书;3.各阶段施工记录;4.测试记录;5.试运行记录;6.系统使用培训记录;7.工程交接书;8.验收申请;9.验收报告;10.竣工图及其它有关文件及记录。