色环电阻计算器
- 格式:pdf
- 大小:105.86 KB
- 文档页数:2
色环电阻计算带有四个色环的其中第一、二环分别代表阻值的前两位数;第三环代表倍率;第四环代表误差。
快速识别的关键在于根据第三环的颜色把阻值确定在某一数量级范围内,例如是几点几K、还是几十几K的,再将前两环读出的数"代"进去,这样就可很快读出数来。
下面介绍掌握此方法的几个要点:(1)熟记第一、二环每种颜色所代表的数。
可这样记忆:棕1,红2,橙3,黄4,绿5,蓝6,紫7,灰8,白9,黑0。
这样连起来读,多复诵几遍便可记住。
记准记牢第三环颜色所代表的阻值范围,这一点是快识的关键。
具体是:金色:几点几Ω黑色:几十几Ω棕色:几百几十Ω红色:几点几kΩ橙色:几十几kΩ黄色:几百几十kΩ绿色:几点几MΩ蓝色:几十几MΩ从数量级来看,在体上可把它们划分为三个大的等级,即:金、黑、棕色是欧姆级的;红橙\'、黄色是千欧级的;绿、蓝色则是兆欧级的。
这样划分一下是为了便于记忆。
(3)当第二环是黑色时,第三环颜色所代表的则是整数,即几,几十,几百kΩ等,这是读数时的特殊情况,要注意。
例如第三环是红色,则其阻值即是整几kΩ的。
(4)记住第四环颜色所代表的误差,即:金色为5%;银色为10%;无色为20%。
下面举例说明:例1当四个色环依次是黄、橙、红、金色时,因第三环为红色、阻值范围是几点几kΩ的,按照黄、橙两色分别代表的数"4"和"3"代入,,则其读数为43 kΩ。
第环是金色表示误差为5%。
例2当四个色环依次是棕、黑、橙、金色时,因第三环为橙色,第二环又是黑色,阻值应是整几十kΩ的,按棕色代表的数"1"代入,读数为10 kΩ。
第四环是金色,其误差为5%在某些不好区分的情况下,也可以对比两个起始端的色彩,因为计算的起始部分即第1色彩不会是金、银、黑3种颜色。
如果靠近边缘的是这3种色彩,则需要倒过来计算。
色环电阻的色彩标识有两种方式,一种是采用4色环的标注方式,令一种采用5色环的标注方式。
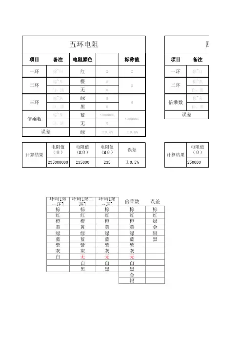
一、四色环:颜色第一环第二环第三环(倍乘)第四环(误差环)黑色0 0 1棕色 1 1 10红色 2 2 100橙色 3 3 1000黄色 4 4 10000绿色 5 5 100000蓝色 6 6 1000000紫色7 7 10000000灰色8 8 100000000白色9 9 1000000000金色0.1 ±5%银色0.01 ±10%无色±20%第三环颜色为:金、黑、棕色是欧姆级的,红、橙、黄色是千欧级的,绿、蓝色是兆欧级的。
二、第四环决定第一、第二环颜色组合:一、二环为棕和红,那四环可能是金或银了,因为E24和E12标称值系列都有1.2对应阻值。
一、二环为棕和黄,那你可能是眼花没看清楚,因为三个标称值系列中都没有1.4对应阻值,三、四色环阻值范围:四、五色环:颜色 第一环 第二环 第三环 第四环(倍乘) 第五环(误差环)备注黑色 0 0 0 1 误差 环 与 阻 值 环 隔 距 较 大棕色 1 1 1 10 ±1% 红色 2 2 2 100 ±2% 橙色 3 3 3 1000 黄色 4 4 4 10000 绿色 5 5 5 100000 ±0.5% 蓝色 6 6 6 1000000 ±0.25% 紫色 7 7 7 10000000 ±0.1% 灰色 8 8 8 100000000 ±0.05% 白色 999 1000000000 金色 0.1 ±5% 银色 0.01 ±10% 无色±20%如果第五条色环为黑色,一般用来表示为绕线电阻器。
如果第五条色环如为白色,一般用来表示为保险丝电阻器。
如果电阻体只有中间一条黑色的色环,则代表此电阻为零欧姆电阻。
五、五色环阻值范围:。
色环电阻对照表————————————————————————————————作者:————————————————————————————————日期:色环电阻对照表4色环电阻所表示数值、倍数及误差值:颜色数值数值倍数(Ω)误差黑 0 0 1棕 1 1 10 ±1%红 2 2 100 ±2%橙 3 3 1000黄 4 4 10000绿 5 5 100000 ±0.5%蓝 6 6 1000000 ±0.2%紫 7 7 10000000 ±0.1%灰 8 8 100000000白 9 9 1000000000 +5--20%金 ±5%银 ±10%无色 ±20%第一色环第二色环第三色环4色环电阻,是用3个色环来表示阻值,前二环代表有效值,第三环代表乘上的次方数,用1个色环表示误差。
5色环电阻一般是金属膜电阻,为更好地表示精度,用4个色环表示阻值,另一个色环表示误差。
下表是色环电阻的颜色-数值对照表:色环第一环第二环第三环第四环(乘法)(误差环)黑0 0 1棕 1 1 10 +/- 1%红 2 2 100 +-2%橙 3 3 1000黄 4 4 10000绿 5 5 100000 +/- 0.5%兰 6 6 1000000 +/- 0.2%紫7 7 10000000 +/- 0.1%灰8 8 100000000白9 9 1000000000 +5~-20%金+-5%银+-10%无色环+-20%一、电阻阻值的色环表示法电阻的单位:电阻的基本单位是“欧姆”,什么叫“1欧姆”?假如一段导线,两端的电压是1伏,此时流过导线的电流是1安培,那么这段导线的电阻就是1欧姆,简称“欧”。
1000欧=1千欧(KΩ),1000千欧=1兆欧(MΩ)。
欧姆的符号是“Ω”;千欧符号“ΚΩ”;兆欧符号“MΩ”。
颜色和数字的对应关系:首先我们向你介绍颜色和阿拉伯数字之间的对应关系,这种规定是国际上公认的识别方法,记住它对我们进一步学习很有帮助。
并联电阻在线计算器
可以计算2至4只电阻并联后的阻值,计算中应保持单位一致。
并联电阻阻值的计算公式为:1/R并=1/R1+1/R2+1/R3+...1/R n
例如:10Ω、10Ω、100Ω、100Ω四只电阻并联后的阻值R并为:1/R并=1/10+1/10+1/100+1/100
1/R并=22/100
R并≈4.5Ω
又如:820Ω、1.5kΩ两只电阻并联后的阻值R并为:
1/R并=1/820+1/1500
1/R并=116/61500
R并≈530.2Ω
并联电阻的两种典型应用:
1、没有合适的电阻器:当找不到合适阻值的电阻器时,可以通过多只电阻并联的方法获得。
2、电阻功率达不到要求:比如,电路中需要一只1W的25Ω电阻而手头没有,则可用四只1/2W阻值100Ω的电阻并联后替代****虑功率分配均匀,四只电阻的阻值应尽量一致。
4色环电阻计算方法(实用版)编制人:__________________审核人:__________________审批人:__________________编制单位:__________________编制时间:____年____月____日序言下载提示:该文档是本店铺精心编制而成的,希望大家下载后,能够帮助大家解决实际问题。
文档下载后可定制修改,请根据实际需要进行调整和使用,谢谢!并且,本店铺为大家提供各种类型的实用资料,如小学资料、初中资料、高中资料、大学资料、文言文、中考资料、高考资料、近义词、反义词、其他资料等等,想了解不同资料格式和写法,敬请关注!Download tips: This document is carefully compiled by this editor.I hope that after you download it, it can help you solve practical problems. The document can be customized and modified after downloading, please adjust and use it according to actual needs, thank you!In addition, this store provides you with various types of practical materials, such as primary school materials, junior high school materials, senior high school materials, university materials, classical Chinese, senior high school examination materials, college entrance examination materials, synonyms, antonyms, other materials, etc. If you want to know different data formats and writing methods, please pay attention!4色环电阻计算方法对于4色环电阻,其阻值计算办法位:阻值=(第1色环数值*10+第2色环数值)*第3位色环代表之所乘数对于5色环电阻,其阻值计算办法位:阻值=(第1色环数值*100+第2色环数值*10+第3位色环数值)*第4位色环代表之所乘数。
一、四色环:颜色第一环第二环第三环(倍乘)第四环(误差环)黑色0 0 1棕色 1 1 10红色 2 2 100橙色 3 3 1000黄色 4 4 10000绿色 5 5 100000蓝色 6 6 1000000紫色7 7 10000000灰色8 8 100000000白色9 9 1000000000金色0.1 ±5%银色0.01 ±10%无色±20%第三环颜色为:金、黑、棕色是欧姆级的,红、橙、黄色是千欧级的,绿、蓝色是兆欧级的。
二、第四环决定第一、第二环颜色组合:一、二环为棕和红,那四环可能是金或银了,因为E24和E12标称值系列都有1.2对应阻值。
一、二环为棕和黄,那你可能是眼花没看清楚,因为三个标称值系列中都没有1.4对应阻值,三、四色环阻值范围:银色倍乘太小一般不会常用灰色倍乘太大一般不会用白色倍乘太大一般不会用无色第三环不可能是无色环四、五色环:颜色第一环第二环第三环第四环(倍乘)第五环(误差环)备注黑色0 0 0 1 误差环与阻值环隔距较大棕色 1 1 1 10 ±1%红色 2 2 2 100 ±2%橙色 3 3 3 1000黄色 4 4 4 10000绿色 5 5 5 100000 ±0.5%蓝色 6 6 6 1000000 ±0.25%紫色7 7 7 10000000 ±0.1%灰色8 8 8 100000000 ±0.05%白色9 9 9 1000000000金色0.1 ±5%如果第五条色环为黑色,一般用来表示为绕线电阻器。
如果第五条色环如为白色,一般用来表示为保险丝电阻器。
如果电阻体只有中间一条黑色的色环,则代表此电阻为零欧姆电阻。
五、五色环阻值范围:。
一、四色环:颜色第一环第二环第三环(倍乘)第四环(误差环)黑色0 0 1棕色 1 1 10红色 2 2 100橙色 3 3 1000黄色 4 4 10000绿色 5 5 100000蓝色 6 6 1000000紫色7 7 10000000灰色8 8 100000000白色9 9 1000000000金色0.1 ±5%银色0.01 ±10%无色±20%第三环颜色为:金、黑、棕色是欧姆级的,红、橙、黄色是千欧级的,绿、蓝色是兆欧级的。
二、第四环决定第一、第二环颜色组合:一、二环为棕和红,那四环可能是金或银了,因为E24和E12标称值系列都有1.2对应阻值。
一、二环为棕和黄,那你可能是眼花没看清楚,因为三个标称值系列中都没有1.4对应阻值,三、四色环阻值范围:四、五色环:颜色 第一环 第二环 第三环 第四环(倍乘) 第五环(误差环)备注黑色 0 0 0 1 误差 环 与 阻 值 环 隔 距 较 大棕色 1 1 1 10 ±1% 红色 2 2 2 100 ±2% 橙色 3 3 3 1000 黄色 4 4 4 10000 绿色 5 5 5 100000 ±0.5% 蓝色 6 6 6 1000000 ±0.25% 紫色 7 7 7 10000000 ±0.1% 灰色 8 8 8 100000000 ±0.05% 白色 999 1000000000 金色 0.1 ±5% 银色 0.01 ±10% 无色±20%如果第五条色环为黑色,一般用来表示为绕线电阻器。
如果第五条色环如为白色,一般用来表示为保险丝电阻器。
如果电阻体只有中间一条黑色的色环,则代表此电阻为零欧姆电阻。
五、五色环阻值范围:。
电阻色环转换为阻值对照表4色环电阻,是用3个色环来表示阻值,前二环代表有效值,第三环代表乘上的次方数,用1个色环表示误差;5色环电阻一般是金属膜电阻,为更好地表示精度,用4个色环表示阻值,另一个色环表示误差;下表是色环电阻的颜色-数值对照表:一、电阻阻值的色环表示法电阻的单位:电阻的基本单位是“欧姆”,什么叫“1欧姆”假如一段导线,两端的电压是1伏,此时流过导线的电流是1安培,那么这段导线的电阻就是1欧姆,简称“欧”;1000欧=1千欧KΩ,1000千欧=1兆欧MΩ;欧姆的符号是“Ω”;千欧符号“ΚΩ”;兆欧符号“MΩ”;颜色和数字的对应关系:首先我们向你介绍颜色和阿拉伯数字之间的对应关系,这种规定是国际上公认的识别方法,记住它对我们进一步学习很有帮助;颜色按照下面的方法容易记忆:黑0 棕1 红2 橙3 黄4 绿5 蓝6 紫7 灰8 白9此外,还有金、银两个颜色要特别记忆,它们在色环电阻中,处在不同的位置具有不同的数字含义,这是需要特别注意的;对此,我们放在后面介绍;“四色环”读数规则所谓“四色环电阻”就是指用四条色环表示阻值的电阻;从左向右数,第一,二环表示两位有效数字,第三环表示数字后面添加“0”的个数;所谓“从左向右”,我们是指把电阻象图中所画的样子放置——四条色环中,有三条相互之间的距离靠得比较近,而第四环距离稍微大一点;如下图:但是说实在的,现在的电阻产品,你要区分色环距离的大小的确很困难,哪一环是第一环,往往凭借经验来识别;对四色环而言,还有一点可以借鉴,那就是:四色环电阻的第四环,不是金色,就是银色,而不会是其它颜色这一点在五色环中不适用;这样你就可以知道那一环该是第一环了;请看下面例子:红2 紫7 棕1 金±5%第一环:红——代表2第二环:紫——代表7第三环:棕——代表1,但是第三环的“1”并不是“有效数字”,而是表示在前面两个有效数字后面添加“零”的个数;由此看来,这个电阻的阻值应该是270,单位是什么在色环电阻中,一律默认为“欧姆”电阻的基本单位,符号是Ω;上述电阻的阻值是:270Ω那么,第四环又是什么意思第四环表示电阻的“精度”,也就是阻值的误差;金色代表误差±5%,银色代表误差±10%;对270Ω而言,±5%的误差,意味着这个电阻实际最小的阻值是2701-=Ω;最大不会超过2701+=Ω;在识别四色环电阻时,有两个情况要特别注意:1、当第三环是黑色的时候,这个黑环代表0的个数,几个0 是0个“0”,也就是“没有0”;如:红2 红2 黑0个0 金±5%阻值是:22Ω而绝不是220Ω2、金色和银色也会出现在第三环中:前面我们已经提到,第四环是表示误差的色环,用金、银两种颜色分别表示不同的精度;而第三环表示“添加零的个数”,那么当第三环出现金色或银色的时候,又怎么理解“添加零的个数”呢做法如下:第三环—金色:把小数点向前移动1位;第三环—银色:把小数点向前移动2位;例:1、色环排列:橙灰金金,阻值是Ω2、色环排列:绿黄银金,阻值是:Ω因为这种电阻的阻值太小了,在一般电路中几乎不用,所以在普通的电阻系列中是没有的;。
电阻色环转换为阻值对照表4色环电阻,是用3个色环来表示阻值,前二环代表有效值,第三环代表乘上的次方数,用1个色环表示误差。
5色环电阻一般是金属膜电阻,为更好地表示精度,用4个色环表示阻值,另一个色环表示误差。
下表是色环电阻的颜色-数值对照表:一、电阻阻值的色环表示法电阻的单位:电阻的基本单位是“欧姆”,什么叫“1欧姆”?假如一段导线,两端的电压是1伏,此时流过导线的电流是1安培,那么这段导线的电阻就是1欧姆,简称“欧”。
1000欧=1千欧(KΩ),1000千欧=1兆欧(MΩ)。
欧姆的符号是“Ω”;千欧符号“ΚΩ”;兆欧符号“MΩ”。
颜色和数字的对应关系:首先我们向你介绍颜色和阿拉伯数字之间的对应关系,这种规定是国际上公认的识别方法,记住它对我们进一步学习很有帮助。
颜色按照下面的方法容易记忆:黑0 棕1 红2 橙3 黄4 绿5 蓝6 紫7 灰8 白9此外,还有金、银两个颜色要特别记忆,它们在色环电阻中,处在不同的位置具有不同的数字含义,这是需要特别注意的。
对此,我们放在后面介绍。
“四色环”读数规则所谓“四色环电阻”就是指用四条色环表示阻值的电阻。
从左向右数,第一,二环表示两位有效数字,第三环表示数字后面添加“0”的个数。
所谓“从左向右”,我们是指把电阻象图中所画的样子放置——四条色环中,有三条相互之间的距离靠得比较近,而第四环距离稍微大一点。
如下图:但是说实在的,现在的电阻产品,你要区分色环距离的大小的确很困难,哪一环是第一环,往往凭借经验来识别;对四色环而言,还有一点可以借鉴,那就是:四色环电阻的第四环,不是金色,就是银色,而不会是其它颜色(这一点在五色环中不适用);这样你就可以知道那一环该是第一环了。
请看下面例子:红2 紫7 棕1 金±5%第一环:红——代表2第二环:紫——代表7第三环:棕——代表1,但是第三环的“1”并不是“有效数字”,而是表示在前面两个有效数字后面添加“零”的个数。
色环电阻换算方法引言:电阻是电路中常见的元件之一,用来限制电流的流动。
而色环电阻是一种特殊的电阻,它在外观上通过色环的颜色来表示其阻值。
本文将介绍一种常用的方法,即色环电阻的换算方法。
一、色环电阻的基本原理色环电阻是由一根细丝绕成的,细丝的材料和长度决定了电阻的阻值。
为了方便识别,制造商会在电阻体上涂上几个彩色的环,每个环代表一个数字。
通过这些彩色环的组合,我们可以得到电阻的阻值。
二、色环的颜色及对应的数字色环电阻通常有4个或5个彩色环,每个环代表一个数字。
下面是常用的色环及对应的数字:1. 黑色:02. 棕色:13. 红色:24. 橙色:35. 黄色:46. 绿色:57. 蓝色:68. 紫色:79. 灰色:810. 白色:9三、色环电阻的换算方法色环电阻的换算方法需要根据色环的顺序和对应的数字进行计算。
下面以一个4个色环的电阻为例进行说明。
1. 第一个和第二个色环表示电阻的前两个数字。
比如,棕色和红色分别代表1和2。
2. 第三个色环表示电阻的数量级,也就是10的幂。
比如,橙色代表3,表示电阻的数量级为10^3,即千欧姆。
3. 第四个色环表示电阻的精度。
比如,金色代表5%,银色代表10%。
根据以上规则,我们可以得到一个棕红橙金色环的电阻的阻值为12千欧姆,精度为5%。
四、计算示例现在我们来举一个具体的计算示例,假设有一个由棕红橙金色环组成的电阻。
根据前面的规则,我们可以得到以下结果:1. 第一个色环棕色代表12. 第二个色环红色代表23. 第三个色环橙色代表3,表示数量级为10^3,即千欧姆4. 第四个色环金色代表5%,表示精度为5%因此,这个电阻的阻值为12千欧姆,精度为5%。
五、注意事项在进行色环电阻换算时,需要注意以下几点:1. 由于色环的顺序很重要,因此在读取色环时要注意顺序,以免出错。
2. 需要注意色环的颜色和数字的对应关系,以免混淆。
3. 对于5个色环的电阻,计算方法和4个色环的类似,只是多了一个色环表示电阻的温度系数。
读取色环电阻的参数,首先要判断读数的方向。
一般来说,表示公差的色环离开其他几个色环较远并且较宽一些。
判断好方向后,就可以从左向右读数。
例如,某4色环电阻的颜色从左到右依次是红(2),紫(7),黄(x10000),银(正负10%),则此电阻的阻值为27Ωx10000=270000Ω,也就是270KΩ,公差为正负10%。
再如,某5色环电阻的颜色从左到右依次是红(2),绿(5),蓝(6),红(x100),棕(正负1%),则此电阻的阻值为256Ωx100=25600Ω,也就是25.0KΩ,公差为正负1%。
数字法由于手机电路中的电阻一般比较小,很少被标上阻值,即使有,一般也采用数字法,即:101——表示10*10^1Ω即100欧的电阻;102——表示10*10^2Ω的电阻;10^3——表示10KΩ的电阻;10^4——表示100KΩ的电阻。
如果一个电阻上标为22*10^3,则这个电阻为22KΩ。
数码法用三位数字表示元件的标称值。
从左至右,前两位表示有效数位,第三位表示10n(n=0~8)。
当n=9时为特例,表示10^(-1)。
塑料电阻器的103表示10*10^3=10k。
片状电阻多用数码法标示,如512表示5.1kΩ。
电容上数码标示479为47*10^(-1)=4.7pF。
而标志是0或000的电阻器,表示是跳线,阻值为0Ω。
数码法标示时,电阻单位为欧姆,电容单位为pF,电感一般不用数码标示。
电阻器的电气性能指标通常有标称阻值,误差与额定功率等。
它与其它元件一起构成一些功能电路,如RC电路等。
电阻是一个线性元件。
说它是线性元件,是因为通过实验发现,在一定条件下,流经一个电阻的电流与电阻两端的电压成正比——即它是符合欧姆定律:I=U/R常见的碳膜电阻或金属膜电阻器在温度恒定,且电压和电流值限制在额定条件之内时,可用线性电阻器来模拟。
如果电压或电流值超过规定值,电阻器将因过热而不遵从欧姆定律,甚至还会被烧毁。
线性电阻的工作电压与电流的关系如图1所示。
利用VB程序编写色环电阻阻值计算器摘要:自工作以来一直从事中职计算机专业课教育教学工作,在工作之余经常发现学生对vb程序设计的学习热情普遍不高,学习积极性较低,学生觉得学习vb程序设计,没有什么实际用处。
针对这种情况,了解到计算机专业的学生,需要学习《电工基础》这门专业课,而其中的四色、五色色环电阻阻值的识别,是需要学生反复练习的,同时也是学生比较头痛的难题。
于是萌发了利用vb 程序设计开发一个小程序的想法,不但可以供学生练习识别色环电阻的阻值,而且可以激发学生学习vb程序设计的积极性,加强学生学习的主动性、自觉性,培养学生的探索精神和学习兴趣,开发学生的创造能力。
主要介绍利用vb程序设计编写色环电阻阻值计算器,让学生了解一般程序的编写思路和过程,让学生了解vb程序设计的内涵。
关键词:combobox组合框;色环电阻;阻值计算目前编写色环电阻阻值计算器的平台,主要有c语言、vb程序设计、网页,等等。
本文主要通过vb程序设计编写四色色环电阻阻值计算器。
一、vb程序设计介绍visual basic采用了面向对象的程序设计思想,面向对象的基本思路就是把复杂的程序设计问题分解,分解为若干个能够完成独立功能的、相对简单的对象集合。
所谓“对象”就是一个可操作的实体,如窗体、命令按钮、标签、文本框等。
面向对象的编程就好像搭积木一样,程序员可根据要求,直接在屏幕上“画”出窗口、菜单等不同类型的对象,并为每个对象设置属性,这些对象组合在一起就构成了整个程序。
二、四色色环电阻阻值计算器设计方法1.新建工程1在窗体上绘制frame 1,frame 2,combo1,combo 2,combo 3,combo 4,command 1,command 2,command 3,label 1,label 2,label 3,label 4,label 5,label 6,label 7,label 8,修改其相关caption属性值。
电阻色环转换为阻值对照表2007-07-28 08:554色环电阻,是用3个色环来表示阻值,前二环代表有效值,第三环代表乘上的次方数,用1个色环表示误差。
5色环电阻一般是金属膜电阻,为更好地表示精度,用4个色环表示阻值,另一个色环表示误差。
下表是色环电阻的颜色-数值对照表:一、电阻阻值的色环表示法电阻的单位:电阻的基本单位是“欧姆”,什么叫“1欧姆”?假如一段导线,两端的电压是1伏,此时流过导线的电流是1安培,那么这段导线的电阻就是1欧姆,简称“欧”。
1000欧=1千欧(KΩ),1000千欧=1兆欧(MΩ)。
欧姆的符号是“Ω”;千欧符号“ΚΩ”;兆欧符号“MΩ”。
颜色和数字的对应关系:首先我们向你介绍颜色和阿拉伯数字之间的对应关系,这种规定是国际上公认的识别方法,记住它对我们进一步学习很有帮助。
颜色按照下面的方法容易记忆:黑0 棕1 红2 橙3 黄4 绿5 蓝6 紫7 灰8 白9此外,还有金、银两个颜色要特别记忆,它们在色环电阻中,处在不同的位置具有不同的数字含义,这是需要特别注意的。
对此,我们放在后面介绍。
“四色环”读数规则所谓“四色环电阻”就是指用四条色环表示阻值的电阻。
从左向右数,第一,二环表示两位有效数字,第三环表示数字后面添加“0”的个数。
所谓“从左向右”,我们是指把电阻象图中所画的样子放置——四条色环中,有三条相互之间的距离靠得比较近,而第四环距离稍微大一点。
如下图:但是说实在的,现在的电阻产品,你要区分色环距离的大小的确很困难,哪一环是第一环,往往凭借经验来识别;对四色环而言,还有一点可以借鉴,那就是:四色环电阻的第四环,不是金色,就是银色,而不会是其它颜色(这一点在五色环中不适用);这样你就可以知道那一环该是第一环了。
请看下面例子:红2 紫7 棕1 金±5%第一环:红——代表2第二环:紫——代表7第三环:棕——代表1,但是第三环的“1”并不是“有效数字”,而是表示在前面两个有效数字后面添加“零”的个数。
电阻色环的计算方法和色环电阻识别方法电阻色环的计算方法在电路中经常用到色环电阻,能够快速读出其阻值也是做电工的一个基本功.下面具体介绍一下色环读数的方法:每种颜色代表不同的数字,如下:棕1 红2 橙3 黄4 绿5 蓝6 紫7 灰8 白9 黑0 ,金、银表示误差,金色为5%的误差.银色为10%的误差.顺口溜:1、2、3、4、5、6、7 ;棕、红、橙、黄、绿、蓝、紫8 灰9 白0 为黑;还有金银常作陪心中牢记四句话;事故远离永不归在实践中发现,有些色环电阻的排列顺序不甚分明,往往容易读错,在识别时,可运用如下技巧加以判断:技巧1:先找标志误差的色环,从而排定色环顺序。
最常用的表示电阻误差的颜色是:金、银、棕,尤其是金环和银环,一般绝少用做电阻色环的第一环,所以在电阻上只要有金环和银环,就可以基本认定这是色环电阻的最末一环。
技巧2:棕色环是否是误差标志的判别。
棕色环既常用做误差环,又常作为有效数字环,且常常在第一环和最末一环中同时出现,使人很难识别谁是第一环。
在实践中,可以按照色环之间的间隔加以判别:比如对于一个五道色环的电阻而言,第五环和第四环之间的间隔比第一环和第二环之间的间隔要宽一些,据此可判定色环的排列顺序。
技巧3:在仅靠色环间距还无法判定色环顺序的情况下,还可以利用电阻的生产序列值来加以判别。
比如有一个电阻的色环读序是:棕、黑、黑、黄、棕,其值为:100×104Ω=1M Ω误差为1%,属于正常的电阻系列值,若是反顺序读:棕、黄、黑、黑、棕,其值为140×100Ω=140Ω,误差为1%。
显然按照后一种排序所读出的电阻值,在电阻的生产系列中是没有的,故后一种色环顺序是不对的。
电阻按材料分一般有:碳膜电阻、金属膜电阻、水泥电阻、线饶电阻等。
一般的家庭电器使用碳膜电阻较多,因为它成本低廉。
金属膜电阻精度要高些,使用在要求较高的设备上。
水泥电阻和线饶电阻都是能够承受比较大功率的,线饶电阻的精度也比较高,常用在要求很高的测量仪器上。