钢筋混凝土预制桩(钢筋骨架)检验批质量验收记录(最新)
- 格式:xlsx
- 大小:12.48 KB
- 文档页数:1
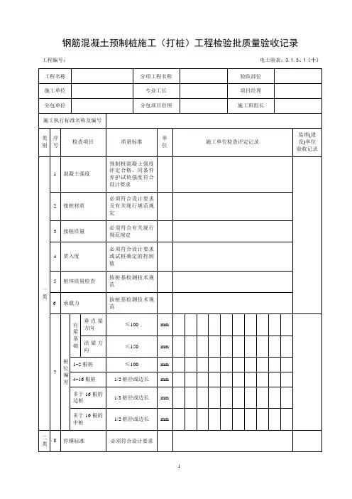
1 / 62 / 6【规范名称及编号】《建筑地基基础工程施工质量验收规范》(GB50202-2002)【条文摘录】摘录一:5.1 一般规定5.1.1 桩位的放样允许偏差如下:群桩:20mm;单排桩:10mm。
5.1.2 桩基工程的桩位验收,除设计有规定外,应按下述要求进行:1 当桩顶设计标高与施工场地标高相同时,或桩基施工结束后,有可能对桩位进行检查时,桩基工程的验收应在施工结束后进行。
2 当桩顶设计标高低于施工场地标高,送桩后无法对桩位进行检查时,对打入桩可在每根桩桩顶沉至场地标高时,进行中间验收,待全部桩施工结束,承台或底板开挖到设计标高后,再做最终验收。
对灌注桩可对护筒位置做中间验收。
5.1.3 打(压)入桩(预制混凝土方桩、先张法预应力管桩、钢桩)的桩位偏差,必须符合表5.1.3的规定。
斜桩倾斜度的偏差不得大于倾斜角正切值的15%(倾斜角系桩的纵向中心线与铅垂线间夹角)。
5.1.4 灌注桩的桩位偏差必须符合表5.1.4的规定,桩顶标高至少要比设计标高高出0.5m,桩底清孔质量按不同的成桩工艺有不同的要求,应按本章的各3 / 6节要求执行。
每浇注50m3必须有1组试件,小于50m3的桩,每根桩必须有1组试件。
5.1.5 工程桩应进行承载力检验。
对于地基基础设计等级为甲级或地质条件复杂,成桩质量可靠性低的灌注桩,应采用静载荷试验的方法进行检验,检验桩数不应少于总数的1%,且不应少于3根,当总桩数少于50根时,不应少于2根。
5.1.6 桩身质量应进行检验。
对设计等级为甲级或地质条件复杂,成检质量可靠性低的灌注桩,抽检数量不应少于总数的30%,且不应少于20根;其他桩基工程的抽检数量不应少于总数的20%,且不应少于10根;对混凝土预制桩及地下水位以上且终孔后经过核验的灌注桩,检验数量不应少于总桩数的10%,且不得少于10根。
每个柱子承台下不得少于1根。
5.1.7 对砂、石子、钢材、水泥等原材料的质量、检验项目、批量和检验方法,应符合国家现行标准的规定。
现场预制桩钢筋安装验收内容(项目工程质量验收资料)
一、验收基本要求和内容
(1)现场预制桩钢筋必须在钢筋检验批质量验收合格后,提请有关单位进行隐蔽工程验收,并填写隐蔽工程验收记录,见质控(建)表4.1.5.2。
(2)桩在现场预制时,应对原材料、钢筋骨架进行检查。
(3)主筋距桩顶距离、锚固钢筋位置、预埋铁件、主筋保护层厚度等必须符合设计和规范要求。
(4)主筋间距、桩尖中心线、箍筋间距、桩顶钢筋网片、锚固钢筋长度等必须符合设计和规范要求。
二、验收核查办法
(1)核查钢筋合格证、试验报告和复验报告是否符合设计要求。
(2)核查钢筋连接方式和试验报告。
(3)核查钢筋的品种、规格、数量、位置等是否符合设计要求。
(4)核查主筋距桩顶距离、多节桩锚固钢筋位置等是否符合预制钢筋骨架质量检验标准规定。
(5)核查主筋间距、桩中心线、箍筋间距、桩顶钢筋网片、多节桩锚固钢筋长度是否符合预制桩钢筋骨架质量检验规定。
(6)核查验收意见是否明确,签证手续是否齐全。
三、验收核定原则
凡出现下列情况之一,本项目核定为“不符合要求”。
(1)无隐蔽工程验收记录。
(2)隐蔽工程验收记录不能反映隐蔽工程的内在质量,不能体现钢筋的品种、规格、数量、位置等。
(3)主要的检查内容和质量指标不符合设计和有关规范、规程的要求,且未采取措施进行处理并重新报验。
(4)隐蔽工程验收记录不真实,或验收意见不明确,签证手续不齐全。
钢筋工程方案验收记录项目名称:XX大楼钢筋工程施工项目负责人:李工程师验收人:张总监、王工程师验收日期:2023年5月15日一、验收背景XX大楼是一栋高层建筑,工程涉及到大量的钢筋工程。
为了确保工程质量,提高工程安全,我们进行了钢筋工程方案的验收。
二、验收内容1、验收质量标准:根据国家相关标准和规范,以及公司内部的工程质量标准,对钢筋工程方案进行全面、严格的验收。
2、验收范围:验收范围包括钢筋设计方案、材料选用、施工工艺、施工程序等内容。
三、验收过程及结果1、钢筋设计方案的验收(1) 设计人员详细介绍了钢筋设计方案的内容,包括钢筋型号、规格、数量等。
(2) 经验收人员仔细查看了设计方案,根据实际情况进行了调整,提出了合理化建议。
(3) 经过讨论和修改,最终确定了符合工程要求的钢筋设计方案。
2、材料选用的验收(1) 验收人员对施工材料进行了检查,包括钢筋、钢筋焊接材料等。
(2) 通过对材料的质量、规格等方面进行检验,确定了材料的选用满足了工程质量标准。
3、施工工艺的验收(1) 验收人员对施工工艺进行了详细的了解和了解,包括钢筋加工、安装、焊接等。
(2) 对施工工艺进行了现场检查,确保施工过程符合规范和要求。
4、施工程序的验收(1) 验收人员对施工进度进行了跟踪和监督,确保施工程序按照计划进行。
(2) 对施工中出现的问题和难点进行了及时的沟通和解决,保障了施工质量和工期。
五、验收结论根据现场的验收情况和相关资料,对钢筋工程方案进行了全面的验收。
1、设计方案合理,符合工程要求。
2、材料选用满足了工程质量标准。
3、施工工艺合理,施工程序按照计划进行。
基于以上验收情况,我们认为钢筋工程方案符合工程质量要求,具备了施工条件。
六、后续工作1、继续监督和检查施工过程,确保工程质量和安全。
2、及时跟进工程进度,保障工程按时完工。
3、注重与设计人员、施工人员的沟通和交流,提高工程执行的效率和质量。
七、总结通过本次钢筋工程方案的验收,我们全面了解了工程的实际情况,确保了工程的顺利进行。
监理单位:杭州大禹水利工程咨询有限公司监理单位:杭州大禹水利工程咨询有限公司监理单位:杭州大禹水利工程咨询有限公司监理单位:杭州大禹水利工程咨询有限公司监理单位:杭州大禹水利工程咨询有限公司监理单位:杭州大禹水利工程咨询有限公司监理单位:杭州大禹水利工程咨询有限公司监理单位:杭州大禹水利工程咨询有限公司混凝土预制桩工程检验批质量验收记录表监理单位:杭州大禹水利工程咨询有限公司混凝土预制桩工程检验批质量验收记录表监理单位:杭州大禹水利工程咨询有限公司监理单位:杭州大禹水利工程咨询有限公司监理单位:杭州大禹水利工程咨询有限公司监理单位:杭州大禹水利工程咨询有限公司监理单位:杭州大禹水利工程咨询有限公司监理单位:杭州大禹水利工程咨询有限公司监理单位:杭州大禹水利工程咨询有限公司监理单位:杭州大禹水利工程咨询有限公司监理单位:杭州大禹水利工程咨询有限公司监理单位:杭州大禹水利工程咨询有限公司监理单位:杭州大禹水利工程咨询有限公司监理单位:杭州大禹水利工程咨询有限公司监理单位:杭州大禹水利工程咨询有限公司监理单位:杭州大禹水利工程咨询有限公司监理单位:杭州大禹水利工程咨询有限公司监理单位:杭州大禹水利工程咨询有限公司监理单位:杭州大禹水利工程咨询有限公司监理单位:杭州大禹水利工程咨询有限公司监理单位:杭州大禹水利工程咨询有限公司监理单位:杭州大禹水利工程咨询有限公司监理单位:杭州大禹水利工程咨询有限公司监理单位:杭州大禹水利工程咨询有限公司监理单位:杭州大禹水利工程咨询有限公司监理单位:杭州大禹水利工程咨询有限公司监理单位:杭州大禹水利工程咨询有限公司监理单位:杭州大禹水利工程咨询有限公司监理单位:杭州大禹水利工程咨询有限公司监理单位:杭州大禹水利工程咨询有限公司监理单位:杭州大禹水利工程咨询有限公司监理单位:杭州大禹水利工程咨询有限公司监理单位:杭州大禹水利工程咨询有限公司监理单位:杭州大禹水利工程咨询有限公司监理单位:杭州大禹水利工程咨询有限公司监理单位:杭州大禹水利工程咨询有限公司监理单位:杭州大禹水利工程咨询有限公司监理单位:杭州大禹水利工程咨询有限公司监理单位:杭州大禹水利工程咨询有限公司监理单位:杭州大禹水利工程咨询有限公司监理单位:杭州大禹水利工程咨询有限公司监理单位:杭州大禹水利工程咨询有限公司监理单位:杭州大禹水利工程咨询有限公司。