基础化学实验1.1.3.2 有效数字
- 格式:pdf
- 大小:1.27 MB
- 文档页数:11
实验室数据数值修约规则引言概述:实验室数据的数值修约是指对实验结果中的测量数据进行处理和舍入,以满足数据的准确性和可靠性要求。
数值修约规则是实验室数据处理的重要环节,正确的修约规则能够保证实验结果的可靠性和可重复性。
本文将详细介绍实验室数据数值修约的规则和注意事项。
一、有效数字的确定1.1 确定有效数字的原则在实验室数据处理中,有效数字是指能够反映实验结果准确程度的数字位数。
有效数字的确定原则包括以下三个方面:1)所有非零数字都是有效数字;2)零位于非零数字之间时,零也是有效数字;3)零位于非零数字之前或之后时,零不是有效数字。
1.2 确定有效数字的方法确定有效数字的方法主要有以下几种:1)根据测量仪器的精度确定有效数字;2)根据测量结果的误差范围确定有效数字;3)根据实验方法和实验目的确定有效数字。
1.3 有效数字的舍入规则在实验数据处理过程中,需要对测量结果进行舍入,以满足有效数字的要求。
有效数字的舍入规则如下:1)如果舍弃位的数值小于5,则舍去;2)如果舍弃位的数值大于5,则进位;3)如果舍弃位的数值等于5,则根据舍弃位后的数字来决定是否进位,舍弃位后的数字为奇数时进位,为偶数时舍去。
二、数值修约的方法2.1 四舍五入法四舍五入法是最常用的数值修约方法之一。
根据有效数字的舍入规则,将舍弃位的数值进行判断,小于5则舍去,大于5则进位。
2.2 截断法截断法是指直接舍去舍弃位后的所有数字,不进行进位。
这种方法适用于不需要精确到小数点后几位的情况。
2.3 近似法近似法是指根据舍弃位后的数字来决定舍入的方法。
如果舍弃位后的数字为奇数,则进位;如果为偶数,则舍去。
这种方法可以在一定程度上减小舍入误差。
三、数值修约的注意事项3.1 避免重复修约在实验数据处理过程中,应该避免进行重复修约。
重复修约会引入额外的误差,降低数据的准确性。
3.2 合理选择修约位数修约位数的选择应该根据实验数据的精度和所需结果的准确程度来确定。
实验室数据数值修约规则引言概述:实验室数据数值修约规则是科学实验中非常重要的一环,它涉及到数据的准确性和可靠性。
在实验室中,数据的修约规则是为了保证实验结果的精确性和可重复性而制定的一系列准则。
本文将从五个大点详细阐述实验室数据数值修约规则的相关内容。
正文内容:1. 数据四舍五入1.1 精确度与有效数字:在进行数据修约时,需要根据实验的精确度确定有效数字的位数。
有效数字是指对于某个数值,从左到右第一个非零数字开始,向来到最后一位数字的总数。
根据有效数字的位数,可以进行四舍五入的修约规则。
1.2 四舍五入的原则:四舍五入是指根据下一位数字的大小来决定当前位数字的修约规则。
如果下一位数字小于5,则当前位数字不变;如果下一位数字大于等于5,则当前位数字进位。
2. 数据截断2.1 截断与有效数字:在某些实验中,需要根据实验的要求对数据进行截断修约。
截断是指根据有效数字的位数,直接舍去多余的位数,而不进行四舍五入的修约规则。
2.2 截断的原则:截断修约的原则是直接舍去多余的位数,不进行进位操作。
这样可以保留数据的整体大小,但会损失一部份精确性。
3. 数据近似3.1 近似与有效数字:在某些实验中,为了简化计算或者减少数据量,可以对数据进行近似修约。
近似是指根据实验的要求,将数据舍入到某个特定的位数,而不必考虑有效数字的位数。
3.2 近似的原则:近似修约的原则是根据实验的要求,将数据舍入到指定的位数。
这样可以简化计算,但会导致数据的精确性降低。
4. 数据误差的处理4.1 绝对误差与相对误差:在实验中,数据的误差是不可避免的。
绝对误差是指测量值与真实值之间的差别,而相对误差则是绝对误差与真实值之比。
在进行数据修约时,需要考虑误差的大小和影响。
4.2 误差的传递规则:误差的传递是指在进行数据计算时,误差如何传递到最终结果中。
根据误差的传递规则,可以确定最终结果的误差范围。
5. 数据有效性的评估5.1 数据有效性的判断:在进行实验数据修约时,需要评估数据的有效性。
实验室数据数值修约规则标题:实验室数据数值修约规则引言概述:在实验室工作中,数据的准确性对实验结果的可靠性至关重要。
为了保证数据的准确性,我们需要遵循一定的数值修约规则,以确保数据的精确度和可靠性。
本文将介绍实验室数据数值修约的规则和方法。
一、有效数字的确定1.1 有效数字的定义:有效数字是指数字中能够表达信息的数字,不包括前导零和末尾的零。
1.2 确定有效数字的规则:有效数字的确定需要根据测量仪器的精度和准确性来决定,一般情况下,有效数字取决于最不确定的一位数字。
1.3 有效数字的运算规则:在进行数据运算时,结果的有效数字位数应取决于参与运算的数据中最少的有效数字位数。
二、数值修约的方法2.1 四舍五入法:四舍五入是最常用的数值修约方法,当舍去位数小于5时,舍去位数不变;当舍去位数大于5时,进位。
2.2 截断法:截断是将多余的位数直接舍去,不做任何修约处理。
2.3 近似法:近似法是根据数据的大小和准确性,选择合适的修约方法进行修约,以保证数据的可靠性。
三、零值的处理3.1 零值在有效数字中的位置:零值在有效数字中的位置不影响有效数字的计算,但在末尾的零需要进行修约处理。
3.2 零值的处理方法:对于末尾的零值,可以选择保留或舍去,取决于数据的精确度和实验要求。
3.3 零值的影响:零值的处理会影响数据的精确度和可靠性,需要根据实际情况进行合理处理。
四、科学计数法的运用4.1 科学计数法的定义:科学计数法是一种用于表示极大或极小数值的方法,通过指数形式表示数据的大小。
4.2 科学计数法的优点:科学计数法能够简化数据的表示,减少数据的长度,方便数据的计算和比较。
4.3 科学计数法的应用:在实验室数据处理中,常常会用到科学计数法来表示数据,以提高数据的准确性和可读性。
五、数据记录和报告5.1 数据记录的规范:在记录实验数据时,需要按照一定的格式和规范进行记录,包括有效数字的表示和修约方法。
5.2 数据报告的要求:在撰写实验报告时,需要将数据按照修约规则进行处理,确保数据的准确性和可靠性。
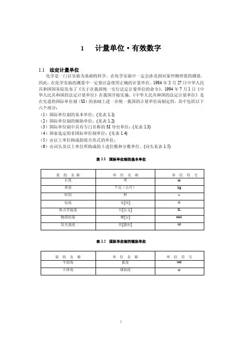
1计量单位·有效数字1.1法定计量单位化学是一门以实验为基础的科学,在化学实验中一定会涉及到对某些物理量的测量,因此,在化学实验的测量中一定要注意使用正确的计量单位。
1984年2月27日中华人民共和国国务院发布了《关于在我国统一实行法定计量单位的命令》。
1994年7月1日《中华人民共和国的法定计量单位》在我国开始实施。
《中华人民共和国的法定计量单位》是在先进的国际单位制(SI)的基础上进一步统一我国的计量单位而制定的,其中包括以下六个部分:(1)国际单位制的基本单位;(见表1.1)(2)国际单位制的辅助单位;(见表1.2)(3)国际单位制中具有专门名称的SI导出单位;(见表1.3)(4)国家选定的非国际单位制单位;(见表1.4)(5)由以上单位构成的组合形式的单位;(6)由词头及以上单位所构成的十进位数和分数单位。
(词头见表1.5)表1.1 国际单位制的基本单位表.1.2 国际单位制的辅助单位表1.3 国际单位制中具有专门名称的SI导出单位表1.4 国家选定的非国际单位制单位表1.5 用于构成十进位数和分数单位的词头1.2 有效数字及其运算1. 有效数字在实际工作中对某一物理量进行测量时,要根据实际工作的要求选择不同精度的测量工具进行测量。
在记录测量数据和进行相应的运算时,一定要正确地使用有效数字,使之不仅能表示所测物理量的大小,而且能正确地反映测量的准确程度。
所谓有效数字,就是实际能测量到的数字。
例如,对某物体使用分析天平测量其质量,结果为1.5000克。
若改用架盘天平称量时,其结果为1.5克。
这两个数字从数值的大小来看似乎是相同的,但所反映的测量准确程度是不同的。
前者反映了测量的准确程度准确到0.0001克数量级,而后者仅反映了测量的准确程度准确到0.1克数量级。
1.5000中的“1”、“5”和其后的两个“0”均是准确的,最后一个数字“0”则是可疑的。
而在1.5这个数字中,数字“1”是准确的,数字“5”是可疑的。
在化学测试结果中的有效数字2019-10-11[摘要]有效数字的控制在化学测试中有着重要的影响,通过不同数字的累加可能会使分析结果产⽣错误,因此,我们在进⾏化学测试的过程中要对有效数字进⾏严格的控制。
[关键词]化学;测试结果;有效数字中图分类号:F407.7⽂献标识码: A⼀、前⾔数据的准确在化学分析中有着重要的作⽤,⼀般情况下在化学分析的过程中使⽤的试剂都以克或毫克为单位进⾏计算,稍微控制不当就会造成测试结果出现误差。
⼆、有效数字的重要意义在分析⼯作中,为得到准确的测量结果,不仅要准确地测定各种数据,还必须正确地记录和计算。
分析结果的数值不但表⽰被测组分含量的多少,同时,也反映了测定的准确程度。
因此,数据的记录和计算是⼗分重要的。
有效数字是科学实验中实际能测量到的数字,它反映了测量的客观事实。
有效数字在分析化学中具有⾮常重要的意义。
1、有效数字的位数反映了测量仪器和观察的准确度例如:⽤万分之⼀的分析天平称量1克的物体,只能记为1.0000克。
这种记法表明,最后⼀位数字是估计得来的,具有⼀定的误差和不确定性,其它各位数字都是准确的。
这样所记的数字是有效数字,它之所以有效,是因为万分之⼀分析天平的精度是万分之⼀克,即0.0001克,⽽记录的数字1.0000克表⽰的精度也是万分之⼀克,彼此是⼀致的。
如果随意地记为1.00或1.00000都是不正确的,因为前⼀种记法⼈为地降低了称量的准确度,⽽后⼀种记法则是⼈为地提⾼了称量的准确度,都没有反映仪器测量的实际准确程度,因此是不正确的。
2、有效数字的位数反映了测量的误差例如:某物在万分之⼀的分析天平上称量得0.5200克,表⽰该物质的实际重量在0.5200⼠0.0001克的范围内,其测量的相对误差为:如果把测量结果记为0.520克或0.52克.则表⽰该物体的实际重量分别在0.520⼠0.001克或0.52⼠0.01克范围内,其测量的相对误差为准确度分别降低了10倍和100倍。
高中化学竞赛-有效数字及化学计算一、有效数字1.有效数字是指在实验工作实际能测量到的数字。
在实验记录的数据中,只有最后一位是估计的,这一位数字叫不定数字。
例如读滴定管中的液面位置数时,甲可能读为21.32mL,乙可能读为21.33mL,丙可能读为21.31mL。
由此可见21.3mL是滴定管上显示出来的。
因实验者不同,可能得到不同的估计值,但这一位估计数字却是客观存在的,因此它是有效数字。
也就是说有效数字是实际测到的数字加一位估读数字。
2.有效数字的定义:从第一位非零的数字开始,到最后一位数字为止,在数字中间和最后的零都计算在内。
例如:0.003,4×1081位有效数字0.20,pH =6.70 2位有效数字4.44,15.3 % 3位有效数字110,88 准确数字或有效数字位数不确定(1)数据中的“0”是否为有效数字,要看它的作用。
如果作为普通数字使用,它就是有效数字;作为定位用则不是有效数字。
例如,滴定管读数22.00mL,其中两个“0”都是测量数字,为四位有效数字。
如果改用升表示,写成0.02200L,这时前面的两个“0”仅作定位用,不是有效数字,而后面的两个“0”仍为有效数字,此数仍为四位有效数字。
单位转换时,有效数字的位数不能改变,如25.0mg改写成以μg为单位时,应写成2.50104μg,不能写成25000μg。
(2)对于非测量所得的数字,如倍数、分数关系等,他们可视为无限多位有效数字。
例如:氧气的分子量为16.00×2=32.00,并不能因为“2”是一位有效数字,而结果也取一位有效数字。
另外,从lg6.02=0.780以及lg(6.02×1023)=23.780可以看出,23.780中,其整数部分23其实是指10的23次方,并不表明有效数字,所以,23.780在表示对数时只有3位有效数字。
同理,pH=12.68也表示有2位有效数字。
可见,pH、pKa、pKb、pM、lgK等对数值的的有效数字,只由小数点后的位数决定,与小数点前的位数无关,因小数点前的数是10的次方。
化学分析中有效数字运用规范1范围本标准规定了化学分析中有效数字运用规范,主要包括术语和定义、有效数字位数确定规则、数字修约及近似数计算规则。
本标准适用于化学分析实验室有效数字运用,并满足RB/T214《检验检测机构资质认定能力评价-检验检测机构通用要求》对检测结果的要求。
本标准不适用于物理分析实验室。
然而,物理分析实验室可将本标准的部分内容作为参考。
2规范性引用文件下列文件对于本文件的应用是必不可少的。
凡是注日期的引用文件,仅所注日期的版本适用于本文件。
凡是不注日期的引用文件,其最新版本(包括所有的修改单)适用于本文件。
GB/T8170—2008数字修约规则与极限数值的表示和判定GB/T19000—2016质量管理体系基础和术语JJF1001—2011通用计量术语及定义3术语和定义GB/T19000—2016界定的以及下列术语和定义适用于本标准。
JJF1001—2011通用计量术语及定义3.1有效数字significant figure一个数,实际工作中能够测量到的数字,包括最后一位估计的不确定的数字。
注:一般情况下,不确定数字位于数字最后,且为1位,特殊情况下为2位。
3.2直接测量direct measurement直接从测量仪表读数获取被测量量值的方法。
注:直接测量的特点是不需要对被测量与其他实测的量进行函数关系的辅助运算。
3.3间接测量indirect measurement待测量是1个或多个直接测量的量,通过函数计算得到。
3.4准确数accurate number一个数,能表示原来物体或事件的实际数量。
3.5近似数approximate number一个与准确数相近的数,即经过四舍五入、进一法或去尾法等方法得到的一个与原始数据相差不大的一个数。
3.6测量结果measurement result,result of measurement【JJF10015.1】与其他有用的相关信息一起赋予被测量的一组量值。
化学中有效数字的修约规则《化学中有效数字的修约规则》嘿,你知道化学里有个特别重要又有点小复杂的东西叫有效数字的修约规则吗?这可太有趣啦,就像一场数字的神秘旅行呢!在化学实验里呀,我们得到的数据可不能随便乱写。
比如说,我们测量一个东西的质量,天平显示是1.2345克。
这个数字里每一位都有它的意义哦。
有效数字呢,就是从左边第一个不是0的数字开始,一直到最后一位数。
像这个1.2345,1、2、3、4、5都是有效数字。
那什么时候要修约呢?就像我们做实验,有时候需要把数据变得简单一点,方便计算或者记录。
这就像是整理我们的小房间,把不需要的东西放好,留下重要的。
有一个规则叫“四舍六入五成双”。
啥意思呢?比如说我们有一个数字1.234,要保留三位有效数字。
第四位数字是4,那按照这个规则就直接舍去,得到1.23。
这就像我们在挑水果,这个4就像是有点小瑕疵的水果,我们就不要它啦。
要是数字是1.236呢,第四位数字是6,那就得入,变成1.24。
这就好比这个水果长得特别好,我们就把它留下来,而且还让前面的数字变得更好啦。
那“五成双”是啥呢?要是数字是1.235,按照以前我们学的四舍五入可能就入成1.24啦。
但是这个规则下,如果前面的数字是奇数,就入;如果是偶数,就舍。
这里1.235,前面的3是奇数,所以就入成1.24。
可要是1.245呢,前面的4是偶数,那就舍,还是1.24。
这就像是一种特殊的平衡,让数字不会总是偏向入或者舍。
我和我的小伙伴们在做化学实验的时候,就因为这个有效数字修约规则还闹过笑话呢。
我记得有一次,我的好朋友小明在记录一个溶液的体积数据,他测量出来是2.5678毫升,老师说要保留两位有效数字。
他想都没想就按照以前数学里的四舍五入写成了2.6毫升。
结果老师一看就说不对。
老师说在化学里得按照“四舍六入五成双”的规则呀。
这个2.5678保留两位有效数字应该是2.6吗?不是哦,应该是2.5。
因为6是大于5的,但是前面的5是奇数,所以要入。
有效数据定义、运算及其修约规则一、有效数据1.1有效数字定义有效数字是指实际能测量到的数值,在该数值中只有最后一位是可疑数字,其余的均为可靠数字。
1.2实际意义有效数字能反映出测量时的准确程度。
例如,用最小刻度为0.1cm的直尺量出某物体的长度为11.23cm,显然这个数值的前3位数是准确的,而最后一位数字就不是那么可靠,如测得物体的长度可能是11.24cm,亦可能是11.22cm,测量的结果有±0.01cm的误差。
我们把这个数值的前面3位可靠数字和最后一位可疑数字称为有效数字。
这个数值就是四位有效数字。
在确定有效数字位数时,特别需要指出的是数字“0”来表示实际测量结果时,它便是有效数字。
例如,分析天平称得的物体质量为7.1560g,滴定时滴定管读数为20.05mL,这两个数值中的“0”都是有效数字。
在0.006g中的“0”只起到定位作用,不是有效数字。
(1)容量器皿;滴定管;移液管;容量瓶;4位有效数字(2)分析天平(万分之一)取4位有效数字(3)标准溶液的浓度,用4位有效数字表示:0.1000 mol/L(4)pH 4.34 ,小数点后的数字位数为有效数字位数对数值,lg X =2.38;lg(2.4 102)1.3有效数字中"0"的意义"0"在有效数字中有两种意义:一种是作为数字定值,另一种是有效数字.例如在分析天平上称量物质,得到如下质量:以上数据中“0”所起的作用是不同的。
“0”是有效数字:10.0780,6位有效数字。
1.2056中,5位有效数字。
“0”作为数字定值:0.2044中,小数前面的“0”是定值用的,不是有效数字;0.0120中,“1”前面的两个“0”都是定值用的,而在末尾的“0”是有效数字,所以它有3位有效数字。
称量精确至0.0002g;15000m 和10000g很难肯定其中的0 是否是有效数字还是数字定值,写为1.5×104m,则表示有效数字是二位;如果把它写为1.50×104m则表示有效数字是三位。
化学有效数字的定义【化学有效数字的定义】嗨,亲爱的小伙伴们!不知道大家在学习化学或者做化学实验的时候,有没有被“有效数字”这个概念搞得有点晕头转向?别担心,今天咱们就来好好聊聊这个看似复杂,其实很有趣的化学有效数字!其实啊,化学有效数字简单来说就是在化学测量和计算中,能够反映测量准确程度的数字。
比如说,你用尺子量一块橡皮的长度是 5.2 厘米,这里的 5.2 就是有效数字。
那咱们来具体说说有效数字的关键点。
首先,核心特征有这么几个。
一是可靠性,就像你称出一个苹果的重量是 250 克,这 250 就是可靠的测量结果。
二是确定性,比如你用滴定管读出的溶液体积是 25.00 毫升,小数点后面的两位都是确定的。
三是位数限制,比如 pH 值为 4.5,有效数字就只有两位。
接下来,咱们说说容易混淆的概念。
化学有效数字和数学中的精确数字不太一样。
在数学里,5.20 和 5.2 可能没太大区别,但在化学中,5.20 表示测量更精确。
那化学有效数字是怎么来的呢?它的起源可以追溯到科学测量对准确性的追求。
早期的化学实验,测量手段比较粗糙,有效数字的概念还不明确。
随着技术进步,测量工具越来越精密,对有效数字的规定也就越来越严格。
在当下,化学有效数字的重要性不言而喻。
在科研中,准确记录和处理有效数字能保证实验结果的可靠性和可重复性。
在日常生活里也有它的影子哦!比如你买食品,上面的营养成分表中的数字就涉及有效数字。
在工业生产中,控制产品质量时,对各种成分含量的测量和计算都得严格遵循有效数字的规则。
对于学生来说,考试和实验报告中正确处理有效数字也是得分的关键。
总结一下,化学有效数字就是能反映化学测量准确程度的数字,它对化学研究和实际应用都非常重要。
那展望未来,随着科技的不断发展,测量精度越来越高,有效数字的规定会不会有新的变化呢?这真是个值得期待的问题!。
有效数字由可靠数字和存疑数字两部分组成。
用仪器进行检测时,能读出几位有效数字即记录时能记几位有效数字。
根据上述分析,在使用仪器进行检测时,我们可依据下述两种方法之一来具体确定有效数字的位数。
1)根据仪器的分辨率来确定。
此时有效数字的位数除了由仪器的刻度上读取的准确数字外,再估计一位数字。
如一只50 毫升滴定管,其刻度只准确到0. 1 毫升,读取时可估计到0. 01 毫升。
假设我们观察到滴定管中液面位于15. 2 毫升与15. 3 毫升之间,经估计,液体的体积为15. 25 毫升,这就是我们读取的有效数字。
2)根据仪器测量误差来确定。
即测量的绝对误差到哪一个数位,检测结果就读到哪一个数位。
为此我们第一步的工作是首先确定测量误差的有效数字。
如,实验室通常使用的台秤的精密度为0. 1g ,也就是说它的绝对误差是在小数点后一位,因此,称量结果就只能读到小数点后一位。
若某物体在台秤上称量得7. 8g ,则该物的质量可表示为(7. 8 ±0. 1) g ,它的有效数字是2 位。
此外,一般未标精度的仪表误差通常产生在它所显示的数据末位,如万分之一电子天平显示出2. 5634 时,万分位上的4 是存疑数字,但非估读数。
△一个争论较多的问题是万分之一电光天平有效数字问题。
“万分之一”电光天平是在空气阻尼天平的基础上发展而来的,这里的“万分之一”是指它可以准确称量到0. 0001克,即万分之一克,而并非指人们在读数时仅能读到小数点后面的第四位。
有人认为“万分之一电光天平的读数应该给到小数点后面第五位,这样才能与有效数字的概念一致”。
笔者认为这是不对的,按照上述确定有效数字的第一种办法,的确应该读到小数点后面的第五位,但处理有效数字的基本依据是误差,出示测量数据时应以测量器具和测量方法的精度为准,如果一个仪器的精度只在小数点后一位,即使你把它制作成能读到小数点后三位,那么,小数点后第二、三位也是没什么意义的。
2.2 分析化学中的有效数字及其运算一、分析结果的有效数字及其处理1. 有效数字的概念既然真值表示分析对象客观存在的数量特征,那么分析结果作为真值的估计值,就应正确反映分析对象的量的多少。
由于随机误差不可避免,测定值都是些近似值,都有一定的不确定度,因此测定值包含确定的数字(重复测定时不会发生变化的准确数字)和它后面的不定数字(重复测定时会发生变化的数字),但是只有确定的数字和它后面第一位具有一定不确定度的不定数字才能正确反映分析对象的量的多少..........................................。
能够正确反映分析对象的量的多少的数字称为有效数字.................,由确定的数字和它后面第....................................(s..ignificant figure)一位具有一定不确定度的不定数字构成,决定于单位的数字和多余的不定数字不能正确反映分析对象的量..............................................的多少因而不是有效数字。
............如用示值变动性为±0.0001 g的分析天平称得样品0.203 16g,则末位数字6是多余的不定数字而首位数字0是决定于单位大小的数字,都不是有效数字;但数字2、中间的0、3和1能够正确反映对象的量的多少,都是有效数字,因此该数据只有四位有效数字。
可见,实际能够测量到的数字就是有效数字的观点是错误的,但可以说准确测定的数字都是有效数字。
有效数字最后一位的不确定度常写在它后面的括号里,最后一位的不确定度为±0.02,最末一位不定数字9的不确定度为2。
再如标称值为100mL的A级容量瓶量取溶液的体积为100.0 mL,其不确定度为±0.1 mL,最末一位不定数字0的不确定度为1,省略不写。
2. 有效数字的确定有效数字不但表明了分析对象的量的多少,还反映了分析结果的准确度或不确定度....................................。
分析化学有效数字的规定分析化学有效数字的规定1.有效数字及其运算规则1. 1有效数字1. 定义有效数字就是实际能测到的数字。
有效数字的位数和分析过程所用的分析方法、测量方法、测量仪器的准确度有关。
我们可以把有效数字这样表示。
有效数字=所有的可靠的数字+ 一位可疑数字表示含义:如果有一个结果表示有效数字的位数不同,说明用的称量仪器的准确度不同。
例:7.5克用的是粗天平7.52克用的是扭力天平7.5187克用的是分析天平2. “0”的双重意义作为普通数字使用或作为定位的标志。
例:滴定管读数为20.30毫升。
两个0都是测量出的值,算做普通数字,都是有效数字,这个数据有效数字位数是四位。
改用“升”为单位,数据表示为0.02030升,前两个0是起定位作用的,不是有效数字,此数据是四位有效数字。
3. 规定(1).自然数可看成具有无限多位数(如倍数关系、分数关系);常数亦可看成具有无限多位数,如℮、π。
(2). pH、pM、lgc、lgK等对数值,有效数字由尾数决定例: pM=5.00 (二位) [M]=1.0×10-5 ;PH=10.34(二位);pH=0.03(二位)(3). 不能因为变换单位而改变有效数字的位数注意:首位数字是8,9时,有效数字可多计一位, 如9.83―四位。
1. 2数字修约规则(“四舍六入五成双”规则)规定:当尾数≤4时则舍,尾数≥6时则入;尾数等于5而后面的数都为0时,5前面为偶数则舍,5前面为奇数则入;尾数等于5而后面还有不为0的任何数字,无论5前面是奇或是偶都入。
例:将下列数字修约为4位有效数字。
修约前修约后0.526647--------0.52660.36266112------0.362710.23500--------10.24250.65000-------250.618.085002--------18.093517.46--------3517注意:修约数字时只允许一次修约,不能分次修约。