双吸泵选型顺序及方法
- 格式:doc
- 大小:37.50 KB
- 文档页数:2
水泵的选型程序介绍水泵选型的一般程序1、根据装置的布置、地形条件、水位条件、运转条件、经济方案比较等多方面因素。
2、考虑选择卧式、立式和其它型式(管道式、直角式、变角式、转角式、平行式、垂直式、直立式、潜水式、便拆式、液下式、无堵塞式、自吸式、齿轮式、充油式、充水温式)。
3、根据液体介质性质,确定清水水泵,热水水泵还油水泵、化工水泵或耐腐蚀水泵或杂质水泵,或者采用不堵塞水泵。
4、安装在爆炸区域的水泵,应根据爆炸区域等级,采用防爆电动机。
5、振动量分为:气动、电动(电动分为220v电压和380v电压)。
6、根据流量大小,选单吸水泵还是双吸水泵:根据扬程高低,选单吸水泵还是多吸水泵,高转速水泵还是低转速水泵(空调水泵)、多级水泵效率比单级水泵低,当选单级水泵和多级水泵同样都能用时,宜选用单级水泵。
7、确定水泵的具体型号,采用什么系列的水泵选用后,就可按最大流量,放大5%——10%余量后的扬程这两个性能主要参数,在系列特性曲线上确定具体型号,或者用选型软件选出最合适泵(下图截取义维选型软件)。
利用水泵特性曲线,在横坐标上找到所需流量值,在纵坐标上找到所需扬程值,从两值分别向上和向右引垂线或水平线,两线交点正好落在特性曲线上,则该水泵就是要选的水泵,但是这种理想情况一般不会很少,通常会碰上下列几种情况:A、第一种:交点在特性曲线上方,这说明流量满足要求,但扬程不够,此时,若扬程相差不多,或相差5%左右,仍可选用,若扬程相差很多,则选扬程较大的水泵,或设法减小管路阻力损失。
B、第二种:交点在特性曲线下方,在水泵特性曲线扇状梯形范围内,就初步定下此型号,然后根据扬程相差多少,来决定是否切割叶轮直径,若扬程相差很小,就不切割,若扬程相差很大,就按所需Q、H、,根据其ns和切割公式,切割叶轮直径,若交点不落在扇状梯形范围内,应选扬程较小的水泵。
选水泵时,有时须考虑生产工艺要求,选用不同形状Q-H特性曲线。
如:要将液位输送到必须维持一定液面高度的容器中去,此时变希望量有较大的变化,而扬程变化很小,为次应选用平坦H-O曲线的水泵。
泵的选型原则、依据和具体操作方式设计院在设计装置设备时,要确定泵的用途和性能并选择崩型。
这种选择首先得从选择泵的种类和形式开始,那么以什么原则来选泵呢?依据又是什么?一、了解泵选型原则1、使所选泵的型式和性能符合装置流量、扬程、压力、温度、汽蚀流量、吸程等工艺参数的要求。
2、必须满足介质特性的要求。
对输送易燃、易爆有毒或贵重介质的泵,要求轴封可靠或采用无泄漏泵,如磁力驱动泵、隔膜泵、屏蔽泵对输送腐蚀性介质的泵,要求对流部件采用耐腐蚀性材料,如AFB不锈钢耐腐蚀泵,CQF工程塑料磁力驱动泵。
对输送含固体颗粒介质的泵,要求对流部件采用耐磨材料,必要时轴封用采用清洁液体冲洗。
3、机械方面可靠性高、噪声低、振动小。
4、经济上要综合考虑到设备费、运转费、维修费和管理费的总成本最低。
5、离心泵具有转速高、体积小、重量轻、效率高、流量大、结构简单、输液无脉动、性能平稳、容易操作和维修方便等特点。
因此除以下情况外,应尽可能选用离心泵:a、有计量要求时,选用计量泵b、扬程要求很高,流量很小且无合适小流量高扬程离心泵可选用时,可选用往复泵,如汽蚀要求不高时也可选用旋涡泵.c、扬程很低,流量很大时,可选用轴流泵和混流泵。
d、介质粘度较大(大于650~1000mm2/s)时,可考虑选用转子泵或往复泵(齿轮泵、.螺杆泵)e、介质含气量75%,流量较小且粘度小于37.4mm2/s时,可选用旋涡泵。
f、对启动频繁或灌泵不便的场合,应选用具有自吸性能的泵,如自吸式离心泵、自吸式旋涡泵、气动(电动)隔膜泵。
二、知道泵选型的基本依据泵选型依据,应根据工艺流程,给排水要求,从五个方面加以考虑,既液体输送量、装置扬程、液体性质、管路布置以及操作运转条件等1、流量是选泵的重要性能数据之一,它直接关系到整个装置的的生产能力和输送能力。
如设计院工艺设计中能算出泵正常、最小、最大三种流量。
选择泵时,以最大流量为依据,兼顾正常流量,在没有最大流量时,通常可取正常流量的1.1倍作为最大流量。
江苏苏华泵业有限公司
双吸中开泵如何合理选型
合理选用中开泵,就是要综合考虑泵机组和泵站的投资和运行费用等综合性的技术经济指标,使之符合经济、安全、适用的原则。
具体来说,有以下几个方面:
1、必须满足使用流量和扬程的要求,即要求泵的运行工次点(装置特性曲线与泵的性能曲线的交点)经常保持在高效区间运行,这样既省动力又不易损坏机件。
2、所选择的泵既要体积小、重量轻、造价便宜,又要具有良好的特性和较高的效率。
3、具有良好的抗汽蚀性能,运行平稳、寿命长。
4、所选泵的工程投资少,运行费用低。
中开泵选型步骤一、列出中开泵基本数据:包括:介质的特性,介质中所含因体的颗粒直径、含量多少、介质温度、所需要的流量压力管道系统数据
二、确定流量扬程
1、流量的确定
a、如果生产工艺中已给出最小、正常、最大流量,应按最大流量考虑。
b、如果生产工艺中只给出正常流量,应考虑留有一定的余量。
对于ns>100的大流量低其不意扬程泵,流量余量取5%,对ns<50的小流量高扬和泵,流量余量取10%,50≤ns≤100的泵,流量余量也取5%,对质量低劣和运行条件恶劣的泵,流量余量应取10%。
c、如果基本数据只给重量流量,应换算成体积流量.。
长沙水泵湘泵SA系列单级双吸离心泵选型说明一、用途说明SA型泵为单级双吸中开式离心泵,供输送清水或物理化学性质类似于水的液体之用。
SAP型泵是在SA型泵的基础上,进行结构优化设计而形成的新系列产品,其水力性能与SA型泵一致,在结构上综合了KSB公司和IR公司等国外双吸泵的技术并作了新改进,使之更合理、更可靠。
液体的最高温度不得超过80℃,可作为工厂、矿山、城市、电站、水利工程等的排水或给水泵。
泵的进口允许压力不超过0.6MPa。
二、结构说明SA、SAP型泵的吸入口与吐出口均在水泵轴心线下方,水平方向与轴线成垂直位置、泵壳.中开,检修时无需拆卸进水,排出管路及电动机(或其他原动机)从联轴器向泵的方向看去,水泵均为逆吋针方向旋转。
如根据用户特殊订货需要也可改为顺吋针旋转。
本型泵的主要另件有:泵体、泵盖、叶轮、轴、双吸密封环、轴套、轴承等。
除轴的材料为优质碳素钢外,其馀多为铸铁制成。
泵体与泵盖构成叶轮的工作室,在进出水法兰上制有安装真空表和压力表的管螺孔,进出水法兰的下部制有放水的管螺孔。
叶轮经过静平衡校验,用轴套和两侧的轴套螺母固定,其轴向位置可以通过轴套螺母进行调整,叶轮的轴向力利用其叶片的对称布置达到平衡,可能还有一些剩馀轴向力则同轴端的轴承承受。
泵轴由两个单列向心球轴承支承,轴承装在泵体两端的轴承体内,用黄油润滑,双吸密封环用以减少水泵压水室的水漏回吸水室。
水泵通过联轴器由电动机直接传动。
轴封为软填料密封,为了冷却润滑密封腔和防止空气漏入泵内,在填料之间有水封环,水泵工作时小量高压水通过水封管流入填料腔起水封作用。
三、型号说明例:10SA-6JA10——吸入口径被25整除(即吸入口径为250mm)SA——单级双吸离心泵6——比转数被10整除的约数J——表示泵额定转速变化A——叶轮经过第一次切割四、性能参数。
泵的选型方法介绍在泵的选型中遇到的情况千差万别,这里介绍一下选型一般方法和思路。
一、选型条件1、输送介质的物理化学性能输送介质的物理化学性能直接影响泵的性能、材料和结构,是选型时需要考虑的重要因素。
介质的物理化学性能包括:介质名称、介质特性(腐蚀性、耐蚀性、毒性等)、固体颗粒含量及大小、密度、粘度、汽化压力等。
必要时还应列出介质中的气体含量,介质是否易结晶等。
2、工艺参数工艺参数是泵选型的最重要的依据。
(1)流量Q,流量是指工艺装置中要求泵输送的介质质量,一般给出正常、最小和最大流量。
一般情况客户要求按最大流量选取。
获取正常流量的1.1~1.5倍。
(2)扬程H,扬程指工艺装置所需的扬程值。
一般泵的扬程为装置扬程的1.05~1.1倍。
(3)进口压力和出口压力,指泵进出口接管法兰处的压力,其大小影响到壳体的耐压和轴封的要求。
(4)温度,指泵的进口介质温度,一般给出介质的正常、最低和最高温度。
温度有时决定泵的整体结构和密封冲洗方案。
(5)装置气蚀余量NPSHA,装置汽蚀余量NPSHA>泵的必须气蚀余量NPSHR才可以。
(6)操作状态,分为连续操作和间歇操作。
3、现场条件包括泵的安装位置(室内、室外)、环境温度、相对湿度、大气压力、大气腐蚀状况及危险区域的划分等级等条件。
二、泵类型的选择泵的类型应根据装置的工艺参数、输送介质的物理和化学性质、操作周期和泵的结构特性等因素合理选择。
离心泵具有结构简单、输液无脉动、流量调节简单等优点,因此除以下情况外,尽可能选用离心泵。
1、有计量要求时,选用计量泵。
2、流量小、扬程高、气蚀要求不高,可选用旋涡泵。
3、流量大、扬程很低,可选用混流泵和轴流泵。
4、介质粘度大,选用转子泵。
5、对启动频繁或灌泵不便的场合,选用自吸泵、液下泵、潜水泵、容积泵等。
三、泵型号的选择1、根据介质特性决定选用哪种特性泵,如化工泵、石化流程泵、管道泵、液下泵、排污泵、齿轮泵等。
介质有毒、高度危害介质、贵重、有放射性等不允许泄露物料时,应选用齿轮泵或带有泄露报警装置的双端面机械密封泵。
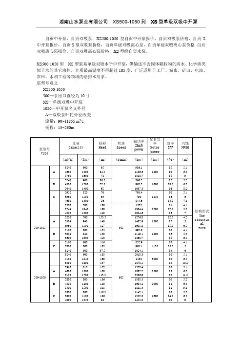
自贡中开泵,自贡双吸泵,XS500-1050型自贡中开泵报价,自贡双吸泵价格,自贡S 中开泵报价,自贡S型双吸泵价格,自贡单级双吸离心泵,自贡单级双吸离心泵价格自贡双吸离心泵报价,自贡双吸离心泵价格,XS型绵自贡水泵。
XS500-1050型XS型泵系单级双吸水平中开泵,供输送不含固体颗粒物的清水、化学质类似于水的其它液体,介质最高温度不得超过105度,广泛适用于工厂、城市、矿山、电站、农田、水利工程等领域的给排水用泵。
泵型号意义XS500-1050500—泵出口直径为10寸XS—单级双吸中开泵1050—中开泵名义外径A—双吸泵叶轮外径改变流量:90~11855 m3/s扬程:13~260m技术优势●水泵两端支承间距短,泵运行稳定,振动噪声小,并可适当升速运行,使水泵适应范围更广.●进出水口在同一直线上,使管线布置简单方便、美观。
●同一转子可反向运行,降低了水锤引起水泵损坏的风险。
●独特的高温型设计,水泵采用中间支撑、加厚泵体、密封冷却、轴承稀油润滑等,使水泵可应用与高达200℃运行场合,特别适用于供热管网使用要求。
●泵体部分可根据使用条件的变化可立式或卧式安装,密封可采用机械密封或填料密封。
●水泵外型应用工业化设计,线条清晰,符合现代审美观。
成本优势●选用优异的水力模型,使泵的效率比同类型泵高2-3%,大大降低了泵的运行成本。
●真空高度提高1-3米,从而降低土建投资,延长了使用寿命。
●选用进口轴承,零件材料可根据用户要求选用,使泵能适应各种现场运行条件,大大降低了维修成本。
维修优势●集装式机械密封,更换机械密封成为轻松简单的工作。
●应用弹性预应力装配,转子部件装拆简单迅速。
●装配时不需调整各种间隙。
TECHNICAL ADV ANTAGE⒈Type XS pumps work stably with less noise and vibration and can work at a lifting speed due to.Short support at both sides, thus they can be widely used.⒉The pipelines arrangement of type XS pump looks simple and beautiful due to inlet and outletat a same center line.⒊The same rotor of type XS pumps can be operated at reverse direction to avoid damage to the pumps by water hammer.⒋Unique design of type XS pumps working at high temperature using middle support to fasten the pump casing and using cooling seals oil lubrication bearing then pump suitable for working at 200℃especially for suppling heated water to pipe net system.5. Type XS pump casting parts can be vertically or horizontally mounted acoording to different working condition, with mechanical seals or packing seals.6. Type XS pumps look beautiful with visible lines adopting industrially designing.COST ADV ANTAGE:1. The efficiency of XS pumps are 2%~3% higher than the same type pumps due to adopting advanced hydraulic model and thus minimum the operating costs.2. The NPSH of type XS pumps are 1-3 meters lower than the same type split pumps due to using advanced hydraulic model and advanced manufacturing technique and thus minimize the foundation costs and extendling the using life.3. Type XS pumps are suitable for any site working condition due to using SKF NSK bearing and other parts chosen by the customers and thus minimize the maintenance costs.。
泵选型的原则与步骤泵是一种常见的机械设备,用于输送各种液体或气体。
在不同的应用场景中,需要选择不同类型的泵以保证泵选型的正确性并发挥最佳效果。
本文将介绍泵选型的原则与步骤。
一、泵选型的原则1. 工作条件:选型时需考虑液体或气体的输送流量、扬程、温度、粘度等参数,以及管道形式和管道长度等相关参数。
此外还需要注意介质的酸碱性、含沙量、腐蚀性等,以确保所选泵能够在相应的工作条件下正常工作。
2. 经济效益:合理的泵选型要考虑投资成本、维护费用,以及耗能等费用。
如此,可选择最适合当前工作条件下的泵型并保证最佳的经济效益。
3. 安全牢靠:泵的使用环境要具备良好的安全保护措施,并保证泵的性能符合技术标准。
此外,还需要权衡泵的使用寿命、密封性能、牢靠性等参数,以保证泵的正常工作和使用安全。
二、泵选型的步骤1. 确定工作条件首先要明确所输送的液体或气体的流量、扬程、温度、粘度等物理参数,并确定所选泵的工作状态与所环境的环境参数。
这些参数将会对泵的选择造成重点的影响。
2. 确定泵型依据所需液体或气体的输送性质和工作条件的要求,可以自然地得出适合泵头、泵压、流量,叶轮式径口尺寸,电机功率等要求,进而确定所需的泵型。
注意,选型时需考虑所环境的技术标准,使用场景,开销等因素。
3. 依据泵的相关参数选择合适型号在确定泵型后,需要依据所要求的泵压、流量、泵头,叶轮式径口尺寸和电机功率等参数,从相应厂家或网上查询相关厂家和型号,以选取符合要求的泵型。
此时应依据实际情况,在所选泵型的基础上进行修正和调整,以确保所选泵能够在达到最佳效果的同时充足要求的参数。
4. 技术标准和经济成本分析比较在确定所需泵型的基础上,应进一步比较不同的泵厂商和型号,分析泵的参数、技术标准、质量、售后保障以及经济成本等方面,以确保最后选择泵型符合要求并能在实际中实现最佳效果。
5. 试运行与调整在确定好泵型后,进行泵的试运行和调整,以保证泵的性能和效果符合要求。
水泵选型方案一、引言水泵作为一种常见的流体机械设备,在工农业生产和生活中起到了重要的作用。
它不仅能够将水从低地带抽送到高地带,满足人们对水资源的需求,还广泛应用于工业生产过程中的冷却、供水、循环等方面。
然而,在选择水泵时,我们常常会面临到各种各样的问题,如何正确选型成为了亟待解决的问题。
二、流量计算在进行水泵选型时,首先需要确定所需的流量。
流量是指单位时间内通过水泵的水量,通常以立方米/小时(m³/h)来表示。
流量的计算方法与应用场景有关,常见的方法有三种:根据需求直接给出流量需求,根据给定的管道直径和速度计算流量,根据用水设备的数量和用水量估算流量。
根据不同的场景和需求,选择合适的方法计算流量,以确保选出的水泵能够满足工农业生产和生活中对水资源的需求。
三、扬程计算扬程是指水泵将水抽送到一定高度或一定水平距离的能力,通常以米(m)为单位。
扬程的计算方法多种多样,根据应用场景的不同,可以使用静态扬程计算方法或者明渠流量计算方法。
静态扬程是指水泵水平抽水距离的垂直高度差,明渠流量则是指在一定高度差下,水泵能够抽送水的最大距离。
根据具体的场景和需求,选择合适的扬程计算方法,以确保选出的水泵能够有效地将水输送到目标位置。
四、动力需求水泵通常需要通过驱动装置来提供动力,如电动机、柴油机等。
在进行水泵选型时,需要根据实际的动力需求来选择合适的驱动装置。
这涉及到驱动装置的功率、转速以及其他相关参数的选择。
根据实际情况,选择符合要求的驱动装置,以确保水泵能够正常工作并提供足够的功率。
五、材质与耐用性在选择水泵时,还需要考虑到水泵的材质以及其耐用性。
水泵通常需要与水接触,所以必须具备良好的耐腐蚀性。
此外,水泵还需要能够承受较高的工作压力和温度,以确保其长期稳定运行。
因此,在选型时需要选择耐用性较好且适应特定工况要求的水泵材质,以保证水泵在使用过程中不出现故障或腐蚀问题。
六、维护保养维护保养对于水泵的性能和寿命至关重要。
水泵选型的原则与步骤
编辑整理:
尊敬的读者朋友们:
这里是精品文档编辑中心,本文档内容是由我和我的同事精心编辑整理后发布的,发布之前我们对文中内容进行仔细校对,但是难免会有疏漏的地方,但是任然希望(水泵选型的原则与步骤)的内容能够给您的工作和学习带来便利。
同时也真诚的希望收到您的建议和反馈,这将是我们进步的源泉,前进的动力。
本文可编辑可修改,如果觉得对您有帮助请收藏以便随时查阅,最后祝您生活愉快业绩进步,以下为水泵选型的原则与步骤的全部内容。
403 Forbidden
JSP3/2。
0.14
Q’。
单级双吸离心泵如何选型:长沙水泵制造厂有限公司()为您解答单级双吸离心泵如何选型单级双吸离心泵的选型相对而言,对流量及输送的介质都没有太高的要求,因此单级双吸离心泵的选择主要是考虑流量和扬程的合适,单级双吸离心泵选型依据,主要是根据工艺流程,给排水要求,从五个方面加以考虑,既液体输送量、装置扬程、液体性质、管路布置以及操作运转条件等。
1、流量是选泵的重要性能数据之一,它直接关系到整个装置的的生产能力和输送能力。
如设计院工艺设计中能算出泵正常、最小、最大三种流量。
选择泵时,以最大流量为依据,兼顾正常流量,在没有最大流量时,通常可取正常流量的1。
1倍作为最大流量。
2、装置系统所需的扬程是选单级双吸离心泵的又一重要性能数据,一般要用放大5%—10%余量后扬程来选型。
3、液体性质,包括液体介质名称,物理性质,化学性质和其它性质,物理性质有温度c密度d,粘度u,介质中固体颗粒直径和气体的含量等,这涉及到系统的扬程,有效气蚀余量计算和合适泵的类型:化学性质,主要指液体介质的化学腐蚀性和毒性,是选用泵材料和选用那一种轴封型式的重要依据。
4、装置系统的管路布置条件指的是送液高度送液距离送液走向,吸如侧最低液面,排出侧最高液面等一些数据和管道规格及其长度、材料、管件规格、数量等,以便进行系梳扬程计算和汽蚀余量的校核。
5、操作条件的内容很多,如液体的操作T饱和蒸汽力P、吸入侧压力PS(绝对)、排出侧容器压力PZ、海拔高度、环境温度操作是间隙的还是连续的、泵的位置是固定的还是可移的。
从上面可知,单级双吸离心泵的选型主要是从五个方面加以考虑。
液体输送量,既是流量,流量大的单级双吸离心泵,其水泵价格也高。
同样单级双吸离心泵的装置系统配置好,成本高。
其水泵价格也跟着升高。
其他单级双吸离心泵选型条件一样,都对其水泵价格有着密切的影响。
以上单级双吸离心泵的选型建议,来之长沙水泵制造厂有限公司()。
中开双吸泵的执行标准中开双吸泵是一种常见的离心泵,广泛应用于工业领域中的供水、排水、给排水、冷却循环等各种场合。
该泵在设备选型、安装、调试和运行过程中都需要遵循一系列的执行标准,以确保泵的正常运行和安全性能。
以下将详细介绍中开双吸泵的执行标准。
一、设备选型标准:1.根据实际工况需求,选择合适的流量、扬程、额定转速等参数的中开双吸泵型号。
2.根据工况的压力、温度、介质等要求,选择合适的泵材质和封闭方式。
3.严格按照国家标准或相关行业标准进行泵的选型和配置,确保泵的性能和可靠性符合要求。
二、安装与调试标准:1.安装前,需仔细检查泵的零部件与附件,确保完好无损并符合要求。
2.安装时,应根据泵的安装图纸和说明书进行,确保泵的水平度、垂直度和基础牢固稳定。
3.安装好后,需进行静态调试,检测泵的轴心线与轴封的垂直度以及轴承温升等参数,确保泵的正常运行。
4.在调试过程中,需严格按照泵的运行规程和操作程序进行,避免人为操作错误或过程中的危险。
三、运行维护标准:1.运行中,需定期检查泵的各个部件、密封件和附件的工作状态,如有问题,及时进行维修或更换。
2.泵的润滑与冷却系统,需根据要求进行维护和保养,确保泵的充分润滑和正常冷却。
3.在运行中和停机维护时,需严格按照操作规程进行,确保人身安全和设备的正常运行。
4.定期进行振动、温度和压力等参数的监测,如有异常情况,需及时排除故障,并做好记录和统计。
5.定期清洗泵的水道和过滤器,确保泵的畅通无阻。
四、技术要求和性能标准:1.中开双吸泵应具备充足的扬程和流量范围,以满足不同工况条件下的需要。
2.泵的效率要求应与国家标准或相关行业标准相符合,以减少能源损失和经济支出。
3.泵的噪声和振动应符合国家相关标准或用户的技术要求,以保证工作环境的安静和设备的稳定运行。
4.泵的密封性能和寿命要求应与国家标准或相关行业标准相符合,以确保介质的无泄漏和设备的长寿命。
总结起来,中开双吸泵的执行标准主要包括设备选型、安装与调试、运行维护以及技术要求和性能标准等方面。
单级双吸中开泵怎么选型呢单级双吸中开泵是一种常见的大流量、低扬程泵类,其结构有一些不同于一般的离心泵。
要选择适合的单级双吸中开泵型号,需要考虑以下几个方面:流量及扬程单级双吸中开泵紧要用于大流量、低扬程的场合。
因此在选型时需要依据实际需要的流量及扬程进行选择。
首先要明确流量和扬程的范围(或者是最高点的高度差),才能确定对应的型号和参数。
泵的数量单级双吸中开泵通常使用2个泵并联或者串联,以获得更高的流量或更高的扬程。
因此,在选型时要考虑实际需要的流量和扬程,以及是否需要多个泵并联或串联,才能确定最后需求的泵的数量。
介质性质及泵材质介质性质对于泵的选型特别紧要,不同的介质会对泵的耐腐蚀性、磨损性、温度抗性、重量和体积等方面产生不同的影响,因此需要依据介质的性质进行选择泵的材质,来确保泵的使用寿命和稳定性。
假如介质特别腐蚀,有可能需要进行特别处理或接受专门的耐腐蚀材料(如不锈钢)来提高泵的使用寿命。
运行条件单级双吸中开泵的安装场所、电源电压等因素都会影响泵的使用效果,因此在选型时要考虑这些因素,来确定泵的类型和参数。
使用寿命及维护成本在选型时也需要考虑泵的使用寿命及维护成本,来确保经济效益和使用成本的合理性。
一般情况下,使用寿命较长、维护和修理成本低的泵类更受欢迎。
综合考虑以上几个方面,可以选取符合需求的泵类和型号。
举例说明:例如,需要建设一座水泵站和水厂。
依据实际情况,需要选购两台流量为800m³/h,扬程为50m的泵。
在材质选择上,考虑接受不锈钢泵,以提高泵的使用寿命。
在电源供应上,由于当地电源条件有限,需要选用380V/50HZ电源。
在维护成本上,考虑使用寿命与维护和修理成本,选择一家技术气力强,售后服务完善的泵生产厂家。
依据以上要求,可以在市场上选出符合需求的单级双吸中开泵,来充分实际需要。
泵的选型原则及步骤泵是一种应用非常广泛、品种繁多的通用机械,正确选择泵的类型和型号是十分重要的。
这直接关系到泵能否达到系统设计要求、泵的可靠性和使用寿命、泵的购置成本和寿命周期内总成本等。
现实中,由于选型不合理,许多泵处于不正常状态运行,造成能源浪费,维修成本增加,甚至根本不能正常使用。
所以,泵的选型需要认真进行,反复比较不同方案的优劣,以保证泵的正常运行。
以下是选泵的原则和步骤:一、选泵原则1、满足要求所选泵的性能应满足工艺流程设计要求。
2、选泵从简优先选择结构简单的泵。
因为结构简单的泵与结构复杂的泵相比,前者具有可靠性高、维修方便、寿命周期内总成本低等优点。
例如:单级泵和多级泵、叶片式泵和往复式泵。
3、优选离心泵离心泵具有转速高、体积小、重量轻、结构简单、输液无脉动、性能平稳、容易操作和维修方便等特点,因此除以下情况外,应尽可能选用离心泵:①有计量要求时,选用计量泵;②小流量高扬程时,选用旋涡泵、往复泵;③小流量高扬程,且要求流量(压力)无脉动时,选用旋涡泵;④大流量低扬程时,选用轴流泵、混流泵;⑤介质含气量75%,流量较小且粘度小于37.4mm2/s时,选用旋涡泵;⑥介质粘度较大(大于650~1000mm2/s)时,选用转子泵、往复泵(齿轮泵、螺杆泵);⑦对启动频繁或灌泵不便的场合,选用有自吸性能的泵,如自吸离心泵、自吸旋涡泵、隔膜泵;⑧有特别需要时,选用其他泵,如:喷射泵、软管泵等。
4、特殊要求安装在爆炸区域或特殊场合的泵,应根据爆炸区域等级,采用防爆电动机或其他有效措施。
二、选泵步骤1、确认环境条件包括环境温度、相对湿度、大气压力、空气腐蚀性、危险区域等级、防尘防水要求。
2、确认操作条件指液体吸入侧液面压力()、排出侧液面压力、间歇或连续工作、位置固定或移动、安装维修方便性。
3、确认介质性质包括介质名称、温度、密度、粘度、饱和蒸汽压力、固体颗粒直径和含量、气体的含量、腐蚀性、挥发性、燃爆性、毒性。
双级双吸离心泵型号参数双级双吸离心泵是一种常用的工业泵,其主要特点是具有高效、稳定、可靠的性能,广泛应用于石油、化工、冶金、电力等领域。
下面将介绍双级双吸离心泵的型号参数。
一、双级双吸离心泵的型号参数1. 型号:该泵的型号通常由字母和数字组成,其中字母代表泵的类型,数字代表泵的流量和扬程等参数。
例如,D280-43表示该泵的进口直径为280毫米,每级扬程为43米。
2. 流量:流量是指泵每秒钟能够输送的液体体积,单位为立方米/小时。
双级双吸离心泵的流量通常在50-2000立方米/小时之间。
3. 扬程:扬程是指泵能够克服液体重力和摩擦力将液体提升到的高度,单位为米。
双级双吸离心泵的扬程通常在30-200米之间。
4. 功率:功率是指泵的电机输出功率,单位为千瓦。
双级双吸离心泵的功率通常在15-500千瓦之间。
5. 转速:转速是指泵的转速,单位为转/分钟。
双级双吸离心泵的转速通常在980-2950转/分钟之间。
6. 叶轮直径:叶轮直径是指泵的叶轮直径,单位为毫米。
双级双吸离心泵的叶轮直径通常在300-1000毫米之间。
7. 进口直径:进口直径是指泵的进口直径,单位为毫米。
双级双吸离心泵的进口直径通常在200-500毫米之间。
8. 出口直径:出口直径是指泵的出口直径,单位为毫米。
双级双吸离心泵的出口直径通常与进口直径相同或略小。
二、双级双吸离心泵的应用范围双级双吸离心泵广泛应用于石油、化工、冶金、电力等领域,主要用于输送清水、污水、海水、石油、化工液体等介质。
双级双吸离心泵具有流量大、扬程高、效率高、运行平稳、噪音低等优点,是工业生产中不可缺少的设备之一。
三、双级双吸离心泵的维护保养1. 定期检查泵的轴承、密封件等部件,发现问题及时更换。
2. 定期清洗泵的进出口,防止泵内积存杂物。
3. 定期检查泵的电机,保证电机正常运转。
4. 定期更换泵的润滑油,保证泵的润滑效果。
5. 定期检查泵的各个部件是否松动,及时紧固。
水泵选型步骤,了解一下!泵是一种面大量广的通用型机械设备,它广泛地应用于石油、化工、电力冶金、矿山、选船、轻工、农业、民用和国防各部门,在国民经济中占有重要的地位。
目前在国民经济各个领域中,由于选型的不合理,许多的泵处于不合理运行状况,运行效率低,浪费了大量能源。
还有的泵由于选型不合理,根本不能使用,或者使用维修成本增加,经济效益低。
由此可见,合理选泵对节约能源同样具有重要意义。
第一步:水泵流量的确定1、冷却水流量:一般按照产品样本提供数值选取,或按照如下公式进行计算,公式中的Q为制冷主机制冷量。
L(m3/h)= Q(kW)/(4.5~5)℃×1.163×(1.15~1.2)2、冷冻水流量:在没有考虑同时使用率的情况下选定的机组,可根据产品样本提供的数值选用或根据如下公式进行计算。
如考虑了同时使用率,建议用如下公式进行计算。
公式中的Q为建筑没有考虑同时使用率情况下的总冷负荷。
L(m3/h)= Q(kW)/(4.5~5)℃×1.163第二步:水系统水管管径的计算在空调系统中所有水管管径一般按照下述公式进行计算:D(m)=√L(m3/h) /0.785×3600×V(m/s)公式中:L--所求管段的水流量(第一步已计算出)V--所求管段允许的水流速流速的确定:一般,当管径在DN100到DN250之间时,流速推荐值为1.5m/s左右,当管径小于DN100时,推荐流速应小于1.0m/s,管径大于DN250时,流速可再加大。
进行计算时应该注意管径和推荐流速的对应。
目前管径的尺寸规格有:DN15、DN20、DN25、DN32、DN40、DN50、DN65、DN80、DN100、DN125、DN150、DN200、DN250、DN300、DN350、DN400、DN450、DN500、DN600。
注意:一般,选择水泵时,水泵的进出口管径应比水泵所在管段的管径小一个型号。
泵的选择方法及步骤泵是输送液体或使液体增压的机械。
它将原动机的机械能或其他外部能量传送给液体,使液体能量增加。
泵主要用来输送水、油、酸碱液、乳化液、悬乳液和液态金属等液体,也可输送液、气混合物及含悬浮固体物的液体。
泵通常可按工作原理分为容积式泵、动力式泵和其他类型泵三类。
除按工作原理分类外,还可按其他方法分类和命名。
如,按驱动方法可分为电动泵和水轮泵等;按结构可分为单级泵和多级泵;按用途可分为锅炉给水泵和计量泵等;按输送液体的性质可分为水泵、油泵和泥浆泵等。
按照有无轴结构,可分直线泵,和传统泵。
1.列出基础数据a.介质的物性:介质名称、输送条件下的比重、黏度、腐蚀等。
b.介质中包含固体颗粒粒径和含量。
c.操作条件:温度;压力(进口侧设备压力,排出侧设备压力,排出侧管系压力降);流量(正常、最小及最大)。
d.泵所在位置情况:环境温度;海拔高度;管线平、立面要求;进口和排出侧设备液面至泵中心距离及管线当量长度等。
2.确定流量及扬程a.流量:选泵时应按最大流量考虑;如果只给出正常流量,则应按装置及工艺过程的具体情况采用1.1的安全系数。
以上所指是体积流量。
b.扬程(或压差):按泵的布置情况,利用伯努利方程求出泵的扬程。
3.选择泵型及泵的具体型号根据介质的特性、已确定的流量、扬程,以及有关选用原则和泵的工作范围选出合适型式的泵。
再从有关泵制造厂的样本和说明书选择泵的具体型号,并列出该型号以及以清水为基准的性能参数(流量、扬程或压差、效率、临界吸上真空高度或临界气蚀余量)。
4.核算泵的性能按实际情况对泵进行性能核算。
列出核算后的性能参数,如符合工艺要求,则所选泵是可用的。
必要时,可绘制核算后的性能曲线及管路系统性能曲线,以确定泵的工作点。
5.确定泵的几何安装高度6.计算泵的轴功率7.选定泵的材料及轴封8.确定冷却水(或加热蒸汽)耗量9.选用电动机10.确定泵的备用率和台数。
双吸泵选型顺序及方法一、双吸泵设计资料例如一个泵站为一明渠引水的灌溉站,设计流量为1.6m3/s,渠底比降!:1/6 000,底宽b为2.1m,边坡系数m=1.5,糙率n=0.025,最高运行水位192.7m,最低运行水位191.7m。
进水池设计水位192.18m,最高运行水位192.58m,最低运行水位191. 58m。
出水池设计水位217.48m,最低运行水位217.18m。
站址处土壤为黏壤土,干容重12.74~16.66kN/m3,湿容重17.64kN/m3,黏结力19.6 kN/m2,土壤内摩擦角25°,地基允许承载力[P]=215.6kN/m2。
灌溉季节最高气温39℃,最高水温25℃。
冬季最低气温-8℃,冻土层厚度0.3m。
水源边有南北向公路经过,路旁有10kV高压线,供电容量足够。
当地主要有石料、黄砂等建筑材料可供使用。
二、根据双吸泵选型原则按下列顺序进行双吸泵选型1.确定双吸泵的设计流量根据设计流量选择对应的双吸泵类产品,所选用的双吸泵产品流量只能大于设计流量不能小于设计流量。
3.确定泵型方案依据泵站设计流量1.6m3/s和设计扬程30.36m,决定选用双吸离心泵。
查水泵资料中的水泵性能表得14Sh一19与20Sh-13A两种泵型均符合要求,作为方案进行比较,它们的性能如表9一l所示。
4.确定台数及方案比较依据泵站设计流量1.6m3/S,主泵台数宜为3~9台。
用关系式i=Q站/Q 泵确定两种泵型所需台数。
14Sh-19型泵i=1.6/0.35=4.6(台),取5台;20Sh-13A型泵i=1.6/0.52=3.1(台),取3台。
两种泵型方案比较见表9—1。
两种方案比较,双吸泵选型选用5台145h-19型泵方案,虽然台数较多,基建投资较大。
且安装高度小,对泵房的通风散热有不利影响,但它的机组重量轻,便于维护和检修,台数较多,流量发生变化时,适应性较强,供水可靠性好,灌溉保证率高。
双吸泵选型顺序及方法
一、双吸泵设计资料
例如一个泵站为一明渠引水的灌溉站,设计流量为1.6m3/s,渠底比降!:1/6 000,底宽b为2.1m,边坡系数m=1.5,糙率n=0. 025,最高运行水位192.7m,最低运行水位191.7 m。
进水池设计水位192.18 m,最高运行水位192. 58 m,最低运行水位191. 58m。
出水池设计水位217. 48 m,最低运行水位217. 18 m。
站址处土壤为黏壤土,干容重12. 74~16. 66kN/m3,湿容重17. 64 kN/m3,黏结力19. 6 kN/m2,土壤内摩擦角25°,地基允许承载力[P] =215.6 kN/m2。
灌溉季节最高气温39℃,最高水温25℃。
冬季最低气温-8℃,冻土层厚度0.3m。
水源边有南北向公路经过,路旁有10 kV高压线,供电容量足够。
当地主要有石料、黄砂等建筑材料可供使用。
二、根据双吸泵选型原则按下列顺序进行
双吸泵选型1.确定双吸泵的设计流量
根据设计流量选择对应的双吸泵类产品,所选用的双吸泵产品流量只能大于设计流量不能小于设计流量。
3.确定泵型方案
依据泵站设计流量1.6 m3/s和设计扬程30.36 m,决定选用双吸离心泵。
查水泵资料中的水泵性能表得14 Sh一19与20Sh-13A两种泵型均符合要求,作为方案进行比较,它们的性能如表9一l所示。
4.确定台数及方案比较
依据泵站设计流量1.6m3/S,主泵台数宜为3~9台。
用关系式i=Q站/Q 泵确定两种泵型所需台数。
14 Sh -19型泵i=1.6/0. 35=4.6(台),取5台;20Sh-13A型泵i=1.6/0.52 =3.1(台),取3台。
两种泵型方案比较见表9—1。
两种方案比较,双吸泵选型选用5台145h-19型泵方案,虽然台数较多,基建投资较大。
且安装高度小,对泵房的通风散热有不利影响,但它的机组重量轻,便于维护和检修,台数较多,流量发生变化时,适应性较强,供水可靠性好,灌溉保证率高。
两相比较,各有利弊。
设计双吸泵选型决定选用5台14Sh -19型泵这一方案。
液位比泵低建议选用自吸泵产品合适,如水里面含有大量的杂物建议选用排污泵系列产品合适。