特种设备监督检验受检单位信息表
- 格式:xls
- 大小:16.50 KB
- 文档页数:4
注:本式样适用于按台(套)进行登记的特种设备.注:本式样适用于车用气瓶使用登记。
特种设备使用登记表(式样三)登记类别:注:本式样适用于按使用单位登记的特种设备.附录b特种设备使用登记表填写说明b1 登记类别填写本次办理使用登记的事由,如新设备首次启用、停用后启用、改造、使用单位更名、使用地址变更、过户、移装、达到设计使用年限等.b2 设备基本情况b2。
1设备种类按照《特种设备目录》填写,也可直接印制为“锅炉"、“压力容器”、“压力管道”、“电梯"、“起重机械”等。
b2。
2 设备类别、品种按照《特种设备目录》填写。
没有品种的划“—”b2.3产品名称按照产品铭牌或者产品合格证、产品数据表的内容填写,也称设备名称。
b2.4设备代码按照产品数据表上的内容填写,该代码具有唯一性.如果该产品还没有编制设备代码,则使用单位可以不填写,由登记机关按照设备代码的编制要求[见《固定式压力容器安全技术监察规程》(TSG 21—2016)]填写,其中制造单位代号改为登记机关的行政区划代码(比制造单位代号多出一位)。
b2。
5型号(规格)按照产品数据表或者相应的设计文件填写,有型号的填写型号,没有型号有规格的填写规格,没有型号、规格的,划“—”.b2。
6 设备数量压力管道填写本次登记时的压力管道长度(单位为“米"),气瓶填写本次登记时的数量(单位为“只”)。
b2.7设计使用年限按照产品数据表提供的数据填写.技术资料中未提供的,划“—”。
b2.8设计单位名称填写产品的设计单位名称,其名称与产品合格证和产品铭牌(设计图纸)表述应当一致。
b2。
9制造单位名称填写产品的制造单位名称,其名称与产品合格证和产品铭牌表述应当一致.b2.10施工单位名称填写登记时最近一次从事安装或者改造、修理的施工单位的名称.b2。
11监督检验机构名称填写负责该设备制造、安装、改造、重大修理监督检验(以下简称监检)的特种设备检验机构名称,没有实施监检的设备,注明“不实施监检",如该设备登记前进行了不同阶段的监检(如制造监检,安装、改造监检等),则填写最近一次监检的特种设备检验机构名称,并且与本附录b4相协调(除制造监检外,优先满足b4填写要求)。
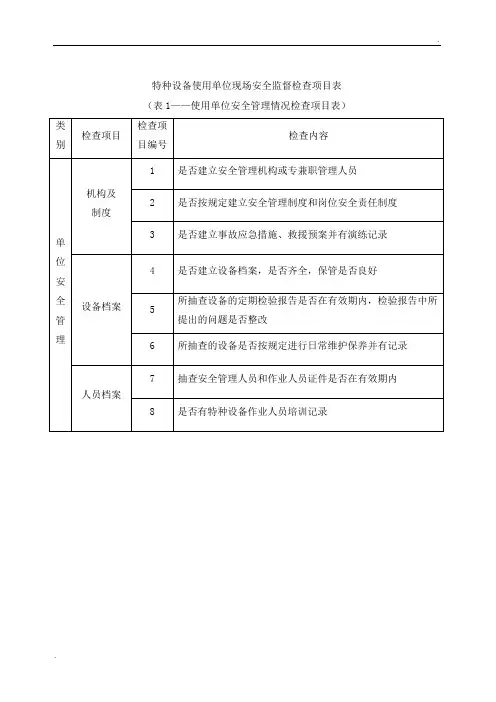
特种设备使用单位现场安全监督检查项目表(表1——使用单位安全管理情况检查项目表)特种设备使用单位现场安全监督检查项目表(表2——锅炉使用情况检查项目表)(表3——压力容器使用情况检查项目表)(表4——电梯使用情况检查项目表)(表5——起重机械使用情况检查项目表)(表6——场(厂)内机动车辆使用情况检查项目表)1附件3特种设备检验检测机构发现重大问题告知(报告)表检验员签名及日期:检验员联系电话:市级安全监察机构接收传真电话、人员姓名:接收时间:年月日时分县级安全监察机构接收传真电话、人员姓名:接收时间:年月日时分(注:本表一式四份,市、县级安全监察机构、检验检测机构、受检单位各一份)特种设备现场安全监督检查原始记录表检查人员:年月日特种设备现场安全监督检查记录附件6:特种设备安全监察指令书()质监特令[ ]第号:经检查,你单位(人)在特种设备安全方面存在下列问题:上述问题违反了《特种设备安全监察条例》第条的规定,根据《特种设备安全监察条例》第五十九条、的规定,责令你单位(个人)于年月日前采取以下措施予以改正或者消除事故隐患:如对本指令书不服,可在接到指令书之日起60日之内向申请行政复议,或者于3个月内向人民法院提起行政诉讼。
复议和起诉期间,不得停止改正或者停止消除事故隐患。
特种设备安全监察员签名:被检查单位(负责人)签名:(质量技术监督部门公章或者安全监察专用章)年月日备注:本指令书一式两份,发出部门、被检查单位各一份。
特种设备重点监控工作要求为加强对重点特种设备的安全监察,推进分级分类监管,切实防止和减少特种设备重特大事故的发生,根据安全生产法、《特种设备安全监察条例》、《国务院关于进一步加强安全生产工作的决定》等规定,现就开展特种设备重点监控工作提出如下要求:一、重点监控设备范围各省级质量技术监督局参照以下因素确定本省(区、市)的重点监控设备目录:(一)发生事故后可能造成10人以上死亡后果的特种设备;(二)重要场所使用的特种设备;(三)经检验判为限定条件使用的特种设备;(四)关系国家重大经济安全的特种设备。
---------------------------------------------------------------最新资料推荐------------------------------------------------------ 特种设备无损检测机构监督抽查记录表(精品)附 8:特种设备无损检测机构监督抽查记录表抽查项目内容抽查方法及要求抽查结果有缺陷问题描述及记录符合无此项不符合 1.检查现场检测工程是否建立了必要的质量管理组织机构及质量控制体系。
核查现场检测质量管理组织机构图和质量控制体系图及各部门、各级人员的职责和权限建立是否符合管理体系文件规定。
核查技术负责人、质量负责人和检测责任师现场授权签字人资质证件、批准文件和到岗实施见证记录。
□ □ □ 质量管理组织机构图和质量控制体系图不健全□ 各部门、各级人员的职责和权限内容不完整□ 其它□ 管理组织机构图和质量控制体系图未建立□ 未规定各部门、各级人员的职责和权限□ 其它 2.检查技术负责人、质量负责人和检测责任师现场授权签字人资质、批准手续和到岗实施情况。
□ □ □ 资质证件不齐全□ 批准文件不完善□ 仅有部分见证记录□ 其它□ 无资质证件□ 无批准文件□ 无见证记录□ 其它 3.是否为现场工程管理机构及工程技术人员、检测人员配备了必要的法规、标准;执行是否正确。
验查现场工程管理机构及工程技术人员法规标准拥有量是否满足工程检测需要,是否组织检测人员进行法规学习,并通过与检1 / 8测人员座谈和抽查检测记录、报告,查验执行的规范是否正确。
□ □ □ 配备不全□ 检测人员对法规要求不清楚□ 执行的检测规范不齐全或执行的部分检测规范不正确□ 其它□ 无配备的规定□ 无对检测人员进行法规组织学习的见证,检测人员对法规要求理解有明显错误□ 没注明执行的检测规范;执行的检测规范全部不正确或执行中有改变检测结论的错误□ 其它抽查项目内容抽查方法及要求抽查结果有缺陷问题描述及记录符合无此项不符合 4. 现场从事检测工作的人员和检测质量控制的人员是否有相应的检测资格,是否为单位的全职人员;检测报告的编制、审核、审批程序和人员资格是否符合要求。
特种设备使用登记表(电梯)登记类别:附录 b特种设备使用登记表填写说明b1 登记类别填写本次办理使用登记的事由,如新设备首次启用、停用后启用、改造、使用单位更名、使用地址变更、过户、移装、达到设计使用年限等。
b2 设备基本情况b2.1 设备种类按照《特种设备目录》填写,也可直接印制为“锅炉”“压力容器”“压力管道”“电梯”“起重机械”等。
b2.2 设备类别、品种按照《特种设备目录》填写。
没有品种的划“—”。
b2.3 产品名称按照产品铭牌或者产品合格证、产品数据表的内容填写,也称设备名称。
b2.4 设备代码按照产品数据表上的内容填写,该代码具有唯一性。
如果该产品还没有编制设备代码,则使用单位可以不填写,由登记机关按照设备代码的编制要求[见《固定式压力容器安全技术监察规程》(TSG 21—2016)]填写,其中制造单位代号改为登记机关的行政区划代码(比制造单位代号多一位)。
b2.5 型号(规格)按照产品数据表或者相应的设计文件填写,有型号的填写型号,没有型号有规格的填写规格,没有型号、规格的,划“—”。
b2.6 设备数量压力管道填写本次登记时的压力管道长度(单位为“米”),气瓶填写本次登记时的数量(单位为“只”)。
b2.7 设计使用年限按照产品数据表提供的数据填写。
技术资料中未提供的,划“—”。
b2.8 设计单位名称填写产品的设计单位名称,其名称与产品合格证和产品铭牌(设计图纸)表述应当一致。
b2.9 制造单位名称填写产品的制造单位名称,其名称与产品合格证和产品铭牌表述应当一致。
b2.10 施工单位名称填写登记时最近一次从事安装或者改造、修理的施工单位的名称。
b2.11 监督检验机构名称填写负责该设备制造、安装、改造、重大修理监督检验(以下简称监检)的特种设备检验机构名称,没有实施监检的设备,注明“不实施监检”,如该设备登记前进行了不同阶段的监检(如制造监检,安装、改造监检等),则填写最近一次监检的特种设备检验机构名称,并且与本附录 b4 相协调(除制造监检外,优先满足 b4 填写要求)。
附件C特种设备监督检验证书(压力管道元件制造)品出厂资料交付。
特种设备监督检验证书(压力管道安装、改造和重大修理)证书编号:注:本证书一式三份,一份监督检验机构存档,两份送交施工单位,其中一份由施工单位随竣工资料交付建设单位。
特种设备安全技术规范 TSG DXXXX-202X压力管道数据表证书编号:—3—TSG DXXXX-202X 特种设备安全技术规范附件D特种设备监督检验意见通知书编号:(受检单位名称) :经监督检验,发现你单位在(产品名称、产品批号或者编号/施工工程名称 )的压力管道制造/施工过程中,存在以下影响安全性能的问题,请于年月日前将注:本通知书一式五份,一份监督检验机构留存,一份报接受告知的特种设备安全监督管理部门,一份送交建设单位(压力管道元件制造除外);两份送交受检单位,其中一份按照要求的日期返回监督检验机构,确认后存档。
特种设备安全技术规范 TSG DXXXX-202X 附件E特种设备监督检验联络单编号: (受检单位名称) :经监督检验,发现你单位在(产品名称、产品批号或者编号/施工工程名称 )的压力管道制造/施工过程中存在以下影响安全性能的问题,请于年月日前将处理结果报送监督检验机构。
注:本联络单一式四份,一份监督检验机构留存,一份送交建设单位(压力管道元件制造除外);两份送交受检单位,其中一份受检单位应当在要求的时间内返回监督检验机构,确认后存档。
TSG DXXXX-202X 特种设备安全技术规范附件F报告编号:工业管道定期检验报告装置名称:管道名称:使用单位:单位内编号:检验类别:(首次定期检验、定期检验)检验日期:(印制检验机构名称)注意事项1.本报告为依据《压力管道定期检验规程-工业管道》(TSG D7005)对在用工业管道进行定期检验的结论报告,检验结论代表该工业管道在检验时的安全状况。
2.本报告应当由计算机打印输出,或者用钢笔、签字笔填写,字迹要工整。
涂改无效。