室内电气配管配线安装工程施工工艺质量标准
- 格式:doc
- 大小:41.00 KB
- 文档页数:4
电气配管安装工艺标准1.主题词电线保护管安装的程序、方法、技术要求。
2.适用范围本标准适用于一般工业与民用建筑电气安装工程的电线保护管安装。
3.引用文件GB50303—2002建筑电气工程施工质量验收规范GB50258—96电气装置安装工程1KV及以下配线工程及验收规范GB50257—96电气装置安装工程爆炸和火灾危险环境电气装置施工及验收规范4.金属管安装工艺4.1主控项目4.1.1金属的导管必须与接地(PE)可靠接地。
4.1.2金属导管严禁对口熔焊连接;镀锌和壁厚小于等于2mm的钢导管不得套管熔焊连接。
4.1.3防爆导管不应采用倒扣连接;当连接有困难时,应采用防爆活接头,其接合面应严密。
4.1.4当绝缘导管在砌体上剔槽埋设时,应采用强度等级不小于M10的水泥砂浆抹面保护,保护厚度大于15mm。
4.2钢管安装一般规定4.2.1敷设在多尘或潮湿场所的电线保护管,管口及其各连接均应密封。
4.2.2当线路暗配时,电线保护管宜沿最近的路线敷设,并应减少弯曲,埋入建筑物、构筑物的电线保护管,与建筑物、构筑物表面的距离不应小于15mm。
4.2.3进入落地式配电箱的电线保护管,排列应整齐,管口宜高出配电箱基础面50—80mm;高度一致。
4.2..4电线保护管不宜穿过设备或建筑物、构筑物的基础;当必须穿过时,应采取保护措施。
4.2. 5电线保护管的弯曲处,不应有折皱、凹陷和裂缝,且弯扁程度不应大于管外径的10%。
4.2.6电线保护管的弯曲半径应符合下列规定:A.当线路明配时,弯曲半径不宜小于管外的6倍;当两个接线盒间只有一个弯曲时,其弯曲半径不宜小于管外径的4倍。
B.当线路暗配时,弯曲半径不应小于管外径的6 倍;当埋设于地下或混凝土内时,其弯曲半径不应小于外径的10倍。
4.2.7当电线保护管遇到下列情况之一时,中间应增设接线盒或拉线盒(过路盒),且接线盒或拉线盒的位置应便于穿线;A. 管长度每超过30米,无弯曲.B.管长度每超过20米,有一个弯曲.C.管长度每超过15米,有二个弯曲.D.管长度每超过8米,有三个弯曲.4.2.8垂直敷设的电线保护管遇到下列情况之一时,增设固定导线的拉线盒(过路盒):A.管内导线截面为50平方米及以下,长度每超过30米;B.管内导线截面为70-90平方米,长度每超过20米;C.管内导线截面为120-240平方米,长度每超过18米。
室内电气配管配线安装工程质量管理细则一、施工准备:1、作业班组施工前要了解施工意图,熟悉施工现场.2、材料准备::1绝缘导线:导线的型号,规格必须符合设计要求,并有产品出厂合格证.镀锌丝:应顺直无背扣,扭接等现象,并具有相应的机械拉力.2护口:应根据管径的大小选择相应规格的护口.螺旋接线钮,应根据导线截面和导线的根数选择相应型号的加强型绝缘钢壳螺旋接线钮.3LC型压线帽:具有阻燃性能氧指数为难27%以上,适用于铝导线2.5mm、4m㎡两种结头压接,分为黄白红、绿蓝五种颜色,可根据导线截面和根数选择使用铝导线用绿蓝;铜铝用黄、白、红.4套管:有铜套管,铜铝过度套管三种,选用时应采用与导线材质,规格相应的套管.5接线端子接线鼻,应根据导线的根数和总截面选择相应规格的接线端子.6辅助材料:橡胶或粘塑料绝缘带,黑胶布、滑石粉、布条等.7小型工具由各劳务队自备,机具手尖嘴钳、剥线钳、压接钳、放线架、放线车,电炉、锡锅等,仪表万用表、兆欧表应准备齐全,要求能满足施工要求.4、作业条件:1、配管工程或线槽安装工程配合土建结构施工完毕.2、土建抹灰完成完成.二、工艺流程:1)选择导线:a、应根据设计图规定选择导线.进出户的导线宜使用橡胶绝缘导线.b、相线,中性线及保护地线的颜色应加以区分,用淡蓝颜色的导线为中性线,用黄绿相间的导线为保护地线.2)清扫管路:①清扫管路的目的是清扫管路中的灰尘,泥水等到杂物.清扫管路的方法:将布条两面三刀端牢固的绑扎在带线上两人来回拉动带线,将管内杂物清净.3)穿带线:①穿带线目的是检查管路是畅通,管路的走向及盒箱的位置是否符合设计要求.②穿带线的方法:一般均采用Φ1.2~2.0mm的铁丝.穿带线受阻时,应用两面三刀根铁丝同时搅动,使两根铁丝的端头互相钩绞在一起,然后将带线拉出.4)放线及断线:a、放线前应根据施工图导线的规格,型号进行核对;放线时导线应置于放线架或放线车上.b、断线,剪断导线时,导线的预留长度应按以下四种情况考虑.(1)接线盒,开关盒,插座盒及灯头盒内的预留长度为15cm(2)配电箱内导线的预留长度应为配电箱箱体周长的1/2(3)出户导线的预留长度应为1.5m(4)公用导线在分支处,可不剪断导线而直接穿过.5)导线与带线的绑扎:①当导线根数较少时例如二至三根导线,可将导线前端的绝缘层削去,然后将线芯直接插入带线的盘圈内并折回压实.绑扎牢固.便绑扎处形成一个平滑的锥形过度部位.②当导线根数较多或导线截面较大时可将导线前端的绝缘层削去,然后将线芯斜错排列在带上,用绑线缠绕绑扎牢固.③使梆扎接头处形成一个滑的锥形过渡部位,便于穿线.6)管内穿线:①钢管电线管在穿线前,应首先检查各个管口的护口是否齐整,如有遗漏和破损,均应补齐和更换.②当管路较长或转弯较多时,要在穿线的同时往管内吹入适量的滑石粉.③两人穿线时,应配合协调,一拉一送.④穿线时应注意下列问题:(1)同交流回路的导线必须穿于同一管内.(2)不同回路,不同电压和交流与直流的导线,不得穿入同一管内.(3)导线在变形缝处,补尝装置应活动自如.导线应留有一定的余度.敷设于垂直管路中的导线,当超过下列长度时,应在管口处和接线盒中加以固定:截面积为50平方毫米及以下的导线为30m;截面积为70~95平方毫米的导线为20m;截面积在180~240平方毫米之间的导线为18m.7)导线连接:①导线连接应具备的条件:(1)线接头不能增加电阻值.(2)受力导线不能降低原机械强度.(3)不能降低原绝缘强度.②剥削绝缘使用工具及方法:(1)剥削绝缘使用工具:由于各种导线截面、绝缘层薄厚程度,分层多少都不同,因此使用剥削线的工具也不同.常用的工具电工刀,克丝钳和剥削线钳,可进行削革力及剥削绝缘层.一般4平方毫米以下的导线原则使用剥线钳,但使用电工刀时,不允许采用刀导线周围转圈转圈剥线绝缘层的方法.(2)剥削绝缘方法:单层剥削削法,分段剥法.斜削法.③单芯铜导线的直线连接:(1)绞接法:适用于4平方毫米以下的单芯线.(2)缠卷法:适用6平方毫米及以上的单芯线的分支连接.(3)十字分支导线连接做法.(4)多芯铜线直接,多芯铜导线的连接共有三种方法,即单卷法;缠卷法和复卷法.首先用细砂布将线芯表面的氧化膜清去,将两线芯导线的接合处的中心线剪掉2/3,将外侧线芯做伞状张开,相互交错叉成一体并将已张开的线端合成一体.(5)多芯铜导线分支连接.A缠卷法 B单卷法 C复卷法(6)铜导线在接线盒内的连接.A单芯线并接头 B不同直径导线接头 C、LC安全型压线帽D、加强型绝缘钢壳螺旋接线钮.1套管压接:2导线与平压式接线柱连接单芯线连接3导线与针孔式接线桩连接8)导线包扎:首先用橡胶或粘塑料绝缘带从导线接头处始端的完好绝缘层开始,缠饶1~2个绝缘带幅宽度,再以半幅宽度重叠缠绕.在包扎过程中应尽可能的收紧绝缘带.最后在绝缘层上缠绕1—2圈后,再进行回缠,采用黑胶布包扎,包扎时要衔接好以半幅宽度边压边进行缠绕,同时在包扎过程中收紧胶布,导线接头处两端应用黑胶布封严密.包扎后应呈枣核形.10线路检查及绝缘摇测:四、质量标准:按建筑电气工程质量验收规范GB50303-2002、建筑设备安装分项工程施工工艺标准、建筑安装工程施工图集进行验收.1主控项目:1导线的规格型号必须符合设计要求和国家标准的规定.2照明电路的绝缘值不小于0.5MΩ,动力线路的绝缘电阻值不小于1M Ω检查方法:检查资料,观察检查,绝缘遥测.2一般项目:1管内穿箱内清洁无杂物,护口、护线套管齐全无脱落,导线排列整齐,并留有适当余量.导线在管子内无接头,不进入盒、箱的垂直管子上口穿线后密封处理良好,导线国家利益牢固,包扎严密,绝缘良好,不伤芯.2保护接地线,中性线截面选用正确,线色符合规定,连接牢固紧密.检查方法:观察.五、应注意的质量问题:1)在施工中存在护口遗漏,脱落,破损及与管经不符合等现象.因操作不慎而使护口遗漏或脱落者应及时补齐,护口破损与管径不符者及时更换.铜导线连接时,导线的缠绕圈数不足圈,未按工艺要求连接的接头应拆除重交底内容新连接.2)导线连接处的焊锡不饱满,出现虚焊,夹渣等现象.焊锡的温度要适当,涮锡要均匀.涮锡后应用布条及时擦去多余的焊剂保护接头部分的洁净.3)导线线芯受损是由于用力过猛和剥线钳相应的刀口.4)多股软铜线涮锡遗漏,应及时进行补焊锡.5)接头部分包扎不平整、不严密.应按工艺要求重新进行包扎.6)螺旋接线钮松动和线芯外露.接线钮不合格,及线芯、剪得余量过短都会造成其松动,线芯剪得太长就会造成线芯的预留长度应取1.2mm为宜.7)线路的绝缘电阻值偏低.管路内可能进水或者绝缘层受损都将造成绝缘电阻值偏低.应将管路中的泥水及时清干净或更换导线.8)LC型压线帽需注意伪劣产品,即塑料帽氧指数低于27%的性能指标,不阻燃;压接管管径尺寸误差过大,未经过镀银处理;出现上述现象不得使用,必须上接不实,因此在使用LC型压线帽与线径配套的产品,压接前填充实,压接牢固,线芯不得外露.六、安全文明施工:1、作业时着装应符合安全要求.2、禁止酒后作业.3、煨管时应注意周边人员安全,以免误伤.4、在上方打孔眼,下面不得有人作业或站立.应在下面周围设禁区.5、使用的作业工具,应搁置在顺手稳妥的地方,防止坠落伤人.七、成品保护:1)穿线时不得污染设备和建筑物品,应保持周围环境清洁.2)使用高登及其它工具时应注意不得碰坏其它设备和门窗,墙面,地面等.梯子进入厨卫时应用塑料包住四角,避免破坏厨卫防水.3)在接、焊、色全部过程完后,应将导线的接线头盘入盒、箱内并用纸封堵严实,以防污染.同时应防止盒、箱内进水.4)穿线时不得遗漏带护线套管或护口.。
【1】配管配线安装施工工艺【1.1】硬质阻燃塑料管(PVC)明敷设【1.1.1】施工准备【1.1.1.1】技术准备1、熟系图纸资料,弄清设计图的设计内容,注意图纸提出的施工要求。
2、准备施工机具、材料。
3、确定施工方法,编制施工技术措施;为了工程施工,不破坏建筑物的强度和损坏建筑物的美观。
4、施工前要认真听取工程技术人员的技术交底,弄清技术要求、技术标准和施工方法。
【1.1.1.2】材料要求1、凡使用的阻燃型(PVC)塑料管,其材质均应具有阻燃、耐冲击性能,其氧指数不应低于27%的阻燃招标,并应具有鉴定检验报告单和产品出厂合格证。
2、阻燃型塑料管外壁应有间距不大于1m的连续阻燃标记和制造厂厂标,管子内、外壁应光滑、无凸棱、凹陷、针孔及气泡,内外的尺寸应符合国家统一标准,管壁厚度应均匀一致。
3、所有阻燃型塑料管附件及明配阻燃型塑料制品,如:各种灯头盒、开关盒、接线盒、插座盒、端接头、管箍等,必须使用配套的阻燃塑料制品。
4、阻燃型塑料灯头盒、开关盒、接线盒,其外观应整齐,预留孔齐全,无劈裂等损坏现象。
5、辅助材料:镀锌铁丝、专用胶粘剂等。
【1.1.1.3】主要机具1、铅笔、皮尺、水平尺、卷尺、角尺、线坠、小线、粉线袋等。
2、手锤、錾子、钢锯、锯条、刀锯、半圆挫、活扳手等。
3、弯管弹簧、剪管器、电锤、手枪钻、钻头、台钻、压力案子等。
4、开孔器、热风机、电炉子、绝缘手套、工具袋、高凳、人字梯凳。
【1.1.1.4】作业条件1、在配合混凝土结构施工时,已完成过路管配件及预埋件的预埋。
2、在配合砖结构施工时,已完成过路管、角钢支架及预埋件的预埋。
3、在装修前根据土建水平线及抹灰厚度以管道走向,按设计图进行弹线、浇注预埋件及稳装角钢支架。
4、喷浆完成后,才可进行管路及购置盒、箱的安装,安装时应防止管道和墙面的污染。
【1.1.2】施工工艺【1.1.2.1】弯管的制作方法预制弯管可采用冷煨法和热煨法。
在进行阻燃塑料管的敷设与煨弯时,管材对环境温度的要求是:在原材料的允许环境温度下进行,其外界环境温度不宜低于-15℃。
电气工程(灯具、开关面板、插座、配管、穿线)施工方案一、强电施工方案(一)、配电箱安装1、工艺流程:开箱检验--测量定位--基础安装-一箱(柜)安装-一箱(柜)内配线-f二次摇测-f质量验收-f成品保护。
2、开箱检查:(1)、安装单位、供货单位、建设单位共同进行,并做好检查记录。
(2)、按照设备清单、施工图纸及设备技术资料,核对设备本体及附件、备件的规格型号应符合设计图纸要求;附件、备件齐全;产品合格证件、技术资料、说明书齐全。
(3)、电箱本体外观检查应无变形,油漆完整无损。
(4)、配电箱内部检查:电器装置及元件、绝缘瓷件齐全,无损伤、裂纹等缺陷。
3、弹线定位根据设计要求找出配电箱(柜)的位置,并按照配电箱的外形尺寸进行弹线定位。
4、配电箱安装:(1)、配电箱的安装标高、位置符合规范及设计要求;(2)、配电箱必须用开孔器开孔,且一管一孔;(3)、配电箱内管口应排列整齐,锁紧装置符合要求;箱内导线绑扎成束,排列有序、接地明显;导线压接牢固,不外露线芯;(4)、配电箱内导线色标正确;(5)、照明箱内要设零线(N)和保护地线(PE)汇流排,零线和保护地线经汇流排配出;(6)、配电箱的接地装置必须明显、牢固。
5、配电柜安装(1)、配电柜体及柜内设备与各构件间连接应牢固。
柜本体有明显、可靠的接地装置,装有电器的可开启的柜门用软导线与接地的金属构架做可靠的连接。
成套柜装有供携带式接地线使用的固定设施。
(2)、根据产品技术文件柜体实际安装尺寸和固定螺栓安装孔距尺寸,测量出槽钢柜架的几何尺寸。
框架加工完毕,配合土建确定地面基准线后,进行框架安装,用水平尺,小线找平直,再固定牢固,基础型钢应将地线焊接好,保证接地可靠。
基础型钢安装后,其顶部宜高出抹平地面50mmo (3)、基础型钢安装的允许偏差(表5.4.5-1):表、多台低压配电柜按顺序排列安装,按顺序号逐台就位。
各柜连接紧密横平竖直,无明显缝隙,其安装的允许偏差(表5.4.5-2):表5.4.5-26、绝缘摇测(1)、导线、电缆敷设完毕后,要及时进行绝缘摇测。
电气工程配管安装施工工艺工法标准1.钢管敷设1.1 暗配管施工1.1.1工艺流程1.1.2暗配管操作工艺管子煨弯:对于直径小于等于32mm 钢管,一般采用手动弯管器在现场直接煨弯。
对于大于等于40mm 至100mm 直径的管子的弯曲,应采用机械冷煨弯,即能保证弯管质量,还能减轻施工人员劳动强度,加快施工进度。
对于不能自行煨弯的大管径和大倍数弯,则应外部采购或委托加工。
无论是手工还是机械加工的管弯,一定要保证管弯光滑无明显邹褶,弯扁度不得超过管子外径的1/10。
管子弯曲半径不应小于管子外径的6倍,埋入地下的或混凝土中管子的弯曲半径不应小于管子外径的10倍。
1.1.3暗配钢管的基本要求敷设于多尘和潮湿场所的电气管路的管口、管子连接处均应做好密封处理。
暗配管路宜沿最近的路径敷设,并应减少弯曲。
埋入墙或混凝土内的管路,管外壁距墙面或地面的距离应大于15mm 。
埋入地下的管路不宜穿过设备基础,在穿过建筑物时,应加装保护管。
进入箱盒的管路排列应整齐,管口应在一个标高线上。
对于落地箱,管口应高出地面不少于50mm 。
对于悬挂箱,管子进入长度应为露出锁紧螺母5mm 为宜,箱外箱内均应安装锁紧螺母。
管子镀锌破损处均应做防腐处理。
1.1.4管子加工钢管应使用钢锯、无齿锯和砂轮切割机切管,断口处应平整,不歪斜,管口放线测量加工预制 管路敷设地线连接 箱盒安装 管路与箱盒连接 防腐处理应无毛刺,并处理光滑。
管子套丝使用套丝机或丝扳,板牙应完好,防止产生断丝或乱丝。
1.1.5测定盒、箱位置根据设计图纸或规范要求确定箱、盒的位置,以土建给定的标准水平线,进行挂线找正找平。
暗装箱、盒四周灰浆饱满、平整牢固,箱盒坐标应正确,且应符合下表要求:为防止暗装接线盒内灌进水泥浆或其它污物,应填充苯板或使用甲方认可的其它材料来保护,直至器具安装完毕为止。
1.1.6管路连接管箍丝接时,不得有乱扣现象,管箍必须使用通丝管箍,管口应对齐,外露丝不得多于2扣。
电气安装质量通病及施工部位质量要求一、隐蔽工程1、SC管入箱、盒管口应套丝加锁母连接护口保护,入钢盒SC管跨接地线不规范,6D双面焊饱满度。
2、JDG管接头连接处未涂导电膏,紧定螺钉未拧断。
3、管路直线段长度超过30m无弯,20m一个弯,15m两个弯,8m三个弯时未在适当部位加装过线盒。
4、卫生间局部等电位扁钢与钢筋网片连接不规范,焊接截面倍数、LEB箱与配电箱间未敷设导管连接。
5、灯位盒与楼板不紧贴、缝隙大、标记不清楚。
6、PVC管使用承接做法,套管接头长度不符合标准图集要求。
7、管路交叉、重叠现象多,大管在上、小管在下。
8、出地面入强、弱电箱导管排列不齐、成捆。
9、利用结构柱内对角主筋做防雷引下时,连接部位、焊接倍数、饱满度不符规范要求。
10、高层防侧击雷装置,利用圈梁主筋做均压环,圆钢搭接焊倍数、截面不符规范要求。
11、防雷接地水平均压带做法不规范(未采用水平均压带和沥青绝缘路角处理)。
12、剪力墙上预埋2个以上同排盒子不水平,盒面未紧贴模板表面(与保护层平齐)。
13、暗配管线过伸缩缝、沉降缝做法不统一。
14、SC管内壁不做防腐处理。
15、埋入土地内、混凝土内的导管弯曲半径应大于10D,弯扁度小于0.1D。
塑料管的加工:DN25及以下采用冷弯法,DN32及以上采用热弯法。
16、直埋电缆过墙引入管必须做好防水处理,,其埋设深度距室外地面不应小于0.7m,并应有适当的防水坡度5°~10°,电缆保护管应伸出墙外1m,且出散水不少于300mm。
预埋钢管应做好重复接地,防水钢板的厚度不小于6mm。
二、防雷接地装置1、屋顶水平避雷带不顺直、支架不牢固、间距不统一、防松装置未使用镀锌件(弹垫、圆垫、螺母)。
2、水平避雷过伸缩缝未做S型补偿弯。
3、檐角保护雷带大弧弯圆弧大小不统一。
4、出屋面金属管设备金属支架等金属体与雷带连接不规范,抱卡、支墩间距不统一。
5、屋顶上冷却塔避雷针施工做法不符标准图集要求,6m针2m,5m针1.7m,4m针1.4m,金属支架与避雷不少于2处连接可靠。
电气配线施工工艺1 .电气配线施工准备2 施工准备2.1 材料要求:2.1.1 绝缘导线:导线的型号,规格必须符合设计要求,并有产品出厂合格证。
2.1.2 镀锌铁丝或钢丝:应顺直无背扣、扭接等现象,并具有相应的机械拉力。
2.1.3 护口:应根据管径的大小选择相应规格的护口。
2.1.4 螺旋接线钮:应根据导线截面和导线的根数选择相应型号的加强型绝缘钢壳螺旋接线钮。
2.1.5 LC型压线帽:具有阻燃性能氧指数为27%以上,适用于铝导线2.5mm2、4mm2两种,适用于铜导线1mm2至4mm2结头压接,分为黄、白、红、绿、蓝五种颜色,可根据导线截面和根数选择使用(铝导线用绿、蓝;铜线用黄、白、红)。
2.1.6 套管:有铜套管,铝套管,铜铝过渡套管三种,选用时应采用与导线材质,规格相应的套管。
2.1.7 接线端子(接线鼻):应根据导线的根数和总截面选择相应规格的接线端子。
2.1.8 焊锡:由锡、铅和锑等元素组合的低熔点(185-260C )合金。
焊锡制成条状或丝状。
2.1.9 焊剂:能清除污物和抑制工件表面氧化物般焊接应采用松香液,将天然松香溶解在酒精中制成乳状液体,适用于铜及铜合金焊件。
2.1.10 辅助材料:橡胶(或粘塑料)绝缘带、黑胶布、滑石粉、布条等。
2.2 主要机具:2.2.1 克丝甜、尖嘴钳、剥线钳、压接钳、放线架、放线车。
2.2.2 电炉、锡锅、锡斗、锡勺、电烙铁。
2.2.3 一字改锥,十字改锥、电工刀、高凳、万用表、兆欧表。
2.3 作业条件:2.3.1 配管工程或线槽安装工程配合土建结构施工完毕。
2.3.2 高层建筑中的强电竖井、弱电竖井、综合布线竖井内,配管及线槽安装完毕。
2.3.3 配合土建工程顶棚施工配管或线槽安装完毕。
3 操作工艺3.1 工艺流程选择导线f扫管f穿带线f放线与断线f导线与带线的绑扎一管口带护口一导线连接一线路绝缘摇测3.2 选择导线:3.2.1 应根据设计图规定选择导线。
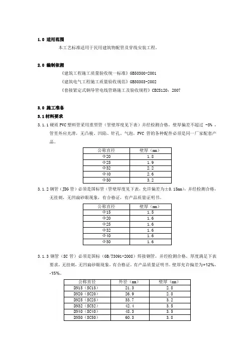
1.0适用范围本工艺标准适用于民用建筑物配管及穿线安装工程。
2.0编制依据《建筑工程施工质量验收统一标准》GB50300-2001《建筑电气工程施工质量验收规范》GB50303-2002《套接紧定式钢导管电线管路施工及验收规程》CECS120:20073.0 施工准备3.1材料要求3.1.1硬质PVC塑料管采用重型管(管壁厚度见下表)并经检测合格,壁厚偏差不超过 -5% ,管里外应光滑,无凸棱、凹陷、针孔、气泡,PVC管的各种配件必须是同一厂家配套产品。
3.1.2钢管(JDG管)必须是国标管(管壁厚度见下表,允许偏差为±0.15mm),并经检测合格,无挂刺,无凹扁砂眼现象,有合格证,有产品质量证明书。
3.1.3钢管(SC管)必须是国标(GB/T3091-2008)焊接钢管,并经检测合格。
厚度满足下表要求,无挂刺,无凹扁砂眼现象,有合格证,有产品质量证明书。
壁厚允许偏差为+12%,-15%。
3.2主要施工机具PVC管剪刀、PVC管弹簧、铁丝、电钻、手锤。
煨管器,电动弯管机,锉刀,手电钻,钢锯,切割机,电焊机。
3.3作业条件3.3.1底层钢筋绑完后,上层钢筋未绑扎前,根据模板刚支起时弹线敷设。
墙体钢筋绑扎时就配合配管。
3.3.2墙体砌筑完成,土建在墙面打灰饼确定装修完成面后。
3.3.3穿线工程条件土建建筑结构和土建施工作业已完成3.4工艺流程PVC钢管(JDG管、SC管)3.5基本要求3.5.1管子的弯曲半径大于10D,弯扁度小于0.1D。
3.5.2管路太长必须加转线盒,否则穿线会较困难。
加转线盒原则如下:◆超过30米无弯曲时◆超过20米有1个弯时◆超过15米有2个弯时◆超过8米有3个弯时转线盒用白面板封盖,其安装位置需排列美观、整齐一致。
3.5.3线盒、灯头盒在预埋之前要用废纸、泡沫等填充严密,并用包装胶带严密封实,防止水泥沙浆渗漏进去,堵塞管子。
3.5.4管路的排列不能紧靠在一起,至少间隙不小于2cm以上,而且做到规范、整齐、美观。
电气安装工程施工工艺标准目录1 灯具安装工程工艺标准 (1)2 等电位联结安装工艺标准(VI602) (8)3 防雷及接地安装工艺标准 (14)4 火灾自动报警安装及联动调试工艺标准(Ⅶ601) (21)5 配电箱安装工程 (28)6 预制楼板内管路敷设工程 (32)7 现浇顶板内管路敷设工程 (37)8 混凝土墙内管路敷设工程 (41)9 管内配线工程 (45)10 综合布线系统安装工艺标准 (50)11 开关、插座安装工程 (56)1 灯具安装工程工艺标准一、施工准备(一)作业条件1·灯具安装有关的建筑和构筑物的土建工程质量应符合现行的建筑工程施工质量验收规范中的有关规定。
2·灯具安装前建筑工程应满足:(1)对灯具安装有妨碍的模板、脚手架必须拆除。
(2)顶棚、地面等抹灰工作必须完成,地面清理工作应结束,房门可以关锁的情况下安装。
3·在结构施工中配合土建已做好灯具安装所需预埋件的预埋工作。
4·安装灯具用的接线盒口己修好。
5·成排或对称及组成几何形状的灯具安装前应进行测量画线.(二)材料要求1·灯具:各种灯具的型号、规格必须符合设计要求和国家标准的规定.配件齐全,无机械损伤、变形、油漆剥落、灯罩破裂和灯箱歪翘等现象,各种型号的照明灯具应有出厂合格证、”CCC"认证标志和认证证书复印件,进场时做验收检查并做好记录。
2·灯具导线:灯具配线严禁外露,灯具使用导线电压等级不低于交流500V,引向每个灯具的导线线芯最小不小于1。
0 mm2。
3·灯座:无机械损伤、变形、破裂等现象。
4,塑料(木)台:塑料台应有足够的强度,受力后无弯翘变形等现象。
木台应完整、无劈裂,油漆完好无脱落.5·吊管:钢管做灯具吊管时,钢管内径不小于l0mm,钢管壁厚不小于1.5mm。
6·吊钩:固定花灯的吊钩,其圆钢直径不小于灯具吊挂销、钩的直径,不小于6mm,对于大型花灯、吊装花灯的固定及悬吊装置应按灯具重量的2倍做过载试验。
家装水电施工标准
家装水电施工是家庭装修中非常重要的一环,水电施工的质量直接关系到家庭的用电用水安全,因此在进行家装水电施工时,必须按照一定的标准进行施工,以确保施工质量和家庭安全。
首先,对于水电施工人员来说,他们必须具备相关的资质和证书,有丰富的施工经验,并且要对施工过程中的安全问题有清晰的认识。
在施工前,需要对施工现场进行全面的勘测和评估,确保施工过程中不会对周围环境和结构造成损害。
其次,在施工过程中,水电施工人员需要严格按照相关的国家标准和规范进行施工,包括管道的敷设、线路的铺设、接线盒的安装等。
在施工过程中,需要使用符合国家标准的材料和设备,确保施工质量和安全性。
在水电施工中,施工人员需要严格按照设计图纸进行施工,不能随意更改设计方案,以免影响整体的施工效果和安全性。
同时,在施工过程中,需要严格执行相关的施工流程和程序,保证施工质量和安全性。
除此之外,在施工完成后,需要进行全面的检测和验收,确保施工质量符合相关标准和规范。
特别是在水电施工完成后,需要进行漏水测试和绝缘测试,以确保管道和线路的安全性和稳定性。
总的来说,家装水电施工标准是非常重要的,它关系到家庭的安全和舒适度。
因此,在进行家装水电施工时,一定要选择具备相关资质和经验的施工队伍,严格按照国家标准和规范进行施工,确保施工质量和家庭安全。
希望大家在进行家装水电施工时,能够重视施工标准,确保家庭的安全和舒适度。
电气配管及管内穿线施工工艺电气, 穿线, 管内,配管,工艺(1)施工流程a.暗管敷设的施工程序为:施工准备→预制加工管煨弯→测定盒箱位置→固定盒、箱→管路连接→变形缝处理→接地处理b。
明管敷设的施工程序为:施工准备→预制加工管煨弯、支架、吊架→确定盒、箱及固定点位置→支架、吊架固定→盒箱固定→管线敷设与连接→变形缝处理→接地处理c.塑料电气暗管敷设的施工程序为:施工准备→预制加工管弯制→测定盒箱位置→固定盒、箱→管路连接→变形缝处理d.塑料电气明管敷设的施工程序为:施工准备→确定盒、箱及固定点位置→支架、吊架制作安装→管线敷设与连接→盒箱固定→变形缝处理e。
管内穿线施工程序:施工准备→选择导线→穿拉线→清扫管路→放线及断线→导线与带线的绑扎→带护口→导线连接→导线焊接→导线包扎→线路检查绝缘摇测(2)主要施工方法和技术措施1)暗管敷设a。
暗管敷设的基本要求为:敷设于多尘和潮湿场所的电线管路、管口、管子连接处应作密封处理;电线管路应沿最近的路线敷设并尽量减少弯曲,埋入墙或混凝土内的管子,离表面的净距离不应小于15mm;埋入地下的电线管路不宜穿过设备基础。
b.预制加工:镀锌钢管管径为20mm及以下时,用拗棒弯管;管径为25mm及其以上时,使用液压煨弯器;塑料管弯制应采用配套弹簧进行操作。
管子切断:钢管用钢锯、割管器、砂轮锯进行切管,将需要切断的管子量好尺寸,放在钳口内卡牢固进行切割。
切割断口处应平齐不歪斜,管口刮锉光滑、无毛刺,管内铁屑除净.塑料管采用配套截管器操作.钢管套丝:钢管套丝采用套丝板,应根据管外径选择相应板牙,套丝过程中,要均匀用力。
c.测定盒、箱位置:根据设计要求确定盒、箱轴线位置,以土建弹出的水平线为基准,挂线找正,标出盒、箱实际尺寸位置.d。
固定盒、箱:先稳定盒、箱,然后灌浆,要求砂浆饱满、平整牢固、位置正确。
现浇混凝土板墙固定盒、箱加支铁固定;现浇混凝土楼板,将盒子堵好随底板钢筋固定牢,管路配好后,随土建浇灌混凝土施工同时完成。
建筑电气安装工程质量检验评定标准GBJ303—88第一章总则第1.0.1条为了统一建筑电气安装工程质量检验评定方法,促进企业加强管理,确保工程质量,特制定本标准。
第1.0.2条本标准适用于电压为10KV及以下新建的一般工业与民用建筑电气安装工程质量的检验和评定。
第10.3条本标准主要指标和要求是根据《电气装置安装工程施工及验收规范》GBJ232—82(以下简称“施工规范”)的规定提出的。
执行本标准时,尚应遵守《建筑安装工程质量检验评定统一标准》GBJ300—88的规定。
第1.0.4条由本标准检验和评定的建筑电气安装工程,其设备、器具、材料和原料的质量均应符合国家现行有关技术标准。
第1.0.5条使用引进装置或器材的工程,以及利用旧设备、旧器材的拆建、改建工程,其工程质量的检验和评定,可根据具体情况参照本标准执行。
第二章线路敷设第一节架空线路和杆上电气设备安装工程(Ⅰ)保证项目第2.1.1条高压绝缘子的交流耐压试验结果和高压电气设备的试验调整结果必须符合施工规范规定。
检查数量全数检量。
检验方法检查绝缘子耐压试验记录和电气设备试验调整记录。
第2.1.2条高压瓷件表面严禁有裂纹、缺损、瓷釉烧坏等缺陷。
检查数量电气设备的瓷件全数检查;线路绝缘子抽查不少于1 0%,重点检查承力杆上的绝缘子。
检验方法观察检查和检查安装记录。
第2.1.3条导线连接必须紧密、牢固,连接处严禁有断股和损伤;导线的接续管在压接或校直后严禁有裂纹。
检查数量全数检查。
检验方法观察检查和检查安装记录。
第2.1.4条钢圈连接的钢筋混凝土电杆,钢圈焊缝的焊接必须符合施工规范的规定。
焊接后,电杆的弯曲度不超过其长度的2/1000。
检查数量抽查10%,但不少于5支。
检验方法观察检查、检查焊接记录或实测。
(Ⅱ)基本项目第2.1.5条横担和绝缘子及金具安装应符合以下规定:合格:平整、牢固,横担与线路中心线的角度正确,黑色金属零件防腐保护完整。
优良:在合格基础上,横担与电杆间接触紧密,连接螺栓螺纹露出螺母2~3扣。
电线穿管和敷线工艺标准1 适用范围本工艺标准适用于照明配线工程的管内穿线安装工程。
2 施工准备2.1 材料要求:2.1.1 绝缘导线:导线的规格、型号必须符合设计要求,并有出厂合格证。
2.1.2 镀锌铁丝或钢丝:应顺直无背扣、扭接等现象,并具有相应的机械拉力。
2.1.3 护口:应根据管径的大小选择相应规格的护口。
2.1.4 螺旋接线钮:应根据导线截面和导线的根数选择相应型号的加强型绝缘钢壳螺旋接线钮。
2.1.5 尼龙压接线帽:适用于2.5mm2以下铜导线的压接,其规格有大号、中号、小号三种,可根据导线截面和根数选择使用。
2.1.6 套管:有铜套管、铝套管,铜铝过渡过套管三种,选用时应采用与导线材质规格相适应的套管。
2.1.7 接线端子:应根据导线的总根数和总截面选择相应规格的接线端子。
2.1.8 焊锡: 由锡、铅和锑等元素组合的低熔点(185~260°C)合金。
焊锡制成条状或丝状。
2.1.9 焊剂:能清除污物和抑制工件表面氧化物。
一般焊接应采用松香液,将天然松香溶解在酒精中制成乳状液体,适用于铜及铜合金焊件。
2.1.10辅助材料: 橡胶(或粘塑料)绝缘带、黑胶布、滑石粉、布条等。
2.2 主要机具:克丝钳、尖嘴钳、剥线钳、压接钳、放线架、放线车;电炉、锡锅、锡斗、锡勺、电烙铁;一字批、十字批、电工刀、高凳、万用表、兆欧表。
2.3 作业条件:2.3.1 配管工程或线槽安装工程配合土建结构施工完毕。
2.3.2 高层建筑中的强电竖井、弱电竖井、综合布线竖井内,配管及线槽安装完毕。
2.3.3 配合土建工程顶棚施工配管或线槽安装完毕。
3 操作工艺3.1 工艺流程:选择导线→扫管→穿带线→放线及断线→导线与带线的绑扎→管口带护口→导线连接→线路检查绝缘摇测。
3.2 选择导线:3.2.1 应根据设计图要求选择导线,进(出)户的导线宜使用橡胶绝缘导线。
3.2.2 相线、中性线及保护地线的颜色应加以区分,用淡蓝颜色的导线为中性线,用黄绿颜色相间的导线为保护地线。
建筑电气工程配管配线施工工艺[ 1 ]电气配管[ 1.1 ]电气线管敷设、安装一般规定1、电气线管在预埋施工前,应具下列条件:1)施工图纸及其它技术文件齐全,且已进行图纸技术交底,满足施工要求;2)施工方案、施工技术、材料机具供应等能保证正常施工;3)施工人员应经过建筑电气安装技术专业培训,熟悉安装专业规范。
2、提供的电气安装材料应符合设计规定,并附有产品说明书、检查报告和质量合格证书。
3、不得使用设计规定外的材料,在采购材料时应把好质量关;如发现所购材料质量有异常,应在使用前进行技术鉴定或复检,存在质量缺陷的不得用于工程中。
[ 1.2 ]电气线管敷设安装要点1、电气线管嵌砖砌体墙暗敷时,应配合土建施工进度预埋。
根据设计图走向及线管规格在砖砌体墙现浇过梁内预埋穿管钢套管,其套管规格以大于电气线管规格两级为宜;土建砌体施工完成结构验收后,墙面抹灰前应再进行凿槽安装。
2、当主体结构验收后进入安装阶段再沿墙、楼地面按线管走向定位→弹线→切割机切槽→凿槽→墙体配电箱体安装→开关盒、插座盒安装→电气线管敷设→管槽、洞修补的程序进行施工。
3、电气线管暗敷时应注意工艺,线管弯曲半径应符合规范要求。
4、电气线管在墙面、地面敷设完成后应固定完好,在保证线管畅通的条件下方可进行隐蔽。
[ 1.3 ]电气线管、箱体预留、预埋施工方案1、安装准备:认真熟悉图纸,根据电气平面布置图,结合系统图密切跟随土建施工进度进行有条不紊的预留、预埋,并进一步核对位置及尺寸。
2、穿越楼板的电气线管应根据施工图上具体位置,在楼板模板上定好点位,将事先加工好的预留钢套管刷上脱模剂后绑扎在模板上,要求位置准确、牢固。
套管安装完成后,在土建混凝土浇筑完成后时,掌握好时机将套管取出。
3、当电气线管预埋在剪力墙里面时,需确保线管畅通无阻,其施工程序如下:1)在土建将剪力墙的钢筋绑扎完成后关模板前,对照图纸准确位置确定好线管走向,将电气线管、线盒牢固绑扎于钢筋上,以防浇筑混凝土时偏位;2)土建关好模板的同时,将预埋好的线盒在模板位置涂上油漆,做好标记;4、管路在转角、首尾端等处用铁丝把管路绑扎在钢筋上,绑扎牢固,直线段宜适当增设固定点。
电气工程施工工艺标准一、施工前准备工作1.1 施工单位在进行电气工程施工前,应制定详细的施工计划,并进行合理的资源配置。
1.2 施工前,应对施工现场进行全面的勘测和检查,确保施工条件符合要求。
1.3 施工前,应确定施工的时间节点和进度计划,有效地监控施工进度。
1.4 施工前,应做好施工人员的培训和安全教育,提高员工的安全意识和技术水平。
1.5 施工前,应准备完善的施工设备和工具,确保施工效率和质量。
二、施工过程中的质量控制2.1 施工单位应负责实施电气工程的施工,并按照相关标准和规范进行操作。
2.2 施工过程中,应按照设计要求和施工图纸进行施工,确保施工质量。
2.3 施工单位应对现场施工质量进行监督和检查,及时发现和解决问题。
2.4 施工单位应建立健全的质量管理制度,确保施工工艺符合相关要求。
2.5 施工单位应保证用电设备和线路的质量,确保电气工程的安全运行。
三、施工人员安全管理3.1 施工单位应建立健全的安全管理制度,确保施工人员的生命安全和健康。
3.2 施工单位应对施工人员进行安全教育和培训,提高员工的安全意识和技能。
3.3 施工现场应设置明显的安全警示标识,确保施工人员的安全。
3.4 施工现场应定期进行安全检查,发现和纠正安全隐患。
3.5 施工单位应建立健全的事故应急预案,确保在发生事故时能够及时处置。
四、施工结束后的验收和监测4.1 施工结束后,应对电气工程进行全面的验收,确保施工质量符合要求。
4.2 施工单位应负责组织相关单位对电气设备和线路进行测试和检测。
4.3 施工单位应建立健全的设备监测和维护体系,确保电气设备的正常运行。
4.4 施工单位应对施工工艺和施工质量进行总结和评估,不断提高施工水平。
4.5 施工单位应建立健全的档案管理制度,保存施工过程中的相关文件和资料。
五、结束语电气工程施工是一项复杂的工程,需要严格遵守相关标准和规范,确保施工质量和安全。
希望施工单位能够认真执行施工工艺标准,保障电气工程的质量和安全。
电气安装工程规范1 一般规定1.1 本章适用于住宅单相人户配电箱户表后的室内电路布线及电器、灯具安装。
1.2 电气安装施工人员应持证上岗。
1.3 配电箱户表后应根据室内用电设备的不同功率分别配线供电;大功率家电设备应独立配线安装插座。
1.4 配线时,相线与零线的颜色应不同;同一住宅相线(L)颜色应统一,零线(N)宜用蓝色,保护线(PE)必须用黄绿双色线。
1.5 电路配管、配线施工及电器、灯具安装除遵守本规定外,尚应符合国家现行有关标准规范的规定。
1.6 工程竣工时应向业主提供电气工程竣工图。
2 主要材料质量要求2.1 电器、电料的规格、型号应符合设计要求及国家现行电器产品标准的有关规定。
2.2 电器、电料的包装应完好,材料外观不应有破损,附件、备件应齐全。
2.3 塑料电线保护管及接线盒必须是阻燃型产品,外观不应有破损及变形。
2.4 金属电线保护管及接线盒外观不应有折扁和裂缝,管内应无毛刺,管口应平整。
2.5 通信系统使用的终端盒、接线盒与配电系统的开关、插座,宜选用同一系列产品。
3 施工要点3.1 应根据用电设备位置,确定管线走向、标高及开关、插座的位置。
3.2 电源线配线时,所用导线截面积应满足用电设备的最大输出功率。
3.3 暗线敷设必须配管。
当管线长度超过15m或有两个直角弯时,应增设拉线盒。
3.4 同一回路电线应穿入同一根管内,但管内总根数不应超过8根,电线总截面积(包括绝缘外皮)不应超过管内截面积的40%.3.5 电源线与通讯线不得穿入同一根管内。
3.6 电源线及插座与电视线及插座的水平间距不应小于500mm.3.7 电线与暖气、热水、煤气管之间的平行距离不应小于300mm,交叉距离不应小于100mm.3.8 穿入配管导线的接头应设在接线盒内,接头搭接应牢固,绝缘带包缠应均匀紧密。
3.9 安装电源插座时,面向插座的左侧应接零线(N),右侧应接相线(L),中间上方应接保护地线(PE)3.10 当吊灯自重在3kg及以上时,应先在顶板上安装后置埋件,然后将灯具固定在后置埋件上。
室内电气配管配线安装工程质量管理细则
一、施工准备:
(1)、作业班组施工前要了解施工意图,熟悉施工现场。
(2)、材料准备::
1)绝缘导线:导线的型号,规格必须符合设计要求,并有产品出厂合格证。
镀锌丝:应顺直无背扣,扭接等现象,并具有相应的机械拉力。
2)护口:应根据管径的大小选择相应规格的护口。
螺旋接线钮,应根据导线截面和导线的根数选择相应型号的加强型绝缘钢壳螺旋接线钮。
3)LC型压线帽:具有阻燃性能氧指数为难27%以上,适用于铝导线2.5mm、4m㎡两种结头压接,分为黄白红、绿蓝五种颜色,可根据导线截面和根数选择使用铝导线用绿蓝;铜铝用黄、白、红)。
4)套管:有铜套管,铜铝过度套管三种,选用时应采用与导线材质,规格相应的套管。
5)接线端子(接线鼻),应根据导线的根数和总截面选择相应规格的接线端子。
6)辅助材料:橡胶(或粘塑料)绝缘带,黑胶布、滑石粉、布条等。
7)小型工具由各劳务队自备,机具(手尖嘴钳、剥线钳、压接钳、放线架、放线车,电炉、锡锅等),仪表(万用表、兆欧表)应准备齐全,要求能满足施工要求。
(4)、作业条件:
1)、配管工程或线槽安装工程配合土建结构施工完毕。
2)、土建抹灰完成完成。
二、工艺流程:
1)选择导线:
a、应根据设计图规定选择导线。
进出户的导线宜使用橡胶绝缘导线。
b、相线,中性线及保护地线的颜色应加以区分,用淡蓝颜色的导线为中性线,用黄绿相间的导线为保护地线。
2)清扫管路:
①清扫管路的目的是清扫管路中的灰尘,泥水等到杂物。
清扫管路的方法:将布条两面三刀端牢固的绑扎在带线上两人来回拉动带线,将管内杂物清净。
3)穿带线:
①穿带线目的是检查管路是畅通,管路的走向及盒箱的位置是否符合设计要求。
②穿带线的方法:一般均采用Φ1.2~2.0mm的铁丝。
穿带线受阻时,应用两面三刀根铁丝同时搅动,使两根铁丝的端头互相钩绞在一起,然后将带线拉出。
4)放线及断线:
a、放线前应根据施工图导线的规格,型号进行核对;放线时导线应置于放线架或放线车上。
b、断线,剪断导线时,导线的预留长度应按以下四种情况考虑。
(1)接线盒,开关盒,插座盒及灯头盒内的预留长度为15cm
(2)配电箱内导线的预留长度应为配电箱箱体周长的1/2
(3)出户导线的预留长度应为1.5m
(4)公用导线在分支处,可不剪断导线而直接穿过。
5)导线与带线的绑扎:
①当导线根数较少时例如二至三根导线,可将导线前端的绝缘层削去,然后将线芯直接插入带线的盘圈内并折回压实。
绑扎牢固。
便绑扎处形成一个平滑的锥形过度部位。
②当导线根数较多或导线截面较大时可将导线前端的绝缘层削去,然后将线芯斜错排列在带上,用绑线缠绕绑扎牢固。
③使梆扎接头处形成一个滑的锥形过渡部位,便于穿线。
6)管内穿线:
①钢管(电线管)在穿线前,应首先检查各个管口的护口是否齐整,如有遗漏和破损,均应补齐和更换。
②当管路较长或转弯较多时,要在穿线的同时往管内吹入适量的滑石粉。
③两人穿线时,应配合协调,一拉一送。
④穿线时应注意下列问题:
(1)同交流回路的导线必须穿于同一管内。
(2)不同回路,不同电压和交流与直流的导线,不得穿入同一管内。
(3)导线在变形缝处,补尝装置应活动自如。
导线应留有一定的余度。
敷设于垂直管路中的导线,当超过下列长度时,应在管口处和接线盒中加以固定:截面积为50平方毫米及以下的导线为30m;截面积为70~95平方毫米的导线为20m;截面积在180~240平方毫米之间的导线为18m。
7)导线连接:
①导线连接应具备的条件:
(1)线接头不能增加电阻值。
(2)受力导线不能降低原机械强度。
(3)不能降低原绝缘强度。
②剥削绝缘使用工具及方法:
(1)剥削绝缘使用工具:
由于各种导线截面、绝缘层薄厚程度,分层多少都不同,因此使用剥削线的工具也不同。
常用的工具电工刀,克丝钳和剥削线钳,可进行削革力及剥削绝缘层。
一般4平方毫米以下的导线原则使用剥线钳,但使用电工刀时,不允许采用刀导线周围转圈转圈剥线绝缘层的方法。
(2)剥削绝缘方法:单层剥削削法,分段剥法。
斜削法。
③单芯铜导线的直线连接:
(1)绞接法:适用于4平方毫米以下的单芯线。
(2)缠卷法:适用6平方毫米及以上的单芯线的分支连接。
(3)十字分支导线连接做法。
(4)多芯铜线直接,多芯铜导线的连接共有三种方法,即单卷法;缠卷法和复卷法。
首先用细砂布将线芯表面的氧化膜清去,将两线芯导线的接合处的中心线剪掉2/3,将外侧线芯做伞状张开,相互交错叉成一体并将已张开的线端合成一体。
(5)多芯铜导线分支连接。
A缠卷法 B单卷法 C复卷法
(6)铜导线在接线盒内的连接。
A单芯线并接头 B不同直径导线接头 C、LC安全型压线帽
D、加强型绝缘钢壳螺旋接线钮。
(1)套管压接:
(2)导线与平压式接线柱连接单芯线连接
(3)导线与针孔式接线桩连接
8)导线包扎:
首先用橡胶(或粘塑料)绝缘带从导线接头处始端的完好绝缘层开始,缠饶1~2个绝缘带幅宽度,再以半幅宽度重叠缠绕。
在包扎过程中应尽可能的收紧绝缘带。
最后在绝缘层上缠绕1—2圈后,再进行回缠,采用黑胶布包扎,包扎时要衔接好以半幅宽度边压边进行缠绕,同时在包扎过程中收紧胶布,导线接头处两端应用黑胶布封严密。
包扎后应呈枣核形。
10)线路检查及绝缘摇测:
四、质量标准:
按《建筑电气工程质量验收规范》(GB50303-2002)、《建筑设备安装分项工程施工工艺标准》、《建筑安装工程施工图集》进行验收。
(1)主控项目:
1)导线的规格型号必须符合设计要求和国家标准的规定。
2)照明电路的绝缘值不小于0.5MΩ,动力线路的绝缘电阻值不小于1MΩ检查方法:检查资料,观察检查,绝缘遥测。
(2)一般项目:
1)管内穿箱内清洁无杂物,护口、护线套管齐全无脱落,导线排列整齐,并留有适当余量。
导线在管子内无接头,不进入盒、箱的垂直管子上口穿线后密封处理良好,导线国家利益牢固,包扎严密,绝缘良好,不伤芯。
2)保护接地线,中性线截面选用正确,线色符合规定,连接牢固紧密。
检查方法:观察。
五、应注意的质量问题:
1)在施工中存在护口遗漏,脱落,破损及与管经不符合等现象。
因操作不慎而使护口遗漏或脱落者应及时补齐,护口破损与管径不符者及时更换。
铜导线连接时,导线的缠绕圈数不足圈,未按工艺要求连接的接头应拆除重交底内容新连接。
2)导线连接处的焊锡不饱满,出现虚焊,夹渣等现象。
焊锡的温度要适当,涮锡要均匀。
涮锡后应用布条及时擦去多余的焊剂保护接头部分的洁净。
3)导线线芯受损是由于用力过猛和剥线钳相应的刀口。
4)多股软铜线涮锡遗漏,应及时进行补焊锡。
5)接头部分包扎不平整、不严密。
应按工艺要求重新进行包扎。
6)螺旋接线钮松动和线芯外露。
接线钮不合格,及线芯、剪得余量过短都会造成其松动,线芯剪得太长就会造成线芯的预留长度应取1.2mm为宜。
7)线路的绝缘电阻值偏低。
管路内可能进水或者绝缘层受损都将造成绝缘电阻值偏低。
应将管路中的泥水及时清干净或更换导线。
8)LC型压线帽需注意伪劣产品,即塑料帽氧指数低于27%的性能指标,不阻燃;压接管管径尺寸误差过大,未经过镀银处理;出现上述现象不得使用,必须上接不实,因此在使用LC型压线帽与线径配套的产品,压接前填充实,压接牢固,线芯不得外露。
六、安全文明施工:
(1)、作业时着装应符合安全要求。
(2)、禁止酒后作业。
(3)、煨管时应注意周边人员安全,以免误伤。
(4)、在上方打孔眼,下面不得有人作业或站立。
应在下面周围设禁区。
(5)、使用的作业工具,应搁置在顺手稳妥的地方,防止坠落伤人。
七、成品保护:
1)穿线时不得污染设备和建筑物品,应保持周围环境清洁。
2)使用高登及其它工具时应注意不得碰坏其它设备和门窗,墙面,地面等。
梯子进入厨卫时应用塑料包住四角,避免破坏厨卫防水。
3)在接、焊、色全部过程完后,应将导线的接线头盘入盒、箱内并用纸封堵严实,以防污染。
同时应防止盒、箱内进水。
4)穿线时不得遗漏带护线套管或护口。