天然气-用气量指标和年用气量计算
- 格式:doc
- 大小:114.50 KB
- 文档页数:5
城市天然气的年用气量1.各类用户的用气量指标用气量指标又称为耗气定额,常用热量指标来表示用气量指标。
(1)居民生活用气量指标居民生活用气量指标是指城镇居民每人每年平均天然气的用气量。
影响居民生活用气量指标的因素很多,如地区的气候条件、居民生活水平和饮食生活习惯、居民每户平均人口数、住宅内用气设备的设置情况、公共生活服务网的发展情况、燃气价格等。
通常, 低,则居民生活用气量指标也高。
但是, 进,居民生活用气量又会下降。
上述各种因素错综复杂、相互制约, 住宅内用气设备齐全,地区的平均气温随着公共生活服务网的发展以及燃具改因此对居民生活用气量指标的影响无法精确确定。
一般情况下需统计 5〜20年的实际运行数据作为基本依据,用数学方法处理统计数据,并建立适用的数学模型,分析确定;并预测未来发展趋势,然 后提出可靠的用气量指标推荐值。
我国一些地区和城市的居民生活用气量指标见表 4・1。
表4・1城镇的居民生活用气量指标单位:MJ/(人•年)(2)公共建筑用气量指标影响公共建筑用户用气量指标的因素主要有城市天然气的供应情况、用气 设备性能、热效率、加工食品的方式和地区的气候条件等。
公共建筑用气量指标一般也应根据当地公共建筑用气量的统计数据分析确定。
我国几种公共建筑用气量指标见表4・2 o表4・2公共建筑用气量指标(3)工业企业用气量指标工业企业用气量指标可由产品的耗气定额或其他燃料的实际消耗量进行折算,也可以按照同行业的用气量指标分析确定。
我国部分工业产品的用气量指标见表4・3 o(4)建筑采暖及空调用气量指标采暖和空调用气量指标可按国家现行标准《城市热力管网设计规范》CJJ 34或当地建筑物耗热量指标确定。
表4・3部分工业产品的用气量指标(5)天然气汽车用气量指标天然气汽车用气量指标应根据当地天然气汽车种类、车型和使用量的统计数据分析确定。
当缺乏用气量的实际统计资料时,可参照已有燃气汽车城镇的用气量指标分析确定。
城市天然气的年用气量1. 各类用户的用气量指标用气量指标又称为耗气定额,常用热量指标来表示用气量指标。
(1) 居民生活用气量指标居民生活用气量指标是指城镇居民每人每年平均天然气的用气量。
影响居民生活用气量指标的因素很多,如地区的气候条件、居民生活水平和饮食生活习惯、居民每户平均人口数、住宅内用气设备的设置情况、公共生活服务网的发展情况、燃气价格等。
通常,住宅内用气设备齐全,地区的平均气温低,则居民生活用气量指标也高。
但是,随着公共生活服务网的发展以及燃具改进,居民生活用气量又会下降。
上述各种因素错综复杂、相互制约,因此对居民生活用气量指标的影响无法精确确定。
一般情况下需统计5~20 年的实际运行数据作为基本依据,用数学方法处理统计数据,并建立适用的数学模型,分析确定;并预测未来发展趋势,然后提出可靠的用气量指标推荐值。
我国一些地区和城市的居民生活用气量指标见表4-1 。
表 4-1 城镇的居民生活用气量指标单位: MJ/( 人·年)有集中供 无集中供暖 有集中供 无集中供城镇地区的用户 城镇地区暖的用户暖的用户暖的用户2303~ 1884~2303成都2512~ 东北地区29312721华东、中南地2093~2303上海—2303~ —2512区2721~ 2512~2931北京3140(2) 公共建筑用气量指标影响公共建筑用户用气量指标的因素主要有城市天然气的供应情况、用气设备性能、热效率、加工食品的方式和地区的气候条件等。
公共建筑用气量指标一般也应根据当地公共建筑用气量的统计数据分析确定。
我国几种公共建筑用气量指标见表4-2 。
表 4-2 公共建筑用气量指标类别 用气量指标 单位 类别 用气量指标 单位职工食堂 1884~ 2303 MJ/( 人 ·年 ) 医院2931~ 4187 MJ/( 床位 · 年)饮食业7955~ 9211MJ/( 座 ·年 )有餐 MJ/( 床位 · 年)3350~ 5024招待所旅厅1884~ 2515MJ/( 人 ·年 )馆无餐MJ/( 床位 · 年) 托儿所 全托670 ~1047幼儿园厅日托 1256~ 1675 MJ/( 人 ·年 )宾馆8374~10467MJ/( 床位 · 年)(3)工业企业用气量指标工业企业用气量指标可由产品的耗气定额或其他燃料的实际消耗量进行折算,也可以按照同行业的用气量指标分析确定。
天然气的热值:31.4MJ/m3城市天然气的年用气量2010-7-81. 各类用户的用气量指标用气量指标又称为耗气定额,常用热量指标来表示用气量指标。
(1) 居民生活用气量指标居民生活用气量指标是指城镇居民每人每年平均天然气的用气量。
影响居民生活用气量指标的因素很多,如地区的气候条件、居民生活水平和饮食生活习惯、居民每户平均人口数、住宅内用气设备的设置情况、公共生活服务网的发展情况、燃气价格等。
通常,住宅内用气设备齐全,地区的平均气温低,则居民生活用气量指标也高。
但是,随着公共生活服务网的发展以及燃具改进,居民生活用气量又会下降。
上述各种因素错综复杂、相互制约,因此对居民生活用气量指标的影响无法精确确定。
一般情况下需统计5~20年的实际运行数据作为基本依据,用数学方法处理统计数据,并建立适用的数学模型,分析确定;并预测未来发展趋势,然后提出可靠的用气量指标推荐值。
我国一些地区和城市的居民生活用气量指标见表4-1。
(2) 公共建筑用气量指标影响公共建筑用户用气量指标的因素主要有城市天然气的供应情况、用气设备性能、热效率、加工食品的方式和地区的气候条件等。
公共建筑用气量指标一般也应根据当地公共建筑用气量的统计数据分析确定。
我国几种公共建筑用气量指标见表4-2。
(3) 工业企业用气量指标工业企业用气量指标可由产品的耗气定额或其他燃料的实际消耗量进行折算,也可以按照同行业的用气量指标分析确定。
我国部分工业产品的用气量指标见表4-3。
(4) 建筑采暖及空调用气量指标采暖和空调用气量指标可按国家现行标准《城市热力管网设计规范》CJJ 34或当地建筑物耗热量指标确定。
(5) 天然气汽车用气量指标天然气汽车用气量指标应根据当地天然气汽车种类、车型和使用量的统计数据分析确定。
当缺乏用气量的实际统计资料时,可参照已有燃气汽车城镇的用气量指标分析确定。
2. 城市天然气年用气量计算在进行城市天然气配气系统的设计时,首先要确定燃气需要量,即年用气量。
城市天然气的年用气量1、各类用户的用气量指标用气量指标又称为耗气定额,常用热量指标来表示用气量指标。
(1) 居民生活用气量指标居民生活用气量指标就是指城镇居民每人每年平均天然气的用气量。
影响居民生活用气量指标的因素很多,如地区的气候条件、居民生活水平与饮食生活习惯、居民每户平均人口数、住宅内用气设备的设置情况、公共生活服务网的发展情况、燃气价格等。
通常,住宅内用气设备齐全,地区的平均气温低,则居民生活用气量指标也高。
但就是,随着公共生活服务网的发展以及燃具改进,居民生活用气量又会下降。
上述各种因素错综复杂、相互制约,因此对居民生活用气量指标的影响无法精确确定。
一般情况下需统计5~20年的实际运行数据作为基本依据,用数学方法处理统计数据,并建立适用的数学模型,分析确定;并预测未来发展趋势,然后提出可靠的用气量指标推荐值。
我国一些地区与城市的居民生活用气量指标见表4-1。
)(2) 公共建筑用气量指标影响公共建筑用户用气量指标的因素主要有城市天然气的供应情况、用气设备性能、热效率、加工食品的方式与地区的气候条件等。
公共建筑用气量指标一般也应根据当地公共建筑用气量的统计数据分析确定。
我国几种公共建筑用气量指标见表4-2。
(3) 工业企业用气量指标工业企业用气量指标可由产品的耗气定额或其她燃料的实际消耗量进行折算,也可以按照同行业的用气量指标分析确定。
我国部分工业产品的用气量指标见表4-3。
(4) 建筑采暖及空调用气量指标采暖与空调用气量指标可按国家现行标准《城市热力管网设计规范》CJJ 34或当地建筑物耗热量指标确定。
(5) 天然气汽车用气量指标天然气汽车用气量指标应根据当地天然气汽车种类、车型与使用量的统计数据分析确定。
当缺乏用气量的实际统计资料时,可参照已有燃气汽车城镇的用气量指标分析确定。
2、城市天然气年用气量计算在进行城市天然气配气系统的设计时,首先要确定燃气需要量,即年用气量。
年用气量就是确定气源、管网与设备燃气通过能力的依据。
天然气用气量指标
天然气用气量可以通过以下指标进行衡量:
1. 用气量总量:表示某一地区或企业在特定时间范围内使用的天然气总量。
这是衡量天然气用量最常见的指标之一。
2. 用气量增长率:表示某一地区或企业天然气用气量在两个时间点之间的增长幅度。
这个指标可以用来评估天然气供应和需求的变化趋势。
3. 用气量国内占比:表示某一国家或地区使用国内生产的天然气所占的比例。
这个指标可以反映天然气的自给率和对进口天然气的依赖程度。
4. 用气量行业占比:表示某一行业使用天然气所占的比例。
天然气在不同行业中的使用量差异很大,该指标可以帮助确定天然气在不同行业中的重要性和潜力。
5. 用气量人均指标:表示单位人口使用的天然气量。
这是衡量天然气消费水平的指标,可以用来比较不同国家或地区之间的天然气消费水平差异。
这些指标可以通过收集相关数据来计算和分析,帮助评估天然气的供需情况、消费趋势和行业结构,为制定天然气政策和规划提供参考依据。
城市天然气的年用气量欧阳光明(2021.03.07)1. 各类用户的用气量指标用气量指标又称为耗气定额,常用热量指标来表示用气量指标。
(1) 居民生活用气量指标居民生活用气量指标是指城镇居民每人每年平均天然气的用气量。
影响居民生活用气量指标的因素很多,如地区的气候条件、居民生活水平和饮食生活习惯、居民每户平均人口数、住宅内用气设备的设置情况、公共生活服务网的发展情况、燃气价格等。
通常,住宅内用气设备齐全,地区的平均气温低,则居民生活用气量指标也高。
但是,随着公共生活服务网的发展以及燃具改进,居民生活用气量又会下降。
上述各种因素错综复杂、相互制约,因此对居民生活用气量指标的影响无法精确确定。
一般情况下需统计5~20年的实际运行数据作为基本依据,用数学方法处理统计数据,并建立适用的数学模型,分析确定;并预测未来发展趋势,然后提出可靠的用气量指标推荐值。
我国一些地区和城市的居民生活用气量指标见表4-1。
表4-1 城镇的居民生活用气量指标单位:MJ/(人·年)(2) 公共建筑用气量指标影响公共建筑用户用气量指标的因素主要有城市天然气的供应情况、用气设备性能、热效率、加工食品的方式和地区的气候条件等。
公共建筑用气量指标一般也应根据当地公共建筑用气量的统计数据分析确定。
我国几种公共建筑用气量指标见表4-2。
表4-2 公共建筑用气量指标(3) 工业企业用气量指标工业企业用气量指标可由产品的耗气定额或其他燃料的实际消耗量进行折算,也可以按照同行业的用气量指标分析确定。
我国部分工业产品的用气量指标见表4-3。
(4) 建筑采暖及空调用气量指标采暖和空调用气量指标可按国家现行标准《城市热力管网设计规范》CJJ 34或当地建筑物耗热量指标确定。
表4-3 部分工业产品的用气量指标(5) 天然气汽车用气量指标天然气汽车用气量指标应根据当地天然气汽车种类、车型和使用量的统计数据分析确定。
当缺乏用气量的实际统计资料时,可参照已有燃气汽车城镇的用气量指标分析确定。
天然气-用气量指标和年用气量计算
一、介绍
天然气是一种清洁、高效的能源,被广泛应用于家庭和工业领域。
在使用天然
气时,经常需要了解用气量的一些基础知识和指标,以指导用气情况的控制和计算。
本文将讨论用气量指标和如何计算年用气量。
二、用气量指标
1. 立方米/时
立方米/时是指每小时流经计量仪器的天然气体积。
用此指标可快速了解天然
气使用的实时情况,是一种常用的天然气指标单位。
2. 立方米/户·月
立方米/户·月是指每户每月天然气使用量,该指标是以居民家庭为单位使用的,可真实反映用气量情况,常用于城市的居民燃气系统计量。
3. 立方米/万元·元
立方米/万元·元是指每万元生产产值所需消耗的天然气体积。
该指标是以单位
产值为基准计算的,可评估企业的能耗水平和节能效果。
三、年用气量计算
天然气用气量的计算主要以年用气量为主,而年用气量的计算又可以以月度或
季度用气量为基础。
以下是基于季度用气量的计算方法:
1. 季度用气量的计算
季度用气量 = 第二个季度末累计表数 - 第一个季度末累计表数
即:季度用气量 = 第二季度末表数 - 第一季度末表数
2. 年用气量的计算
年用气量 = 第四个季度末累计表数 - 第一个季度末累计表数
即:年用气量 = 第四季度末表数 - 第一季度末表数
四、
以上是天然气用气量指标和年用气量的计算方法,如需测算用气量,可根据实际情况选择合适的指标方法和计算公式。
同时,从节能的角度出发,我们也应在实际生产和生活中努力提高天然气的使用效率,实现可持续发展。
城市天然气的年用气量1. 各类用户的用气量指标用气量指标又称为耗气定额,常用热量指标来表示用气量指标。
(1) 居民生活用气量指标居民生活用气量指标是指城镇居民每人每年平均天然气的用气量。
影响居民生活用气量指标的因素很多,如地区的气候条件、居民生活水平和饮食生活习惯、居民每户平均人口数、住宅内用气设备的设置情况、公共生活服务网的发展情况、燃气价格等。
通常,住宅内用气设备齐全,地区的平均气温低,则居民生活用气量指标也高。
但是,随着公共生活服务网的发展以及燃具改进,居民生活用气量又会下降。
上述各种因素错综复杂、相互制约,因此对居民生活用气量指标的影响无法精确确定。
一般情况下需统计5~20年的实际运行数据作为基本依据,用数学方法处理统计数据,并建立适用的数学模型,分析确定;并预测未来发展趋势,然后提出可靠的用气量指标推荐值。
我国一些地区和城市的居民生活用气量指标见表4-1。
·年)(2) 公共建筑用气量指标影响公共建筑用户用气量指标的因素主要有城市天然气的供应情况、用气设备性能、热效率、加工食品的方式和地区的气候条件等。
公共建筑用气量指标一般也应根据当地公共建筑用气量的统计数据分析确定。
我国几种公共建筑用气量指标见表4-2。
表4-2 公共建筑用气量指标(3) 工业企业用气量指标工业企业用气量指标可由产品的耗气定额或其他燃料的实际消耗量进行折算,也可以按照同行业的用气量指标分析确定。
我国部分工业产品的用气量指标见表4-3。
(4) 建筑采暖及空调用气量指标采暖和空调用气量指标可按国家现行标准《城市热力管网设计规范》CJJ 34或当地建筑物耗热量指标确定。
表4-3 部分工业产品的用气量指标(5) 天然气汽车用气量指标天然气汽车用气量指标应根据当地天然气汽车种类、车型和使用量的统计数据分析确定。
当缺乏用气量的实际统计资料时,可参照已有燃气汽车城镇的用气量指标分析确定。
2. 城市天然气年用气量计算在进行城市天然气配气系统的设计时,首先要确定燃气需要量,即年用气量。
创作编号:GB8878185555334563BT9125XW创作者:凤呜大王*天然气市场用气量预测公式一、相关换算数值(一)1方天然气相当于1.1升汽油(二)一吨柴油相当于1134方天然气(三)一吨重油相当于1080方天然气(四)一吨石油液化气相当于1160方天然气(五)一吨煤相当于740方天然气(煤的热值为7000大卡)(六)新疆天然气热值一般在8500-9000大卡不等二、民用气用气量测算公式(一)已知市场用量测算(已有市场深度开发)1、商服用气量测算公式(1)餐饮用气量测算公式:A、职工食堂用气量测算公式:人数×0.09方/人=日用气量×年用气量天数=年用气量;B、酒店餐饮日均用气量测算公式(住宿):酒店床位数(人)×入住率×0.09方/人(设计院提供三餐)=日均用气量×年用气量天数=年用气量;C、餐厅日均用气量测算公式(对外营业):客流量(人次)×0.03方/人(设计院提供一餐)=日均用气量×年用气量天数=年用气量。
(2)洗浴业用气量测算公式:客流量(人次)×0.09方/人=日均用气量×年用气量天数=年用气量。
2、居民用气量测算公式居民用气量测算公式:户数×0.4方/户=日用气量×年用气量天数=年用气量。
3、民用气用气量测算公式民用气用气量=商服用气+居民用气。
(二)未知市场用量测算(新市场开发)1、数据来源:各地统计局,各年度《统计年鉴》2、历史人口增长率(1)历史人口:《统计年鉴》三-五年人口数据(2)在计算出个年人口环比的情况下,求出三-五年人口环比平均自然增长率(3)历史城镇人口:《统计年鉴》三-五年人口数据(4)历史城镇人口环比增长率:由《统计年鉴》三-五年人口数据中,计算出平均人口环比增长率3、未来若干年人口增长预测(1)当年人口数量=上一年人口数量×历史人口环比平均自然增长率+上一年人口数量(以此类推)(2)当年城镇人口数量=上一年城镇人口数量×历史城镇人口环比平均自然增长率+上一年城镇人口数量(以此类推)(3)居民户数测算=当年城镇人口数量÷单户均平人口数(《统计年鉴》)4、民用气预测(1)居民用气市场容量预测:居民用气市场容量=居民户数×0.4方/户×80%(开发率,根据城市规模、居民居住集中度、楼房与平房比率确定,一般按80%计算较为适宜,在分年度计算时,请把握年度开发梯度)(2)商服用气市场容量预测:商服用气市场容量=居民用气市场容量×100%(不同经济发展水平的城市比率不同,一般省会城市、发达地级城市可达此比率,欠发达地区按80%计算,不发达地区按60%计算较为适宜)(3)民用气市场容量预测民用气市场容量=居民用气市场容量+商服用气市场容量三、采暖用气测算公式(针对北方采暖区)(一)已知市场用量测算(已有市场深度开发)1、采暖锅炉吨位测算公式:建筑总面积÷6500M2/T=采暖锅炉吨位;2、采暖日均用气量测算公式:采暖锅炉吨位×70方/T.小时*日用气量时间(由供暖企业获得)=日用气量;3、采暖年用气量测算公式:日用气量×年用气量天数=年用气量;(二)未知市场用量测算(新市场开发)1、数据来源:《统计年鉴》2、采暖锅炉吨位测算公式:全社会房屋竣工面积×80%(使用率)÷6500M2/T=采暖锅炉吨位;3、采暖日均用气量测算公式:采暖锅炉吨位×65方/T.小时×日用气量时间=日用气量;4、采暖年用气量测算公式:日用气量×年用气量天数=年用气量;四、工业用气量测算公式(一)已知市场用量测算(已有市场深度开发)1、条件:已知用气设备小时耗气量、数量情况下,用以下公式。
城市天然气的年用气量1. 各类用户的用气量指标用气量指标又称为耗气定额,常用热量指标来表示用气量指标。
(1) 居民生活用气量指标居民生活用气量指标是指城镇居民每人每年平均天然气的用气量。
影响居民生活用气量指标的因素很多,如地区的气候条件、居民生活水平和饮食生活习惯、居民每户平均人口数、住宅内用气设备的设置情况、公共生活服务网的发展情况、燃气价格等。
通常,住宅内用气设备齐全,地区的平均气温低,则居民生活用气量指标也高。
但是,随着公共生活服务网的发展以及燃具改进,居民生活用气量又会下降。
上述各种因素错综复杂、相互制约,因此对居民生活用气量指标的影响无法精确确定。
一般情况下需统计5~20年的实际运行数据作为基本依据,用数学方法处理统计数据,并建立适用的数学模型,分析确定;并预测未来发展趋势,然后提出可靠的用气量指标推荐值。
我国一些地区和城市的居民生活用气量指标见表4-1。
表4-1 城镇的居民生活用气量指标单位:MJ/(人·年)(2) 公共建筑用气量指标影响公共建筑用户用气量指标的因素主要有城市天然气的供应情况、用气设备性能、热效率、加工食品的方式和地区的气候条件等。
公共建筑用气量指标一般也应根据当地公共建筑用气量的统计数据分析确定。
我国几种公共建筑用气量指标见表4-2。
表4-2 公共建筑用气量指标(3) 工业企业用气量指标工业企业用气量指标可由产品的耗气定额或其他燃料的实际消耗量进行折算,也可以按照同行业的用气量指标分析确定。
我国部分工业产品的用气量指标见表4-3。
(4) 建筑采暖及空调用气量指标采暖和空调用气量指标可按国家现行标准《城市热力管网设计规范》CJJ 34或当地建筑物耗热量指标确定。
表4-3 部分工业产品的用气量指标(5) 天然气汽车用气量指标天然气汽车用气量指标应根据当地天然气汽车种类、车型和使用量的统计数据分析确定。
当缺乏用气量的实际统计资料时,可参照已有燃气汽车城镇的用气量指标分析确定。
For personal use only in study and research; not for commercialuse城市天然气的年用气量??? 1. 各类用户的用气量指标? ??用气量指标又称为耗气定额,常用热量指标来表示用气量指标。
? ??(1) 居民生活用气量指标? ??居民生活用气量指标是指城镇居民每人每年平均天然气的用气量。
??? 影响居民生活用气量指标的因素很多,如地区的气候条件、居民生活水平和饮食生活习惯、居民每户平均人口数、住宅内用气设备的设置情况、公共生活服务网的发展情况、燃气价格等。
通常,住宅内用气设备齐全,地区的平均气温低,则居民生活用气量指标也高。
但是,随着公共生活服务网的发展以及燃具改进,居民生活用气量又会下降。
上述各种因素错综复杂、相互制约,因此对居民生活用气量指标的影响无法精确确定。
一般情况下需统计5~20年的实际运行数据作为基本依据,用数学方法处理统计数据,并建立适用的数学模型,分析确定;并预测未来发展趋势,然后提出可靠的用气量指标推荐值。
我国一些地区和城市的居民生活用气量指标见表4-1。
)??? (2) 公共建筑用气量指标??? 影响公共建筑用户用气量指标的因素主要有城市天然气的供应情况、用气设备性能、热效率、加工食品的方式和地区的气候条件等。
??? 公共建筑用气量指标一般也应根据当地公共建筑用气量的统计数据分析确定。
??? 我国几种公共建筑用气量指标见表4-2。
??? (3) 工业企业用气量指标??? 工业企业用气量指标可由产品的耗气定额或其他燃料的实际消耗量进行折算,也可以按照同行业的用气量指标分析确定。
我国部分工业产品的用气量指标见表4-3。
??? (4) 建筑采暖及空调用气量指标??? 采暖和空调用气量指标可按国家现行标准《城市热力管网设计规范》CJJ 34或当地建筑物耗热量指标确定。
??? (5) 天然气汽车用气量指标? ??天然气汽车用气量指标应根据当地天然气汽车种类、车型和使用量的统计数据分析确定。
城市天然气的年用气量2010-7-81. 各类用户的用气量指标用气量指标又称为耗气定额,常用热量指标来表示用气量指标。
(1) 居民生活用气量指标居民生活用气量指标是指城镇居民每人每年平均天然气的用气量。
影响居民生活用气量指标的因素很多,如地区的气候条件、居民生活水平和饮食生活习惯、居民每户平均人口数、住宅内用气设备的设置情况、公共生活服务网的发展情况、燃气价格等。
通常,住宅内用气设备齐全,地区的平均气温低,则居民生活用气量指标也高。
但是,随着公共生活服务网的发展以及燃具改进,居民生活用气量又会下降。
上述各种因素错综复杂、相互制约,因此对居民生活用气量指标的影响无法精确确定。
一般情况下需统计5〜20年的实际运行数据作为基本依据,用数学方法处理统计数据,并建立适用的数学模型,分析确定;并预测未来发展趋势,然后提出可靠的用气量指标推荐值。
我国一些地区和城市的居民生活用气量指标见表4-1。
表4-1城镇的居民生活用气量指标单位:MJ/(人•年(2) 公共建筑用气量指标影响公共建筑用户用气量指标的因素主要有城市天然气的供应情况、用气设备性能、热效率、加工食品的方式和地区的气候条件等。
公共建筑用气量指标一般也应根据当地公共建筑用气量的统计数据分析确工业企业用气量指标工业企业用气量指标可由产品的耗气定额或其他燃料的实际消耗量进行折算,也可以按照同行业的用气量指标分析确定。
我国部分工业产品的用气量指标见表4-3。
(4)建筑采暖及空调用气量指标采暖和空调用气量指标可按国家现行标准《城市热力管网设计规范》CJJ 34或当地建筑物耗热量指标确定。
天然气汽车用气量指标天然气汽车用气量指标应根据当地天然气汽车种类、车型和使用量的统计数据分析确定。
当缺乏用气量的实际统计资料时,可参照已有燃气汽车城镇的用气量指标分析确定。
2. 城市天然气年用气量计算在进行城市天然气配气系统的设计时,首先要确定燃气需要量,即年用气量。
年用气量是确定气源、管网和设备燃气通过能力的依据。
城市天然气的年用气量各类用户的用气量指标用气量指标又称为耗气定额,常用热量指标来表示用气量指标。
(1)居民生活用气量指标居民生活用气量指标是指城镇居民每人每年平均天然气的用气量。
影响居民生活用气量指标的因素很多,如地区的气候条件、居民生活水平和饮食生活习惯、居民每户平均人口数、 服务网的发展情况、燃气价格等。
通常, 住宅内用气设备的设置情况、公共生活 住宅内用气设备齐全,地区的平均气温低,则居民生活用气量指标也高。
但是,进,居民生活用气量又会下降。
随着公共生活服务网的发展以及燃具改上述各种因素错综复杂、相互制约,因此对居民生活用气量指标的影响无法精确确定。
一般情况下需统计 5〜20年的实际运行数据作为基本依据,用数学方后提出可靠的用气量指标推荐值。
影响公共建筑用户用气量指标的因素主要有城市天然气的供应情况、用气设备性能、热效率、加工食品的方式和地区的气候条件等。
公共建筑用气量指标一般也应根据当地公共建筑用气量的统计数据分析确定。
表4・2公共建筑用气量指标表4・1城镇的居民生活用气量指标单位:MJ/(人・年)(2)公共建筑用气量指标法处理统计数据,并建立适用的数学模型,分析确定;并预测未来发展趋势,然我国一些地区和城市的居民生活用气量指标见表4-1。
我国几种公共建筑用气量指标见表4-2。
(3)工业企业用气量指标丄业企业用气量指标可由产品的耗气定额或其他燃料的实际消耗量进行折算,也可以按照同行业的用气量指标分析确定。
我国部分工业产品的用气量指标见表4・3O(4)建筑采暖及空调用气量指标CJJ 采暖和空调用气量指标可按国家现行标准《城市热力管网设计规范》34或当地建筑物耗热量指标确定。
表4・3部分工业产品的用气量指标(5)天然气汽车用气量指标天然气汽车用气量指标应根据当地天然气汽车种类、车型和使用量的统计数据分析确定。
当缺乏用气量的实际统计资料时,可参照已有燃气汽车城镇的用气量指标分析确定。
2.城市天然气年用气量计算在进行城市天然气配气系统的设计时,首先要确定燃气需要量,即年用气量。
城市天然气的年用气量1. 各类用户的用气量指标用气量指标又称为耗气定额,常用热量指标来表示用气量指标。
(1) 居民生活用气量指标居民生活用气量指标是指城镇居民每人每年平均天然气的用气量。
影响居民生活用气量指标的因素很多,如地区的气候条件、居民生活水平和饮食生活习惯、居民每户平均人口数、住宅内用气设备的设置情况、公共生活服务网的发展情况、燃气价格等。
通常,住宅内用气设备齐全,地区的平均气温低,则居民生活用气量指标也高。
但是,随着公共生活服务网的发展以及燃具改进,居民生活用气量又会下降。
上述各种因素错综复杂、相互制约,因此对居民生活用气量指标的影响无法精确确定。
一般情况下需统计5~20年的实际运行数据作为基本依据,用数学方法处理统计数据,并建立适用的数学模型,分析确定;并预测未来发展趋势,然后提出可靠的用气量指标推荐值。
我国一些地区和城市的居民生活用气量指标见表4-1。
)(2) 公共建筑用气量指标影响公共建筑用户用气量指标的因素主要有城市天然气的供应情况、用气设备性能、热效率、加工食品的方式和地区的气候条件等。
公共建筑用气量指标一般也应根据当地公共建筑用气量的统计数据分析确定。
我国几种公共建筑用气量指标见表4-2。
(3) 工业企业用气量指标工业企业用气量指标可由产品的耗气定额或其他燃料的实际消耗量进行折算,也可以按照同行业的用气量指标分析确定。
我国部分工业产品的用气量指标见表4-3。
(4) 建筑采暖及空调用气量指标采暖和空调用气量指标可按国家现行标准《城市热力管网设计规范》CJJ 34或当地建筑物耗热量指标确定。
(5) 天然气汽车用气量指标天然气汽车用气量指标应根据当地天然气汽车种类、车型和使用量的统计数据分析确定。
当缺乏用气量的实际统计资料时,可参照已有燃气汽车城镇的用气量指标分析确定。
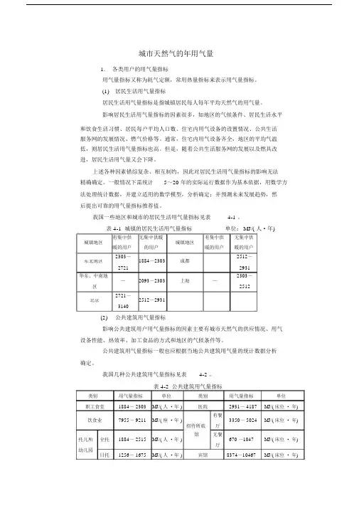
城市天然气的年用气量
1. 各类用户的用气量指标
用气量指标又称为耗气定额,常用热量指标来表示用气量指标。
(1) 居民生活用气量指标
居民生活用气量指标是指城镇居民每人每年平均天然气的用气量。
影响居民生活用气量指标的因素很多,如地区的气候条件、居民生活水平和饮食生活习惯、居民每户平均人口数、住宅内用气设备的设置情况、公共生活服务网的发展情况、燃气价格等。
通常,住宅内用气设备齐全,地区的平均气温低,则居民生活用气量指标也高。
但是,随着公共生活服务网的发展以及燃具改进,居民生活用气量又会下降。
上述各种因素错综复杂、相互制约,因此对居民生活用气量指标的影响无法精确确定。
一般情况下需统计5~20年的实际运行数据作为基本依据,用数学方法处理统计数据,并建立适用的数学模型,分析确定;并预测未来发展趋势,然后提出可靠的用气量指标推荐值。
我国一些地区和城市的居民生活用气量指标见表4-1。
)
《
(2) 公共建筑用气量指标
影响公共建筑用户用气量指标的因素主要有城市天然气的供应情况、用气设备性能、热效率、加工食品的方式和地区的气候条件等。
公共建筑用气量指标一般也应根据当地公共建筑用气量的统计数据分析确定。
我国几种公共建筑用气量指标见表4-2。
(3) 工业企业用气量指标
工业企业用气量指标可由产品的耗气定额或其他燃料的实际消耗量进行折算,也可以按照同行业的用气量指标分析确定。
我国部分工业产品的用气量指标见表4-3。
(4) 建筑采暖及空调用气量指标
采暖和空调用气量指标可按国家现行标准《城市热力管网设计规范》CJJ 34或当地建筑物耗热量指标确定。
,
:
(5) 天然气汽车用气量指标
天然气汽车用气量指标应根据当地天然气汽车种类、车型和使用量的统计数据分析确定。
当缺乏用气量的实际统计资料时,可参照已有燃气汽车城镇的用气量指标分析确定。
}
2. 城市天然气年用气量计算
在进行城市天然气配气系统的设计时,首先要确定燃气需要量,即年用气量。
年用气量是确定气源、管网和设备燃气通过能力的依据。
年用气量主要取决于用户的类型、数量及各类用户的用气量指标。
因此城市天然气年用气量一般按用户类型分别计算后汇总。
(1) 居民生活年用气量
在计算居民生活年用气量时,需要确定用气人数。
居民用气人数取决于城镇居民人口数及气化率。
城镇居民气化率是指城镇用气人口数占城镇总人口数的百分数。
一般由于城镇中存在着新建住宅、采用其他能源供应形式的建筑以及不适于供气条件的旧房屋或居民点离管网过远等情况,城镇居民的气化率很难达到1 00%。
根据居民生活用气量指标、居民总数、气化率即可按下式计算出居民生活年用气量。
)
式中Q a——居民生活年用气量,m3/a;
N——居民人数,人;
k——气化率,%;
q——居民生活用气量指标,kJ/(人·年)
H i——天然气的低热值,kJ/m3。
(2) 公共建筑年用气量
公共建筑年用气量的计算,首先要确定各类用户的用气量指标、居民数及各类用户用气人数占总人口的比例。
对于公共建筑,用气人口数取决于城市居民人口数和公共建筑设施标准。
列入这种标准的有:1000居民中入托儿所、幼儿园的
人数,为1000居民设置的医院、旅馆床位数等。
在规划设计阶段,公共建筑的年用气量可由下式确定:
式中Q a——公共建筑年用气量,m3/a;
N——居民人口数,人;
M一各类用户用气人数占总人口的比例数,%;
>
q——各类公共建筑用气量指标;kJ/(人·年);
H i——天然气的低热值,kJ/m3。
当公共建筑用户的用气量不能准确计算时,还可以在考虑公共建筑设施建设标准的前提下,按城镇居民生活年用气量的某一比例进行估算。
例如,在计算出城镇居民生活的年用气量后,可按居民生活年用气量的10%~30%估算城镇公共建筑用户的年用气量。
(3) 工业企业年用气量
工业企业年用气量与生产规模、班制和工艺特点有关,一般只进行粗略估算。
在规划设计阶段,一般可以按以下三种方法计算工业用户的年用气量:
① 参照已用气且生产规模接近的同类企业年耗气量估算;
② 按各种工业产品的用气定额及其年产量来计算;
③ 在缺乏产品用气定额资料的情况下,通常是将工业企业其他燃料的年用量,在考虑自然增长后,折算成用气量。
折算公式为:
式中Q a——工业用户的年用气量,m3/a;
G y一一其他燃料年用量,t/a;
>
H i′——其他燃料的低发热值,kJ/kg;
η′——其他燃料燃烧设备热效率,%;
η——天然气燃烧设备热效率,%;
H i——天然气的低热值,kJ/m3。
(4) 建筑物采暖年用气量
建筑物采暖用气量与使用燃气采暖的建筑面积、耗热指标和采暖期长短有关,其计算公式如下:
式中Q a——采暖的年用气量,m3/a;
F——使用燃气采暖的建筑面积,m2;
n——采暖最大负荷利用小时数,h;
q H——民用建筑物的耗热指标,kJ/(m2·h);
η——供暖系统的热效率,%;
H i——天然气的低热值,kJ/m3。
其中,采暖最大负荷利用小时数一般可按下式计算:
式中n——采暖最大负荷利用小时数,h;
n1——采暖期,h;
t1——采暖室内计算温度,℃;
t2——采暖期室外平均温度,℃;
t3——采暖室外计算温度,℃。
由于各地的气候条件不同,冬季采暖计算温度及建筑物耗热指标均不同,应根据当地的各项采暖指标进行计算。
(5) 其他用户年用气量
其他用户年用气量可以根据其用气设备及耗气量等进行推算。
(6) 未预见量
未预见量主要是指燃气管网漏损量和规划发展过程中的未预见的供气量,一般按总用气量的5%计算。