派出所日常消防监督检查记录
- 格式:doc
- 大小:44.50 KB
- 文档页数:3
公安派出所日常消防监督检查记录公安派出所消防监督检查记录编号:[]第号单位名称:地址:建筑面积:建筑层数:建筑高度:单位性质:主要负责人:单位主管人员(签名):监督检查人员(签名):检查日期:检查内容和情况记录:1、建筑物是否通过消防验收:是,文号:______。
□否2、建筑物是否进行消防竣工验收备案:是,备案号:______。
□否,文号:______3、公众聚集场所是否通过投入使用、营业前消防安全检查:是。
□否防火安全制度:有。
□无。
□不全履行员工消防安全教育培训:组织开展。
□未组织开展防火检查:组织开展。
□未组织开展灭火和应急疏散预案:有且组织演练。
□有,未演练。
□无且未演练。
□无,组织演练生产、储存、经营易燃易爆危险品的场所与居住场所设置管理情况在同一建筑物内:是。
□否其他情况:1、消防车通道:无。
□畅通。
□被堵塞、占用2、疏散通道、安全出口:畅通。
□堵塞。
□锁闭3、防火门:完好有效。
□常闭式防火门常开。
□损坏4、疏散指示标志:完好有效。
□损坏。
□缺少5、应急照明:完好有效。
□损坏。
□缺少6、其他情况:1、室内消火栓:未设置。
□完好有效。
□损坏。
□无水。
□配件不齐2、灭火器:未配置。
□完好有效。
□失效3、建筑消防设施:定期检测并记录。
□未定期检测。
□无记录村(居)民委员会履行消防安全职责情况:1、消防安全管理人:确定。
□未确定2、消防安全工作制度:有。
□无。
□不全3、防火安全公约:有。
□无。
□不全4、消防宣传教育:开展。
□未开展5、防火安全检查:开展。
□未开展6、消防水源、消防车通道、消防器材:维护管理。
□未维护管理7、多种形式消防组织:建立。
□未建立下发《责令改正通知书》编号:。
消防监督检查规定(2009年4月30日中华人民共和国公安部令第107号发布,根据2012年7月17日《公安部关于修改<消防监督检查规定>的决定》修订)目录第一章总则第二章消防监督检查的形式和内容第三章消防监督检查的程序第四章公安派出所日常消防监督检查第五章执法监督第六章附则第一章总则第一条为了加强和规范消防监督检查工作,督促机关、团体、企业、事业等单位(以下简称单位)履行消防安全职责,依据《中华人民共和国消防法》,制定本规定。
第二条本规定适用于公安机关消防机构和公安派出所依法对单位遵守消防法律、法规情况进行消防监督检查。
第三条直辖市、市(地区、州、盟)、县(市辖区、县级市、旗)公安机关消防机构具体实施消防监督检查,确定本辖区内的消防安全重点单位并由所属公安机关报本级人民政府备案。
公安派出所可以对居民住宅区的物业服务企业、居民委员会、村民委员会履行消防安全职责的情况和上级公安机关确定的单位实施日常消防监督检查。
公安派出所日常消防监督检查的单位范围由省级公安机关消防机构、公安派出所工作主管部门共同研究拟定,报省级公安机关确定。
第四条上级公安机关消防机构应当对下级公安机关消防机构实施消防监督检查的情况进行指导和监督。
公安机关消防机构应当与公安派出所共同做好辖区消防监督工作,并对公安派出所开展日常消防监督检查工作进行指导,定期对公安派出所民警进行消防监督业务培训。
第五条对消防监督检查的结果,公安机关消防机构可以通过适当方式向社会公告;对检查发现的影响公共安全的火灾隐患应当定期公布,提示公众注意消防安全。
第二章消防监督检查的形式和内容第六条消防监督检查的形式有:(一)对公众聚集场所在投入使用、营业前的消防安全检查;(二)对单位履行法定消防安全职责情况的监督抽查;(三)对举报投诉的消防安全违法行为的核查;(四)对大型群众性活动举办前的消防安全检查;(五)根据需要进行的其他消防监督检查。
第七条公安机关消防机构根据本地区火灾规律、特点等消防安全需要组织监督抽查;在火灾多发季节,重大节日、重大活动前或者期间,应当组织监督抽查。
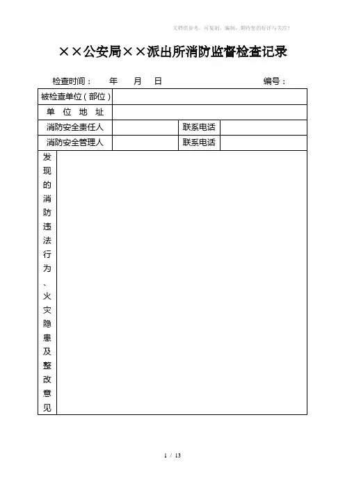
××公安局××派出所消防监督检查记录检查时间:年月日编号:消防监督员:被检查单位主管人员:消防监督员:被检查单位主管人员:《公安派出所消防监督检查记录》填写说明一、本文书用于对被检查、抽查单位或场所检查(抽查)情况的记录;在下发限改后进行复查时,在背面填写记录。
二、检查记录上“编号”的填写,各单位根据检查或存档顺序自行编号。
三、“被检查单位(部位)”处填写被检查单位(场所)的法定名称和检查的部位名称。
四、派出所消防监督人员必须两人以上前往单位检查,并在“消防监督检查人员:”处手写签名,不得代签。
五、“被检查单位主管人员”可以是该单位(场所)的法定代表人、非法人单位的主要负责人和单位消防工作主管人员。
六、被检查单位拒绝签名的,在“被检查单位主管人员”处填写“拒绝签名及原因”。
七、“责令当场整改第项”处填写针对检查时发现的消防违法行位及火灾隐患序号,罚款数额为按照《消防法》、《ⅩⅩ实施〈消防法〉办法》中规定的适用简易程序处罚的数额。
八、复查时进入处罚程序应按照一般程序进行处罚。
九、处理结果与复查结果栏的填写要求为:根据检查和复查的情况在相应序号前打“√”。
十、本表格使用国际标准A4型纸双面印制。
公安派出所列管单位档案编号:建档时间:年月日填写说明1、“编号”栏按照建档顺序进行填写。
2、“单位名称”填写法定单位名称。
3、“单位性质”填写私营、集体或国有。
4、“主管部门”填写列管单位的上级主管部门,没有则填写无。
5、“主要建筑的耐火等级”填写一级、二级、三级、四级。
6、“生产、经营及贮存情况”填写列管单位生产、经营及贮存的基本情况。
7、“消防安全组织及义务消防队情况”填写列管单位消防安全组织机构及义务消防队人员情况。
8、“安全制度”填写列管单位制定的相关安全管理制度。
9、“消防器材名称数量”填写列管单位内部所有消防器材的名称及数量。
10、本档案应用电脑打印,标准A4纸张。
派出所消防检查内容一、消防通道和疏散通道。
1. 检查消防通道和疏散通道是否畅通,通道上是否有障碍物堆放或者摆放物品,确保通道畅通无阻。
2. 检查消防通道和疏散通道的标识是否清晰,标识是否完整,确保在紧急情况下能够迅速找到逃生出口。
3. 检查消防通道和疏散通道的照明设施是否完好,保证在黑暗环境下能够清晰看到通道。
二、消防器材和设施。
1. 检查消防器材(灭火器、消防栓等)的数量和位置是否符合要求,确保覆盖面积和使用范围。
2. 检查消防器材的有效期和检查记录,确保消防器材处于有效状态。
3. 检查消防设施(消防水池、消防泵等)的运行状态和维护情况,确保在发生火灾时能够及时投入使用。
三、电气设备和用电安全。
1. 检查电气线路和插座的安装是否符合规范,确保不会因为电气设备故障引发火灾。
2. 检查用电安全管理制度和电气设备的维护情况,确保电气设备的安全使用。
3. 检查电气设备周围是否有易燃物品,确保电气设备周围环境的安全。
四、消防安全意识和培训。
1. 检查员工的消防安全意识和培训情况,确保员工能够正确使用消防器材和逃生技能。
2. 检查消防演练的频率和效果,确保员工在发生火灾时能够迅速、有序地撤离。
3. 检查消防安全制度和应急预案的完善程度,确保在发生火灾时能够及时有效地应对。
五、其他消防安全隐患排查。
1. 检查建筑物结构和装修材料的阻燃性能,确保建筑物结构和装修材料符合消防安全要求。
2. 检查易燃易爆危险品的存放和使用情况,确保危险品得到妥善管理和保管。
3. 检查其他可能存在的消防安全隐患,确保消除潜在的火灾隐患。
以上就是派出所消防检查内容,希望各单位能够认真贯彻执行,做好消防安全工作,确保人民群众的生命财产安全。
消防安全日常检查记录表范本查看内容一、日常消防设施检查内容1.灭火器:检查灭火器是否过期,外观是否清洁完好,压力是否正常。
2.消防水带:检查消防水带是否完好无损,连接是否牢固。
3.自动喷水灭火系统:检查自动喷水灭火系统的阀门、管道、喷嘴等是否正常。
4.疏散通道:检查疏散通道是否畅通无阻,疏散指示标识是否清晰可见。
二、电气安全检查内容1.电线电缆:检查电线电缆是否有老化、破损现象。
2.电源插座:检查电源插座是否安装牢固,无漏电现象。
3.开关电路:检查开关电路是否灵活可靠,无跳闸现象。
4.防雷设施:检查防雷设施是否完好,是否安全有效。
三、日常安全隐患排查内容1.易燃易爆物品:检查易燃易爆物品的存放位置及数量是否符合要求。
2.用火安全:检查用火用电是否合规,是否存在火灾隐患。
3.电器设备:检查电器设备的使用是否规范,是否定期维护清洁。
4.防火门窗:检查防火门窗是否关闭状态,是否有损坏漏风现象。
四、安全培训及演练内容1.安全培训:定期进行安全培训,包括火灾逃生、灭火器使用等方面。
2.应急预案:组织制定并定期演练应急预案,提高员工应变能力。
3.撤离演练:定期组织火灾演练,检验员工紧急撤离能力。
4.事故处理:明确事故处理流程,提高事故应对能力。
五、日常检查记录表填写要点1.检查日期:填写每次检查的具体日期。
2.检查人员:填写参与检查的人员姓名。
3.检查内容:填写当次检查的具体内容。
4.异常情况:如发现异常,需详细描述并提出处理建议。
5.处理结果:对检查结果进行评价和整改意见。
以上为消防安全日常检查记录表范本查看内容,所有内容为便于日常管理、维护和安全预防的重要参考。
愿良好的消防安全措施有效保障每一位员工和客户的生命财产安全。
谢谢你的欣赏第一章总则第一条为明确公安派出所消防监督职责,规范公安派出所消防监督行为,根据《中华人民共和国消防法》、《黑龙江省消防条例》和公安部《消防监督检查规定》、《火灾事故调查规定》等有关法律、法规、规章,结合我省实际,制定本规定。
第二条公安派出所在当地人民政府和主管公安机关领导下依法履行消防监督职责,接受主管公安机关消防机构的业务指导。
第三条纳入公安派出所日常监督检查范围的单位、场所,由县(市)、区公安机关以文件形式明确。
县(市)、区公安机关应当每年对纳入公安派出所日常监督检查范围的单位、场所进行一次调整,于3 月底前报本级人民政府和上级公安机关备案,并向社会发布。
第四条本规定合用于本省行政管辖区域内公安派出所(含公安边防派出所及实行警务改革后履行公安派出所消防监督工作职责的公安分局)。
森工、农垦、铁路、民航、航运公安机关管辖的派出所参照执行本规定。
第二章消防监督工作职责第五条公安派出所对辖区内居民住宅区的物业服务企业、社区居民委员会、村民委员会履行消防安全职责的情况以及公安机关确定纳入其日常消防监督检查范围内的单位、场所实施消防监督检查。
公安派出所对其日常监督检查范围内的单位、场所应当每年至少进行一次全面消防监督检查。
重大节日、重大活动前或者期间和火灾多发季节等特殊时期应当进行专项检查。
第六条公安派出所应受理群众举报、投诉,责令改正消防安全违法行为,催促整改火灾隐患,依法实施行政处罚。
第七条公安派出所应当协助公安机关消防机构维护火灾现场秩序,保护火灾现场,控制火灾肇事嫌疑人,并按照本规定第五章的规定负责辖区内火灾事故的调查和报告工作。
第八条公安派出所应当协助公安机关消防机构实施暂时查封和强制执行。
第九条公安派出所应当组织开展时常性的消防宣传教育,普及消防常识,提高公民的消防安全素质。
第十条公安派出所的消防监督工作实行所长负责制和民警责任制,应当确定一位所领导分管消防监督工作,责任(社)区民警结合日常工作,具体负责管辖区内的消防监督工作。
消防监督检查规定〔2009年4月30日中华人民共和国公安部令第107号发布,根据2012年7月17日《公安部关于修改<消防监督检查规定>的决定》修订〕目录第一章总则第二章消防监督检查的形式和内容第三章消防监督检查的程序第四章公安派出所日常消防监督检查第五章执法监督第六章附则第一章总则第一条为了加强和标准消防监督检查工作,催促机关、团体、企业、事业等单位〔以下简称单位〕履行消防安全职责,依据《中华人民共和国消防法》,制定本规定。
第二条本规定适用于公安机关消防机构和公安派出所依法对单位遵守消防法律、法规情况进行消防监督检查。
第三条直辖市、市〔地区、州、盟〕、县〔市辖区、县级市、旗〕公安机关消防机构具体实施消防监督检查,确定本辖区内的消防安全重点单位并由所属公安机关报本级人民政府备案。
公安派出所可以对居民住宅区的物业服务企业、居民委员会、村民委员会履行消防安全职责的情况和上级公安机关确定的单位实施日常消防监督检查。
公安派出所日常消防监督检查的单位范围由省级公安机关消防机构、公安派出所工作主管部门共同研究拟定,报省级公安机关确定。
第四条上级公安机关消防机构应当对下级公安机关消防机构实施消防监督检查的情况进行指导和监督。
公安机关消防机构应当与公安派出所共同做好辖区消防监督工作,并对公安派出所开展日常消防监督检查工作进行指导,定期对公安派出所民警进行消防监督业务培训。
第五条对消防监督检查的结果,公安机关消防机构可以通过适当方式向社会公告;对检查发现的影响公共安全的火灾隐患应当定期公布,提示公众注意消防安全。
第二章消防监督检查的形式和内容第六条消防监督检查的形式有:〔一〕对公众聚集场所在投入使用、营业前的消防安全检查;〔二〕对单位履行法定消防安全职责情况的监督抽查;〔三〕对举报投诉的消防安全违法行为的核查;〔四〕对大型群众性活动举办前的消防安全检查;〔五〕根据需要进行的其他消防监督检查。
第七条公安机关消防机构根据本地区火灾规律、特点等消防安全需要组织监督抽查;在火灾多发季节,重大节日、重大活动前或者期间,应当组织监督抽查。
公安派出所日常消防监督检查记录编号 :[ 2011]第 XX 号单位名称地址建筑面积监督检查人员XX娱乐休闲会所主要负责人XX市 XX区 XX路 XX号单位性质150 ㎡建筑层数一层建筑高度李 XX 刘 XX 单位主管周 XX检查日期( 手签 ) 人员( 手签 )检查内容和情况记录1、建筑物是否通过消防验收:王XX公共娱乐5m2010 年 X 月X日合□文号X 公消建审验字 [2006] 第 xx 号□否√是法2、建筑物是否进行消防竣工验收备案:□否□是备案号性3、公众聚集场所是否通过投入使用、营业前消防安全检查:√□否□是文号单位消1、消防安全制度:√ 有□无□不全□2、员工消防安全教育培训:□√组织开展□未组织开展履行防3、防火检查:□√组织开展□未组织开展消防安4、灭火和应急疏散预案:□有且组织演练√ 有,未演练□□无且未演练□无,组织演练安全全5、生产、储存、经营易燃易爆危险品的场所与居住场所设置在同一建筑物内:□是□否管√职责6、其他情况:情况理建1、消防车通道:□无□畅通□√被堵塞、占用筑2、疏散通道、安全出口:□√畅通□堵塞□锁闭3、防火门:□√完好有效□常闭式防火门常开□损坏防4、疏散指示标志:□完好有效□损坏□缺少√火5、应急照明:□√完好有效□损坏□缺少6、其他情况:消1、室内消火栓:□未设置□完好有效√□无水√防□损坏□配件不齐2、灭火器:□未配置□完好有效□失效√设3、建筑消防设施:□定期检测并记录□√未定期检测□无记录施4、物业服务企业对管理区域内共用消防设施是否维护管理:□是□否村( 居)1、消防安全管理人:□确定□未确定民委员2、消防安全工作制度:□有□无□不全会履行3、防火安全公约:□有□无□不全4、消防宣传教育:□开展□未开展消防安5、防火安全检查:□开展□未开展全职责6、消防水源、消防车通道、消防器材:□维护管理□未维护管理情况7、多种形式消防组织:□建立□未建立责令改下发《责令改正通知书》编号:正情况[ 2010]第 XX号移送消发现的下列第3/ 项消防安全违法行为,移送公安机关消防机构依法处理:防机构□1、建筑物未依法通过公安机关消防机构消防验收,擅自投入使用;处理的□2、建筑物未进行竣工验收备案,擅自投入使用;内容□√ 3、公众聚集场所未依法通过使用、营业前消防安全检查,擅自投入使用、营业。
四川省公安派出所消防监督管理工作规定目录第一章总则第二章工作职责第三章消防监督检查第四章火灾事故处臵和调查第五章消防行政处罚案件办理第六章消防宣传教育第七章消防业务培训和档案建设第八章考评与奖惩第九章附则第一章总则第一条为明确公安派出所消防监督管理职责,加强和规范公安派出所消防监督管理工作,根据《中华人民共和国消防法》、《四川省消防条例》和《消防监督检查规定》、《火灾事故调查规定》、《四川省旅馆业治安管理办法》等法律、法规、规章,结合四川省实际,制定本规定。
第二条本规定适用于四川省行政区域内公安派出所的消防监督管理工作。
法律、法规、规章另有规定的,从其规定。
第三条公安派出所在主管公安机关领导下,依法实施消防监督管理工作。
公安机关消防机构应当对公安派出所消防监督管理工作进行业务指导,并在主管公安机关的领导下对公安派出所开展消防监督管理的情况进行抽查。
第四条主管公安机关应当将公安派出所开展消防监督管理工作所需业务经费纳入公安经费计划,报请地方人民政府列入财政预算予以保障。
第二章工作职责第五条公安派出所消防监督管理工作实行所长负责制,并确定一名所领导分管消防工作。
民警数在十人以上的公安派出所应当设臵一名以上专职消防民警,民警数在十人以下的公安派出所应当设臵一名专(兼)职消防民警,协助所领导组织开展工作。
责任区民警具体负责本责任区消防监督管理工作。
第六条公安派出所应当履行下列职责:(一)贯彻执行消防法律、法规、规章和规范性文件,落实各级人民政府和公安机关部署的消防工作任务;(二)组织开展消防宣传教育活动;(三)督促、指导村(居)民委员会和单位、治安群防力量开展消防工作,组织、指导志愿消防队开展业务培训和演练;(四)实施日常消防监督检查,督促整改火灾隐患;(五)受理消防安全举报、投诉,进行核查处理;(六)依法对违反消防法律法规的行为实施行政处罚,在主管公安机关的组织下,配合公安机关消防机构实施临时查封和强制执行;(七)参加火灾事故的前期处臵,维持火灾现场秩序,保护火灾现场,协助公安机关消防机构开展火灾事故调查,调查适用简易程序的火灾事故;(八)法律、法规规定的其他职责。
消防监督检查规定(2009年4月30日中华人民共和国公安部令第107号发布,根据2012年7月17日《公安部关于修改<消防监督检查规定>的决定》修订)目录第一章总则第二章消防监督检查的形式和内容第三章消防监督检查的程序第四章公安派出所日常消防监督检查第五章执法监督第六章附则第一章总则第一条为了加强和规范消防监督检查工作,督促机关、团体、企业、事业等单位(以下简称单位)履行消防安全职责,依据《中华人民共和国消防法》,制定本规定。
第二条本规定适用于公安机关消防机构和公安派出所依法对单位遵守消防法律、法规情况进行消防监督检查。
第三条直辖市、市(地区、州、盟)、县(市辖区、县级市、旗)公安机关消防机构具体实施消防监督检查,确定本辖区内的消防安全重点单位并由所属公安机关报本级人民政府备案。
公安派出所可以对居民住宅区的物业服务企业、居民委员会、村民委员会履行消防安全职责的情况和上级公安机关确定的单位实施日常消防监督检查。
公安派出所日常消防监督检查的单位范围由省级公安机关消防机构、公安派出所工作主管部门共同研究拟定,报省级公安机关确定。
第四条上级公安机关消防机构应当对下级公安机关消防机构实施消防监督检查的情况进行指导和监督。
公安机关消防机构应当与公安派出所共同做好辖区消防监督工作,并对公安派出所开展日常消防监督检查工作进行指导,定期对公安派出所民警进行消防监督业务培训。
第五条对消防监督检查的结果,公安机关消防机构可以通过适当方式向社会公告;对检查发现的影响公共安全的火灾隐患应当定期公布,提示公众注意消防安全。
第二章消防监督检查的形式和内容第六条消防监督检查的形式有:(一)对公众聚集场所在投入使用、营业前的消防安全检查;(二)对单位履行法定消防安全职责情况的监督抽查;(三)对举报投诉的消防安全违法行为的核查;(四)对大型群众性活动举办前的消防安全检查;(五)根据需要进行的其他消防监督检查。
第七条公安机关消防机构根据本地区火灾规律、特点等消防安全需要组织监督抽查;在火灾多发季节,重大节日、重大活动前或者期间,应当组织监督抽查。
消防监督检查规定(2009年4月30日中华人民共和国公安部令第107号发布,根据2012年7月17日《公安部关于修改<消防监督检查规定>的决定》修订)目录第一章总则第二章消防监督检查的形式和内容第三章消防监督检查的程序第四章公安派出所日常消防监督检查第五章执法监督第六章附则第一章总则第一条为了加强和规范消防监督检查工作,督促机关、团体、企业、事业等单位(以下简称单位)履行消防安全职责,依据《中华人民共和国消防法》,制定本规定。
第二条本规定适用于公安机关消防机构和公安派出所依法对单位遵守消防法律、法规情况进行消防监督检查。
第三条直辖市、市(地区、州、盟)、县(市辖区、县级市、旗)公安机关消防机构具体实施消防监督检查,确定本辖区内的消防安全重点单位并由所属公安机关报本级人民政府备案。
公安派出所可以对居民住宅区的物业服务企业、居民委员会、村民委员会履行消防安全职责的情况和上级公安机关确定的单位实施日常消防监督检查。
公安派出所日常消防监督检查的单位范围由省级公安机关消防机构、公安派出所工作主管部门共同研究拟定,报省级公安机关确定。
第四条上级公安机关消防机构应当对下级公安机关消防机构实施消防监督检查的情况进行指导和监督。
公安机关消防机构应当与公安派出所共同做好辖区消防监督工作,并对公安派出所开展日常消防监督检查工作进行指导,定期对公安派出所民警进行消防监督业务培训。
第五条对消防监督检查的结果,公安机关消防机构可以通过适当方式向社会公告;对检查发现的影响公共安全的火灾隐患应当定期公布,提示公众注意消防安全。
第二章消防监督检查的形式和内容第六条消防监督检查的形式有:(一)对公众聚集场所在投入使用、营业前的消防安全检查;(二)对单位履行法定消防安全职责情况的监督抽查;(三)对举报投诉的消防安全违法行为的核查;(四)对大型群众性活动举办前的消防安全检查;(五)根据需要进行的其他消防监督检查。
第七条公安机关消防机构根据本地区火灾规律、特点等消防安全需要组织监督抽查;在火灾多发季节,重大节日、重大活动前或者期间,应当组织监督抽查。
消防检查记录引言概述:消防检查是确保建造物和场所消防安全的重要环节。
通过定期的消防检查,可以发现并解决潜在的火灾隐患,保障人们的生命财产安全。
本文将从消防设施、消防通道、消防器材、消防培训和消防演练五个方面,详细阐述消防检查的记录内容。
一、消防设施1.1 检查消防水源- 确保消防水源正常供应,检查水源是否存在阻塞等问题。
- 检查消防水泵、消防水池等设施是否正常运行,是否存在漏水等问题。
- 检查消防水龙头、消防栓是否完好,并测试其使用情况。
1.2 检查消防报警系统- 检查火灾报警器、手动火灾报警按钮等设备是否完好,并测试其响应是否迅速。
- 检查报警系统的联动控制装置是否正常工作,是否能够及时通知相关人员。
- 检查报警系统的备用电源是否正常,以确保在停电情况下仍能正常运行。
1.3 检查消防排烟系统- 检查排烟设备是否完好,是否存在阻塞等问题。
- 检查排烟风机、排烟阀门等设备是否正常运行,是否存在异常噪音等问题。
- 测试排烟系统的运行情况,确保在火灾发生时能够及时排除烟雾。
二、消防通道2.1 检查疏散通道- 确保疏散通道畅通无阻,检查是否存在堆放物品、阻塞物等情况。
- 检查疏散通道的照明设备是否正常工作,是否能够提供足够的照明。
- 检查疏散通道的安全标识是否完好,是否能够清晰指示疏散方向。
2.2 检查紧急出口- 检查紧急出口的门窗是否能够顺利打开,是否存在卡阻等问题。
- 检查紧急出口的标识是否清晰可见,是否能够迅速引导人员疏散。
- 检查紧急出口周围是否存在堆放物品、阻塞物等情况,确保畅通无阻。
2.3 检查安全通道- 检查安全通道的门窗是否完好,是否能够有效阻挠火灾蔓延。
- 检查安全通道的照明设备是否正常工作,是否能够提供足够的照明。
- 检查安全通道的通风设备是否正常运行,是否能够及时排除烟雾。
三、消防器材3.1 检查灭火器- 检查灭火器的外观是否完好,是否存在损坏、漏气等问题。
- 检查灭火器的压力表是否在正常范围内,是否需要进行充装或者更换。
公安派出所消防监督检查规定公安派出所消防工作指导方案随着城市化进程的加速以及人口的密集程度越来越高,火灾隐患也在不断加大。
为保障人民群众生命财产安全,消防工作的重要性越来越凸显出来。
公安派出所作为维护社会治安和秩序的重要机构,其消防工作也应该受到高度的重视。
为此,制定一套公安派出所消防监督检查规定和消防工作指导方案,对于提高公安派出所的消防管理水平,夯实“防火墙”和“消防安全底线”具有重要的意义。
一、公安派出所消防监督检查规定1.检查内容(1)灭火器的有效期限和使用情况,灭火器的摆放是否标识醒目。
(2)电线和电器设备是否存在安全隐患,是否规范接线,是否存在明火或出现过电气火灾。
(3)消防通道是否通畅,是否被障碍物堵塞,是否存在违章搭建或存放物品。
(4)应急疏散通道、安全出口和逃生设施的设置是否合理,是否达到规定的标准。
(5)消防管道、消火栓和喷淋系统等消防设施的是否完好,是否有损坏、锈蚀和柏油封堵等违规行为。
(6)员工对突发火灾的应急反应是否规范,是否熟悉如何使用灭火器材和呼救设备。
(7)其他消防管理制度是否落实到位等。
2.检查方式公安派出所应该每月安排巡查检查,对公安派出所的消防设施和应急设备进行定期检查,并建立专门的巡查记录。
在发现问题的情况下,要及时记录并通知责任部门整改并进行登记。
3.检查标准公安派出所应该按照国家有关消防安全管理的规定,对消防设施和应急设备进行检查。
特别是在检查发现存在重大隐患的情况下,公安派出所应该立即采取措施整改并上报市级公安局或相关消防部门进行复查。
二、公安派出所消防工作指导方案1.掌握基础消防知识公安派出所的工作人员应该熟练掌握火灾的危害性及常见的火灾预防知识,应急处置技能,灭火器材的使用方法等,及时了解火灾案例,防止事故反复发生。
2.组织开展消防演习公安派出所的工作人员应每年组织开展消防演习,熟练掌握火灾现场的处置方法和紧急情况下的应急处置技能,熟悉和掌握应急避险方法和与消防部门沟通的流程和方法,以保障公共场所的消防安全。
消防监督检查规定(2009年4月30日中华人民共和国公安部令第107号发布,根据2012年7月17日《公安部关于修改<消防监督检查规定>的决定》修订)目录第一章总则第二章消防监督检查的形式和内容第三章消防监督检查的程序第四章公安派出所日常消防监督检查第五章执法监督第六章附则第一章总则第一条为了加强和规范消防监督检查工作,督促机关、团体、企业、事业等单位(以下简称单位)履行消防安全职责,依据《中华人民共和国消防法》,制定本规定。
第二条本规定适用于公安机关消防机构和公安派出所依法对单位遵守消防法律、法规情况进行消防监督检查。
第三条直辖市、市(地区、州、盟)、县(市辖区、县级市、旗)公安机关消防机构具体实施消防监督检查,确定本辖区内的消防安全重点单位并由所属公安机关报本级人民政府备案。
公安派出所可以对居民住宅区的物业服务企业、居民委员会、村民委员会履行消防安全职责的情况和上级公安机关确定的单位实施日常消防监督检查。
公安派出所日常消防监督检查的单位范围由省级公安机关消防机构、公安派出所工作主管部门共同研究拟定,报省级公安机关确定。
第四条上级公安机关消防机构应当对下级公安机关消防机构实施消防监督检查的情况进行指导和监督。
公安机关消防机构应当与公安派出所共同做好辖区消防监督工作,并对公安派出所开展日常消防监督检查工作进行指导,定期对公安派出所民警进行消防监督业务培训。
第五条对消防监督检查的结果,公安机关消防机构可以通过适当方式向社会公告;对检查发现的影响公共安全的火灾隐患应当定期公布,提示公众注意消防安全。
第二章消防监督检查的形式和内容第六条消防监督检查的形式有:(一)对公众聚集场所在投入使用、营业前的消防安全检查;(二)对单位履行法定消防安全职责情况的监督抽查;(三)对举报投诉的消防安全违法行为的核查;(四)对大型群众性活动举办前的消防安全检查;(五)根据需要进行的其他消防监督检查。
第七条公安机关消防机构根据本地区火灾规律、特点等消防安全需要组织监督抽查;在火灾多发季节,重大节日、重大活动前或者期间,应当组织监督抽查。
公安派出所消防监督检查操作规范【操作规程】1.公安派出所民警进行日常消防监督检查,应当填写检查记录,记录发现的消防安全违法行为、责令改正的情况。
2. 公安派出所民警在日常消防监督检查时,发现被检查单位有下列行为之一的,应当责令依法改正:(一)未制定消防安全制度、未组织防火检查和消防安全教育培训、消防演练的;(二)占用、堵塞、封闭疏散通道、安全出口的;(三)占用、堵塞、封闭消防车通道,妨碍消防车通行的;(四)埋压、圈占、遮挡消火栓或者占用防火间距的;(五)室内消火栓、灭火器、疏散指示标志和应急照明未保持完好有效的;(六)人员密集场所在门窗上设置影响逃生和灭火救援的障碍物的;(七)违反消防安全规定进入生产、储存易燃易爆危险品场所的;(八)违反规定使用明火作业或者在具有火灾、爆炸危险的场所吸烟、使用明火的;(九)生产、储存和经营易燃易爆危险品的场所与居住场所设置在同一建筑物内的;(十)未对建筑消防设施定期进行全面检测的。
公安派出所发现被检查单位的建筑物未依法通过消防验收,或者进行消防竣工验收备案,擅自投入使用的;公众聚集场所未依法通过使用、营业前的消防安全检查,擅自使用、营业的,应当在检查之日起五个工作日内书面移交公安机关消防机构处理。
3.公安派出所在日常消防监督检查中,发现存在严重威胁公共安全的火灾隐患,应当在责令改正的同时书面报告乡镇人民政府或者街道办事处和公安机关消防机构。
公安派出所对群众举报投诉的消防安全违法行为,应当及时受理,依法处理;对属于公安机关消防机构管辖的,应当依照《公安机关办理行政案件程序规定》在受理后及时移送公安机关消防机构处理。
【注意事项】1.公安派出所对其日常监督检查范围的单位,应当每年至少进行一次日常消防监督检查。
2.公安派出所民警在日常消防监督检查时,应当出示证件。
3.公安派出所日常消防监督检查的内容对单位进行日常消防监督检查,应当检查下列内容:(1)建筑物或者场所是否依法通过消防验收或者进行消防竣工验收备案,公众聚集场所是否依法通过投入使用、营业前消防安全检查;(2)是否制定消防安全制度;(3)是否组织防火检查、消防安全宣传教育培训、灭火和应急疏散演练;(4)消防车通道、疏散通道、安全出口是否畅通,室内消火栓、疏散指示标志、应急照明、灭火器是否完好有效;(5)生产、储存、经营易燃易爆危险品的场所是否与居住场所设置在同一建筑物内。
ⅩⅩ公安派出所消防监督管理规定第一章总则第一条为了明确公安派出所的消防监督职责,规范公安派出所的消防监督行为,根据《中华人民共和国消防法》、《ⅩⅩ实施〈消防法〉办法》和公安部《消防监督检查规定》等有关法规、规章,结合本省实际,制定本规定。
第二条本规定适用于本省行政区域内的公安派出所(含边防派出所)。
铁路、交通、民航和林业公安机关管辖的派出所参照本规定执行。
第三条公安派出所在当地政府和公安机关领导下实施消防监督工作。
公安派出所应当将消防监督工作纳入日常工作范围,接受公安机关消防机构的业务指导。
第四条公安派出所负责对居民住宅区的管理单位、居民委员会、村民委员会履行消防安全职责的情况和城市区属以下单位、农村乡镇以下单位、个体工商户和公安机关授权管理的单位实施消防监督。
公安机关应结合派出所警力配置和工作量,适当决定授权派出所实施消防监督的单位种类和数量。
第五条公安机关应当把消防业务列入民警培训和任职资格考试内容,将派出所的消防监督工作纳入日常和年度检查考核,和其他公安业务工作同安排、同检查、同评比。
公安机关应逐步加大对公安派出所人力、经费、装备等各方面的投入,确保公安派出所各项消防监督工作的正常开展。
公安消防机构应当对公安派出所民警进行消防监督业务培训和检查指导,提高其消防监督执法业务水平。
第二章职责第六条公安派出所的消防监督工作实行所长负责制和民警包片责任制。
每个派出所应当明确一名所领导负责消防监督工作,其他民警结合日常工作,做好辖区内的消防监督工作。
第七条公安派出所在消防监督工作中应当履行下列职责:(一)贯彻执行消防法律、法规、规章和规范性文件,组织民警学习消防监督业务知识,不断提高消防监督业务水平;(二)制定本辖区的消防监督工作计划和目标,落实消防监督工作责任制;(三)开展多种形式的消防宣传教育,普及消防知识。
指导居(村)民委员会、社区成立群众性义务消防组织,制定灭火和逃生预案并开展灭火和逃生预案演练,提高全民的消防安全意识和自防自救能力;(四)组织指导街道(乡、镇)开展有针对性的消防安全检查工作,消除火灾隐患;(五)指导、督促企事业单位、居(村)委治保会、物业管理部门、个体工商户等开展消防安全自查、火灾隐患自除活动,确保消防安全;(六)督促指导社区和农村制定防火公约,落实社区和农村防火、灭火措施,开展创建消防安全小区、居民区活动;(七)结合本辖区实际情况,切实做好元旦、春节、五一、国庆等重大节日消防保卫工作,配合上级做好重大活动的消防保卫工作,完成上级安排的突击性、季节性和阶段性的消防监督检查工作;(八)督促辖区内的单位和个人落实消防安全措施;(九)及时上报辖区内发生的火灾,协助公安消防机构保护好火灾现场、查处火灾事故和进行火灾统计;(十)每半年向公安机关消防机构汇报消防工作情况,每年向当地党委、政府和公安机关汇报消防工作,提出工作建议。