企业原材料需要量表
- 格式:doc
- 大小:54.00 KB
- 文档页数:1
设厂计划-原材料需要量表
合同是适应私有制的商品经济的客观要求而出现的,是商品交换在法律上的表现形式。
商品生产产生后,为了交换的安全和信誉,人们在长期的交换实践中逐渐形成了许多关于交换的习惯和仪式。
这些商品交换的习惯和仪式便逐渐成为调整商品交换的一般规则。
随着私有制的确立和国家的产生,统治阶级为了维护私有制和正常的经济秩序,把有利于他们的商品交换的习惯和规则用法律形式加以规定,并以国家强制力保障实行。
于是商品交换的合同法律形成便应运而生了。
古罗马时期合同就受到人们的重视。
签订合同必须经过规定的方式,才能发生法律效力。
如果合同仪式的术语和动作被遗漏任何一个细节,就会导致整个合同无效。
随着商品经济的发展,这种繁琐的形式直接影响到商品交换的发展。
在理论和实践上,罗马法逐渐克服了缔约中的形式主义。
要物合同和合意合同的出现,标志着罗马法从重视形式转为重视缔约人的意志,从而使商品交换从繁琐的形式中解脱出来,并且成为现代合同自由观念的历史渊源。
产成品原材料汇总表1. 简介产成品原材料汇总表是一种记录企业所需原材料及其用量的文档。
它包含了每个产成品所需的原材料清单,以及每种原材料的数量和单位。
这个汇总表可以帮助企业管理者更好地了解各个产成品所需的原材料情况,从而更好地进行采购、库存和生产计划。
2. 汇总表结构产成品原材料汇总表主要包括以下几个字段:•产成品名称:列出了每个产成品的名称,用于区分不同的产成品。
•原材料名称:列出了每种原材料的名称,用于标识不同的原材料。
•原材料数量:记录了每种原材料在生产一个产成品时所需的数量。
•单位:标明了原材料数量的单位,如个、千克、升等。
•总数量:计算出了每种原材料在所有产成品中的总需求量,方便进行采购和库存管理。
下面是一个示例的产成品原材料汇总表:产成品名称原材料名称原材料数量单位总数量产成品A 原材料X 10 个100原材料Y 5 千克50产成品B 原材料X 8 个80原材料Z 3 升30产成品C 原材料Y 2 千克20原材料Z 4 升403. 填写方法填写产成品原材料汇总表时,需要按照以下步骤进行操作:3.1 确定产成品清单首先需要确定所有的产成品清单,将每个产成品的名称填入“产成品名称”列中。
3.2 确定原材料清单根据每个产成品的制造过程,确定所需的原材料清单。
将每种原材料的名称填入“原材料名称”列中。
3.3 确定原材料数量和单位对于每种原材料,根据产成品制造过程的配方或者工艺流程,确定其在生产一个产成品时所需的数量,并标明相应的单位。
将数量和单位填入“原材料数量”和“单位”两列中。
3.4 计算总数量根据每种原材料的数量和单位,计算出其在所有产成品中的总需求量,并填入“总数量”列中。
4. 应用场景产成品原材料汇总表在企业的采购、库存管理和生产计划中起到了重要作用。
它可以帮助企业管理者快速了解各个产成品所需的原材料情况,从而更好地进行采购计划,避免原材料短缺或库存积压的问题。
另外,它还可以作为生产计划的依据,提前进行原材料的采购安排,减少生产中的延误和损失。
原材料需求购买表【范本模板】
【说明】:
1. 本表用于记录原材料的需求数量、采购数量、采购单价、总
价等信息,以便于管理部门进行采购计划的制定和执行情况的监控。
2. 序号:按照原材料的分类顺序进行编号。
3. 原材料名称:填写需要购买的原材料的名称。
4. 规格型号:填写原材料的规格型号,以便于供应商准确提供
所需材料。
5. 单位:填写原材料的计量单位,如吨、千克、米等。
6. 需求数量:填写原材料的理论需求数量,根据生产计划或项
目进度进行填写。
7. 采购数量:填写实际向供应商采购的数量,可以根据需求数
量和库存情况进行调整。
8. 采购单价:填写采购原材料的单价,根据市场行情或供应商报价进行填写。
9. 总价:填写采购原材料的总价,计算公式为“采购数量 ×采购单价”。
10. 采购日期:填写原材料的采购日期,格式为“YYYY-MM-DD”。
11. 供应商名称:填写提供原材料的供应商名称。
12. 备注:如有其他需要说明的事项,可以在本栏进行填写。
原材料生产统计汇总表1. 引言原材料是指用于生产其他产品的基础材料。
在制造业中,原材料的供应和使用是一个关键的环节。
为了监控原材料的生产和使用情况,我们制订了原材料生产统计汇总表。
该汇总表旨在收集和总结原材料的生产数据,为企业的决策提供数据支持。
2. 数据项在原材料生产统计汇总表中,我们统计了以下数据项:•原材料名称:记录原材料的名称,例如木材、钢材、塑料等。
•生产数量:记录原材料的生产数量,以合适的单位(如吨、立方米)进行计量。
•生产时间:记录原材料的生产时间,以年、月、日的格式进行记录。
•生产成本:记录原材料的生产成本,包括人工成本、设备成本、能源成本等。
•原材料来源:记录原材料的供应来源,例如自产、进口等。
•使用部门:记录使用该原材料的部门,例如生产部、工程部等。
•使用数量:记录使用该原材料的数量,以合适的单位进行计量。
•使用时间:记录使用该原材料的时间,以年、月、日的格式进行记录。
3. 数据录入为了保证数据的准确性和完整性,我们制定了以下数据录入原则:•新建一张原材料生产统计汇总表,按照时间顺序记录原材料的生产和使用情况。
•每当有新的原材料生产或使用记录时,将其按照规定的格式填入表格中。
•对于原材料的生产数量和使用数量,应该进行精确计量,避免模糊和不准确的描述。
•在记录原材料来源和使用部门时,应该尽量详细和具体,避免概括性的描述。
•对于原材料的生产成本,应该进行详细的分析,包括劳动力成本、设备成本、能源成本等。
4. 数据分析通过对原材料生产统计汇总表的数据分析,我们可以得到以下信息:•原材料的生产趋势:通过统计每个时间段的原材料生产数量,我们可以了解原材料的生产趋势,从而为企业的生产计划做出调整。
•原材料的成本分析:通过统计原材料的生产成本,我们可以分析原材料生产的经济性,从而为企业的成本控制提供依据。
•原材料的使用情况:通过统计原材料的使用数量和使用部门,我们可以了解各部门对原材料的需求情况,从而为原材料的供应和分配做出合理安排。
原材料需求及采购预算总表在企业的生产过程中,原材料是不可或缺的组成部分。
原材料的需求及采购预算总表是企业制定采购计划以及控制成本的重要工具。
通过制定预算总表,企业可以合理安排原材料的采购计划,并根据预算控制成本,提高企业的经济效益。
1.原材料清单:列举企业所需原材料的名称、规格、数量以及计量单位。
清单可以根据生产计划和产品配方来确定,确保原材料的准确性和完整性。
2.需求量预测:根据企业的生产计划和销售预测,对不同原材料的需求量进行预测和预估。
需求量预测可以帮助企业合理安排原材料的采购计划,在保证生产需求的同时,降低库存压力和成本。
3.采购计划:根据原材料需求量预测,制定相应的采购计划。
采购计划可以包括采购时间、采购数量、供应商选择、交货期等信息,确保采购工作的及时性和有效性。
4.采购预算:根据采购计划和市场行情,对采购费用进行预算。
采购预算包括原材料的购买金额、运输费用、进口关税以及其他相关费用等。
通过制定采购预算,企业可以合理控制采购成本,提高利润率和竞争力。
5.供应商管理:对供应商进行评估和管理,确保供应商的资质和信誉度。
通过与供应商建立长期合作关系,企业可以获得更好的采购价值和服务,降低采购成本和风险。
6.成本控制:根据采购预算,对采购费用进行控制和管理。
通过采购成本的核算和监控,及时发现和解决费用超支的问题,提高企业的盈利能力和竞争力。
在制定原材料需求及采购预算总表时,企业应该综合考虑生产计划、销售预测、市场行情以及供应商情况等因素。
预算总表应该具有合理性、准确性和可操作性,确保企业能够按照预算计划进行采购和控制成本。
同时,企业还应加强对原材料的管理和优化,通过优化原材料配方、降低采购成本、提高采购效率等措施,进一步降低生产成本,提高企业的竞争优势。
总之,原材料需求及采购预算总表是企业制定采购计划和控制成本的重要工具。
通过合理制定预算总表,企业可以提高采购效率,控制采购成本,提高经济效益和竞争力。
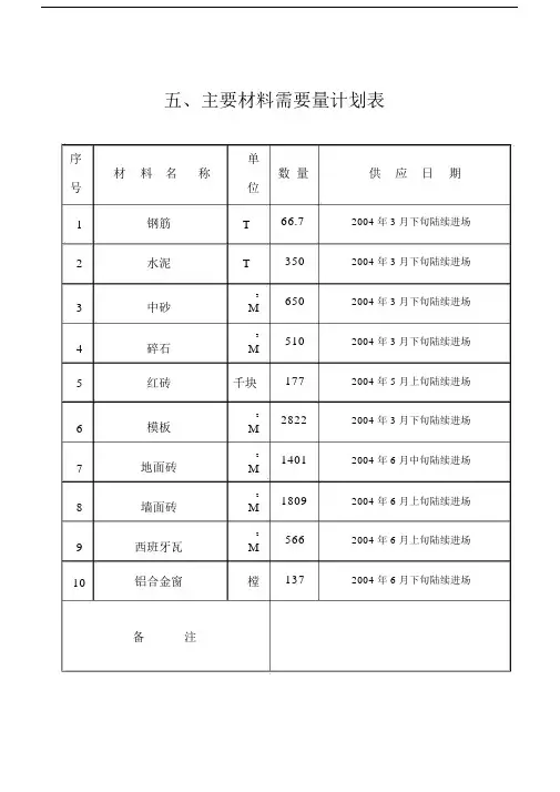
五、主要材料需要量计划表序单
材料名称
号位
1钢筋T
2水泥T
3中砂
3 M
4碎石
3 M
5红砖千块
6模板
2 M
7地面砖
2 M
8墙面砖
2 M
9西班牙瓦
2 M
10铝合金窗樘数量供应日期66.72004 年 3 月下旬陆续进场3502004 年 3 月下旬陆续进场6502004 年 3 月下旬陆续进场5102004 年 3 月下旬陆续进场1772004 年 5 月上旬陆续进场28222004 年 3 月下旬陆续进场14012004 年 6 月中旬陆续进场18092004 年 6 月上旬陆续进场5662004 年 6 月上旬陆续进场1372004 年 6 月下旬陆续进场
备注
制度说明
制度是以执行力为保障的。
“制度”之所以可以对个人行为起到约束的作用,是以有效的执行力为前提的,即有强制力保证其执行和实施,否则制度的约束力将无从实现,对人们的行为也将起不到任何的规范作用。
只有通过执行的过程制度才成为现实的制度,就像是一把标尺,如果没有被用来划线、测量,它将无异于普通的木条或钢板,只能是可能性的标尺,而不是现实的标尺。
制度亦并非单纯的规则条文,规则条文是死板的,静态的,而制度是对人们的行为发生作用的,动态的,而且是操作灵活,时常变化的。
是执行力将规则条文由静态转变为了动态,赋予了其能动性,使其在执行中得以实现其约束作用,证明了自己的规范、调节能力,从而得以被人们遵守,才真正成为了制度。
直接原料明细表
会计制表(盖章)
表格说明(使用时删除):
1、该表格主要用途包含不局限于学校、公司企业、事业单位、政府机构,主要针对对象为白领、学生、教师、律师、公务员、医生、工厂办公人员、单位行政人员等。
2、表格应当根据时机用途及需要进行适当的调整,该表格作为使用模板参考使用。
3、表格的行列、文字叙述、表头、表尾均应当根据实际情况进行修改。
《合同条件》是根据《中华人民共和国合同法》,对双方权利义务作出的约定,除双方协商同意对其中的某些条款作出修改、补充或取消外,都必须严格履行。
《协议条款》是按《合同条件》的顺序拟定的,主要是为《合同条件》的修改、补充提供一个协议的格式。
双方针对工实际情况,把对《合同条件》的修改、补充和对某些条款不予采用的一致意见按《协议条款》的格式形成协议。
《合同条件》和《协议条款》是双方统
一意愿的体现,成为合同文件的组成部分。