结构工程量计算实例
- 格式:xls
- 大小:1.22 MB
- 文档页数:55
宿舍楼工程量计算实例首先,我们需要对宿舍楼的平面图进行详细的分析。
宿舍楼是一个四层的砖混结构建筑,每层共有10个宿舍,每个宿舍面积为20平方米。
我们需要计算的项目包括砖墙、结构、屋面、门窗、装修等。
1.砖墙:根据宿舍楼的平面图,我们可以确定宿舍楼的外墙和内墙的面积。
宿舍楼的外墙由砖砌成,内墙由砖砌或石膏板构成。
我们需要计算的是外墙和内墙的砖墙面积。
例如,外墙的面积为每层的周长乘以层高,再乘以楼层数。
内墙的面积可根据宿舍的平面图进行计算。
2.结构:宿舍楼的结构包括楼板、柱子、梁等。
我们需要计算的项目包括楼板、柱子、梁的数量和材料。
例如,楼板的计算可以根据宿舍楼的平面图和楼高进行计算。
柱子和梁的数量和材料可以根据楼层数和平面图进行计算。
3.屋面:宿舍楼的屋面通常采用钢筋混凝土平屋面,我们需要计算的是屋面的面积和材料。
例如,根据宿舍楼的平面图,我们可以计算每个层面屋面的面积,再乘以楼层数。
4.门窗:宿舍楼的门窗包括门、窗、玻璃等。
我们需要计算的项目包括门窗的数量和面积。
例如,根据宿舍楼的平面图,我们可以计算每层门窗的数量和面积,再乘以楼层数。
5.装修:宿舍楼的装修包括地面、天花板、墙面、水电等。
我们需要计算的项目包括地面、天花板、墙面的面积和材料。
例如,根据宿舍楼的平面图,我们可以计算每个层面地面、天花板、墙面的面积,再乘以楼层数。
在计算宿舍楼工程量时,我们需要考虑一些特殊情况,例如凹凸墙、阳台、卫生间等。
这些因素会对工程量的计算产生影响,需要单独进行计算和处理。
总之,宿舍楼工程量计算是一项复杂的工作,需要对宿舍楼的平面图进行详细的分析,并考虑各种因素和特殊情况。
只有通过准确的计算,才能保证工程预算的准确性和工期的合理安排。
独立基础工程量计算实例独立基础工程量计算是建筑工程中非常重要的一个环节,它直接影响到整个工程的质量和安全。
以下是一个简单的独立基础工程量计算实例:假设我们要建造一个面积为20平方米、深度为1.5米的独立基础,按照设计要求,该基础应采用砖墙支撑结构。
首先,我们需要计算出该基础所需的材料数量。
1. 计算砖块数量:根据设计要求,我们选用规格为240mm×115mm ×53mm的中空砖,每平方米需要使用60块。
因此,20平方米的基础需要使用1200块砖。
2. 计算水泥用量:砌筑每一块砖需要用到0.015立方米的水泥浆,因此,1200块砖需要用到18立方米的水泥。
3. 计算沙子用量:砌筑每一块砖需要用到0.03立方米的沙子,因此,1200块砖需要用到36立方米的沙子。
4. 计算碎石用量:砌筑每一立方米需要用到0.05立方米的碎石,因此,20平方米深度为1.5米的基础需要用到1.5×0.05×20=1.5立方米的碎石。
然后,我们需要计算出该基础所需的人工工时。
1. 砌筑砖墙:根据经验,一个熟练的砖匠可以每天砌筑10平方米的砖墙。
因此,20平方米的砖墙需要2天时间。
2. 浇筑混凝土:根据经验,一个泥水工可以每天浇筑3立方米的混凝土。
因此,1.5立方米的混凝土需要半天时间。
最后,我们需要计算出该基础的总成本。
1. 材料成本:砖块1200块,水泥18立方米,沙子36立方米,碎石1.5立方米。
假设砖块单价为1元/块,水泥单价为300元/立方米,沙子单价为50元/立方米,碎石单价为60元/立方米。
则该基础的材料成本为:1200×1+18×300+36×50+1.5×60=8620元2. 人工成本:砌筑砖墙需要2天时间,浇筑混凝土需要半天时间,假设砖匠和泥水工的日薪为200元。
则该基础的人工成本为:(2+0.5)×(1个砖匠+1个泥水工)×200元=700元因此,该独立基础的总成本为8620+700=9320元。
1、某单位如图,要求地面现浇整体水泥砂浆面层,踢脚板铺贴大理石,踢脚板高150mm,内墙面做水泥砂浆抹灰,外墙白石子水刷石,C-1:1500×2000;C-2:2400×2000;M-1:1500×2100;M-2:1000×2100.计算(1)现浇整体水泥浆面层;(2)踢脚板工程量;(3)内墙抹灰工程量;(4)外墙水刷石工程量(1)现浇整体水泥浆面层;Sa=(3-0.24)×(3.6-0.24)=Sb=(3.6-0.24)×(5.1-0.24)=Sc=(7.2-0.24)×(8.1-0.24)=S= Sa+Sb+Sc=80.31(2)踢脚板工程量:a室:Sa总=周长(3.6-0.24+3-0.24)×2×高0.15=-Sa门2=1×0.15×2个=b室:Sb总=周长(3.6-0.24+5.1-0.24)×2×高0.15=-Sb门2=1×0.15=c室:Sc总=周长(8.1-0.24+7.2-0.24)×2×高0.15=-Sc门1、2=(1.5×2个+1)×高0.15=+S附墙垛=0.24×4面×0.15=+S门侧=0.24×8侧×0.15=S踢脚线=Sa总+Sb总+Sc总-Sa门2-Sb门2-Sc门1、2+S附墙垛+S门侧=(3)内墙抹灰工程量:L内墙总净长=a周长(3.6-0.24+3-0.24)×2+b周长(3.6-0.24+5.1-0.24)×2+c周长(8.1-0.24+7.2-0.24)×2=S总=L×高4m=-Sb窗=(C-1)1.5×2+(C-2)2.4×2=-Sc窗=(C-1)1.5×2×3个+(C-2)2.4×2=-Sa门2=1×2.1×2个=-Sb门2=1×2.1=-Sc门1、2=(M-1)1.5×2.1×2个+(M-2)1×2.1=+S附墙垛=0.24×4面×4m=S内抹=S总-Sb窗-Sc窗-Sa门2-Sb门2-Sc门1、2+S附墙垛=(4)外墙水刷石工程量:L外墙周长=(长3.6×3+0.24+宽3+5.1+0.24)=S总=L×(4.5+0.15)=-S门1=1.5×2.1×2个=-S窗1=1.5×2×4个=S外墙水刷石=S总-S门1-S窗1=2、计算如下图所示楼梯贴大理石面层的工程量。
第一章基础工程1.1 场地平整S=(58+4)*(26+4)=1860m21.2 桩基人工挖土单桩:7.0*1/4*3.14*0.8² =3.517 m3共计:1.3*578*3.517=2032.71 m31.3 桩基础工程量J1:共140根1)混凝土工程量:V=3.14D²HN/4=0.7854*0.8*0.8*7.0*140=492.60 m3 2)钢筋:a. 主筋:G=12.8*12*0.888*140*1.02=1113.00Kgb. 箍筋:G=8.076*12.8*140*1.02=843.52 Kgc. 钢筋小计:1113.00+843.52=1956.52 KgJ2:共145根1)混凝土工程量:V=3.14D²HN/4=0.7854*0.9*0.9*7.0*145=550.70m32)钢筋:a. 主筋:G=12.8*12*0.888*145*1.02=556.50Kgb. 箍筋:G=8.076*12.8*145*1.02=421.76 Kgc. 钢筋小计:556.50+421.76=978.26 KgJ3:共145根1)混凝土工程量:V=3.14D2HN/4=0.7854*0.8*0.8*7.0*145=550.70 m32)钢筋:a. 主筋:G=12.8*12.13*0.888*145*1.02=3014.37Kgb. 箍筋:G=8.076*12.8*145*1.02=2108.81 Kgc. 钢筋小计:3014.37+2108.81=5123.18 KgJ4:共148根1)混凝土工程量:V=3.14D2HN/4=0.7854*0.8*0.8*12.8.*148=580.70 m3 2)钢筋:a. 主筋:G=12.8*13*0.888*148*1.02=2411.50Kgb. 箍筋:G=8.076*12.8*148*1.02=1087.04 Kgc. 钢筋小计:2411.50+1087.04=3498.54 Kg桩基工程量总计:桩-混凝土:V=2032.71 m3桩-钢筋:G=69339 Kg第二章钢筋混凝土工程2.1 地梁工程量模板:S=(2.1+3.0)*0.35*2*8+6.6*0.35*2*4+4.8*2*16*0.35+(3.0+2.1+1.5)*0.4*2*6+(3.0+2.1)*0.35*2*6+(3.3+2.4)*0.3*2*6+4.5*0.4*2*6+3.9*0.35*2*5+3.6*0.5*2*2+3.0*0.5*2*2=668.61 m3钢筋:DL1: 8根a. 主筋:G=[(3.0+2.1)*1.21*6*5.1*1.58*4]*8=554.06Kgb. 箍筋:l=[(0.3-0.06)+(0.35-0.06)]*2-0.1=0.96n=(5.1-0.060)/0.20+1=25.2G=0.395*l*n*8=72.81 Kgc.钢筋小计:554.06+72.81=626.87 KgDL2: 4根a. 主筋:G=[6.6*2.98*4+6.6*2.47*2+6.6*2.0*2+6.6*1.58*2]*4=634.13Kgb. 箍筋:l=[(0.3-0.06)+(0.35-0.06)]*2-0.1=0.96n=(6.6-0.060)/0.20+1=31G=0.395*l*n*4=47.02 Kgc.钢筋小计:634.13+47.02=681.15 KgDL3: 6根a. 主筋G=[(3.0+2.1+1.5)*4*2.47+(3.0+2.1+1.5)*4*2.0+(3.0+2.1+1.5*2*1.58)]*6 =833.18Kgb. 箍筋:l=[(0.3-0.06)+(0.4-0.06)]*2-0.10=1.06n=[(3.0+2.1+1.5)-0.60]/0.20+1=31G=0.395*l*n*6=77.88 Kgc. 钢筋小计:833.18+77.88=911.06 KgDL4: 16根a. 主筋:G=(4.8*4*1.21+4.8*2*2.0+4.8*4*1.58)*16 =1164.29Kgb. 箍筋:l=[(0.3-0.06)+(0.35-0.06)]*2-0.10=0.96n=(4.8-0.60)/0.20+1=18G=0.395*l*n*16=109.21 Kgc. 钢筋小计:1164.29+109.21=1273.50 KgDL5:6根a. 主筋:G=(3.0+2.1)*(2*2.0+2*1.21+2*1.58+4*1.58)*6 =486.54Kgb. 箍筋:l=[(0.3-0.06)+(0.45-0.06)]*2-0.10=1.16n=[(3.0+2.1)-0.60]/0.20+1=23.5G=0.395*l*n*6=65.98 Kgc. 钢筋小计:486.54+65.98=552.52 KgDL6:6根a. 主筋:G=1.5*3*(3*2.0+5*1.58)*6=375.3Kgb. 箍筋:l=[(0.3-0.06)+(0.45-0.06)]*2-0.10=1.16n=(1.5*3-0.60)/0.20+1=20.5G=0.395*l*n*6=54.75 Kgc. 钢筋小计:375.3+54.75=430.05 KgDL7:6根a. 主筋:G=3.3*(8*1.21+4*1.58)*6 =316.8Kgb. 箍筋:l=[(0.3-0.06)+(0.3-0.06)]*2-0.10=0.86n=(3.3-0.60)/0.15+1=19G=0.395*l*n*6=38.73 Kgc. 钢筋小计:316.8+38.73=355.53 KgDL8: 6根a. 主筋:G=2.4*(8*1.21+4*1.58)*6 =230.4Kgb. 箍筋:l=[(0.3-0.06)+(0.3-0.06)]*2-0.10=0.86n=(2.4-0.60)/0.10+1=19G=0.395*l*n*16=38.73 Kgc. 钢筋小计:230.4+38.73=269.13 KgDL9: 5根a. 主筋:G=3.9*(6*1.21+4*1.58)*5=264.81Kgb. 箍筋:l=[(0.3-0.06)+(0.35-0.06)]*2-0.10=0.96n=(3.9-0.60)/0.20+1=17.5G=0.395*l*n*5=34.13 Kgc. 钢筋小计:264.81+34.13=298.94 KgDL10: 2根a. 主筋:G=(3.0+3.6)*(6*2.98+2*3.85)*2=337.66Kgb. 箍筋:l=[(0.3-0.06)+(0.5-0.06)]*2-0.10=1.26n=[(3.0+3.6)-0.60]/0.15+1=41G=0.395*l*n*2=40.81 Kgc. 钢筋小计:337.66+40.81=378.47 Kg钢筋工程量总计:17209.233 Kg混凝土工程量:V=(2.1+3.0)*0.35*0.30*8+6.6*0.35*0.30*4+4.8*0.35*0.3*16+ (3.0+2.1+1.5)*0.4*0.3*6+(3.0+2.1)*0.35*0.3*6+(3.3+2.4)*0.3*0.3*6+(1.5+1.5+1.5)*0.4*0.3*6+3.9*0.35*0.3*5+3.6*0.5*0.3*2+3.0*0.5*0.3*2=106.2 m32.2 底层、二层柱、梁、楼板工程量计算2.2.1 柱-模扳:Z-1:18根 b*h=0.45*0.45 h=4.35-0.45S=18*0.45*(4.35-0.45)*4=126.36 m2Z-2:6根 b*h=0.45*0.45 h=4.35-0.45S=6*0.45*(4.35-0.45)*4=42.12 m2Z-3:8根 b*h=0.45*0.45 h=4.35-0.45S=8*0.45*(4.35-0.45)*4=56.16 m2Z-4:4根 b*h=0.45*0.45 h=4.35-0.45S=4*0.45*(4.35-0.45)*4=28.08 m2Z-5:2根 b*h=0.5*0.5 h=4.35-0.45S=2*0.5*(4.35-0.45)*4=15.6 m2Z-6:2根 b*h=0.4*0.4 h=4.35-0.45S=2*0.4*(4.35-0.45)*4=12.48 m2Z-7:2根 b*h=0.4*0.4 h=4.35-0.45S=2*0.4*(4.35-0.45)*4=12.48 m2Z-8:2根 b*h=0.5*0.5 h=4.35-0.45S=2*0.5*(4.35-0.45)*4=15.6 m2底层柱模板工程量总计:606.72m2柱-钢筋:G=(52+42+25+19)*18+(52+39+85+66)*6+(24+18+151+93)*8+(113+96+291+598)*4+(87+112+79+67)*2+(107+143+89+47)*2=36541Kg柱-混凝土:V=0.45*0.45*(4.35-0.45)*36+0.5*0.5*(4.35-0.45)*4+0.4*0.4*(4.35-0.45)*4=107.4 m32.2.2 梁-模板:S=(0.4*2+0.25)*3.3*10+(0.45*2+0.25)*5.1*12+(0.3*2+0.25)*4.8*16+(0.35*2+0.25)*4.8*16+(0.45*2+0.25)*10.2*6+(0.4*2+0.25)*13.2*3+(0.3*2+0.25)*2.4*5+(0.3*2+0.25)*3.3*2=517.42 m2梁-钢筋:KL1: 8根a. 主筋:G=5.1*(4*2.0+2*1.58+2*1.21)*8=554.064Kgb. 箍筋:l=[(0.25-0.06)+(0.35-0.06)]*2-0.10=0.85n=(5.1-0.06)/0.2+1=25.2G=0.395*l*n*8=69.84 Kgc.钢筋小计:554.064+69.84=623.904 KgKL2: 8根a. 主筋:G=3.3*8*3.85*8=813.12Kgb. 箍筋:l=[(0.25-0.06)+(0.40-0.06)]*2-0.10=0.96n=(3.3-0.06)/0.2+1=17.2G=0.395*l*n*8=54.61 Kgc. 钢筋小计:813.12+54.61=867.73 KgKL3: 8根a. 主筋:G=3.6*(4*2.47+1*2.0+2*3.85)8=563.904Kgb. 箍筋:l=[(0.25-0.06)+(0.45-0.06)]*2-0.10=1.06n=(3.6-0.06)/0.2+1=18.7G=0.395*l*n*8=63.64 Kgc. 钢筋小计:563.904+63.64=627.546 KgKL4: 8根a. 主筋:G=3.0*8(6*2.98+2*2.47+4*3.85)*8=917.28Kgb. 箍筋:l=[(0.25-0.06)+(0.35-0.06)]*2-0.10=0.86n=(3.0-0.06)/0.2+1=15.7G=0.395*l*n*8=43.482 Kgc. 钢筋小计:917.28+43.482=960.762 KgKL5: 8根a. 主筋:G=2.1*(2*1.21+2*1.58+2*0.888)*8=123.581Kgb. 箍筋:l=[(0.25-0.06)+(0.45-0.06)]*2-0.10=1.06n=(2.1-0.06)/0.2+1=11.2G=0.398*l*n*8=40.50 Kgc. 钢筋小计:123.581+40.50=164.082 KgKL6: 32根a. 主筋:G=4.8*(5*1.58+1*1.21)*32=1399.296Kgb. 箍筋:l=[(0.25-0.06)+(0.45-0.06)]*2-0.10=1.06n=(4.8-0.06)/0.2+1=24.7G=0.398*l*n*8=84.376 Kgc. 钢筋小计:1399.296+84.376=1483.672 KgKL7: 8根a. 主筋:G=3.3*(2*0.888+3*1.58+2*2.0)*8=277.622Kgb. 箍筋:l=[(0.25-0.06)+(0.45-0.06)]*2-0.10=1.06 n=(3.3-0.06)/0.2+1=17.2G=0.398*l*n*8=60.751 Kgc. 钢筋小计:277.622+60.751=338.373 KgKL8: 10根a. 主筋:G=2.4*(5*1.58+1*2.47)*10=248.88Kgb. 箍筋:l=[(0.25-0.06)+(0.30-0.06)]*2-0.10=0.76 n=(2.4-0.06)/0.2+1=12.7G=0.398*l*n*10=39.322 Kgc. 钢筋小计:248.88+39.322=288.202 KgKL9: 6根a. 主筋:G=2.1*(2*0.888+2*2.0+2*2.47)*6=135.022Kgb. 箍筋:l=[(0.25-0.06)+(0.40-0.06)]*2-0.10=1.08 n=(2.1-0.06)/0.2+1=11.2G=0.398*l*n*6=30.948 Kgc. 钢筋小计:135.022+30.948=165.971 KgKL10: 6根a. 主筋:G=5.1*(3*2.0+2*2.47)*6=334.764Kgb. 箍筋:l=[(0.25-0.06)+(0.50-0.06)]*2-0.10=1.16n=(5.1-0.06)/0.2+1=26.2G=0.398*l*n*6=74.792 Kgc. 钢筋小计:334.764+74.792=409.56 KgKL11: 6根a. 主筋:G=4.5*(4*2.0+4*1.58)*6=386.64 Kgb. 箍筋:l=[(0.25-0.06)+(0.35-0.06)]*2-0.10=0.86n=(4.5-0.06)/0.2+1=23.2G=0.398*l*n*6=49.288 Kgc. 钢筋小计:386.64+49.288=165.971 Kg钢筋总计:19097.19 Kg梁-混凝土:V=0.4*0.25*3.3*10+0.45*0.25*5.1*12+0.3*0.25*4.8*16+0.35*0.25*4.8 *16+0.45*0.25*10.2*6+0.4*0.25*13.2*3+0.3*0.25*2.4*5+0.3*0.25*3.3*2=105.975 m32.2.3 楼板:现浇楼板楼板-模板:S=6.6*(2.1+3.0+2.1+1.5+1.5)*2+4.8*(3.0+2.1+1.5)*8+3.3*(3.0+2.1+1.5*3)*2+2.4*(3.0+2.1+1.5*3)*2+4.8*(3.0+2.1+1.5*3)+3.0*3.9+3.6*(3.9+2.4+1.5)=1477m2钢筋总计:G=9854.2Kg楼板-混泥土:V=221.55m32.3 三层柱、梁、楼板工程量2.3.1 柱-模板:Z-1:18 b*h=0.45*0.45 h=3.6-0.45S=18*0.45*(3.6-0.45)*4=102.06m2Z-2: 6 b*h=0.45*0.45 h=3.6-0.45S=6*0.45*(3.6-0.45)*4=34.02 m2Z-3: 8 b*h=0.45*0.45 h=3.6-0.45S=8*0.45*(3.6-0.45)*4=45.36 m2Z-4: 4 b*h=0.45*0.45 h=3.6-0.45S=4*0.45*(3.6-0.45)*4=22.68 m2Z-5: 2 b*h=0.45*0.45 h=3.6-0.45S=2*0.5*(3.6-0.45)*4=12.6 m2Z-6: 2 b*h=0.4*0.4 h=3.6-0.45S=2*0.4*(3.6-0.45)*4=10.08 m2Z-7: 2 b*h=0.5*0.5 h=3.6-0.45S=2*0.5*(3.6-0.45)*4=12.6 m2柱-模板总计:604.32 m2柱-钢筋:G=(52+39+55+21)*18+(38+28+21+33)*6+(49+57+151+93)*8+(113+96+291+598)*4+(79+67+13+11)*2+(29+22+27+12)*2+(89+47+26+49)*2=36012Kg柱-混凝土:V=0.45*0.45*(3.6-0.45)*36+0.5*0.5*(3.6-0.45)*4+0.4*0.4*(3.6-0.45)*2=98.77 m32.3.2 梁-模板:S=[(0.35*2+0.25)*(2.1+3)*6+3.3*(0.25+0.3*2)*10+4.8*(0.25+0.35*2)*12+(2.1+1.5)*(0.25+0.45*2)*5+4.8*(0.25+0.3*2)*4+(1.5+1.5)*(0.25+0.45*2)*2+3.3*(0.25+0.45*2)*2]*2+(2.4+4.8+2.4)*(0.25+0.6*2)+(2.4+4.8+2.4)*(0.25+0.35*2)+(1.5+2.1)*(0.25+0.35*2)*2=505.42 m2梁-钢筋:KL1: 8根a. 主筋:G=(3+2.1)*(4*2.47+2*1.58+1*1.21)*8=581.0Kgb. 箍筋:l=[(0.25-0.06)+(0.35-0.06)]*2-0.10=0.86n=(5.1-0.06)/0.2+1=26.2G=0.398*l*n*8=74.0 Kgc.钢筋小计:581.0+74.0=655.0 KgKL2: 4根a. 主筋:G=(3+2.1)*(4*2+4*2.98+1*2.47)*4=458.2 Kgb. 箍筋:l=[(0.25-0.06)+(0.45-0.06)]*2-0.10=1.06n=(5.1-0.06)/0.2+1=26.2G=0.398*l*n*4=46.0 Kgc. 钢筋小计:458.2+46.0=504.2 KgKL3: 6根a. 主筋:G=[3*(2*2.47+4*3.85+2*3.85+2*2.98)]*6=612.0 Kgb. 箍筋:l=[(0.25-0.06)+(0.35-0.06)]*2-0.10=0.86n=(3-0.06)/0.2+1=15.7G=0.398*l*n*6=32.90 Kgc. 钢筋小计:612.0+32.90=644.9 KgKL4: 2根a. 主筋:G=3*(2*2+4*2.98+2*2.98+2*2.47)*2=146.1 Kgb. 箍筋:l=[(0.25-0.06)+(0.35-0.06)]*2-0.10=0.86n=(3-0.06)/0.2+1=15.7G=0.398*l*n*2=11.00 Kgc. 钢筋小计:146.1+11.00=157 KgKL5:4根a. 主筋:G=(2.1+1.5)*(2*2.47+1*3.85+2*2.47)*4=198.0 Kgb. 箍筋:l=[(0.25-0.06)+(0.45-0.06)]*2-0.10=1.06n=(3.6-0.06)/0.2+1=16G=0.398*l*n*4=27.70 Kgc. 钢筋小计:198.0+27.70=225.7 KgKL6:10根a. 主筋:G=2.1*(2*2+2*2.98+1*2.47+2*2+2*2.98)*10=470.19 Kgb. 箍筋:l=[(0.25-0.06)+(0.45-0.06)]*2-0.10=1.06n=(2.1-0.06)/0.2+1=11.2G=0.398*l*n*10=50.63 Kgc. 钢筋小计:470.19+50.63=520.82 KgKL7:6根a. 主筋:G=(3.3+3.3)*(2*3.85+3*3.85+2*2.472+2*2)*6=1116.32 Kg b. 箍筋:l=[(3.3+3.3)-0.06]*2-0.10=12.98n=(6.6-0.06)/0.2+1=4.27G=0.398*l*n*6=132.35 Kgc. 钢筋小计:1116.32+132.35=1248.67 KgKL8:8根a. 主筋:G=4.8*(2*2.47+1*1.21+2*2.47+3*1.58)*8=607.87 Kg b. 箍筋:l=[(0.25-0.06)+(0.35-0.06)]*2-0.10=0.86n=(4.8-0.06)/0.2+1=24.7G=0.398*l*n*8=68.46 Kgc.钢筋小计:607.87+68.46=676.33 KgKL9:16根a. 主筋:G=4.8*(2*2.47+1*1.21+2*2.47+3*1.58)*16=1215.74v b. 箍筋:l=[(0.25-0.06)+(0.35-0.06)]*2-0.10=0.86n=(4.8-0.06)/0.2+1=24.7G=0.398*l*n*16=136.91 Kgc. 钢筋小计:1215.74+136.91=1352.65 KgKL10:8根a. 主筋:G=4.8*(2*1.58+1*1.21+2*1.58)*8=289.15 Kgb. 箍筋:l=[(0.25-0.06)+(0.3-0.06)]*2-0.10=0.76n=(4.8-0.06)/0.2+1=24.7G=0.398*l*n*8=60.50 Kgc.钢筋小计:289.15+60.50=349.65 KgKL11:4根a. 主筋:G=3.3*(2*1.58+3*1.58)*4=104.28b. 箍筋:l=[(0.25-0.06)+(0.45-0.06)]*2-0.10=1.06n=(3.3-0.06)/0.2+1=17.2G=0.398*l*n*4=30.38 Kgc. 钢筋小计:104.28+30.38=134.66 KgKL12:4根a. 主筋:G=2.1*(2*0.888+2*1.21)*4=35.25 Kgb. 箍筋:l=[(0.25-0.06)+(0.45-0.06)]*2-0.10=1.06n=(2.1-0.06)/0.2+1=11.2G=0.398*l*n*4=20.25 Kgc. 钢筋小计:35.25+20.25=55.5 KgKL13:1根a. 主筋:G=(2.4*2+4.8)*(2*2+1*1.21+2*2+3*1.58)*1=133.92b. 箍筋:l=[(0.25-0.06)+(0.35-0.06)]*2-0.10=0.86n=(2.4*2+4.8-0.06)/0.2+1=48.7G=0.398*l*n*1=16.77 Kgc. 钢筋小计:133.92+16.77=150.69 KgKL14:1根a. 主筋:G=(2.4*2+4.8)*(2*2.98+2*2+2*2.98*2+1*2.47)*1=233.76 Kg b. 箍筋:l=[(0.25-0.06)+(0.6-0.06)]*2-0.10=1.36n=[(2.4*2+4.8)-0.06)]/0.2+1=48.7G=0.398*l*n*1=26.52 Kgc. 钢筋小计:233.76+26.52=260.28 KgKL15:2根a. 主筋:G=1.5*(3*1.21+2*1.21+3*1.58)*2=32.37 Kgb. 箍筋:l=[(0.25-0.06)+(0.35-0.06)]*2-0.10=0.86n=[1.5-0.06)]/0.2+1=8.2G=0.398*l*n*2=6.16 Kgc. 钢筋小计:32.37+6.16=38.53 Kg钢筋总计:17026.54 Kg梁-混凝土:V=(0.35*0.25*5.1*6+3.3*0.25*0.3*10+4.8*0.25*0.35*12+3.6*0.25*0.45*5+4.8*0.25*0.3*4+3*0.25*0.45*2+3.3*0.25*0.45*2*2+9.6*0.25*0.6+9.6*0.25*0.35+3.6*0.25*0.35=99.427m32.3.3 楼板:现浇混泥土板楼板-模板:S=3.3*5.1*8+4.8*3.6*8+3.0*4.8*8+2.1*4.8*8+1.5*3*3+3.3*4.5*5 +3.3*5.1*5+3.3*2.1*2+2.4*3.6*2+4.8*3.6=689.04 m2楼板-钢筋:G=9736.9Kg楼板-混泥土:V=207.51m2第三章砌体结构工程量3.1 底层、二层3.1.1 墙量:门面积:Sm=1.2*2.1*1+0.9*2.1*16=40.47 m2窗面积:Sc=12*2.4*1.8+10*1.5*1.8+1*2.4*0.9=162m3墙体面积:S=(4.35-0.45)*(10.2*4+6.6*4+19.2*4+6.6*6+9.6*6+5.7*6+7.8*2+3.6+3.0*2+3.9)- Sm-Sc=2147.35 m3V=0.24S=0.24*2147.35=542.627 m3墙体抹灰面积:S抹灰=2S=2*2147.35=4294.69 m23.1.2 楼地面:底面抹灰:V=FH=0.01*1508=15.08 m33.2 三层3.2.1 墙量门面积:Sm=10*0.9*2.1+2*1.5*2.1+2*1.2*2.1=40.47 m2窗面积:Sc=12*2.4*1.8+10*1.5*1.8+2*1.2*1.2=162 m2墙体面积:S=(3.6-0.45)*(10.2*4+6.6*4+19.2*4+6.6*2+9.6*4+3.3*4+4.8*4*2+3.3*2+1.5*2+9.6)- Sm- Sc=2147.35 m2V=0.24S=0.24*2147.35=542.627 m3墙体抹灰面积:S抹灰=2S=2*2147.35=4294.69 m23.2.2 楼地面底面抹灰:V=FH=0.01*1508=15.08 m3 3.2.3 屋面工程量防水层: S=1508m2细石混泥土屋面:V=1508*0.05=29.54m3。
小区工程量清单计算实例
项目名称:小区建设工程
项目编号:001
工程量项目:挖土方
计量单位:立方米
单价:16元/立方米
工程量项目:砌墙
计量单位:平方米
工程量:小区建筑物的外墙面积为2000平方米
单价:180元/平方米
工程量项目:灰浆砌筑
计量单位:立方米
工程量:根据设计要求,小区建筑物的内部墙体灰浆砌筑面积为3000平方米,墙体厚度为0.2米
单价:180元/立方米
工程量:3000平方米*0.2米=600立方米
工程量项目:水电安装
计量单位:千瓦时
工程量:小区的水电安装工程所需电力为500千瓦时
单价:0.5元/千瓦时
金额:500千瓦时*0.5元/千瓦时=250元
工程量项目:道路硬化
计量单位:平方米
工程量:小区内部道路硬化的面积为5000平方米
单价:100元/平方米
工程量项目:绿化
计量单位:平方米
工程量:小区内部绿化的面积为1000平方米
单价:50元/平方米
以上是小区建设工程的工程量清单计算实例,根据具体项目的施工图纸和设计要求,可以计算出每个工程项目的工程量和金额,这样可以为项目的预算和进度计划提供参考。
工程工程量计算实例
一、工程量计算概述
二、工程量计算
(一)土石方工程量计算
1.土石方工程量计算公式:
总量=挖方量+衬砌量+碾压量+其它;
2.土石方工程量计算结果:
根据上文提到的工程信息,按照国家工程技术标准进行计算:挖方量:1000m3;
衬砌量:1500m3;
碾压量:500m3;
其它:200m3
总量:3200m3
(二)主体结构工程量计算
1.主体结构工程量计算公式:
总量=混凝土量+钢筋量+模板量+其它;
2.主体结构工程量计算结果:
根据上文提到的工程信息
混凝土量:2500m3;
钢筋量:200t;
模板量:500m2;
其它:300m3
总量:3200m3
(三)装饰装修工程量计算
1.装饰装修工程量计算公式:
总量=墙面饰面量+地面饰面量+吊顶饰面量+其它;2.装饰装修工程量计算结果:
根据上文提到的工程信息。
建筑装饰工程定额计价实例某房屋工程为框架结构,底层建筑平面图、二层结构平面图如图所示,已知设计室外地坪-0.15,设计室内地坪±0.00,二层结构板面标高为6.50m,板厚12cm。
外、内墙均为1砖厚多孔砖墙;门窗尺寸见门窗表。
门窗表外墙面:1:3水泥砂浆抹底灰,50×230外墙面砖水泥砂浆粘贴;内墙(含附墙柱梁)面和独立柱面:1:1:6混合砂浆底纸筋灰面。
地面:碎石垫层80厚,C15砼垫层70厚,1:3水泥砂浆找平15厚,1:2水泥砂浆面层20厚。
水泥砂浆踢脚线。
砼天棚面:水泥纸筋灰砂浆底纸筋灰面。
试计算该房屋工程底层外墙面、内墙面、地面、天棚装饰项目的工程量,并列出预算表计算直接工程费。
假设外墙门靠外墙内边线、外墙窗居外墙中心线安装,门窗框厚90mm ;人工、材料、机械台班单价均暂按定额取定价计算。
解:由于本工程底层各房间的建筑装饰做法相同,故可采用统筹法计算各项工程量。
1、工程量计算基数:底层建筑面积=14.24×12.24=174.2976m 2编号 洞口尺寸(mm )樘数 宽 高 M1 1000 2100 2 M2 1500 2500 1 C1 2000 1500 4 C2150015005外墙中心线=(14+12)×2=52m内墙净长线=6+12-0.12×4=17.52m外墙外边线=52+0.24×4=52.96m外墙内边线=52-0.24×4=51.04m外墙净长=52-(0.28×2+0.4×2)×2-(0.48×2+0.6)×2=52-2.72-3.12=46.16m内墙净长=6+12-(0.28+0.2)-(0.48×2+0.6)=18-0.48-1.56=15.96m2、计算外墙面装饰工程量:外墙门窗洞口面积=1.5×2.5+2.0×1.5×4+1.5×1.5×5=27.00m2内墙门窗洞口面积=1.0×2.1×2=4.20m2外墙门窗洞口侧壁面积=(1.5+2.5×2)×(0.24-0.09)+[(2.0+1.5)×2×4+(1.5+1.5)×2×5]×(0.24-0.09)/2=0.975+4.350=5.325m250×230外墙面砖水泥砂浆粘贴: S=外墙外边线×镶贴高度-外墙门窗洞口面积+外墙门窗洞口侧壁面积=52.96×(6.50+0.15)-27.00+5.325=330.51m2外墙面1:3水泥砂浆抹底灰: 330.51m23、计算内墙面装饰工程量:附墙柱侧面积=(0.16×2+0.08×2+0.36×2×2)×(6.50-0.12)=1.92×6.38=12.2496 m2附墙梁底面积=46.16×(0.3-0.24)+15.96×(0.3-0.24)=2.7696+0.9576=3.7272m2内墙面1:1:6混合砂浆底纸筋灰面: S=(外墙内边线+内墙净长线×2-T 形搭接墙厚)×抹灰高度-外墙门窗洞口面积-内墙门窗洞口面积×2+附墙柱侧面积+附墙梁底面积=(51.04+17.52×2-0.24×4)×(6.50-0.12)-27.00-4.20×2+12.2496+3.7272=543.0656-27.00-8.40+12.2496+3.7272=523.6424=523.64m2单独砼柱面1:1:6混合砂浆底纸筋灰面: (0.4+0.6)×2×(6.50-0.12)=12.76m24、计算地面装饰工程量:地面面积=建筑面积-(外墙中心线+内墙净长线)×墙厚=174.2976-(52+17.52)×0.24=157.6128m2碎石地坪垫层80厚: 157.6128×0.08=12.61m3C15混凝土地坪垫层70厚: 157.6128×0.07=11.03m31:3水泥砂浆找平15厚: 157.61m21:2水泥砂浆面层20厚: 157.61m2水泥砂浆踢脚线:S=[(外墙内边线+内墙净长线×2-T形搭接墙厚)+附墙柱两侧宽+独立柱周长]×高度=[(51.04+17.52×2-0.24×4)+(0.16×2+0.08×2+0.36×2×2)+(0.4+0.6)×2]×0.15=89.04×0.15=13.36 m25、计算天棚面装饰工程量:带梁天棚梁侧面积=(8-0.28-0.4×1.5)×(0.6-0.12)×2+(12-0.48×2-0.6)×(0.7-0.12)×2+(6-0.18-0.15)×(0.5-0.12)×2×2+(6-0.18-0.15-0.25)×(0.4-0.12)×2×2=7.12×0.48×2+10.44×0.58×2+5.67×0.38×4+5.42×0.28×4=33.6344m2附墙梁底面积=3.7272m2砼天棚水泥纸筋灰砂浆底纸筋灰面:S=建筑面积-(外墙中心线+内墙净长线)×墙厚+带梁天棚梁侧面积-附墙梁底面积=174.2976-(52+17.52)×0.24+33.6344-3.7272=157.6128+33.6344-3.7272=187.52 m26、列出预算表计算外墙面、内墙面、地面、天棚装饰项目的直接工程费:∴本工程外墙面、内墙面、地面、天棚装饰项目的直接工程费为26310元。
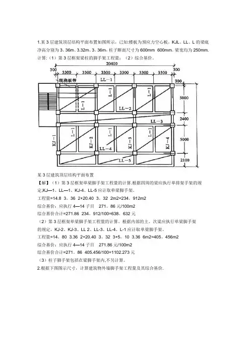
1.某3层建筑顶层结构平面布置如图所示,已知:楼板为预应力空心板,KJL、LL、L的梁底净高分别为3。
36m、3.32m、3。
36m,柱子断面尺寸为600mm×600mm。
梁宽均为250mm.计算:(1)第3层框架梁柱的脚手架工程量;(2)综合基价。
某3层建筑顶层结构平面布置【解】(1)第3层框架单梁脚手架工程量的计算.根据四周的梁应执行单排架手架的规定,KJ—1、LL—1、KJ-4、LL-5应计取单梁脚手架。
工程量=14.8×3。
36×2+20.40×3。
32×2m2=234。
912m2综合基价:应执行4—14子目271。
86元/100m2综合基价合计=271.86×234。
912/100=638。
632元(2)第3层框架单梁脚手架工程量的计算。
根据内部的主、次粱应执行单梁脚手架的规定,KJ-2、KJ-3、LL 2、LL-3、LL-4、L-1应计取单梁脚手架。
工程量=14。
80×3.36×2+20.40×3。
32×3+5。
10×3.36×6m2=405。
456m2综合基价:应执行4—14子目271.86元/100m2综合基价合计=271。
86×405.456/100=1102.273元(3)柱子脚手架包括在梁脚手架内,不另计算。
2.根据下图图示尺寸,计算建筑物外墙脚手架工程量及其综合基价.【解】(1)外墙脚手架工程量:单排脚手架(15m高)=(26+12×2+8)×15m2=870m2双排脚手架(27m高)=32×27m2=864m2双排脚手架(24m高)=(18×2+32)×24m2=1632m2双排脚手架(36m高)=26×36m2=936m2双排脚手架(5lm高)=(18+24×2十4)×51m2=3570m2(2)综合基价合计:1)单排脚手架(15m高):应执行4-2子目 719.97元/100m2综合基价合计=719.97×870/100=6263。
结构设计1.1 设计资料1.工程名称:邵阳县石齐中学教学楼楼设计。
2.工程概况:建筑面积为3040m2,主体五层,结构形式为框架结构层高3.6m,室内外高差为0.45m。
3.地质条件:土层分布为:a层:杂填土和腐殖土,厚约0.6m ;b层:褐色粘土,厚约0.6~5.5m ;c层:岩石,5.5m以下,4.基本风压W=0.35kN/m2,地面粗躁程度为B类,地基承载力标准值为270kpa。
1.2 结构设计方案及布置框架结构具有建筑平面布置灵活,室内空间大的优点,本次设计的教学楼采用钢筋混凝土框架结构。
它是由梁,柱通过节点连接组成的承受竖向荷载和水平荷载的结构体系。
墙体只给围护和隔断作用。
按结构布置不同,框架结构可以分为横向承重,纵向承重和纵横向承重三种布置方案。
本次设计的教学楼采用横向承重方案,竖向荷载主要由横向框架承担,楼板为现浇混凝土楼板,横向框架还要承受横向的水平风载。
在房屋的纵向则设置连系梁与横向框架连接,这些联系梁与柱实际上形成了纵向框架,承受平行于房屋纵向的水平风荷载。
1.3 结构缝的设置在结构总体布置中,为了降低地基沉降、温度变化和体型复杂对结构的不利影响,可以设置沉降缝、伸缩缝将结构分成若干独立的单元。
当房屋既需要设沉降缝,又需要设伸缩缝,沉降缝可以兼做伸缩缝,两缝合并设置。
其沉降缝和伸缩缝均应该符合建筑规范要求,并进可能做到多缝合一。
1.4 框架计算单元的确定3.4.1 计算单元一榀计算框架的选取如图1.1所示。
图1.1 框架计算单元简图1.4.2 框架梁、柱截面尺寸估算1 计算单元取相邻两个柱距的1/2宽作为计算单元,如上图阴影所示。
2 框架几何尺寸(1)框架截面尺寸(a)横向框架梁h=(1/8~1/14)l=(1/8~1/14)×6600=471~825mm;取h=600mm;b=(1/2~1/3)h=(1/2~1/3)×600=200~300mm;取b=300mm;取b×h=300mm×600mm。
以下是一个完整的工程量计算实例:假设我们需要计算建造一条道路的工程量。
以下是计算步骤:1. 确定工程范围:确定道路的长度和宽度。
假设道路长度为1000米,宽度为10米。
2. 计算挖方工程量:根据设计要求,假设道路需要挖掘1米的土壤,并且挖方有一个边坡。
首先计算挖方体积:挖方体积= 道路长度×道路宽度×挖方深度挖方体积= 1000米×10米×1米= 10000立方米接下来计算挖方边坡体积。
假设边坡的坡度为1:1,即边坡的高度等于边坡底部的宽度。
边坡的面积可以通过道路宽度和边坡高度计算:边坡面积= 道路宽度×边坡高度边坡面积= 10米×1米= 10平方米挖方边坡体积= 边坡面积×边坡长度假设边坡长度为50米,那么挖方边坡体积= 10平方米×50米= 500立方米最后的挖方总体积为挖方体积加上挖方边坡体积:挖方总体积= 挖方体积+ 挖方边坡体积挖方总体积= 10000立方米+ 500立方米= 10500立方米3. 计算填方工程量:根据设计要求,假设道路需要填充0.5米的土壤,并且填方有一个边坡。
计算填方体积与计算挖方体积和边坡体积类似,只是填方体积的深度和边坡方向相反。
假设填方体积= 道路长度×道路宽度×填方深度假设填方边坡体积= 边坡面积×边坡长度4. 计算铺设沥青层工程量:假设在道路上铺设一层沥青,沥青层厚度为0.15米。
计算铺设沥青的面积:铺设沥青面积= 道路长度×道路宽度假设铺设沥青层面积= 1000米×10米= 10000平方米计算铺设沥青的体积:铺设沥青体积= 铺设沥青面积×沥青层厚度假设铺设沥青层体积= 10000平方米×0.15米= 1500立方米以上是一个简单的道路工程量计算示例。
在实际工程量计算中,还需要考虑更多的因素,并且可能涉及不同种类的工程量计算,如混凝土工程量、结构钢工程量等。
工程量计算示例例1.某建筑平面图如图1所示,墙体厚度240mm,台阶上部雨篷伸出宽度与阳台一致,阳台为全封闭。
按要求平整场地,土壤类别为Ⅲ类(坚土),大部分场地挖填找平厚度在±30cm以内,就地找平,但局部有23m3挖土,平均厚度为50cm,有5m弃土运输。
计算人工场地平整的工程量。
图1 某建筑平面图例2.如图2所示,求建筑物人工平整场地工程量。
图2 人工平整场地示意图例3.某工程场地平整,方格网边长确定为20m,各角点自然标高和设计标高如图所示。
土类为Ⅱ类普通土,常年地下水位为-2.40m。
计算人工开挖土方的工程量。
图3 某工程场地示意图例4.某建筑物基础平面及剖面如图所示。
已知设计室外地坪以下砖基础体积为15.85m3,混凝土垫层体积为2.86m3,室内地面厚度为180mm,工作面C=300mm,土质为Ⅱ类普通土。
要求挖出土方堆于现场,回填后余下的土外运。
试对土石方工程相关项目进行列项,并计算各分项工程量。
图4 某建筑物基础平面及剖面图a) 平面图b)基础1-1剖面图例5.如图所示,现场土质为Ⅱ类普通土,地槽双面支挡土板,墙厚240mm,计算人工挖地槽和支挡土板工程量。
支挡土板沟槽平面图例6.土壤类别为Ⅱ类普通土,基础为现浇混凝土独立基础,垫层宽度1.5m,挖土深度2.3m,其施工方案如图示。
编制其工程量清单计价表。
图6 独立柱基础结构示意图a)独立柱基础平面图b)独立柱基础剖面图例7.如图7所示,某办公楼工程为砖混结构,外墙厚365mm,内墙厚240mm,楼板厚120mm,计算:“三线一面”基数;基础工程量;实砌墙体工程量。
门窗及墙体埋件见下表图7 某办公楼工程示意图例8.某工程等高式标准砖大放脚基础如图所示,当基础墙高h=1.6m,基础长l=27.85m 时,计算砖基础工程量。
例9.某建筑物如图所示。
内外墙与基础均为砖砌,均用M5水泥石灰砂浆砌筑。
内、外砖墙厚度均为240mm,外墙为清水砖墙,用水泥膏勾缝,外墙裙顶标高为1.2m。
一、土方工程【例1】 某房屋基础平面与剖面图见图,已知一、二类土,设计室外地坪标高—0.300, 交付施工的地坪标高—0.450,静止地下水位标高为—1.000,施工采用人力开挖,弃土运距5Km 。
求房屋挖基础土方的工程量并编制项目工程量清单。
【例2】 某工程基础如图所示,已知土壤类别为三类土,设计室外标高为—0.30,垫层 采用C10素混凝土,基础及基础梁为C25现拌混凝土,柱500×500,地面面层垫层厚度为170mm ,施工采用人工开挖,弃土运距为1Km ,回填土采用不含有机物就地回填、夯填,密实度要求80%,余土弃土运距5Km 。
试计算挖基础土方工程量并编制该项目工程量清单。
【例3】 某工程场地平整,设置20m ×20m 方格网,方格网及测量标高如图,试计算挖、 填土方工程量并编制该项目工程量清单。
二、桩与地基基础工程【例4】 某建筑物桩承台基础如图所示,已知土为二级土,桩为预应力钢筋混凝土管 桩,混凝土强度等级为C60,施工采用静力压桩,桩设计长度(包括桩尖)为26m ,直径为400mm ,由上下节桩焊接而成。
该承台共有80个,求桩基础工程的工程量数量并编制项目工程量清单。
【例5】建筑物采用桩基础,图为灌注桩示意图,已知土为一级土,桩为 377振动沉管灌注桩,混凝土强度等级为C25,该桩共有180根。
求该建筑物桩基础工程的工程量数量并编制项目工程量清单。
三、砌筑工程【例6】 某房屋平面图、墙身节点大样图及基础剖面如图所示,已知设计室外地坪标高—0.450,墙体为MU15烧结普通砖砌筑,规格为240m m ×115mm ×53mm ,砌筑砂浆基础为M7.5水泥砂浆,主体为M5混合砂浆,屋面板厚100mm ,门窗、过梁尺寸见下表,①②⑤轴构造柱,±0.000以下构造柱体积为0.743m ,±0.000以,上构造柱体积为2.963m ,370、240墙一层圈梁底标高为+3.300m 。