第三章物料衡算习题1
- 格式:ppt
- 大小:185.00 KB
- 文档页数:49
[例3-1] 某药厂要求设计一套从气体中挥发丙酮的装置系统,并计算回收丙酮的费用。
系统的流程框图见图3-9,要求由已知的数据,列出各物流的流率(Kg/h ),以便能确定设备的大小,并计算蒸馏塔的进料组分。
解:本系统包括吸收塔、蒸馏塔和冷凝器三个单元操作。
由于除空气进料的其余组成均是质量百分数表示的,所以将空气-丙酮混合气进料的摩尔百分数换算为质量百分数。
基准:100kmol 气体进料。
进入系统的物流为两个,离开系统的物流为三个,其中已知一个物流量,因此有四个物流是未知的。
可列出总物料平衡方程式:1200+F 2=F 3+F 4+F 5各组分平衡式:丙酮 0.0295F 2=0.99F 4+0.05F 5 水1200=0.01F 4+0.95F 5空气 0.9705F 2=F 3以上4个方程式,实际上独立方程式数为3个,因此本方案求解尚缺少数据,其补充的数据可以是:(1)每小时进入系统的气体混合物,离开系统的产品或废液的物流量; (2)进入蒸馏塔的组分此例子体现了物料平衡式中未知变量数与独立方程式数目不相等时,需补充数据才能进行衡算或与能量衡算联立解算才能求解。
[例3-2] 年产量700吨非那西丁烃化工段的物料衡算。
设计基本条件:工作日:300天/年;收率:总收率为83.93%,其中烃化工段收率为93%,还原工段为95%,酰化工段精制收率为95%。
设产品的纯度为99。
5%。
已知生产原始投料量 投料物 对硝基氯苯 乙醇 碱液 投料量 含量2000 95%514.46 95%4653 46%解:日产纯品量=3001000700⨯×99.5%=2321.67㎏每天所需纯对消投料量=%95%95%9322.17956.15767.2321⨯⨯⨯⨯=2431.81(其中:179.22为非那西丁的摩尔质量,157.56为对硝基氯苯的摩尔质量) NO 2+NaOH+C 2H 5OHNO 22H 5+H 2O+NaClcat.157.56 40.00 46.07 167.17 18.02 ⑴ 进料量:95% 对硝基氯苯的量为:2431.81/95%=2559.80㎏ 其中杂质为:2559.80-2431.81=127.99㎏ 95%的乙醇的量为:2559.80/2000×514.56=658.59㎏ 其中纯品量为:658.59×95%=625.66㎏杂质的量为:658.59-625.66=32.93㎏46%的碱液的量为:2559.80×4653/2000=5955.37㎏纯品量为:5955.37×46%=2739.47㎏水的量为:5955.37-2739.47=3215.90㎏39.5%的催化剂的量为:2559.80×344.68/2000=441.16㎏纯催化剂的量为:441.16×39.5%=174.26㎏纯乙醇的量为:441.16×56.95%=251.3㎏杂质的量为:441.16-174.26-251.24=15.6㎏(2)出料量设转化率为99.3%反应用的NO2的量为:2431.81×99.3%=2414.79㎏剩余的量为:2431.81-2414.79=17.02㎏用去的NaOH的量为:56.157% 3.9981.2431⨯×40.00=613.08㎏剩余的NaOH的量为:2739.47-613.08=2126.39㎏用去的乙醇的量为:56.157% 3.9981.2431⨯×46.07=706.08㎏进料中的乙醇的量为:625.66+251.3=876.96㎏剩余的乙醇的量为:876.96-706.08=170.88㎏生成的水的量为:56.157% 3.9981.2431⨯×18.02=276.18㎏总的水量:276.18+3215.90=3492.08㎏生成的NaCl的量:56.157% 3.9981.2431⨯×55.84=895.66㎏生成的O2NC6H4OC2H5的量为:56.157% 3.9981.2431⨯×167.17=2562.07㎏杂质总量为:15.6+32.93+127.99=176.52㎏衡算数据汇总表3-5。
计算题:
1. 在离心过程中将含有25%(质量比)的诺氟沙星料浆进行过滤,料浆的进料流量为2000Kg/h。
滤饼含有90%的固体,而滤液含有1%的固体,试计算滤液和滤饼的流量?(答案:1460.7Kg/h;539.3Kg/h)
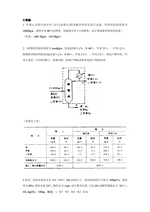
2.一精馏塔的进料流量为loooKg/h,组成(质量%)为:苯60%,甲苯25%,二甲苯15%。
精馏塔顶馏出物的组成(质量%)为:苯94%,甲苯
3.5%,二甲苯2.5%。
塔底产物中的二甲苯占进料二甲苯的95%。
求馏出物、塔底产物的流量和塔底产物的组成。
(答案见下表)
3.某药厂用清水吸收含有5%(体积)SO2的混合气,需处理的混合气量为1000m3/h,吸收率为90%,吸收水温20℃,操作压力1atm,试计算用水量。
已知SO2溶解度数据如下(20℃):SO2 [kgSO2/100kg H2O] 1 0.7 0.5 0.3 0.2 0.15。
第三章物料衡算与热量衡算习题1连续常压蒸馏塔进料为含苯质量分数(下同)38%(wt)和甲苯62%的混合溶液,要求馏出液中能回收原料中97%的苯,釜残液中含苯不低于2%。
进料流量为20000kg /h ,求馏出液和釜残液的流量和组成。
解:苯的相对分子质量为78,甲苯的相对分子质量为92。
以下标B 代表苯。
进料中苯的摩尔分数 38780.419638627892FB x ==+釜残液中苯的摩尔分数 2780.023*********WB x ==+进料平均相对分子质量 0.419678(10.4196)9286.13M =⨯+-⨯= 进塔原料的摩尔流量 2000232.2/86.13F kmol h == 依题意,馏出液中能回收原料中97%的苯,所以97.430.9794.51/DB Dx kmol h =⨯=作全塔苯的质量衡算得 FB DB WB Fx Dx Wx =+作全塔总质量衡算得 F W D =+ 将已知数据代人上述质量衡算方程得 232.20.419694.510.02351⨯=+ 232.2W D =+解得 124.2/,108/W kmol h D kmol h == 所以,94.5194.510.8752DB x ===习题2 采用蒸发方法将浓度为10%NaOH (质量浓度)及10%NaCl 的水溶液进行浓缩。
蒸发时只有部分水分汽化成为水蒸气而逸出,部分NaCl 结晶成晶粒而留在母液中。
操作停止后,分析母液的成分为:50%NaOH ,2%NaCl 及48%H 2O 。
若每批处理1000kg 原料液,试求每批操作中:1)获得的母液量,2)蒸发出的水分量,3)结晶出的NaCl 量。
解:所选择的基准为:每批处理量,1000kg 原料液总物料衡算F1 = F2 + F3 + F4组分物料衡算NaOH 平衡 1000×0.1=0.5F4 NaCl 平衡 1000×0.1=0.02F4+F3H 2O 平衡 1000(1-0.1-0.1)=F2+0.48F4 解得: F2=704kg ,F3=96kg ,F4=200kg 习题3 丙烷充分燃烧时要使空气过量25%,燃烧反应方程式为: 38222534C H O CO H O +→+试计算得到100摩尔燃烧产物(又称烟道气)需要加入的空气的摩尔量。
物料衡算练习:例5 在间歇釜式反应器中用浓硫酸磺化甲苯生产对甲苯磺酸,其工艺流程如图所示,试对该过程进行物料衡算。
已知每批投料量为:甲苯1000kg ,纯度99.9%(wt%,下同);浓硫酸1100kg ,纯度98%;甲苯的转化率为98%,生成对甲苯磺酸的选择性为82%,生成邻甲苯磺酸的选择性为9.2%,生成间甲苯磺酸的选择性为8.8%;物料中的水约90%经连续脱水器排出。
此外,为简化计算,假设原料中除纯品外都是水,且在磺化过程中无物料损失。
解:以间歇釜式反应器为衡算范围,绘出物料衡算示意图。
原料甲苯:1000kg 纯度99.9% → 甲 苯 →磺化液浓硫酸:1100kg 纯度98% → 磺化釜→排水器脱水图中共有4股物料,物料衡算的目的就是确定各股物料的数量和组成,并据此编制物料平衡表。
对于间歇操作过程,常以单位时间间隔(一个操作周期)内的投料量为基准进行物料衡算。
进料:原料甲苯中的甲苯量为:1000⨯0.999=999kg 原料甲苯中的水量为:1000-999=1kg 浓硫酸中的硫酸量为:1100⨯0.98=1078kg 浓硫酸中的水量为:1100-1078=22kg进料总量为:1000+1100=2100kg ,其中含甲苯999kg ,硫酸1078kg ,水23kg 。
出料:反应消耗的甲苯量为:999⨯98%=979kg未反应的甲苯量为:999-979=20kg 主反应:副反应I副反应II110~140 C+ H 2O+ H 2SO 4CH 3SO 3H CH 3CH 3CH 3SO 3H+ H 2SO 4+ H 2O110~140 0CCH 3CH 33H + H 2SO 4+ H 2O110~140 C⎪⎪⎪⎪⎩⎪⎪⎪⎪⎨⎧水硫酸甲苯间甲苯磺酸邻甲苯磺酸对甲苯磺酸分子量 92 98 172 18反应生成的对甲苯磺酸量为:反应生成的邻甲苯磺酸量为: 反应生成的间甲苯磺酸量为:反应生成的水量为:经脱水器排出的水量为:(23+191.5)⨯90%=193.1kg 磺化液中剩余的水量为:(23+191.5)-193.1=21.4kg反应消耗的硫酸量为: kg未反应的硫酸量为:1078-1042.8=35.2kg磺化液总量为:1500.8+168.4+161.1+20+35.2+21.4=1906.9kg工艺优化例题:例1:为了提高某药物中间体的转化率,选择了三个有关因素进行试验,即反应温度(A)、反应时间(B )、用碱量(C ),并确定了它们的试验范围(A,80~90℃; B :90~150 分钟;C,5%~7%)。
化工计算第三章物料衡算11. 引言在化工领域,物料的衡算是非常重要的一个环节。
物料衡算是指根据化工过程中所使用的原料和产物,计算原料的用量、产物的得率以及各种物料之间的比例关系等。
在化工生产过程中,准确的物料衡算能够提高生产效率、节约原料成本,并且确保产品质量的稳定性。
本文将介绍化工计算中的物料衡算的基本概念和计算方法,并通过实例来说明物料衡算的具体操作步骤。
2. 物料衡算的基本概念在进行物料衡算之前,我们首先需要了解一些基本概念:2.1 原料在化工生产过程中,原料是指用于制造产品的起始物质。
原料可以是固体、液体或气体,具体取决于化工过程的需求。
2.2 产物产物是指化工过程中生成的最终产品或副产品。
产物的种类和质量取决于原料的配比和反应条件。
2.3 用量用量是指在化工过程中,各种原料的加入量或消耗量。
用量可以通过实验或计算得到。
2.4 得率得率是指产物与理论产物之间的比值,用于衡量化工过程的效率。
得率可以通过实验或计算得到。
3. 物料衡算的计算方法在进行物料衡算时,我们可以运用各种数学和化学的计算方法,例如质量守恒定律、化学方程式的平衡等。
3.1 质量守恒定律质量守恒定律是物料衡算中最基本的原则之一。
根据质量守恒定律,化学反应前后的总质量保持不变。
在物料衡算中,可以通过质量守恒定律来计算原料的用量和产物的得率。
3.2 化学方程式的平衡在进行物料衡算时,往往需要考虑化学方程式的平衡问题。
化学方程式的平衡可以通过调整配比来实现。
根据化学方程式的平衡,可以计算各种原料的用量和产物的得率。
3.3 实验方法在进行物料衡算时,实验方法是一种常用的手段。
通过实验,可以确定原料的用量和产物的得率,并且验证计算结果的准确性。
4. 实例分析下面通过一个实例来说明物料衡算的具体操作步骤。
假设某化工过程需要用到A、B两种原料,化学方程式如下:2A + 3B → C已知反应中A的用量为100 g,B的用量为200 g。
我们需要计算产物C的得率。
物料衡算习题
一、选择题
1.物料和能量衡算一般在哪项工作完成之后进行〔〕。
A 工艺路线与生产方法确实定
B 设备选型
C 车间平面立面布置
D 管道布置
2.化工计算包括工艺设计中的〔〕
A 物料衡算、能量衡算、设备计算
B 物料衡算、能量衡算、设备选型和计算
C 设备选型和计算、管路计算
D 物料衡算、能量衡算、管路计算
3.物料衡算基准有〔〕
A 时间
B 批
次
C 质量
D 体积
4.在化工计算中有一表达式为:生成目的产物的原料量/原料投料量 100%,请问以下哪一选择项正确:〔〕。
A 该式表示反响的转化率;
B 该式表示反响的选择性
C 该式表示反响的单程收率
D 都不是
5.转化率、选择性与收率是衡量一个化工过程的重要指标。
以下关于转化率、选择性与收率说法错误的选项是:
A 转化率是针对反响物而言的
B 选择性是针对目的产物而言的
C 转化率越高,选择性也越高
D 收率
等于转化率与选择性之积
二、填空题
1.化工计算包括工艺设计中的、以及设备选型和计算三个内容。
2.物料衡算的依据是。
3.物料衡算应用于两种情况:一种是对;另一种是对。
一、选择题参考答案
1A 2B 4C 5C
二、填空题参考答案
1物料衡算能量衡算
2守恒定律
3已有装置进行标定新装置进行设计。
第一章化工厂设计的内容与程序(陈声宗习题与思考题2010.9)1、化工设计的种类有哪些?答:根据项目性质化工设计可分为:新建项目设计、重复建设项目设计、已有装置的改造设计。
根据化工过程开发程序化工设计可分为:概念设计、中试设计、基础设计和工程设计;其中工程设计又包括:初步设计、扩大初步设计和施工图设计。
2、请画出化工厂设计的工作程序示意图。
3、化工厂通常由哪些部门和设施所构成?答:化工厂通常由化工生产车间、辅助生产装置、公用工程及罐区、服务性工程、生活福利设施、三废处理设施和厂外工程等构成。
4、化工车间工艺设计的程序及主要内容有哪些?答:一、设计准备工作(1)熟悉设计任务书(2)制定设计工作计划(3)查阅文献资料(4)收集第一手资料。
二、方案设计方案设计的任务是确定生产方法和生产流程,是整个工艺设计的基础。
三、化工计算化工计算包括工艺设计中的物料衡算、能量衡算、设备选型与计算三个内容,其任务是在这三项计算的基础上绘制物料流程图、主要设备图和带控制点工艺流程图。
四、车间布置设计主要任务是确定整个工艺流程中的全部设备在平面上和空间中的正确的具体位置,相应地确定厂房或框架的结构型式。
五、配管工程设计任务是确定生产流程中全部管线、阀门及各种管架的位置、规格尺寸和材料,综合权衡建设投资和操作费用。
六、提供设计条件工艺专业设计人员向非工艺专业设计人员提供设计条件。
七、编制概算书及编制设计文件概算主要提供了车间建筑、设备及安装工程费用。
第二章 工艺流程设计1、化工工艺设计包括哪些内容?答:生产方法选择,工艺流程设计,工艺计算,设备的设计与选型,设备布置,管道设计对非工艺设计提条件,设计说明书,概预算书。
2、在选择生产方法和工艺流程时,应该着重考虑的原则有哪些?其步骤有哪些? 答:先进性、可靠性、合理性;资料搜集与项目调研、生产设备类型与制造厂商调研、对调研结果进行全面分析对比。
3、工艺流程设计的步骤有哪些? 答:确定整个流程的组成,确定每个过程或工序的组成,确定工艺操作条件,确定控制方案,原料与能量的合理利用,制定“三废”处理方案,制定安全生产措施。