LCD检验标准
- 格式:doc
- 大小:156.63 KB
- 文档页数:6
LCD显示屏检验标准
一、检验标准
(一)显示屏外形尺寸及屏体相关要求
1、外形尺寸检验:显示屏的外形尺寸应符合样品或图纸规定的尺寸,尺寸偏差不应超过±0.2mm;
2、屏体强度检验:将显示屏安装到相应的支架或架体上,击中屏体
表面以及边缘处,应没有明显的弹性变形;
3、产品外壳表面质量:整体表面不得有明显的刮伤,无明显的裂缝,且无工艺相关的明显瑕疵;
4、螺丝连接:显示屏的形状应该符合客户提供的图纸要求,螺丝连
接应外观无明显折断及脱落情况;
(二)显示屏电性及可靠性检验
1、逆变器功能检验:连接显示屏的逆变器插头应满足相应的电性,
并应按照客户要求检验额定功率对应的电压及频率;
2、显示屏开关机检测:显示屏的开机时间不能超过规定的时间,开
机后的画质应清晰,按照客户要求的各种功能及按键正常使用;
3、显示屏存储检测:应检查显示屏的程序存储和数据存储功能,使
用显示屏的内存模块,使用客户要求的接口测试;
4、显示屏信号检测:应检查显示屏的信号输入和输出,检查显示屏
的信号传输功能,使用客户要求的接口测试;。
1.0目的指导员工按照此检验标准严格检验,为检验提供统一标准 2.0适用范围本检验标准适合于3.5”及以上所有TFT 。
3.0定义可视区:有效的显示区域,如下图所示。
4.0 抽样标准 参照MIL-STD-105E LEVEL=II AQL 允收标准:致命缺陷(CR )AC=0,主要缺陷(MAJ )=0.25 次要缺陷(MIN )=0.65 致命缺陷是指影响TFT 产品严重功能性不良,如串笔,漏笔等;主要缺陷是指影响TFT 产品质量的严重不良,如内刮等;次要缺陷是指对TFT 产品的质量影响轻微的不良,如条纹PI ,亮点等.5.0 检验条件及方法5.1 外观检查方法在光照度为1000±200lux 的日光灯下,眼睛距离待检玻璃30CM ±10 CM ;观察角度从垂直方向前后左右偏45度:5.2 除表面外观部分,ITO 走线部分用显微镜检验(参照6.2判断标准)5.3外观检查项目祥述及判定标准 5.3.1 点大小D 计算(X+Y)/2=点大小 5.3.2 若缺陷长为宽的2.5倍以上,则视为划痕和线状缺陷C 区:视区外 B 区:视区(V.A ) A 区:(A.A ) 边框ITO 引线边封口6.0 主要检验项目检测项目不良问题描述缺陷级别判断标准主要检测位置检测工具不良现象相应不良图片1.表面质量(抽样标准MIL-STD-105E LEVEL=II AQL 允收标准:致命缺陷(CR)AC=0,主要缺陷(MAJ)=0.25 次要缺陷(MIN)=0.65)a.表面脏点、线不良(能用酒精擦拭掉的不良将不作不良记录)MIN 参考表1整个TFT 眼睛、菲林尺b.ITO短路、断路断路短路CR 0 IC、FPC压贴部位显微镜c.ITO划伤划伤划伤CR 0 IC、FPC压贴部位显微镜d.ITO脱落脱落脱落CR 0 IC、FPC压贴部位显微镜e.ITO腐蚀腐蚀腐蚀CR 0 IC、FPC压贴部位显微镜f.玻璃缺陷参照6.2 整个TFT 眼睛2.外型尺寸以及可视区尺寸参照6.3 菲林尺、卡尺3.边框胶抽样标准:AQL=0.25 LEVEL=Ⅱ参照6.3 菲林尺、显微镜4.封口胶抽样标准:AQL=0.25 LEVEL=Ⅱ参照6.3 眼睛、显微镜5.功能测试参照7.06.1 外观点、线缺陷判断标准(包括:划伤、黑线、白线、异物、气泡、腐蚀、凹凸点等所有的点状、线状不良,此类未伤到线路外观缺陷按轻缺陷级别判定)检验项目内容缺陷级别判定标准TFT LCD检验标准(3.5〞及以上)文件编号WI-Q-016编写人朱林森版本A页数第3页共5页审批人刘伏波生效日期2013-6-56.2 玻璃破损检验项目检查判定标准X:破损的长 Y:破损的宽 Z:破损的厚度 T:单片玻璃的厚度 D:导电面的宽度 W:ITO 宽度缺点外观检验项目检验标准1.LCD破损1.X ,Y 破损不超过可视区(此项属玻璃表面破损) 容许2.破损造成导通点或框胶1/2 以上外露(此项属玻璃间之破损) 不容许2.切裂不良1.长度不计2. B > 1/2 导电层宽度或 B > 0.8mm 不容许3.切裂不良以工程图之尺寸为准4.切裂不良1.X,Y 触及框胶 1/2 以上或使导通点 1/2 以上外露.2. A > 1/2 导电层宽不容许类别视区内允许数点状缺陷可视区内D=(a +b)/2 MIND≤0.15 不限0.15<D≤0.25 20.25<D≤0.50 1D>0.50 0线状缺陷可视区内MINa≤0.05 b≤0.3 不限0.05<a≤0.10.3<b≤2.0 2a≥0.1按点状缺陷判断亮点子像素损坏MIN 1/2个子像素<D≤1个子像素 1 暗点子像素损坏MIN 1/2个子像素<D≤1个子像素 2X TYAY ZWXT6.3 外形尺寸/密封胶状态/封口状态检验标准检验项目 判 定 标 准外形尺寸参照相应型号的规格书。
LCD显示屏检验标准
文件编号BC-QM-026 生效日期批准审核拟制版本/修订号 A.0 制订部门品质部
1.0 目的: 为使LCD显示屏符合本厂之产品要求,特制定检验和判定标准。
2.0 范围: 适用本公司所有CD显示屏来料检验.
3.0 检验环境: 在正常光源下,距30CM远,以45°视角观看产品。
4.0 检验标准: GB/T2828.1-2012 正常检验一次抽样方案,一般检验水平Ⅱ级,特殊检验水平S-3。
检验项目检验内容
检验工具
仪器
判定标
准
CR MA MI
包装1、每个包装箱及内盒袋上必须有相应品名、规格、料
号、数量、供应商、出厂检验日期、及标贴环保标志等。
目视
√2、不能有混料、错料、挤压、潮湿、包装箱变形、箱体
破损、每个产品包装方式要用比较得当的保护。
√
外观1、目视检查不能漏贴保护膜。
目视
√2、屏幕2CM以内有两处小于1.5MM的破损,且不影响装配
及外观。
√
3、LCD表面框线宽度超出可视。
√
4、镜片表面出现≤1MM轻度划伤。
√
备注:1、检验拿取时需戴手套。
2、轻拿轻放,防止碰撞、摔落。
LCD显示屏检验标准LCD显示屏是一种常见的电子设备,广泛应用于电视、电脑、手机等各类设备中。
为了确保其质量和性能稳定,LCD显示屏需要经过一系列的检验和测试。
以下是LCD显示屏的检验标准,包括其外观、图像质量、电气性能和可靠性等方面。
一、外观检验1.屏幕外框的表面应该平整,无划痕、凹陷、气泡或其他破损。
2.屏幕边缘应该严密贴合,无明显的缝隙或过大的间隙。
3.屏幕表面应该无异物、污渍或灰尘。
4.屏幕背面的连接接口应该规整,无损坏或变形。
5.屏幕底座应该稳固,不会晃动或松动。
二、图像质量检验1.显示屏的亮度和对比度应满足规定的标准范围。
2.显示屏的色彩饱和度和色彩准确度应满足规定的标准范围。
3.显示屏的色彩均匀性应在规定的范围内,不能出现明显的颜色差异。
4.显示屏应该没有亮点、暗点或坏点。
亮点为过亮的像素点,暗点为过暗的像素点,坏点为不能正常显示的像素点。
5.显示屏不应出现闪烁、残影、失真或噪点等问题。
三、电气性能检验1.显示屏的输入电压应在规定的范围内。
2.显示屏的功耗应满足规定的能效要求。
3.显示屏的响应时间应在规定的标准范围内,不能过慢或过快。
4.显示屏的视角应在规定的范围内,不能太小或太大。
四、可靠性检验1.显示屏在长时间连续工作后,不应出现过热现象。
2.显示屏的抗震性和抗冲击性应满足规定的稳定性要求。
3.显示屏的耐候性应在规定的通常环境条件下有良好的稳定性。
4.显示屏在经过多次开关和调整后,应保持良好的性能和质量。
以上是LCD显示屏的一般检验标准,具体的要求可能会因应用领域而有所不同。
为确保质量和性能,LCD显示屏的生产和销售企业应遵守相关的国家标准和行业标准,进行必要的检验和测试,确保产品符合市场需求和客户期望。
lcd显示屏检验标准LCD显示屏检验标准。
LCD显示屏是一种常见的电子产品配件,广泛应用于电视、电脑显示器、手机等设备中。
为了确保LCD显示屏的质量和性能符合要求,制定了一系列的检验标准。
本文将介绍LCD显示屏的检验标准及相关内容。
首先,我们需要对LCD显示屏的外观进行检验。
外观检验包括屏幕表面是否有划痕、凹坑、污渍等缺陷,边框是否完整无损,连接线是否牢固等。
这些外观缺陷会影响LCD显示屏的美观度和使用寿命,因此外观检验非常重要。
其次,对LCD显示屏的显示效果进行检验。
显示效果检验包括亮度均匀性、色彩准确度、对比度、灰阶等参数的测试。
这些参数直接影响到LCD显示屏的显示质量,对于不同用途的显示屏,这些参数的要求也有所不同。
再者,对LCD显示屏的触摸功能进行检验。
对于带有触摸功能的LCD显示屏,需要测试其触摸灵敏度、触摸精度、多点触控功能等。
这些功能对于一些特定的应用场景非常重要,如工业控制、商业展示等。
最后,对LCD显示屏的耐久性进行检验。
耐久性检验包括长时间开机后的温度变化、湿度变化、震动、耐磨损等测试。
这些测试可以模拟LCD显示屏在长时间使用过程中可能遇到的各种环境和条件,确保其稳定性和可靠性。
除了以上几点,还需要对LCD显示屏的包装进行检验。
包装检验包括包装是否完整、防震防潮的能力、标识是否清晰等。
良好的包装可以有效保护LCD显示屏在运输和存储过程中不受损坏。
总之,LCD显示屏的检验标准涵盖了外观、显示效果、触摸功能、耐久性和包装等多个方面。
严格按照这些标准进行检验,可以确保LCD显示屏的质量和性能符合要求,提高其市场竞争力和用户满意度。
希望本文介绍的内容对您有所帮助,谢谢阅读!。
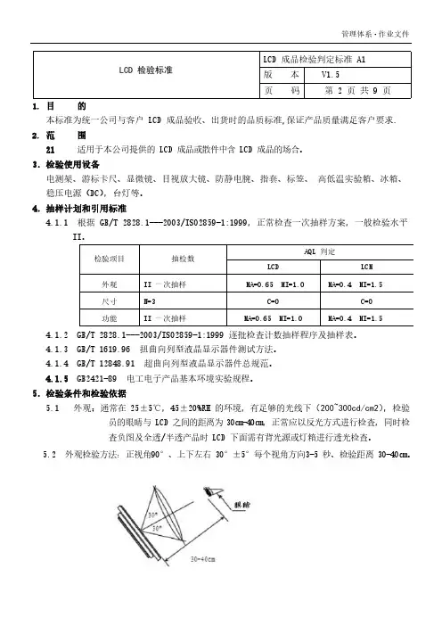
LCD 检验标准版本V1.5页码第2页共9页1.目的本标准为统一公司与客户LCD 成品验收、出货时的品质标准,保证产品质量满足客户要求.2.范围2.1适用于本公司提供的LCD 成品或散件中含LCD 成品的场合。
3.检验使用设备电测架、游标卡尺、显微镜、目视放大镜、防静电腕、指套、标签、高低温实验箱、冰箱、稳压电源(DC),台灯等。
4.抽样计划和引用标准4.1.1根据GB/T 2828.1---2003/ISO2859-1:1999,正常检查一次抽样方案,一般检验水平II。
4.1.2GB/T 2828.1---2003/ISO2859-1:1999逐批检查计数抽样程序及抽样表。
4.1.3GB/T 1619.96扭曲向列型液晶显示器件测试方法。
4.1.4GB/T 12848.91超曲向列型液晶显示器件总规范。
4.1.5GB2421-89电工电子产品基本环境实验规程。
5.检验条件和检验依据5.1外观:通常在25±5℃,45±20%RH 的环境,有足够的光线下(200~300cd/cm2),检验员的眼睛与LCD 之间的距离为30cm-40cm,正常应以反光方式进行检查,同时检查负图及全透/半透产品时LCD 下面需有背光源或灯箱进行透光检查。
5.2外观检验方法:正视角90°、上下左右30°±5°每个视角方向3-5秒、检验距离30-40cm。
检验项目抽检数AQL 判定LCD LCM 外观II 一次抽样MA=0.65MI=1.0MA=0.4MI=1.5尺寸N=3C=0C=0功能II 一次抽样MA=0.65MI=1.0MA=0.4MI=1.5LCD 检验标准版本V1.5页码第3页共9页5.2视区定义(具体见图纸)VA 区:有效可视范围非VA 区:非有效可视范围5.3采用裸眼检查(利用放大镜辅助进行缺陷大小测量除外)。
5.3.1如外观缺陷位于显示区外而又不影响装配及功能,则可作接受。
LCD液晶显示屏检验标准VER:1.01. 检验条件:1.1 环境温度:20℃~25℃,环境湿度:65±5%1.2 照明条件:正常照明度(光度300~800Lux之正下方1m处)入射角度45°。
2. 检验方法:目测(要求检验人员视力及色觉正常,无色盲、色弱等视觉缺陷)。
检测时视线与LCD显示屏角度为90°±30°,眼睛与LCD显示屏距离30cm,目视5sec后检查。
3. 检验标准:3.1 外观检查:3.1.1 无面板变形,LCD与主机能紧密扣合,转轴无过松或过紧,开关LCD应无异响。
3.1.2 LCD显示屏表面不应有腐蚀及碎裂,涂覆层应均匀,无凝结、脱落、龟裂及磨损现象。
有关次要缺陷定义如下表,其余类型缺陷均判为主要缺点:LCD尺寸:15.0" /14.1"/13.3"项目不良现象描述圆形,直径≤1.0mm,数量≤2个凹痕、气泡线形,长度≤3mm,宽度≤0.2mm;数量≤2个圆形,直径≤1.0mm; 数量≤2个污点、异物线形,长度≤3mm,宽度≤0.2mm; 数量≤2个刮伤、擦痕长度≤3mm,宽度≤0.2mm; 数量≤2个3.2 电性能检查:LCD显示屏测试程序依次出现如下画面:全红、全绿、全蓝、全白、全灰、全黑、16色彩条。
检查要求:a. 无不显示、背光管不亮、显示暗、过热、无法调节亮度、闪烁等异常现象,无水波纹,画面显示正常。
b. 在各单色画面时,颜色应正常,均匀,无偏色。
c. 在5色及16色彩条画面时,各彩条颜色正常,无偏色,分界线清晰,无模糊、扩散等异常现象。
d. 在全白画面检查暗点,在全黑画面检查亮点,同时检查刮伤、凹痕等缺陷。
满足下列各项指标为次要缺点… …LCD尺寸:15.0"/14.1"/13.3"单点红+绿+蓝≤4两点连续2 三点及三点以上连续1 两处亮点间距≥20mm亮点(全黑画面时)亮点总数≤4单点红+绿+蓝≤6两点连续红+绿+蓝≤2三点及三点以上连续1 两处暗点间距≥15mm暗点(全白画面时)暗点总数≤6亮、暗点总数≤6附:暗屏时一个像素超过5%面积发光计为一个亮点。
LCD检验标准范文LCD(液晶显示器)是一种透光和透明度悬浮式显示器。
在LCD检验中,主要关注的几个方面包括屏幕均匀性、几何失真、色彩准确性、亮度一致性等。
下面将详细介绍LCD检验的标准。
1.屏幕均匀性检验:屏幕均匀性检验主要是检查屏幕上是否有亮度不均匀、颜色不均匀、坏点、漏光等问题。
标准规定了均匀度指标,要求屏幕上的亮度、颜色、坏点等问题的分布在一定范围内,以确保屏幕的整体表现一致。
2.几何失真检验:几何失真检验主要是检查屏幕上是否有几何形状、线条长度、纵横比等方面的失真。
标准规定了几何失真的限制范围,要求屏幕上的图像要与原始图像保持一致,不出现拉伸、变形等问题。
3.色彩准确性检验:色彩准确性检验主要是检查屏幕上的颜色是否准确,是否能够真实还原原始图像的色彩。
标准规定了色彩范围、色彩饱和度、色彩齐全性等指标,要求屏幕上的颜色符合标准色彩空间,能够准确还原各种颜色。
4.亮度一致性检验:亮度一致性检验主要是检查屏幕上不同区域的亮度是否一致。
标准规定了亮度差异的可接受范围,要求屏幕上各个区域的亮度不能有过大差异,以确保用户在观看时不会出现视觉疲劳或困扰。
除了以上几个方面,LCD检验还包括对刷新率、对比度、响应时间、可视角度等指标的检验。
刷新率要求屏幕在显示时能够保持一定的刷新频率,以避免出现闪烁或重影的问题。
对比度要求屏幕能够同时显示出明亮和黑暗的区域,以确保图像的清晰度和层次感。
响应时间要求屏幕能够快速响应输入信号,以避免图像模糊或残影的问题。
可视角度要求屏幕在不同角度观看时保持清晰度和色彩准确性,以满足用户的观看需求。
在LCD检验中,常用的检验方法包括使用校色仪、亮度计、对比度计等工具进行测量,同时也需要进行目测判断。
标准制定的目的是为了保证LCD产品的质量和性能,提升用户体验,确保产品的可靠性和稳定性。
总结:LCD检验标准主要包括屏幕均匀性、几何失真、色彩准确性、亮度一致性等几个方面,通过测量和目测判断来评估LCD产品的质量和性能。
lcd屏检验标准LCD屏检验标准。
LCD(Liquid Crystal Display)屏是一种广泛应用于电子产品中的显示屏幕,如手机、电视、电脑显示器等。
由于LCD屏幕在各种电子设备中的重要性,因此对其质量和性能的检验标准显得尤为重要。
本文将就LCD屏的检验标准进行详细介绍。
首先,对于LCD屏的外观检验,应该注意屏幕表面是否有划痕、凹陷、污渍等缺陷,屏幕边框是否平整,有无变形或裂纹等情况。
此外,还应该检查屏幕的显示效果,包括亮度是否均匀,有无漏光现象,色彩是否准确,有无坏点或亮点等。
这些外观和显示效果的检验将直接影响LCD屏的质量和用户体验。
其次,对于LCD屏的性能检验,应该注意屏幕的分辨率、刷新率、响应时间等参数是否符合规定。
分辨率是指屏幕上像素点的数量,影响屏幕显示的清晰度和细腻度;刷新率是指屏幕每秒刷新的次数,影响屏幕显示的流畅度;响应时间是指屏幕像素点从灭到亮再到灭的时间,影响屏幕显示的快速响应能力。
这些性能参数的检验将直接影响LCD屏的显示效果和使用性能。
另外,还应该对LCD屏的可靠性进行检验,包括耐高温、耐低温、抗震动、抗静电等方面。
LCD屏在使用过程中可能会遇到各种环境和外力的影响,因此对其可靠性的检验尤为重要。
只有通过严格的可靠性测试,LCD屏才能在各种恶劣环境下保持稳定的性能和良好的使用寿命。
最后,对于LCD屏的包装和运输也需要进行检验。
包装应该符合相关标准,能够有效保护LCD屏不受损坏;运输过程中应该避免受到挤压、震动等影响,以确保LCD屏在运输过程中不受到损坏。
只有在包装和运输方面也能够通过严格的检验,LCD屏才能安全、完好地到达用户手中。
综上所述,LCD屏的检验标准涉及外观、显示效果、性能、可靠性、包装和运输等多个方面。
只有通过全面、严格的检验,LCD屏才能保证质量和性能符合要求,从而满足用户的需求和期望。
希望本文所介绍的LCD屏检验标准能够对相关行业人士有所帮助,提高LCD屏的质量和可靠性。
LCD液晶显示屏检验标准
流畅,篇幅要求不少于1500字
1、仪器环境条件
(1)测试环境温度稳定:温度21℃±1℃;湿度50%RH±10%RH。
(2)现场灯光:可接受可调光度50~300LUX,但最好100LUX。
(3)无振动:<3.5mm/s,无振动时空间振动应<200Hz
2、显示效果考核
做Lcd模块检测标准:
1、显示效果
(1)背光亮度:普通模式:背光亮度应大于200CD/m2,该项必须满足规定的值;
(2)像素点之间的视觉差异:2个像素点之间的视觉差异大小应小于25%,15%为宜;
(3)亮度分布:模块表面的亮度分布应均匀,分布不均应小于30%;
(4)色彩:模块色彩应与标准值一致,误判比例应小于10%;
(5)分辨率:模块的分辨率应达到预期效果。
2、LCD参数测量
使用基本测量仪器,如LCR正振荡罐、示波器、数字万用表、晶体管表、交流桥示、灯表、多用表等进行各项参数测量,具体如下:
(1)背光亮度测量:为了保证产品的色彩均匀性,宽峰值比应大于
1.5;此外,白色与黑色的亮度测量,白色的亮度数值应大于黑色;
(2)电压测量:测量供电电压,供电电压与标准值误差应小于3V;。
LCD液晶显示屏检验标准:1. 检验条件:1.1境温度:20℃~25℃1.2照明条件:正常照明度(光度300~800Lux之正下方1m 处)入射角度45°。
2. 检验方法:目测(要求检验人员视力及色觉正常,双眼裸视1.0以上,无近视、远视、散光、花眼、色盲、色弱等视觉缺陷,并熟悉本检验规范)。
检测时视线与LCD显示屏角度上下为90°±30°,左右为90°±45°,眼睛与LCD显示屏距离30cm,目视5sec后开始检查。
3. 检验标准:名词解释:LCD:液晶显示屏,每个点(dot)包含R、G、B 3个像素(pixel)亮点:亮点就是像素管短路,当其他像素管熄灭时短路的像素管长亮.暗点:暗点就是像素管断路不再发光两点连续:三点连续:白点:(反之则为黑点)偏色:扭曲、水波纹扩散,边界不清。
微亮点、暗点缺陷即污点发光导致小于半个点的缺陷。
白斑:LCD屏内部异物或脏污导致垂直观察略暗,而以一定入射角(上下30°,左右45°)观察呈白斑点状。
3.1 外观检查:3.1.1 无面板变形,LCD与主机能紧密扣合,转轴无过松或过紧,开关LCD应无异响。
3.1.2 LCD显示屏表面不应有腐蚀及碎裂,涂覆层应均匀,无凝结、脱落、龟裂及磨损现象。
有关次要缺陷定义如下表,其余类型缺陷均判为主要缺点:LCD尺寸:15.1”/14.1"/13.3"/12.1"/10.4"/8.4"项目不良现象描述缺点定义凹痕、气泡圆形,直径≤1.0mm,数量≤5个,间距≥50mm Minor线形,长度≤3mm,宽度≤0.2mm;数量≤5个,间距≥50mm Minor污点、异物圆形,直径≤1.0mm; 数量≤5个, 间距≥50mm MinorMinor污点、异物导致的白斑圆形,直径≤0.5mm; 数量≤2个,间距≥50mm Minor有感刮伤长度≤3mm,宽度≤0.2mm; 数量≤3个, 间距≥50mm Minor无感刮伤长度≤20mm,宽度≤0.2mm; 数量≤3个;间距≥50mm。
lcd显示屏检验标准LCD显示屏检验标准。
LCD显示屏作为现代电子产品中不可或缺的部件,其质量直接影响着整个产品的性能和使用体验。
为了确保LCD显示屏的质量达到标准要求,制定了一系列的检验标准,以便对LCD显示屏进行全面的检测和评估。
本文将介绍LCD显示屏的检验标准,并对其相关内容进行详细解析,以便读者更好地了解LCD显示屏的质量检验标准。
首先,对于LCD显示屏的外观检验,主要包括以下几个方面,屏幕表面是否有划痕、裂纹或污点;屏幕边框是否完整,有无变形或损坏;显示屏的透明度和亮度是否均匀;屏幕是否存在漏光或亮点等。
外观检验是最直观的检验方法,通过肉眼观察可以初步判断LCD显示屏的质量状况。
其次,对LCD显示屏的显示效果进行检验,主要包括以下几个方面,屏幕的分辨率是否达到要求;显示的色彩是否饱满、真实;是否存在残影或闪烁现象;观察角度下是否存在色彩偏差等。
显示效果是LCD显示屏的核心功能之一,因此对其进行全面的检验至关重要。
此外,对LCD显示屏的电气性能也需要进行严格的检验,主要包括以下几个方面,输入电压范围是否符合要求;功耗是否在规定范围内;是否存在线路短路或断路等。
电气性能是LCD显示屏正常工作的基础,因此对其进行全面的检验可以有效预防因电气性能问题导致的故障。
最后,对LCD显示屏的环境适应性进行检验也是必不可少的,主要包括以下几个方面,温度、湿度、震动和冲击等环境条件下,LCD显示屏是否能正常工作。
环境适应性检验可以有效评估LCD显示屏在各种复杂环境条件下的可靠性和稳定性。
综上所述,LCD显示屏的检验标准涵盖了外观、显示效果、电气性能和环境适应性等多个方面,通过全面的检验可以有效评估LCD显示屏的质量状况。
只有确保LCD显示屏符合相关的检验标准,才能保证其在电子产品中的正常使用和稳定性能。
希望本文所介绍的LCD显示屏检验标准能够对相关人员有所帮助,使他们能更好地了解和掌握LCD显示屏的质量检验方法。
LCM产品检验标准及检验方法1. LCM产品的检验标准:(1)检验条件:①环境条件定为(常温)20~25℃,(常温下)65%±5%RH(湿度)。
②检验照明工具为20W荧光灯,距工作台面(产品)上方50cm,目视距离30cm以上的条件下目视检查。
(2)检验标准:检验主要以批次抽样检验,抽样标准以GB2828-93为依据。
2.LCM检验中常用术语:(1)黑点、黑线①加电时显示深色斑点及深色线状斑点,液晶驱动电压变化时并不产生大的变化。
②加电时显深色的线状斑点,液晶驱动电压变化时产生大的变化。
(2)白点①加电时显示浅色的斑点,液晶驱动电压变化时不产生大的变化。
②加电时显示浅色的斑点,液晶驱动电压变化时产生大的变化。
(3)白线①加电时显示浅色的线状斑点,液晶驱动电压变化时并不产生大的变化。
②加电时显示浅色的线状斑点,液晶驱动电压变化时并产生大的变化。
(4)蓝点加电时显示很深颜色的斑点,液晶驱动变化时产生大的变化。
(5)纵线(竖线)缺陷加电时,纵向(一般为短轴)线不亮、浅显。
(6)横线缺陷加电时,横向(一般为长轴)线不亮、浅显。
(7)十字线缺陷加电时,横向与纵向线交叉点不亮。
3.检验范围:(1)一般外观检查:①LCM所有的外形尺寸(各器件)。
②LCM的LCD的偏光片外观、屏的颜色均匀度。
偏光片的外观包括:划伤、压痕、气泡和污物。
③焊剂、焊点的漏焊、虚焊、焊料不足、桥接、溢出(料多)。
④LCM外壳的外观,电镀漆是否均匀,有否划伤、脱漆。
⑤元器件间引线的均匀度,有否划伤。
⑥PCB板上阻焊膜有否脱落(有尺寸限制),线路铜箔有否划伤。
⑦螺钉紧固、壳脚紧固程度。
(2)通电显示检查:①输入电压、工作频率、消耗电流、LCD的对比度及响应速度。
②通电时(按标准输入电压)其视角范围、显示图形有否上述缺陷及图形错位。
4.LCM抽样环境试验:在LCM出厂之前还要抽样进行各种环境试验,项目包括:①高温加电,高温(40℃,60℃)放置试验。
① 连续10批检验合格; ②10批中不合格品(或缺陷)总数在界限个数以下;以上四个条件必须同时满足。
①1批检验不合格;②生产不正常;③主管者认为有必要。
只要满足以上三条件之一。
加严检查转暂停检查的条件:加严检验开始后,不合格批数累计达到五批。
抽样开箱率要求:开箱率 60%,根据抽样数量,每包/盘数量、随机抽样。
6外观检查条件 6.1环境条件:检查应在800-1200LUX 的白色荧光灯下进行 6.2检查方法: 目测,检查人眼应离液晶屏垂直距离大于 30CM 角度为45度转动检查,时间15秒; 6.3视角判断方法:普通屏与显示屏水平面角度视角30~90度,IPS 屏显示屏水平面角度成15~90度;1目的 本标准由深圳市盟博科技有限公司制定, 它是用于检验 LCD 性能及外观方面的指导性文件, 详细阐述了检验条件、接受及判退的品质标准,为功能和外观检验提供科学、客观的方法。
适用范围 本标准适用于盟博所有 LCD 类物料认证及来料检验过程 。
引用文件 定义 4.1 CRI (致命缺陷):产品极重要质量特性不符合规范要求,此特性不合格将丧失产品使用价值或对人身有伤害的缺陷。
4.2 MAJ (主要缺陷):产品重要质量特性不符合规范要求,此特性不合格将降低产品使用价值; 4.3 MIN (次要缺陷):一般质量特性不符合规范要求,不影响产品使用及装配。
5抽样方案:5.1依据GB/T 2828.1-2003 正常一次抽样n 类。
5.2 AQL 取值(除特殊规定外) CRI (致命缺陷):0; MAJ (主要缺陷):0.4 ; MIN (次要缺陷):1.0 5.3检验抽样方案转换原则(针对同一供应商同一型号的部品) 5.3.1 正常检查转加严检查的条件:连续 5批中有2批(包括检验不到 5批已发现2批)检验不合格。
5.3.2加严检查转正常检查的条件:连续5批合格。
5.3.3正常检查转放宽检查的条件:③生产正常;④主管者认为有必要。
一、目的统一规定LCD液晶显示屏的检验项目、检验方法及判定规格,为IQC、QC、QA 提供液晶判定依据•二、适用范围适用本公司各供应商及顾客提供的LCD液晶屏.三、检验水准全检四、使用工具卷尺、MASK、电脑附专用测试软件、放大镜、游标卡尺、测屏冶具、静电环、静电手套、滤光片•五、注意事项5.1检测时,检验员必须配戴静电环和静电手套;5.2操作时,注意手不能紧握驱动板和液晶面板显示区域;5.3仪器设备必须接地良好;5.4检查距离正面目视距显示屏30〜50cm每个检测画面目视至少3-5秒;5.5检测环境:温度,25± 3C湿度,60〜80% RH;亮度为300-800LUX;5.6 LCD屏属贵重物品,注意轻拿轻放,拿出或装进包装箱时,手应托住显示屏边框下部.六、坏像素名词解释6.1亮点:在底色画面或红/绿/蓝画面,屏幕上一直发光的一个红/绿/蓝发光的像素格,计为一颗单亮点.(附图1)6.2暗点:在全白画面或红/绿/蓝画面,屏幕上一直不发光的一个红/绿/蓝发光的像素格,计为一颗单暗点.(附图2)6.3连点:相邻近的两个或两个以上的亮点或暗点组成一组点.如两个相邻的亮(暗)点, 称为一组2连亮点(附图3)或2连暗点(附图4)三个相邻的亮(暗)点,称为一组3连亮点或3连暗点.(附图5)6.4微亮点:当某个单色发光点的面积小于1/2个像素格时,称微亮点.(附图6)6.5微暗点:当某上单色不发点的面积小于1/2个像素格时,称微暗点.(附图6)6.6斜纹:水波纹状的倾斜条纹,分布呈带状或满屏,称斜纹.6.7污点:液晶片生产用料不纯而带来的杂质,呈点状、线状或不规则形状,且颜色深浅不一.6.8划伤:异物接触液晶屏的偏光片,使其受损而形成的点状或线状的缺陷.6.9暗团:液晶屏局部显示亮度较其周围偏暗而出现视觉上的暗印称暗团.6.10亮斑:液晶屏局部显示亮度较其周围偏亮而出现视觉上的亮团,称亮斑.6.11异物:灰尘或其它小杂质落入偏光片和玻璃之间,在底色画面形成发光和白色画面不发光的点状或不规则线状的缺陷.6.12Mura液晶屏局部显示在视觉上灰色或白色的色差,呈点状、线状或带状分布.6.13白点(团):液晶屏在单色画面或Windows桌面下局部显示呈白色的点(团)状缺陷, 与周围显示区域的颜色差异变化明显.6.14内划伤:液晶屏生产时,偏光片内侧或玻璃表面由于刮伤而形成的线状缺陷,在底色画面下呈发光的短线状.6.15雾点:液晶屏在底色画面下显示时,局部呈云雾状的轻微发光缺陷.6.16漏光:在屏幕外壳与液晶面板贴合处,漏光就是在不紧密而造成的背光灯的光线泄露,局部显示亮度大于周围显示区域,呈带状或半圆形的缺陷.6.17弱线:在单色画面或Windows桌面,与上、下边框平行(横线)或与左、右边框垂直(竖线)的整条线状缺陷,呈灰黑色(暗线)或乳白色皿),线体朦胧,不影响字符或图像的显示.6.18底色银粉:在底色画面下,局部呈银色的粉状缺陷,成片的分布.6.19晕点:偏光片内的异物反光造成,有底色画面或Windows桌面下,在异物的周围形成一道光晕,亮度在视觉上要较周围偏亮.6.20偏光板汽泡:由偏光板内的残留汽泡在通电时发光形成的在任何检测画面都能显示的点状缺陷,以所占的横向像素格的个数作为直径.6.21压伤:液晶屏正面的局部显示区域受到外力重压后,受压部位玻璃未破损,但液晶体不能正常显示而呈现的点状或条状黑斑.6.22液晶溢出:在液晶屏玻璃未破损的情况下液晶体溢到玻璃和偏光片之间形成的形状不规则的黑色缺陷,在任何发光画面可见,溢出部位不能形成画面显示.6.23亮线:由于IC和玻璃之间的连接不良造成的横向或纵向的在底色和红/绿/蓝画面一直发光的完整的线状(带状)缺陷,缺陷部位不能形成画面显示.6.24暗线:由于IC和玻璃之间的连接不良造成的横向或纵向的在全白和红/绿/蓝画面一直不发光的完整线状(带状)缺陷,缺陷部位不能形成画面显示.(黑色称之为黑线,彩色称之为彩线)6.25辿:由于驱动板不良造成的液晶屏只有灯管发光,显示区域无任何显示信号, 整个屏幕为白色.6.26密集点:两个(组)或两个(组)以上相邻近但又不相连的点(连点)称为密集点.七、坏像素注释及说明7.1亮点(附图1)7.2暗点(附图2)图中的发光像素格形成的点为一个亮点为一个暗点图中的不发光像素格形成的点7.3连亮点(附图3)图中的两个相邻的亮点组成1组2连亮点连暗点7.4连暗点(附图4)7.5附图57.6附图61)当某个单色发光点的面积小于积小于1/2个像素格时,称微亮点;7.7点状缺陷和线状缺陷的划分1/2个2)当某个单色不发光点的面像素格时称微暗点.a:垂直宽度山水平宽度1) 当 2a >b 时,为点状,=(a+b )/2;2) 2a< b 时,为线状.♦ 1亮点7.9显示区域的划分A 区定义以LCD 显示屏的正中心为圆心,以LCD显示屏的垂直高度为半径的圆都称为A 区;B 区定义:除去A 区以外的所有区域.八、检验项目8.1外包装检查:检查外包装是否完好无损.(全检/批)8.2规格型号、等级检查:按入库单号及采购定单,核对每批来料的规格型号、等级是7.8坏像素的判定发光面积》1/2像素格素格 ♦亮点a > 1/2像素格 ①a > 1/2像素格 ♦ 1个点♦2连亮点②a< 1/2像素格a < 1像♦ 1亮点T X否与实物一致.(5PCS/批)8.3外形尺寸检测:检测其长度、宽度、厚度与及灯管线的长度,以工程研发提供相应的规格书为标准,确保所有检测的数据符合要求.8.4玻璃在铁框内的移动范围00.5mm.8.5黑边偏移:上下黑边偏移0 0.5mm左右黑边偏移0 0.5mm.8.6显示画面缺陷判定:通电,用专用检测软件对各个画面进行检测,按《液晶屏缺陷判表据表》进行分类,并记录标示.九、液晶屏等级判定标准9.1A+ 级9.2A 级D:直径W:宽度L:长度N:数量①:直径单位:mm其中亮线暗线—W v 0.05、戈V痕W V 0.01的可忽略不计—,W>0.1不允许备注:检测后液晶屏贴上级别标签;A+级别标签为绿色圆点;A级别标签为蓝色圆点;B级别标签为黄色圆点;C级别标签为黑色圆点;D级别PANEL上贴红色圆点.9.3 B 级9.4 C 级划伤0.01W W< 0.1 L< 8 N < 2D:直径W:宽度L:长度N:数量①:直径单位:mm其中亮线暗线W v 0.05划痕W v 0.01的可忽略不计,W>0.1不允许备注:检测后液晶屏贴上级别标签;A+级别标签为绿色圆点;A级别标签为蓝色圆点;B级别标签为黄色圆点;C 级别标签为黑色圆点;D级别PANEL上贴红色圆点.9.5D 级。
1目的
本标准由深圳市盟博科技有限公司制定,它是用于检验LCD性能及外观方面的指导性文件,详细阐述了检验条件、接受及判退的品质标准,为功能和外观检验提供科学、客观的方法。
2 适用范围
本标准适用于盟博所有LCD类物料认证及来料检验过程。
3 引用文件
无
4 定义
4.1 CRI(致命缺陷):产品极重要质量特性不符合规范要求,此特性不合格将丧失产品使用价值或对人身有
伤害的缺陷。
4.2 MAJ(主要缺陷):产品重要质量特性不符合规范要求,此特性不合格将降低产品使用价值;
4.3 MIN(次要缺陷):一般质量特性不符合规范要求,不影响产品使用及装配。
5 抽样方案:
5.1 依据GB/T 2828.1-2003 正常一次抽样Ⅱ类。
5.2 AQL取值(除特殊规定外):
CRI(致命缺陷):0; MAJ(主要缺陷):0.4; MIN(次要缺陷):1.0
5.3 检验抽样方案转换原则(针对同一供应商同一型号的部品)
5.3.1 正常检查转加严检查的条件:连续5批中有2批(包括检验不到5批已发现2批)检验不合格。
5.3.2 加严检查转正常检查的条件:连续5批合格。
5.3.3 正常检查转放宽检查的条件:
①连续10批检验合格;②10批中不合格品(或缺陷)总数在界限个数以下;
③生产正常;④主管者认为有必要。
以上四个条件必须同时满足。
5.3.4 放宽检查转正常检查的条件:
①1批检验不合格;②生产不正常;③主管者认为有必要。
只要满足以上三条件之一。
5.3.5加严检查转暂停检查的条件:加严检验开始后,不合格批数累计达到五批。
5.3.6 抽样开箱率要求:开箱率60%,根据抽样数量,每包/盘数量、随机抽样。
6 外观检查条件
6.1 环境条件:检查应在800-1200LUX的白色荧光灯下进行
6.2 检查方法:目测,检查人眼应离液晶屏垂直距离大于30CM,角度为45度转动检查,时间15秒;
6.3 视角判断方法:普通屏与显示屏水平面角度视角30~90度,IPS屏显示屏水平面角度成15~90度;
7 LCD 区域定义
7.1 外观区域定位、检验项目及判定标准:
区域AA :可视区,符号和数字显示区;
区域A :(除A 区外)可视区周围离玻璃边缘左右3MM ,上下5MM ; 区域B :可视区外围(装机后看不到的区域,如固定框);
检验项目:要求表面平坦,无变形、刮花、划伤、裂痕、污渍、指纹、灰尘;色差;保护膜粘贴良好,无
难撕现象;边缘胶框部分无压痕(小屏LCD 无此检验查项目)、变形、披锋,标识位置正确,字迹清晰,字体正常;对于带导光板的要求没有明显的压痕,划伤等。
表三:
7.2 FPC 部分
a )检验项目:FPC 上走线方式与样板是否一致;FPC 有无划伤、有无折痕;FPC 上的标识是否清晰、准确;
b )检验方法:目视;
7.3 连接器部分(扣位式)
a)检验项目:检验五金部分外表有无脏污、划伤、变形、批锋,有无氧化、缺损、断裂,脚位数是否符合要求;触点是否光亮、平整,有无高低不平;颜色是否均匀,有无异色,是否与样板相符;材料、形状是否与样板一致;
b)检验工具:放大镜;
c)检验方法:目视
7.4 尺寸测试:
检测工具:卡尺。
检验项目:用游标卡尺对LCD的长、宽、厚、主FPC等图纸上的关键尺寸进行测量。
具体项目参照图纸上的尺寸标识.要求各关键尺寸与技术规格书、物料认可书、图纸及样板相符。
每批取5PCS测试,
并记录测试数据,若无异常则判为合格;若有1pcs不符则按抽样标准判定。
7.5性能测试
7.6 功能测试
检测工具:LCD测试夹具、相应型号手机
检验项目:把LCD装上相应型号的测试夹具,按照夹具操作指导书调节好电压,打开电源开关,进行图象显示检查,要求显示清晰、正常,无显示淡、花屏、黑屏、白屏、色点、缺行、竖条等现象。
如无测试
夹具,则用相应的手机进行测试。
7.7 可靠性测试
8.外包装检验:
8.1 货品检验单:要求货品检验单上的供应商、送检单号、来货数量、物料编码、物料名称等与实物相符。
8.2 物料的包装:
8.3 现品票及出货报告:要求现品票正确,内容填写完整与实物相符;出货报告格式符合标准、内容项目齐全、
清晰、正确、须有结论审核。
9 产品标识
参考《标识和可追溯性控制程序》 DC/P-07
10 记录要求
10.1《来料检验报告》
10.2《IQC来料检验日报表》。
10.3《出货检验报告》
10.4《可靠性报告》
11 附件
附:故障分类。