(1994-2003)历届全国电子设计大赛题目
- 格式:doc
- 大小:825.50 KB
- 文档页数:42
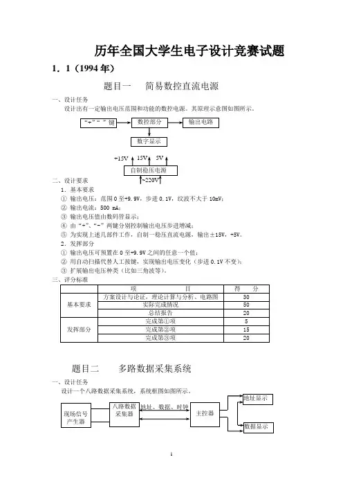
第一届(1994年)全国大学生电子设计竞赛题目题目一简易数控直流电源一、设计任务设计出有一定输出电压范围和功能的数控电源。
其原理示意图如下:二、设计要求1.基本要求(1)输出电压:范围0~+9.9V,步进0.1V,纹波不大于10mV;(2)输出电流:500mA;(3)输出电压值由数码管显示;(4)由“+”、“-”两键分别控制输出电压步进增减;(5)为实现上述几部件工作,自制一稳压直流电源,输出±15V,+5V。
2.发挥部分(1)输出电压可预置在0~9.9V之间的任意一个值;(2)用自动扫描代替人工按键,实现输出电压变化(步进0.1V不变);(3)扩展输出电压种类(比如三角波等)。
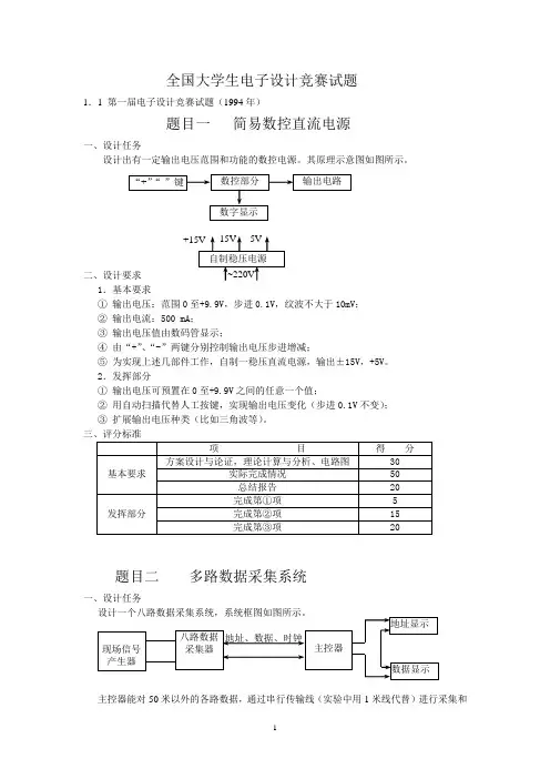
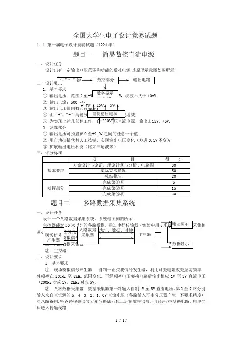
三、评分意见项目得分基本要求方案设计与论证、理论计算与分析、电路图30实际完成情况50总结报告20 发挥部分完成第一项 5完成第二项15完成第三项20题目二多路数据采集系统一、设计任务设计一个八路数据采集系统,系统原理框图如下:主控器能对50米以外的各路数据,通过串行传输线(实验中用1米线代替)进行采集的显示和显示。
具体设计任务是:(1)现场模拟信号产生器。
(2)八路数据采集器。
(3)主控器。
二、设计要求1.基本要求(1)现场模拟信号产生器:自制一正弦波信号发生器,利用可变电阻改变振荡频率,使频率在200Hz~2kHz范围变化,再经频率电压变换后输出相应1~5V直流电压(200Hz对应1V,2kHz对应5V)。
(2)八路数据采集器:数据采集器第1路输入自制1~5V直流电压,第2~7路分别输入来自直流源的5,4,3,2,1,0V直流电压(各路输入可由分压器产生,不要求精度),第8路备用。
将各路模拟信号分别转换成8位二进制数字信号,再经并/串变换电路,用串行码送入传输线路。
(3)主控器:主控器通过串行传输线路对各路数据进行采集和显示。
采集方式包括循环采集(即1路、2路……8路、……1路)和选择采集(任选一路)二种方式。
历年全国大学生电子设计竞赛试题1.1(1994年)题目一 简易数控直流电源一、设计任务设计出有一定输出电压范围和功能的数控电源。
其原理示意图如图所示。
二、设计要求1.基本要求① 输出电压:范围0至+9.9V ,步进0.1V ,纹波不大于10mV ; ② 输出电流:500 mA ;③ 输出电压值由数码管显示; ④ 由“+”、“-”两键分别控制输出电压步进增减;⑤ 为实现上述几部件工作,自制一稳压直流电源,输出±15V ,+5V 。
2.发挥部分① 输出电压可预置在0至+9.9V 之间的任意一个值;② 用自动扫描代替人工按键,实现输出电压变化(步进0.1V 不变); ③ 扩展输出电压种类(比如三角波等)。
三、评分标准题目二 多路数据采集系统一、设计任务主控器能对50米以外的各路数据,通过串行传输线(实验中用1米线代替)进行采集和显示。
具体设计任务是:①现场模拟信号产生器。
②八路数据采集器。
③主控器。
二、设计要求1.基本要求①现场模拟信号产生器自制一正弦波信号发生器,利用可变电阻改变振荡频率,使频率在200Hz至2kHz范围变化,再经频率电压娈换电路后输出相应1V至5V直流电压(200Hz对应1V,2kHz对应5V)②八路数据采集器数据采集器第一路输入自制1V至5V直流电压,第2至7路分别输入来自直流源的5,4,3,2,1,0V直流电压(各路输入可由分压器产生,不要求精度),第八路备用。
将各路模拟信号分别转换成八位二进制数字信号,再经并/串变换电路,用串行码送入传输线路。
③主控器主控器通过串行传输线路对各路数据进行采集和显示。
采集方式包括循环采集(即1路、2路、…、8路、1路…)和选择采集(任选一路)二种方式。
显示部分能同时显示地址和相应的数据。
2.发挥部分①利用电路补偿或其它方法提高可变电阻值变化与输出直流电压变化的线性关系;②尽可能减少传输线数目;③其它功能的改进(例如:增加传输距离,改善显示功能等)三、评分标准1.2 第二届电子设计竞赛试题(1995年)题目一实用低频功率放大器一、任务设计并制作具有弱信号放大能力的低频功率放大器。
一、历届竞赛赛题解析第一届1994年全国大学生电子设计竞赛题目一、简易数控直流电源二、多路数据采集系统第二届1995年全国大学生电子设计竞赛题目一、实用低频功率放大器二、实用信号源的设计和制作三、简易无线电遥控系统四、简易电阻、电容和电感测试仪第三届1997年全国大学生电子设计竞赛题目A题直流稳定电源B题简易数字频率计C题水温控制系统D题调幅播送收音机*第四届1999年全国大学生电子设计竞赛题目A题测量放大器B题数字式工频有效值多用表C题频率特性测试仪D题短波调频接收机E题数字化语音存储与回放系统第五届2001年全国大学生电子设计竞赛题目A题波形发生器B题简易数字存储示波器C题自动往返电动小汽车D题高效率音频功率放大器E题数据采集与传输系统F题调频收音机第六届2003年全国大学生电子设计竞赛题目A题电压控制LC振荡器B题宽带放大器C题低频数字式相位测量仪D题简易逻辑分析仪E题简易智能电动车F题液体点滴速度监控装置第七届2005年全国大学生电子设计竞赛题目A题正弦信号发生器B题集成运放参数测试仪C题简易频谱分析仪D题单工无线呼叫系统E题悬挂运动控制系统F题数控直流电流源G题三相正弦波变频电源纵观历届赛题设计方向大致可以分为四类一功能电路兼控制类系统设计(11项)第一届1994年全国大学生电子设计竞赛题目一、简易数控直流电源第二届1995年全国大学生电子设计竞赛题目一、实用低频功率放大器二、实用信号源的设计和制作第三届1997年全国大学生电子设计竞赛题目A题直流稳定电源第四届1999年全国大学生电子设计竞赛题目A题测量放大器第五届2001年全国大学生电子设计竞赛题目D题高效率音频功率放大器第六届2003年全国大学生电子设计竞赛题目A题电压控制LC振荡器B题宽带放大器第七届2005年全国大学生电子设计竞赛题目A题正弦信号发生器F题数控直流电流源G题三相正弦波变频电源 .docin.合指标的要求。
二方案论证与比拟 .二测量仪器类系统设计10项第二届1995年全国大学生电子设计竞赛题目四、简易电阻、电容和电感测试仪第三届1997年全国大学生电子设计竞赛题目B题简易数字频率计第四届1999年全国大学生电子设计竞赛题目B题数字式工频有效值多用表C题频率特性测试仪第五届2001年全国大学生电子设计竞赛题目A题波形发生器B题简易数字存储示波器第六届2003年全国大学生电子设计竞赛题目C题低频数字式相位测量仪D题简易逻辑分析仪第七届2005年全国大学生电子设计竞赛题目B题集成运放参数测试仪C题简易频谱分析仪三通信传输类系统设计7项第一届1994年全国大学生电子设计竞赛题目二、多路数据采集系统第二届1995年全国大学生电子设计竞赛题目三、简易无线电遥控系统第三届1997年全国大学生电子设计竞赛题目D题调幅播送收音机*第四届1999年全国大学生电子设计竞赛题目D题短波调频接收机第五届2001年全国大学生电子设计竞赛题目E题数据采集与传输系统F题调频收音机第六届2003年全国大学生电子设计竞赛题目第七届2005年全国大学生电子设计竞赛题目D题单工无线呼叫系统四自动控制兼电路类系统设计6项第一届1994年全国大学生电子设计竞赛题目第二届1995年全国大学生电子设计竞赛题目第三届1997年全国大学生电子设计竞赛题目C题水温控制系统第四届1999年全国大学生电子设计竞赛题目E题数字化语音存储与回放系统第五届2001年全国大学生电子设计竞赛题目C题自动往返电动小汽车第六届2003年全国大学生电子设计竞赛题目E题简易智能电动车F题液体点滴速度监控装置第七届2005年全国大学生电子设计竞赛题目E题悬挂运动控制系二、电子系统设计一般方法这里我们以2005年全国大学生电子设计竞赛A题目来给大家展开讲解以下。
全国大学生电子设计竞赛试题1.1 第一届电子设计竞赛试题(1994年)题目一 简易数控直流电源一、设计任务设计出有一定输出电压范围和功能的数控电源.其原理示意图如图所示.1 ① ; ② 输出电流:③ ④ 由“+”、“-⑤ 15V ,+5V.2.发挥部分① 输出电压可预置在0至+9.9V 之间的任意一个值;②用自动扫描代替人工按键,实现输出电压变化(步进0.1V 不变); ③ 扩展输出电压种类(比如三角波等).题目二 多路数据采集系统一、设计任务二、设计要求 1.基本要求① 现场模拟信号产生器 自制一正弦波信号发生器,利用可变电阻改变振荡频率,使频率在200Hz 至2kHz 范围变化,再经频率电压娈换电路后输出相应1V 至5V 直流电压(200Hz 对应1V ,2kHz 对应5V )② 八路数据采集器 数据采集器第一路输入自制1V 至5V 直流电压,第2至7路分别输入来自直流源的5,4,3,2,1,0V 直流电压(各路输入可由分压器产生,不要求精度),第八路备用.将各路模拟信号分别转换成八位二进制数字信号,再经并/串变换电路,用串行码送入传输线路.③主控器主控器通过串行传输线路对各路数据进行采集和显示.采集方式包括循环采集(即1路、2路、…、8路、1路…)和选择采集(任选一路)二种方式.显示部分能同时显示地址和相应的数据.2.发挥部分①利用电路补偿或其它方法提高可变电阻值变化与输出直流电压变化的线性关系;②尽可能减少传输线数目;③其它功能的改进(例如:增加传输距离,改善显示功能等)1.2 第二届电子设计竞赛试题(1995年)题目一实用低频功率放大器一、任务设计并制作具有弱信号放大能力的低频功率放大器.其原理图如图所示.⑤在前置放大级输入端交流短接到地时,R L=8Ω上的交流声功率≤10mW;⑵自行设计并制作能满足本设计任务要求的稳压电源.2.发挥部分⑴放大器的时间响应①方波产生:由外供正弦信号源经变换电路产生正、负极性的对称方波:频率为1000 Hz、上升和下降时间≤1μS、峰峰值电压为200 mV.用上述方波激励放大器通道时,在R L=8Ω的负载下,放大器通道应满足:②额定输出功率P OR≥10W;③在P OR下输出波形上升和下降时间≤1μS;④在P OR下输出波形顶部降落≤2%;⑤在P OR下输出波形过冲量≤5%.⑵放大器通道性能指标的提高和实用功能的扩展(例如提高效率、减少非线性失真等).题目二实用信号源的设计和制作一、任务在给定±15V电源电压条件下,设计并制作一个正弦波和脉冲波信号源.二、要求1.基本要求⑴正弦波波信号源①信号频率:20Hz至20kHz步进调整,步长为5Hz.②频率稳定度:优于10-4.③非线性失真系数:≤3%.⑵脉冲信号源①信号频率:20Hz至20kHz步进调整,步长为5Hz.②上升和下降时间:≤1μS.③平顶降落:≤5%.④脉冲占空比:2%至98%步进可调,步长为2%.⑶上述两个信号源公共要求①频率可预置.②在负载为600Ω时,输出幅度为3V.③完全成5位频率的数字显示.2.发挥部分⑴正弦波和脉冲波频率步长改为1Hz.⑵正弦波和脉冲波的幅度可步进调整,调整范围为100mV至3V,步长为100 mV.⑶正弦波和脉冲波频率可自动步长,步长为1Hz.⑷降低正弦波非线性失真系数.题目三简易无线电遥控系统一、任务设计并制作无线电遥控发射机和接收机2.发挥部分① 8路设备中的一路设备为电灯,用指令遥控电灯亮度,亮度分为8级,并用数码管显示级数.② 在一定发射功率下,(不大于20MW ),尽量增大接收距离. ③ 增加信道的抗干扰措施.④ 尽量降低电源功耗.注:不能采用现成的收、发信号整机. 题目四 简易电阻、电容和电感测试仪一、任务设计并制作一台数字显示的电阻器、电容器和电感器参数测试仪.示意框图如图所示:二、要求 1① ② ③ 制作四位数码管显示器,显示测量数据,并用发光二极管分别指示所测无件的类别和单位.2.发挥部分① 扩大测量范围. ② 提高测量精度.③测量量程自动化.1.3 第三届电子设计竞赛试题(1997年)A题直流稳压电源一、任务设计并制作交流变换为直流的稳压电源.二、要求1.基本要求①稳压电源在输入电压220V、50Hz,电压变化范围+15%至-20%条件下:a 输出电压可调范围:+9V至+12V;b 最大输出电流:1.5A;c 电压调整率≤0.2%(输入电压220V变化范围+15%至-20%条件下,满负);d 负载调整率≤0.1%(在最低输入电压下,空载到满载);e 纹波电压(峰-峰值)≤5mV(在最低输入电压下,满载);f 效率≥40%(输出电压9V、输入电压220V下,满载);g 具有短路和过流保护功能;②稳流电流在输入电压固定为直流+12V的条件下:a 输出电流:4至20mA可调;b 负载调整率≤1%(输入电压+12V、负载电阻由200至300Ω变化时,输出电流为20mA 时的相对变化率).③ DC/DC变换在输入电压为+9V至+12V条件下:a 输出电压为+100V,输出电流为10mA;b 电压调整率≤1%(输入电压变化范围+9至+12V);c 负载调整率≤1%(在输入电压+12V下,空载到满载);d 纹波电压(峰-峰值)≤100mV(在输入电压+9V下,满载).2.发挥部分①扩充功能a 排除短路故障后,能自动恢复为正常状态;b 过热保护;c 防止开、关机时产生的“过冲”;②提高稳压电源的技术指标a 提高电压调整率和负载调整率;b 扩大输出电压调节范围和提高最大输出电流值.③改善DC/DC变换器性能a 提高效率(在100V、100mA下测试);b 提高输出电压.④用数字显示输出电压和输出电流.四、说明:①直流稳压电源部分不能采用0.5A以上的集成稳压芯片.②在设计报告前附一篇400字以内的报告摘要.B题简易数字频率计一、任务设计并制作一台数字显示的简易频率计.二、要求1.基本要求①频率测量a 测量范围信号:方波、正弦波幅度:0.5至5V频率:1Hz至1MHzb 测试误差≤0.1%②周期测量a 测量范围信号:方波、正弦波幅度:0.5至5V频率:1Hz至1MHzb 测试误差≤0.1%③脉冲宽度测量a 测量范围信号:脉冲波幅度:0.5至5V脉冲宽度≥100μSb过测试误差≤1%④显示器十进制数字显示,显示刷新时间1至10秒连续可调,对上述三种测量功能分别用不同颜色的姚二极管指示.⑤具有自校功能,时标信号频率为1MHz.⑥自行设计并制作满足本设计任务要求的稳压电源.2.发挥部分①扩展频率测量范围为0.1Hz至10MHz(信号幅度0.5至5V),测试误差降低为0.01%(最大闸门时间≤10S).②测量并显示周期脉冲信号(幅度0.5至5V、频率1Hz至1kHz)的占空比,占空比的变化范围为10%至90%,测试误差≤1%.③在1Hz至1MHz范围内及测试误差≤0.1%的条件下,进行小信号的频率测量,提出实现抗干扰的措施.三、评分标准四、说明①不能采用频率计专用模板.②在设计报告前附一篇400字以内的报告摘要.C题水温控制系统一、设计并制作一个水温自动控制系统,控制对换为1升净水,容器为搪瓷器皿.水温可以在一定范围内由人工设定,并能在环境温度降低时实现自动调整,以保持设定的温度基本保持不变.二、要求1.基本要求①温度设定范围为40至900C,最小区分度为10C,标准温差≤10C.②环境温度降低时(例如用电风扇降温)温度控制的静态误差≤10C.③用十进制数码显示水的实际温度.2.发挥部分①采用适当的控制方式,当设定温度突变(由400C提高到600C)时,减少系统的调节时间和超调量.②温度控制的静态误差≤0.20C③在设定温度发生突变(由400C提高到600C)时,自动打印水温随时间变化的曲线.四、说明①加热器用一千瓦电炉.②如果采用单片机控制,允许使用已有的单片机最小系统电路板.③数码显示部分可以使用数码显示模块.④测量水温时只要求在容器内任意设置一个测试点.⑤在设计报告前附一篇400字以内的报告摘要.D题调幅扩播收音机一、任务利用所提供的元器件(附有资料)制作一个中波段广播收音机.二、要求1.基本要求①接收频率范围:540至1600kHz.②调谐方式:手动电调谐.③输出功率:≥100mW.④测量灵敏度、选择性、镜像抑制比和电调谐特性(测试时用信号发生器直接注入);写明测试方法,记录实测值,画出曲线.2.发挥部分①自动和手动搜索电台并有存储功能(可利用所提供的锁相环器件,或其它方法实现).②可预置电台数目:预置电台数目≥10个.③显示预置电台序号.④特色与创新(例如:提高性能指标,全机用单一+3V电源供电,节电,显示电台频率等).四、说明1.电调谐和特性是指输入信号频率与变容二极管控制电压之间的关系曲线.2.所提供的元器件清单(其它元器件自备):①调幅收音机单片集成电路(带有小功率放大器),型号:CXA1600P/M.②调幅收音机输入回路线圈和磁性天线.③变容光焕发二极管,型号:SVC341.④本振线圈.⑤用于电调谐的锁相环频率合成器集成电路,型号:LC7218(可选件).⑥ 7.2MHz晶体(可选件).3.在设计报告前附一篇400字以内的报告摘要.1.4 第四届电子设计竞赛试题(1999年)A 题一、题目测量放大器 二、任务设计并制作一个测量放大器及所用的直流稳压电源,框图如图所示. 三、要求1① a b c >105;d 在e f直流电压放大器的差模输入电阻≥2M Ω(可不测试,由电路设计预以保证);② 电源 设计并制作上述放大器所用的直流稳压电源.由单相220V 交流电压供电.交流电压变化范围为+10%至—15%.③ 设计并制作一个信号变换放大器.电路框图图如下图所示:将函数发生器单端输出的正弦电压信号不失真地转换为双端输出信号,用作测量直流电压放大器频率特性的输入信号.为③ 提高电路的共模抑制比.④ 差模电压放大倍数A VA 可预置并显示,预置范围1至1000,步距为1,同时满足基本要求①中参共模抑制比和噪声电压的要求.⑤ 其它(例如改善放大器性能的其它措施等). 五、说明直流电压放大器部分只允许采用通用型集成运算放大器,和必要的其它元器件组成,不能使用单片集成的测量放大器或其它之下 型的测量放大器产品. B题一、题目数字式工频有效值多用表. 二、任务设计并制作一个能同时对一路工频交流电(频率波动范围为(50±1)Hz 、有失真的正弦波)的电压有效值、电流有效值、有功功率、无功功率、功率因素进行测量的数字式多用表.数字式多用表框图如图所示.② 准确度a 显示为543位(999.4~000.0),有过量程指示; b 交流电压和交流电流:±(0.8%读数+5个字),例如:当被测电压为300V 时,读数误差应小于±(0.8%×300+0.5)=±2.9V ;c 有功功率和无功功率:±(1.5%读数+8个字);d 功率因素:±0.01;③ 功能选择:用按键选择交流电压、交流电流、有功功率、无功功率和功率因素的测量与显示.2.发挥部分① 用按键选择电压基波及总谐波的有效值测量与显示.② 具有量程自动转换功能,当变换器的输出电压小于0.5V 时,能自动提高分辨力达0.01V.③ 用按键控制实现交流电压、交流电流、有功功率、无功功率在测量过程中的最大值、最小值测量.④ 其它(例如扩展功能,提出高性能). 四、评分标准发挥部分②、③均用所制作的频率特性测试仪测试自制的被测网络的幅频特性与相频特性.D 题一、题目短波调频接收机二、任务设计并制作一个短波调频接收机,电路组成框图如图所示.④接近灵敏度≤5mV;⑤通频带:f0±4kHz为3dB;⑥选择性:f0±10kHz为30dB;⑦镜像抑制比≥20dB.2.发挥部分①可实现多种自动程控频率搜索模式(如全频率范围搜索,特定频率范围内搜索等),全频率范围搜索时间≤2分钟;②能显示接收频率范围内的调频电台载频值,显示载波频率的误差≤±5kHz;③进一步提高灵敏度;④可存储已搜索到的电台,在台数不少于20个;⑤其它.E 题一、题目数字化语音存储与回放系统二、任务设计并制作一个数字化语音存储与回放系统,电路的示意图如图所.② 带通滤波器:通带为kHz Hz 4.3~300;③ ADC :采样频率f s =8kHz ,字长=8位;④ 语音存储时间≥10秒;⑤ DAC :变换频率f C =8kHz ,字长=8位;⑥ 回放语音质量良好.2.发挥部分在保证语音质量的前提下:① 减少系统噪声电平,增加自动音量控制功能;② 语音存储时间增加到20秒以上;③ 提高存储器的利用率(在原有存储器不变的前提出下,提高语音存储时间); ④ 其它(例如:)/sin(/s s f f f f ππ校正等).不能用单片语音用芯片实现本系统.1.5 第五届电子设计竞赛试题(2001年)A 题 波形发生器一、任务设计并制作一个波形发生器,该波形发生器能产生正弦波、方波、三角波和由用户编辑的特定波形形状.其电路示意图如图所示.1① ② 波(5③ 具有波形存储功能.④ 输出波形的频率范围为100Hz 20~kHz (非正弦波频率按10次谐波计算);重复频率可调,频率步进间隔≤100Hz.⑤ 输出波形幅度范围05~V (峰峰值),可按步进0.1(峰峰值)调整.⑥ 具有显示输出波形的类型、重复频率(周期)和幅度的功能.2.发挥部分① 输出波形频率范围扩展至100Hz 200~kHz.②用键盘或其它输入装置产生任意波形.③增加稳幅输出功能,当负载变化时,输出电压幅度变化不大于±3%(负载电阻变化~).范围:100Ω④具有掉电存储功能,可存储掉电前用户编辑的波形和设置.⑤可产生单次或多次(1000次以下)特定波形(如产生1个半周期三角波输出).⑥其它(如增加频谱分析、失真度分析、频率扩展大于200kHz、扫描输出等功能).B题简易数字存储示波器一、任务设计并制作一台用普通示波器显示被测波形的简易数字存储示波器.该示波器的电路组成框图如图所示.div,⑶要求设置0.2s/ div、0.2 ms/div、20us/ div三档扫描速度,仪器的频率范围为DC—50kHz,误差≤5%.⑷要求设置0.1V/ div、1 V/div二档垂直灵敏度,误差≤5%.⑸仪器的触发电路采用内触发方式,要求上升沿触发、触发电平可调.⑹观察波形无明显失真.2.发挥部分⑴增加连续触发存储显示方式,在这种方式下,仪器能连续对信号进行采集,、存储并实时显示,且具有锁存(按“锁存”键即可存储当前波形).⑵增加双综示波功能,能同时显示两路被测信号波形.⑶增加水平移动扩展显示功能,要求存储深度增加一倍,并且能通过操作“移动”键显示被测存储信号波形的任一部分.⑷垂直灵敏度增加0.01V/ div档,以提高仪器的垂直灵敏度,并尽力减少输入短路时的输出噪声电压.⑸其它.三、评分标准四、说明测试过程中,不能对普通示波器进行操作和调整.C 题自动往返电动小汽车一、任务设计并制作一个能自动往返于起跑线与终点线间的小汽车.允许用玩具汽车改装,但不能用人工遥控(包括有线和无线遥控).跑道宽度0.5m,表面贴有白纸,,两侧有档板,档板与地面垂直,其高度不低于20cm.⑵自动记录、显示行驶距离(记录显示装置要求安装在车上).⑶其它特色与创新.三、评分标准⑴不允许在跑道内外区域另外设置任何标志或检测装置.⑵车辆(含在车体上附加的任何装置)外围尺寸的限制:长度≤35cm,宽度≤15cm.⑶必须在车身顶部明显标出车辆中心点位置,即横向与纵向两条中心线的交点.D 题 高效率音频功率放大器一、任务设计并制作一个高效率音频功率放大器及其参数的测量、显示装置.功率放大器的电源电压为+5V (电路其它部分的电源电压不限).负载为8Ω电阻.二、要求1.基本要求⑴ 功率放大器a 3dB 通频带为300Hz 至3400Hz ,输出正弦信号无明显失真.b 最大不失真输出功率≥1W.c 输入阻抗大于10k Ω,电压放大倍数1至20连续可调.d 低频噪声电压(20kHz 以下)≤10mV ,在电压放大倍数为10,输入端对地交流短路时测量.e 在输出功率500mW 时测量的功率放大器效率(输出功率/放大器总功耗)≥50%. ⑵ 设计并制作一个放大倍数为1的信号变换电路,将功率放大器双端输出的信号转换为5%. ⑵ 输出功率保持为200 mW ,尽量提高放大器效率.⑶输出功率保持为200 mW ,尽量降低放大器电源电压.⑷ 增加输出短路保护功能.⑸ 其它.三、评分标准⑴ 采用开关方式实现低频功率放大(即D 类放大)是提高效率的主要途经之一,D 类放大原理框图如图所示.本例如选用D 类放大方式,不允许使用D 类功率放大集成电路.⑵ (+5V ),不包. ⑶一、任务设计制作一个用于8路模拟信号采集与单向传输系统.其系统方框图如下.⑵设计一个加法器电路,将调制器输出V SP—P与噪声电压V nP—P相加送入模拟信道.在解调器输入端测量信号与噪声峰—峰值之比(V SP—P/ V nP—P),当其比值分别为1、3、5时进行误码测试.测试方法:在8路顺序循环采集模式下,监视某一路的显示,检查接收数据的误码情况,监视时间为1分钟.⑶在(V SP—P/ V nP—P)=3时,尽量提高传输速率,用上述第⑵项的测试方法,检查接收数据的误码情况.⑷其它(如自制用来定量测量系统误码的简易误码率测试仪,其方框图如下所示.F题调频收音机一、任务用SONY公司提供的FM/AM收音机集成芯片CXA1019和锁相频率合成芯片BU2614,制作一台调频收音机.二、要求1.基本要求⑴接收FM信号频率范围88至108MHz.⑵调制信号频率范围100至15000Hz,最大频偏75kHz.⑶最大不失真输出功率≥100mW(负载阻抗8Ω).⑷接收灵敏度≤1mV.⑸镜像抑制性能优于20dB.⑹能够正式常收听FM广播.2.发挥部分⑴可实现多种自动程序频率搜索(如全频率范围搜索、指定频率范围内搜索等).⑵能显示接收频率范围内的调频电台载波频率值,显示载波频率的误差≤5kHz.⑶进一步提高灵敏度.⑷可存储已搜索到的电台,存储电台数不少于5个.⑸其它(如3V单电源整机供电、节能供电、时钟显示等).三、评分标准⑴本题提供一组SONY公司的集成芯片和元件,包括:·FM/AM收音机集成芯片CXA1019·锁相频率合成调谐集成芯片BU2614·RF输入带通滤波器·10.7MHz陶瓷带通滤波器CF-2·10.7MHz陶瓷谐振器CF-3·可调电容器·变容二极管·锁相环所用的75kHz晶体⑵建议本振线圈与输入回路线圈垂直安装.。
第一届(1994年)第一届(1994年)全国大学生电子设计竞赛A.简易数控直流电源B.多路数据采集系统第二届(1995年)第二届(1995年)全国大学生电子设计竞赛A.实用低频功率放大器B.实用信号源的设计和制作C.简易无线电遥控系统D.简易电阻、电容和电感测试仪第三届(1997年)第三届(1997年)全国大学生电子设计竞赛A.直流稳定电源B.简易数字频率计C.水温控制系统D.调幅广播收音机第四届(1999年)第四届(1999年)全国大学生电子设计竞赛A.测量放大器B.数字式工频有效值多用表C.频率特性测试仪D.短波调频接收机E.数字化语音存储与回放系统第五届(2001年)第五届(2001年)全国大学生电子设计竞赛A.波形发生器B.简易数字存储示波器C.自动往返电动小汽车D.高效率音频功率放大器E.数据采集与传输系统F.调频收音机第六届(2003年)第六届(2003年)全国大学生电子设计竞赛A.电压控制LC振荡器B.宽带放大器C.低频数字式相位测量仪D.简易逻辑分析仪E.简易智能电动车F.液体点滴速度监控装置第七届(2005年)第七届(2005年)全国大学生电子设计竞赛A.正弦信号发生器B.集成运放测试仪C.简易频谱分析仪D.单工无线呼叫系统E.悬挂运动控制系统F.数控恒流源G.三相正弦波变频电源第八届(2007年)第八届(2007年)全国大学生电子设计竞赛A.音频信号分析仪B.无线识别C.数字示波器D.程控滤波器E.开关稳压电源F.电动车跷跷板G.积分式直流数字电压表H.信号发生器I.可控放大器J.电动车跷跷板第九届(2009年)第九届(2009年)全国大学生电子设计竞赛A.光伏并网发电模拟装置B.声音导引系统C.宽带直流放大器D.无线环境监测模拟装置E.电能收集充电器F.数字幅频均衡功率放大器G.低频功率放大器H.LED点阵书写显示屏I.模拟路灯控制系统第十届(2011年)A.开关电源模块并联供电系统B.基于自由摆的平板控制系统C.智能小车D. LC 谐振放大器E.简易数字信号传输性能分析仪F.帆板控制系统G.简易自动电阻测试仪H.波形采集、存储与回放系统第十一届(2013年)A.单相AC-DC变换电路B.四旋翼自主飞行器C.简易旋转倒立摆及控制装置D.射频宽带放大器E.简易频率特性测试仪F.红外光通信装置G.手写绘图板J.电磁控制运动装置K.简易照明线路探测仪L.直流稳压电源及漏电保护装置。
第一届(1994年)全国大学生电子设计竞赛题目题目一简易数控直流电源一、设计任务设计出有一定输出电压范围和功能的数控电源。
其原理示意图如下:二、设计要求1.基本要求(1)输出电压:范围0~+9.9V,步进0.1V,纹波不大于10mV;(2)输出电流:500mA;(3)输出电压值由数码管显示;(4)由“+”、“-”两键分别控制输出电压步进增减;(5)为实现上述几部件工作,自制一稳压直流电源,输出±15V,+5V。
2.发挥部分(1)输出电压可预置在0~9.9V之间的任意一个值;(2)用自动扫描代替人工按键,实现输出电压变化(步进0.1V不变);(3)扩展输出电压种类(比如三角波等)。
三、评分意见项目得分基本要求方案设计与论证、理论计算与分析、电路图30实际完成情况50总结报告20发挥部分完成第一项 5完成第二项15完成第三项20题目二多路数据采集系统一、设计任务设计一个八路数据采集系统,系统原理框图如下:主控器能对50米以外的各路数据,通过串行传输线(实验中用1米线代替)进行采集的显示和显示。
具体设计任务是:(1)现场模拟信号产生器。
(2)八路数据采集器。
(3)主控器。
二、设计要求1.基本要求(1)现场模拟信号产生器:自制一正弦波信号发生器,利用可变电阻改变振荡频率,使频率在200Hz~2kHz范围变化,再经频率电压变换后输出相应1~5V直流电压(200Hz对应1V,2kHz对应5V)。
(2)八路数据采集器:数据采集器第1路输入自制1~5V直流电压,第2~7路分别输入来自直流源的5,4,3,2,1,0V直流电压(各路输入可由分压器产生,不要求精度),第8路备用。
将各路模拟信号分别转换成8位二进制数字信号,再经并/串变换电路,用串行码送入传输线路。
(3)主控器:主控器通过串行传输线路对各路数据进行采集和显示。
采集方式包括循环采集(即1路、2路……8路、……1路)和选择采集(任选一路)二种方式。
全国大学生电赛历年题目文章来源:互联网发表时间:2012-3-6 15:21:36文章作者:admin 浏览次数:908第一届(1994年)全国大学生电子设计竞赛A.简易数控直流电源B.多路数据采集系统第二届(1995年)全国大学生电子设计竞赛A.实用低频功率放大器B.实用信号源的设计和制作C.简易无线电遥控系统D.简易电阻、电容和电感测试仪第三届(1997年)全国大学生电子设计竞赛A.直流稳定电源B.简易数字频率计C.水温控制系统D.调幅广播收音机第四届(1999年)全国大学生电子设计竞赛A.测量放大器B.数字式工频有效值多用表C.频率特性测试仪D.短波调频接收机E.数字化语音存储与回放系统第五届(2001年)全国大学生电子设计竞赛A.波形发生器B.简易数字存储示波器C.自动往返电动小汽车D.高效率音频功率放大器E.数据采集与传输系统F.调频收音机第六届(2003年)全国大学生电子设计竞赛A.电压控制LC振荡器B.宽带放大器C.低频数字式相位测量仪D.简易逻辑分析仪E.简易智能电动车F.液体点滴速度监控装置第七届(2005年)全国大学生电子设计竞赛A.正弦信号发生器B.集成运放测试仪C.简易频谱分析仪D.单工无线呼叫系统E.悬挂运动控制系统F.数控恒流源G.三相正弦波变频电源第八届(2007年)全国大学生电子设计竞赛A.音频信号分析仪B.无线识别C.数字示波器D.程控滤波器E.开关稳压电源F.电动车跷跷板G.积分式直流数字电压表H.信号发生器I.可控放大器J.电动车跷跷板第九届(2009年)全国大学生电子设计竞赛A.光伏并网发电模拟装置B.声音导引系统C.宽带直流放大器D.无线环境监测模拟装置E.电能收集充电器F.数字幅频均衡功率放大器G.低频功率放大器H.LED点阵书写显示屏I.模拟路灯控制系统••••••••••••••••••【唯美句子】走累的时候,我就到升国旗哪里的一角台阶坐下,双手抚膝,再闭眼,让心灵受到阳光的洗涤。
全国大学生电子设计竞赛试题1.1 第一届电子设计竞赛试题(1994年)题目一 简易数控直流电源一、设计任务设计出有一定输出电压范围和功能的数控电源。
其原理示意图如图所示。
二、设计要求1.基本要求① 输出电压:范围0至+9.9V ,步进0.1V ,纹波不大于10mV ; ② 输出电流:500 mA ;③ 输出电压值由数码管显示; ④ 由“+”、“-”两键分别控制输出电压步进增减;⑤ 为实现上述几部件工作,自制一稳压直流电源,输出±15V ,+5V 。
2.发挥部分① 输出电压可预置在0至+9.9V 之间的任意一个值;② 用自动扫描代替人工按键,实现输出电压变化(步进0.1V 不变); ③ 扩展输出电压种类(比如三角波等)。
题目二 多路数据采集系统一、设计任务主控器能对50米以外的各路数据,通过串行传输线(实验中用1米线代替)进行采集和显示。
具体设计任务是:① 现场模拟信号产生器。
② 八路数据采集器。
③ 主控器。
二、设计要求 1.基本要求① 现场模拟信号产生器 自制一正弦波信号发生器,利用可变电阻改变振荡频率,使频率在200Hz 至2kHz 范围变化,再经频率电压娈换电路后输出相应1V 至5V 直流电压(200Hz 对应1V ,2kHz 对应5V )② 八路数据采集器 数据采集器第一路输入自制1V 至5V 直流电压,第2至7路分别输入来自直流源的5,4,3,2,1,0V 直流电压(各路输入可由分压器产生,不要求精度),第八路备用。
将各路模拟信号分别转换成八位二进制数字信号,再经并/串变换电路,用串行码送入传输线路。
③ 主控器 主控器通过串行传输线路对各路数据进行采集和显示。
采集方式包括循环采集(即1路、2路、…、8路、1路…)和选择采集(任选一路)二种方式。
显示部分能同时显示地址和相应的数据。
2.发挥部分① 利用电路补偿或其它方法提高可变电阻值变化与输出直流电压变化的线性关系; ② 尽可能减少传输线数目;③ 其它功能的改进(例如:增加传输距离,改善显示功能等) 三、评分标准1.2 第二届电子设计竞赛试题(1995年)题目一 实用低频功率放大器一、任务设计并制作具有弱信号放大能力的低频功率放大器。
历届国赛出现过的赛题(1994~2011)控制类赛题(12题):水温控制系统(1997年C题)自动往返电动小汽车(2001年C题)简易智能电动车(2003年E题)液体点滴速度监控装置(2003年F题)悬挂运动控制系统(2005年E题)电动车跷跷板(2007年F题本科组)电动车跷跷板(2007年J题高职高专组)声音引导系统(2009年B题)模拟路灯控制系统(2009年I题高职高专组)基于自由摆的平板控制系统(2011年B题)智能小车(2011年C题)帆板控制系统(2011年F 题)仪器仪表类赛题(14题):简易电阻、电容和电感测试仪(1995年D题)简易数字频率计(1997年B题)数字式工频有效值多用表(1999年B题)频率特性测试仪(1999年C题)简易数字存储示波器(2001年B题)低频数字式相位测量仪(2003年C题)简易逻辑分析仪(2003年D题)集成运放参数测试仪(2005年B题)简易频谱分析仪(2005年C题)音频信号分析仪(2007年A题本科组)数字示波器(2007年C题本科组)积分式直流数字电压表(2007年G题高职高专组)简易数字信号传输性能分析仪(2011年E题)简易自动电阻测试仪(2011年G 题)信号源类赛题(5题):实用信号源的设计和制作(1995年B题)波形发生器(2001年A题)电压控制LC振荡器(2003年A题)正弦信号发生器(2005年第七届A题)信号发生器(2007年H题高职高专组)电源类赛题(8题):简易数控直流电源(1994年A题)直流稳压电源(1997年A题)数控直流电流源(2005年F题)三相正弦波变频电源(2005年G题)开关稳压电源(2007年本科组E题)光伏并网发电模拟装置(2009年A题)电能搜集充电器(2009年E题)开关电源模块并联供电系统(2011年A题)高频无线电类赛题(7题):简易无线电遥控系统(1995年C题)调幅广播收音机(1997年D题)短波调频接收机(1999年D题)调频收音机(2001年F题)单工无线呼叫系统(2005年D题)无线识别装置(2007年B题本科组)无线环境监测模拟装置(2009年D题)放大器类赛题(10题):实用低频功率放大器(1995年A题)测量放大器(1999年A题)高效率音频功率放大器(2001年D题)宽带放大器(2003年B题)程控滤波器(2007年D题本科组)可控放大器(2007年I题高职高专组)数字幅频均衡的功率放大器(2009年F题)低频功率放大器(2009年G题高职高专组)宽带直流放大器(2009年C题)LC 谐振放大器(2011年D 题)数据采集与处理类赛题(5题):多路数据采集系统(1994年B题)数字化语音存储与回放系统(1999年E题)数据采集与传输系统(2001年E题)LED点阵书写显示屏(2009年H题高职高专组)波形采集、存储与回放系统(2011年H题)。
全国大学生电子设计竞赛试题1.1 第一届电子设计竞赛试题(1994年)题目一 简易数控直流电源一、设计任务设计出有一定输出电压范围和功能的数控电源。
其原理示意图如图所示。
二、设计要求1.基本要求① 输出电压:范围0至+9.9V ,步进0.1V ,纹波不大于10mV ; ② 输出电流:500 mA ;③ 输出电压值由数码管显示; ④ 由“+”、“-”两键分别控制输出电压步进增减;⑤ 为实现上述几部件工作,自制一稳压直流电源,输出±15V ,+5V 。
2.发挥部分① 输出电压可预置在0至+9.9V 之间的任意一个值;② 用自动扫描代替人工按键,实现输出电压变化(步进0.1V 不变); ③ 扩展输出电压种类(比如三角波等)。
三、评分标准题目二多路数据采集系统一、设计任务主控器能对50米以外的各路数据,通过串行传输线(实验中用1米线代替)进行采集和显示。
具体设计任务是:① 现场模拟信号产生器。
② 八路数据采集器。
③ 主控器。
二、设计要求 1.基本要求① 现场模拟信号产生器 自制一正弦波信号发生器,利用可变电阻改变振荡频率,使频率在200Hz 至2kHz 范围变化,再经频率电压娈换电路后输出相应1V 至5V 直流电压(200Hz 对应1V ,2kHz 对应5V )② 八路数据采集器 数据采集器第一路输入自制1V 至5V 直流电压,第2至7路分别输入来自直流源的5,4,3,2,1,0V 直流电压(各路输入可由分压器产生,不要求精度),第八路备用。
将各路模拟信号分别转换成八位二进制数字信号,再经并/串变换电路,用串行码送入传输线路。
③ 主控器 主控器通过串行传输线路对各路数据进行采集和显示。
采集方式包括循环采集(即1路、2路、…、8路、1路…)和选择采集(任选一路)二种方式。
显示部分能同时显示地址和相应的数据。
2.发挥部分① 利用电路补偿或其它方法提高可变电阻值变化与输出直流电压变化的线性关系; ② 尽可能减少传输线数目;③ 其它功能的改进(例如:增加传输距离,改善显示功能等) 三、评分标准1.2 第二届电子设计竞赛试题(1995年)题目一 实用低频功率放大器一、任务设计并制作具有弱信号放大能力的低频功率放大器。
第一届(1994年)全国大学生电子设计竞赛题目题目一简易数控直流电源题目二多路数据采集系统第二届(1995年)全国大学生电子设计竞赛题目题目一实用低频功率放大器题目二实用信号源的设计和制作题目三简易无线电遥控系统题目四简易电阻、电容和电感测试仪第三届(1997年)全国大学生电子设计竞赛题目A题直流稳定电源B题简易数字频率计C题水温控制系统D题调幅广播收音机第四届(1999年)全国大学生电子设计竞赛题目A题测量放大器B题数字式工频有效值多用表C题频率特性测试仪D题短波调频接收机E题数字化语音存储与回放系统第五届(2001年)全国大学生电子设计竞赛题目A题波形发生器B题简易数字存储示波器C题自动往返电动小汽车D题高效率音频功率放大器E题数据采集与传输系统F题调频收音机第六届(2003年)全国大学生电子设计竞赛题目电压控制LC振荡器(A题)宽带放大器(B题)低频数字式相位测量仪(C题)简易逻辑分析仪(D题)简易智能电动车(E题)液体点滴速度监控装置(F题)第七届(2005年)全国大学生电子设计竞赛试题正弦信号发生器(A题)集成运放参数测试仪(B题)简易频谱分析仪(C题)单工无线呼叫系统(D题)悬挂运动控制系统(E题)数控直流电流源(F题)三相正弦波变频电源(G题)简易数控直流电源(94年)直流稳定电源(97年)数控直流电流源(05年)实用低频功率放大器(95年)测量放大器(99年)题高效率音频功率放大器(01年)宽带放大器(03年)集成运放参数测试仪(05年)实用信号源的设计和制作(99年)波形发生器(01年)正弦信号发生器(05年)简易无线电遥控系统(95年)调幅广播收音机(97年)短波调频接收机(99年)调频收音机(01年)电压控制LC振荡器(03年)单工无线呼叫系统(05年)频率特性测试仪(99年)低频数字式相位测量仪(03年)简易频谱分析仪(05年)自动往返电动小汽车(01年)简易智能电动车(03年)悬挂运动控制系统(05年)第一届(1994年)全国大学生电子设计竞赛题目题目一简易数控直流电源一、设计任务设计出有一定输出电压范围和功能的数控电源。
全国大学生电子设计比赛历届标题第一届(1994年)全国大学生电子设计比赛标题标题一简略单纯数控直流电源一.设计义务设计出有必定输出电压规模和功效的数控电源.其道理示意图如下:二.设计请求1.根本请求(1)输出电压:规模0~+9.9V,步进0.1V,纹波不大于10mV; (2)输出电流:500mA; (3)输出电压值由数码管显示; (4)由“+”.“-”两键分离掌握输出电压步进增减; (5)为实现上述几部件工作,克己一稳压直流电源,输出±15V,+5V.2.施展部分(1)输出电压可预置在0~9.9V之间的随意率性一个值; (2)用主动扫描代替身工按键,实现输出电压变更(步进0.1V不变); (3)扩大输出电压种类(比方三角波等).三.标题二多路数据收集体系一.设计义务设计一个八路数据收集体系,体系道理框图如下:主控器能对50米以外的各路数据,经由过程串行传输线(试验顶用1米线代替)进行收集的显示和显示.具体设计义务是:(1)现场模仿旌旗灯号产生器. (2)八路数据收集器. (3)主控器.二.设计请求1.根本请求(1)现场模仿旌旗灯号产生器:克己一正弦波旌旗灯号产生器,应用可变电阻转变振荡频率,使频率在200Hz~2kHz规模变更,再经频率电压变换后输出响应1~5V直流电压(200Hz对应1V,2kHz对应5V). (2)八路数据收集器:数据收集器第1路输入克己1~5V直流电压,第2~7路分离输入来自直流源的5,4,3,2,1,0V直流电压(各路输入可由分压器产生,不请求精度),第8路备用.将各路模仿旌旗灯号分离转换成8位二进制数字旌旗灯号,再经并/串变换电路,用串行码送入传输线路. (3)主控器:主控器经由过程串行传输线路对各路数据进行收集和显示.收集方法包含轮回收集(即1路.2路……8路.……1路)和选择收集(任选一路)二种方法.显示部分能同时显示地址和响应的数据.2.施展部分(1)应用电路抵偿或其它办法进步可变电阻值变更与输出直流电压变更的线性关系; (2)尽可能削减传输线数量; (3)其它功效的改良(例如:增长传输距离,改良显示功效).三.第二届(1995年)全国大学生电子设计比赛标题标题一适用低频功率放大器一.义务设计并制造具有弱旌旗灯号放大才能的低频功率放大器.其道理示意图如下:二.请求1.根本请求(1)在放大通道的正弦旌旗灯号输入电压幅度为(5~700)mV,等效负载电阻RL为8Ω下,放大通道应知足:①额定输出功率POR≥10W;②带宽BW≥(50~10000)Hz;③在POR下和BW内的非线性掉真系数≤3%;④在POR下的效力≥55%;⑤在前置放大级输入端交换短接到地时,RL=8Ω上的交换声功率≤10mW.(2)自行设计并制造知足本设计义务请求的稳压电源.2.施展部分(1)放大器的时光响应①方波产生:由外供正弦旌旗灯号源经变换电路产生正.负极性的对称方波:频率为1000Hz.上升时光≤1μs.峰-峰值电压为200mVpp. 用上述方波鼓励放大通道时,在RL=8Ω下,放大通道应知足:②额定输出功率POR≥10W;带宽BW≥(50~10000)Hz;③在POR下输出波形上升时光和降低时光≤12μs;④在POR下输出波形顶部斜降≤2%;⑤在POR下输出波形过冲量≤5%.(2)放大通道机能指标的进步和适用功效的扩大(例如进步效力.减小非线性掉真等).三.标题二适用旌旗灯号源的设计和制造一.义务在给定±15V电源电压前提下,设计并制造一个正弦波和脉冲波旌旗灯号源.二.请求1.根本请求(1)正弦波旌旗灯号源①旌旗灯号频率:20Hz~20kHz步进调剂,步长为5Hz②频率稳固度:优于10-4③非线性掉真系数≤3%(2)脉冲波旌旗灯号源①旌旗灯号频率:20Hz~20kHz步进调剂,步长为5Hz ②上升时光和降低时光:≤1μs③平顶斜降:≤5%④脉冲占空比:2%~98%步进可调,步长为2% (3)上述两个旌旗灯号源公共请求①频率可预置.②在负载为600Ω时,输出幅度为3V.③完成5位频率的数字显示.2.施展部分(1)正弦波和脉冲波频率步长改为1Hz. (2)正弦波和脉冲波幅度可步进调剂,调剂规模为100mV~3V,步长为100mV. (3)正弦波和脉冲波频率可主动步进,步长为1Hz. (4)降低正弦波非线性掉真系数.三.评分尺度标题三简略单纯无线电遥控体系一.义务设计并制造无线电遥控发射机和吸收机.1.无线电遥控发射机2.无线电遥控吸收机二.请求1.根本请求(1)工作频率:fo=6~10MHz中任选一种频率. (2)调制方法:AM.FM或FSK……任选一种. (3)输出功率:不大于20mW(在尺度75Ω假负载上). (4)遥控对象:8个,被控装备用LED分离代替,LED 发光暗示工作. (5)吸收机距离发射机不小于10m.2.施展部分 (1)8路装备中的一路为电灯,用指令遥控电灯亮度,亮度分为8级并用数码管显示级数. (2)在必定发射功率下(不大于20mW ),尽量增大吸收距离. (3)增长信道抗干扰措施. (4)尽量降低电源功耗. 注:不克不及采取现成的收.发信机整机. 三.评分看法标题四 简略单纯电阻.电容和电感测试仪一.义务设计并制造一台数字显示的电阻.电容和电感参数测试仪,示意框图如下: 二.请求1.根本请求 (1)测量规模:电阻100Ω~1MΩ;电容100pF ~10000pF;电感100μH~10mH. (2)测量精度:±5% .(3)制造4位数码管显示器,显示测量数值,并用发光二极管分离指导所测元件的类型和单位.2.施展部分 (1)扩大测量规模. (2)进步测量精度. (3)测量量程主动转换. 三.第三届(1997年)全国大学生电子设计比赛标题 A 题 直流稳固电源一.义务设计并制造交换变换为直流的稳固电源.二.请求1.根本请求(1)稳压电源在输入电压220V.50Hz.电压变更规模+15%~-20%前提下:a.输出电压可调规模为+9V~+12V b.最大输出电流为 1.5A c.电压调剂率≤0.2%(输入电压220V变更规模+15%~-20%下,空载到满载)d.负载调剂率≤1%(最低输入电压下,满载)e.纹波电压(峰-峰值)≤5mV(最低输入电压下,满载)f.效力≥40%(输出电压9V.输入电压220V下,满载)g.具有过流及短路呵护功效(2)稳流电源在输入电压固定为+12V的前提下:a.输出电流:4~20mA可调b.负载调剂率≤1%(输入电压+12V.负载电阻由200Ω~300Ω变更时,输出电流为20mA时的相对变更率)(3)DC-DC变换器在输入电压为+9V~+12V前提下:a.输出电压为+100V,输出电流为10mA b.电压调剂率≤1%(输入电压变更规模+9V~+12V)c.负载调剂率≤1%(输入电压+12V下,空载到满载)d.纹波电压(峰-峰值)≤100mV (输入电压+9V下,满载)2.施展部分(1)扩充功效a.消除短路故障后,主动恢复为正常状况b.过热呵护c.防止开.关机时产生的“过冲”(2)进步稳压电源的技巧指标a.进步电压调剂率和负载调剂率b.扩大输出电压调节规模和进步最大输出电流值(3)改良DC-DC变换器a.进步效力(在100V.100mA下)b.进步输出电压(4)用数字显示输出电压和输出电流三.B题简略单纯数字频率计一.义务设计并制造一台数字显示的简略单纯频率计.二.请求1.根本请求(1)频率测量a.测量规模旌旗灯号:方波.正弦波;幅度:0.5V~5V;频率:1Hz~1MHz b.测量误差≤0.1%(2)周期测量a.测量规模旌旗灯号:方波.正弦波;幅度:0.5V~5V;频率:1Hz~1MHz b.测量误差≤0.1%(3)脉冲宽度测量a.测量规模旌旗灯号:脉冲波;幅度:0.5V~5V;脉冲宽度≥100μs b.测量误差≤1% (4)显示器十进制数字显示,显示刷新时光1~10秒持续可调,对上述三种测量功效分离用不合色彩的发光二极管指导. (5)具有自校功效,时标旌旗灯号频率为1MHz. (6)自行设计并制造知足本设计义务请求的稳压电源.2.施展部分 (1)扩大频率测量规模为0.1Hz ~10MHz (旌旗灯号幅度0.5V ~5V ),测量误差降低为0.01%(最大闸门时光≤10s). (2)测量并显示周期脉冲旌旗灯号(幅度0.5V ~5V.频率1Hz ~1kHz )的占空比,占空比变更规模为10%~90%,测量误差≤1% . (3)在1Hz ~1MHz 规模内及测量误差≤1%的前提下,进行小旌旗灯号的频率测量,提出并实现抗干扰的措施. 三.C 题 水温掌握体系一.义务设计并制造一个水温主动掌握体系,掌握对象为1升清水,容器为珐琅器皿.水温可以在必定规模内由人工设定,并能在情形温度降低时实现主动掌握,以保持设定的温度根本不变. 二.请求1.根本请求 (1)温度设定规模为40~90℃,最小区分度为1℃,标定温度≤1℃. (2)情形温度降低时(例如用电电扇降温)温度掌握的静态误差≤1℃. (3)用十进制数码管显示水的现实温度.2.施展部分 (1)采取恰当的掌握办法,当设定温度突变(由40℃进步到60℃℃. (3)在设定温度产生突变(由40℃进步到60℃)时,主动打印水温随时光变更的曲线. 三.D题调幅广播收音机*一.义务应用所供给的元器件(附有材料)制造一个中波广播收音机.二.请求1.根本请求(1)吸收频率规模:540kHz~1600kHz; (2)调谐方法:手动电调谐; (3)输出功率:≥100mW;(4)测量敏锐度.选择性.镜像克制比和电调谐特征(测量时用旌旗灯号产生器直接注入);写明测试办法,记载实测值,画出曲线.2.施展部分(1)主动和手动搜刮电台并有存储功效(可应用所供给的锁相环器件,或其它办法实现); (2)可预置电台数量:预置电台数量≥10个; (3)显示预置电台序号; (4)特点与创新(例如:进步机能指标,全机用单一+3V电源供电,节电,显示电台频率等).三.四.解释1.电调谐特征是指输入旌旗灯号与变容二极管掌握电压之间的关系曲线. 2.所供给的元器件清单(其它元器件自备)(1)调幅收音机单片机集成电路(带有小功率放大器),型号:CX1600P/M; (2)调幅收音机输入回路线圈和磁性天线; (3)变容二极管,型号:SVC341; (4)本振线圈; (5)用于电调谐的锁相频率合成器集成电路,型号:LC7218(可选件); (6)7.2MHz晶体(可选件).3.在设计陈述前附一篇400字以内的陈述摘要.*此题是全国专家组与SONY公司专家合作的命题, SONY公司供给了专用IC 芯片和英文材料等.第四届(1999年)全国大学生电子设计比赛标题A题测量放大器一.标题:测量放大器二.义务设计并制造一个测量放大器及所用的直流稳压电源.拜见图1.输入旌旗灯号VI 取自桥式测量电路的输出.当R1=R2=R3=R4时,VI=0.R2转变时,产生VI ¹0的电压旌旗灯号.测量电路与放大器之间有1米长的衔接线.三.请求1. 根本请求(1) 测量放大器 a. 差模电压放大倍数 AVD=1~500,可手动调节; b. 最大输出电压为±10V,非线性误差 < 0.5% ;c. 在输入共模电压+7.5V~-7.5V规模内,共模克制比KCMR >105 ;d. 在AVD=500时,输出端噪声电压的峰-峰值小于1V;e. 通频带0~10Hz ;f. 直流电压放大器的差模输入电阻≥2MW(可不测试,由电路设计予以包管). (2) 电源设计并制造上述放大器所用的直流稳压电源.由单相220V交换电压供电.交换电压变更规模为+10%~-15%.(3) 设计并制造一个旌旗灯号变换放大器,拜见图 2.将函数产生器单端输出的正弦电压旌旗灯号不掉真地转换为双端输出旌旗灯号,用作测量直流电压放大器频率特征的输入旌旗灯号.2.施展部分(1)进步差模电压放大倍数至AVD=1000,同时减小输出端噪声电压. (2)在知足根本请求(1)中对输出端噪声电压和共模克制比请求的前提下,将通频带展宽为0~100Hz以上. (3)进步电路的共模克制比. (4)差模电压放大倍数AVD可预置并显示,预置规模1~1000,步距为1,同时应知足根本请求(1)中对共模克制比和噪声电压的请求. (5)其它(例如改良放大器机能的其它措施等).四.五.解释直流电压放大器部分只许可采取通用型集成运算放大器和须要的其它元器件构成,不克不及应用单片集成的测量放大器或其它定型的测量放大器产品.B题数字式工频有用值多用表一.标题数字式工频有用值多用表二.义务设计并制造一个能同时对一路工频交换电(频率摇动规模为50 ±1Hz.有掉真的正弦波)的电压有用值.电流有用值.有功功率.无功功率.功率因数进行测量的数字式多用表.拜见附图.三.请求1.根本请求(1)测量功效及量程规模 a. 交换电压:0~500V;c. 有功功率:0~25kW;d. 无功功率:0~25kvar;e. 功率因数(有功功率/视在功率):0~1 . 为便于本试题的设计与制造,设定待测0~500V的交换电压.0~50A的交换电流均已经响应的变换器转换为0~5V的交换电压. (2)精确度 a. 显示为位(0.000~4.999),有过量程指导; b. 交换电压和交换电流:±(0.8%读数+5个字),例:当被测电压为300V时,读数误差应小于±(0.8%×300V+0.5V)=±2.9V ;c. 有功功率和无功功率:±(1.5%读数+8个字);d. 功率因数:±0.01 . (3)功效选择:用按键选择交换电压.交换电流.有功功率.无功功率和功率因数的测量与显示.2.施展部分(1)用按键选择电压基涉及总谐波的有用值测量与显示. (2)具有量程主动转换功效,当变换器输出的电压值小于0.5V时,能主动进步分辩力达0.01V. (3)用按键掌握实现交换电压.交换电流.有功功率.无功功率在测试进程中的最大值.最小值测量. (4)其它(例如扩大功效,进步机能).四.五.解释1.调试时可用函数产生器输出的正弦旌旗灯号电压作为一路交换电压旌旗灯号;再经移相输出代表统一路的电流旌旗灯号.2.检讨交换电压.交换电流有用值测量功效时,可采取函数产生器输出的对称方波旌旗灯号.电压基波.谐波的测试可用函数产生器输出的对称方波作为尺度旌旗灯号,测试成果应与理论值进行比较剖析.C题频率特征测试仪一.标题频率特征测试仪二.义务设计并制造一个频率特征测试体系,包含测试旌旗灯号源.被测收集.检涉及显示三部分.三.请求1.根本请求(1)制造幅频特征测试仪 a.频率规模:100Hz~100kHz;b.频率步进:10Hz;c.频率稳固度:10-4;d.测量精度:5% ;e.能在全频规模和特定频率规模内主动步进测量,可手动预置测量规模及步进频率值; f.LED显示,频率显示为5位,电压显示为3位,并能打印输出. (2)制造一被测收集 a. 电路型式:阻容双T收集; b. 中间频率:5kHz; c. 带宽:±50Hz; d. 盘算出收集的幅频和相频特征,并绘制相位曲线; e. 用所制造的幅频特征测试仪测试克己的被测收集的幅频特征.2.施展部分(1)制造相频特征测试仪 a. 频率规模:500Hz~10kHz; b. 相位度数显示:相位值显示为三位,另以一位作符号显示;c. 测量精度:3°.(2)用示波器显示幅频特征. (3)在示波器上同时显示幅频和相频特征. (4)其它.四.评分看法五.施展部分(2).(3)均用所制造的频率特征测试仪测试克己的被测收集的幅频特征和相频特征.D题短波调频吸收机一.标题短波调频吸收机二.义务设计并制造一个短波调频吸收机,方框图如下:三.请求1.根本请求(1)吸收频率(f0)规模:8MHz~10MHz; (2)吸收旌旗灯号为20Hz~1000Hz音频调频旌旗灯号,频偏为3kHz; (3)最大不掉真输出功率≥100mW(8W);(4)吸收敏锐度≤5mV;(5)通频带:f0±4kHz为-3dB; (6)选择性:f0±10kHz为-30dB; (7)镜像克制比≥20dB.2.施展部分(1)可实现多种主动程控频率搜刮模式(如全频率规模搜刮,特定频率规模内搜刮等),全频率规模搜刮时光≤2分钟; (2)能显示吸收频率规模内的调频电台载频值 ,显示载波频率的误差≤±5kHz;(3)进一步进步敏锐度;(4)可存储已搜刮到的电台,存台数许多于20; (5)其它.四.现实制造完成情形50施展部分完成第一项20 完成第二项 5 完成第三项10 完成第四项 5 特点与创新10E题数字化语音存储与回放体系一.标题数字化语音存储与回放体系二.义务设计并制造一个数字化语音存储与回放体系,其示意图如下:三.请求1.根本请求(1)放大器1的增益为46dB,放大器2的增益为40dB,增益均可调; (2)带通滤波器:通带为300Hz~3.4kHz ; (3)ADC:采样频率f s=8kHz,字长=8位; (4)语音存储时光≥10秒; (5)DAC:变换频率f c=8kHz,字长=8位; (6)回放语音质量优越.2.施展部分在包管语音质量的前提下:(1)削减体系噪声电平,增长主动音量掌握功效; (2)语音存储时光增长至20秒以上; (3)进步存储器的应用率(在原有存储容量不变的前提下,进步语音存储时光); (4)其它(例如:校订等).四.项目满分根本请求设计与总结陈述:计划设计与论证,理论剖析与盘算,电路图,测试办法与数据,对测试成果的剖析50 现实制造完成情形50施展部分完成第一项15 完成第二项 5 完成第三项15 完成第四项15五.解释不克不及应用单片语音专用芯片实现本体系.第五届(2001年)全国大学生电子设计比赛标题A题波形产生器一.义务设计制造一个波形产生器,该波形产生器能产生正弦波.方波.三角波和由用户编辑的特定外形波形.示意图如下:二.请求1.根本请求(1)具有产生正弦波.方波.三角波三种周期性波形的功效. (2)用键盘输入编辑生成上述三种波形(同周期)的线性组合波形,以及由基涉及其谐波(5次以下)线性组合的波形. (3)具有波形存储功效. (4)输出波形的频率规模为100Hz~20kHz(非正弦波频率按10次谐波盘算);反复频率可调,频率步进距离≤100Hz.(5)输出波形幅度规模0~5V(峰-峰值),可按步进0.1V(峰-峰值)调剂. (6)具有显示输出波形的类型.反复频率(周期)和幅度的功效.2.施展部分(1)输出波形频率规模扩大至100Hz~200kHz. (2)用键盘或其他输入装配产生随意率性波形. (3)增长稳幅输出功效,当负载变更时,输出电压幅度变更不大于±3%(负载电阻变更规模:100Ω~∞). (4)具有掉落电存储功效,可存储掉落电前用户编辑的波形和设置. (5)可产生单次或多次(1000次以下)特定波形(如产生1个半周期三角波输出). (6)其它(如增长频谱剖析.掉真度剖析.频率扩大>200kHz.扫频输出等功效).三.B题简略单纯数字存储示波器一.义务设计并制造一台用通俗示波器显示被测波形的简略单纯数字存储示波器,示意图如下:二.请求1.根本请求(1)请求仪器具有单次触发存储显示方法,即每按动一次“单次触发”键,仪器在知足触发前提时,能对被测周期旌旗灯号或单次非周期旌旗灯号进行一次收集与存储,然后持续显示. (2)请求仪器的输入阻抗大于100kΩ,垂直分辩率为32级/div,水等分辩率为20点/div;设示波器显示屏程度刻度为10div,垂直刻度为8div. (3)请求设置0.2s/div.0.2ms/div.20μs/div 三档扫描速度,仪器的频率规模为DC~50kHz,误差≤5%.(4)请求设置0.1V/div.1V/div二档垂直敏锐度,误差≤5%.(5)仪器的触发电路采取内触发方法,请求上升沿触发.触发电平可调. (6)不雅测波形无显著掉真.2.施展部分(1)增长持续触发存储显示方法,在这种方法下,仪器能持续对旌旗灯号进行收集.存储并及时显示,且具有锁存(按“锁存”键即可存储当前波形)功效. (2)增长双踪示波功效,能同时显示两路被测旌旗灯号波形. (3)增长程度移动扩大显示功效,请求存储深度增长一倍,并且能经由过程操纵“移动” 键显示被存储旌旗灯号波形的任一部分. (4)垂直敏锐度增长0.01V/div 档,以进步仪器的垂直敏锐度,并努力减小输入短路时的输出噪声电压. (5)其它.三.四.测试进程中,不克不及对通俗示波器进行操纵和调剂.C题主动往返电动小汽车一.义务设计并制造一个能主动往返于起跑线与终点线间的小汽车.许可用玩具汽车改装,但不克不及用人工遥控(包含有线和无线遥控).跑道宽度0.5m,概况贴有白纸,两侧有挡板,挡板与地面垂直,其高度不低于20cm.在跑道的B.C.D.E.F.G各点处画有2cm宽的黑线,各段的长度如图1所示.二.请求1.根本请求(1)车辆从起跑线动身(动身前,车体不得超出起跑线),到达终点线后逗留10秒,然后主动返回起跑线(许可倒车返回).往返一次的时光应力图最短(从合上汽车电源开关开端计时). (2)到达终点线和返回起跑线时,泊车地位离起跑线和终点线误差应最小(以车辆中间点与终点线或起跑线中间线之间距离作为误差的测量值). (3)D~E间为限速区,车辆往返均请求以低速经由过程,经由过程时光不得少于8秒,但不许可在限速区内泊车.2.施展部分(1)主动记载.显示一次往返时光(记载显示装配请求装配在车上). (2)主动记载.显示行驶距离(记载显示装配请求装配在车上). (3)其它特点与创新.三.评分尺度四.(1)不许可在跑道表里区域别的设置任何标记或检测装配. (2)车辆(含在车体上附加的任何装配)外围尺寸的限制:长度≤35 cm,宽度≤15cm.(3)必须在车身顶部显著标出车辆中间点地位,即横向与纵向两条中间线的交点.D题高效力音频功率放大器一.义务设计并制造一个高效力音频功率放大器及其参数的测量.显示装配.功率放大器的电源电压为+5V(电路其他部分的电源电压不限),负载为8Ω电阻.二.请求1.根本请求(1)功率放大器a.3dB通频带为300Hz~3400Hz,输出正弦旌旗灯号无显著掉真. b.最大不掉真输出功率≥1W.c.输入阻抗>10k,电压放大倍数1~20持续可调. d.低频噪声电压(20kHz 以下)≤10mv,在电压放大倍数为10,输入端对地交换短路时测量. e.在输出功率500mW时测量的功率放大器效力(输出功率/放大器总功耗)≥50%.(2)设计并制造一个放大倍数为1的旌旗灯号变换电路,将功率放大器双端输出的旌旗灯号转换为单端输出,经RC滤波供外接测试内心用,如图1所示. 图1中,高效力功率放大器构成框图可拜见本题第四项“解释”.(3)设计并制造一个测量放大器输出功率的装配,请求具有3位数字显示,精度优于5%.2.施展部分(1)3dB通频带扩大至300Hz~20kHz. (2)输出功率保持为200mW,尽量进步放大器效力. (3)输出功率保持为200mW,尽量降低放大器电源电压. (4)增长输出短路呵护功效. (5)其它.三.四.解释1.采取开关方法实现低频功率放大(即D类放大)是进步效力的重要门路之一, D类放大道理框图如图2.本设计中假如采取D类放大方法,不许可应用D 类功率放大集成电路.2.效力盘算中的放大器总功耗是指功率放大器部分的总电流乘以供电电压(+5V),不包含“根本请求”中第(2).(3)项涉及的电路部分功耗.制造时要留意便于效力测试.3.在全部测试进程中,请求输出波形无显著掉真.E题数据收集与传输体系一.义务设计制造一个用于8路模仿旌旗灯号收集与单向传输体系.体系方框图拜见图1.二.请求1.根本请求(1)被测电压为8路0~5V分离可调的直流电压.体系具有在发送端设定8路次序轮回收集与指定某一路收集的功效. (2)采取8位A/D变换器. (3)采取3dB带宽为30kHz~50kHz的带通滤波器(带外衰减优于35dB/十倍频程)作为模仿信道. (4)调制器输出的旌旗灯号峰-峰值vsp-p为0~1V可变,码元速度16k波特(码元/秒);制造一个时钟频率可变的测试码产生器(如0101…码等),用于测试传输速度. (5)在吸收端具有显示功效,请求显示被测路数和被测电压值.2.施展部分(1)设计制造一个用伪随机码形成的噪声模仿产生器,伪随机码时钟频率为96kHz,周期为127位码元,生成多项式采取.其输出峰-峰值为0~1V持续可调. (2)设计一个加法电路,将调制器输出与噪声电压相加送入模仿信道.在解调器输入端测量旌旗灯号与噪声峰-峰值之比(),当其比值分离为 1.3.5时,进行误码测试.测试办法:在8路次序轮回收集模式下,监督某一路的显示,检讨吸收数据的误码情形,监督时光为1分钟. (3)在()=3时,尽量进步传输速度,用上述第(2)项的测试办法,检讨吸收数据的误码情形. (4)其它(如克己用来定量测量体系误码的简略单纯误码率测试仪,其方框图见图2).三.项目满分根本请求设计与总结陈述:计划比较.设计与论证,理论剖析与盘算,电路图及有关设计文件,测试办法与仪器,测试数据及测试成果剖析.50 现实制造完成情形50施展部分完成第(1)项 5 完成第(2)项20 完成第(3)项15 完成第(4)项10。
历年全国电子设计大赛试题总汇第一届(1994 年)全国大学生电子设计竞赛题目题目一简易数控直流电源一、设计任务设计出有一定输出电压范围和功能的数控电源。
其原理示意图如下:二、设计要求1.基本要求(1)输出电压:范围0~+9.9V,步进0.1V,纹波不大于10mV;(2)输出电流:500mA;(3)输出电压值由数码管显示;(4)由“+”、“-”两键分别控制输出电压步进增减;(5)为实现上述几部件工作,自制一稳压直流电源,输出±15V,+5V。
2.发挥部分(1)输出电压可预置在0~9.9V 之间的任意一个值;(2)用自动扫描代替人工按键,实现输出电压变化(步进0.1V 不变);(3)扩展输出电压种类(比如三角波等)。
三、评分意见项目得分方案设计和论证、理论计算和分析、电路图30 实际完成情况50 基本要求总结报告20完成第一项5发挥部分完成第二项15完成第三项20题目二多路数据采集系统一、设计任务设计一个八路数据采集系统,系统原理框图如下:主控器能对50 米以外的各路数据,通过串行传输线(实验中用1 米线代替)进行采集的显示和显示。
具体设计任务是:(1)现场模拟信号产生器。
(2)八路数据采集器。
(3)主控器。
二、设计要求1.基本要求(1)现场模拟信号产生器:自制一正弦波信号发生器,利用可变电阻改变振荡频率,使频率在200Hz~2kHz 范围变化,再经频率电压变换后输出相应1~5V 直流电压(200Hz 对应1V,2kHz 对应5V)。
(2)八路数据采集器:数据采集器第1 路输入自制1~5V 直流电压,第2~7 路分别输入来自直流源的5,4,3,2,1,0V 直流电压(各路输入可由分压器产生,不要求精度),第8 路备用。
将各路模拟信号分别转换成8 位二进制数字信号,再经并/串变换电路,用串行码送入传输线路。
(3)主控器:主控器通过串行传输线路对各路数据进行采集和显示。
采集方式包括循环采集(即1路、2 路……8 路、……1 路)和选择采集(任选一路)二种方式。
历年全国电子设计大赛试题[1]历年全国电子设计大赛试题总汇楼主打印第1 页共57 页历年全国电子设计大赛试题总汇第一届(1994 年)全国大学生电子设计竞赛题目 (3)题目一简易数控直流电源 (3)题目二多路数据采集系统 (4)第二届(1995 年)全国大学生电子设计竞赛题目 (5)题目一实用低频功率放大器 (5)题目二实用信号源的设计和制作 (6)题目三简易无线电遥控系统 (7)题目四简易电阻、电容和电感测试仪 (8)第三届(1997 年)全国大学生电子设计竞赛题目 (9)A 题直流稳定电源 (9)B 题简易数字频率计 (10)C 题水温控制系统 (11)D 题调幅广播收音机* (12)第四届(1999 年)全国大学生电子设计竞赛题目 (13)A 题测量放大器 (13)B 题数字式工频有效值多用表 (14)C 题频率特性测试仪 (16)D 题短波调频接收机 (17)E 题数字化语音存储与回放系统 (18)第五届(2001 年)全国大学生电子设计竞赛题目 (19)A 题波形发生器 (19)B 题简易数字存储示波器 (20)C 题自动往返电动小汽车 (21)D 题高效率音频功率放大器 (22)E 题数据采集与传输系统 (23)F 题调频收音机 (25)第六届(2003 年)全国大学生电子设计竞赛题目 (26)电压控制LC 振荡器(A 题) (26)宽带放大器(B 题) (27)低频数字式相位测量仪(C 题) (28)简易逻辑分析仪(D 题) (30)第2 页共57 页简易智能电动车(E 题) (31)液体点滴速度监控装置(F 题) (33)第七届(2005 年)全国大学生电子设计竞赛题目 (34)正弦信号发生器(A 题) (34)集成运放参数测试仪(B 题) (34)简易频谱分析仪(C 题) (37)单工无线呼叫系统(D 题) (38)悬挂运动控制系统(E 题) (39)数控直流电流源(F 题) (41)三相正弦波变频电源(G 题) (42)第八届(2007 年)全国大学生电子设计竞赛题目 (43)音频信号分析仪(A 题)【本科组】 (43)无线识别装置(B 题)【本科组】 (44)数字示波器(C 题)【本科组】 (46)程控滤波器(D 题)【本科组】 (47)开关稳压电源(E 题)【本科组】 (49)电动车跷跷板(F 题)【本科组】 (50)积分式直流数字电压表(G 题)【高职高专组】 (53)信号发生器(H 题)【高职高专组】 (54)可控放大器(I 题)【高职高专组】 (55)电动车跷跷板(J 题)【高职高专组】 (56)第3 页共57 页第一届(1994 年)全国大学生电子设计竞赛题目题目一简易数控直流电源一、设计任务设计出有一定输出电压范围和功能的数控电源。
第一届(1994年)全国大学生电子设计竞赛题目题目二多路数据釆集系统第二届(1995年)全国大学生电子设计竞赛题目题目三简易无线电遥控系统题目四简易电阻、电容和电感测试仪第三届(1997年)全国大学生电子设计竞赛题目直流稳定电源简易数字频率计水温控制系统调幅广播收音机*第四届(1999年)全国大学生电子设计竞赛题目A题测量放大器B题数字式工频有效值多用表C题频率特性测试仪D题短波调频接收机E题数字化语音存储与回放系统A题波形发生器B题简易数字存储示波器C题自动往返电动小汽车第五届(2001年)全国大学生电子设计竞赛题目D题高效率音频功率放大器E题数据采集与传输系统F题调频收音机第六届(2003年)全国大学生电子设计竞赛题目电压控制LC振荡器(A题)宽带放大器(B题)低频数字式相位测量仪(C题)简易逻辑分析仪(D题)简易智能电动车(E题)液体点滴速度监控装置(F 题)第七届(2005年)全国大学生电子设计竞赛题目1、正弦信号发生器(A题)2、集成运放测试仪(B 题)3、简易频谱分析仪(C题)4、单工无线呼叫系统(D题)5、悬挂运动控制系统(E题)6、数控恒流源(F题)7、三相正弦波变频电源(G题)A 音频信号分析仪B 无线识别2007年全国大学生电子设计竞赛题目数字示波器程控滤波器开关稳压电源电动车跷跷板积分式直流数字电压表信号发生器可控放大器电动车跷跷板2009年全国大学生电子设计竞赛题目A题“光伏并网发电模拟装置B题••声音导引系统C题“宽带直流放大器D题“无线环境监测模拟装置E题“电能收集充电器F题••数字幅频均衡功率放大器G题••低频功率放大器H题"LED点阵书写显不屏块】大学生电子设计联盟» 2011全国大学生电子设计竞赛专版【优秀版决战2011全国大学生电子设计竞赛一一试题归纳及攻略全国大学生电子设计竞赛从1994年的首届试点到2009年已经成功地举办了9届。
从9届电子设计竞赛的试题来看,大体上可以归纳成如下几种类别,即: 电源类,信号源类,高频无线电类,放大器类,仪器仪表类,控制类。
全国大学生电子设计竞赛历年题目(1994-2003)第一届(1994年)全国大学生电子设计竞赛题目题目一简易数控直流电源一、设计任务设计出有一定输出电压范围和功能的数控电源。
其原理示意图如下:二、设计要求1.基本要求(1)输出电压:范围0~+9.9V,步进0.1V,纹波不大于10mV;(2)输出电流:500mA;(3)输出电压值由数码管显示;(4)由“+”、“-”两键分别控制输出电压步进增减;(5)为实现上述几部件工作,自制一稳压直流电源,输出±15V,+5V。
2.发挥部分(1)输出电压可预置在0~9.9V之间的任意一个值;(2)用自动扫描代替人工按键,实现输出电压变化(步进0.1V不变);(3)扩展输出电压种类(比如三角波等)。
三、评分意见题目二多路数据采集系统一、设计任务设计一个八路数据采集系统,系统原理框图如下:主控器能对50米以外的各路数据,通过串行传输线(实验中用1米线代替)进行采集的显示和显示。
具体设计任务是:(1)现场模拟信号产生器。
(2)八路数据采集器。
(3)主控器。
二、设计要求1.基本要求(1)现场模拟信号产生器:自制一正弦波信号发生器,利用可变电阻改变振荡频率,使频率在200Hz~2kHz范围变化,再经频率电压变换后输出相应1~5V直流电压(200Hz对应1V,2kHz对应5V)。
(2)八路数据采集器:数据采集器第1路输入自制1~5V直流电压,第2~7路分别输入来自直流源的5,4,3,2,1,0V直流电压(各路输入可由分压器产生,不要求精度),第8路备用。
将各路模拟信号分别转换成8位二进制数字信号,再经并/串变换电路,用串行码送入传输线路。
(3)主控器:主控器通过串行传输线路对各路数据进行采集和显示。
采集方式包括循环采集(即1路、2路……8路、……1路)和选择采集(任选一路)二种方式。
显示部分能同时显示地址和相应的数据。
2.发挥部分(1)利用电路补偿或其它方法提高可变电阻值变化与输出直流电压变化的线性关系;(2)尽可能减少传输线数目;(3)其它功能的改进(例如:增加传输距离,改善显示功能)。
三、评分意见第二届(1995年)全国大学生电子设计竞赛题目题目一实用低频功率放大器一、任务设计并制作具有弱信号放大能力的低频功率放大器。
其原理示意图如下:1.基本要求(1)在放大通道的正弦信号输入电压幅度为(5~700)mV,等效负载电阻R L为8Ω下,放大通道应满足:① 额定输出功率P OR≥10W;② 带宽BW≥(50~10000)Hz;③ 在P OR下和BW内的非线性失真系数≤3%;④ 在P OR下的效率≥55%;⑤ 在前置放大级输入端交流短接到地时,R L=8Ω上的交流声功率≤10mW。
(2)自行设计并制作满足本设计任务要求的稳压电源。
2.发挥部分(1)放大器的时间响应① 方波产生:由外供正弦信号源经变换电路产生正、负极性的对称方波:频率为1000Hz、上升时间≤1μs、峰-峰值电压为200mV pp。
用上述方波激励放大通道时,在R L=8Ω下,放大通道应满足:② 额定输出功率P OR≥10W;带宽BW≥(50~10000)Hz;③ 在P OR下输出波形上升时间和下降时间≤12μs;④ 在P OR下输出波形顶部斜降≤2%;⑤ 在P OR下输出波形过冲量≤5%。
(2)放大通道性能指标的提高和实用功能的扩展(例如提高效率、减小非线性失真等)。
三、评分意见题目二实用信号源的设计和制作在给定±15V电源电压条件下,设计并制作一个正弦波和脉冲波信号源。
二、要求1.基本要求(1)正弦波信号源① 信号频率:20Hz~20kHz步进调整,步长为5Hz② 频率稳定度:优于10-4③ 非线性失真系数≤3%(2)脉冲波信号源① 信号频率:20Hz~20kHz步进调整,步长为5Hz② 上升时间和下降时间:≤1μs③ 平顶斜降:≤5%④ 脉冲占空比:2%~98%步进可调,步长为2%(3)上述两个信号源公共要求① 频率可预置。
② 在负载为600Ω时,输出幅度为3V。
③ 完成5位频率的数字显示。
2.发挥部分(1)正弦波和脉冲波频率步长改为1Hz。
(2)正弦波和脉冲波幅度可步进调整,调整范围为100mV~3V,步长为100mV。
(3)正弦波和脉冲波频率可自动步进,步长为1Hz。
(4)降低正弦波非线性失真系数。
三、评分标准题目三简易无线电遥控系统一、任务设计并制作无线电遥控发射机和接收机。
1.无线电遥控发射机2.无线电遥控接收机二、要求1.基本要求(1)工作频率:f o=6~10MHz中任选一种频率。
(2)调制方式:AM、FM或FSK……任选一种。
(3)输出功率:不大于20mW(在标准75Ω假负载上)。
(4)遥控对象:8个,被控设备用LED分别代替,LED发光表示工作。
(5)接收机距离发射机不小于10m。
2.发挥部分(1)8路设备中的一路为电灯,用指令遥控电灯亮度,亮度分为8级并用数码管显示级数。
(2)在一定发射功率下(不大于20mW),尽量增大接收距离。
(3)增加信道抗干扰措施。
(4)尽量降低电源功耗。
注:不能采用现成的收、发信机整机。
三、评分意见题目四简易电阻、电容和电感测试仪一、任务设计并制作一台数字显示的电阻、电容和电感参数测试仪,示意框图如下:二、要求1.基本要求(1)测量范围:电阻100Ω~1MΩ;电容100pF~10000pF;电感100μH~10mH。
(2)测量精度:±5% 。
(3)制作4位数码管显示器,显示测量数值,并用发光二极管分别指示所测元件的类型和单位。
2.发挥部分(1)扩大测量范围。
(2)提高测量精度。
(3)测量量程自动转换。
三、评分意见第三届(1997年)全国大学生电子设计竞赛题目A题直流稳定电源一、任务设计并制作交流变换为直流的稳定电源。
二、要求1.基本要求(1)稳压电源在输入电压220V、50Hz、电压变化范围+15%~-20%条件下:a.输出电压可调范围为+9V~+12Vb.最大输出电流为1.5Ac.电压调整率≤0.2%(输入电压220V变化范围+15%~-20%下,空载到满载)d.负载调整率≤1%(最低输入电压下,满载)e.纹波电压(峰-峰值)≤5mV(最低输入电压下,满载)f.效率≥40%(输出电压9V、输入电压220V下,满载)g.具有过流及短路保护功能(2)稳流电源在输入电压固定为+12V的条件下:a.输出电流:4~20mA可调b.负载调整率≤1%(输入电压+12V、负载电阻由200Ω~300Ω变化时,输出电流为20mA时的相对变化率)(3)DC-DC变换器在输入电压为+9V~+12V条件下:a.输出电压为+100V,输出电流为10mAb.电压调整率≤1%(输入电压变化范围+9V~+12V)c.负载调整率≤1%(输入电压+12V下,空载到满载)d.纹波电压(峰-峰值)≤100mV (输入电压+9V下,满载)2.发挥部分(1)扩充功能a.排除短路故障后,自动恢复为正常状态b.过热保护c.防止开、关机时产生的“过冲”(2)提高稳压电源的技术指标a.提高电压调整率和负载调整率b.扩大输出电压调节范围和提高最大输出电流值(3)改善DC-DC变换器a.提高效率(在100V、100mA下)b.提高输出电压(4)用数字显示输出电压和输出电流三、评分意见B题简易数字频率计一、任务设计并制作一台数字显示的简易频率计。
二、要求1.基本要求(1)频率测量a.测量范围信号:方波、正弦波;幅度:0.5V~5V;频率:1Hz~1MHzb.测量误差≤0.1%(2)周期测量a.测量范围信号:方波、正弦波;幅度:0.5V~5V;频率:1Hz~1MHzb.测量误差≤0.1%(3)脉冲宽度测量a.测量范围信号:脉冲波;幅度:0.5V~5V;脉冲宽度≥100μsb.测量误差≤1%(4)显示器十进制数字显示,显示刷新时间1~10秒连续可调,对上述三种测量功能分别用不同颜色的发光二极管指示。
(5)具有自校功能,时标信号频率为1MHz。
(6)自行设计并制作满足本设计任务要求的稳压电源。
2.发挥部分(1)扩展频率测量范围为0.1Hz~10MHz(信号幅度0.5V~5V),测量误差降低为0.01%(最大闸门时间≤10s)。
(2)测量并显示周期脉冲信号(幅度0.5V~5V、频率1Hz~1kHz)的占空比,占空比变化范围为10%~90%,测量误差≤1% 。
(3)在1Hz~1MHz范围内及测量误差≤1%的条件下,进行小信号的频率测量,提出并实现抗干扰的措施。
三、评分意见C题水温控制系统一、任务设计并制作一个水温自动控制系统,控制对象为1升净水,容器为搪瓷器皿。
水温可以在一定范围内由人工设定,并能在环境温度降低时实现自动控制,以保持设定的温度基本不变。
二、要求1.基本要求(1)温度设定范围为40~90℃,最小区分度为1℃,标定温度≤1℃。
(2)环境温度降低时(例如用电风扇降温)温度控制的静态误差≤1℃。
(3)用十进制数码管显示水的实际温度。
2.发挥部分(1)采用适当的控制方法,当设定温度突变(由40℃提高到60℃)时,减小系统的调节时间和超调量。
(2)温度控制的静态误差≤0.2℃。
(3)在设定温度发生突变(由40℃提高到60℃)时,自动打印水温随时间变化的曲线。
三、评分意见D题调幅广播收音机*一、任务利用所提供的元器件(附有资料)制作一个中波广播收音机。
二、要求1.基本要求(1)接收频率范围:540kHz~1600kHz;(2)调谐方式:手动电调谐;(3)输出功率:≥100mW;(4)测量灵敏度、选择性、镜像抑制比和电调谐特性(测量时用信号发生器直接注入);写明测试方法,记录实测值,画出曲线。
2.发挥部分(1)自动和手动搜索电台并有存储功能(可利用所提供的锁相环器件,或其它方法实现);(2)可预置电台数目:预置电台数目≥10个;(3)显示预置电台序号;(4)特色与创新(例如:提高性能指标,全机用单一+3V电源供电,节电,显示电台频率等)。
三、评分意见四、说明1.电调谐特性是指输入信号与变容二极管控制电压之间的关系曲线。
2.所提供的元器件清单(其它元器件自备)(1)调幅收音机单片机集成电路(带有小功率放大器),型号:CX1600P/M;(2)调幅收音机输入回路线圈和磁性天线;(3)变容二极管,型号:SVC341;(4)本振线圈;(5)用于电调谐的锁相频率合成器集成电路,型号:LC7218(可选件);(6)7.2MHz晶体(可选件)。
3.在设计报告前附一篇400字以内的报告摘要。
*此题是全国专家组与SONY公司专家合作的命题, SONY公司提供了专用IC芯片和英文资料等。
第四届(1999年)全国大学生电子设计竞赛题目A题测量放大器一、题目:测量放大器二、任务设计并制作一个测量放大器及所用的直流稳压电源。