建设公司施工机械车辆安全检查表
- 格式:docx
- 大小:2.06 MB
- 文档页数:1
施工机械安全专项检查表一、前言在施工现场中,施工机械的使用是不可避免的。
然而,如果在使用中不注意安全问题,很容易引发严重的安全事故。
为了确保施工机械的安全使用,特制订本检查表,以供参考。
本表涵盖常见施工机械,具有一定的通用性,但也需要根据具体情况进行调整。
二、检查内容1.整机外观检查检查整机表面是否平整,各部位是否清洁、无损坏,车架是否有变形、裂缝等。
2.电路系统检查检查电线、插头、电器元件等是否完好,电气系统线路是否带保护装置。
3.动力和传动系统检查检查发动机、传动系统是否正常运行,各部位是否紧固、机油是否充足等。
4.液压系统检查检查液压油位、油质是否正常,液压管路是否泄漏。
5.工作部件检查针对不同的施工机械,需要着重检查相应的工作部件是否完好,如:挖掘机•结构件检查:斗杆、斗杆油缸、斗杆销、铲斗、铲斗油缸、铲斗销、仙齿、液压油路。
•传动系统:行走系统链轮、履带、行走马达、行走油路,主轴筒、行星齿轮、液压泵。
•操作系统及仪表:手柄、行走制动器、液压软管、压力表、荧光灯、气压系统、电气系统。
推土机•结构件检查:推土板、前铲板、后铲板、弯板、转向制动油缸、前轴、后桥、转向毂、栅条式半幅式驱动器、驱动链轮、制动皮带、制动器、变速箱、离合器、动力传动系统、悬挂系统、钢丝绳、制动手柄。
•液压系统:主泵、液控比例阀、主溢流阀、主油缸、转向控制阀、转向液压缸、作业控制阀、作业液压缸、切换阀、分配阀。
•传动系统:驱动连杆、立杆、变形齿轮、鼓轮。
起重机•结构件检查:吊臂、支腿、小车、铰接装置、司机室、起重机铭牌、数据卡、运输钩、保险绳。
•操作系统及电气设备:操纵杆、方向盘、旋转控制、油门、紧急制动器、显示、吊重计、防护线、接地线等。
•润滑系统检查:润滑点是否清洁,油面是否合适。
6.使用前准备工作检查检查操作员是否经过培训及特种作业人员上岗证书是否合法,是否配备必要的安全帽、耳塞、口罩、防护眼镜等个人防护装备。
三、检查方法针对以上检查内容,本人员可以采用如下检查方法:1.调查法:主要通过查阅资料、资格证书、台账等来检查施工机械是否合格。
工程施工机械安全检查表工程施工机械是指在施工过程中用于搬运、挖掘、破碎、压实、起重等作业的机械设备。
这些机械设备在施工中起着至关重要的作用,但同时也存在着一定的安全风险。
为了保障施工中的工人安全,必须对工程施工机械进行定期的安全检查。
以下是一份工程施工机械安全检查表,供施工单位参考。
一、起重机械安全检查:1. 起重机械的主要构件是否完好无损,是否有裂纹、变形等现象?2. 起重机械的各动作机构是否灵活可靠,是否有卡滞、漏油等现象?3. 起重机械的电气系统是否正常,电缆是否破损,控制按钮是否灵敏?4. 起重机械的限位、安全装置是否完好,是否能准确起到保护作用?5. 起重机械的支撑腿、支撑架是否牢固,是否符合使用规范?6. 起重机械的吊钩、吊具是否经过定期检查,是否有裂纹、变形等现象?7. 起重机械的起升速度、移动速度是否适中,是否存在过快、过慢等情况?二、挖掘机械安全检查:1. 挖掘机械的主要构件是否完好无损,是否存在开焊、断裂等问题?2. 挖掘机械的液压系统是否正常,油管是否老化,液压泄漏是否严重?3. 挖掘机械的操作杆、控制阀是否灵活可靠,是否有卡滞、漏油等现象?4. 挖掘机械的行走系统是否稳定,轮胎是否磨损,履带是否松动?5. 挖掘机械的铲斗、臂杆是否有裂纹、变形,是否能正常作业?6. 挖掘机械的安全带、护栏是否完好,是否符合安全要求?7. 挖掘机械的报警装置是否正常,是否能及时发出警报?三、压路机械安全检查:1. 压路机械的主要构件是否完好无损,是否存在开焊、断裂等问题?2. 压路机械的液压系统是否正常,油管是否老化,液压泄漏是否严重?3. 压路机械的行走系统是否稳定,轮胎是否磨损,履带是否松动?4. 压路机械的振动系统是否灵活可靠,是否有异常响声、震动?5. 压路机械的驾驶室是否安全,座椅是否调整到位,操纵杆是否正常?6. 压路机械的防护罩是否完好,是否能有效保护操作人员?7. 压路机械的灯光、喇叭是否正常,是否能有效提醒附近人员?四、混凝土搅拌机械安全检查:1. 混凝土搅拌机械的主要构件是否完好无损,是否存在疲劳断裂等问题?2. 混凝土搅拌机械的搅拌系统是否灵活可靠,是否有异响、卡滞现象?3. 混凝土搅拌机械的电气系统是否正常,电缆是否老化,按钮是否灵敏?4. 混凝土搅拌机械的传动系统是否平稳,皮带是否松动,齿轮是否磨损?5. 混凝土搅拌机械的混凝土斗、搅拌桶是否有裂纹、变形,是否能正常搅拌?6. 混凝土搅拌机械的联轴器、齿轮箱是否润滑,是否存在漏油、过热情况?7. 混凝土搅拌机械的防护罩是否完好,是否能保护操作人员不受伤害?五、塔吊安全检查:1. 塔吊的主要构件是否完好无损,是否有裂纹、腐蚀等问题?2. 塔吊的升降、回转机构是否灵活可靠,是否有卡滞、漏油、异响等情况?3. 塔吊的吊钩、吊具是否经过定期检查,是否有变形、磨损现象?4. 塔吊的电气系统是否正常,电缆是否老化,控制按钮是否灵敏?5. 塔吊的限位、安全装置是否完好,是否起到相应的保护作用?6. 塔吊的支撑腿、支撑架是否牢固,是否符合使用规范?7. 塔吊的整体结构是否稳固,是否存在倾斜、移位等危险情况?六、施工机械综合安全检查:1. 施工机械的使用环境是否符合安全要求,是否存在安全隐患?2. 施工机械的操作人员是否持证上岗,是否具备相关操作经验?3. 施工机械的维护保养是否及时到位,是否存在漏检、漏修情况?4. 施工机械的报警设备、应急处理措施是否得当,是否能及时处置突发事件?5. 施工机械的使用单位是否制定了相应的安全管理制度,是否进行了安全教育培训?6. 施工机械的临时用电是否符合规范,电线是否有遗漏、跨越现象?7. 施工机械的周边环境是否清晰,是否存在人员聚集、物体摆放等安全隐患?在施工现场,每一台工程施工机械的安全都是至关重要的。
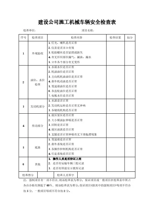
建设公司施工机械车辆安全检查表
检查单位:项目名称:
序号检查项目检查内容检查结果扣分
1外观验收1.灯光、喇叭是否正常
2.仪表是否齐全有效
3.轮胎螺丝是否紧固或缺失
4.有无任何部位漏气、漏油、漏水
5.全车各个部分有无变形
2油位、水位
检查
1.水箱水位是否正常
2.机油油位是否正常
3.方向机机油油位是否正常
4.刹车机动油是否正常
5.变速箱油位是否正常
6.各齿轮油位是否正常
7.电瓶水位是否正常
3发动机部分1.水温是否正常
2.发动机运转是否正常无异响
3.各辅助机构是否正常
4传动部分1.液压泵压是否正常
2.大小臂油缸伸缩是否正常
3.回转是否正常
4.液压油温是否正常
5.支腿是否正常伸缩有无下滑拖滞现象
5底盘1.变速箱是否正常
2.刹车系统是否正常
3.各操作控制机构是否正常
4.行走系统是否正常
6其他1.操作人员是否持证上岗
2.是否有运输车辆三检记录
3.是否有班前安全教育记录
检查得分检查人员签字
注:强制项目有一项不符合,则该检查表为零分;保证项目或一般项目在检查表中所占各自合格比例低于60℅,则该检查表为零分;保证项目(除其中的强制项目)每项不符合扣5分;一般项目每项不符合扣2分。
施工车辆安全检查验收表
施工车辆作为现代建筑工地中必不可少的工具,在提高建筑效率的同时,也出现了安全问题。
为了确保施工车辆的安全使用,必须对其进行定期的检查与维护。
下面为大家介绍一份施工车辆安全检查验收表。
一、车辆基本信息
•车辆名称:
•车辆型号:
•车牌号码:
•所属部门:
•使用场所:
•检查人员:
•检查日期:
二、机油/水液位
•机油液位:(查看机油刻度尺并标注正常/不正常)
•冷却水液位:(查看冷却水液面高度并标注正常/不正常)
三、轮胎检查
•轮胎胎面有无裂痕或者磨损
•轮胎气压是否符合标准
四、制动系统
•刹车油液位是否符合标准
•制动器是否能正常使用
五、车辆灯光
•头灯、尾灯、刹车灯、转向灯、倒车灯等灯光是否完好•车内指示仪表是否正常
六、车辆安全警示装置
•安全带是否完好
•灭火器是否有效
•安全三角牌是否在车上
•刹车减速带是否在车上
七、车辆外观
•车身有无损坏
•玻璃上是否有裂纹或者划痕
•车身彩绘标识是否完整
八、底盘检查
•底盘悬架系统是否正常
•燃油管道和制动管路是否漏油
九、检查结果
•检查记录:(将以上检查结果标注为正常/不正常)
•处理措施和时间计划:(对于不正常的结果进行说明,并提出处理建议以及预计的处理时间)
十、验收人员
•验收人员:
•验收日期:
•备注:
结束语
通过以上安全检查,可以确保施工车辆的安全使用。
同时,建议施
工单位对车辆进行日常保养和维护,定期对车辆进行全面检查和保养,有效地提高施工车辆的安全性和使用寿命。
建筑工地施工机械专项检查表
检查项目
1. 机械设备是否经过合理维护和保养?
2. 机械设备是否按照规定使用?
3. 机械设备是否具备必要的安全防护装置?
4. 机械设备是否定期检修和维修?
5. 机械设备的使用操作人员是否具备相关资质证书?
6. 机械设备的使用操作人员是否经过培训和考核?
7. 机械设备的周围环境是否满足安全要求?
8. 机械设备使用过程中是否存在操作不当或违规行为?
9. 机械设备的电气安全是否符合标准?
10. 机械设备的液压、气动和机械传动系统是否正常工作?
11. 机械设备的使用记录是否完整和准确?
12. 机械设备的存放和停放是否合理并符合要求?
检查方法
1. 查看机械设备的维护和保养记录;
2. 观察机械设备的使用是否符合技术规范;
3. 检查机械设备的安全防护装置是否完好;
4. 检查机械设备的检修和维修记录;
5. 验证机械设备使用操作人员的资质证书;
6. 检查机械设备使用操作人员的培训和考核记录;
7. 检查机械设备周围环境的安全状况;
8. 观察机械设备使用过程中是否存在操作不当或违规行为;
9. 检查机械设备的电气安全措施是否符合标准;
10. 检查机械设备的液压、气动和机械传动系统的工作情况;
11. 核实机械设备的使用记录的完整性和准确性;
12. 检查机械设备的存放和停放方式是否符合要求。
结论
根据以上检查项目和方法,对建筑工地施工机械进行专项检查,确保机械设备的安全、可靠运行,提高施工工地的安全管理水平和
效率。
注意:此检查表仅供参考,实际使用中应结合具体工地情况进
行必要的调整和完善。
建筑施工现场机械设备安全检查表
1. 项目信息
- 项目名称:
- 施工单位:
- 检查日期:
2. 检查人员
- 检查人员:
- 职务:
3. 检查内容
3.1 起重设备
- 起重机械是否符合规定安全要求?
- 是否定期维护保养起重设备?
- 起重设备是否有完善的安全防护装置?
3.2 运输设备
- 运输设备(叉车、卡车等)是否经过严格的维修和检查?- 运输设备操作人员是否持证上岗?
- 运输设备是否配备有效的制动系统、安全警示灯等安全装置?
3.3 破碎机械
- 破碎机械是否有完善的安全防护装置?
- 破碎机械是否定期进行维保?
- 操作人员是否熟悉破碎机械的操作规程?
3.4 搅拌设备
- 搅拌设备是否符合安全规范?
- 搅拌设备是否定期进行清洁和保养?
- 搅拌设备是否有有效的停机保护装置?
3.5 压力
- 压力是否具备合格证书?
- 压力是否定期进行安全评定和检测?
- 压力周围是否有清晰的安全警示标识?
4. 检查结果
- 机械设备安全合规情况:
- 发现的问题及整改要求:
5. 检查人员意见
- 检查人员意见:
6. 备注
- 备注:
以上为建筑施工现场机械设备安全检查表,包括了常见机械设备的安全问题和检查要点。
在进行施工现场的机械设备检查时,务必确保设备符合安全规范,并及时整改发现的问题,以保障施工人员的人身安全和工程质量的稳定性。
工程施工机械安全检查记录日期:2022年10月15日地点:XX工地检查人员:XXX检查对象:施工机械一、挖掘机1. 检查挖掘机的电气系统是否正常,电缆是否有断裂,有无裸露的电线;2. 检查液压系统是否漏油,液压油量是否足够;3. 检查机器的轮胎是否存在磨损或者裂纹;4. 检查铲斗的运转是否正常;5. 检查挖掘机的安全警示标志是否完整,清晰可见。
二、起重机1. 检查起重机的钢丝绳是否有损坏或者断裂;2. 检查起重机的制动系统是否灵敏可靠;3. 检查起重机的起重臂是否有变形;4. 检查起重机的安全限位开关是否正常;5. 检查起重机的重心是否平稳。
三、混凝土搅拌机1. 检查混凝土搅拌机的电机是否正常工作;2. 检查搅拌机的搅拌叶片是否有磨损;3. 检查混凝土搅拌机的安全防护罩是否完整;4. 检查混凝土搅拌机的紧固螺丝是否有松动;5. 检查混凝土搅拌机的漏电保护装置是否可靠。
四、压路机1. 检查压路机的发动机是否正常工作;2. 检查滚筒是否有裂纹或者变形;3. 检查压路机的制动是否灵敏可靠;4. 检查压路机的安全护栏是否完好;5. 检查压路机的灯光是否亮堂清晰。
五、塔吊1. 检查塔吊的基础是否稳固;2. 检查塔吊的制动系统是否可靠;3. 检查塔吊的起重钢丝绳是否有裂纹;4. 检查塔吊的安全保护装置是否完好;5. 检查塔吊的限位开关是否正常。
六、安装施工检查1. 检查安全帽、安全鞋、安全带等个人防护装备是否齐全;2. 检查工地的安全警示标志是否清晰可见;3. 检查施工现场的排水系统是否畅通;4. 检查施工机械的使用人员是否具备操作证书;5. 检查施工机械的作业范围是否封闭。
以上为本次施工机械安全检查记录,检查人员应当严格按照相关规定进行检查,并及时整改存在的安全隐患,保障施工现场的安全生产。
施工机械安全检查记录表工程施工机具安全要点检查表工程名称:施工单位:监理单位:检查项目:手持电动工具检查内容:1.开关箱内设漏电保护器。
2.在潮湿场所或在金属架上操作时,应慎重使用工具。
3.齿轮啮合和滑动部位润滑良好,运行无异响。
改写:检查手持电动工具时,要确保开关箱内设有漏电保护器。
在潮湿场所或金属架上操作时,要格外小心。
同时,要检查工具的齿轮和滑动部位是否润滑,是否有异响。
检查项目:钢筋机械检查内容:1.冷拉场地设置警戒区、设置防护栏杆及警告标志。
2.设备外壳有保护接零,开关箱内装设漏电保护器。
不使用倒顺开关或闸刀开关。
3.交流电焊机装配二次侧触电保护器。
改写:检查钢筋机械时,要确保冷拉场地设置了警戒区、防护栏杆和警告标志。
设备外壳要有保护接零,开关箱内要装设漏电保护器,并且不使用倒顺开关或闸刀开关。
交流电焊机要装配二次侧触电保护器。
检查项目:电焊机检查内容:1.交流弧焊机变压器一次侧电源线长度<5m;二次线选用防水橡皮护套铜芯软电缆,长度<30m。
改写:检查电焊机时,要确保交流弧焊机变压器一次侧电源线长度小于5米,二次线选用防水橡皮护套铜芯软电缆,长度小于30米。
检查项目:搅拌机检查内容:1.操作棚符合防雨、防坠物打击的要求。
2.料斗设有保险挂钩。
在料斗下检修或清理料坑时,将料斗提升后用挂钩锁住。
3.设备外壳应做保护接零,开关箱内应装设漏电保护器。
改写:检查搅拌机时,要确保操作棚符合防雨、防坠物打击的要求。
料斗要设有保险挂钩,在检修或清理料坑时,要将料斗提升后用挂钩锁住。
设备外壳要做好保护接零,开关箱内要装设漏电保护器。
检查项目:气瓶检查内容:1.乙炔气瓶使用和存放时不平放。
改写:检查气瓶时,要确保乙炔气瓶使用和存放时不平放。
检查项目:潜水泵检查内容:1.设备外壳有保护接零。
开关箱内装设漏电保护器。
2.水泵先装在篮筐内再放入水中,泵直立放置。
3.水泵工作时周围水面无人进入。
4.开关箱内设漏电保护器。