干盘管安装作业指导书
- 格式:pdf
- 大小:70.26 KB
- 文档页数:2
压力管道安装作业指导书(第一版)孙学海孙大为韩炳文2021年10月18日发布2021年10月20日实施吉林市吉热电力设备检修目录工业管道安装1城市供热管网安装14焊接工艺评定23焊接材料烘干36手工电弧焊接37手工钨极氩弧焊43阀门管件实验44手工电弧焊接37管道安装查验48清洗49冲洗吹扫49脱脂51阴极爱惜52涂料防腐53系统水压实验和泄漏性实验65工业管道安装编制依据:工业金属管道工程施工及验收标准[GB50235-97]现场设备工业管道焊接工程施工及验收标准[GB50236-98]工业金属管道工程质量验收评定标准[GB50184-93]1、碳素钢管道安装1.1、管件制做安装:1.1.1碳素钢管道安装的一样规定:1.1.1.1管子的检查和清洗:(1)各类管材和阀件应具有质量查验合格证;外观检查不得有砂眼、裂纹、重皮、夹层、严峻锈蚀等缺点。
(2)关于干净性要求较高的管道安装前应进行清洗;关于忌油管道安装前应进行脱脂处置。
1.1.1.2管材的下料切断:(1)管道下料尺寸应是现场测量的实际尺寸。
切断的方式有手工切割、氧-乙炔焰切割和机械切割。
公称直径小于或等于50mm的管子用手工或割刀切割,公称直径大于50mm的管子可用氧-乙炔焰切割或机械切割。
(2)管子切口表面应平整,不得有裂纹、重皮;毛刺、凸凹、缩口、熔渣、氧化铁、铁屑等应予以清除;切口表面倾斜误差为管子直径的1%,但不得超过3mm。
1.1.1.3管道的安装:(1)管道安装应横平竖直,符合质量查验评定标准要求。
管道的坐标、标高、坡度、坡向应符合设计要求。
(2)水平管道变径时宜采纳偏心异径管(大小头),输送蒸汽和气体介质的管道应采纳管底相平,输送液体介质的管道应采纳管顶相平,以利于泄水和排除空气。
立管变径宜采纳同心大小头。
(3)管道中的活接头或法兰,宜安装在阀门后面(对介质流向而言),如此便于检修时拆卸。
(4)水平管道上的阀门,手轮应向上安装,只有在特殊情形下,不能向上安装时,才许诺向侧面安装。
管道安装作业指导书1、管道安装流程前先组织施工交底,项目经理针对该项目组织项目组成员、施工队进行施工交底,重点是技术要求、技术难点、施工规范、安全文明施工、工期要求等,在此过程中项目部要与施工队进行充分沟通交流,问题要摊开,疑问点要谈透,目标要清晰、要求要明确。
进场施工前要先看现场,验收地面、墙面、楼层标高、预留基础、预埋管、地漏是否存在积水,与其它专业。
进场后,结合实际情况确定标高,空调水管标高原则走套图,尽量避免与其它专业“打架”最低。
材料进场时,产品的质量保证书,检验报告,合格证等齐全,外观检验合格、复试报告合格2、管道支架管道支架采用固定式支架,配合托马使用。
型钢进场后先安排除锈、刷防锈漆,防绣漆涂两道,除锈、刷漆时要求做好地面保护措施,不得污染地面。
支架落料焊接完成后,焊渣一定要处理干净,检测焊缝不得有气孔、夹渣、弧坑、裂纹、电弧擦伤等缺陷。
焊缝检验合格后,需补做防腐处理。
支架设置整齐,干、支管考虑向末端有3‰的坡度,以便检修放水。
在阀门、转弯及支管接入处要增设支架。
托马先用是一定要与管道外径相匹配,严禁小管用大马或大管用小马,托马合拢后不得有缺角或损坏,蒸汽管道必须使用滑动支架。
所有型钢支架及管道镀锌层破损处和外露丝扣要补刷防锈漆,管道支(吊、托)架及管座墩)的安装应构造正确,埋设平正牢固,排列整齐。
支架与管道接触紧密。
在选用管道支吊架时,应按照支承点所承受的荷载大小和方向、管道的位移情况、工作温度、是否保温或保冷、管道的材质等条件选用合适的支吊架。
设计管道支吊架时,应尽可能选用标准管卡、管托和管吊。
焊接型的管托、管吊比卡箍型的管托、管吊更节省钢材,且制作简单,施工方便。
因此,应尽量优先选择焊接型的管托和管吊:支架选用适用于管径DN15~DN150mm的水平管道水平管道支架:单根垂直管道支架适用于管径DN15~DN150mm的垂直管道角钢与连接板应垂直,根部周卷满焊,焊脚高度不小于角钢厚度。
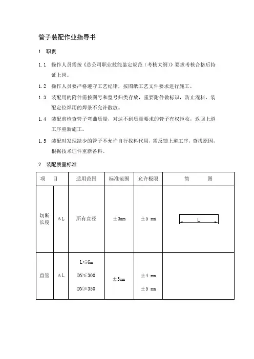
管子装配作业指导书
1 职责
1.1操作人员需按《总公司职业技能鉴定规范(考核大纲)》要求考核合格后持
证上岗。
1.2 操作人员要严格遵守工艺纪律,按图纸工艺文件要求进行施工。
1.3 装配用的附件需按图号和型号归类存放,重要附件做标识,防止混料,装
配定位焊用的焊条不允许散放。
1.4 装配前检查管子弯曲质量,对达不到质量要求的管子有权拒收,返回上道
工序重新施工。
1.5 装配时发现缺少的管子不允许自行找料代用,需反馈上道工序,查找原因,
根据技术证件重新备料。
2 装配质量标准
3 装配过程
管子装配工序流程如下
3.1 检查上道工序转来的产品质量
3.1.1 检查管子附件图号或型号的正确性。
3.1.2 检查管子下料规格、材质和长度的正确性。
3.1.3 检查管子曲角、转角、圆度率、身长和皱折度的正确性。
3.2 装配
3.2.1 根据图纸给定的坐标尺寸,经复尺检查,切割支管口,并打磨光顺。
3.2.2 根据图纸选择正确附件,进行支管和附件的装配。
3.3 检查
3.3.1 自检。
根据装配质量标准对封闭尺寸、法兰垂直度、螺栓孔偏差、装配
间隙、支管角度、支管同心度等进行检查,对Ⅰ、Ⅱ级管需质量确认。
3.3.2 互检。
由装配班长对本工序的装配质量进行确认。
3.3.3 专检。
检验员负责对装配质量进行抽查。
3.4装筐转入下道工序
将确认合格后的产品按流程卡要求装入托盘,标识清楚后转入下道工序。
一、工程概述云南滇东电厂新建4×600MW发电机组由西南电力设计院负责设计。
电子间、控制室及就地共设计大小热控盘、柜共240余面。
二、编制依据1、设计院提供的热控设备安装图以及技术说明。
2、制造厂家的资料。
3、《电力建设施工及验收技术规范》(热工仪表及控制装置篇)(SDJ279-90)。
4、《火电施工质量验收及评定标准》(热工仪表及控制装置篇)(1998版)。
5、《电力建设安全工作规程》火力发电厂部分。
三、主要量具、工机具工机具:无齿锯、手锤、手锯、锉刀、电焊、气割、平板车、叉车、吊车量具:线坠、尺子、基准仪安全用具:安全帽、防护眼镜、手套、电焊防护罩、焊工手套四、劳动力组织1.工程负责人:刘洪胤施工责任人:薛建新安全责任人:何述胜技术责任人:唐守昱2.安装工6人、起重工2人、焊工1人。
五、施工条件建筑、锅炉、汽机等专业满足安装要求,盘柜基础验收完毕,盘柜开箱验收完毕,工器具材料准备就绪施工人员已到位。
六、施工工期#1机组:2005年5月1日至2005年11月20日;#2机组2005年9月20日至2006年5月1日。
七、主要施工方案根据图纸设计情况和厂家盘柜尺寸,以及现场施工的实际情况,进行盘柜的安装,安装过程中注意盘柜和人员的安全防护。
八、施工工艺流程、技术要求与质量标准九、施工注意事项1、盘柜运输中应当注意对盘柜的防护,防止划伤盘柜,有玻璃门的盘柜要注意对其门面的防护。
2、每排盘柜要以每排第一列盘柜为基准对齐,第一列盘柜侧面要在一条直线上。
3、盘柜安装完毕以后要做好盘柜的防护工作,套上塑料布防止尘土污染。
十、安全注意事项1、进入施工现场必须正确佩戴安全帽。
2、使用电动工具前,先检查其绝缘性能,电源必须装有漏电保护器,使用时穿绝缘鞋。
3、严禁戴手套使用电锤或电钻,使用时不要用力过猛,防止钻头卡住伤人。
4、使用磨光机时用力要适当,并戴好防护眼镜,火花方向不许对人,防止磨光机片碎裂飞出伤人。
ffu和干盘管施工方案一、资源准备与现场条件在进行FFU(风扇过滤单元)和干盘管安装之前,应确保以下资源准备就绪:FFU和干盘管及其配件;安装所需的工具和设备,如电钻、螺丝刀、扳手、测量工具等;合格的施工队伍,成员应具备相关安装经验;现场应具备安全的施工环境,如合适的照明、通风和消防设施。
二、FFU选购与安装位置根据工程需求和现场环境,选择合适的FFU型号和规格;安装位置应考虑到通风效果、噪音控制以及维护的便利性;确保安装位置的结构强度足够,能够支撑FFU的重量。
三、清理安装区域在安装前,必须清理安装区域内的灰尘、杂物和积水,确保安装环境干燥、清洁。
四、安装支架与FFU根据FFU的尺寸和重量,选择适当的支架类型和尺寸;安装支架时,应确保支架水平、稳固,与墙面或吊顶的连接牢固;将FFU安装在支架上,确保安装牢固,不晃动。
五、连接电源与管道按照FFU的电气要求,连接合适的电源线和电缆;确保电源线连接牢固,无裸露部分,符合电气安全要求;连接FFU的送风和回风管道,确保连接紧密、无泄漏。
六、调试与维护安装完成后,进行FFU的调试,检查其运行是否平稳、噪音是否在规定范围内;定期对FFU进行清洁和维护,保证其正常运行和延长使用寿命;建立维护档案,记录维护时间和内容,以便及时发现问题并处理。
七、干盘管安装原则干盘管的安装应遵循制造商的推荐和工程要求;安装位置应考虑到空气流通、热交换效果和维修便利性;安装过程中应防止干盘管受损或变形。
八、支吊架设置方案根据干盘管的尺寸和重量,选择适当的支吊架类型和尺寸;支吊架的安装应确保其水平、稳固,能够承受干盘管的重量和运行时产生的振动;支吊架与干盘管的连接应牢固、可靠,防止干盘管在运行时产生晃动或脱落。
以上是FFU与干盘管施工方案的主要内容,施工过程中应严格遵守安全操作规程,确保施工质量和安全。
洁净室干盘管技术方案(一)干盘管布局1、干盘管本体的安装布置与调整方法在干盘管选型阶段就需核实安装空间及确认本体的有效尺寸与安装尺寸,并深化图纸,合理规划布局。
建筑可用安装空间(长度及高度)、干盘管选型确认的单体安装尺寸(长度及高度)及各组干盘管总体安装尺寸、检修空间(特别是相邻两干盘管间的铜管焊缝检修),相互之间要匹配吻合,否则需要对干盘管调整有效尺寸后重新选型。
(1)本项目干盘管设计主要有如下几种安装形式:夹层回风道干盘管采用钢构支撑,干盘管对拼斜45°放置,支持区回风夹道干盘管采用垂直立式放置。
回风夹道DCC安装示意图吊顶上DCC安装示意图阻力回路平面图(2)各干盘管设计的最大安装长度调整设计最大安装长度=设计有效长度(选型后略有偏差)+两侧边框 100mm(一般单侧 50mm,也可定制调整)+外边框至集水管外侧长度 54mm。
但各厂家生产时外边框至集水管外侧长度尺寸较本设计的54mm 大很多,至少120mm,如下图所示:因此,原设计图中该尺寸需调整,相应干盘管外形尺寸及布置都需调整,详见后面。
按图核实大部分位置设计现在布置的相邻干盘管净距(仅 54mm)即检修空间偏小,需要调整增加。
保证相邻两干盘管间的净距(检修空间,集管与另一干盘管边框的间距)≥100mm,相邻两干盘管边框内边间的距离(包含边框厚度)≥320mm(可取 350mm),如果空间允许或者两干盘管接管紧邻,则至少调整到≥400mm。
DCC 盘管与框架的间距示意图(3)局部干盘管位置调整如果局部区域干盘管安装部位与大量或大口径的机电管线冲突,也需要取消、调整参数或重新规划布置。
如果干盘管组的一侧或两侧间有富裕空间,就按此最小间距标准向一侧或两侧平移;如果干盘管组已经排满,就考虑保持总的有效面积不变前提下,减小干盘管的有效长度,增加有效高度,然后再核实高度方向的空间是否满足;如果高度空间也已经没有余量供调整增加干盘管高度,就只能减少该处干盘管的有效长度或有效高度,相应减少有效面积,因此需适当增加翅片密度,改变盘管接管形式进而适当增加水阻及换热量,同时适当提高面风速及风阻(在设计允许或规范的最大范围内);如果还不能满足,就只能在别的空间设法额外增加一部分干盘管。
目录一、作业条件 1二、机械及材料要求 1三、工艺要求 1四、质量要求 5给排水分项工程作业指导书(排水立干管安装)本作业指导书适用于XX工程-给水排水工程排水立干管安装。
一. 作业条件1、土建主体工程基本完成。
2、穿管孔洞已按图纸要求及适用位置和尺寸预留好。
3、地下管道已铺设完,各立管甩头已按图纸和有关规定正确就位。
二. 材料及机具要求1、管材材质、规格符合设计要求,并有出厂合格证。
2、按设计要求的接口方式选用接口材料,并有出厂合格证。
3、施工机具齐全。
三. 安装工艺1、排水系统采用柔性接口机制排水铸铁管及管件,除埋地排水采用RC型法兰承插式柔性接口,其余采用W型不锈钢卡箍式柔性接口。
出站层潜污泵排水管采用建筑给水钢塑复合管,卡箍式连接。
2、清除铸铁管道管件内外的铁砂和铁锈,然后对管件进行刷漆,管道、管件插口留10cm不刷漆。
3、排水横管与立管连接采用三通或四通,立管与排出管端部连接采用两个45°弯头或弯曲半径不小于4倍管径的90°弯头。
4、铸铁管与UPVC管连接时,塑料管插入承口部分的外侧应先用砂纸打毛,插入后用麻丝填均匀,用水泥捻口,操作时要防止UPVC塑料管变形。
5、铸铁排水管吊杆间距不大于2米,UPVC塑料管吊杆间距及污水管坡度如下表:管径DN50 DN75 DN100 DN150 DN200 吊杆间距(mm)500 750 1000 1500 2000 坡度0.035 0.025 0.02 0.01 0.016、污水管采用机制柔性铸铁管W型柔性接口,安装效果图如下:W型卡箍根据设计图纸及技术交底,检查,核对现场预留洞大小尺寸是否正确,将管道坐标、标高位置画线定位。
按施工图纸的坐标、标高找好位置和坡度,以及各预留管口的方向和中心线,将管段相连。
(1)安装准备认真熟悉图纸,参看给排水专业、通风空调专业、电气专业及建筑装修图纸及现场实际情况核对各管道坐标、标高、走向是否合理可行,管道排列空间是否合理,是否有交叉或排列位置不当,必要时与各专业及设计、业主、监理协商设计变更,办理变更洽商记录。
聚乙烯(PE)管的安装作业指导书1热熔焊接施工1.1 热熔焊接准备1)热熔焊机应置于平整、干燥,并有足够操作空间的场地,2)检查整个机具各个部位的紧固件有无脱落或松动,并予以必要处理。
3)检查整机电器线路有无损坏,并予以必要处理。
4)检查液压箱内液压油是否充足。
5)确认电源与机具输入是否相匹配。
6)将与管材规格一致的卡瓦装入机架。
7)准备足够的支撑物,以保证待焊接管材可与机架中心线处于同一高度,并能方便移动。
8)将焊机各部件按照要求插装连接并检查无误。
9)设定加热板温度:半自动焊机为210~220℃,全自动焊机为233℃。
10)接通焊机电源,打开加热板、铣刀和油泵开关并试运行,检查各自工作是否正常。
1.2热熔焊接1)在焊接过程中,操作人员应严格按照焊接工艺卡要求设定技术参数和操作,保证焊接质量。
全自动焊机为自动设定。
2)核对欲焊接的管材规格、压力等级和出厂时间是否正确,检查其表面是否有磕、碰、划伤,如伤痕深度超过管材壁厚的10%,应予以局部切除后方可使用。
3)焊接前必须用干净的布清除两管端的油污或异物,确保两端清洁,以利焊接质量。
4)将欲焊接的管材置于机架卡瓦内,使两端伸出的长度相当(在不影响铣削和加热的情况下应尽可能短),管材机架以外的部分用支撑物托起,使管材轴线与机架中心线处于同一高度,然后用卡瓦紧固好。
5)置入铣刀,先打开铣刀电源开关,然后合拢管材两端,并加以适当的压力,直到两端均有连续的切屑出现后,撤掉压力,略等片刻,再退开活动架,关掉铣刀电源,切屑厚度应为0.5mm左右,通过调节铣刀片的高度可调节切屑厚度。
全自动焊接压力自动控制。
6)取出铣刀,合拢两管端,检查两端对齐情况,管材两端的错位量不应超过壁厚的10%,通过调整管材直线度和松紧卡瓦可予以改善,管材两端面间的间隙也不应超过壁厚的10%,否则应再次铣削,直到满足上述要求。
7)将加热板表面的灰尘和残留物清除干净(应特别注意不能划伤加热板表面的不粘层),检查加热板是否达到设定值的压力,直到两边最小卷边达到规定值(0.1×管材壁厚+0.5)mm。
管道安装作业指导书1. 引言本指导书旨在为管道安装作业提供详细的指导和操作流程。
管道安装过程中存在安全风险和技术要求,因此需按照相关规范和操作流程进行操作,以确保安全和质量。
2. 准备工作在进行管道安装作业之前,需要进行以下准备工作:2.1 确定设计图纸在开始安装之前,要仔细阅读设计图纸,确保了解安装的整体布局和细节。
设计图纸中应包含管道尺寸、材料规格、连接方式等关键信息。
2.2 准备所需材料和工具根据设计图纸和安装要求,准备好所需的管道材料和相关工具。
确保材料质量符合要求,并检查工具的完好性。
2.3 进行现场勘察和安全评估在开始实际安装作业之前,进行现场勘察并进行安全评估。
确保施工区域没有障碍物,检查安全设备是否满足要求,以及确认施工环境是否安全。
3. 管道安装步骤3.1 安装前准备3.1.1 将管道材料清点并进行检验,确保无损坏或缺陷。
3.1.2 根据设计要求,切割管道材料,并进行必要的加工和准备工作。
3.1.3 进行管道连接部件的清点和检查,确保完整性和质量。
3.2 安装起点确定3.2.1 根据设计图纸确定管道安装的起点位置,并在现场进行标记。
3.2.2 清理起点位置,确保无杂物和污物。
3.2.3 安装起点定位器,确保管道安装的正确起点。
3.3 管道安装3.3.1 按照设计图纸和安装要求,将管道材料依次安装到预定位置。
3.3.2 使用合适的连接方式(如焊接、螺纹连接等)进行管道连接,注意连接的严密性和稳固性。
3.3.3 在安装过程中,合理调整管道的位置和角度,确保安装的准确性和流通的顺畅性。
3.3.4 定期检查管道的安装质量,包括连接部位的泄漏情况和管道的整体稳定性。
3.4 管道支承与固定3.4.1 根据设计图纸和安装要求,选择合适的管道支承和固定方式。
3.4.2 安装管道支架和支承,确保支撑稳固且与管道连接紧密。
3.4.3 对于较长的管道段,应根据要求增加支承点,以减小管道挠曲和变形。
3.5 管道防腐及保温处理3.5.1 根据设计要求,进行管道的防腐和保温处理。
船舶管系安装作业指导书11范围本指导书规定了船舶管系的安装前准备、人员、工艺要求、工艺过程和检验。
本规范适用于大中型船舶管系的安装。
对于特种船舶或有特殊要求的管系,应按设计要求,编制相应的工艺文件。
2 安装前准备2.1 熟悉和掌握管系设计图纸与技术文件,按要求进行安装准备。
2.2 安装的管子应有合格标记。
管端严密封口,对封口损坏的管子,安装前需用压缩空气吹净管内壁。
2.3 安装的阀门及管件等应有产品检验合格证书。
并具有良好的清洁封口。
法兰密封面和螺纹接头的螺纹不能碰伤或其它损坏,如有损坏应予修正。
2.4 安装的管子、阀门及管件等应对照相应图样和技术文件核查其正确性和配套完整性。
2.5 管子和管件安装前应堆放在环境清洁的场所。
2.6 镀锌管或镀锌零件的镀层表面应光滑,如在装焊时局部受到损伤应及时用富锌底漆补涂。
2.7 管子连接机械设备时,应仔细检查管子与设备的对应接口是否一致,并检查设备接口内的清洁状况,如有污物或其它不清洁的情况,应视实际情况,进行局部清洁或拆卸清洗,在达到要求后,方可与管子连接。
2.8 管子连接阀门和其他管件时,应仔细检查管子与阀门和其他管件的对应接口是否一致,并检查阀门和其它管件接口内的清洁状况,如有污物或锈蚀,必须进行局部或全部清洁,在达到要求后,才能提交安装。
3 人员3.1 安装人员和检验人员应具备专业知识,并经过相关专业培训、考试或考核取得合格证书,方可上岗操作。
3.2 安装人员和检验人员应熟悉本规范要求,并严格遵守工艺纪律和现场安全操作规程.4 工艺要求4.1 管系安装必须按图纸进行,管子的排列应尽可能平直、成组成束并列、整齐和美观,避免不必要的迂回和斜交。
4.2 管系的安装间距4.2.1 并行管或交叉管,邻近两根管子(包括管子附件)间距一般应在20㎜以上,允许极限大于10㎜,如图1所示:图1 管子间距4.2.2 对于需要包扎绝缘的管子,包扎好绝缘后,其外缘与相邻管子、管系附件或船体结构件的间距在20㎜以上。
首钢京唐钢铁联合有限公司2×300MW电站工程作业指导书文件编码:SGJT2HDQ011-2008项目名称:干式变压器安装作业指导书施工单位:天津电力建设公司河北首钢京唐项目部日期:2008.08.21版次:A目录1. 工程概况及工程量 (1)1.1工程概况 (1)1.2工程量 (1)2. 编制依据 (1)3. 作业前的条件和准备 (1)3.1技术准备 (1)3.2作业人员 (2)3.3作业工机具 (3)3.4安全器具 (4)3.5工序交接 (4)3.6其它 (4)4. 作业程序、方法 (5)4.1施工方案 (5)4.2施工工艺流程 (5)4.3施工方法及要求 (6)5. 质量控制点的设置和质量通病预防 (9)5.1质量目标 (9)5.2质量通病预防 (9)5.3质量标准及要求 (10)5.4作业过程中对控制点的设置及要求 (10)6. 作业的安全要求和环境条件 (10)6.1作业的安全危害因素辨识和控制表 (10)6.2作业的环境条件 (10)6.3作业的安全要求及措施 (10)6.4消防管理 (11)6.5应急处置预案 (11)6.6应急逃生预案 (12)7.附录 (12)1.工程概况及工程量1.1工程概况首钢京唐自备电厂是两台300MW燃煤供热机,本工程施工范围为集控楼5米层工作动力中心2台干式变、照明变1台、检修变1台及公用动力中心2台干式变,除灰空综合楼除灰动力中心2台干式变。
设计院有特殊施工要求时按设计院图纸施工,无要求时按作业指导书施工。
1.2主要工程量1.2.1安装工程量1.2.2工期干式变压器安装计划从2008年8月30日到2008年10月20日全部安装完。
(土建交安和设备到齐)2.编制依据2.1《电气专业施工组织设计》2.2《电力建设安全工作规程(火力发电厂部分)》DL 5009.1-20022.3《电气装置安装工程质量检验及评定规程》 DL/T 5161.3-20022.4《电气装置安装工程电力变压器、油浸电抗器、互感器施工及验收规范》GBJ148-1990 2.5设计院安装图,厂家资料2.6《电力建设安全健康与环境管理工作规定》3.作业前的条件和准备3.1技术准备3.1.1需要的图纸会审完毕,会审提出问题已解决。
管道安装作业指导书
1. 引言
本文档旨在为管道安装作业提供指导,确保安全和高效地完成
工作。
在进行管道安装作业之前,请确保已经获得相关许可和批准。
遵循以下步骤以确保正确进行管道安装。
2. 准备工作
在开始管道安装之前,需要进行以下准备工作:
- 确定管道的设计,包括材料、尺寸和布局。
- 确保所有所需材料和工具齐全,并检查其质量和完整性。
- 准备作业区域,确保其干净、整洁以及安全。
3. 安装步骤
按照以下步骤进行管道安装:
1. 确定管道的起点和终点,并标记出相关位置。
2. 检查管道材料以确保其没有损坏或缺陷。
3. 使用适当的工具和技术,将管道连接在一起。
确保连接口牢固可靠,不漏水。
4. 为管道提供合适的支撑和固定,以确保其在使用过程中不会移动或下垂。
5. 进行必要的测试和检查,以确保管道安装正确且符合相关标准和规定。
6. 清理作业现场,将废弃物和杂物妥善处理。
4. 安全措施
在进行管道安装作业时,务必遵守以下安全措施:
- 戴上适当的个人防护装备,如安全帽、护目镜和手套。
- 确保所有的工具和设备都是安全可靠的,遵循操作规程。
- 在操作过程中注意周围环境,确保没有障碍物或危险物品。
- 与团队成员进行有效的沟通,确保良好的协作和安全性。
5. 总结
本文档简要介绍了管道安装作业的指导步骤和安全措施。
在进行管道安装作业之前,请确保已了解并遵循相关标准和规定。
通过
正确的操作和谨慎的态度,我们可以安全、高效地完成管道安装作业。
干盘管安装作业指导书1、目的正确操作施工,保证干盘管安装施工作业质量符合规范要求。
2、适用范围本作业指导书适用于工业洁净厂房。
3、引用的标准及编制依据GB50243-2002《通风与空调工程施工质量验收规范》GB50591-2010《洁净室施工及验收规范》4、施工准备4.1 材料要求及主要机具:4.1.1 安装过程中所使用的各类型材、垫料、五金用品应有出厂合格证或有关证明文件。
4.1.2 除上述证明文件还应进行外观检查、无严重损伤及锈蚀等缺陷。
4.1.3 其它安装所使用的材料不能因具有质量问题影响安装质量及使用效果。
4.2 作业条件:4.2.2 安装前应清理干净安装地点,并无其它管道或设备妨碍。
4.2.3 设备型号、设备出风方向、设备进出水位置应符合设计要求。
4.2.4 与业主(或管理公司)以及监理共同进行设备的开箱检验、设备所带备、配件应齐备有效。
随设备所带资料和产品合格证应完备。
进口设备必须具有商检部门的检验合格文件。
4.2.5 做好开箱检查记录。
5、工艺流程设备到场-设备安装(角钢支架或吊装)-配管连接-整体调试-竣工验收6、操作程序以及技术要求6.1 设备开箱检查:6.1.1 会同建设单位、监理单位和设备供应商共同进行开箱检查。
6.1.2 开箱前先核对箱号、数量是否与单据提供的相符。
然后对包装情况进行检查,有无损坏与受潮等。
6.1.3 开箱后认真检查设备名称、规格、型号是否符合设计图纸要求。
产品说明书、合格证是否齐全。
6.1.4 按照装箱清单和设备技术文件,检查主机附件、专用工具等是否齐全,设备表面有无缺陷、损坏、锈蚀、受潮等现象。
6.1.5 将检验结果做好记录,参与开箱检查责任人员签字盖章,作为交接资料和设备技术档案依据。
6.2 设备现场运输:6.2.1 设备水平搬运时应尽量采用小拖车运输。
6.2.2 设备搬运时,请拿轻放。
6.2.3 准备好安装所用的螺栓、衬垫等材料和必需的工具。
6.2.4 安装完的干盘管,其各设备之间的连接不漏水、水路畅通。
本项目为某办公楼干盘管安装工程,位于市区,总建筑面积约为20000平方米。
本次安装工程包括风机盘管、管道、阀门、附件等设备,主要用于办公楼冬季采暖和夏季制冷。
二、施工准备1. 技术准备(1)组织施工技术人员认真学习施工图纸,熟悉设计要求和施工规范;(2)制定详细的施工方案,明确施工步骤、质量要求和安全措施;(3)对施工人员进行技术交底,确保施工人员掌握施工工艺和操作要领。
2. 材料准备(1)风机盘管:按照设计要求,选择符合国家标准和性能要求的干盘管;(2)管道:选用优质无缝钢管,满足设计要求;(3)阀门、附件:选用合格的品牌,确保质量。
3. 人员准备(1)配备具备相应资质的施工人员,如焊工、钳工、起重工等;(2)组织施工人员参加培训,提高施工技能和安全意识。
4. 施工机具准备(1)焊接设备:电弧焊机、氩弧焊机等;(2)切割设备:等离子切割机、气割机等;(3)起重设备:汽车吊、卷扬机等;(4)测量设备:水准仪、经纬仪等。
三、施工步骤1. 施工现场布置(1)确定施工区域,设置安全警示标志;(2)清理施工现场,确保施工环境整洁;(3)布置施工材料、设备存放区域。
2. 管道安装(1)根据设计图纸,确定管道走向和支吊架位置;(2)对管道进行清洗、防腐处理;(3)安装管道,确保管道水平、垂直度符合要求;(4)安装阀门、附件,进行水压试验。
3. 风机盘管安装(1)检查风机盘管质量,确保无损坏;(2)根据设计要求,确定风机盘管位置;(3)安装风机盘管,确保水平、垂直度符合要求;(4)连接风机盘管与管道,进行系统调试。
4. 系统调试(1)检查系统运行情况,确保无泄漏、异常;(2)调整系统参数,确保系统稳定运行;(3)进行试运行,验证系统性能。
四、质量要求1. 管道安装:管道水平、垂直度符合要求,无泄漏、变形;2. 风机盘管安装:水平、垂直度符合要求,连接牢固;3. 系统调试:系统运行稳定,无异常。
五、安全措施1. 施工现场设置安全警示标志,确保施工人员安全;2. 施工人员佩戴安全帽、手套等防护用品;3. 严格遵守操作规程,确保施工安全;4. 施工过程中,做好防火、防爆、防中毒等措施。
干盘管安装作业指导书
1、目的
正确操作施工,保证干盘管安装施工作业质量符合规范要求。
2、适用范围
本作业指导书适用于工业洁净厂房。
3、引用的标准及编制依据
GB50243-2002《通风与空调工程施工质量验收规范》
GB50591-2010《洁净室施工及验收规范》
4、施工准备
4.1 材料要求及主要机具:
4.1.1 安装过程中所使用的各类型材、垫料、五金用品应有出厂合格证或有关证明
文件。
4.1.2 除上述证明文件还应进行外观检查、无严重损伤及锈蚀等缺陷。
4.1.3 其它安装所使用的材料不能因具有质量问题影响安装质量及使用效果。
4.2 作业条件:
4.2.2 安装前应清理干净安装地点,并无其它管道或设备妨碍。
4.2.3 设备型号、设备出风方向、设备进出水位置应符合设计要求。
4.2.4 与业主(或管理公司)以及监理共同进行设备的开箱检验、设备所带备、配
件应齐备有效。
随设备所带资料和产品合格证应完备。
进口设备必须具有商检部门的检验合格文件。
4.2.5 做好开箱检查记录。
5、工艺流程
设备到场-设备安装(角钢支架或吊装)-配管连接-整体调试-竣工验收
6、操作程序以及技术要求
6.1 设备开箱检查:
6.1.1 会同建设单位、监理单位和设备供应商共同进行开箱检查。
6.1.2 开箱前先核对箱号、数量是否与单据提供的相符。
然后对包装情况进行检查,
有无损坏与受潮等。
6.1.3 开箱后认真检查设备名称、规格、型号是否符合设计图纸要求。
产品说明书、
合格证是否齐全。
6.1.4 按照装箱清单和设备技术文件,检查主机附件、专用工具等是否齐全,设备
表面有无缺陷、损坏、锈蚀、受潮等现象。
6.1.5 将检验结果做好记录,参与开箱检查责任人员签字盖章,作为交接资料和设
备技术档案依据。
6.2 设备现场运输:
6.2.1 设备水平搬运时应尽量采用小拖车运输。
6.2.2 设备搬运时,请拿轻放。
6.2.3 准备好安装所用的螺栓、衬垫等材料和必需的工具。
6.2.4 安装完的干盘管,其各设备之间的连接不漏水、水路畅通。
7、注意事项
7.1 干盘管安装就位后,应在系统联通前做好外部防护措施,应不受损坏。
质量通病
空调设备安装时应注意的质量问题
序号常产生的质量问题防治措施
1 坐标、标高不准、不平不正加强责任心,严格按设计和操作工艺要求进行
2 管路连接处,有漏水现象加强培训和责任心,严格按照操作工艺要求进行
3 干盘管的盘管易堵塞加强培训和责任心,严格按照操作工艺要求进行。