带式运输机的一级直齿圆柱齿轮减速器
- 格式:doc
- 大小:969.00 KB
- 文档页数:36
目录一设计题目 (2)二应完成的工作 (2)三传动装置总体设计方案 (2)1. ............................................................................................... 电动机的选择 . (2)2. ............................................................................................... 确定传动装置的总传动比和分配传动比 (3)3. ............................................................................................... 计算传动装置的运动和动力参数 (3)4.V 带的设计和带轮设计 (4)5.齿轮的设计 (5)6........................................................................................ 传动轴承和传动轴的设计 (6)7.使用寿命计算 (10)8.箱体结构的设计 (10)9. 润滑密封设计 (12)四. 设计小结 (13)、设计题目带式运输机上的单级圆柱齿轮减速器(直齿)给定数据及要求:已知条件:运输带拉力F(N)=1250 N.m;运输带工作速度v=1.3m/s;滚筒直径D=240mm ;二、应完成的工作1. 减速器装配图1 张;2. 零件工作图3 张(轴、齿轮)3. 设计说明书1 份。
三、传动装置总体设计方案:1.组成:传动装置由电机、减速器、工作机组成。
2.特点:齿轮相对于轴承不对称分布,故沿轴向载荷分布不均匀,要求轴有较大的刚度。
3. 确定传动方案:考虑到电机转速高,传动功率大,将V 带设置在高速级其传动方案如下:初步确定传动系统总体方案如: 传动装置总体设计图所示。
设计一用于带式运输机上的单级圆柱直齿轮减速器.单级圆柱直齿轮减速器是一种广泛应用于工业领域中的减速器。
减速器是将电机或其他发动机的转速降低并提高扭矩的重要设备。
常见于带式运输机等机械装置上,它能够满足对速度和扭矩的要求,实现机械装置的稳定性,并确保生产流程的正常进行。
在设计单级圆柱直齿轮减速器时,需要考虑到以下因素:传动比、功率、输出扭矩、周期性输出功率以及整体结构的稳定性等。
随着现代机械工业的不断发展,减速器的应用也愈发广泛。
本文将详细解析带式运输机上的单级圆柱直齿轮减速器的设计原理及组成部分。
一、设计原则1. 减速器传动比应符合机械装置的需求,主要分为慢速和快速两种传动比。
2. 减速器的工作稳定性较高,齿轮的质量、硬度和材质应符合使用要求。
3. 最大输出扭矩和持续周期性输出功率应符合机械装置的要求。
4. 组件易于制造和维修,便于检查,避免频繁更换。
5. 部件配合良好,不影响减速器的运行效率。
二、组成部分1. 齿轮总成齿轮总成包括齿轮轴、圆柱齿轮、支撑轴承和保护外壳。
圆柱齿轮是减速器的核心组件,它能够将机械运动输出到后续的机械装置中。
其齿轮的减速比和齿轮数是根据机械要求而定的,齿轮材料的硬度和强度通常与使用环境息息相关。
减速器轴承的类型和数量取决于齿轮的直径和负荷,它们必须满足操作规程。
减速器外壳的目的是为了保护齿轮完好无损,减少灰尘和水的侵入,同时还允许增加冷却系统。
2. 输入轴和输出轴输入轴将动力输出到圆柱齿轮上,输出轴将输出的动力返还给下一级机械装置。
它们分别由输入轴和输出轴、轴承、外围支持和传递部件组成。
每一个轴必须要受到足够的支撑,其加工精度和硬度对减速器的稳定性具有至关重要的影响。
3. 油路系统油路系统包括油泵、滤清器、油箱和冷却系统。
它们的主要作用是为减速器提供润滑油,降低机械运转时的摩擦损失,减少磨损和损坏。
4. 防护装置防护装置包括警示器、压力表、温度指示器和断路器。
它们的作用是监视减速器的状态,发现故障和异常情况及时处理。
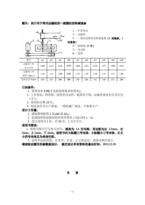
题目:设计用于带式运输机的一级圆柱齿轮减速器1— V 带传动 2— 运输带3— 一级直齿圆柱齿轮减速器(2对轴承,1对直齿)4— 联轴器(1个) 5— 电动机 6— 卷筒已知条件:1. 卷筒效率0.96(不包括卷筒轴承的效率);2. 工作情况:两班制,连续单向运转,载荷较平稳,运输带速度允许误差为±5%;3. 使用折旧期10年;4. 制造条件及生产批量:一般机械厂制造,小批量生产。
设计工作量:1. 减速器装配图1张(A0或A1);2. 低速轴和低速轴齿轮的零件图各1张(比例1:1);3. 设计说明书1份,约30页,1万字左右。
说明书要求:1. 说明书既可手写也可打印,纸张为A4打印纸,页边距为左2.5mm 、右2mm 、上2mm 、下2mm ;说明书内大标题三号宋体,小标题小三号宋体,正文小四号宋体且为单倍行距。
2. 说明书包括封面、任务书、目录、正文和总结,请按该顺序装订。
请按给定题号的参数做设计, 提交设计所有资料的最后时间:2012.12.30目 录题号 A1 A2 A3 A4 A5 A6 A7 A8 A9 A10 运输带工作 拉力F /N 1100 1125 1150 1175 1200 1225 1250 1275 1300 1325 运输带工作 速度v /(m.s -1) 1.50 1.55 1.60 1.65 1.70 1.50 1.50 1.55 1.55 1.60 卷筒直径D /mm2502552602652702402452502552601.传动参数计算 (4)2.传动零件的设计计算…………………………………………………………2.1带传动……………………………………………………………………2.2 齿轮传动………………………………………………………………………3.轴的设计及强度计算…………………………………………………………3.1高速轴(小齿轮轴)设计……………………………………………………3.2低速轴(大齿轮轴)设计……………………………………………………4.轴承的寿命计算………………………………………………………………4.1高速轴轴承寿命计算……………………………………………………4.2低速轴轴承寿命计算……………………………………………………5.其它零部件选用及强度校核…………………………………………………5.1键的强度校核………………………………………………………………5.2联轴器的选用………………………………………………………………5.3铸铁减速箱体的主要结构尺寸……………………………………………6.技术要求…………………………………………………………………………7.参考文献…………………………………………………………………………8.设计小结…………………………………………………………………………2.2 齿轮传动25.1S 1.1Fmin min ==H S()()()()mm25.25625.02121055.222mm75.6825.0212305.222**22**11=⨯-⨯-⨯=--==⨯-⨯-⨯=--=chzmdchzmdafaf3.轴的设计及强度计算3.1高速轴(小齿轮轴)设计1)选用材料选用45,且经过调质处理。
带式输送机传动装置中的一级圆柱齿轮减速器介绍带式输送机传动装置是一种常用的工业设备,用于将物料从一个位置输送到另一个位置。
其中关键的传动装置是一级圆柱齿轮减速器,它通过减速驱动带式输送机的运动。
本文将介绍一级圆柱齿轮减速器的结构、工作原理和应用场景。
一级圆柱齿轮减速器的结构一级圆柱齿轮减速器由输入轴、输出轴和一组圆柱齿轮组成。
输入轴连接到外部动力源,输出轴连接到带式输送机。
圆柱齿轮通过齿轮啮合实现转动传递。
一级圆柱齿轮减速器通常由多个齿轮组成,其中传动比由齿轮的齿数决定。
一般来说,输入轴上的齿轮称为主动轮,输出轴上的齿轮称为从动轮。
圆柱齿轮通常采用硬质合金材料制成,以提高耐磨和传动效率。
一级圆柱齿轮减速器的工作原理一级圆柱齿轮减速器的工作原理基于齿轮的齿数差异。
当输入轴上的主动轮转动时,它会通过齿轮的啮合将转动传递给输出轴上的从动轮。
由于从动轮的齿数较小,所以输出轴上的转速会比输入轴上的转速降低,从而实现减速效果。
一级圆柱齿轮减速器的传动比可以根据齿轮的齿数计算出来。
传动比等于主动轮的齿数除以从动轮的齿数。
传动比越大,减速效果越明显。
通过合理设计齿轮的齿数,可以实现不同的传动比,以适应不同的工作需求。
一级圆柱齿轮减速器的应用场景一级圆柱齿轮减速器广泛应用于各种场景的带式输送机中。
带式输送机可以用于输送各种物料,例如煤炭、矿石、粮食等。
一级圆柱齿轮减速器能够提供稳定的传动效果,确保带式输送机的正常运行。
在煤矿行业,一级圆柱齿轮减速器被广泛应用于煤炭输送系统中。
煤炭从采矿区域通过带式输送机运输到处理厂或储存区域。
一级圆柱齿轮减速器能够提供足够的转矩和稳定的传动比,以应对长距离输送和重负荷的工作环境。
在粮食加工行业,一级圆柱齿轮减速器可以用于输送谷物、饲料等物料。
它能够将物料从一处输送到另一处,并保持适当的速度和流量。
一级圆柱齿轮减速器的优点是传动效率高、运行平稳、噪音低,非常适合粮食加工行业的需求。
一、课程设计任书 (2)二、电动机的选择 (4)三、传动装置的运动和动力参数计算 (5)四、V带传动设计 (6)五、减速器齿轮设计 (8)六、轴的设计及强度校核(输入轴) (11)七、轴的设计计算(输出轴) (14)八、滚动轴承的选择及计算 (15)九、键连接的选择及校核计算 (17)十、润滑与密封 (18)十一、连轴器的选择 (18)十二、减速器附件的选择 (18)十三、参考资料 (19)十四、心得体会 (19)一课题设计任务书一、目的及要求:机械设计课题的设计主要是培养学生的机械设计的综合能力。
通过自己动手,可以体会和巩固先修课程的理论和实际知识,同时还能学习如何运用标准、规范、手册等有关国家标准及技术手册,更重要的是可以提高学生从机器功能的要求、尺寸、工艺、经济和安全等诸多方面综合考虑如何设计的能力,从而树立正确的设计思想。
课程结束每个学生必须完成:1.一张减速器装配图(用A1或A0图纸绘制);2.齿轮和轴的零件图各一张;3.设计说明书一份(约6000~8000字)。
二、设计题目:设计运送原料的带式运输机所用的圆柱齿轮减速器,具体内容是:1.设计方案论述。
2.选择电动机。
3.减速器外部传动零件设计。
4.减速器设计。
1)设计减速器的传动零件;2)对各轴进行结构设计,按弯扭合成强度条件验算个轴的强度;3)按疲劳强度条件计算输出轴上轴承的强度;4)选择各对轴承,计算输出轴上轴承的寿命;5)选择各键,验算输出轴上键连接的强度;6)选择各配合尺寸处的公差与配合;7)决定润滑方式,选择润滑剂;5.绘制减速器的装配图和部分零件工作图;6.编写设计说明书。
三、已知条件1.展开式一级齿轮减速器产品。
2.动力来源:电力,三相交流,电压380/220V。
3.输送带工作拉力F=620N。
4.输送带工作速度v=1.6m/s。
5.滚筒直径D=260mm。
6.滚筒效率η=0.96(包括轴承与滚筒的效率损失)。
7.工作情况:两班制,连续单向运行,载荷较平稳。
工程技术学院课程设计题目:用于带式运输机的一级圆柱齿轮减速器专业:车辆工程年级:2008学号:20081380姓名:蒋强指导教师:张毅杰日期:2011/7/11目录一设计任务 (1)二电动机选择 (2)三各轴运动、动力参数计算 (4)四 V带传动设计 (5)五齿轮传动设计 (8)六轴及轴相关的设计 (15)七、滚动轴承的选择及计算 (31)八、键联接的选择及校核计算 (33)九、联轴器的选择 (34)十、箱体与减速器附件的选择 (34)十一、密封与润滑 (38)十二、设计小结 (39)一级齿轮减速器设计说明书一、课程设计任务:设计带式运输机传动装置原始数据:运输带牵引力F(KN) 1.25运输带速度V/(m/s) 1.45卷筒直径D/mm 295工作条件:三班制工作,空载启动,单向连续运转,载荷平稳。
运输带速度允许速度误差为±5%。
工作期限为十年,每年工作300天;检修期间隔为三年。
一、传动方案(V带一级齿轮减速器)1)外传动为V带传动。
2)减速器为一级圆柱齿轮减速器。
3)传动简图如图二、电动机选择。
设计计算与内容设计结果1、选择电动机的类型。
三、各轴运动参数和动力参数的计算四、V带传动设计五、齿轮传动设计设计一单级斜齿圆柱齿轮减速器中齿轮传动,已知:传递功率P1=2.08kw,小齿轮转速n1=376r/min,大齿轮转速n2=940r/min,传递比i=4,单向运转,载荷变化不大,使用期限十年,3班工作。
六、轴及轴相关的设计37808.233110⨯n P9498.133220⨯n P七、滚动轴承的选择及计算八、键联接的选择及校核计算九、联轴器的选择十、箱体与减速器附件的选择轴承旁凸台高度和半径h由结构确定,R= C1外壁至轴承端面的距离l1=δ+C2+C1+(5~10)=553 主要附件作用及形式1) 通气器齿轮箱高速运转时内部气体受热膨胀,为保证箱体内外所受压力平衡,减小箱体所受负荷,设通气器及时将箱内高压气体排出。
带式输送机上的一级圆柱齿轮减速器设计书带式输送机是一种常见的物料输送设备,用于将物料从一个地方输送到另一个地方。
该设备通常由多个部件组成,其中一个重要组成部分是减速器。
齿轮减速器作为带式输送机的动力传动装置,起到降低传动装置的转速和提高转矩的作用。
下面将介绍带式输送机上一级圆柱齿轮减速器的设计相关参考内容。
一、设计参数的确定:1. 输送机的设计转矩和转速:根据带式输送机的设计任务和要求,确定输送机的设计转矩和转速。
2. 传动装置的传动比:根据设计转矩和转速,确定减速器的传动比,一般根据减速器工作的失效转矩和寿命要求进行选择。
二、选择齿轮材料和齿形:1. 齿轮材料:根据减速器的使用条件和要求,选择合适的齿轮材料。
常用的齿轮材料有低碳合金钢、合金工具钢、硬齿面齿轮等。
2. 齿形:根据工作条件和传动精度要求,确定齿轮的齿形,可以选择圆柱齿轮、渐开线齿轮、蜗杆齿轮等。
三、布置齿轮传动的参数:1. 中心距:根据输送机的安装空间和传动装置的结构形式,确定中心距。
同时,还要考虑到齿轮的尺寸和传动装置的刚度等因素。
2. 齿数:根据传动比和齿轮模数,确定主、从动齿轮的齿数。
同时,还要考虑到齿轮的受载情况和传动的平稳性等因素。
四、计算齿轮参数:1. 模数:根据齿数和齿轮的尺寸,计算出齿轮的模数。
2. 压力角:根据齿轮材料和工作条件,选择合适的压力角。
3. 齿宽:根据齿轮的承载能力和工作条件,计算出齿轮的齿宽。
五、齿轮传动的优化设计:1. 齿轮的受力分析:通过受力分析,确定齿轮的承载能力,保证齿轮在传动过程中不发生断裂和变形。
2. 齿轮的强度计算:通过齿轮的强度计算,确定齿轮的合理尺寸,保证齿轮在传动过程中的可靠性和寿命。
3. 齿轮的接触疲劳寿命计算:通过齿轮的接触疲劳寿命计算,确定齿轮的寿命,保证齿轮在传动过程中的可靠性和使用寿命。
六、齿轮传动的加工和装配:1. 齿轮的加工:根据设计要求和加工工艺,选择合适的齿轮加工方式,包括铣削、滚削、磨削等。
带式运输机的一级直齿圆柱齿轮减速器课程设计带式运输机的一级直齿圆柱齿轮减速器课程设计机械设计基础课程设计说明书设计题目带式运输机的一级直齿圆柱齿轮减速器院(系) 高班级学号设计人指导教师完成日期201 年1 月14 日目录第1章概述3 1.1 设计的目的3 1.2 设计的内容和任务3 1.2.1设计的内容4 1.2.2 设计的任务4 1.3 设计的步骤5 第2章传动装置的总体设计5 2.1 拟定传动方案5 2.2选择原动机——电动机6 2.2.1选择电动机类型和结构型式6 2.2.2确定电动机的功率6 2.2.3确定电动机的转速8 2.3传动装置总传动比的确定及各级传动比的分配8 2.3.1计算总传动比9 2.3.2合理分配各级传动比9 2.4算传动装置的运动和动力参数9 2.4.1 0轴(电机轴)输入功率转速转矩10 2.4.2 1轴(高速轴)输入功率转速转矩10 2.4.3 2轴(低速轴)输入功率转速转矩10 2.4.4 3轴(滚筒轴)输入功率转速转矩110 第3章传动零件的设计计算12 3.1 减速箱外传动零件——带传动设计132 3.1.1带传动设计要求:132 3.1.2 V带传动设计计算132 3.2 减速器内传动零件—--齿轮设计165 3.2.1选择齿轮类型、精度等级、材料及齿数165 3.2.2 按齿面接触强度设计176 3.2.3 按齿根弯曲强度计算18 3.2.4、齿轮几何尺寸计算210 3.3 轴的设计——输入轴的设计210 3.3.1确定轴的材料及初步确定轴的最小直径210 3.3.2初步设计输入轴的结构221 3.4轴的设计——输出轴的设计22 3.4.1初步确定轴的最小直径232 3.4.2初步设计输出轴的结构23 第4章部件的选择与设计25 4.1轴承的选择25 4.1.1输入轴轴承25 4.1.2输出轴轴承25 4.2输入轴输出轴键连接的选择及强度计算26 4.3轴承端盖的设计与选择27 4.3.1类型27 4.4 滚动轴承的润滑和密封28 4.5联轴器的选择29 4.5.1、联轴器类型的选择29 4.5.2、联轴器的型号选择29 4.6其它结构设计29 4.6.1通气器的设计29 4.6.2吊环螺钉、吊耳及吊钩30 4.6.3启盖螺钉30 4.6.4定位销31 4.6.5油标31 4.6.6放油孔及螺塞31 4.7箱体32 第5章结论33 参考文献34 第1章概述1.1 设计的目的设计目的在于培养机械设计能力。
机械设计基础课程设计设计人:班级:学号:指导老师:设计要求设计一用于带式运输机上的单级圆柱齿轮减速器,如图所示。
运输机连续工作,单向运转,载荷变化不大,空载起动。
减速器小批量生产。
使用期限10年,两班制工作。
运输带容许速度误差为5%。
原始数据(所给数据的第六小组)已知条件数据输送带工作拉力Fw=2800N 输送带速度Vw=1.4m/s 卷筒轴直径D=400mm目录一.确定传动方案二.选择电动机(1)选择电动机(2)计算传动装置的总传动比并分配各级传动比(3)计算传动装置的运动参数和动力参数三.传动零件的设计计算(1)普通V带传动(2)圆柱齿轮设计四.低速轴的结构设计(1)轴的结构设计(2)确定各轴段的尺寸(3)确定联轴器的型号(4)按扭转和弯曲组合进行强度校核五.高速轴的结构设计六.键的选择及强度校核七.选择轴承及计算轴承寿命八.选择轴承润滑与密封方式九.箱体及附件的设计(1)箱体的选择(2)选择轴承端盖(3)确定检查孔与孔盖(4)通气器(5)油标装置(6)骡塞(7)定位销(8)起吊装置十.设计小结十一.参考书目设计项目计算及说明主要结果一.确定传动方案二.选择电动机(1)选择电动机设计一用于带式运输机上的单级圆柱齿轮减速器,如图所示。
运输机连续工作,单向运转,载荷变化不大,空载起动。
减速器小批量生产。
使用期限10年,两班制工作。
运输带容许速度误差为5%。
图A-11)选择电动机类型和结构形式根据工作要求和条件,选用一般用途的Y系列三相异步电动机,结构形式为卧式封闭结构2)确定电动机功率工作机所要的功率Pw(kw)按下式计算Pw=wFwVwη1000式中,Fw=2800,Vw=1.4m/s,带式输送机的效率ηw=0.94,代入上式得:Pw =Kw=4.17Kw电动机所需功率Po(Kw)按下式计算Po=ηPw Pw=4.17Kw(2)计算传动装置的总传动比并分配各级传动比(3)计算传动装置的运动参数和动式中,η为电动机到滚筒工作轴的传动装置总效率,根据传动特点,由表2-4查得:V带传动η带=0.96 ,一对齿轮传动η齿轮=0.97,一对滚动轴承η轴承=0.99,弹性联轴器η联轴器=0.98,因此总效率η=η带η齿轮η2轴承η联轴器,即η=η带η齿轮η2轴承η联轴器=0.96x0.97x0.99x0.982=0.89Po=ηPw=Kw=4.69Kw确定电动机额定功率Pm(Kw),使Pm=(1~1.3)Po=5.12(1~1.3)=5.12~6.66Kw,查表2-1取Pm=5.5 Kw3)确定电动机转速工作机卷筒轴的转速nw为nw=DVwπ100060⨯==66.87r/min根据表2-3推存的各类转动比范围,取V带转动比i带=2~4,一级齿轮减速器i齿轮=3~5,传动装置的总传动比i总=6~20,故电动机的转速可取范围为nm=i总nm=(6~20)⨯84.93=509.58~1698.6r/min符合此转速要求的同步转速有750r/min,1000r/min,1500r/min三种,考虑综合因素,查表2-1,选择同步转速为1000r/min的Y系列电动机Y132M2-6,其满载转速为nm=960r/min电动机的参数见表A-1。
机械基础课程设计说明书设计题目:一级直齿圆柱齿轮减速器班级学号学生姓名:指导老师:完成日期:所在单位:设计任务书1、题目设计用于带式输送机的机械传动装置——一级直齿圆柱齿轮减速器。
2、参考方案(1)V带传动和一级闭式齿轮传动(2)一级闭式齿轮传动和链传动(3)两级齿轮传动3、原始数据4、其他原始条件(1)工作情况:两班制,输送机连续单向运转,载荷较平稳。
(2)使用期限:5年。
(3)动力来源:三相交流(220V/380V)电源。
(4)允许误差:允许输送带速度误差5%±。
5、设计任务(1)设计图。
一级直齿(或斜齿)圆柱齿轮减速器装配图一张,要求有主、俯、侧三个视图,图幅A1,比例1:1(当齿轮副的啮合中心距110a≤时)或1:1.5(当齿轮副的啮合中心距110a>时)。
(2)设计计算说明书一份(16开论文纸,约20页,8000字)。
目录一传动装置的总体设计 (3)二传动零件的设计 (7)三齿轮传动的设计计算 (9)四轴的计算 (11)五、箱体尺寸及附件的设计 (24)六装配图 (28)设计内容:一、传动装置的总体设计1、确定传动方案本次设计选用的带式输送机的机械传动装置方案为V带传动和一级闭式齿轮传动,其传动装置见下图。
2,选择电动机(1)选择电动机的类型按工作要求及工作条件选用三相异步电动机,封闭自扇冷式结构,电压380V,Y系列。
(2) 选择电动机的额定功率① 带式输送机的性能参数选用表1的第 6组数据,即:表一工作机所需功率为: kW sm N Fv w 44.51000/7.132001000P =⨯==②从电动机到工作机的传动总效率为:212345ηηηηηη=其中1η、2η、3η、4η、5η分别为V 带传动、齿轮传动、滚动轴承、弹性套柱销联轴器和滚筒的效率,查取《机械基础》P 459的附录3 选取1η=0.95 、2η=0.97(8级精度)、3η=0.99(球轴承)、4η=0.995、5η=0.96故22123450.950.970.990.9950.960.8609664143520.862ηηηηηη==⨯⨯⨯⨯=≈ ③ 电动机所需功率为kW sm N Fv d 33.6852.0*1000/7.1*32001000P ===η 又因为电动机的额定功d ed P P ≥(3) 确定电动机的转速 传动滚筒轴工作转速:min r/2.814007.1100060v 100060=⨯⨯=⨯⨯=ππD n 滚筒查《机械基础》P 459附录3, V 带常用传动比为i 1=2~4,圆柱齿轮传动一级减速器常用传动比范围为i 2=3~5(8级精度)。
目录一设计题目 (2)二应完成的工作 (2)三传动装置总体设计方案 (2)1.电动机的选择 (2)2.确定传动装置的总传动比和分配传动比 (3)3.计算传动装置的运动和动力参数 (3)4.V带的设计和带轮设计 (4)5.齿轮的设计 (5)6.传动轴承和传动轴的设计 (6)7.使用寿命计算 (10)8.箱体结构的设计 (10)9. 润滑密封设计 (12)四. 设计小结 (13)一、设计题目带式运输机上的单级圆柱齿轮减速器(直齿)给定数据及要求:已知条件:运输带拉力F(N)=1250 N.m ;运输带工作速度v=1.3m/s ;滚筒直径D=240mm ;二、应完成的工作1. 减速器装配图1张;2. 零件工作图3张(轴、齿轮)3. 设计说明书1份。
三、传动装置总体设计方案:1. 组成:传动装置由电机、减速器、工作机组成。
2. 特点:齿轮相对于轴承不对称分布,故沿轴向载荷分布不均匀, 要求轴有较大的刚度。
3. 确定传动方案:考虑到电机转速高,传动功率大,将V 带设置在高速级。
其传动方案如下:初步确定传动系统总体方案如:传动装置总体设计图所示。
选择V 带传动和一级圆柱斜齿轮减速器 传动装置的总效率总η1η为V 带的传动效率, 2η为轴承的效率,3η为对齿轮传动的效率,(齿轮为7级精度,油脂润滑)4η为联轴器的效率,5η为滚筒的效率 查机械设计手册知:η带=0.96 η齿=0.97 η轴=0.98 η联=0.99 η卷=0.96 ηα=η带η齿η3轴η联η卷=0.96*0.97*0.984*0.99*0.96 =0.8321.电动机的选择工作机效率 P w =F N V/1000=1250*1.3/1000=1.625kw 电机效率 P d = P w /ηa =1.625/0.832=1.911kw滚筒轴工作转速为n =Dπ60v1000⨯=103.5r/min ,经查表按推荐的传动比合理范围,V 带传动的传动比i =2~4,一级圆柱斜齿轮减速器传动比i =3~6,则总传动比合理范围为i '总=6~24,电动机转速的可选范围为n =i '总×n =(6~24)×103.5=620.7~2484r/min 。
设计题目:用于带式运输机的一级圆柱齿轮减速器一、传动方案拟定第二组第三个数据:设计带式输送机传动装置中的一级圆柱齿轮减速器工作条件:使用年限10年,每年按300天计算,两班制工作,载荷平稳。
原始数据:滚筒圆周力F=;带速V=/s;滚筒直径D=300mm。
运动简图二、电动机的选择1、电动机类型和结构型式的选择:按已知的工作要求和条件,选用 Y系列三相异步电动机。
2、确定电动机的功率:传动装置的总效率:η总=η带×η轴承×η齿轮×η联轴器×η滚筒 =×××× =(2)电机所需的工作功率: Po=FV/1000η总 =2400×/1000× =3、确定电动机转速:滚筒轴的工作转速: Nw=60×1000V/πD =60×1000×/π×300 =/min根据【2】表中推荐的合理传动比范围,取V带传动比Iv=2~4,单级圆柱齿轮传动比范围Ic=3~5,则合理总传动比i的范围为i=6~20,故电动机转速的可选范围为nd=i×nw=×=~/min符合这一范围的同步转速有960 r/min和1000r/min\\1500r/min。
【2】表查出有三种适用的电动机型号、如下表方案电动机型号额定功率电动机转速传动装置的传动比KW 同转满转总传动比带齿轮 1 Y132s-6 3 1000 960 3 2 Y100l2-4 3 1500 1420 3综合考虑电动机和传动装置尺寸、重量、价格和带传动、减速器的传动比,比较两种方案可知:方案1因电动机转速低,传动装置尺寸较大,价格较高。
方案2适中。
故选择电动机型号Y100l2-4。
4、确定电动机型号根据以上选用的电动机类型,所需的额定功率及同步转速,选定电动机型号为 Y100l2-4。
其主要性能:额定功率:4KW,满载转速1000r/min,额定转矩。
华侨大学课程设计论文题目精密机械设计学院机电学院专业测控技术与仪器班级学生学号指导教师二〇一二年一月十二日《精密机械设计》课程设计任务书姓名专业班级学号一、设计题目:带式运输机系统中的一级圆柱齿轮减速器二、系统简图:三、工作条件:运输机工作平稳,单向运转,单班工作,使用期限8年,大修期3年,输送带速度允许误差为±5%,减速器中小批量生产。
四、原始数据题号YZ-II原始数据13运输带拉力F/N 2800运输带速度v/(m/s) 1.4卷筒直径D/mm 275五、设计工作量:1.设计说明书1份2.减速器装配图1张3.减速器零件图2张指导教师:杨建红开始日期:2012年 1 月 1 日完成日期:2012 年1 月12 日计算及说明结果一、电动机的选择1、电动机类型和结构的选择:选择Y系列三相异步电动机,此系列电动机属于一般用途的全封闭自扇冷电动机,其结构简单,工作可靠,价格低廉,维护方便,适用于不易燃,不易爆,无腐蚀性气体和无特殊要求的机械。
2、电动机容量选择:电动机所需工作功率为:式(1):Pd=PW/η a (kw)由电动机至输送机的传动总效率为:η总=η12×η23×η3×η4根据《机械设计课程设计》P10表2-2式中:η1、η2、η3、η4、η5分别为带传动、滚动轴承(两对)、圆柱齿轮传动、联轴器和卷筒的传动效率。
取η1=0.96,η2=0.98,η3=0.97,η4=0.99、η5=0.96则:η总=0.96×0.983×0.97×0.99×0.96 =0.83所以:电机所需的工作功率:P d =PW/η总=3.92/ 0.83=4.72 (kw) η总=0.83Pd=4.72 (kw)计算及说明结果3、确定电动机转速滚筒工作转速为:n滚筒 = 60×1000·V/(π·D)= [60×1000×(1-0.05)~(1+0.05)]/(275·π)= 92.37 ~ 102.09 r/min根据《机械设计课程设计指导书》表1推荐的传动比合理范围,取V带传动比i1=2~4,取圆柱齿轮传动一级减速器传动比范围i2=3~6。
一级圆柱齿轮减速器设计带式运输机在设计一级圆柱齿轮减速器时,需要考虑以下几个方面:1.传动比的确定:传动比是指输入轴转速与输出轴转速之间的比值。
在设计一级圆柱齿轮减速器时,需要根据带式运输机的工作要求和负载情况,合理选择传动比,同时考虑传动装置的可行性和经济性。
2.齿轮的选材和齿轮模数的确定:齿轮的选材直接影响到减速器的寿命和可靠性。
常用的齿轮材料有45钢、40Cr、20CrMnTi等,需要根据运输机的工作条件和负载情况选择合适的材料。
齿轮模数的确定需要综合考虑刚度、强度和装配性等因素。
3.齿轮传动的布局和选型:一级圆柱齿轮减速器通常采用简单的平行轴布局,齿轮的选型需要根据输入功率、速度和负载情况进行选择。
通过计算和分析,确定齿轮的齿数、模数和齿宽等参数,保证传动装置的可靠性和工作效率。
4.轴承和密封件的选用:轴承是减速器中的重要部件,可以选择滚动轴承或滑动轴承。
对于带式运输机的应用,轴承需要具有较高的负荷能力和耐磨性。
密封件的选用需要保证减速器的密封性能,防止润滑油泄漏,保护齿轮装置。
5.齿轮传动的强度校核和寿命计算:在设计过程中,需要对齿轮传动的强度进行校核,以确保传动装置的工作可靠性和安全性。
同时,需要进行寿命计算,确定齿轮传动的使用寿命和维护周期,保证运输机的正常运行。
6.动力输出和连接方式的设计:一级圆柱齿轮减速器的输出轴需要连接带式运输机,可以选择直接连接或通过联轴器连接。
在设计过程中,需要根据运输机的需要,选择合适的连接方式和输出轴的形式。
以上是一级圆柱齿轮减速器设计带式运输机的一些基本考虑和步骤,具体的设计过程需要根据实际需求来确定。
在设计过程中,需要充分考虑减速器的稳定性、可靠性和经济性,确保运输机的正常运行和效率。
同时,还需要对设计进行严格的计算和验证,以保证设计结果的可行性和正确性。
机械设计(论文)说明书题目:一级直齿圆柱齿轮减速器系别:XXX系专业:学生:学号:指导教师:职称:二零一二年五月一日目录第一部分课程设计任务书-------------------------------3 第二部分传动装置总体设计方案-------------------------3 第三部分电动机的选择--------------------------------4 第四部分计算传动装置的运动和动力参数-----------------7 第五部分齿轮的设计----------------------------------8 第六部分链传动的设计----------------------------------8 第七部分传动轴承和传动轴及联轴器的设计---------------17 第八部分键连接的选择及校核计算-----------------------20 第九部分减速器及其附件的设计-------------------------22 第十部分润滑与密封----------------------------------24 设计小结--------------------------------------------25 参考文献--------------------------------------------25第一部分课程设计任务书一、设计课题:设计一用于带式运输机上的一级直齿圆柱齿轮减速器.运输机连续单向运转,载荷变化不大,空载起动,卷筒效率为0.96(包括其支承轴承效率的损失),减速器小批量生产,使用期限10年(300天/年),2班制工作,运输容许速度误差为5%,车间有三相交流,电压380/220V。
二. 设计要求:1.减速器装配图一(A1或A0)。
2.CAD绘制轴、齿轮零件图各一(A3或A2)。
3.设计说明书一份。
三. 设计步骤:1. 传动装置总体设计方案2. 电动机的选择3. 确定传动装置的总传动比和分配传动比4. 计算传动装置的运动和动力参数5. 设计链传动和链轮6. 齿轮的设计7. 滚动轴承和传动轴的设计8. 键联接设计9. 箱体结构设计10. 润滑密封设计11. 联轴器设计第二部分传动装置总体设计方案1.组成:传动装置由电机、减速器、工作机组成。
带式运输机单级圆柱齿轮减速器设计的创新点带式运输机是一种常见的物料输送设备,广泛应用于矿山、化工、电力等行业。
为了实现带式运输机的稳定运行和高效输送,减速器是不可或缺的关键部件之一。
本文将以单级圆柱齿轮减速器在带式运输机中的设计创新点为主题,从减速器的结构设计、传动原理和优势等方面进行阐述。
一、创新点之一:结构设计在带式运输机的减速器设计中,采用单级圆柱齿轮减速器具有独特的结构设计。
相比于传统的多级减速器,单级减速器在结构上更加简洁紧凑,减少了传动元件的数量和配合面,提高了系统的可靠性和稳定性。
单级圆柱齿轮减速器的主要结构包括输入轴、输出轴、齿轮、轴承等部件。
其中,齿轮是减速器的核心部件,通过齿轮的啮合传递动力。
在设计过程中,需要合理选择齿轮的材料和模数,以确保齿轮的强度和耐磨性能,同时减少噪声和振动。
二、创新点之二:传动原理单级圆柱齿轮减速器采用平行轴传动原理,通过输入轴和输出轴之间齿轮的啮合传递动力。
其中,输入轴通常由电机驱动,输出轴与带式运输机的输送带相连,实现动力的传递和物料的输送。
在传动过程中,需要对齿轮的啮合角、啮合系数和传动比等进行合理的设计和计算。
通过优化传动参数,可以提高减速器的传动效率和运行平稳性,减少能量损失和磨损。
三、创新点之三:优势单级圆柱齿轮减速器在带式运输机中的设计具有以下优势:1.结构简洁紧凑:相比于多级减速器,单级减速器减少了传动元件的数量和配合面,减小了体积和重量,降低了制造成本和安装难度。
2.传动效率高:采用圆柱齿轮传动,传动效率高,能够更有效地将输入轴的动力传递给输出轴,提高了整个系统的效率和运行速度。
3.运行稳定可靠:单级减速器在设计上更加精简,减少了传动元件的配合间隙和摩擦,降低了运行噪声和振动,提高了系统的稳定性和可靠性。
4.维护方便快捷:单级减速器的结构简单,易于维护和保养。
在出现故障或需要更换部件时,可以快速进行修理和更换,减少了停机时间和维修成本。
机械设计基础课程设计说明书设计题目带式运输机的单级直齿圆柱齿轮减速器目录第1章概述 (1)1.1 设计的目的 (1)1.2 设计的内容和任务 (1)1.2.1设计的内容 (1)1.2.2 设计的任务 (2)1.3 设计的步骤 (2)第2章传动装置的总体设计 (3)2.1 拟定传动方案 (3)2.2选择原动机——电动机 (3)2.2.1选择电动机类型和结构型式 (3)2.2.2确定电动机的功率 (4)2.2.3确定电动机的转速 (5)2.3传动装置总传动比的确定及各级传动比的分配 (7)2.3.1计算总传动比 (7)2.3.2合理分配各级传动比 (7)2.4算传动装置的运动和动力参数 (8)2.4.1 0轴(电机轴)输入功率、转速、转矩 (8)2.4.2 1轴(高速轴)输入功率、转速、转矩 (8)2.4.3 2轴(低速轴)输入功率、转速、转矩 (8)2.4.4 3轴(滚筒轴)输入功率、转速、转矩 (9)第3章传动零件的设计计算 (10)3.1 减速箱外传动零件——带传动设计 (10)3.1.1带传动设计要求 (10)3.1.2 V带传动设计计算 (10)3.2 减速器内传动零件——齿轮设计 (14)3.2.1选择齿轮类型、精度等级、材料及齿数 (14)3.2.2 按齿面接触强度设计 (14)3.2.3 按齿根弯曲强度计算 (16)3.2.4、齿轮几何尺寸计算 (18)3.3 轴的设计 (19)3.3.1主动轴的设计 (19)3.3.2从动轴的设计 (21)第4章部件的选择与设计 (24)4.1轴承的选择 (24)4.1.1输入轴轴承 (24)4.1.2输出轴轴承 (24)4.2输入轴输出轴键连接的选择及强度计算 (25)4.3轴承端盖的设计与选择 (26)4.3.1类型 (26)4.4 滚动轴承的润滑和密封 (27)4.5联轴器的选择 (28)4.5.1、联轴器类型的选择 (28)4.5.2、联轴器的型号选择 (28)4.6其它结构设计 (28)4.6.1通气器的设计 (28)4.6.2吊环螺钉、吊耳及吊钩 (29)4.6.3启盖螺钉 (29)4.6.4定位销 (30)4.6.5油标 (30)4.6.6放油孔及螺塞 (31)4.7箱体 (31)第5章结论 ........................................................................................................................ 错误!未定义书签。
参考文献: ............................................................................................................................. 错误!未定义书签。
第1章概述1.1 设计的目的设计目的在于培养机械设计能力。
设计是完成机械专业全部课程学习的最后一次较为全面的、重要的、必不可少的实践性教学环节,其目的为:1. 通过设计培养综合运用所学全部专业及专业基础课程的理论知识,解决工程实际问题的能力,并通过实际设计训练,使理论知识得以巩固和提高。
2. 通过设计的实践,掌握一般机械设计的基本方法和程序,培养独立设计能力。
3. 进行机械设计工作基本技能的训练,包括训练、计算、绘图能力、计算机辅助设计能力,熟悉和运用设计资料(手册、图册、标准、规范等)。
1.2 设计的内容和任务1.2.1设计的内容本设计的题目为单级直齿圆柱齿轮减速器,设计的主要内容包括以下几方面:(1)拟定、分析传动装置的运动和动力参数;(2)选择电动机,计算传动装置的运动和动力参数;(3)进行传动件的设计计算,校核轴、轴承、联轴器、键等;(4)绘制减速器装配图及典型零件图;(5)编写设计计算说明书。
1.2.2 设计的任务(1)减速器装配图1张(0号图纸)(2)输入轴输出轴零件图各1张(3)齿轮零件图1张(4)减速器箱体零件图1张(5)设计说明书1份1.3 设计的步骤遵循机械设计过程的一般规律,大体上按以下步骤进行:1. 设计准备认真研究设计任务书,明确设计要求和条件,认真阅读减速器参考图,熟悉设计对象。
2. 传动装置的总体设计根据设计要求拟定传动总体布置方案,选择原动机,计算传动装置的运动和动力参数。
3. 传动件设计计算设计装配图前,先计算各级传动件的参数确定其尺寸,并选好联轴器的类型和规格。
一般先计算外传动件、后计算内传动件。
4. 装配图绘制计算和选择支承零件,绘制装配草图,完成装配工作图。
5. 零件工作图绘制零件工作图应包括制造和检验零件所需的全部内容。
6. 编写设计说明书设计说明书包括所有的计算并附简图,并写出设计总结。
第2章传动装置的总体设计传动装置的总体设计,主要包括拟定传动方案、选择原动机、确定总传动比和分配各级传动比以及计算传动装置的运动和动力参数。
2.1 拟定传动方案机器通常由原动机、传动装置和工作机三部分组成。
传动装置将原动机的动力和运动传递给工作机,合理拟定传动方案是保证传动装置设计质量的基础。
传动方案应满足工作机的性能要求,适应工作条件,工作可靠,而且要求结构简单,尺寸紧凑,成本低,传动效率高,操作维护方便。
2.2选择原动机——电动机电动机为标准化、系列化产品,设计中应根据工作机的工作情况和运动、动力参数,根据选择的传动方案,合理选择电动机的类型、结构型式、容量和转速,提出具体的电动机型号。
2.2.1选择电动机类型和结构型式电动机有交、直流之分,一般工厂都采用三相交流电,因而选用交流电动机。
交流电动机分异步、同步电动机,异步电动机又分为笼型和绕线型两种,其中以普通笼型异步电动机应用最多,目前应用较300广的Y系列自扇冷式笼型三相异步电动机,电压为380V,其结构简单、起动性能好,工作可靠、价格低廉、维护方便,适用于不易燃、不易爆、无腐蚀性气体、无特殊要求的场合,如运输机、机床、农机、风机、轻工机械等。
2.2.2确定电动机的功率电动机功率选择直接影响到电动机工作性能和经济性能的好坏:若所选电动机的功率小于工作要求,则不能保证工作机正常工作;若功率过大,则电动机不能满载运行,功率因素和效率较低,从而增加电能消耗,造成浪费。
1. 带式输送机所需的功率w P由[1]中公式(2-2)得:kW FV P w 425.11000/.519501000/=⨯== 设计题目给定:输送带拉力F (N )=950N输送带速度V(m/s)=1.5m/s2. 计算电动机的输出功率d PV 带传动效率:95.0=带η滚动轴承(每对):99.0=轴承η圆柱齿轮传动:98.0=齿轮η齿轮联轴器:99.0=联轴器η(一个)传动滚筒效率:96.0=滚筒η得电动机至工作机间的总效率:85.096.099.098.099.095.044=⨯⨯⨯⨯=⋅⋅⋅⋅=滚筒联轴器齿轮轴承带总ηηηηηη 电动机的输出功率:kW FV P d 68.185.01000.519501000=⨯⨯==总η 选取电动机额定功率kW P ed 2.2=2.2.3确定电动机的转速同一类型、相同额定功率的电动机低速的级数多,外部尺寸及重量较大,价格较高,但可使传动装置的总传动比及尺寸减少;高速电动机则与其相反,设计时应综合考虑各方面因素,选取适当的电动机转速。
三相异步电动机常用的同步转速有min /3000r ,min /1500r ,min /1000r ,min /750r ,常选用min /1500r 或min /1000r 的电动机。
1. 计算滚筒的转速w n 由公式DV n w π601000⨯=计算滚筒转速w n : 工作机的转速:min /43.119240.51601000601000r D V n w =⨯⨯=⨯=ππ 设计题目给定:滚筒直径D=240mm输送带速度V(m/s)=1.5m/s2. 确定电动机的转速d n由课件数据可知单级圆柱齿轮减速器推荐传动比范围为6~3=齿轮i ,由课件数据得 V 带传动比范围为4~2=带i ,所以总传动比合理范围为24~6=总i ,故电动机转速的可选范围是:m in /32.2866~58.716m in /119.43)24~6(r r n d =⨯=符合这一范围的同步转速有750r/min 、1000r/min 、1500r/min ,初选同步转速为1000r/min 和1500r/min 两种电动机进行比较。
由机械设计课程设计书中的表20—1查得:由表中可知,方案2的传动比比较小,传动装置结构尺寸较小,因此,可采用方案2,选定电动机的型号为Y112M-6。
其主要参数如下:表2-1电动机相关参数带式输送机相关参数2.3传动装置总传动比的确定及各级传动比的分配由选定电动机的满载转速m n 和工作机主动轴的转速w n 可得传动装置的总传动比w m n n i /=对于多级传动()n i i i i i ⋅⋅⋅⋅⋅⋅⋅⋅=321计算出总传动比后,应合理地分配各级传动比,限制传动件的圆周速度以减少动载荷。
2.3.1计算总传动比由电动机的满载转速m in /940r n m =和工作机主动轴的转速m in /43.119r n w =, 可得: 总传动比87.743.119940/===w m n n i 2.3.2合理分配各级传动比由参考数据得,取带传动比3.21==带i i ,87.7=i则 单级减速器传动比42.33.287.72====带减i i i i 表2-3传动比分配2.4算传动装置的运动和动力参数为进行传动件的设计计算,应首先推算出各轴的转速、功率和转矩,一般按由电动机至工作机之间运动传递的路线推算各轴的运动和动力参数。
2.4.1 0轴(电机轴)输入功率、转速、转矩kW P P d 68.10== m in /9400r n n m ==m N n P T m d •=⨯==07.1794068.19550/95500 2.4.2 1轴(高速轴)输入功率、转速、转矩 kW P P P d I 60.195.068.110=⨯=•=⋅=带ηηmin /7.4083.2940//10r i n i n n m I ====带 m N n P T I I I •=⨯==39.377.40860.19550/95502.4.3 2轴(低速轴)输入功率、转速、转矩 kW P P I II 55.198.099.060.1=⨯⨯=⋅⋅=齿轮轴承ηηmin /5.11942.3408.7/2r i n n I II === m N n P T II II II •=⨯==87.1235.11955.19550/95502.4.4 3轴(滚筒轴)输入功率、转速、转矩 kW P P II III 52.199.099.055.1=⨯⨯=⋅⋅=联轴器轴承ηη m in /5.119r n n II III == m N n P T III III III •=⨯==47.1215.11952.19550/9550各项指标误差均介于+5%~-5%之间。