佩戴正压式呼吸器评分细则
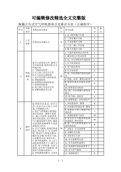
- 格式:docx
- 大小:20.88 KB
- 文档页数:3
正压式空气呼吸器佩戴参考标准(一)检查要领。
1.检查面罩:看面罩玻璃是否清晰完好无划痕、无裂痕或者是模糊不清;系带完好,不缺,不断;戴好面罩,用手掌捂住呼吸道,看是否密封不透气,无“咝咝”的响声。
2.检查肩带、腰带:腰带组、卡扣必须完好无损。
边检查边调整肩带、腰带长短(根据本人身体调整长短)。
3.检查气瓶的气密性:气瓶牢靠固定在背托上,各压力表、管线连接紧固,不松动不漏气,打开和关闭瓶阀,在一分钟内压力的下降≤2MPa ;工作压力30Mpa,最小应为25 Mpa。
4.检查报警装置:检查压力表是否回零;检查气瓶压力,开气瓶阀,压力低于25Mpa不能使用;检查报警哨,关闭气瓶阀,按下供需阀的BY-PASS按扭,慢慢放气,观察压力表,当压力低于5±0.5MPa时(红色区)报警哨响,说明正常。
如果报警哨不发声或不在规定范围内,必须维修才能使用。
因佩戴好后,无法检测气瓶压力是否够用,靠报警器哨声提醒气瓶压力大小。
(二)正确佩戴方法。
1. 双手抓起气瓶背架从头顶向后背上气瓶,扣上腰部卡扣,并拉紧。
2.拉住肩带扣环,向上跳,拉紧肩带。
3.将总阀手轮左旋1.5-2圈打开气瓶开关。
4.挂上面罩带,将面罩由下颚部套入并贴合面部。
5.把五点束带的中心放在头顶的后方,均匀地由上至下抽拉束带的五个端部,调节束带,使其适当束紧。
6.将供气阀连接在面罩的供气接口处7.带上安全帽,系好安全帽系绳。
(三)使用完毕后1.松开安全帽系绳。
2.将供气阀与面罩脱离。
3.扳开头带扳口,卸下面罩。
4.将气瓶总阀手轮右旋关上气瓶开关。
5.松开肩带及腰带,卸下背架气瓶。
6.轻按供气阀黄色控制按钮,排空整个系统。
(五)场地器材在长5米、宽6米的空旷场地,安全帽1顶,摆放一具正压式空气呼吸器(6.8/30)。
设置检查区、安全区和抢险区三个区域。
(七)操作程序。
1、裁判下令开始检查器材(不计时,计项目,漏查每一项在穿戴时间上各加时2秒),参赛队员检查内容:①检查背托、肩带、腰带、腰带组、卡扣(口述每一项)完好,②检查面罩紧固带、看面罩玻璃是否清晰、束紧带(口述)完好,检查面罩气密(动作);③检查气瓶的附件及背托固定情况(口述),打开气瓶阀检查各压力表、管线连接紧固、关闭瓶阀、检查报警装置(动作)。
呼吸器操作一、基本规则1、考试内容为正压式空气呼吸器使用,时间为2分钟,分值100分。
2、裁判组在每支参赛队中随意抽取6人,每2人一组进行比赛。
3、选手通过现场抽签方式决定比赛顺序。
4、器材(巴固,气瓶6.8L)由工作人员统一调整到位,即正压式空气呼吸器恢复正常备用状态(调松肩带、腰带、面罩系带等,检查好气瓶压力、面罩和哨子等)。
二、操作要求1、裁判发出准备口令,恢复计时器准备计时。
发出开始口令后,计时开始。
检查准备时间1 min,选手需同时对所检查内容进行口述。
选手检查准备时间超过1 min时,裁判提示终止,选手直接开始佩戴计时和操作。
检查内容(15分):(1)检查气瓶压力,一次开启成功,读数正确(大于或等于26兆帕);(5分)(2)检查各连接处密封性(关闭气瓶阀,查看读数指针是否下降明显);(5分)(3)检查残气报警。
(5分)2、佩戴使用时间由选手自己计时。
选手启动计时器开始计时后,方可开始进行佩戴。
3、选手佩戴完成后停止计时,并举手示意。
裁判进行检查,结束后向选手示意,选手方可摘下面罩,卸下器材,关闭气阀并泄压。
4、面罩与面部贴合不漏气,肩带、腰带调整至合适,安全帽佩戴好,佩戴完成后依靠空气呼吸器自主呼吸。
三、评分办法1、每组由4名裁判打分,选手得分为4名裁判平均分,遇本单位选手参赛,裁判员采取回避制度。
2、考核中损坏设备器具扣20分。
3、佩戴使用时间45s:佩戴时间在25s以内(含25s),满分65分;佩戴时间在26~35s以内(含35s),满分60分;佩戴时间在36~45s以内(含45s),满分55分;佩戴时间大于45s,该项不得分;佩戴后漏气不得分。
4、检查准备、佩戴和结束的具体考核标准见下表。
正压式空气呼吸器使用考核标准呼吸器操作扣分卡单位:岗位:姓名:日期:裁判签字:参赛队员签字:计分复核:。
附件1空气呼吸器、灭火器、气体检测仪考核及评分要求一、正压式空气呼吸器佩戴(应急状态下使用)员工佩戴时按照应急状态下使用的操作步骤(文后附)进行操作,步骤错误不得分(0分),步骤正确的情况下佩戴时间30秒以内(含30秒)为合格,超过30秒判定为不合格。
二、灭火器1.员工掌握灭火器的规格型号,知道A、B、C、D及带电设备火灾应选用的灭火种类、MFZ等基础知识;会判断灭火器是否处于有效状态,会对灭火器进行日常的维护保养。
(40分)2.员工正确掌握手提式干粉灭火器、二氧化碳灭火器、35公斤推车式灭火器的使用方法。
(60分)。
三、气体检测仪1.员工会根据检测仪的外观及开机后的自检显示准确判断气体检测仪的类型;认识气体检测仪的各个部件:可视报警灯、显示屏、开关机按钮、报警蜂闻器、传感器及护罩。
(20分)2.员工能够掌握相关参数:硫化氢检测仪的一、二级报警值;可燃气体检测仪的一、二级报警值;PPM及LEL的含义;会根据显示的数据正确读取检测数据,并判断现场的状态。
(60分)3.员工能正确开关机以及对检测仪进行充电。
(20分)。
附佩戴呼吸器(应急状态直接使用标准操作步骤)1.使气瓶的平地靠近自己,气瓶有压力表的一端向外,让背带的左右肩带套在两手之间,两手握住背板的左右把手,将呼吸器举过头顶,两手向后向下弯曲,将呼吸器落下,使左右肩带落在肩膀上(过肩式)。
使气瓶阀门和背托朝上,双手交叉穿过左右肩带,左右手握住背板把手,将呼吸器举过头顶,双手分开,将呼吸器落下,使左右肩带落在肩膀上(叠背法)。
2.拉下肩带使呼吸器处于合适的高度,也不需要调得过高,只要感觉舒服即可;3.插好胸带。
插好腰带,向前收紧调整松紧至合适。
4.佩戴面罩4.1拿出面罩,将面罩的头带放松;将面罩的颈带挂在脖子上;套上面罩,使下颌放入面罩的下颌承口中;拉上头带,使头带的中心处于头顶中心位置;拉紧下面两根头带至合适松紧,注意拉紧方向应向后;拉紧中间两根头带至合适松紧;拉紧上部一根头带至合适松紧;4.2检查佩戴的气密性:用手心将面罩的进气口堵住,深吸一口气,如感到面罩有向脸部吸紧的现象,且面罩内无任何气流流动,说明面罩和脸部是密封的。
考号:岗位:成绩分序号1考核内容准备评分标准劳保用品穿戴整齐(工衣、工鞋、参赛号)每缺一项扣2分1、面罩:检查面罩密封,有无裂纹和划伤、面罩系带是否完好、呼吸孔、供气阀、目镜。
2、肩带、腰带xx完好3^气瓶:气瓶表面无划痕。
4、气瓶测压:压力必须在25-30Mpa之间,停留15秒左右,观察管线有无泄漏,压力有无明显降低。
5、供气阀:工作正常6、报警装置:低压报警哨5-6Mpa鸣响,工作正常、报警值符合要求7、检查时将供气阀、压力表放置于地上扣2分;漏检一项扣3分;检查不到位一项扣1分。
8、时间:2分15秒,每超时1秒扣2分检查结束,选手示意,得到指令开始:1、打开气瓶阀,未打开气瓶阀扣3分2、将空气呼吸器气瓶背负起来(气瓶阀朝下)3、调整好肩带;未调整扣2分4、调节好腰带并系紧;未系紧扣2分5、带上面罩6、收紧面罩系带(下、中、上)并调节好松紧度,要求:面部感觉舒适,系带分布均匀无歪斜。
未系紧扣2分7、用手掌心堵住呼吸口,测试面罩密封性,未检查扣5分8、供气阀和面罩呼吸xx连接9、连续深呼吸,感觉呼吸畅通不憋闷配分5扣分吸器的2检查呼正确佩戴时间要求卸下程序其他340、举手示意完成。
裁判立即记录完成时间并检查穿戴是否符合要求, (面罩未带好造成面罩漏气扣50分,头发压入面罩扣20分)1> 25秒钟内完成佩戴程序正确、符合佩戴要求得40分2、每超一秒扣1分,每提前1秒加1分(满分40分)3、时间超过60秒该项目不得分当裁判检查完毕示意卸下:1、断开供气阀和面罩的连接2、放松面罩系带、摘下面罩,向上放置;未放松系带摘面罩扣2分松肩带、腰带,卸下气瓶,关闭气瓶阀。
3、按下供气阀按钮,排空输气管线空气4、整理归位5合计扣分得分评委签名 _______。
佩戴正压式呼吸器
1、检查合格证,品名、型号、该呼吸器在有效期内,可以使用
2、检查秒表完好无破损、打开秒表、停止秒表、秒表归零,秒表工作正常
3、检查气瓶压力,打开瓶头开关,待压力稳定后查看气瓶压力,气压为
MPa,低于使用标准的28-30MPa,请求更换。
4、检查腰带,固定牢靠、无打扭、无破损、腰带调整灵活、调至合适位置、
自锁扣灵活好用。
检查肩带,固定牢靠、无打扭、无破损、肩带调整灵活。
检查胸带,固定牢靠、无打扭、无破损、自锁扣灵活好用。
5、检查气瓶固定,气瓶定位准确、固定带松紧合适、气瓶固定牢靠。
6、检查全面罩,视窗明亮清洁无划痕,周边密封完好、无老化、无破损,检
查面罩气密性,气密性良好,检查头带,5根头带固定牢靠、无打扭、无
破损、头带调节灵活,将头带调整到合适位置,检查呼吸阀片、阀座完好,
检查通话阀片完好,检查呼吸膜片完好,检查口鼻罩固定牢靠、与视窗之
间清洁干净无杂物,检查颈带固定牢靠,无打扭,无破损。
7、检查高中压管路,中亚管路固定牢靠、无打扭、无破损,高压管路固定牢
靠、无打扭、无破损,压力表外观正常,红色报警区域清晰,停表,时间
超过1分钟、压力下降小于1MPa,管路气密性良好,残气报警器固定牢
靠、无堵塞,检查低压报警,气压下降到6MPa,时,残气报警装置准时
报警,供气阀打开正常,关闭正常,供气阀与全面罩连接牢固,残气报警
器工作正常
8、检查消毒、湿巾、、棉纱数量充足、垃圾盘清洁无杂物。
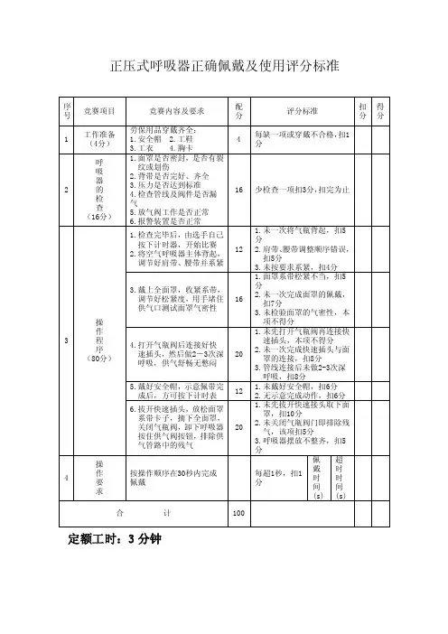
正压式呼吸器竞赛操作程序及评分标准
一、操作程序
裁判员下达“装备检查”命令后,参赛队员做如下检查和准备:打开空气呼吸器箱、检查呼吸器面罩、压力、报警器、背带、腰带、固定带,举手示意报“准备完毕”(检查装备不计时间)。
第一步:裁判员下达“开始”的口令(开始计时)
第二步:佩戴顺序为:
(1)佩戴呼吸器(过头式上肩,背上整套装置,双手扣住身体两侧的
肩带D型环,身体前倾,向后下方拉紧D型环直到肩带与身体充分贴合)
(2)调整肩带(拉肩带)
(3)系腰带扣子,调整腰、肩带;
(4)佩戴面具(先下颚,后头部,一只手托住面罩将面罩口鼻罩与脸
部完全贴合);
(5)调整头带(从下往上,另一只手将头带后拉罩住头部,然后收紧
头带);
(6)打开气瓶开关(不少于1圈);
(7)戴安全帽;
(8)查看压力表;
并举手示意报“好”。
裁判员“止表”并检查佩戴的完好情况。
二、空气呼吸器评分卡:
空气呼吸器佩戴完成时间45秒,总分100分,时限内完成不加
分,每超出时限1秒扣一分。
正压式空气呼吸器佩戴参考标准(一)检查要领。
1.检查面罩: 看面罩玻璃是否清晰完好无划痕、无裂痕或者是模糊不清;系带完好, 不缺, 不断;戴好面罩, 用手掌捂住呼吸道, 看是否密封不透气, 无“咝咝”的响声。
2.检查肩带、腰带: 腰带组、卡扣必须完好无损。
边检查边调整肩带、腰带长短(根据本人身体调整长短)。
3.检查气瓶的气密性:气瓶牢靠固定在背托上, 各压力表、管线连接紧固, 不松动不漏气, 打开和关闭瓶阀, 在一分钟内压力的下降≤2MPa ;工作压力30Mpa, 最小应为25 Mpa。
4.检查报警装置:检查压力表是否回零;检查气瓶压力, 开气瓶阀, 压力低于25Mpa不能使用;检查报警哨, 关闭气瓶阀, 按下供需阀的BY-PASS按扭, 慢慢放气, 观察压力表, 当压力低于5±0.5MPa时(红色区)报警哨响, 说明正常。
如果报警哨不发声或不在规定范围内, 必须维修才能使用。
因佩戴好后, 无法检测气瓶压力是否够用, 靠报警器哨声提醒气瓶压力大小。
(二)正确佩戴方法。
1.双手抓起气瓶背架从头顶向后背上气瓶, 扣上腰部卡扣, 并拉紧。
2.拉住肩带扣环, 向上跳, 拉紧肩带。
3.将总阀手轮左旋1.5-2圈打开气瓶开关。
4.挂上面罩带, 将面罩由下颚部套入并贴合面部。
5.把五点束带的中心放在头顶的后方, 均匀地由上至下抽拉束带的五个端部, 调节束带, 使其适当束紧。
6.将供气阀连接在面罩的供气接口处7.带上安全帽, 系好安全帽系绳。
(三)使用完毕后1.松开安全帽系绳。
2.将供气阀与面罩脱离。
3.扳开头带扳口, 卸下面罩。
4.将气瓶总阀手轮右旋关上气瓶开关。
5.松开肩带及腰带, 卸下背架气瓶。
6.轻按供气阀黄色控制按钮, 排空整个系统。
(五)场地器材在长5米、宽6米的空旷场地, 安全帽1顶, 摆放一具正压式空气呼吸器(6.8/30)。
设置检查区、安全区和抢险区三个区域。
(七)操作程序。
1.裁判下令开始检查器材(不计时, 计项目, 漏查每一项在穿戴时间上各加时2秒), 参赛队员检查内容: (检查背托、肩带、腰带、腰带组、卡扣(口述每一项)完好, (检查面罩紧固带、看面罩玻璃是否清晰、束紧带(口述)完好, 检查面罩气密(动作);(检查气瓶的附件及背托固定情况(口述), 打开气瓶阀检查各压力表、管线连接紧固、关闭瓶阀、检查报警装置(动作)。