《机电一体化实验技术》模拟题A
- 格式:doc
- 大小:38.00 KB
- 文档页数:2
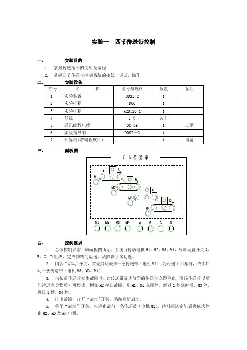
实验一四节传送带控制一、实验目的1.掌握传送指令的使用及编程2.掌握四节传送带控制系统的接线、调试、操作三、面板图四、控制要求1.总体控制要求:如面板图所示,系统由传动电机M1、M2、M3、M4,故障设置开关A、B、C、D组成,完成物料的运送、故障停止等功能。
2.闭合“启动"开关,首先启动最末一条传送带(电机M4),每经过1秒延时,依次启动一条传送带(电机M3、M2、M1).3.当某条传送带发生故障时,该传送带及其前面的传送带立即停止,而该传送带以后的待运完货物后方可停止。
例如M2存在故障,则M1、M2立即停,经过1秒延时后,M3停,再过1秒,M4停。
4.排出故障,打开“启动"开关,系统重新启动.5.关闭“启动”开关,先停止最前一条传送带(电机M1),待料运送完毕后再依次停止M2、M3及M4电机。
五、功能指令使用及程序流程图1.传送指令使用X0000为ON时,将源内容向目标内容传送,X0000为OFF时,数据不变化.2.程序流程图六、端口分配及接线图1.端口分配及功能表序号PLC地址(PLC端子) 电气符号(面板端子)功能说明1X00 SD 启动(SD)2X01 A 传送带A故障模拟3X02 B 传送带B故障模拟4X03 C 传送带C故障模拟5X04 D 传送带D故障模拟6Y00 M1 电机M17Y01 M2 电机M28Y02 M3 电机M39Y03 M4 电机M410主机COM、面板COM接电源GND 电源地端11主机COM0、COM1、COM2、COM3、COM4、COM5、接电源GND电源地端12面板V+接电源+24V 电源正端2.PLC外部接线图七、操作步骤1.检查实验设备中器材及调试程序。
2.按照I/O端口分配表或接线图完成PLC与实验模块之间的接线,认真检查,确保正确无误.3.打开示例程序或用户自己编写的控制程序,进行编译,有错误时根据提示信息修改,直至无误,用SC-09通讯编程电缆连接计算机串口与PLC通讯口,打开PLC主机电源开关,下载程序至PLC中,下载完毕后将PLC的“RUN/STOP”开关拨至“RUN"状态。
机电一体化专业论文题目选题参考1、基于虚拟原型的机电一体化建模与仿真技术研究2、基于实验教学的机电一体化研究3、MEMS加速度计与读出电路的研究4、基于LM628的运动控制器的技术研究5、基于机械手搬运系统模块的设计6、机电一体化精确定位装置及其控制系统设计7、空间机械臂机电一体化关节的仿真与设计8、基于SolidWorks&LabVIEW的机电一体化技术研究9、机电一体化新型旋转式海流计设计与开发应用10、橡塑工业循环温控技术机电一体化的设计应用11、人民币防伪鉴真机电一体化设计实验探索12、高职机电一体化专业项目驱动课程体系研究13、工业机器人在智能装备中的应用与发展趋势14、智能家居系统中的机电一体化技术研究与设计15、机电一体化在新能源汽车动力系统中的应用16、基于工业4.0的智能制造技术与机电一体化比较17、机电一体化技术在智能仓储系统中的研究18、机电一体化在航空航天领域的发展与应用19、自动化生产线上在机电一体化中的应用20、机电一体化技术在现代农业中的应用与发展21、智能医疗卫生中的机电一体化研究22、电动汽车动力总成在机电一体化技术中的研究23、机械加工工艺规程和专用夹具设计24、液压泵盖机械加工工艺规程和加工外圆夹具设计25、液压缸的结构及机械加工工艺分析26、机电一体化的创新设计自动化理论与技术研究27、机电一体化系统方案生成及研究28、伺服电机驱动的机电及机电液一体化压力机研究29、机电一体化专业物理课程内容设置研究30、新型开关磁阻平面电机的建模及控制31、带电清扫机器人液压自动调平系统的设计与研究32、机电一体化特技运动模型对电影影像真实感营造研究33、浅析滚动轴承的加工工艺34、传动轴的加工工艺及夹具设计35、壳体零件机械加工工艺及工艺装备设计36、轴类零件加工工艺及夹具设计37、活塞工艺夹具设计38、凸轮轴零件工艺规程设计39、某专用机械传动系统设计40、某轻工产品加工机器设计41、典型机床维修技术42、冲床自动送料机同步控制研究43、基于虚拟原型的机电一体化设计技术研究44、LED关键应用技术研究45、浅谈自动化机床的故障排除技术46、浅论车削加工中的振动与控制47、浅论三相异步电动机的机械特性、启动、制动与调速48、发动机出现异响的原因与排除49、试析模具的制造及CAD/CAE技术的应用50、关于电动机再起动技术的几点认识51、滚动轴承的润滑方式52、汽油发动机润滑系统故障处理53、简述汽车电控发动机维修方法54、超精密数控车床关键部件的设计55、带式二级圆锥圆柱齿轮减速器设计56、带式输送机的PLC控制57、花生去壳机毕业设计58、活塞结构设计与工艺设计59、矿井水仓清理工作的机械化60、普通卧式车床数控改造61、洗衣机机盖的注塑模具设计62、凸轮轴零件工艺规程设计63、箱体类零件三维造型及数控加工程序设计64、自动洗衣机行星齿轮减速器的设计65、××县农机化发展现状及对策66、机械化保护性耕作技术及推广措施67、液压油的选择与使用注意事项68、对农机安全监理工作的思考69、电气工程训练与电工电子技术应用70、浅析PLC控制的多电机同步系统71、某农产品加工机器设计72、典型机床维修技术73、圆锥-圆柱齿轮减速器的设计74、数控机床的现状及发展趋势75、数字化制造技术现状与发展趋势76、机电一体化技术在办公自动化设备中的应用77、数控机床故障的诊断研究78、铣削加工过程中过切与欠切现象的形成原因及控制方法79、数控车削加工工艺分析之我见80、高速免耕播种机单体设计与试验研究81、密闭空间中云台及其快换系统的研发82、装配式建筑成本影响因素分析与优化研究83、土高精度大屏幕LED日历时钟84、楼宇智能监控系统85、LCD数字显示体温计86、数控车床某一种故障分析与维修维护技术87、立体停车库液压抱持式搬运器的研发88、重载工业机械臂数据逻辑攻击及检测研究89、液压挖掘机工作装置机液仿真研究90、石油机电事故影响因素与技术管理要点略述91、数控机床机械加工效率的改进方法研究92、高速公路机电工程施工质量及控制策略研究93、PLC技术在变电站电容器控制中的应用分析94、机电一体化技术在地质勘探工程中的应用95、旱田移栽机机械手自动喂苗系统96、机械设计制造及其自动化的应用研究97、数控机床常见故障的分类及常规处理分析98、浅谈汽车上装载的自动变速器99、新能源汽车线控转向系统驱动电路设计100、高速精密电主轴轴承的动态特性分析与试验101、浅谈现代机械制造技术及其发展102、钻井常见复杂情况机理分析与数据库设计103、齿轮箱振动信号频谱分析与故障诊断104、数控枪钻机床-总体及钻削系统设计105、电驱动钻机用新型齿轮传动绞车设计106、固定型液体驱动射流泵采油装置设计107、海洋钻井平台钻杆自动排放及移动运系统设计108、十字路口交通信号灯的PLC控制程序设计109、气体驱动射流泵采油装置设计110、无杆往复地下抽油机结构设计111、基于PLC的打包机控制系统112、基于PLC的电机顺序控制系统的改造114、四层电梯教学模型PLC控制系统的设计115、PLC控制的花样喷泉系统设计116、基于PLC的X62W型卧式万能铣床润滑系统设计117、基于PLC的电梯控制系统设计118、PLC控制的三相异步电动机正反转控制119、基于PLC的智能车库门控制系统设计120、PLC在数控机床控制系统中的应用121、基于PLC的机械手分选大小球的自动控制122、基于PLC的摇臂转床控制系统设计123、PLC在电梯自动化控制中的应用124、PLC在城市道路交通信号控制中的应用125、自动送料车系统PLC控制设计126、万能外圆磨床液压系统设计127、挖掘机液压系统设计128、液压全自动步进上料机构的设计129、自动售货机的PLC系统设计130、PLC对普通车床的电气改造设计131、PLC在变频调速恒压供水系统中应用132、机电液一体化技术在工程机械设备中的应用133、数控加工中心零件加工的程序设计134、机电一体化技术在家用电器的应用与发展135、论述机电行业网络化制造技术的应用及发展趋势136、液压油的选择与使用注意事项137、浅谈自动化机床的故障排除技术138、发动机出现异响的原因与排除139、PLC在景杆和灯杆控制系统中的应用140、大型商厦观光电梯的电气控制系统设计141、PLC控制直列式加工自动线142、小型立体仓库电气控制系统的设计144、基于PLC的自动送料小车控制设计145、霓虹灯广告屏装置PLC控制梯形图的设计与调试146、基于工控机和PLC设计喷油泵实验台监控系统147、自动售货机的PLC系统设计148、工业机械手模型基于PLC的控制系统软硬件设计149、PLC对普通车床的电气改造设计150、电梯的PLC控制系统设计151、五层五站电梯PLC控制152、PLC在变频调速恒压供水系统中应用153、PLC在景杆和灯杆控制系统中的应用154、大型商厦观光电梯的电气控制系统设计155、PLC控制直列式加工自动线156、小型立体仓库电气控制系统的设计157、基于PLC的自动送料小车控制设计158、霓虹灯广告屏装置PLC控制梯形图的设计与调试159、基于工控机和PLC设计喷油泵实验台监控系统160、自动售货机的PLC系统设计161、出租车计价器工作机理分析与改进162、某模拟点名器工作机理分析与改进163、十字路口交通灯控制系统机理分析与改进164、电梯自动控制系统机理分析与改进165、抢答器控制系统机理分析与改进166、花盆缺水报警器系统机理分析与改进167、简易电子时钟工作机理分析与改进168、变频器在数控机床上的应用与分析169、多种数控加工技术综合应用的研究170、某活塞加工工艺的分析及其典型夹具的CAD改进171、注塑模具闹钟后盖设计172、CA6140车床主轴箱的设计173、蔬菜切丝机的设计174、PLC在高楼供水系统中的应用175、乘客电梯的PLC控制176、电动自行车调速系统的设计177、知识竞赛抢答器设计178、自动洗衣机行星齿轮减速器的设计179、测力传感器的设计180、鱼缸水温控制系统的设计181、现代家居配电设计探讨182、自动售货机的设计183、液压缸的结构及机械加工工艺分析184、浅析滚动轴承的加工工艺185、大功率柴油发动机拉缸故障原因分析与使用维护186、浅谈汽车电控发动机起动故障的诊断与排除187、关于自动封口包装机光感传感器的分析188、水泵机械密封的渗漏原因与解决措施189、空调冷热源方案的选择及分析190、浅谈我国机械制造业的信息化191、电力电子技术在电力系统中的应用192、传动轴的加工工艺及夹具设计193、壳体零件机械加工工艺及工艺装备设计194、轴类零件加工工艺及夹具设计195、新型数控车床电气控制设计196、基于数控机床的PLC技术的研究197、单片机在数控机床上的应用与研究198、PLC控制的抢答器设计199、基于PLC十字路口信号灯控制系统设计200、PLC控制的自动存包柜设计。
机电一体化技术课后习题及答案(孙卫青版第二版)1- 1 、试说机电一体化的含义答:机电一体化是在机械主功能、动力功能、信息功能和控制功能上引进微电子技术,并将机械装置与电子装置用相关软件有机结合而构成系统的总称。
1- 2 、机电一体化的主要组成、作用及其特点是什么答:主要由机械本体、动力系统、传感与检测系统、信息处理及控制系统和执行装置等组成。
机械本体用于支撑和连接其他要素,并把这些要素合理的结合起来,形成有机的整体。
动力系统为机电一体化产品提供能量和动力功能,驱动执行机构工作以完成预定的主功能。
传感与检测系统将机电一体化产品在运行过程中所需要的自身和外界环境的各种参数及状态转换成可以测定的物理量,同时利用检测系统的功能对这些物理量进行测定,为机电一体化产品提供运行控制所需的各种信息。
执行装置在控制信息的作用下完成要求的动作,实现产品的主功能。
1- 3 、工业三大要素是什么?答:物质、能量和信息。
1- 4 、传统机电产品与机电一体化产品主要区别是什么?答:传统的机电产品机械与电子系统相对独立,可以分别工作。
机电一体化产品是机械系统和微电子系统的有机结合,从而赋予其新的功能和性能的一种新产品,产品功能是由所有功能单元共同作用的结果。
1- 6 、应用机电一体化技术的突出特点是什么?答:①精度提高;②生产能力和工作质量提高;③使用安全性和可靠性提高;④调解和维护方便,使用性能改善;⑤具有复合功能,适用面广;⑥改善劳动条件,有利于自动化生产;⑦节约能源,减少耗材;⑧增强柔性。
1- 7 、机电一体化的主要支撑技术有哪些,它们的作用如何?答:1、传感测试技术,在机电一体化产品中,工作过程的各种参数、工作状态以及工作过程有关的相关信息都要通过传感器进行接收,并通过相应的信号检测装置进行测量,然后送入信息处理装置以及反馈给控制装置,以实现产品工作过程的自动控制。
2、信息处理技术,在机电一体化产品工作过程中,参与工作过程各种参数和状态以及自动控制有关的信息输入、识别、变换、运算、存储、输出和决策分析。
机电一体化系统模拟试卷1一、判断题:14个题,每小题2分,合计28分。
1. 机电一体化产品是在机械产品的基础上,采用微电子技术和计算机技术生产出来的新一代产品。
【A.】√【B.】×2. 无论哪类系统(或产品),其系统内部都必须具备五种内部功能,即:操作功能(主功能)、动力功能、检测功能、控制功能和构造功能。
【A.】√【B.】×3. 在机电一体化系统中,通过提高系统的阻尼能力不能有效提高系统的稳定性。
【A.】√【B.】×4. 滚珠丝杠副在使用过程中,除了要求本身单一方向的传动精度较高以外,还对其轴向间隙有着严格的要求,从而保证其反向的传动精度。
【A.】√【B.】×5. 模拟式传感器输出是以幅值形式表示输入位移的大小,如电容式传感器、电感式传感器等。
【A.】√【B.】×6. 机电一体化系统中使用的传感器,一般是将被测的电物理量转换成非电参量。
【A.】√【B.】×7. 直流伺服电动机稳定性高是指转速随转矩的增加而保持不变。
【A.】√【B.】×8. 工业控制计算机、各类微处理器、可编程序控制器、数控装置等是机电一体化系统中的核心和智能要素。
【A.】√【B.】×9. 在机电一体化系统中,多数以微型计算机为核心构成计算机控制系统。
【A.】√【B.】×10. 在串联机器人机械系统中,电动驱动器可以直接驱动负载。
【A.】√【B.】×11. 并联机构是一组由两个或两个以上的分支机构通过运动副,按一定的方式连接而成的开环机构。
【A.】√【B.】×12. FMS尽管具有高柔性,但是这种柔性仍然限于特定的范围,如加工箱体零件的FMS不能用于加工旋转体、冲压件等。
【A.】√【B.】×13. 加工系统在FMS中就像人的大脑,是实际完成改变物性任务的执行系统。
【A.】√【B.】×14. 非接触式测量不仅避免了接触测量中需要对测头半径加以补偿所带来的麻烦,而且可以对各类表面进行高速三维扫描。
机电一体化技能竞赛模拟试题及答案(二)一、填空题(共15分)1、精度包括了三方面的含义:、和精确度。
2、精密度是从随机误差的角度来反映系统的与的近似程度。
3、程序判断滤波根据处理方法,可分为滤波和滤波4、PWM的含义是。
5、用微机对步进电机进行加减速控制,实际上就是改变,加速时使脉冲逐渐,减速时使脉冲逐渐。
二、选择题(共20分)1、逻辑表达式A+BC=()。
A、ABB、A+CC、(A+B)(A+C)D、B+C2、正逻辑是指()。
A、高电平用“1”表示B、低电平用“0”表示C、高电平用“0”表示,低电平用“1”表示D、高电平用“1”表示,低电平用“0”表示3、对于三变量逻辑函数,最小项有()个。
A、0B、8C、1D、164、数码显示译码电路应有()个输出端。
A、8B、7C、16D、95、下列哪一项不是滚珠丝杠副的优点?()A、传动效率高B、运动平稳C、可自锁D、不易磨损6、下列哪一项可以实现轴上零件的周向定位?()A、定位套筒B、紧定螺钉C、轴肩D、圆螺母7、脉宽调制的方法是什么?()A、周期固定,改变脉宽B、脉宽固定,改变周期C、同时改变频率和脉宽D、同时改变周期和脉宽8、对于要求体积小、重量轻的齿轮传动系统可按()分配传动比。
A、重量最轻原则B、输出轴转角误差最小原则C、等效转动惯量最小原则D、B和CA. 重复性B.线性度C.阻尼比D.稳定性10、属于传感器阶跃响应的动态特性指标的是()A. 重复性B. 线性度C. 时间常数电D. 临界频率三、判断题(共15分)1、电路中任意一个节点上,流入该节点电流之和一定等于流出该节点的电流之和。
()2、电流由元件的低电位端流向高电位端的参考方向称为关联方向。
()3、VtuA)3sin(141πω+=则该正弦电压的相量形式为VU A0.60100∠=。
()4、左手定律即可以判断通电导体的受力,又可以判断直导体的感应电流方向。
()5、采用支路电流法用基尔霍夫电流定律列节点电流方程时间,若电路有n个节点,则一定要列出n个节点电流方程。
模拟试题一一、判断题(每题3分,共30分。
判断下列所述是否正确,正确填入“√”号,错误则填“×”号。
)1.机电一体化是以数学和物理学为主的多门学科在机电产品发展过程中相互交叉、相互渗透而形成的一门新兴边缘性技术学科。
()2.机电一体化系统的精度是由机械装置的精度确定的。
()3.系统的静摩擦阻尼越大,使系统的回程误差增大,定位精度降低。
()4.位移传感器还可以分为模拟式传感器和数字式传感器,模拟式传感器输出是以幅值形式表示输入位移的大小,数字式传感器的输出是以脉冲数量的多少表示位移的大小。
()5.气压式伺服驱动系统常用在定位精度较高的场合使用。
()6..改变步进电机定子绕组的通电顺序,转子的旋转方向随之改变。
()7.直流伺服电动机的机械特性是电机转速与其控制电压的关系。
()8.在实际机电一体化系统中,很难建立严格的数学模型,因此建立描述模型。
()9.用户可以按照自己的需要,把来自不同供应商的产品组成大小随意的系统,然后通过现场总线构筑自动化领域的开放互连系统。
()10..数控机床中的计算机属于机电一体化系统的控制系统,而电机和主轴箱则属于系统的驱动部分。
()二、单选题(每题3分,共30分)1.以下产品属于机电一体化产品的是()。
【A.】通信机柜【B.】移动电话【C.】复印机【D.】非指针式电子表2.齿轮传动在输出轴上的等效转动惯量随传动比级数的()。
【A.】增加而减小【B.】增加而增加【C.】减小而增加【D.】变化而不变3.机械传动部件的阻尼比和以下哪个因素无关()。
【A.】粘性阻尼系数【B.】抗压刚度系数【C.】转动惯量【D.】质量4.下列哪项指标是传感器的动特性()。
【A.】量程【B.】线性度【C.】灵敏度【D.】幅频特性5.全闭环控制的驱动装置中,丝杠螺母机构位于闭环之内,所以它的()。
【A.】回程误差不影响输出精度,但传动误差影响输出精度【B.】传动误差不影响输出精度,但回程误差影响输出精度【C.】回程误差和传动误差都不会影响输出精度【D.】回程误差和传动误差都会影响输出精度6.PWM指的是()。
机电⼀体化复习习题集⼀、选择题1.机电⼀体化是机械与()A.⾃动控制技术有机结合的产物B.伺服驱动技术有机结合的产物C.电⼦技术有机结合的产物D.计算机信息处理技术有机结合的产物2.开发性设计是在既没有参考样板⼜没有具体设计⽅案的情形下()A.对现有系统进⾏局部更改的设计B.根据抽象原理按系统性能要求进⾏设计C.仅改变现有系统的规格尺⼨的设计 C.根据抽象原理进⾏局部更改的设计3.适应性设计是在总的⽅案原理基本保持不变的情况下()A.对现有系统进⾏局部更改的设计B.根据抽象原理对系统性能要求进⾏设计C.仅改变现有系统的规格尺⼨的设计D.根据抽象原理进⾏局部更改的设计4.变异性设计是在设计⽅案和功能结构不变的情况下()A.对现有系统进⾏局部更改的设计B.根据抽象设计原理对系统性能要求进⾏设计C.仅改变现有系统的规格尺⼨的设计D.根据抽象设计原理进⾏局部更改的设计5.机电⼀体化与英⽂单词()A.Mechanics⼀致B.Electronics⼀致C.Mechatronics⼀致D.Electric-Machine⼀致6.柔性化是在⽣产对象变更需要改变传动机构的动作规律时,()A.⽆须改变硬件只改变软件就可以B.⽆须改变软件只改变硬件就可以C.既要改变硬件⼜要改变软件才⾏D.既不改变硬件⼜不改变软件⼆、名词解释题1.机电⼀体化2.机电⼀体化技术3.机电⼀体化产品6.开发性设计7.适应性设计 8.变异性设计三、简述题1.简答机电⼀体化系统实现⽬的功能的内部功能。
2.简述机电⼀体化的发展趋势。
3.简答机电⼀体化技术的主要特征。
4.简答机电⼀体化系统的⽬的功能。
5.机电⼀体化系统有哪些基本要素?6.机电⼀体化⽣产系统由哪⼏个部分组成?7.机电⼀体化系统设计的原则有哪些?8.机电⼀体化系统的设计类型有哪些?第1章机械系统设计⼀、选择题1.滚珠丝杠副的传动效率⾼达0.90以上,为滑动丝杠副的()A.6倍B.0.5倍C.3~4倍D.10~20倍2.滚动直线导轨副的承载能⼒是平⾯滚道形式的()A.23倍B.13倍C.4倍D.33倍3.常将多轴驱动系统的惯性载荷折算成等效的单轴系统,并使折算后的单轴系统与折算前的多轴系统保持()A.动⼒性能不变B.运动性能不变C.静⼒性能不变D.稳态性能不变4.启动或反向时,系统的输⼊运动与输出运动之间的差值就是系统的()A.负载动量B.机械能量C.失动能D.失动量5.齿轮传动的总等效惯量随传动级数( )A.增加⽽减⼩B.增加⽽增加C.减⼩⽽减⼩D.变化⽽不变6.在设计滚珠丝杠副时所要求的硬度HRC()A.越⼩其硬度系数就越⼩B.越⼤其硬度系数就越⼩D.⼤⼩与其硬度系数⽆关7.滚珠丝杆螺母副结构有两类:内循环反向器式和()A.外循环插管式B.外循环反向器式C.内、外双循环D.内循环插管式 8就滚珠丝杠副压杆稳定性和临界转速⽐较,⼀端固定⼀端⾃由的结构形式()A.⽐⼀端固定⼀端游动的低B.⽐⼀端固定⼀端游动的⾼C.与⼀端固定⼀端游动相等D.为最⾼9.对步进电动机进给系统中齿轮传动装置进⾏传动⽐分配的原则是()A.最⼤负载惯量原则B.最⼩负载惯量原则C.最⼤负载转矩原则D.最⼩负载转矩原则 10.据齿轮系传动⽐最佳分配条件,简化的最佳速⽐分配关系为( )A.2212i i =B. 2212i i =C. 212i i =D. 212i i =11.偏⼼轴套调整法是采⽤偏⼼轴套的旋转来改变()A.两齿轮轴向位移量以消除齿侧间隙B.齿轮之间的中⼼距以消除齿侧间隙C.两齿轮相对旋转的⾓位移消除间隙D.两薄⽚齿轮之间垫⽚厚度以消除间隙 12.滚动摩擦系数⼏乎与运动速度⽆关,其动摩擦⼒与静摩擦⼒之差()A.极⼤B.极⼩C.为零D.为⽆穷⼤ 13.在开环步进电机-丝杠系统中,传动⽐⼤⼩与系统步进电机的()B.步距⾓有关C.失调⾓有关D.控制⾓有关 14.滚珠丝杠螺母副结构类型有两类:外循环插管式和()A.内循环插管式B.外循环反向器式C.内、外双循环D.内循环反向器式 15.齿轮传动机构采取消隙措施,可以消除齿侧间隙及其造成的()A.换向误差B.换向死区C.换向冲击D.换向阻⼒ 16.滚珠丝杠副可以将直线运动变为()A.旋转运动B.直线运动C.螺旋运动D.正弦运动 17.⼯作机械的负载特性是⼯作机械在运⾏过程中()A.运⾏阻⼒与转速的关系B.运动质量与转速的关系C.功率与转速的关系D.运动惯性与转速的关系18.负载转动惯量由执⾏部件以及上⾯装的夹具、⼯件或⼑具、滚珠丝杠、联轴器等直线和旋转运动部件的质量或惯量折合到()A.齿轮轴上的惯量组成B.输出轴上的惯量组成C.电动机轴上的惯量组成D.丝杠轴上的惯量组成19.齿轮传动的总等效惯量随传动级数( )A.增加⽽减⼩B.增加⽽增加C.减⼩⽽减⼩D.变化⽽不变20.滚珠丝杠副螺纹滚道型⾯的截⾯形状有()A.单圆弧型⾯和抛物线型⾯B.双圆弧型⾯和椭圆弧型⾯C.抛物线型⾯和椭圆弧型⾯D.单圆弧型⾯和双圆弧型⾯21.导轨截⾯为矩形截⾯的滚动导轨承载时其受⼒()A.上下⽅向相等但左右不等B.上下左右各⽅向⼤⼩相等D.上下左右各⽅向⼤⼩均不相等22.启动或反向时,系统的输⼊运动与输出运动之间的差值就是系统的()A.定位误差B.系统误差C.静态误差D.死区误差23.在设计滚珠丝杠副时⼯作()A.越平稳所选载荷系数越⼤B.条件越恶劣所选载荷系数越⼩C.条件越恶劣所选载荷系数越⼤D.条件情况与载荷系数的选取⽆关24.滚珠丝杠副为单圆弧型⾯螺纹滚道时,其接触⾓随轴向负荷()A.增⼤⽽减⼩B.增⼤⽽增⼤C.减⼩⽽增⼤D.减⼩⽽减⼩25.在开环步进电机-丝杠系统中,齿轮副传动装置的传动⽐⼤⼩与系统()A.丝杠长度有关B.导轨长度有关C.丝杠导程有关D.导轨刚度有关26.在设计滚动导轨副时滑座的()A.运动速度越⼩所选载荷系数越⼤B.运动速度越⼤所选载荷系数越⼤C.运动⽆冲击时所选载荷系数越⼤D.运动情况与载荷系数的选取⽆关27.滚珠丝杠副为双圆弧型⾯螺纹滚道时,其接触⾓()A.随轴向负荷变化⽽变化B.随径向负荷变化⽽变化C.不随轴向负荷⽽变化D.不随径向负荷变化⽽变化28.摩擦⼒引起的死区误差实质上是在驱动⼒的作⽤下,传动机构为克服静摩擦⼒⽽产⽣的()A.弹性变形B.局部变形D.塑性变形29.在开环步进电机-丝杠系统中,齿轮副传动装置的传动⽐⼤⼩与系统()A.丝杠长度有关B.导轨长度有关C.丝杠导程有关D.导轨刚度有关30.摩擦⼒引起的死区误差实质上是在驱动⼒的作⽤下,传动机构为克服()A.动摩擦⼒⽽产⽣的弹性变形B.静摩擦⼒⽽产⽣的弹性变形C.惯性⼒⽽产⽣的弹性变形D.负载⼒⽽产⽣的弹性变形31.在设计滚动导轨副时其滑座的()A.运动速度越⼩所选载荷系数越⼤B.运动速度越⼤所选载荷系数越⼩C.运动情况与载荷系数的选取⽆关D.运动速度越⼤所选载荷系数越⼤32.计算齿轮传动系统时⾮随机载荷的采⽤()A.⽅和根综合法B.回归分析综合法C.峰值综合法D.正交实验法33.机电⼀体化系统中的齿轮传动可以实现()A.刚度匹配B.阻尼⽐匹配C.频带宽度匹配D.脉冲当量匹配34.齿轮传动系统的最佳总传动⽐是()的传动⽐A.负载加速度最⼩或负载等效转矩最⼤B.负载加速度最⼤或负载等效转矩最⼩C.负载加速度最⼤或负载等效转矩最⼤D.负载加速度最⼩或负载等效转矩最⼩34.为了提⾼齿轮传动系统度精度,并使机构紧凑,各级传动⽐()A.应按“前⼤后⼩”次序分配B. 应按“前⼩后⼤”次序分配D.应与伺服系统匹配⼆、名词解释题1.失动量2.等效负载转矩3.死区误差4.丝杠副的轴向间隙5.载荷的类⽐法6.载荷的计算法7.等效负载转动惯量 8.滚珠丝杆螺母副的传动刚度 9.峰值综合负载 10.⽅和根综合负载 11.最佳总传动⽐ 12.压电晶体的逆压电效应三、简述题1.简述机电⼀体化传动机构对系统性能的影响。
选择题试题库第1章机电一体化的基本概念1、对于机电一体化系统的涵义,至今还有不同的认识。
但对机电一体化的本质特性认为是一个①计算机系统②机械系统③传感系统④电气系统2、接口有三个基本功能,它们是①变换、放大、传递②变换、放大、转换③变换、放大、控制④变换、放大、处理3、机电一体化技术是各种技术相互渗透的结果,下列技术不属于其主要相关技术的是①机械技术②检测传感技术③自动控制技术④多媒体技术4、机电一体化系统由许多要素或子系统组成,各子系统之间要能顺利地进行物质、能量和信息的传递和交换,必须在各要素或子系统的相接处具备一定的连接部件,这个连接部件就称为①传感检测单元②执行单元③驱动单元④接口5、机电一体化技术的发展前景应从如下方面考虑,说法错误的是①从性能上②从功能上③从层次上④从高技术的水平上6、机电一体化技术是微电子技术向机械工业渗透过程中逐渐形成的一种综合技术。
是一门集机械技术、电子技术、信息技术、计算机及软件技术、自动控制技术及其他技术互相融合而成的多学科交叉的综合技术。
机电一体化的概念是哪国学者提出的?①中国②美国③德国④日本第2章精密机械传动与支承技术在机电一体化系统中的应用1、爬行是影响进给精度的主要因素。
为了提高进给精度,必须消除爬行现象,主要应采取措施,不正确的是①提高传动系统的刚度②尽量缩短传动链,减小传动件数和弹性变形量。
③减少摩擦力的变化④提高临界速度2、机电一体化进给传动系统,由于齿轮传动级数的增加,会使齿隙和静摩擦增加,传动效率降低,故传动级数一般不超过几级。
① 1 ② 2 ③ 3 ④ 43、机电一体化系统的惯量大,会使系统的固有频率下降,产生谐振;但系统的惯量增大也有利于①提高伺服精度②提高响应速度③扩大伺服带宽④改善低速爬行4、移动工作台的惯量折算到旋转丝杠上的转动惯量是①②③④5、齿轮传动比的分配中,遵循“前大后小”原则的是①最小等效转动惯量原则(小功率传动装置)②最小等效转动惯量原则(大功率传动装置)③质量最小原则(小功率传动装置)④质量最小原则(大功率传动装置)6、齿轮传动比的分配中,传动比分配的结果为各分传动比相等,其遵循的原则是①最小等效转动惯量原则(小功率传动装置)②最小等效转动惯量原则(大功率传动装置)③质量最小原则(小功率传动装置)④质量最小原则(大功率传动装置)7、消除间隙的齿轮传动机构中,下列调整法中能实现自动补偿的是①直齿圆柱偏心轴套②直齿圆柱锥度齿轮③直齿圆柱双片薄片齿轮错齿④斜齿圆柱轴向垫片8、滚珠丝杠副的轴向间隙调整和预紧方法中,广泛采用双螺母预紧方式,下列预紧法中最精密的是①双螺母垫片调隙式②双螺母螺纹调隙式③双螺母齿差调隙式9、同步带标记“800 DI H 300”,其中“800”表示①800mm ②长度代号为800 ③节线长度为800 mm10、谐波齿轮减速器的最大特点,下列说法错误的是①传动比大②承载能力小③传动精度高④齿侧间隙小11、滚珠丝杠副轴向间隙调整与预紧方案中,便于调整且精度最高的方案是A. 双螺母螺纹预紧B. 双螺母齿差预紧C. 双螺母垫片预紧12、滚珠的工作圈(或列)数由试验可知:第一、第二和第三圈(或列)分别承受轴向载荷的A. 20%、30%、50%B. 30%、20%、50%C. 50%、30%、20%13、数控机床要求在什么进给运动下不爬行,有高的灵敏度。
完整word版,期末考试机电一体化计算试题编辑整理:尊敬的读者朋友们:这里是精品文档编辑中心,本文档内容是由我和我的同事精心编辑整理后发布的,发布之前我们对文中内容进行仔细校对,但是难免会有疏漏的地方,但是任然希望(完整word版,期末考试机电一体化计算试题)的内容能够给您的工作和学习带来便利。
同时也真诚的希望收到您的建议和反馈,这将是我们进步的源泉,前进的动力。
本文可编辑可修改,如果觉得对您有帮助请收藏以便随时查阅,最后祝您生活愉快业绩进步,以下为完整word版,期末考试机电一体化计算试题的全部内容。
如图所示的伺服系统,试分析齿轮减速器的传动误差对工作台输出精度的影响。
对于开环步进电机位置控制系统,由于无检测装置,不对位置进行检测和反馈,齿轮减速器的传动误差(误差的高频分量)和回程误差(误差的低频分量)将直接影响工作台的输出精度四、计算题 (24分)1.(14分)已知图示丝杠螺母驱动系统,工作台的质量m =80Kg ,丝杠螺距t =6mm ,丝杠的转动惯量23106.1m Kg J s ⋅⨯=-,齿轮传动比i =2,两齿轮的转动惯量分别为241g 102.1m K J z ⋅⨯=-,232g 109.1m K J z ⋅⨯=-.试求折算到电机轴上的总等效惯量J e ?等效惯量可以分为以下几个部分来计算(1)电机轴上的元件(齿轮1)2411102.1m kg J J Z e ⋅⨯==-(2)中间轴上的元件(齿轮2)243222121075.4109.1211m kg J i J Z e ⋅⨯=⨯⨯==-- (3)负载轴上的元件(丝杠、工作台))(123L s e J J i J +=丝杠惯量:23106.1m kg J s ⋅⨯=-工作台折算到丝杠上的惯量:24221073.0)28.6006.0(80)2(m kg t m J L ⋅⨯=⨯==-π2443231018.4)1073.0106.1(41)(1m kg J J iJ L s e ⋅⨯=⨯+⨯=+=--- 总的折算惯量为23444321.10013.11018.41075.4102.1m kg J J J J e e e e ----⨯=⨯+⨯+⨯=++=2.(10分)如图所示电机驱动系统,已知工作台的质量为m =60Kg ,负载力为N 1200=l F ,最大加速度为10m/s 2,丝杠直径为d =16mm,导程t =4mm ,齿轮减速比为i =5,总效率为%40=η,忽略丝杠惯量的影响,试计算电机的驱动力矩。
单独招生机电类模拟考试题含参考答案一、单选题(共50题,每题1分,共50分)1、法拉第电磁感应定律可以这样表述:闭合电路中感应电动势的大小()A、与穿过这一闭合电路的磁通成正比B、与穿过这一闭合电路的磁通变化率成正比C、与穿过这一闭合电路的磁通变化量成正比D、与穿过这一闭合电路的磁感应强度成正比正确答案:B2、自动往返控制行程控制线路需要对电动机实现自动转换的( )控制才能达到要求A、自锁B、正反转C、点动D、联锁正确答案:B3、汽车的前进和后退的实现是利用了轮系中的A、惰轮B、末端齿轮C、主动轮D、从动轮正确答案:A4、活塞有效作用面积一定时,活塞的运动速度取决于( )A、液压缸中油液的压力B、进入液压缸的流量C、液压泵的输出流量D、负载阻力的大小正确答案:B5、在有电容滤波的单相半波整流电路中,若要使输出电压为50V,则变压器的次级电压应为A、70VB、72VC、27VD、50V正确答案:D6、三极管处于放大状态时,三个电极的电流的关系正确的是A、IE=IB+ICB、IB=IC+IEC、IC=IB+IED、IE=IB=IC正确答案:A7、电烙铁的金属外壳应( )A、采用双重绝缘B、采用可靠绝缘C、必须接地D、不接地正确答案:C8、( )仓库应设避雷设备A、危险品B、任何C、贵重物品D、劳保正确答案:A9、一段导线其阻值为R,若将其从中间对折合并成一条新的导线,其阻值为A、1/4RB、1/8RC、1/2RD、2R正确答案:A10、系统面板上的ALTER键用于( )程序中的字A、删除B、替换C、插入D、清除正确答案:B11、半导体稳压二极管正常稳压时,应当工作于A、反向偏置未击穿状态B、正向偏置导通状态C、正向偏置未导通状态D、反向偏置击穿状态正确答案:D12、PLC的点数是指()A、输入点数B、输出点数C、输入点数和输出点数的总和D、位数正确答案:C13、将2欧姆与3欧姆的两个电阻串联后,接在电压为10伏的电源上,2欧姆电阻上消耗的功率为A、4瓦B、10瓦C、8瓦D、6瓦正确答案:A14、如果要寄存6位二进制数码,通常要用()个触发器来构成寄存器。
《机电一体化技术》试题1. 直流测速发电机输出的是与转速( )A.成正比的交流电压B.成反比的交流电压C.成正比的直流电压D.成反比的直流电压2. 下列不属于温度传感器的是()A 热释电传感器B 热敏电阻C 铂热电阻 D. 热电偶3. 下列不属于滚珠丝杠副的特点是()A.传动效率高B.制造工艺复杂C.运动具有可逆性 D.可以自锁4. 机电一体化系统中的MPS指的是()。
A.机器人B.计算机集成系统C.模块化生产加工系统D.柔性制造系统5. 下列传感器中属于位置传感器的是()。
A.极限开关B.脉冲编码器C.光栅D.感应同步器6. 步进电动机,又称电脉冲马达,是通过()决定转角位移的一种伺服电动机。
A 脉冲的宽度B 脉冲的数量C 脉冲的相位D 脉冲的占空比7. Mechatronics是两个不同学科领域名称的组合,这两个不同的学科是()。
A机械学与信息技术 B 机械学与电子学 C 机械学与自动化技术D 机械学与计算机8. 某光栅条纹密度是100条/mm,光栅条纹间夹角θ=0.001孤度,则莫尔条纹的宽度是( ) 1/100/0.001A.100mmB.20mmC.10mmD.0.1mm9. 某反应式步进电机,转子齿数为20,它以三相双三拍通电方式工作时,步进电机的步距角为()A.1.5°B. 3° C 2.5° D. 6°10. 感应同步器可用于检测()A.位置B.加速度C.速度D.位移11. Mechatronics是两个不同学科领域名称的组合,这两个不同的学科是()。
A机械学与电子学B机械学与信息技术 C 机械学与自动化技术 D 机械学与计算机12. 下列传感器中不属于开关量传感器的是()。
A 磁感应式接近开关B 编码器C 电感式接近开关 D 光电式接近开关13. PLC的I/O口不够时,可通过加装I/O扩展模块的方式解决,机电一体化实验室里的光机电气一体化控制实训系统天煌THJDQG-2中I/O扩展模块用的是(),星科XK-JD3A中I/O扩展模块用的是()。
单独招生机电类模拟考试题与参考答案一、单选题(共52题,每题1分,共52分)1.判断以下哪个电路不是时序逻辑电路A、计数器B、译码器C、触发器D、寄存器正确答案:B2.互感系数与两个线圈的( )有关A、电流变化B、感应电动势C、相对位置D、电压变化正确答案:C3.异步加法计数器的特点是()A、各个触发器翻转是同步的B、必须有外加的门电路C、各个触发器翻转不是同步的D、触发器只能由T触发器构成正确答案:C4.优先编码器同时又两个信号输入时,是按()的输入信号编码A、高频B、低电平C、高电平D、高优先级正确答案:D5.精度要求不高的深孔加工,最常用的方法是( )A、铣孔B、钻孔C、镗孔D、扩孔正确答案:D6.掺入五价杂质元素的半导体是()A、P型半导体B、N型半导体C、本征半导体D、以上都不是正确答案:B7.将十进制数的10个数字编程二进制码的组合逻辑电路称为()A、十进制编码器B、BCD编码器C、二进制编码器D、优先编码器正确答案:B8.铁、钴、镍及其合金的相对磁导率是()A、等于1B、略大于1C、略小于1D、远大于1正确答案:D9.划线时,都应从( )开始A、中心线B、基准面C、设计基准D、划线基准正确答案:D10.二—十进制译码器有A、4个输入端,10个输出端;B、3个输入端,8个输出端;C、3个输入端,10个输出端;D、4个输入端,9个输出端;正确答案:A11.螺纹的底径是指( )A、外螺纹小径B、外螺纹中径C、外螺纹大径D、内螺纹小径正确答案:A12.在既有径向载荷又有轴向载荷的情况下,应选用()轴承A、圆柱滚子B、推力球C、圆锥滚子D、深沟球正确答案:C13.正火的目的之一是( )A、细化晶粒B、提高钢的密度C、粗化晶粒D、提高钢的熔点正确答案:C14.用于形成多谐振荡器的基本电路是A、正弦波电路B、组合逻辑电路C、施密特触发器D、放大电路正确答案:B15.下列选项中不属于三极管的基本连接方式的是A、只连接基极和发射极B、共发射极C、共基极D、共集电极正确答案:A16.( )是液压系统的储能元件,它能储存液体压力能,并在需要时释放出来供给液压系统A、压力计B、过滤器C、油箱D、蓄能器正确答案:D17.对非正弦波进行谐波分析时,与非正弦周期波频率相同的分量称为( )A、直流分量B、谐波C、二次谐波D、基波正确答案:D18.水平仪常用来检验工件表面或设备安装的( )情况A、垂直B、水平C、平行D、倾斜正确答案:B19.在匀强磁场中,原来载流导线所受的磁场力为F,若电流增加到原来的两倍,而导线的长度减少一半,这时载流导线所受的磁场力为()A、4FB、2FC、.F/2D、F正确答案:D20.三极管处于放大状态的条件是A、发射极正偏,集电极反偏;B、发射极正偏,集电极正偏;C、发射结正偏,集电结正偏。
1.设置文件信息对话框通常配合标题栏使用。
【答案】:正确2.直流电动机串电阻调速一般应用于少数小功率场合。
【答案】:正确3.步进电动机的进给系统采用齿轮传动,不仅是为了求得所需的脉冲当量,还要满足结构要求和增大转矩的作用。
【答案】:错误4.物理光栅可用作散射元件进行光谱分析及光波长的测定等。
【答案】:正确5.通常总线与总线配合使用。
【答案】:错误6.积分型数字电压表的基本原理是将被测电压转换成相应的()。
A.脉冲频率B.离散信号C.连续信号D.时间间隔【答案】:A7.()控制方式的优点是精度高、速度快、其缺点是调试和维修比较复杂。
A.双闭环B.开环C.半闭环D.闭环【答案】:D8.电磁式交流接触器和交流继电器的区别是()A.没有区别B.交流接触器有主、辅助触点之分,而继电器没有C.交流接触器有短路环,而继电器没有【答案】:B9.()使低频信号可以几乎不衰减通过,而高频信号则被滤除。
A.大通滤波器B.中通滤波器C.高通滤波器D.低通滤波器【答案】:D10.()的任务是接收输入的零件程序,并对它进行预处理。
A.插补运输程序B.输出数据处理程序C.速度控制程序D.输入数据处理程序【答案】:D11.()具有对应每一个增量的脉冲,但不能区别是那个增量。
A.相对型编码器B.减量型编码器C.绝对型编码器D.增量型编码器【答案】:D12.齿轮传动的总等效惯量与传动级数()A.有关B.在一定级数内有关C.在一定级数内无关D.无关【答案】:B13.()由于成本低而被广泛使用。
A.多层板B.单面板C.双面板D.三层板【答案】:B14.转差功率( )调速系统是转差功率中转子铜损部分的消耗是不可避免的,但在这类调速系统中,无论转速高低,转差功率的消耗基本不变效率最高。
A.回馈型B.不变型C.消耗型D.变化型【答案】:B15.逆变桥由4个晶闸管组成。
每个晶闸管均串有空心电感以限制晶闸管导通时的()A.电流上升B.电流变化C.电流上升率D.电流【答案】:C16.机械系统的组成有()A.执行机构B.传动机构C.稳定机构D.导向机构【答案】:ABD17.机电一体化的高性能化一般包含()A.高可靠性B.高速化C.高精度D.高效率【答案】:ABCD18.直齿圆柱齿轮传动机构中消除齿侧隙的常用方法有()A.偏心轴套调整法B.双片薄齿轮错齿调整法C.单片薄齿轮错齿调整法D.实心轴套调整法【答案】:AB19.抑制干扰的措施很多,主要包括()A.屏蔽B.滤波C.隔离D.接地和软件处理等方法【答案】:ABCD20.根据计算机在控制中的应用方式,把计算机控制系统分为哪四类()A.分级计算机控制系统B.监督计算机控制系统C.直接控制系统D.操作指导控制系统【答案】:ABCD。
《机电一体化实验技术》模拟试题A
一、判断题(每题2分,共计14分)(答√或×)
1.设置文件信息对话框通常配合标题栏使用。
()
2.印刷电路板的设计是电路设计中最重要、最关键的一步。
()
3.交流调压调速是一种比较复杂的调速方法。
()
4.减速传动链是机电一体化系统中最常见的传动形式。
()
5.双面齿同步带可以实现多轴传动。
()
6.扼流圈用来阻断信号的传导通路,并抑制干扰信号的强度。
()
7.磁场屏蔽主要是抑制高频耦合干扰。
()
二、单项选择题(每题2分,共计10分)
1.()由于成本低而被广泛使用。
A.单面板
B.双面板
C.多层板
2.载入网络表时,网络表和元件封装是()载入的。
A.同时
B.分别
3.()具有对应每一个增量的脉冲,但不能区别是那个增量。
A.绝对型编码器
B.增量型编码器
4.()的任务是接收输入的零件程序,并对它进行预处理。
A.输入数据处理程序
B.插补运输程序
C.速度控制程序
5.转差功率( )调速系统是转差功率中转子铜损部分的消耗是不可避免的,但在这类调速系统中,无论转速高低,转差功率的消耗基本不变效率最高。
A.消耗型
B.回馈型
C. 不变型
三、名词解释(每题2分,共计6分)
1.电路设计:
2.直接位置控制:
3.调压调速:
四、填空题(每空2分,共计30分)
1.Protel 99SE绘制原理图的三种方法是:利用()、利用()、利用()。
2.既可以用Protel 99SE进行()设计,又可以用Protel 99SE和其他电气设计原理软件包一起构成()的、()的产品设计系统。
3.光栅的主要特点是线条()而间距()。
4.与晶闸管可控装置相比,PWM系统具有开关频率()、低速运行()、动静态性能()、效率高等一系列优点。
5.同步带传动综合了()和()的优点,又克服了()和V型带传动的不足。
6.凡是有电压或电流()的场合,肯定会有电磁干扰问题存在。
五、问答题(每题8分,共计40分)
1.设计原理图的一般步骤是什么?
2.在PCB的设计过程中,图件放置工具有哪些作用?如何实现相应的功能?
3.嵌入式微处理器分为哪几类?
4. CNC系统的系统程序一般由哪几部分组成?
5.典型的双极式PWM—M双闭环可逆调速系统电路主要包括哪几部分?
《机电一体化实验技术》模拟试题答案A
一、判断题(每题2分,共计14分)(答√或×)
1.√
2. √
3.×
4. √
5. √
6. ×
7. ×
二、单项选择题(每题2分,共计10分)
1.A
2.A
3.B
4.A
5.C
三、名词解释(每题2分,共计6分)
1.电路设计:是指实现一个电子产品从设计构思、电学设计到物理设计的全过程。
2.直接位置控制:利用直接安装在被控对象上面的检测装置称为直接位置控制
3.调压调速:是通过改变定子外加电压来改变其机械特性的函数关系,从而达到电动机在一定输出转矩下改变转速的目的。
四、填空题(每空2分,共计30分)
1. 画原理图的工具栏(Wiring Tools)菜单项快捷键
2. 手工全自动集成化
3. 长小
4. 高稳定优良
5. 带传动链传动平带
6. 突变
五、问答题(每题8分,共计40分)
1. (1)设置图纸。
(2)放置元件。
(3)原理图的布线。
(4)编辑与调整。
(5)进一步完善。
(6)原理图的输出。
2. 在PCB的设计过程中,图件放置工具可以帮助用户在PCB上绘制连线、圆弧、放置过孔、字符串、尺寸标注和多边形敷铜等对象。
通过Place菜单或Placement Tools工具栏可以实现相应的功能。
3. (1)嵌入式微控制器。
(2)嵌入式数字信号处理器。
(3)嵌入式微处理器。
4. (1)输入数据处理程序。
(2)插补运算程序。
(3)速度控制程序。
(4)管理程序。
(5)诊断程序。
5. (1)主电路(2)转速给定电压(3)脉宽调制器及延时电路(4)调节器(5)转速微分负反馈。