钢筋连接检验批
- 格式:doc
- 大小:1.21 MB
- 文档页数:17
钢筋安装检验批质量验收的详细说明一、检验批的组成及比例钢筋安装检验批按照施工依据进行分类,包括工程结构及构件类型等;按施工进度进行划分,包括地下室、框架梁、板、柱、墙等各施工阶段;按照工程规模,可把不同建筑面积的工程分别为检验批,同时要求每个检验批具有代表性。
钢筋安装检验批的构成及比例应符合以下要求:1.地基与基础:2%-5%2.框架梁:10%-15%3.板:15%-20%4.柱:25%-40%5.墙:10%-20%二、检验批的建立及验收检验批的建立应根据施工进度、结构类型确定,每个检验批包括配料、随机抽样检验、制备和保管试件、编号等内容。
在质量检查方案中,对每个检验批提出具体验收标准,以便通过验收达到合格产品的要求。
1. 钢筋的抽样检验随机抽样检验应采取机器制样的方法,试样应来自不同的堆数,每堆数抽样至少3支试样,试样长度应一致。
制样质量应符合对钢筋机器制样的要求,并标识配料日期及钢号。
2. 钢筋的温度及加工质量监测钢筋材料质量与工程质量关系密切,温度监测工作应严格执行质量检查计划及施工技术要求。
加工质量监测应对加工后的钢筋进行检查,并通过验收达到合格产品的要求。
3. 钢筋的制备及保管钢筋的制备应严格按照要求进行,在加工现场专门建立统一编号的材料架,在制作固定片或保管试件时,应在片上进行标识,按要求进行保管。
4. 报告的编制验收结果应及时进行登记、编制和报告。
在每个检验批完成后,应进行验收汇总,结合分析、检查、测量、试验等结果,进行报告编制。
三、检验批的检测内容为了做到钢筋安装检验批质量验收工作规范化、科学化,应明确每个检验批的检测内容。
具体包括下面几个方面:1. 钢筋的直径和长度•长度公差不应大于管控值;•直径公差不应大于管控值,钢筋圆径变形应小于管控值。
2. 钢筋形状应检查成品钢筋长度、直径与型面及相应的尺寸差。
3. 钢筋表面质量应检查表面有无损伤、毛刺、锈蚀、油污和其他现象,情况应详细记录。
钢筋连接检验批质量验收记录钢筋连接是建筑工程中非常重要的一环,其质量直接关系到整个结构的安全性和稳定性。
为了保证钢筋连接的质量,需要进行验收和记录,并且严格按照相关规范和标准进行检验,以确保质量合格。
下面是钢筋连接检验批质量验收记录的一份样板,供参考。
项目名称:项目地址:检验单位:编制人:日期:一、基本信息:1.批次号:2.钢筋连接构件号:3.钢筋种类、规格及强度等级:4.检验日期:5.样本编号:二、工作范围:对钢筋连接进行质量验收,包括但不限于以下内容:1.钢筋连接间距的测量;2.钢筋连接是否达到预定的标高,是否有错位;3.钢筋连接的密实性;4.钢筋连接的角度、夹角;5.钢筋连接的质量是否符合设计要求;6.其他必要的检验项目。
三、检验设备:1.量具:卷尺、角尺、直尺等;2.灯光设备;3.相机或摄像设备。
四、检验过程和结果:1.检验前准备:a)检验人员准备好相应的检验设备;b)样本准备:-随机选择一定数量的钢筋连接构件进行检验;-对每个钢筋连接构件进行编号,并记录在验收记录中。
2.检验过程:a)进行钢筋连接间距的测量;-使用卷尺等量具测量钢筋连接的间距;-检查测量结果是否符合设计要求,并记录在验收记录中。
b)检查钢筋连接是否达到预定的标高,是否有错位;-使用直尺等量具测量钢筋连接的标高;-检查是否有错位现象,并记录在验收记录中。
c)检查钢筋连接的密实性;-通过目视、触摸等方法检查钢筋连接的密实程度;-检查是否有裂缝、松动等现象,并记录在验收记录中。
d)检查钢筋连接的角度、夹角;-使用角尺等量具测量钢筋连接的角度、夹角;-检查测量结果是否符合设计要求,并记录在验收记录中。
e)检查钢筋连接的质量是否符合设计要求;-根据设计要求对钢筋连接进行视觉检查、尺寸检查等;-检查钢筋连接的焊缝、锈蚀等情况,并记录在验收记录中。
3.检验结果:对每个样本的检验结果进行记录,包括合格、不合格等。
五、检验结论和建议:根据以上检验结果,对钢筋连接的质量进行结论和建议。
钢筋连接安装加工模板安装检验批验收记录
1. 项目概况
本次验收项目为钢筋连接安装加工模板的安装检验批验收。
该项目由施工单位负责,施工单位已达到合同要求并完成了相关验收准备工作。
2. 检验批次
本次验收共分为3批次,每批次需要进行纵横向的检查。
3. 检查项目及标准
3.1 钢筋连接组件
检查点标准要求检查结果
连接件尺寸长度、宽度、厚度符合图纸要求符合
钢管连接处准确安装于钢筋进线处,焊缝均匀、坚固符合
连接件间隙间隙均匀、尺寸准确符合
3.2 施工现场
检查点标准要求检查结果
施工质量现场整洁,钢筋连接装配顺序合理,压力是否均匀符合
施工安全安装人员戴好安全帽,戴防滑鞋,个人用品整齐符合
3.3 施工材料
检查点标准要求检查结果
钢筋材质、规格符合协议标准符合
补强材料工业胶水应无毒害污染符合
4. 检验批验收结果
经过检查,三批次钢筋连接安装加工模板的安装检验批验收符合相关标准,现场施工整洁有序,操作人员个人用品也保持了良好的状态,一致通过验收。
5.
本次钢筋连接安装加工模板的安装验收,施工单位认真负责,勤勉尽责,技艺扎实,达到了业主的要求和期望,同时验收结果及时、准确、公正,对验收过程也全面、严谨、细致,验收通过。
钢筋(连接、安装)工程检验批质量验收记录1.1.9钢筋(连接、安装)工程检验批质量验收记录1.1.9钢筋(连接、安装)工程检验批质量验收记录1.1.9钢筋(连接、安装)工程检验批质量验收记录1.1.9钢筋(连接、安装)工程检验批质量验收记录1.1.9钢筋(连接、安装)工程检验批质量验收记录1.1.9钢筋(连接、安装)工程检验批质量验收记录1.1.9钢筋(连接、安装)工程检验批质量验收记录1.1.9钢筋(连接、安装)工程检验批质量验收记录1.1.9钢筋(连接、安装)工程检验批质量验收记录1.1.9钢筋(连接、安装)工程检验批质量验收记录1.1.9钢筋(连接、安装)工程检验批质量验收记录1.1.9钢筋(连接、安装)工程检验批质量验收记钢筋(连接、安装)工程检验批质量验收记录1.1.9钢筋(连接、安装)工程检验批质量验收记钢筋(连接、安装)工程检验批质量验收记录钢筋(连接、安装)工程检验批质量验收记钢筋(连接、安装)工程检验批质量验收记录钢筋(连接、安装)工程检验批质量验收记钢筋(连接、安装)工程检验批质量验收记录钢筋(连接、安装)工程检验批质量验收记钢筋(连接、安装)工程检验批质量验收记录钢筋(连接、安装)工程检验批质量验收记钢筋(连接、安装)工程检验批质量验收记录钢筋(连接、安装)工程检验批质量验收记钢筋(连接、安装)工程检验批质量验收记录钢筋(连接、安装)工程检验批质量验收记钢筋(连接、安装)工程检验批质量验收记录钢筋(连接、安装)工程检验批质量验收记钢筋(连接、安装)工程检验批质量验收记录钢筋(连接、安装)工程检验批质量验收记钢筋(连接、安装)工程检验批质量验收记录钢筋(连接、安装)工程检验批质量验收记钢筋(连接、安装)工程检验批质量验收记录钢筋(连接、安装)工程检验批质量验收记。
钢筋检验批范本1.钢筋进场多少为一个检验批1、同一厂别、同一炉爟号、同一规格、同一交货状态,每60t为一验收批,不足60t也按一批计。
2、每一层或施工区段中300个同级别钢筋电渣压力焊接头作为一验收批,不足300个接头也按一批计。
3、工艺检验:在正式施工前,按同批钢筋、同种直螺纹连接方式的接头试件不少于3根,同时对应截取接头试件的母材,进行抗拉强度试验。
4、现场检验:按检验批进行,同一施工条件下采用同一批材料的同等级、同形式、同规格的直螺纹接头每500个为一验收批。
不足500个按一批计。
模板按施工流水段划分检验批。
2.钢筋,模板的检验批单位是什么钢筋的,有批次,构件数,吨数,模板的有,平米,构件数等检验批容量的最小值和最大值,一般是依据容量数来的。
一般是容量的百分10.并且不小于3处下面是钢筋原材料的规范5.2.1钢筋进场时,应按国家现行标准的规定抽取试件作屈服强度、抗拉强度、伸长率、弯曲性能和重量偏差检验,检验结果应符合相关标准的规定。
检查数量:按进场批次和产品的抽样检验方案确定。
检验方法:检查质量证明文件和抽样检验报告。
5.2.2成型钢筋进场时,应抽取试件作屈服强度、抗拉强度、伸长率和重量偏差检验,检验结果应符合国家现行相关标准的规定。
对由热轧钢筋制成的成型钢筋,当有施工单位或监理单位的代表驻厂监督生产过程,并提供原材钢筋力学性能第三方检验报告时,可仅进行重量偏差检验。
检查数量:同一厂家、同一类型、同一钢筋来源的成型钢筋,不超过30t为一批,每批中每种钢筋牌号、规格均应至少抽取1个钢筋试件,总数不应少于3个。
检验方法:检查质量证明文件和抽样检验报告。
5.2.3对按一、二、三级抗震等级设计的框架和斜撑构件(含梯段)中的纵向受力普通钢筋应采用HRB335E、HRB400E、HRB500E、HRBF335E、HRBF400E或HRBF500E钢筋,其强度和最大力下总伸长率的实测值应符合下列规定:1抗拉强度实测值与屈服强度实测值的比值不应小于1.25;2屈服强度实测值与屈服强度标准值的比值不应大于1.30;3最大力下总伸长率不应小于9%。
型钢与钢筋连接检验批质量验收记录项目名称:大厦建筑工程施工单位:建筑有限公司验收单位:质量检测有限公司施工日期:2024年3月1日至2024年3月10日一、检验批概况本次验收共涉及型钢与钢筋连接10个检测批次,具体情况如下:检测批次构件名称验收数量合格数量不合格数量备注110#梁50500--212#柱40400--315#板30300--420#柱35350--522#梁50500--625#板20200--728#柱45450--830#板30282角度偏差935#柱40391错位量较大1038#梁55532弯曲1.检验项目:连接间距、连接角度检验方法:现场测量,钢尺测量连接间距,检测器测量连接角度结果判定:连接间距偏差≤5mm,连接角度偏差≤1°合格,超过则不合格2.检验项目:型钢与钢筋连接强度检验方法:现场采用万能试验机进行连接强度测试结果判定:连接强度符合设计要求,强度值大于设计要求的90%合格,否则不合格3.检验项目:连接环境清洁程度检验方法:现场观察和检查,检验连接环境的灰尘、杂物情况结果判定:连接环境清洁,无灰尘和杂物的为合格,有灰尘和杂物的为不合格4.检验项目:连接间隙检验方法:视觉检测和触摸检测,检验连接间隙情况结果判定:连接间隙应符合设计要求,无明显空隙为合格,有明显空隙为不合格三、质量验收结果经过对以上10个检测批次的检验项目进行测量和测试,得出以下质量验收结果:1.连接间距、连接角度合格率为100%,无不合格情况。
2.连接强度合格率为95%,其中第8批次产生2个不合格情况。
3.连接环境清洁程度合格率为100%,无不合格情况。
4.连接间隙合格率为90%,其中第8、9、10批次各产生1个不合格情况。
综上所述,本次型钢与钢筋连接检验批质量验收结果总体合格率为96%。
其中,连接强度和连接间隙方面出现少量不合格情况,需要施工单位进行整改并重新验收。
四、不合格处理措施根据本次质量验收记录的不合格情况,要求施工单位采取以下不合格处理措施:1.对于连接强度不合格的构件,施工单位应重新进行连接施工,确保连接强度符合设计要求,并重新进行验收。
钢筋连接检验批质量验收记录1. 概述本文档记录了钢筋连接检验批的质量验收记录,对钢筋连接工程进行质量检验,确保连接质量符合标准要求。
2. 项目信息•项目名称:•工程名称:•编制日期:3. 检验批信息•检验批编号:•检验日期:•检验人员:4. 检验内容和要求本次检验批的主要内容包括以下项目: - 焊接质量检验:检查焊接接头的焊缝质量,包括焊缝的密度、均匀性和焊缝表面的缺陷等。
- 螺纹连接检验:检查螺纹连接件的螺纹质量,确保螺纹连接的紧固性良好。
- 维护检验:检查钢筋连接的维护情况,包括防腐、除锈等维护工作的执行情况。
5. 检验结果根据对钢筋连接的检验,以下为本次检验批的质量验收结果:5.1 焊接质量检验结果•焊接接头1:合格•焊接接头2:合格•焊接接头3:合格•螺纹连接件1:合格•螺纹连接件2:合格•螺纹连接件3:合格5.3 维护检验结果•防腐处理:合格•除锈处理:合格6. 验收意见根据本次检验结果,对钢筋连接的质量进行验收意见如下:6.1 焊接质量验收意见根据焊接接头的质量检验结果,认为焊接质量符合标准要求,可以进行验收。
根据螺纹连接件的质量检验结果,认为螺纹连接质量符合标准要求,可以进行验收。
6.3 维护验收意见根据钢筋连接的维护检验结果,认为维护工作符合标准要求,可以进行验收。
7. 验收结论综上所述,经过本次钢筋连接检验批的质量验收,验证钢筋连接的质量符合标准要求,同意进行验收。
8. 验收人员•验收人员1:•验收人员2:•日期:9. 相关附件•附件1:焊接检验报告•附件2:螺纹连接检验报告•附件3:维护检验报告以上为钢筋连接检验批的质量验收记录,用于记录钢筋连接工程的质量验收情况。
钢筋安装检验批质量验收记录及检验规定和说明编号:单位工程名称分项工程名称分部工程验收部位施工总承包项目专业工单位经理长专业承包单项目施工班位经理长施工执行标准名称及编号监理(建施工质量验收规范的规定施工单位检查评定设)单位记录验收记录第主 1 纵向钢筋的连接方式8.2.11控条项机械连接和焊接接头第目28.2.12的力学性能条第受力钢筋的品种、级38.2.18别、规格和数量条第1接头的位置和数量8.2.13条第机械连接、焊接的外观2质量8.2.14条第机械连接、焊接的接头38.2.15一面积百分率条般第项绑扎搭接接头面积百48.2.16目分率和搭接长度条第搭接长度范围内的5箍筋8.2.17条钢绑长、宽± 106筋扎(mm)安钢网眼尺寸± 20装筋(mm)允网许绑长(mm)± 10偏扎差钢宽、高筋± 5(m m)骨架间距± 10(m m)排距± 5(m m)受保基础±10力护柱梁±5钢层筋厚板墙度± 3壳(mm)绑扎钢筋、横向± 20钢筋间距( mm)钢筋弯起点位置20(mm)预中心线位置埋(mm)件水平高差(mm)5 +3,0施工单位检查评定结果:质量检查员:年月日监理或建设单位验收结论:监理工程师或建设单位项目专业技负责人:年月日检验规定和说明适用范围:本表适用于明挖车站钢筋安装工程质量的验收。
检验批的划分:每一浇筑段为一检验批。
主控项目:1.纵向受力钢筋的连接方式应符合设计要求。
检验数量:施工单位、监理单位全数检查。
检验方法:观察检查。
2.在施工现场,应按国家现行标准《钢筋机械连接通用技术规程》( JGJ107)、《钢筋焊接及验收规程》(JGJ18)的规定抽取钢筋机械连接接头、焊接接头试件作力学性能检验,其质量应符合有关规程的规定。
检验数量:施工单位、监理单位按机械连接:同一批材料的同等级、同形式、同规格的接头每500 个为一检验批,不足 500 个接头也按一检验批计,每一检验批必须在工程结构中随机截取 3 个试件做单向拉伸试验;钢筋焊接:同一接头形式、同钢筋级别每300 个接头为一检验批。
市政工程施工钢筋检验批一、前言钢筋是市政工程中不可或缺的建筑材料,其质量直接关系到工程的质量和安全。
为了确保钢筋的质量符合国家标准和设计要求,施工过程中需要进行严格的检验批。
本文将详细介绍市政工程施工钢筋检验批的相关内容。
二、检验批的划分钢筋检验批的划分应根据施工进度和工程规模进行,一般情况下,可以根据施工部位、施工时间、钢筋规格等因素进行划分。
每个检验批应包含一定数量的钢筋,以确保检验结果的准确性和可靠性。
三、检验批的要求1. 原材料要求:钢筋应符合国家标准和设计要求,具有出厂合格证明书和质量保证书。
2. 外观检查:钢筋表面应光洁、无裂纹、无锈蚀,长度应符合设计要求。
3. 尺寸测量:钢筋的直径、长度、弯曲度等尺寸应符合设计要求。
4. 力学性能检验:钢筋的抗拉强度、屈服强度、伸长率等力学性能指标应符合国家标准和设计要求。
5. 焊接质量检验:对于焊接连接的钢筋,应进行焊接质量检验,确保焊接牢固、无裂纹。
四、检验批的程序1. 检验批的抽取:从每个检验批中随机抽取一定数量的钢筋进行检验。
2. 检验批的试验:对抽取的钢筋进行外观检查、尺寸测量、力学性能检验等试验。
3. 检验批的结果判定:根据试验结果,判断钢筋是否符合国家标准和设计要求。
4. 检验批的记录:将检验结果进行记录,并填写在检验批报告中。
5. 检验批的验收:施工单位应将检验批报告提交给监理单位进行验收,监理单位对检验批进行审核,确认合格后方可进行下一步施工。
五、检验批的质量控制1. 施工单位应建立健全质量管理体系,确保钢筋的采购、加工、安装等环节符合国家标准和设计要求。
2. 施工单位应加强现场管理,确保钢筋的存放、运输、施工等过程中不受损坏。
3. 监理单位应加强对钢筋检验批的监督和检查,确保检验批的质量和安全。
4. 施工单位应定期对钢筋检验批进行自检和互检,及时发现和解决问题。
六、结语市政工程施工钢筋检验批是确保工程质量和安全的重要环节。
通过严格的检验批程序和质量控制措施,可以确保钢筋的质量符合国家标准和设计要求,为市政工程的顺利进行提供保障。
钢筋安装检验批质量验收记录1. 引言本文档是对钢筋安装工程进行质量验收的记录。
钢筋安装是建筑工程中十分重要的一项工作,对于建筑结构的稳定性和耐久性起到关键作用。
为了确保钢筋安装质量符合相关标准和规范,本次验收通过对钢筋安装的材料、尺寸、位置等方面进行检查,记录检验结果,并提出相关问题和建议。
2. 验收对象本次验收的对象为建筑工地A栋楼翼墙的钢筋安装工程。
3. 验收内容本次验收主要从以下几个方面对钢筋安装进行检验:•钢筋安装材料的质量和规格是否符合要求;•钢筋安装的尺寸和位置是否符合设计要求;•钢筋连接的可靠性和执行标准要求;•钢筋间的间距、绑扎质量等是否符合规范要求。
4. 验收方法本次验收采用目视检查和测量工具进行检验。
5. 验收结果经过对钢筋安装工程进行详细检查,以下是验收结果的总结:•钢筋安装材料的质量和规格均符合要求,没有发现明显的缺陷;•钢筋安装的尺寸和位置基本符合设计要求,未发现明显的偏差;•钢筋连接的可靠性符合标准要求,连接部位未发现明显的裂纹或错位;•钢筋间的间距和绑扎质量也符合规范要求,未发现明显的问题。
6. 存在问题及建议在钢筋安装的过程中,我们也发现了一些问题,并提出了以下建议:1.部分钢筋位置未达到设计要求,存在偏移的情况。
建议施工方加强工人的操作培训,提高钢筋安装的准确性和精度。
2.部分钢筋连接处存在细微的裂纹,虽然不影响结构的安全性,但建议施工方和钢筋供应商共同解决该问题,以确保连接的可靠性。
3.钢筋间的绑扎质量不够牢固,存在松动的情况。
建议施工方加强对工人的培训和监督,确保绑扎工作的质量。
7. 验收结论根据以上的检验结果和存在的问题及建议,对于本次钢筋安装工程的质量验收,我们得出以下结论:•钢筋安装质量整体上符合要求,各项指标均在可接受范围内;•存在的问题虽然不是严重的质量问题,但仍需要施工方和相关人员重视并及时改进。
8. 验收人员•验收人员1:XXX•验收人员2:XXX9. 附件•钢筋安装图纸及相关规范文件•验收照片以上就是本次钢筋安装检验批质量验收的记录。
3)当工程中确有必要增大接头面积百分率时,对梁类构件,不应大于50%。
检查数量:在同一检验批内,对梁、柱和独立基础,应抽查构件数量的10%,且不应少于3件;对墙和板,应按有代表性的自然间抽查10%,且不应少于3间;对大空间结构,墙可按相邻轴线间高度5m左右划分检查面,板可按纵横轴线划分检查面,抽查10%,且均不应少于3面。
检验方法:观察,尺量。
注:1 接头连接区段是指长度为1.3倍搭接长度的区段。
搭接长度取相互连接两根钢筋中较小直径计算。
2 同一连接区段内纵向受力钢筋接头面积百分率为接头中点位于该连接区段长度内的纵向受力钢筋截面面积与全部纵向受力钢筋截面面积的比值。
5.4.8 梁、柱类构件的纵向受力钢筋搭接长度范围内箍筋的设置应符合设计要求;当设计无具体要求时,应符合下列规定:
1 箍筋直径不应小于搭接钢筋较大直径的1/4;
2 受拉搭接区段的箍筋间距不应大于搭接钢筋较小直径的5倍,且不应大于100mm;
3 受压搭接区段的箍筋间距不应大于搭接钢筋较小直径的10倍,且不应大于200mm;
4 当柱中纵向受力钢筋直径大于25mm时,应在搭接接头两个端面外100mm范围内各设置二个箍筋,其间距宜为50mm 。
检查数量:在同一检验批内,应抽查构件数量的10%,且不应少于3件。
检验方法:观察,尺量。
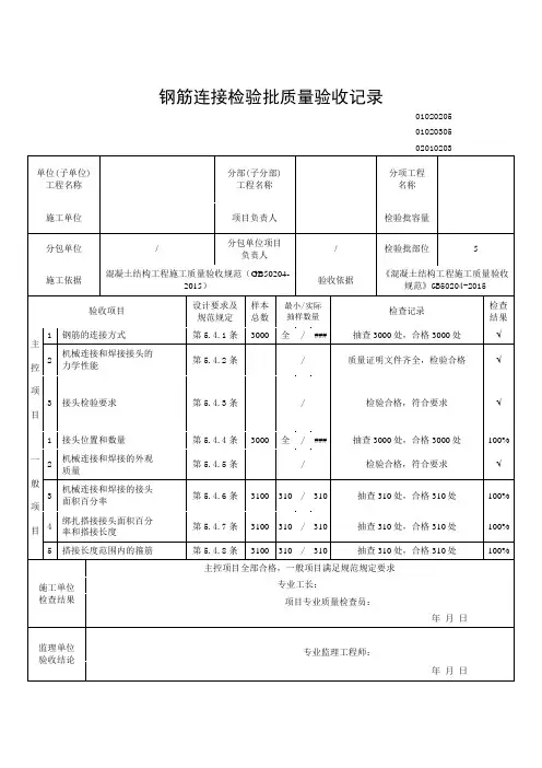
钢筋连接检验批质量验收记录
GD-C5-71161061
主体结构 ( 混凝土
分项工程名称钢筋
工程名称结构)
施工单位项目负责人检验批容量
7.1.1.61 、钢筋连
分包单位
负责人检验批部位接检验批质量验收
记录
施工依据
GB 50666-2011验收依据
规范》 GB50204-2015
验收项目
最小/ 实际
检查记录检查结果规范规定抽样数量
1钢筋的连接方式第5.4.1 条/
主
控
2机械连接和焊接接头的力第5.4.2 条/项学性能
目
3 机械连接螺纹接头扭矩值第5.4.3条/
1 接头位置和数量第5.4.4条/
2机械连接和焊接的外观质第5.4.5 条/量
一
机械连接和焊接的接头面
般3第5.4.6 条/项积百分率
目
4绑扎搭接接头面积百分率第5.4.7 条/和搭接长度
5 搭接长度范围内的箍筋第5.4.8条/
检查结果验收结论
专业工长:项目专业质量检查员:
年月日
专业监理工程师:
年月日。
DB21/1234-2003 钢筋工程(连接、安装)检验批质量验收记录
表L1.5
DB21/1234-2003 钢筋工程(连接、安装)检验批质量验收记录
表L1.5
DB21/1234-2003 钢筋工程(连接、安装)检验批质量验收记录
表L1.5
DB21/1234-2003 钢筋工程(连接、安装)检验批质量验收记录
表L1.5
表L1.5
表L1.5
表L1.5
表L1.5
DB21/1234-2003 钢筋工程(连接、安装)检验批质量验收记录
表L1.5
DB21/1234-2003 钢筋工程(连接、安装)检验批质量验收记录
表L1.5
DB21/1234-2003 钢筋工程(连接、安装)检验批质量验收记录
表L1.5
DB21/1234-2003 钢筋工程(连接、安装)检验批质量验收记录
表L1.5
DB21/1234-2003 钢筋工程(连接、安装)检验批质量验收记录表L1.5
DB21/1234-2003 钢筋工程(连接、安装)检验批质量验收记录
表L1.5
DB21/1234-2003 钢筋工程(连接、安装)检验批质量验收记录
表L1.5
DB21/1234-2003 钢筋工程(连接、安装)检验批质量验收记录
表L1.5。