主板芯片的分类及功能
- 格式:doc
- 大小:19.00 KB
- 文档页数:5
理解主板芯片组常见芯片组类型和功能解析主板芯片组是连接CPU(中央处理器)和其他主要硬件组件的重要元件,它们扮演着决定计算机性能和功能的关键角色。
本文将介绍主板芯片组的常见类型和功能。
一、北桥芯片组北桥芯片组位于主板上离CPU较近的位置,负责管理CPU与其他高速硬件设备的通信。
常见的北桥芯片组包括:1. 内存控制器:北桥芯片组中的内存控制器负责管理计算机系统的内存,支持内存频率和容量的调节,确保内存与CPU之间的高速数据传输。
2. 图形接口:北桥芯片组通常还包含集成显卡的接口,通过与独立显卡或集成显卡的协作,实现图形和视频的处理、输出。
3. PCI总线控制器:北桥芯片组还负责管理主板上的PCI总线,用于各种扩展设备(如网卡、声卡等)的连接和数据传输。
二、南桥芯片组南桥芯片组位于主板上靠近I/O接口的位置,负责管理I/O设备的通信和数据传输。
常见的南桥芯片组功能包括:1. 硬盘控制器:南桥芯片组中的硬盘控制器管理硬盘的读写和数据传输,支持不同类型和接口的硬盘(如SATA、IDE等)。
2. USB控制器:南桥芯片组通常集成USB控制器,管理主板上的USB接口,支持USB设备的连接和数据传输。
3. 网络控制器:一些南桥芯片组还具备集成网络控制器的功能,实现网卡的连接和网络数据的传输。
4. 音频控制器:南桥芯片组中的音频控制器负责管理音频设备的连接和音频信号的处理,支持多声道输出和音频效果调节。
5. SATA/RAID控制器:有些南桥芯片组集成了SATA控制器和RAID功能,为主板提供更高的硬盘传输速率和数据冗余能力。
三、其他功能除了北桥和南桥芯片组,一些主板还配备了其他功能性芯片组,包括:1. 数字电源管理芯片(PWM芯片):负责管理主板的电源供应和功耗控制,确保计算机的高效运行,节能环保。
2. BIOS芯片:BIOS(基本输入输出系统)芯片存储着主板的固件程序,启动计算机时负责初始化相关硬件,使计算机进入工作状态。
主板的构造和功能解析为了更好地了解主板的构造和功能,本文将从以下几个方面进行解析,包括主板的组成部分、各个部件的作用以及主板的功能。
一、主板的组成部分主板作为计算机的核心部件,由多个不同的组成部分组合而成。
主要包括以下几个方面:1. CPU插槽:用于插入中央处理器(CPU),它是主板上最重要的组件之一,负责执行计算机的指令和控制操作。
2. 内存插槽:用于插入随机存储器(RAM),RAM是存储计算机正在执行的程序和数据的临时存储器,对于计算机性能的提升起着重要作用。
3. 扩展槽:包括PCI插槽、AGP插槽和PCI Express插槽等,用于插入扩展卡,如显卡、网卡、声卡等。
扩展槽的数量和类型会影响计算机的扩展能力。
4. 芯片组:主板上的芯片组负责处理数据和控制信号的流动。
芯片组通常由北桥芯片和南桥芯片组成,北桥负责控制高速组件,如CPU 和显卡,而南桥负责控制低速组件,如硬盘、USB设备等。
5. BIOS芯片:用于存储基本输入输出系统(BIOS)程序,BIOS是计算机开机时自检及系统启动的关键,确保计算机硬件正常运行。
二、各个部件的作用1. CPU:作为计算机的大脑,负责执行计算机指令和控制操作,其性能的提升将直接影响计算机的运行速度和效率。
2. 内存:存储计算机正在执行的程序和数据,是CPU快速读写数据的临时存储器,内存的大小和速度将决定计算机的运行能力。
3. 扩展卡:通过扩展槽插入主板,扩展了计算机的功能,如显卡可以使计算机显示图像,网卡可以实现网络连接,声卡可以提供音频输出等。
4. 芯片组:负责处理数据和控制信号的流动,保证各个组件之间的协调工作,提供高效的数据传输。
5. BIOS:存储计算机的基本输入输出系统,控制计算机的启动和硬件初始化,确保计算机的正常工作。
三、主板的功能主板是整个计算机的核心,不同的组件通过主板紧密地连接在一起,实现了以下几个基本功能:1. 数据传输:主板上的芯片组负责处理数据和控制信号的传输,保证各个组件之间的快速、稳定的数据交流。
主板上各芯片的功能及名词解释
主板上各芯片的功能及名词解释:
1. CPU(中央处理器):也称为微处理器,是计算机系统的核心部件,负责执行指令、处理数据和控制整个系统的运行。
2. 北桥芯片(Northbridge):在旧式的主板中,北桥芯片主要连接CPU 与高速设备,如内存控制器、显卡接口(AGP或PCI-E插槽)等,负责高速数据传输。
3. 南桥芯片(Southbridge):南桥芯片则负责低速外部设备的连接与管理,如PCI插槽、USB接口、SATA接口、声卡、网卡、键盘鼠标接口等。
4. BIOS芯片(基本输入输出系统):存储着主板硬件的基本配置信息以及自检、启动引导程序,用于初始化硬件并加载操作系统。
5. 晶振(Crystal Oscillator):为主板提供稳定的时钟信号,确保各个组件按照预定频率协调工作。
6. Super I/O芯片:负责处理串口、并口、软驱接口等传统I/O设备的信号。
7. 内存插槽及内存控制器:内存插槽用于安装内存条,内存控制器负责管理和控制内存与CPU之间的数据交换。
8. 电源管理芯片:负责主板上的电源管理,包括电压调整、电源状态转换等功能。
9. 闪存芯片(Flash ROM):用于存储可更新的BIOS程序,以便用户进行BIOS升级。
随着技术的发展,现代许多主板已经将北桥和南桥的功能集成到了CPU 内部或者主板上的一个单一芯片组中(比如Intel的PCH),使得数据传输效率更高,系统性能更强。
主板芯片组主板芯片组(Chipset)是指主板上用于支持和控制其它硬件设备的芯片集合,它是连接CPU、内存、显卡、硬盘等各个硬件设备的桥梁。
主板芯片组的选择对于整个电脑的性能和功能起到关键性的作用。
主板芯片组通常包括北桥和南桥两部分。
北桥主要负责连接CPU和内存,以及显卡和其他PCIe设备的控制和数据传输。
南桥主要负责连接SATA、USB、以太网和音频等外设接口,同时还负责管理主板上的一些低速设备。
在选择主板芯片组时,我们需要考虑以下几个因素:1.性能和功能:不同的芯片组在性能和功能方面有所差异。
一般来说,高性能的芯片组会支持更多的扩展槽和接口,以及更高的带宽和传输速度。
这对于需要高性能计算和大数据传输的用户来说是非常重要的。
2.兼容性和稳定性:主板芯片组需要与CPU和其他硬件设备紧密配合,才能发挥最佳性能。
因此,我们需要选择与我们所用硬件设备兼容性较好的芯片组。
此外,选择稳定性较好的芯片组也能够保证整个系统的运行稳定性。
3.扩展性和升级性:有些芯片组允许用户对主板进行扩展和升级,例如添加额外的内存插槽、扩展PCIe槽或者支持更高的内存频率。
这可以使我们在未来的升级和扩展过程中更加方便。
4.功耗和散热:不同的主板芯片组在功耗和散热方面也有所不同。
有些芯片组采用更先进的制程工艺和低功耗设计,从而减少能源消耗和热量产生。
这对于需要长时间运行且要求散热性能较好的应用来说尤为重要。
目前市场上常见的主板芯片组有Intel的系列和AMD的系列。
其中,Intel的芯片组主要有Z系列、B系列、H系列和Q系列等。
Z系列(例如Z490)是面向高端用户和游戏玩家的,并提供了更多的扩展和升级选项;B系列(例如B460)是面向中端用户的,适用于普通办公和娱乐需求;H系列(例如H410)和Q系列(例如Q470)是面向入门级用户和商用用户的,提供了基本的功能和性能。
AMD的芯片组主要有X系列和B系列等。
X系列(例如X570)是面向高端用户和游戏玩家的,提供了更多的扩展和升级选项;B系列(例如B450)适用于中端用户,提供了良好的性能和功能。
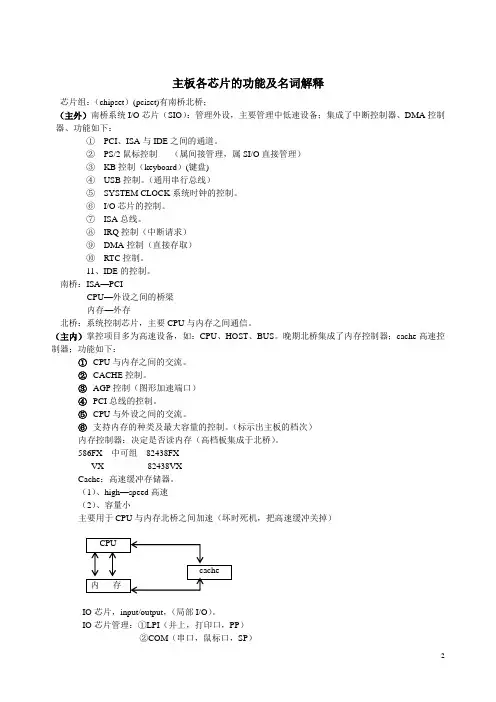
主板各芯片的功能及名词解释芯片组:(chipset)(pciset)有南桥北桥;(主外)南桥系统I/O芯片(SIO):管理外设,主要管理中低速设备;集成了中断控制器、DMA控制器、功能如下:①PCI、ISA与IDE之间的通道。
②PS/2鼠标控制(属间接管理,属SI/O直接管理)③KB控制(keyboard)(键盘)④USB控制。
(通用串行总线)⑤SYSTEM CLOCK系统时钟的控制。
⑥I/O芯片的控制。
⑦ISA总线。
⑧IRQ控制(中断请求)⑨DMA控制(直接存取)⑩RTC控制。
11、IDE的控制。
南桥:ISA—PCICPU—外设之间的桥梁内存—外存北桥:系统控制芯片,主要CPU与内存之间通信。
(主内)掌控项目多为高速设备,如:CPU、HOST、BUS。
晚期北桥集成了内存控制器;cache高速控制器;功能如下:①CPU与内存之间的交流。
②CACHE控制。
③AGP控制(图形加速端口)④PCI总线的控制。
⑤CPU与外设之间的交流。
⑥支持内存的种类及最大容量的控制。
(标示出主板的档次)内存控制器:决定是否读内存(高档板集成于北桥)。
586FX 中可组82438FXVX 82438VXCache:高速缓冲存储器。
(1)、high—speed高速(2)、容量小主要用于CPU与内存北桥之间加速(坏时死机,把高速缓冲关掉)IO芯片,input/output,(局部I/O)。
IO芯片管理:①LPI(并上,打印口,PP)②COM(串口,鼠标口,SP)③FDD(软驱);④KB控制器(键盘)BIOS:基本输入输出系统。
(Basic,Input,Output System)主要负责软件,硬件的连接。
既属于硬件,又属于软件,固化了开机自检的程序,及主板BIOS编写厂家的信息。
主板的生产厂家(Compag、IBM、Asus)只读可编程存储器。
内部固化的程序不会因掉电而丢掉。
BIOS的功用:①提供CMOS设置的等程序,各硬件的设置及主板的特殊功能的设定。
电脑主板上有哪些芯片,又是什么作用一、主板芯片组:芯片组(Chipset)是主板的核心组成部分,联系CPU和其他周边设备的运作主板上最重要的芯组就是南桥和北桥。
1、北桥芯片:(North Bridge)是主板芯片组中起主导作用的最重要的组成部分,也称为主桥(Host Bridge)。
一般来说,芯片组的名称就是以北桥芯片的名称来命名的,例如英特尔875P芯片组的北桥芯片是82875P、最新的则是支持双核心处理器的943955975 系列的82945P、82945G 82945GZ 82945GT 82945PL 82955X、82975X等七款北桥芯片等等。
北桥作用:北桥芯片负责与CPU的联系并控制内存(仅限丁Intel的cpu, AMD系列cpu在K8系列以后就在cpu中集成了内存控制器,因此AMD平■台的北桥芯片不控制内存)、AGP数据在北桥内部传输,提供对CPU的类型和主频、系统的前端总线频率、内存的类型(SDRAM DDR SDRA皿及RDRAM等等)和最大容量、AGP插槽、ECC^错等支持,整合型芯片组的北桥芯片还集成了显示核心。
北桥识别及特点:北桥芯片就是主板上离CPU最近的芯片,这主要是考虑到北桥芯片与处理器之间的通信最密切,为了提高通信性能而缩短传输距离。
因为北桥芯片的数据处理量非常大,发热量也越来越大,所以现在的北桥芯片都覆盖着散热片用来加强北桥芯片的散热,有些主板的北桥芯片还会配合风扇进行散热。
因为北桥芯片的主要功能是控制内存,而内存标准与处理器一样变化比较频繁,所以不同芯片组中北桥芯片是肯定不同的,当然这并不是说所采用的内存技术就完全不一样,而是不同的芯片组北桥芯片间肯定在一些地方有差别。
2、南桥芯片:南桥芯片(South Bridge是主板芯片组的重要组成部分,一般位丁主板上离CPU插槽较远的下方,PCI插槽的附近,这种布局是考虑到它所连接的I/O总线较多,离处理器远一点有利丁布线。
主板的主要芯片主板的主要芯片可以分为南北桥芯片组、BIOS芯片、I/O芯片、时钟芯片、电源管理芯片、音效芯片、网卡芯片等。
下面主要是对各个芯片及其功能的介绍。
1.3.1 南北桥芯片组芯片组(Chipset)是构成主板电路的核心。
一定意义上讲,其决定了主板的级别和档次。
芯片就是“南桥”和“北桥”的统称,就是把以前复杂的电路和元件最大的限度的集成在几颗芯片内的芯片组。
如果说中央处理器(CPU)是整个电脑的大脑,那么芯片组将是整个身体的心脏。
对于主板而言,芯片组几乎决定了这块主板的功能,进而影响到整个系统性能的发挥,因此芯片组是主的灵魂。
小提示:芯片组性能的优劣,决定了主板性能的好坏与级别的高低。
这是因为目前CPU的型号与种类繁多,而且功能特点不一,如果芯片组不能与CPU良好的协调工作,将严重的影响电脑的整体性能、甚至不能正常工作。
到目前为止,能够生产芯片组的厂家为数不多,其中以Intel和NVIDIA以及VIA的芯片组最为常见。
如下所示。
美国的生产商有:Intel(英特尔)、AMD(超微)、NVIDIA(英伟达)、ServerWorks、IBM、HP中国台湾生产商有:VIA、SIS、ULI、ALI加拿大生产商有:ATI(已经被AMD收购)1、北桥北桥(North Bridge)芯片是主板芯片组中起主导作用的最重要的组成部分,也称为主桥(Host Bridge)。
北桥芯片即系统控制芯片,是主板上离CPU最近的一块芯片,负责与CPU 的联系并控制内存、AGP和PCI数据在北桥内部传输。
另外北桥芯片主要决定主板的规格,对硬件的支持以及系统的性能。
小提示:一般来说,芯片组的名称就是以北桥芯片的名称来命名的。
例如Intel的965P芯片组的北桥芯片是82965P,975P芯片组的北桥芯片是82975P等。
北桥芯片往往有较高的工作频率,所以发热量比较高。
在主板上,可以在CPU插槽附近找到一个散热器,如图1-15所示就是北桥芯片。
主板芯片组的作用主板芯片组(Chipset)是主板上的关键组成部分之一,它负责连接和协调CPU、内存、扩展插槽和其他外设等之间的通信和数据传输。
主板芯片组包括北桥和南桥两部分,北桥处理与CPU和内存等高速组件的连接,而南桥则处理与外设之间的连接。
1.提供总线支持:主板芯片组通过提供适当的总线支持,实现了芯片组内各个组件之间的通信。
比如,北桥负责连接CPU、内存和显卡,通过前端总线来传输数据;南桥则负责连接外部设备,比如硬盘、USB设备等,通过SATA、USB等接口来传输数据。
2.控制与协调:主板芯片组起到了一个控制和协调的作用,它负责对不同硬件之间的通信进行规划和调度,以确保它们能够在正确的时间和位置进行数据传输。
芯片组会通过控制信号以及协议的制定和遵循来实现这个功能,以确保各个组件能够正常工作。
3.拓展插槽支持:主板芯片组负责处理各种拓展插槽的支持和管理。
比如,PCI插槽和PCIe插槽的工作模式和带宽由芯片组来控制和管理,以确保各种拓展设备能够正确连接和通信。
4.数据缓存和调度:主板芯片组配备了数据缓存和调度机制,以优化数据传输和处理的效率。
芯片组内的缓存被用来存储临时数据,从而提供更快的访问速度。
此外,芯片组也会根据需要对数据进行调度,以最大限度地提高数据传输的效率。
5.电源管理和温度控制:主板芯片组还负责管理和控制主板的电源和温度。
芯片组能够监测主板上的电流和温度,以确保它们处于安全范围内,并在必要时进行调整。
这对于提高主板的稳定性和可靠性非常重要。
6.错误检测和修复:主板芯片组还具备错误检测和修复的功能。
芯片组能够监测数据传输中的错误,并尝试自动修复或纠正这些错误,以确保数据传输的准确性和可靠性。
总之,主板芯片组在计算机系统中发挥着至关重要的作用。
它负责控制和协调不同硬件之间的通信和数据传输,提供必要的总线支持和拓展插槽管理,优化数据传输和处理的效率,同时也负责电源管理、温度控制、错误检测和修复等功能,以保证计算机系统的稳定性和可靠性。
主板各芯片的功能,名词解释及维修方式主板各芯片的功能及名词解释主板芯片组(chipset)(pciset) :分为南桥和北桥南桥(主外):即系统I/O芯片(SI/O):主要管理中低速外部设备;集成了中断控制器、DMA控制器。
功能如下:1) PCI、ISA与IDE之间的通道。
2) PS/2鼠标控制。
(间接属南桥管理,直接属I/O管理)3) KB控制(keyboard)。
(键盘)4) USB控制。
(通用串行总线)5) SYSTEM CLOCK系统时钟控制。
6) I/O芯片控制。
7) ISA总线。
本文引用自电脑软硬件应用网8) IRQ控制。
(中断请求)9) DMA控制。
(直接存取)10) RTC控制。
11) IDE的控制。
南桥的连接:ISA—PCICPU—外设之间的桥梁内存—外存北桥(主内):系统控制芯片,主要负责CPU与内存、CPU与AGP之间的通信。
掌控项目多为高速设备,如:CPU、Host Bus。
后期北桥集成了内存控制器、Cache高速控制器;功能如下:①CPU与内存之间的交流。
②Cache控制。
③AGP控制(图形加速端口)字串4④PCI总线的控制。
⑤CPU与外设之间的交流。
⑥支持内存的种类及最大容量的控制。
(标示出主板的档次)内存控制器:决定是不是读内存(高级板集成于北桥)。
586FX 82438FXVX 82438VXCache:高速缓冲存储器。
(1)、high—speed高速(2)、容量小100M检查CPU 的三大工作条件l 供电字串1l 时钟l 复位2. 取下BIOS 查22脚片选信号是不是有跳变3. 试换BIOS,查跟BIOS 相连的线路4. 查ISA,PCI上的数据线,地址线(及AD),中断等控制线(这样可直接反映南北桥问题)5. 查AGP,PCI,CPU座的对地阻值来判断北桥是不是正常l 供电CPU内核电压2 场效应管坏,开路或短路2 滤波电容短路(电解电容)2 电压IC 无输出ü无12V 供电ü电压IC 坏ü断线2 CPU 工作电压相关线路有轻微短路2 场效应管坏了一个,输出电压也会变低2 反馈电路无作用2 电压IC输出电压低l VID 0—4,(+5V电压)2 电压IC 无输出2 和CPU座相连的排阻坏2 断线l VTT2 供电场效应管坏2 有对地短路2 场效应管供电不正常2 场效应管坏l 时钟2 CPU座与时钟IC 之间开路2 时钟IC 无输出2 和输出连接的滤波电容坏(10皮法)2 供电是不是正常2 全数无输出或一半无输出2 晶振是不是起振22皮法是不是坏2 有供电,IC 坏2 无供电,查供电相关线路2 IC 坏字串22 查不正常的一半供l 复位2 复位电压低:北桥坏2 有电压无复位北桥假焊或北桥无复位与北桥相连的线路断开字串72 有复位:与北桥中断线2 无复位:查复位的产生电路开机显示内容及相关故障判断1. 显示显卡的资料及显存的容量2. 显示主板的型号、出厂日期、BIOS版本内容3. 显示CPU的主频、(外频和倍频)1) CPU座坏2) 跳线设置错误3) 北桥和CPU座之间的线路4. 内存的容量1) 内存条坏2) 内存槽坏3) 北桥坏4) 内存槽接触不良5. IDE接口的状况字串51) 检测不到i. 信号线及硬盘、光驱ii. IDE 接口断针iii. 南桥坏,断线2) 检测错误i. 硬盘、光驱信号线ii. IDE接口问题iii. 南桥坏iv. 清除CMOS6. 软驱1) 设置错误2) 信号线及软驱3) 软驱接口4) I/O坏5) 南桥坏7. 键盘、鼠标1) 键盘、鼠标坏2) 相关线路(排阻、排容、电感、电阻、I/O)3) 键盘锁(CMOS、键盘锁相关线路)4) 南桥或到南桥当中断线或短路8. 声卡1) 检测不到i. CMOS关闭(清除CMOS)ii. 声卡及晶振(没有波形电压一高一低)iii. 供电(78L05)2) 杂音i. 输入端的供电滤波电容ii. 输出端的滤波电容iii. 声卡坏iv. 南桥坏9. USB、COM口、打印口、游戏口1) 接口坏2) 供电不正常3) 信号线有问题4) I/O或南桥字串2内存相关故障判断1. 读不到内存槽坏a) 弹片接触不好:氧化、弹力失控、开路b) 槽短路烧坏:两针短路、损坏内存相关线路:其中一个槽短路;供电;时钟;行列选通;线路有开路;数据线;地址线;控制线;北桥坏(多数与北桥线路有关)2. 数码跳不完整C0—C1—C3—C5(没有C3和C5,则相关线路有问题)3. 内存容量报错内存条坏接触不好插槽与北桥之间线路有问题4. 进98后缺少字符:内存条坏5. 进98后死机:内存条坏6. AGP槽短路—影响北桥、内存7. BIOS错或资料丢失病毒感染升级失败供电不对注:时钟IC有时也会引发不读内存不同主板的诊断卡走数会有不同,常见的有下面3种:1:00—C0—C1—C3—0b—0d—3d—42—6F—7F—FF2:FF—C1—1d—2b—3d—42—6F—7F—FF3:FF—d3—d4—0b—2A—31—3d—4E声卡故障判断1. 供电电源插座12V到78L05三端稳压器输入脚,输出正5V电压给声卡IC 字串32. 声卡IC 正常工作时应该发烧其中1-12脚比较重要,包括供电、晶振的两个脚、控制信号3. 晶振,隔壁有两个22PF 的小电容一通电就有波形进98后才有波形只有电平,没有波形,电压一高一低4. 功放只是把声卡输出的音频信号进行放大(功放坏会引发声小、杂音、无音)引发声卡故障的部份问题1. 供电2. 晶振3. 声卡芯片4. 功放5. 声卡及功放周边的小电容6. CMOS设置错误解引发无声、装不上声卡7. BIOS坏。
了解电脑主板的组成和功能电脑主板是一款电子设备,它在电脑中扮演着至关重要的角色。
主板连接了各种硬件组件,如中央处理器(CPU)、内存、显卡和存储设备等,使它们可以相互通信和协调工作。
了解电脑主板的组成和功能,有助于我们更好地理解电脑的工作原理和提升电脑性能。
本文将介绍电脑主板的组成和各个组件的功能。
一、主板的外观和基本组成电脑主板通常是一个长方形的电路板,其表面有一系列连接插槽和插座。
主板的颜色和材质可能因制造商而异,但基本功能和组成大体相同。
1. CPU插槽:位于主板的中央位置,用于安装中央处理器(CPU)。
CPU是电脑的大脑,负责执行各种计算任务。
2. 内存插槽:位于CPU插槽附近的位置,用于安装内存条。
内存条是电脑用于存储临时数据的地方,提供给CPU快速读取和写入数据。
3. 扩展插槽:位于主板的边缘位置,用于安装显卡、网卡、声卡和其他扩展设备。
这些插槽通常是PCIe或PCI插槽。
4. SATA接口:用于连接硬盘驱动器、光驱和其他存储设备。
SATA接口提供数据传输和电源连接。
5. USB接口:用于连接外部设备,如鼠标、键盘、打印机和移动存储设备等。
6. 电源插口:用于连接电源供应器,为主板和其他组件提供电力。
二、主板的核心组件和功能主板上的核心组件包括芯片组、BIOS和电源管理。
1. 芯片组:芯片组是主板上的集成电路组成的集合,包含北桥芯片和南桥芯片。
北桥芯片连接CPU、内存和显卡等组件,南桥芯片管理磁盘驱动器、USB接口和其他外设。
2. BIOS(基本输入/输出系统):BIOS是主板上的固件程序,负责初始化电脑硬件、进行启动自检、加载操作系统和提供基本的输入输出功能。
3. 电源管理:主板上的电源管理芯片负责供电控制和电源管理。
它监控电力需求,控制电压和功率分配,确保各个组件的利用效率。
三、主板的性能和扩展能力电脑主板的性能和扩展能力对整体系统性能至关重要。
1. 性能:主板的性能取决于芯片组、总线速度和支持的技术标准等。
主板芯片组怎么看主板芯片组是主板上的一个重要组成部分,它起着连接主板各个硬件设备以及控制和管理它们的作用。
下面将详细介绍主板芯片组的分类、功能以及如何选择合适的主板芯片组。
一、主板芯片组的分类主板芯片组一般可以分为北桥和南桥两个部分,它们各自具有不同的功能和特点。
北桥芯片:北桥芯片是主板芯片组中的核心部分,它连接着处理器、内存、显卡以及其他高速硬件设备,主要负责处理和传输数据。
北桥芯片的核心功能包括内存控制器、显卡控制器以及PCIe总线控制器等。
南桥芯片:南桥芯片是主板芯片组中的次级部分,它连接着硬盘、声卡、网卡以及其他低速硬件设备,主要负责I/O控制和管理。
南桥芯片的核心功能包括SATA控制器、USB控制器、声卡控制器以及网卡控制器等。
二、主板芯片组的功能主板芯片组作为主板上的重要组成部分,具有以下几个主要功能:1. 数据传输:主板芯片组负责处理和传输各种数据,包括内存数据、图形数据以及外设数据等。
2. 资源管理:主板芯片组负责管理各种硬件资源,包括内存资源、显卡资源、硬盘资源以及外设资源等。
3. 接口控制:主板芯片组负责控制各种接口,包括PCIe接口、SATA接口、USB接口以及声卡接口等。
4. 时钟管理:主板芯片组负责控制和管理系统的时钟频率,包括处理器时钟、内存时钟以及总线时钟等。
5. 电源管理:主板芯片组负责管理系统的电源供应,包括处理器电源、内存电源以及外设电源等。
三、如何选择主板芯片组选择合适的主板芯片组是非常重要的,它将直接影响到计算机系统的性能和稳定性。
以下是选择主板芯片组时需要考虑的几个关键因素:1. 处理器支持:首先要确保主板芯片组支持自己所使用的处理器型号,包括品牌、系列和接口类型等。
2. 内存支持:主板芯片组应支持所需的内存容量和类型,包括DDR3、DDR4等。
3. 显卡支持:如果需要使用离散显卡,主板芯片组应支持对应的显卡接口和规格,如PCIe x16等。
4. I/O接口需求:根据自己的需求选择主板芯片组提供的I/O接口类型和数量,如USB接口、SATA接口、网卡接口等。
主板各芯片的功能及名词解释推荐主板各芯片的功能及名词解释芯片组:(chipset)(pciset)有南桥北桥;(主外)南桥系统I/O芯片(SIO):管理外设,主要管理中低速设备;集成了中断控制器、DMA控制器、功能如下:PCI、ISA与IDE之间的通道。
PS/2鼠标控制(属间接管理,属SI/O直接管理)KB控制(keyboard)(键盘)USB控制。
(通用串行总线)SYSTEM CLOCK系统时钟的控制。
I/O芯片的控制。
ISA总线。
IRQ控制(中断请求)DMA控制(直接存取)RTC控制。
11、IDE的控制。
南桥:ISA—PCICPU—外设之间的桥梁内存—外存北桥:系统控制芯片,主要CPU与内存之间通信。
(主内)掌控项目多为高速设备,如:CPU、HOST、BUS。
晚期北桥集成了内存控制器;cache高速控制器;功能如下:CPU与内存之间的交流。
CACHE控制。
AGP控制(图形加速端口)PCI总线的控制。
CPU与外设之间的交流。
支持内存的种类及最大容量的控制。
(标示出主板的档次)内存控制器:决定是否读内存(高档板集成于北桥)。
586FX 中可组82438FXVX 82438VXCache:高速缓冲存储器。
(1)、high—speed高速(2)、容量小主要用于CPU与内存北桥之间加速(坏时死机,把高速缓冲关掉)CPUcache内存IO芯片,input/output,(局部I/O)。
IO芯片管理:①LPI(并上,打印口,PP)②COM(串口,鼠标口,SP)③FDD(软驱);④KB控制器(键盘)BIOS:基本输入输出系统。
(Basic,Input,Output S ystem)主要负责软件,硬件的连接。
既属于硬件,又属于软件,固化了开机自检的程序,及主板BIOS编写厂家的信息。
主板的生产厂家(Compag、IBM、Asus)只读可编程存储器。
内部固化的程序不会因掉电而丢掉。
BIOS的功用:①提供CMOS设置的等程序,各硬件的设置及主板的特殊功能的设定。
电脑主板芯片组的介绍电脑主板芯片组的介绍芯片组(Chipset)是主板的核心组成部分,如果说中央处理器(CPU)是整个电脑系统的心脏,那么芯片组将是整个身体的躯干。
在电脑界称设计芯片组的厂家为CoreLogic,Core的中文意义是核心或中心,光从字面的意义就足以看出其重要性。
对于主板而言,芯片组几乎决定了这块主板的功能,进而影响到整个电脑系统性能的发挥,芯片组是主板的灵魂。
芯片组性能的优劣,决定了主板性能的好坏与级别的高低。
这是因为目前CPU的型号与种类繁多、功能特点不一,如果芯片组不能与CPU良好地协同工作,将严重地影响计算机的整体性能甚至不能正常工作。
主板芯片组几乎决定着主板的全部功能,其中CPU的类型、主板的系统总线频率,内存类型、容量和性能,显卡插槽规格是由芯片组中的北桥芯片决定的;而扩展槽的种类与数量、扩展接口的类型和数量(如USB2.0/1.1,IEEE1394,串口,并口,笔记本的VGA输出接口)等,是由芯片组的南桥决定的。
还有些芯片组由于纳入了3D加速显示(集成显示芯片)、AC'97声音解码等功能,还决定着计算机系统的显示性现在的芯片组,是由过去286时代的所谓超大规模集成电路:门阵列控制芯片演变而来的。
芯片组的分类,按用途可分为服务器/工作站,台式机、笔记本等类型,按芯片数量可分为单芯片芯片组,标准的南、北桥芯片组和多芯片芯片组(主要用于高档服务器/工作站),按整合程度的高低,还可分为整合型芯片组和非整合型芯片组等等。
台式机芯片组要求有强大的性能,良好的兼容性,互换性和扩展性,对性价比要求也最高,并适度考虑用户在一定时间内的可升级性,扩展能力在三者中最高。
在最早期的笔记本设计中并没有单独的笔记本芯片组,均采用与台式机相同的芯片组,随着技术的发展,笔记本专用CPU的出现,就有了与之配套的笔记本专用芯片组。
笔记本芯片组要求较低的能耗,良好的稳定性,但综合性能和扩展能力在三者中却也是最低的。
主板的主要芯片主板的主要芯片可以分为南北桥芯片组、BIOS芯片、I/O芯片、时钟芯片、电源管理芯片、音效芯片、网卡芯片等。
下面主要是对各个芯片及其功能的介绍。
1.3.1 南北桥芯片组芯片组(Chipset)是构成主板电路的核心。
一定意义上讲,其决定了主板的级别和档次。
芯片就是“南桥”和“北桥”的统称,就是把以前复杂的电路和元件最大的限度的集成在几颗芯片内的芯片组。
如果说中央处理器(CPU)是整个电脑的大脑,那么芯片组将是整个身体的心脏。
对于主板而言,芯片组几乎决定了这块主板的功能,进而影响到整个系统性能的发挥,因此芯片组是主的灵魂。
小提示:芯片组性能的优劣,决定了主板性能的好坏与级别的高低。
这是因为目前CPU的型号与种类繁多,而且功能特点不一,如果芯片组不能与CPU良好的协调工作,将严重的影响电脑的整体性能、甚至不能正常工作。
到目前为止,能够生产芯片组的厂家为数不多,其中以Intel和NVIDIA以及VIA的芯片组最为常见。
如下所示。
美国的生产商有:Intel(英特尔)、AMD(超微)、NVIDIA(英伟达)、ServerWorks、IBM、HP中国台湾生产商有:VIA、SIS、ULI、ALI加拿大生产商有:ATI(已经被AMD收购)1、北桥北桥(North Bridge)芯片是主板芯片组中起主导作用的最重要的组成部分,也称为主桥(Host Bridge)。
北桥芯片即系统控制芯片,是主板上离CPU最近的一块芯片,负责与CPU 的联系并控制内存、AGP和PCI数据在北桥内部传输。
另外北桥芯片主要决定主板的规格,对硬件的支持以及系统的性能。
小提示:一般来说,芯片组的名称就是以北桥芯片的名称来命名的。
例如Intel的965P芯片组的北桥芯片是82965P,975P芯片组的北桥芯片是82975P等。
北桥芯片往往有较高的工作频率,所以发热量比较高。
在主板上,可以在CPU插槽附近找到一个散热器,如图1-15所示就是北桥芯片。
了解电脑主板芯片组选择最适合你的选项随着科技的快速发展,电脑已经成为了现代人生活中必不可少的工具。
而在电脑的硬件配置中,主板作为电脑的核心部件,起着承载和连接各种硬件设备的重要作用。
而主板上的芯片组更是主板性能和功能的决定性因素之一。
本文将帮助你了解电脑主板芯片组的选择,以便你能够选择最适合你的选项。
一、芯片组的作用和分类芯片组是主板上的关键组件,它负责连接处理器、内存、显卡等硬件设备,并且管理它们之间的通信和数据传输。
芯片组的性能和功能对于整个电脑系统的稳定性和性能有着重要影响。
根据芯片组的处理器兼容性,我们可以将芯片组分为Intel芯片组和AMD芯片组。
其中,Intel芯片组适用于搭载Intel处理器的主板,而AMD芯片组则适用于搭载AMD处理器的主板。
选择合适的芯片组类型是确保主板和处理器兼容性的关键。
二、了解常见的主板芯片组型号1. Intel芯片组型号在Intel芯片组中,常见的型号有H系列、Z系列、B系列和Q系列等。
不同型号的芯片组拥有不同的性能和功能特点,适用于不同的使用场景和需求。
- H系列芯片组:适用于普通家庭和办公电脑,性价比较高,功能比较基础。
适合一般用户的日常使用。
- Z系列芯片组:适用于高性能游戏电脑和超频需求。
具备更多的扩展性和调教性能。
适合游戏发烧友和专业用户。
- B系列芯片组:适用于中端办公和商用电脑。
功能相对于H系列更为全面,适合对电脑性能有一定要求的用户。
- Q系列芯片组:适用于工作站和服务器,具备更高的稳定性和可靠性。
适合专业视频编辑、服务器搭建等工作。
2. AMD芯片组型号在AMD芯片组中,常见的型号有A系列和X系列。
这两个系列的芯片组也有不同的性能和功能特点,适用于不同的用户需求和场景。
- A系列芯片组:适用于普通家庭和办公电脑,功能较为基础,性价比较高。
- X系列芯片组:适用于高性能游戏电脑和专业用户需求。
具备更多的扩展性和调教性能。
三、选择最适合你的选项在选择电脑主板芯片组时,你需要根据自身的需求和预算来判断最适合你的选项。
了解电脑主板芯片组的不同型号与功能在如今技术日新月异的信息时代,电脑已经成为人们生活和工作中不可或缺的一部分。
而电脑的核心部件之一就是主板,它承载了电脑的各个组件,起到了连接和协调的作用。
而主板上起到桥梁作用的就是芯片组,负责处理和管理电脑的各种数据流动。
在市面上,有许多不同型号和功能的主板芯片组,本文将详细介绍不同型号的主板芯片组及其功能。
一、Intel芯片组在电脑主板芯片组中,Intel芯片组是最为常见的型号之一。
Intel芯片组以其卓越的性能和稳定性而受到广泛认可。
目前市面上最为常见的Intel芯片组有H370、B360、Z370和X299等。
1. H370芯片组H370芯片组是Intel的一款主流芯片组,适用于中高端办公和家用电脑。
该芯片组支持Intel第8代和第9代酷睿处理器,并提供了多个PCIe插槽和USB接口,使用户能够轻松扩展电脑的各种功能。
同时,H370芯片组还支持Intel的Rapid Storage Technology,提供了更快的数据传输速度和更稳定的存储解决方案。
2. B360芯片组B360芯片组也是Intel的一款主流芯片组,适用于中低端家用电脑。
与H370芯片组相比,B360芯片组在功能上稍有所限,但仍然提供了良好的性能和稳定性。
它支持Intel第8代和第9代酷睿处理器,并提供了多个SATA接口和USB接口,方便用户连接各种外部设备。
3. Z370芯片组Z370芯片组是Intel的一款高端芯片组,适用于游戏和超频爱好者。
相比于H370和B360芯片组,Z370芯片组提供了更多的PCIe插槽和USB接口,以满足高性能游戏和超频的需求。
同时,Z370芯片组还支持Intel的Optane内存技术,提供了更快的存储速度和更大的存储容量。
4. X299芯片组X299芯片组是Intel的一款旗舰芯片组,适用于工作站和高端电脑。
该芯片组支持Intel的高性能处理器,如酷睿X系列和至强系列。