微生物技能考核标准
- 格式:doc
- 大小:375.50 KB
- 文档页数:10
深圳市职业技能鉴定微生物检定工考核大纲1、职业概况1.1、职业名称:微生物检定工职业定义:从事药品,食品,化妆品,日常化学品等行业微生物检定工作的人员。
1.2、职业等级:本大纲共设五个等级,分别为:初级工(国家职业资格五级)、中级工(国家职业资格四级)、高级工(国家职业资格三级)、技师(国家职业资格二级)、高级技师(国家职业资格一级)。
1.3、基本文化程度:生物、医药、食品、精细化工等专业及其相关专业中等专业学校(含中技、中职)毕业,或高中毕业经过岗位实践和专业培训。
1.4、培训期限要求:全日制职业学校教育,根据其培养目标和教学计划确定。
晋级培训期限:初级、中级、高级不少于200标准学时;技师和高级技师不少于180标准学时。
1.5、申报条件:参照《关于印发职业技能鉴定各职业报考条件的补充通知》(深职鉴办〔2013〕15号)执行1.6、鉴定方式、鉴定时间:(理论、实际操作考试方式与时间)本工种初、中、高级工采用理论知识笔试和技能操作考核两种形式鉴定,理论知识考试时间为90-120分钟,实际操作考核时间为120-180分钟。
技师考核采用理论知识笔试、技能操作考核和综合评价形式鉴定。
高级技师考核采用理论知识笔试、综合评价和业绩追踪形式鉴定。
本规范中知识要求、技能要求、综合评价和业绩跟踪的成绩各满分为100分,60分及以上者为合格。
1.7、考评人员与考生配比:(理论、实际操作考试考评人员与考生配比)1、理论知识考评原则上每20名考生配备1名考评员(20:1)。
2、实际操作考评原则上按5名考生配备1名考评员(5:1),且不少于2名考评员;每40名考生配备1名实验员。
2、基本要求:2.1、职业道德基本知识:身体健康无传染性疾病,有良好的卫生习惯和质量无差错意识、了解药品管理法、药品生产质量管理规范等法律与法规相关知识;有强烈的责任感。
2.2、基础理论知识:应用化学、应用微生物学、生物化学。
2.3、专业基础知识:药品、食品、化妆品及日化产品卫生标准。
微生物实操考核微生物实操考核是一项重要的实践课程,旨在培养学生对微生物的实际操作能力。
在这门课程中,学生将亲自进行微生物的培养、分离和鉴定等实验操作。
这些实验不仅能够让学生深入了解微生物的生长规律和特性,还能够培养学生的观察力和实验操作技能。
在微生物实操考核中,首先需要学生准备好实验所需的物品和仪器。
这些物品包括培养基、试管、平板、显微镜等。
学生需要仔细阅读实验操作步骤,并按照步骤要求进行实验操作。
在进行微生物培养实验时,学生需要将微生物样品接种到含有适宜培养基的试管或平板上。
接种后,学生需要将试管或平板放入恒温箱或培养箱中进行培养。
在培养过程中,学生需要注意保持培养基的湿润和适宜的温度。
在微生物分离实验中,学生需要将混合微生物样品分离出单个菌株。
为了达到这个目的,学生需要采用不同的分离技术,如稀释涂布法、均匀涂布法等。
分离后,学生需要观察每个菌落的形态、颜色和大小,并进行初步的鉴定。
在微生物鉴定实验中,学生需要通过观察和实验,确定菌株的种属和特性。
学生可以利用显微镜观察菌株的形态特征,如细胞形状、大小和结构等。
此外,学生还可以进行生理生化实验,如碳源利用能力测试、酶活性测定等,以进一步确定菌株的特性。
微生物实操考核不仅考察学生的实验操作能力,还要求学生具备严谨的思维和细致的观察力。
在实操过程中,学生需要注意实验操作的规范性和准确性,确保实验结果的可靠性。
此外,学生还需要善于总结和归纳实验结果,形成科学的结论。
通过微生物实操考核,学生不仅能够提高自己的实验操作能力,还能够加深对微生物的理解和认识。
微生物是地球上最小的生命体,它们广泛存在于自然界的各个角落。
微生物的研究对于人类的生活和健康具有重要的意义。
因此,通过微生物实操考核,可以培养学生对微生物的兴趣和热爱,为未来的科学研究和应用奠定基础。
微生物实操考核是一门重要的实践课程,通过实验操作和观察,培养学生的实验操作能力和科学思维能力。
通过这门课程的学习,学生不仅能够深入了解微生物的生长规律和特性,还能够培养自己的观察力和实验操作技能。
微生物检验技术介绍微生物检验技术是医学、生物学、化学等多个学科领域交叉融合的前沿技术,其主要目的是通过对微生物的形态、结构、生理生化特性等进行观察、测定和分析,为疾病诊断、病原体鉴定、流行病学调查等方面提供重要依据。
以下是微生物检验技术的主要内容:一、传统微生物学检验技术传统微生物学检验技术是建立在经典微生物学的基础上,通过形态学、生理生化等特征对微生物进行鉴定和分类。
该方法具有简单、直观、快速等优点,但易受主观因素和经验限制,且无法对某些微生物进行准确鉴定。
1、显微镜检查显微镜检查是微生物检验的基本方法之一,通过观察微生物的形态、大小、结构等特征,对微生物进行初步鉴定。
该方法主要用于细菌、真菌等微生物的观察。
2、培养基培养培养基培养是一种常用的微生物分离培养方法,通过在培养基中接种微生物,观察其生长情况,进行分离、鉴定和计数。
该方法可用于细菌、真菌等微生物的培养。
3、生化鉴定生化鉴定是通过测定微生物对各种生化试剂的反应,了解其生理生化特性,从而对微生物进行鉴定和分类。
该方法可用于细菌、酵母菌等微生物的鉴定。
二、现代微生物学检验技术随着科技的发展,现代微生物学检验技术越来越趋向于自动化、快速化和高精度化。
以下是一些常见的现代微生物学检验技术:1、免疫学检测技术免疫学检测技术是一种基于抗原-抗体反应的检测方法,通过制备特异性抗体,对样本中的抗原进行检测。
该方法具有灵敏度高、特异性强、操作简便等优点,已被广泛应用于医学、食品等领域。
2、分子生物学检测技术分子生物学检测技术是一种基于DNA或RNA等核酸分子的检测方法,通过分析核酸分子的序列、结构等特征,对微生物进行鉴定和分类。
该方法具有高精度、高特异性等优点,但需要一定的技术和设备支持。
3、色谱-质谱联用技术色谱-质谱联用技术是一种将色谱分离与质谱鉴定相结合的检测方法,通过将样本中的化合物进行分离和鉴定,了解其化学性质和结构特征。
该方法可用于细菌、真菌等微生物产生的代谢产物的鉴定。
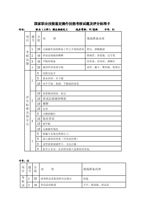
国家职业技能鉴定操作技能考核试题及评分标准卡行业:职业(工种):微生物检定工适应等级:中/高级卡号:01卡号:02卡号:03国家职业技能鉴定操作技能考核试题及评分标准卡行业:职业(工种):微生物检定工适应等级:中/高级卡号:04国家职业技能鉴定操作技能考核试题及评分标准卡行业:职业(工种):微生物检定工适应等级:中/高级卡号:05国家职业技能鉴定操作技能考核试题及评分标准卡国家职业技能鉴定操作技能考核试题及评分标准卡家职业技能鉴定操作技能考核试题及评分标准卡行业:职业(工种):微生物检定工适应等级:中/高级卡号:08国家职业技能鉴定操作技能考核试题及评分标准卡行业:职业(工种):微生物检定工适应等级:中/高级卡号:09国家职业技能鉴定操作技能考核试题及评分标准卡行业:职业(工种):微生物检定工适应等级:中/高级卡号:10国家职业技能鉴定操作技能考核试题及评分标准卡行业:职业(工种):微生物检定工适应等级:中/高级卡号:11国家职业技能鉴定操作技能考核试题及评分标准卡行业:职业(工种):微生物检定工适应等级:中/高级卡号:12国家职业技能鉴定操作技能考核试题及评分标准卡行业:职业(工种):微生物检定工适应等级:中/高级卡号:13国家职业技能鉴定操作技能考核试题及评分标准卡行业:职业(工种):微生物检定工适应等级:中/高级卡号:14国家职业技能鉴定操作技能考核试题及评分标准卡行业:职业(工种):微生物检定工适应等级:中/高级卡号:15国家职业技能鉴定操作技能考核试题及评分标准卡行业:职业(工种):微生物检定工适应等级:中/高级卡号:16国家职业技能鉴定操作技能考核试题及评分标准卡行业:职业(工种):微生物检定工适应等级:中/高级卡号:17国家职业技能鉴定操作技能考核试题及评分标准卡行业:职业(工种):微生物检定工适应等级:中/高级卡号:18国家职业技能鉴定操作技能考核试题及评分标准卡国家职业技能鉴定操作技能考核试题及评分标准卡行业:职业(工种):微生物检定工适应等级:中/高级卡号:20国家职业技能鉴定操作技能考核试题及评分标准卡行业:职业(工种):微生物检定工适应等级:中/高级卡号:21国家职业技能鉴定操作技能考核试题及评分标准卡行业:职业(工种):微生物检定工适应等级:中/高级卡号:22国家职业技能鉴定操作技能考核试题及评分标准卡行业:职业(工种):微生物检定工适应等级:中/高级卡号:23国家职业技能鉴定操作技能考核试题及评分标准卡行业:职业(工种):微生物检定工适应等级:中/高级卡号:24国家职业技能鉴定操作技能考核试题及评分标准卡行业:职业(工种):微生物检定工适应等级:中/高级卡号:25。
微生物检验技能操作竞赛
微生物检验技能操作竞赛
一、比赛宗旨
加强对医学技术人员微生物检验技能操作能力的考核,检验技术人员不断提高知识水平及技能水平,以更好地为患者服务,减少仪器技术人员在实际操作上的失误,努力提高技术质量,维护社会公众的健康与安全。
二、比赛范围
本次比赛分为理论和实验两大部分,分别对考生的理论和实践技能进行考核。
1.理论考试:
考生需熟练掌握微生物检验技术原理、方法及常见疾病的检查知识。
2.实验操作:
考生需掌握微生物检验操作方法,能熟练运用技术规范操作,准确完成实验操作,熟练掌握理化试剂、仪器设备等操作要点,以及操作中的各类安全措施。
三、竞赛分组
1.理论考试:
理论考试分为两组:初级组和高级组,分别针对初级技术人员和高级技术人员,比赛报名时应同时选择参加哪一组的考试。
2.实验操作:
实验操作分为两组:A组和B组,A组针对有一定技能操作基础的考生,B组针对缺乏实践基础的考生,比赛报名时应同时选择参加哪一组的考试。
四、比赛办法
1.理论考试:
理论考试包括理论知识答题和操作知识答题,考试时间一般为30至60分钟,具体时间以比赛报名表上所列为准。
2.实验操作:
实验操作考核评价标准以操作规范为基础,根据考生操作,运用实验仪器仪表及理化试剂,选择正确的实验方法、掌握正确的实验技术,正确记录及处理实验结果,并能准确判断结果出具建议性意见等方面对考生的操作能力进行考核。
食品微生物检验技能试题一一、有两管菌种,一管为金黄葡萄球菌,一管为大肠杆菌,但标签已脱落,请通过染色实验将其分开。
(40分)1、涂片、干燥、固定(10分)2、染色(15分)3、镜检(10分)4、报告(5分)二、酱油中细菌总数的测定(60分)1、实验准备(20分)2、样品稀释与培养(20分)3、菌落计数方法(10分)4、菌落计数的报告(10分答案要点一、菌种区分1、涂片、干燥、固定(1)取两块洁净载玻片,分别在载玻片中央滴一滴生理盐水,用无菌操作分别挑取菌种于载玻片的水滴中,调匀涂成薄膜,直径1.5cm左右。
(2)干燥室温干燥或用电吹风吹干。
(3)固定涂片面上,在酒精灯上过火三次,使细胞质凝固,以固定细菌的形态,并使其不易脱落。
但不能在火焰上烤,否则,形态会破坏。
2、染色(1)初染加草酸铵结晶紫染色液染色1分钟,用水冲洗。
(2)媒染滴加碘液冲去残水,并用碘液覆盖1分钟,水洗。
(3)脱色将载玻片上的水甩干净,在载玻片下衬以白色背景,滴加95%的酒精脱色,直洗至流出的酒精刚刚不出现紫色为止(0.5分钟),立即用水冲净酒精。
(4)复染用番红染液染1-2分钟,水洗。
3、镜检干燥后,置显微镜下观察。
4、报告球状、染成紫色者为金黄葡萄球菌,杆状、染成红色者为大肠杆菌。
二、酱油中细菌总数的测定1、实验准备(1)酱油(2)1ml与10ml吸管将吸管洗净烘干,塞入少量脱脂棉,卷好防潮纸进行干热灭菌(160℃、2小时)或加压灭菌。
(121℃、30分钟)(3)平皿将平皿分为10个一卷,用防潮纸包好,同上述吸管一起进行灭菌。
(4)备一瓶90ml和三管9ml的生理盐水,配以松紧适度的棉塞,用防潮纸将口部包好,同上述材料一起进行加压蒸汽灭菌,但需使灭菌后仍能保持原有毫升数(也可应用生理盐水灭菌后直接吸取的办法)。
(5)培养基蛋白胨牛肉膏氯化钠琼脂培养基。
将培养基用碱液调至PH7.2-7.4,装入灭菌的试管中约15ml,进行加压灭菌后,保温45℃备用。
微生物技术及应用专业技能考核试题库技能考核1 细菌的简单染色及显微镜的使用操作 (2)技能考核2 微生物菌种平板稀释法分离 (4)技能考核3 DNS法测定还原糖含量 (5)技能考核4 米曲霉三角瓶培养 (7)技能考核5 酵母菌血球计数板显微计数技术 (8)技能考核1 细菌的简单染色及显微镜的使用操作一、考查目的:1、通过细菌简单染色过程考查学生对显微镜的使用熟练程度2、考查学生无菌操作的能力二、考试内容:在规定的10分钟内,对大肠杆菌或金黄色葡萄球菌进行简单染色,要求各步骤正确,正确使用油镜观察染色结果。
三、实验材料:1、染色液一套。
2、大肠杆菌或金黄色葡萄球菌斜面。
3、显微镜等。
技能考核2 微生物菌种平板稀释法分离一、考查目的:考查学生无菌操作和单菌落法分离微生物的能力二、考试内容:对菌液进行单菌落画线分离实验和稀释平板分离实验,同时对提供的大肠杆菌斜面培养或平板种子进行单菌落画线分离实验,各一个平板,30℃培养48h,要求无杂菌生长,无交叉污染,每个平板上得到10个以上单菌落才算合格。
对菌液进行10倍稀释,选一要求的浓度取0.1毫升涂1个平板。
三、实验材料:1、大肠杆菌斜面培养物或平板培养物2、牛肉膏蛋白胨培养基3、无菌水、灭菌平板、灭菌吸管四、技能考试评分表1、单菌落画线分离实验和无菌操作结果30分(1)每个平板中至少10个单菌落(少1个菌落扣2分)(2)平板培养时正置培养扣2分(3)平板培养基被划破扣5分(4)污染1个杂菌扣2分(5)涂平板上单菌落有成片菌生长扣5分2、稀释平板分离实验和无菌操作结果50分(1)菌液稀释错误扣10分(2)平板培养时正置培养扣2分(3)平板培养基倒不平扣5分(4)不能正确使用刻度吸管扣5分(5)涂平板上单菌落有成片菌生长扣5分(6)结果不成10x梯度顺序排列扣20分3、标准的无菌操作过程15分4、良好的实验习惯,过程整洁,收拾实验用品。
5分总计100分技能考核3 DNS法测定还原糖含量一、考查目的:考核分光光度计的使用,考核DNS 法测定还原糖的原理、步骤以及数据处理方法。
谈谈微生物检验操作技能及注意事项微生物检验过程之中除了要保障检测环境的无菌以及工作器具的清洁之外,对于检测人员的技能操纵也有相当的要求。
为了全面保障实验室内检验操作的准确可信,应当从下面几个方面注意操作事项。
1.培养基的使用微生物的培养基础在于培养基的配置,每次根据不同的微生物培养要重新确定培养基的配置配方与流程。
配置前要确定其生产日期与最佳使用时段,在开瓶前检验密封性,确保未变质、吸潮、发霉的情况下进行配置使用。
培养基配置时需要保障称量准确,一定要将配置和灭菌放在同时进行,没有及时进行灭菌措施的培养基绝不能长时间放置,尤其不能隔夜,否则一律以污染物处理。
灭菌操作以恒温恒压为主要条件,维持一定的灭菌时间。
灭菌完成之后要放置冰箱进行保存,但最好当天使用。
保存时间不应当超过三天时间,对于难以确定保存时间的培养基,一律以污染物处理。
在培养基的使用之中,需要根据班次安排使用量。
水浴加热培养基为液态,先化开的培养基能够取出放在锅盖上缓慢冷却,但是所有的培养基都不能长期处于高温加热状态下。
(没懂起什么意思)微生物在检测时培养基温度通常要控制在45℃,过烫的情况下会导致菌群死亡,过冷会导致培养基凝聚,无法观察。
检测做样要集中进行,培养基每次打开都有可能提升杂菌污染几率,出现实验误差。
培养基除菌群外均要流出空白位置,方便对照观察。
1.检测环境的维持检测环境的维持分为检测室大环境的维持和超净工作台小环境的维持。
检测室大环境之中,每当微生物样本检测之前需要关闭窗户、空调与风扇,然后用酒精等杀毒药物对空间内进行消毒喷雾,避免检测室内的空气运动对超净工作台内部环境产生影响。
如果在检测室内有紫外灯,需要定期打开紫外灯进行杀毒操作。
(酒精擦拭消毒仪器设备,含氯消毒制剂擦拭消毒操作台面)在小环境超净工作台之中,需要对初效过滤器进行定期清洁与及时更换,在检测前将工作台进行全面清洁,使用医用酒精进行擦拭消毒。
超净工作台需要提前至少半个小时打开紫外光灯,对超净台内所有的环境进行杀毒操作。
初级微生物测验人员要求一、知识储备方面。
1. 微生物基础概念。
得知道微生物是啥,像细菌、真菌、病毒这些基本类型要分得清。
就好比你能一眼看出猫和狗的区别一样,细菌是单细胞生物,真菌可能有菌丝啥的,病毒那可是非细胞结构的小玩意儿。
要是连这些都搞混,那可就像把苹果当成橘子来卖,完全不对路。
2. 微生物的生存环境。
要明白微生物到处都有,土壤里、水里、空气中,甚至咱们的身体上都有它们的踪迹。
比如说有些微生物喜欢在热乎的温泉里泡着,那是嗜热微生物;有些则偏爱寒冷的极地,那就是嗜冷微生物。
你要是不了解它们的喜好,就像不知道朋友喜欢吃啥,很难跟它们打交道。
3. 微生物的作用。
知道微生物有好有坏。
好的微生物能帮咱们发酵面包、酿酒,就像一群小工匠在默默工作;坏的微生物呢,会让人生病,就像小恶魔捣乱。
要是把能做酸奶的乳酸菌当成坏家伙,那可就冤枉好人了。
二、实验技能方面。
1. 显微镜操作。
这可是观察微生物的神器,就像孙悟空的火眼金睛一样。
初级测验人员得熟练掌握显微镜的使用,知道怎么调节焦距,让那些微生物的小脸蛋清晰地出现在视野里。
要是把显微镜当成玩具乱拧一通,那可看不到微生物的庐山真面目啦。
2. 无菌操作。
在微生物的世界里,无菌操作就像在魔法世界里遵守魔法规则一样重要。
要知道怎么在超净工作台前像个小魔法师一样,干净利落地操作,防止杂菌污染。
要是不小心把外界的杂菌带进去,那就像在一锅好汤里掉进了一只苍蝇,全毁了。
3. 简单的培养技术。
得会给微生物准备好吃的(培养基),然后把它们养起来。
就像照顾小宠物一样,知道不同的微生物喜欢不同的食物(培养基成分),还要知道怎么给它们创造合适的居住环境(温度、湿度、氧气条件等)。
要是把厌氧菌放在充满氧气的环境里养,那它们可就不高兴,甚至活不了啦。
三、态度方面。
1. 细心。
微生物都超级小,一个小马虎可能就错过重要的发现。
就像在一堆沙子里找珍珠,稍微不注意就会忽略掉那颗最闪亮的。
所以在做实验、回答问题的时候都得小心翼翼,不然很容易犯错。