日本SHIMPO伺服电机用减速机-伺服电机价格
- 格式:docx
- 大小:3.35 MB
- 文档页数:20
具有经济实用,性价比高,精度高、钢性好、承载能力大、效率高、寿命长、体积轻小、外观美观、安装方便、定位精准等特点。
适用于交流伺服马达、直流伺服马达、步进马达、液压马达的增速与减速传动。
适合于全球任何厂商所制造的驱动产品联接。
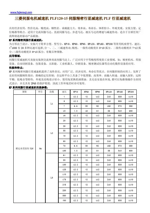
KF系列精密伺服行星减速机:为方形法兰设计,安装尺寸简单方便。
型号分:KF40、KF60、KF90、KF120、KF160、KF200等常用机座型号。
速比:4~1000有20多种比速可选择;分一、二、三减速传动;精度:一级传动精度在5-10弧分,二级传动精度在7-12弧分;三级传动精度在9-15弧分;有数百种规格。
应用领域:伺服行星减速机可直接安装到交流和直流伺服马达上,广泛应用于中等精度程度的工业领域。
如:精密机床、焊接设备、自动切割设备、包装设备,太阳能、工业机器人、印刷设备、精密测试仪器等自动化数控设备的应用。
性能和特点:KF系列精密伺服行星减速机提供了高性价比,应用广泛、经济实用、寿命长等优点,在伺服控制的应用上,发挥了良好的伺服刚性效应,准确的定位控制,在运转平台上具备了中低背隙,高效率,高输入转速,高输入扭矩,运转平順,低噪音等特性,外观及结构设计轻小。
使用免更换的润滑油,及无论安装在何处,都可以免维修操作全封闭式设计,并且具有IP65的保护程度,因此工作环境差时亦可使用。
KF系列伺服行星减速机性能参数:KF系列伺服行星减速机转动惯量:配备电机LA LZ S LR LB LE LC L1(一级传动) L2(二级传动) L3(三级传动)200W 70 4-M4 11(F7)35 50(H7) 5 64 126 145 164 400W 70 4-M4 14(F7)35 50(H7) 5 64 126 145 164配备电机LA LZ S LR LB LE LC L1(一级传动) L2(二级传动) L3(三级传动)400W 70 4-M4 14F7 35 50(H7) 5 90 165 188 211750W 90 4-M5 19F7 35 70(H7) 5 90 165 188 211 1500W 145 4-M8 22F7 55 110(H7) 5 130 185 208 231。
(1) 机械系统的种类特点用可变速电机驱动的机械系统, 一般有以下几类。
机构滚珠丝杠(直接连接)用于距离较短的高精度定位。
电机和滚珠丝杠只用联轴节连接, 没有间隙。
电机和滚珠丝杠只用联轴节连接,没有间隙。
滚珠丝杠(减速)选择减速比, 可加大向机械系统传递的转矩。
由于产生齿轮侧隙, 需要采取补偿措施。
由于产生齿轮侧隙,需要采取补偿措施。
齿条和小齿轮用于距离较长的(台车驱动等)定位。
小齿轮转动一圈包含了π值, 因此需要修正。
小齿轮转动一圈包含了π值,因此需要修正。
同步皮带(传送带)与链条比较, 形态上的自由度变大。
主要用于轻载。
皮带轮转动一圈的移动量中包含π值, 因此需要修正。
皮带轮转动一圈的移动量中包含π值,因此需要修正。
将伺服系统用于机械系统中时, 请注意以下各点。
①减速比为了有效利用伺服电机的功率, 应在接近电机的额定速度(最高旋转速度)数值的范围使用。
在最高旋转速度下连续输出转矩, 还是比额定转矩小。
②预压转矩对丝杠加预压力, 刚性增强, 负载转矩值增大。
由预压产生的摩擦转矩, 请参照滚珠丝杠规格书。
③保持转矩升降机械在停止时, 伺服电机继续输出保持力。
在时间充裕的场合, 建议使用保持制动。
机构特点链条驱动多用于输送线上。
必须考虑链条本身的伸长并采取相应的措施。
在减速比比较大的状态下使用, 机械系统的移动速度小。
多用于输送线上。
必须考虑链条本身的伸长并采取相应的措施。
在减速比比较大的状态下使用,机械系统的移动速度小。
进料辊将板带上的材料夹入辊间送出。
由于未严密确定辊子直径, 在尺寸长的物件上将产生误差, 需进行π补偿。
如果急剧加速, 将产生打滑, 送出量不足。
如果急剧加速,将产生打滑,送出量不足。
转盘分度转盘的惯性矩大, 需要设定足够的减速比。
转盘的转速低, 多使用蜗轮蜗杆。
转盘的转速低,多使用蜗轮蜗杆。
主轴驱动在卷绕线材时, 由于惯性矩大, 需要设定够的减速比。
在等圆周速度控制中, 必须把周边机械考虑进来研究。
PLE/AE/IE/PL190系列配汇川伺服电机伺服减速机PLE减速机特点:为圆形法兰输出方式,具有经济实用,性价比高,精度高、钢性好、承载能力大、效率高、寿命长、体积轻小、外形美观、安装方便、定位精准等特点,适用于交流伺服马达、直流伺服马达、步进马达的减速传动。
精度:一级传动精度在3-8弧分,二级传动精度在8-10弧分;有数百种规格。
PLE/AE/IE/PL190系列配汇川伺服电机伺服减速机精度:一级传动精度在3-8弧分,二级传动精度在8-10弧分;有数百种规格。
技术参数:外形尺寸: 40mm---160mm减速比: 3---512传递力矩: 5Nm---895Nm精密侧隙:≤5arcmin安装方式:任意PLE型号及速比:PLE40 PLE60 PLE80 PLE90 PLE120 PLE160 PLE190 PLE200L1级速比(3 4 5 7 8 10)L2级速比(9 12 15 16 20 25 32 40 64)L3级速比(60 80 100 120 160 200 256 320 512)S1光轴 S2单键轴 S3花键轴、P1精密背隙 P2标准背隙 P0超精密 K1光孔 K2单键孔 K3花键孔行星减速机产品特色:.高效率,达95%以上.低噪音,噪音小于64dB.多速比3-1000范围内可选。
.多功率电机匹配,可配套50W-18kW范围内电机.高输出扭矩,高于其它品牌同规格减速机。
.多种类型电机匹配,如步进,交流、直流电机等。
PLE/AE/IE/PL190系列配汇川伺服电机伺服减速机PLE系列伺服行星减速机可与全球任何厂家所生产的驱动马达产品连接使用,如:安川伺服、台达伺服、东元伺服、埃斯顿伺服、和利时伺服、汇川伺服、广数伺服、大森伺服、华中伺服、凯奇伺服、华大伺服、登齐伺服、雷赛伺服、步进电机、博孚伺服、三洋伺服、松下伺服、富士伺服、三菱伺服、欧姆龙伺服、日立伺服、发格伺服、施耐德伺服、西门子伺服、法那克伺服、科尔摩根伺服、科比伺服、帕克伺服、AMK伺服等伺服电机和步进电机。
PLE/AE/IE/PL190系列配汇川伺服电机伺服减速机PLE减速机特点:为圆形法兰输出方式,具有经济实用,性价比高,精度高、钢性好、承载能力大、效率高、寿命长、体积轻小、外形美观、安装方便、定位精准等特点,适用于交流伺服马达、直流伺服马达、步进马达的减速传动。
精度:一级传动精度在3-8弧分,二级传动精度在8-10弧分;有数百种规格。
PLE/AE/IE/PL190系列配汇川伺服电机伺服减速机精度:一级传动精度在3-8弧分,二级传动精度在8-10弧分;有数百种规格。
技术参数:外形尺寸: 40mm---160mm减速比: 3---512传递力矩: 5Nm---895Nm精密侧隙:≤5arcmin安装方式:任意PLE型号及速比:PLE40 PLE60 PLE80 PLE90 PLE120 PLE160 PLE190 PLE200L1级速比(3 4 5 7 8 10)L2级速比(9 12 15 16 20 25 32 40 64)L3级速比(60 80 100 120 160 200 256 320 512)S1光轴 S2单键轴 S3花键轴、P1精密背隙 P2标准背隙 P0超精密 K1光孔 K2单键孔 K3花键孔行星减速机产品特色:.高效率,达95%以上.低噪音,噪音小于64dB.多速比3-1000范围内可选。
.多功率电机匹配,可配套50W-18kW范围内电机.高输出扭矩,高于其它品牌同规格减速机。
.多种类型电机匹配,如步进,交流、直流电机等。
PLE/AE/IE/PL190系列配汇川伺服电机伺服减速机PLE系列伺服行星减速机可与全球任何厂家所生产的驱动马达产品连接使用,如:安川伺服、台达伺服、东元伺服、埃斯顿伺服、和利时伺服、汇川伺服、广数伺服、大森伺服、华中伺服、凯奇伺服、华大伺服、登齐伺服、雷赛伺服、步进电机、博孚伺服、三洋伺服、松下伺服、富士伺服、三菱伺服、欧姆龙伺服、日立伺服、发格伺服、施耐德伺服、西门子伺服、法那克伺服、科尔摩根伺服、科比伺服、帕克伺服、AMK伺服等伺服电机和步进电机。
伺服电机专用蜗轮减速机(配方形法兰) 型号RV25、RV30_减速机
RV系列蜗轮蜗杆减速机按Q/MD1-2000技术质量标准设计制造。
产品在符合按国家标准GB10085-88蜗杆轮参数基础之上,蜗轮蜗杆减速器吸取国内外最先进科技,独具新颖一格的“方箱型”外结
RV25 RV30 RV40 RV50 RV63 RV75 RV90 RV110 RV130 RV150
NRV25 NRV30 NRV40 NRV50 NRV63 NRV75 NRV90 NRV110 NRV130 NRV150
NMRV25 NMRV30 NMRV40 NMRV50 NMRV63 NMRV75 NMRV90 NMRV110 NMRV130
产品概述:
RV系列蜗轮蜗杆减速机按Q/MD1-2000技术质量标准设计制造。
产品在符合按国家标准GB10085-88蜗杆轮参数基础之上,蜗轮蜗杆减速器吸取国内外最先进科技,独具新颖一格的“方箱型”外结构,箱体外形美观,以优质铝合金压铸而成。
1.机械结构紧凑、体积轻巧、小型高效;
2.热交换性能好,散热快;
3.安装简易、灵活轻捷、性能优越、易于维护检修;
4.传动速比大、扭矩大、承受过载能力高;
5.运行平稳,噪音小,经久耐用;
6.适用性强、安全可靠性大。
RV系列蜗轮减速机目前已广泛应用于冶金、矿山、输送、水利、化工、食品、饮料、纺织、烟草、包装、环保等众多行业和领域工艺装备的机械减速装置,深受用户的好评、是目前现代工业装备实现大速比低噪音、高稳定机械减速传动控制装置的最佳选择。
技术参数:
功率:0.06KW~7.5KW
转矩:2.6N·m~2379N·m
传动比:7.5-100。
三菱交流伺服电机报价----北京研信通科技有限公司PLC事业部三菱伺服型号简介参考单价(RMB) MR-J2S-10A/B 驱动器 50W, 100W 5950 MR-J2S-20A/B 驱动器200W 6420 MR-J2S-40A/B 驱动器 300W,400W 6710 MR-J2S-60A/B 驱动器 500W,600W 6930 MR-J2S-70A/B 驱动器 750W 8970 MR-J2S-100A/B 驱动器 1000W 9190 MR-J2S-200A/B 驱动器 1500W,2000W 15350 MR-J2S-350A/B 驱动器 3500W 16380 MR-J2S-500A/B 驱动器 5000W 43690 MR-J2S-700A/B 驱动器 7500W 52480 HA-MFS053/KF053 伺服电机 3000rpm,50W 3980 HA-MFS13/KF13 伺服电机 3000rpm,100W 4160 HA-MFS23/KF23 伺服电机 3000rpm,200W 5150 HA-MFS43/KF43 伺服电机 3000rpm,400W 6140 HA-MFS73 伺服电机 3000rpm,750W 6290 HA-KFS73 伺服电机3000rpm,750W 7760 HC-SFS52 伺服电机 2000rpm,500W 6960 HC-SFS102 伺服电机 2000rpm,1000W 8440 HC-SFS152 伺服电机 2000rpm,1500W 10430 HC-SFS202 伺服电机 2000rpm,2000W 11920 HC-SFS352 伺服电机 2000rpm,3500W 14900 HC-SFS502 伺服电机 2000rpm,5000W 35950 HC-SFS702 伺服电机 2000rpm,7500W 40850 HC-RFS103 伺服电机 3000rpm,1000W 9930 HC-RFS153 伺服电机 3000rpm,1500W 11920 HC-RFS203 伺服电机 3000rpm,2000W 14400 HC-RFS353 伺服电机 3000rpm,3500W 18370 HC-RFS503 伺服电机 3000rpm,5000W 23650 HC-UFS13 伺服电机 3000rpm,100W 4160 HC-UFS23 伺服电机 3000rpm,200W 5150 HC-UFS43 伺服电机3000rpm,400W 6140 HC-UFS73 伺服电机 3000rpm,750W 7450 HC-UFS72 伺服电机 2000rpm,750W 7450 HC-UFS152 伺服电机 2000rpm,1500W 10430 HC-UFS202 伺服电机 2000rpm,2000W 11920 HC-UFS352 伺服电机 2000rpm,3500W 16690 HC-UFS502 伺服电机 2000rpm,5000W 25740 MR-JCCBL2M-L HA-FFS,HC-MFS 专用电缆 2米 480 MR-JCCBL5M-L HA-FFS,HC-MFS 专用电缆 5米530 MR-JCCBL10M-L HA-FFS,HC-MFS 专用电缆 10米 830 MR-JCCBL20M-L HA-FFS,HC-MFS 专用电缆 20米 2770 MR-JCCBL30M-L HA-FFS,HC-MFS 专用电缆 30米 3960 MR-JCCBL2M-H HA-FFS,HC-MFS 专用电缆 2米 970 MR-JCCBL5M-H HA-FFS,HC-MFS 专用电缆 5米 1260 MR-JCCBL10M-H HA-FFS,HC-MFS 专用电缆 10米 2270 MR-JCCBL20M-H HA-FFS,HC-MFS 专用电缆 20米 3230 MR-JCCBL30M-H HA-FFS,HC-MFS 专用电缆 30米 4260 MR-JHSCBL2M-L HA-SFS,HC-RFS 专用电缆 2米480 MR-JHSCBL5M-L HA-SFS,HC-RFS 专用电缆 5米 530 MR-JHSCBL10M-L HA-SFS,HC-RFS 专用电缆 10米 830 MR-JHSCBL20M-L HA-SFS,HC-RFS 专用电缆 20米 2770 MR-JHSCBL30M-L HA-SFS,HC-RFS 专用电缆 30米 3960 MR-JHSCBL2M-H HA-SFS,HC-RFS 专用电缆 2米 970 MR-JHSCBL5M-H HA-SFS,HC-RFS 专用电缆 5米 1260 MR-JHSCBL10M-H HA-SFS,HC-RFS 专用电缆 10米 2270 MR-JHSCBL20M-H HA-SFS,HC-RFS 专用电缆 20米 3230 MR-JHSCBL30M-H HA-SFS,HC-RFS 专用电缆30米 4260 MR-ENCBL2M-L HA-SFS,HC-RFS 专用电缆 2米 1340 MR-ENCBL5M-L HA-SFS,HC-RFS 专用电缆 5米 1650 MR-ENCBL10M-L HA-SFS,HC-RFS 专用电缆 10米 2620 MR-ENCBL20M-L HA-SFS,HC-RFS 专用电缆 20米 3600 MR-ENCBL30M-L HA-SFS,HC-RFS 专用电缆 30米 4650 MR-ENCBL50M-L HA-SFS,HC-RFS 专用电缆 50米 7060 MR-J2CN1 插头CN1A,CN1B 240 MR-J2CNM HA-FF,HC-MF插头一套 240 MR-J2CNS HC-SF,HC-RF插头一套 240 MR-PWCNS1 电源插头 690 MR-PWCNS2 电源插头 970 MR-PWCNS3 电源插头 2090 MR-J2TBL1M 接线端子座专用电缆 1500 MR-BAT 电池 410 MR-RB032 制动电阻 1130 MR-RB12 制动电阻 1300 MR-RB32 制动电阻 2210 MR-RB30 制动电阻2020 MR-RB50 制动电阻 3890 MRZJW3-SETUP 系统开关软件 2530 MRZJW3-MPTSZ 容量选择软件 700 MR-J2LL 控制电源电缆 240。
YOKOGAWA伺服驱动器介绍YOKOGAWA伺服驱动器是由日本YOKOGAWA公司生产的一种高性能伺服电机驱动设备。
它采用先进的控制算法和可靠的硬件组件,可广泛应用于各种工业自动化领域。
特点YOKOGAWA伺服驱动器具有以下特点:1.高精度控制:YOKOGAWA伺服驱动器采用了先进的控制算法,能够实现高精度的位置和速度控制。
无论是在低速运动还是高速运动时,都能够保持稳定的精度。
2.高性能:YOKOGAWA伺服驱动器具有高输出功率和高响应速度。
它能够快速响应外部输入信号,并实现精确的运动控制。
3.多种通信接口:YOKOGAWA伺服驱动器支持多种通信接口,如RS485、RS232、以太网等。
这使得它可以方便地与上位控制系统进行通信,实现远程监控和控制。
4.多种保护功能:YOKOGAWA伺服驱动器具有多种保护功能,如过流保护、过温保护、过载保护等。
它能够在异常情况下自动停止电机,并保护设备的安全运行。
5.易于安装和维护:YOKOGAWA伺服驱动器采用模块化设计,安装和维护非常方便。
它可以与各种类型的伺服电机配合使用,适用范围广泛。
应用领域YOKOGAWA伺服驱动器在以下领域得到了广泛应用:1.机床:YOKOGAWA伺服驱动器能够提供高精度和高速度的运动控制,适用于各种类型的机床,如车床、铣床、钻床等。
2.自动化生产线:YOKOGAWA伺服驱动器可以实现自动化生产线的高精度和高效率运动控制,提高生产效率和产品质量。
3.机器人:YOKOGAWA伺服驱动器在机器人领域具有广泛应用。
它能够实现机器人的精确定位和高速运动,满足各种复杂任务的要求。
4.医疗设备:YOKOGAWA伺服驱动器在医疗设备领域发挥着关键作用。
它能够提供精确的运动控制,确保医疗设备的安全运行和高效工作。
总结YOKOGAWA伺服驱动器是一种高性能的伺服电机驱动设备,具有高精度控制、高性能、多种通信接口、多种保护功能和易于安装和维护等特点。
它在机床、自动化生产线、机器人和医疗设备等领域得到了广泛应用。
松下、台达50W100W200W400W伺服电机马达行星减速机斜齿减速器KB系列精密伺服行星减速机:特点:为同轴式方形法兰输出,具有精度高、钢性好、承载能力大、效率高、寿命长、噪音低、体积轻小、外形美观、安装方便、定位精准等特点,适用于交流伺服马达、直流伺服马达、步进马达、液压马达的增速与减速传动。
适合于全球任何厂商所制造的驱动产品连接,如:松下、台达、安川、富士、三菱、三洋、西门子、施耐德、法那克、科比、科尔摩根、AMK、帕克等等。
KB系列精密伺服行星减速机:分KB40、KB60、KB90、KB115、KB142、KB180、KB220、KB280同轴式机座型号,速比:3~1000有20多个比可选择;分一、二、三级减速传动;精度:一级传动精度在4-6弧分,二级传动精度在6-8弧分;三级传动精度在7-10弧分;有数百种规格。
产品型号例如:KB142-32-S2-P2。
应用领域:伺服减速机可直接安装到交流和直流伺服马达上,广泛应用于精密机床、军工设备、半导体设备、印刷包装设备、食品包裝、自动化产业、太阳能、工业机器人、医疗检验、精密测试仪器等高精度场合应用。
性能及特点:1、行星齿轮的传动介面采用不含保持器之满针滚针轴承,增加接触面积以提高结构刚性及输出扭矩;2、采用3D/PORE的设计分析技术,分别对螺旋齿面作齿形及导程修整,以降低齿轮对啮入及啮出的冲击和噪音,增加齿轮系的使用寿命;3、齿轮材料选用高级的铬钼钒合金钢,经调质热处理至基材硬度30HRC,再利用本厂先进的离子氮化设备将齿轮表面的硬度氮化至840HV,以获得最佳的耐磨耗和耐冲击韧性;4、行星臂架与输出轴采用一体式的结构设计,且输出轴的轴承配置采用大跨距设计确保最大的扭转刚性和输出负载能力;5、使用NYOGEL792D合成润滑油脂,并采用IP65防护等级的密封设计,润滑油不泄露,免维护;6、输入端与马达的连接采用筒夹式的锁紧机构并经动平衡分析,以确保在高输入转速下结合介面的同心度和零背隙的动力传递;7、整支齿轮棒材制作出的太阳齿轮,刚性强,同心度准确;8、独特的马达连接板和轴衬的模组化设计,适用于任何伺服马达;9、齿轮箱表面利用无电解镍处理,马达连接板采用黑色阳极处理,提高环境的耐受性和抗腐蚀能力;10、齿轮箱和内环齿轮采用一体式的设计,结构紧凑、精密度高、输出扭矩大。
日本松下伺服常用型号介绍及维修技术驱动维修2009-06-26 17:59:18 阅读8 评论0 字号:大中小订阅松下伺服电机马达驱动器维修、松下伺服维修|松下伺服电机维修|松下伺服马达维修|松下伺服驱动器维修|Panasonic伺服驱动器维修|Panasonic伺服控制器维修|Panasonic伺服维修|Panasonic伺服马达维修|Panasonic伺服电机维修。
这些都是松下A系列的型号,或者是配套产品,已经停产了,只能维修,松下伺服电机马达驱动器维修、松下伺服维修|松下伺服电机维修|松下伺服马达维修|松下伺服驱动器维修|Panasonic伺服驱动器维修|Panasonic伺服控制器维修|Panasonic伺服维修|Panasonic伺服马达维修|Panasonic伺服电机维修。
MINAS A系列松下伺服产品MSMA(小惯量)3000prm 2500p/r增量式型号简称具体型号30W MSMA3A2A1G MSDA3A3A1A 50W MSMA5A2A1G MSDA35A3A1A100W MSMA012A1G MSDA013A1A 200W MSMA022A1G MSDA023A1A400W MSMA042A1G MSDA043A1A 750W MSMA082A1G MSDA083A1A1000W MSMA102A1G MSDA103A1A 1500W MSMA152A1G MSDA153A1A2000W MSMA202A1G MSDA203A1A 2500W MSMA252A1G MSDA253A1A3000W MSMA302A1G MSDA303A1A 3500W MSMA352A1G MSDA353A1A4000W MSMA402A1G MSDA403A1A 4500W MSMA452A1G MSDA453A1A5000W MSMA502A1G MSDA503A1AMDMA(中惯量)2000prm 2500p/r增量式型号简称具体型号750W MDMA082A1G MDDA083A1A 1000W MDMA102A1G MDDA103A1A1500W MDMA152A1G MDDA153A1A 2000W MDMA202A1G MDDA203A1A2500W MDMA252A1G MDDA253A1A 3000W MDMA302A1G MDDA303A1A3500W MDMA352A1G MDDA353A1A 4000W MDMA402A1G MDDA403A1A4500W MDMA452A1G MDDA453A1A 5000W MDMA502A1G MDDA503A1AMHMA(大惯量)2000prm 2500p/r增量式型号简称具体型号500W MHMA052A1G MHDA053A1A 1000W MHMA102A1G MHDA103A1A1500W MHMA152A1G MHDA153A1A 2000W MHMA202A1G MHDA203A1A3000W MHMA302A1G MHDA303A1A 4000W MHMA402A1G MHDA403A1A5000W MHMA502A1G MHDA503A1A如加制动器另加小型MINAS(≤750W)MHMA、MDMA、MSMA(500W-2000W)MHMA、MDMA、MSMA(≥2500W)绝对值型乘以1.33倍MSMA(小惯量)100W MSMA012A1C 200W MSMA022A1C 400W MSMA042A1C750W MSMA082A1C 1000W MSMA102A1C 1500W MSMA152A1C2000W MSMA202A1C 2500W MSMA252A1C 3000W MSMA302A1C3500W MSMA352A1C 4000W MSMA402A1C 4500W MSMA452A1C5000W MSMA502A1CMDMA(中惯量)750W MDMA082A1C 1000W MDMA102A1C 1500W MDMA152A1C2000W MDMA202A1C 2500W MDMA252A1C 3000W MDMA302A1C3500W MDMA352A1C 4000W MDMA402A1C4500W MDMA452A1C 5000W MDMA502A1CMHMA(大惯量)500W MHMA052A1C 1000W MHMA102A1C 1500W MHMA152A1C2000W MHMA202A1C3000W MHMA302A1C 4000W MHMA402A1C 5000W MHMA502A1CMSDA3A1A1A MSMA2AZA1G MSDA203A1A MSMA202A1G MSDA5A1A1A MSMA5AZAIGMSDA253A1A MSMA252A1G MSDA011A1A MSMA011AIG MDDA203A1A MDMA202A1GMSDA3A3A1A MSMA3AZA1G MDDA253A1A MDMA252A1G MSDA5A3A1A MSMA5AZA1GMFDA253A1A MFMA252A1G MSDA013A1A MSMA012A1G MGDA123A1A MGMA122A1GMSDA023A1A MSMA022A1G MHDA203A1A MHMA202A1G MSDA021A1A MSMA021A1GMSDA303A1A MSMA302A1G MSDA043A1A MSMA042A1G MSDA353A1A MSMA352A1GMQDA021AIA MQMA021A1G MSDA403A1A MSMA402A1G MQDA043A1A MQMA042A1GMSDA453A1A MSMA452A1G MSDA503A1A MSMA502A1G MDDA303A1A MDMA302A1GMSDA041A1A MSMA041A1G MDDA353A1A MDMA352A1G MSDA083A1A MSMA082A1GMDDA403A1A MDMA402A1GMQDA041A1A MQMA041A1G MDDA453A1A MDMA452A1GMFDA043A1A MFMA042A1G MDDA503A1A MDMA502A1G MGDA033A1A MGMA032A1GMFDA353A1A MFMA352A1G MFDA453A1A MFMA452A1G MGDA203A1A MGMA202A1GMSDA103A1A MSMA102A1G MGDA303A1A MGMA302A1G MSDA153A1A MSMA152A1GMGDA453A1A MGMA452A1GMDDA083A1A MDMA082A1G MHDA303A1A MHMA302A1GMDDA103A1A MDMA102A1G MHDA403A1A MHMA402A1G MDDA153A1A MDMA152A1GMHDA503A1A MHMA502A1G MHDA053A1A MHMA052A1G MHDA103A1A MHMA102A1GMHDA153A1A MHMA152A1G MFDA083A1A MFMA082A1G MFDA153A1A MFMA152A1G MGDA063A1A MGMA062A1GMGDA093A1A MGMA092A1G AMKC060B AMKA080B MSM022Q8V MSMA202DIH MSM012A2UE MSM042H1B MSM5AZJ2QX MSMQ12QBV MSM042A2UEMSMA022A2W MSMK042BLN MSM021A1F MSM022A2UE MSM022A1BE MSMK021BLAMHM502A1C MFA020LB2NSB MSM012A6A MSM5AZA1A MQMA022P1B MBMK082BLNMQMS042A65E MSM041A1C MSM021P1N MSM5AZP1P MBMK042BLEU MSMA042A1FMSMA012A1F MSMA042A84 MSMA022C1F MBMK011BLA MSM3AAD1E MSM3AAD1GMSM8AAD1G MSM5AAD1F MSM8AAD1F AMKC060B10KFG MSM011ABE MSM012A1A MSMA3AZA1N MSM042F2G MSM-12F2G MSMA102A1G MUMA022P1S MUMA012P1T MDM402A1H MFA0204D2BSH MDM402A1G MSM302A1H MSM302A1G MBMK021BLA MSM3AZA1NMSMZ041Q2G MSM022A1A MQMA042P1A MUMA042A3E MSM011A1A MFA024LA2NS MSM021A2NE MSM012F2G MSM022F2G MSM5AZP1C MSM012P1B MSM022P1A MSM042A1A MSM021AJB MSM011A3E MDM202Q2V MDM102Q2V MSMD082P1S MSM012QBV MSM022A1E MSMA022A1E MSM011D1B MSM012A1F MSMA5AZP1B MSMA012P1A MSD021P1E MSD021A1A MSDA013A1A MQDA013A1A MSD013P1E MSD023P1E MSD043P1E MSD023P1EA MSD103A1V06 MSD083A1X MSD043D1E DV88010LDM04 DV88010LDM01 DV85010LDMBS DV88010LDMS2 MSD083A1XG MSD011AX08 MSD013A1XXV MSD013A1X MSD011A1X MKDET131OP MSDA011A1A MSDA043A1A02 MQDA023D1A MHD503A1V MSD041A4XX MSD021P4E MSD5A1P4E MSD011P4E MSD3A3A1X MDD103AIVE MDD253AIVE MDD153AIVE MDD103A1VE MDD253A1VEMDD153A1VE MQDA013A1A MQDA022A1A MQDA023A1A MQDA043A1A MQMA012A1AMQMA012A1B MQMA022A1A MQMA022A1B MQMA022A1E MQMA022A1G MQMA042A1A MQMA042A1B MQMA042A1C MQMA042A1C-IP MS-220 MS-24 MSD013A1XXV MSD013P1EA MSD021A1X MSD023A1XXV MSD043A1XXE MSD083A1XXV MSD083M1XX35 MSD153A1VE MSD203A1VE MSD2A321E MSD3A3A1XXV MSD5A3A1XXV MSD5A3P1EA MSD5B321EMSDA011A1A MSDA013A1A MSDA013D1A MSDA021A1A MSDA023A1A MSDA023D1AMSDA043A1A MSDA043D1A MSDA083A1A MSDA083D1A MSDA103A1A MSDA104A1AMSDA104D1A MSDA153A1A MSDA154A1A MSDA154D1A MSDA203A1A MSDA204A1AMSDA204D1A MSDA253A1A MSDA254A1A MSDA254D1A MSDA303A1A MSDA304A1AMSDA304D1A MSDA353A1A MSDA354A1A MSDA354D1A MSDA3A3A1A MSDA3A3D1AMSDA403A1A MSDA404A1A MSDA404D1A MSDA453A1A MSDA454A1A MSDA454D1AMSDA503A1A MSDA504A1A MSDA504D1A MSDA5A3A1A MSDA5A3D1A MSDB015A1DMSDB015D1D MSDB025A1D MSDB025D1D MSDB045A1A12 MSDB045A1D MSDB045D1D MSDB083A1A12 MSDB083A1D MSDB083D1D MSDB3A5A1D MSDB3A5D1D MSDB5B4A1DMSDB5B5D1D MSDC025D1AF MSDZ043A1A MSDZ043A1A MSM011A1P MSM011A3EMSM012AXAE MSM012AXAE MSM012AXBE MSM012AXEE MSM012P1E MSM021A1A MSM021A4E MSM022A2UE MSM022AXAE MSM022AXBE MSM022AXEE MSM022P1G MSM042A1AMSM042AXAE MSM042AXAE MSM042AXAE MSM042AXBE MSM042AXEE MSM082AXAE MSM082AXBE MSM082AXEE MSM152A1C MSM152A1G MSM202A1C MSM202A1C MSM202A1G MSM2AZ21A MSM3AZA2Q MSM3AZAXAE MSM3AZAXBE MSM3AZAXEE MSM3AZP1EMSM5AZA1A MSM5AZA1EE MSM5AZAXAE MSM5AZAXBE MSM5AZAXEE MSM5AZP1AMSM5AZP1B MSM5AZP1E MSM5BZ21A MSMA011A1A MSMA012A1A MSMA012A1A MSMA012A1A-IP MSMA012A1B MSMA012A1B MSMA012A1B-IP MSMA012A1C MSMA012A1D MSMA012A1D-IP MSMA012A1E MSMA012A1F MSMA012C1A MSMA012C1B MSMA021A1A MSMA022A1A MSMA022A1A-IP MSMA022A1B MSMA022A1B-IP MSMA022A1C MSMA022A1E MSMA022A3A MSMA022C1A MSMA022C1B MSMA042A1A MSMA042A1A-IP MSMA042A1B MSMA042A1B-IP MSMA042A1C MSMA042A1C-IP MSMA042A1D MSMA042A1E MSMA042A1F MSMA042A3E MSMA042C1A MSMA042C1B MSMA042C1H MSMA082A1A MSMA082A1A-IP MSMA082A1B MSMA082A1B-IP MSMA082A1C MSMA082A1C-IP MSMA082A1D MSMA082A1E MSMA082A1E-IP MSMA082A1H MSMA082C1A MSMA082C1B MSMA102A1C MSMA102A1G MSMA104A1C MSMA104A1D MSMA104D1C MSMA104D1D MSMA152A1C MSMA152A1DMSMA152A1G MSMA152A1H MSMA154A1C MSMA154A1D MSMA154A1G MSMA154D1CMSMA154D1D MSMA202A1C MSMA202A1D MSMA202A1G MSMA204A1C MSMA204A1DMSMA204D1C MSMA204D1D MSMA252A1C MSMA252A1D MSMA252A1G MSMA254A1CMSMA254A1D MSMA254D1C MSMA254D1D MSMA302A1C MSMA302A1D MSMA304A1CMSMA304A1D MSMA304D1C MSMA304D1D MSMA352A1G MSMA354A1C MSMA354A1D MSMA354D1C MSMA354D1D MSMA3AZA1A MSMA3AZA1B MSMA3AZC1A MSMA3AZC1B MSMA402A1C MSMA402A1D MSMA402A1G MSMA402A1H MSMA404A1C MSMA404A1DMSMA404D1C MSMA404D1D MSMA452A1C MSMA452A1G MSMA452A1H MSMA454A1CMSMA454A1D MSMA454D1C MSMA454D1D MSMA502A1C MSMA502A1G MSMA504A1C MSMA504A1D MSMA504D1C MSMA504D1D MSMA5AZA1A MSMA5AZA1A-IP MSMA5AZA1B MSMA5AZA1C MSMA5AZA1C-IP MSMA5AZA1D MSMA5AZA1D-IP MSMA5AZC1A MSMA5AZC1B MSMZ012A1A MSMZ012A1B MSMZ012A1C MSMZ012A1D MSMZ012A1E MSMZ012A1FMSMZ022A1A MSMZ022A1A-IP MSMZ022A1B MSMZ022A1C MSMZ022A1D MSMZ022A1EMSMZ042A1A MSMZ042A1A-IP MSMZ042A1B MSMZ042A1C MSMZ042A1E MSMZ042A1FMSMZ082A1A MSMZ082A1B MSMZ082A1E MSMZ3AZA1A MSMZ5AZA1A MSMZ5AZA1BMSMZ5AZA1E MSS013A1XP MSS023A1XP MSS043A1XP MSS083A1XP MSS3A3A1XPMSS5A3A1XP松下电机型号MHD503A1VE MSDA043A2A26 MSD043A1XXV MDD203A1VV MDD103A1VV dv49s040lb2cadv87a020msg MSDC5A5A3A06 MQDB045D1A04A DV88010LDMS2 MUDS5A5A1A MSDB045A1A11 MBMK042BLS0 MFA040LD2NPB DV40P MSMA5AZA5A MSM042n2n AMKA080B AMKC060B MBHK041BLE MBMC1E2CSA MBMC9A2AZA MBMK042BLF MBMK082BL MDM202A1DMEA020CB2BSF MFA020LD2NPC MFA030LDRNSF MFA04LDRNSA MFA150LB5NP MOM2022A1E MSM082H1A MSMA042C3T MSMA402D1C MSW-08-K18-E-C MSM08206V MSM622T4V MBMK042B MBMK021BLE MSM052N1T MSM012A2UE MBMK5ABL MBMK012BL MBMK01BLE1 MBMK042BLE MBMK021BE MSMA04263T MBMK041BLE MSM082H1A MSD021P1E MSD021A1A MSDA013A1A MQDA013A1A MSD013P1E MSD023P1E MSD043P1E MSD023P1EA MSD103A1V06 MSD083A1X MSD043D1E DV88010LDM04 DV88010LDM01 DV85010LDMBS DV88010LDMS2 MSD083A1XG MSD011AX08 MSD013A1XXV MSD013A1X MSD011A1X MKDET131OP MSDA011A1A MSDA043A1A02 MQDA023D1A MHD503A1V MSD041A4XX MSD021P4E MSD5A1P4E MSD011P4E MSD3A3A1X MDD103AIVE MDD253AIVE MDD153AIVE MSD103A1A MHDA153A1A MSDA023A1A M42006-01A-591 MC139 MC13S 400W M1140 MC17HR0025 MC19PR0204M256D-0-NF40 M404D-00101-0000-0 M406D-00101-7000-0 M504F-00101-7000-10 M714F-00 201-00008PL M425-002 M540-402 M71A15G4L M9RC90GB4L1M7CB1A15G4L1 M9GA75B MAC090A-0-ZD-4-C/110-B-0/WI518LV/S005 MAC090B-0-PD-4-C/110-A-0/WI518LX/S001MAC092B-0-QD-1-B/095-B-0/101000 MAC112A-0-LD-2HC/B0-A-1 MAC112B-0-GD-2HC/B0-A-D MKD090B-058-KG0-KN MHD093B-035-NP0-BA MEM-25-MA11 MDSKSRS036-13 MDSKSBS0 36-23 MDMA102AIG MDMA152AIC MDM202AID MDM252AID MDMA302AIG MFA003LC5NS MFA005LA2NSC MFA005LA2NSE MFA006LC2NSA MFA006LC2NSJMFA010LA2NSA MFA010LA5NSJMFA010LD5NS MFA010LD5NSJ MFA015LD2NSD MFA020LA2BSJ MFA020LA2BSKMFA020LD2NPJ MFA024LA2NS MFA030LA2NS(J) MFA0302A2NSJ MFA040LA2NSA MFA040LD2NV MFA075LB2NP MFA075LD5NSJ MFA092LB2NRA MFA150LB5NPJ MFA150 BBNP MFA190LB2NS MFA250LB2NL MFA250LB2NSJ MFA250LE4NSJ MFA250LE4NSE MFA500LB2BSA MFA500LB2BSJ MFA500LB2NS MFG10DAL10BJMHMA102AIG MHMA152MIC MHMA202AG MFG10DALM5BC MFGDWGZ653238 MH401E-12S MQMA042A1F SA2311-14.1MSM012AJA MSM020AKT MSM021AJB MSM022A1F MSM022ADA MSM041AJB MSM041 DJB MSM042AJA MSM082A1F MSM082A4B MSM082AJA MSM082MYA MSM10KA4D M SM13KA2C MSM152020 MSM15202C MSM15205C MSM152A2A MSM20202D MSM302R1 C MSMA302A1D. MSMA304A1C. MSMA304A1D. MSMA304D1C. MSMA304D1D. MSMA352A1G.MSMA354A1C. MSMA354A1D. MSMA354D1C. MSMA354D1D. MSMA3AZA1A. MSMA3AZA1B.MSMA3AZC1A MSMA3AZA1A MSMA3AZA1B MSMA3AZA1C MSMA3AZA1D MSMA3AZA1E MSMA3AZA1F MSMA3AZA1G MSMA3AZA1H MSMA3AZA1N MSMA3AZA1P MSMA3AZA1Q MSMA3AZA1R MSDA3A1A1A MSDA3A3A1A MSMA3AZC1A MSMA3AZC1B MSMA3AZC1CMSMA3AZC1D MSMA3AZC1E MSMA3AZC1F MSMA3AZC1G MSMA3AZC1H MSMA3AZC1N MSMA3AZC1P MSMA3AZC1Q MSMA3AZC1R MSDA3A1D1A MSDA3A3D1A MSMA5AZA1A MSMA5AZA1B MSMA5AZA1C MSMA5AZA1D MSMA5AZA1E MSMA5AZA1F MSMA5AZA1G MSMA5AZA1H MSMA5AZA1N MSMA5AZA1P MSMA5AZA1Q MSMA5AZA1R MSDA5A1A1A MQDA013A1A MQDA022A1A MQDA023A1A MQDA043A1A MQMA012A1A MQMA012A1BMQMA022A1A MQMA022A1B MQMA022A1E MQMA022A1G MQMA042A1A MQMA042A1B MQMA042A1C MQMA042A1C MSD013A1XXV MSD013P1EA MSD021A1X MSD023A1XXV MSD043A1XXE MSD083A1XXV MSD083M1XX35 MSD153A1VE MSD203A1VE MSD2A321E MSD3A3A1XXV MSD5A3A1XXV MSD5A3P1EA MSD5B321E MSDA011A1A MSDA013A1AMSDA013D1A MSDA021A1A MSDA023A1A MSDA023D1A MSDA043D1A MSDA083D1AMSDA104A1A MSDA104D1A MSDA154A1A MSDA154D1A MSDA204A1A MSDA204D1AMSDA254A1A MSDA254D1A MSDA304A1A MSDA304D1A MSDA354A1A MSDA354D1AMSDA3A3A1A MSDA3A3D1A MSDA404A1A MSDA404D1A MSDA454A1A MSDA454D1AMSDA504A1A MSDA504D1A MSDA5A3A1A MSDA5A3D1A MSDB015A1D MSDB015D1D MSDB025A1D MSDB025D1D MSDB045A1A12 MSDB045A1D MSDB045D1D MSDB083A1A12 MSDB083A1D MSDB083D1D MSDB3A5A1D MSDB3A5D1D MSDB5B4A1D MSDB5B5D1DMSDC025D1AF MSDZ043A1A MSDZ043A1A MSM011A1P MSM011A3E MSM012AXAEMSM012AXAE MSM012AXBE MSM012AXEE MSM012P1E MSM021A1A MSM021A4E MSM022A2UE MSM022AXAE MSM022AXBE MSM022AXEE MSM022P1G MSM042A1A MSM042AXAEMSM042AXAE MSM042AXAE MSM042AXBE MSM042AXEE MSM082AXAE MSM082AXBE MSM082AXEE MSM152A1C MSM152A1G MSM202A1C MSM202A1C MSM202A1G MSM2AZ21A MSM3AZA2Q MSM3AZAXAE MSM3AZAXBE MSM3AZAXEE MSM3AZP1E MSM5AZA1AMSM5AZA1EE MSM5AZAXAE MSM5AZAXBE MSM5AZAXEE MSM5AZP1A MSM5AZP1BMSM5AZP1E MSM5BZ21A MSMA011A1A MSMA012A1A MSMA012A1A MSMA012A1A-IP MSMA012A1B MSMA012A1B MSMA012A1B-IP MSMA012A1C MSMA012A1D MSMA012A1D-IP MSMA012A1E MSMA012A1F MSMA012C1A MSMA012C1B MSMA021A1A MSMA022A1A MSMA022A1A-IP MSMA022A1B MSMA022A1B-IP MSMA022A1C MSMA022A1E MSMA022A3A MSMA022C1A MSMA022C1B MSMA042A1A MSMA042A1A-IP MSMA042A1B MSMA042A1B-IP MSMA042A1C MSMA042A1C-IP MSMA042A1D MSMA042A1E MSMA042A1F MSMA042A3E MSMA042C1A MSMA042C1B MSMA042C1H MSMA082A1A MSMA082A1A-IP MSMA082A1B MSMA082A1B-IP MSMA082A1C MSMA082A1C-IP MSMA082A1D MSMA082A1E MSMA082A1E-IP MSMA082A1H MSMA082C1A MSMA082C1B MSMA102A1C MSMA102A1G MSMA104A1CMSMA104A1D MSMA104D1C MSMA104D1D MSMA152A1C MSMA152A1D MSMA152A1GMSMA152A1H MSMA154A1C MSMA154A1D MSMA154A1G MSMA154D1C MSMA154D1DMSMA202A1C MSMA202A1D MSMA202A1G MSMA204A1C MSMA204A1D MSMA204D1CMSMA204D1D MSMA252A1C MSMA252A1D MSMA252A1G MSMA254A1C MSMA254A1DMSMA254D1C MSMA254D1D MSMA302A1C MSMA302A1D MSMA304A1C MSMA304A1DMSMA304D1C MSMA304D1D MSMA352A1G MSMA354A1C MSMA354A1D MSMA354D1C MSMA354D1D MSMA3AZA1A MSMA3AZA1B MSMA3AZC1A MSMA3AZC1B MSMA402A1C MSMA402A1D MSMA402A1G MSMA402A1H MSMA404A1C MSMA404A1D MSMA404D1CMSMA404D1D MSMA452A1C MSMA452A1G MSMA452A1H MSMA454A1C MSMA454A1DMSMA454D1C MSMA454D1D MSMA502A1C MSMA502A1G MSMA504A1C MSMA504A1D MSMA504D1C MSMA504D1D MSMA5AZA1A MSMA5AZA1A-IP MSMA5AZA1B MSMA5AZA1C MSMA5AZA1C-IP MSMA5AZA1D MSMA5AZA1D-IP MSMA5AZC1A MSMA5AZC1B MSMZ012A1AMSMZ012A1B MSMZ012A1C MSMZ012A1D MSMZ012A1E MSMZ012A1F MSMZ022A1A MSMZ022A1A-IP MSMZ022A1B MSMZ022A1C MSMZ022A1D MSMZ022A1E MSMZ042A1A MSMZ042A1A-IP MSMZ042A1B MSMZ042A1C MSMZ042A1E MSMZ042A1F MSMZ082A1A MSMZ082A1B MSMZ082A1E MSMZ3AZA1A MSMZ5AZA1A MSMZ5AZA1B MSMZ5AZA1E松下AMKC060B AMKA080B MSM022Q8V MSMA202D1HMSM012A2UE MSM042H1B MSM5AZJ2QX MSMQ12QBVMSM042A2UE MSMA022A2W MSMK042BLNMSM021A1F MSM022A2UE MSM022A1BE MSMK021BLAMHM502A1C MFA020LB2NSB MSM012A6A MSM5AZA1AMQMA022P1B MBMK082BLN MQMS042A65EMSM041A1C MSM021P1NMSM5AZP1P MBMK042BLEUMSMA042A1F MSMA012A1F MSMA042A84 MSMA022C1F, MBMK011BLAMSM3AAD1E MSM3AAD1G MSM8AAD1G MSM5AAD1F MSM8AAD1FAMKC060B10KFG MSM011ABE MSM012A1A MSMA3AZA1N MSM042F2G MSM-12F2G MSMA102A1G MUMA022P1S MUMA012P1T MDM402A1H MFA0204D2BSH MDM402A1G MSM302A1H MSM302AIG MBMK021BLA MSM3AZA1N MSMZ041Q2G MSM022A1A MQMA042P1A MUMA042A3E MSM011A1A MFA024LA2NS MSM021A2NEMSM012F2G MSM022F2G MSM5AZP1C MSM012P1BMSM022P1A MSM042A1A MSM021AJB MSM011A3E MDM202Q2VMDM102Q2V MSMD082P1S MSM012QBV MSM022A1E MSMA022A1EMSM011D1B MSM012A1F MSMA5AZP1B MSMA012P1AMDM352Q5V MSM082H4V MSM021A1HMQMA042A1E MSM042A3H MSMD092S2UMSMD062S2U MSMD06262V MSMD042S2VMSM042A5F MHMA152A1C MFM082A1CMQM041C1F MSM082A6A MSM022P1PMSM022A1P MSMD022S1T MSM5AZA1BMSMA5A2S1E MUMS082A1A0S MSMA022C43MSM012P1A MSMA011A1N MSM021A1AMQMA022P2B MFA024LA2NSJ MFA010LA2NSKPANADAC 321-1010卡03A-AG-100-4-53RPM040M2A-55WPANASONIC 321-1-5APANASONIC 321-1-7APANASONIC 321-1-8321-1A-C驱动箱321-1A-E驱动箱H轴PANASONIC 321-2PANADAC 321-2D-11PANASONIC 321-4321-4(240W-100,50,30)321-4电源卡PANASONIC 321-6321-6电源卡321-6驱动箱PANASONIC 322PANASONIC 337E337L 步进马达驱动箱PANASONIC AMKB100B10NAK PANASONIC AMKB200B20KAHPANASONIC AMKB300B20KAH PANASONIC AMKB400B20KAHAZ8469TRANSFORMER BOXCACR-ACB03A11 PANASONIC CACR-PR03BC3ES PANASONIC CACR-PR44BC3CSY13B PANASONIC CACR-SR03AC2ER-Y84 PANASONIC CACR-SR03BC1ES-Y299PANASONIC CACR-SR05AC2ER PANASONIC CACR-SR05BC1ESCACR-SRO3BC1ES-Y299PANADC KH-400PANASONIC LA321002 5 100W 2500P/RLA321-002-3LA321-002-5LA-M00010F-1(板卡)LA-M00205F(板卡)LA-M87101D 2B034S2BPK(板卡)LA-M87102D(板卡)LA-MOO1O3E(板卡)PANASONIC M41A3G2L PANASONIC M6GBM6RA6G40/M6GB PANASONIC M6RA6G4LPANASONIC M6RA6G4Y-M6GA180B PANASONIC M6RA6GB4LM6RA6GB4L/M6GBM8GBIWAKI MD-1D-N2MDA0K-2D10-E100AL-SPSANYO MES-1000MTL MES-23PANASONIC MFA005LA2NP PANASONIC MFA005LA2NSCPANASONIC MFA006LB2NSA PANASONIC MFA006LBRNSEPANASONIC MFA006LDRNSE PANASONIC MFA008LAONNPANASONIC MFA010LA2NS PANASONIC MFA010LA2NSAPANASONIC MFA010LA2NSJPANASONIC MFA010LA5NS PANASONIC MFA010LASNSPANASONIC MFA010LB2NSA PANASONIC MFA010LD2BSHPANASONIC MFA010LDMNSA PANASONIC MFA010LDRBSEMFA01OLA5NPANASONIC MFA020DA2NS PANASONIC MFA020LA2BSBPANASONIC MFA020LB2BP PANASONIC MFA020LB2BSDPANASONIC MFA020LB2NP PANASONIC MFA020LB2NSBPANASONIC MFA020LB2NSD PANASONIC MFA020LB2NSJPANASONIC MFA020LD2NS PANASONIC MFA020LD2NSAPANASONIC MFA024LA2NS MFA024LALNSPANASONIC MFA030LA2NS PANASONIC MFA030LA2NSJPANASONIC MFA030LB2NSB PANASONIC MFA040LA2NSAPANASONIC MFA040LA2NSJPANASONIC MFA040LD2NSA PANASONIC MFA040LDRNSA PANASONIC MFA050LB3NS PANASONIC MFA075B2NSC PANASONIC MFA075LD2BSA PANASONIC MFA210LB2NS MFA250LB2NS MFA250LB2NS(编码器)MFA250LE4NSE MFAO1OLA5NSJFUJI MGM1940T-75ZORIENTAL MLD42-05MP-002MPAV2 24M飞达MPA视觉头(大小)MPA真空板MSH(贴片头)PANASONIC MSH1 MSH1照相系统PANASONIC MSH MSH贴片头PANASONIC MSM011A1P PANASONIC MSM011D1APANASONIC MSM011D1G PANASONIC MSM011PINPANASONIC MSM011PJA PANASONIC MSM012A1BPANASONIC MSM012P1A PANASONIC MSM021A1APANASONIC MSM021A1F PANASONIC MSM021B1APANASONIC MSM021D1G PANASONIC MSM021PN PANASONIC MSM022A1AMSM022G26PANASONIC MSM022G2G PANASONIC MSM022Q6UPANASONIC MSM041A2A PANASONIC MSM041A2UMSM041A2UV PANASONIC MSM042AJA PANASONIC MSM08A2Q2SPANASONIC MSM3AAD1GMSM3AAP1G PANASONIC MSM3AZQ2NMSM3AZQZN PANASONIC MSM5A2A3GPANASONIC MSM5A2D1C MSM5AZA3G MSM5AZD1CMSM5AZD1G PANASONIC MSM8AAD1G PANASONIC MSMO22A1AMV150相机(CCD头)PANASONIC MV150 MV150照相系统FUJI MV9D40Y50BROTARY MXE252C-100U01ROTARY MXE302C-250URH AE JV N4 N5 X-Y轴电机AE JV RH N4 N5 X-Y轴电机+B302 JV RH AE N4 N5 X-Y轴电机.TAMAGAWA N6040IK3GKB3N604E1481354带切纸刀N604E148B54(切刀)NCXYZ卡NCZWPANASONIC NM-4721APANASONIC NP001NP-001PANASONIC NP002NP-002NP-002-1PANASONIC NP002-1PANASONIC NP-002-2PANASONIC NP-002KE-2NP022相机放大器OBC10OBC2TOKYO OSS-01-1TOKYO OSS-01-1-H1TOKYO OSS-01-1-H2PANADAC PANADAC-730-231-PANADAC PANADAC-730-31DPANADAC PANADAC-730-31EPANADAC PANADAC-730-32E PANADAC PANADAC-730-4-AC-OUT PANADAC PANADAC-730-4D-AC-OUT PANADAC PANADAC-730-4E-AC-OUT PANADAC PANADAC-7830-4E-AC-OUT PANADAC PANADAC-783-065APANADAC PANADAC-783-066A-2PANADAC PANADAC-931打印机PCS242-NBKURODA PCS244VEXTA PH265M-31VEXTA PH266-01VEXTA PH266-01BVEXTA PH266-02BVEXTA PH266-E1.2VEXTA PH268-21B-A28VEXTA PH268-21-C3VEXTA PH533HG1-NAVEXTA PH566-AVEXTA PH566-BVEXTA PH566-B-A3VEXTA PH569-AVEXTA PH599-AMPH-8-6006-E100D0-SPVEXTA PK569AUHAPANASONIC PS599H-APANASONIC RH-8-6006-E050AO-SPRH-8-6006-E100A2RH8920-46HI-TDRIVE RH-8B-6006-E020D0RH RH照相头RH RH主电源箱SAYAMA SCL-16G-3502-FT2PANASONIC WV-MF200X006-121(RH上下轨道汽缸)MFA010LA2NC MFA010LA5NS MFA024LA2NS MFA030LB2NSMFA030LB2NSBMFA006LB2NSA MSM102A1A MSM022Q6URB2566CT2O4 38V2A RM-H6A6ZMR039 RM-H7A15ZMPR2462GN7.5K 3GN7.5K 6GHA7.5-Y-1 2IK6RGK-A2 2IK6RGN-A3IK15RGN-A 41K25GK-A2 2GK15KMF930-BC 2IK6RGN-A 6RH-DZ7 5R039612H-DZ 5R039 3IK15RGN-APB425-401 R404-011EL27NA20-3AF-011 NA20-3F2-G23AP-2M020B1C1AMKB100B10MAK PANASONIC P/R,16 AC100V 0.319N.M 3000r/min 100W 3 伺服AMKB200B20KAH PANASONIC P/R,16 AC100V 0.637N.M 3000r/min 200W 1 伺服AMKB300B20KAH PANASONIC P/R,16 AC100V 0.95N.M 3000r/min 300W 1 伺服AMKB400B20KAH PANASONIC P/R,16 AC100V 1.27N.M 3000r/min 400W 1 伺服MFA006LDRNSE PANASONIC 1000P/R 60W 1 伺服MFA005LA2NSC PANASONIC 1000P/R,14 AC 1.46kg.cm 3000r/min 45W 1 伺服MFA010LA2NSA PANASONIC 1000P/R,14 AC 0.32N.M 3000r/min 100W 1 伺服MFA010LD2BSH PANASONIC 1000P/R,14 AC200V 0.32N.M 3000r/min 100W 1 伺服MFA020LB2NSJ PANASONIC,NIPPON 1000P/R,14 AC 0.64N.M 3000r/min 200W 2 伺服MFA020LB2NP PANASONIC 1000P/R 200W 1 伺服MFA024LA2NS PANASONIC 1000P/R,14 AC 0.65N.M 3500r/min 240W 1 伺服MFA040LD2NSA PANASONIC 1000P/R 400W 1 伺服MFA075LD2BSA PANASONIC 1000P/R 750W 1 伺服MGM1940T-75Z FUJI 0.3A/AC200V 0.4N.m 1500 40W 2 感应TS1980N100E12 PANASONIC 200C/T,8 DC 200W 2 伺服TS1981N110E8 PANASONIC 500C/T,8 DC 80W 1 伺服TS1982N106E6 TAMAGAWA 500C/T,8 DC 60W 1 伺服TS1982N111E6 PANASONIC 500C/T,8 DC 60W 1 伺服MDMA252P1U + MFDDTA390 MSMD042PIU + MBDDT2210MDMA102P1G + MDDDT3530 MSMD042P1U + MBDDT2210MHMA102P1G + MDDDT3530003 MSMD082P1U + MCDDT3520MDMA302P1G + MFDDTA390 MHMA302P1G + MFDDTA390003 MHMA152P1G + MDDDT5440003MHMA152P1G + MDDDT5440003,MdMD082P1U + MdDDT3530003 MdMD082P1U + MdDDT3530003,MSMD042P1C + MBDDT2210003MBDDT2210 , MCDDT3520 , MDDDT3530 , MDDDT5540 , MADDT1207 , MSMD012P1G , MSMD012P1C , MADDT1205 , MHMD022P1U , MHMD022P1V , MHMD042P1U , MHMD042P1V , MBDDT2210 , MHMD082P1U , MHMD082P1V , MDMA082P1G , MDMA082P1C , MDMA102P1G , MDMA102P1C ,MDMA152P1C , MDDDT5540 , MDMA202P1G , MDMA202P1C , MEDDT7364 , MHMA052P1G , MHMA052P1C , MCDDT3520 , MHMA102P1G , MHMA102P1C , MDDDT3530 , MHMA152P1G , MHMA152P1C , MDDDT5540 , MHMA202P1G , MHMA202P1C , MEDDT7364 , MHMA302P1G , MHMA302P1C , MFDDTA390 , MHMA402P1G , MHMA402P1C , MFDDTB3A2 , MHMA502P1G , MHMA502P1C型号简称具体型号30W MSMA3A2A1G MSDA3A3A1A 50W MSMA5A2A1G MSDA35A3A1A100W MSMA012A1G MSDA013A1A 200W MSMA022A1G MSDA023A1A400W MSMA042A1G MSDA043A1A 750W MSMA082A1G MSDA083A1A1000W MSMA102A1G MSDA103A1A 1500W MSMA152A1G MSDA153A1A2000W MSMA202A1G MSDA203A1A 2500W MSMA252A1G MSDA253A1A3000W MSMA302A1G MSDA303A1A 3500W MSMA352A1G MSDA353A1A4000W MSMA402A1G MSDA403A1A 4500W MSMA452A1G MSDA453A1A5000W MSMA502A1G MSDA503A1AMDMA(中惯量)2000prm 2500p/r增量式型号简称具体型号750W MDMA082A1G MDDA083A1A 1000W MDMA102A1G MDDA103A1A1500W MDMA152A1G MDDA153A1A 2000W MDMA202A1G MDDA203A1A2500W MDMA252A1G MDDA253A1A 3000W MDMA302A1G MDDA303A1A3500W MDMA352A1G MDDA353A1A 4000W MDMA402A1G MDDA403A1A4500W MDMA452A1G MDDA453A1A 5000W MDMA502A1G MDDA503A1AMHMA(大惯量)2000prm 2500p/r增量式型号简称具体型号500W MHMA052A1G MHDA053A1A 1000W MHMA102A1G MHDA103A1A1500W MHMA152A1G MHDA153A1A 2000W MHMA202A1G MHDA203A1A3000W MHMA302A1G MHDA303A1A 4000W MHMA402A1G MHDA403A1A5000W MHMA502A1G MHDA503A1A如加制动器另加小型MINAS(≤750W)MHMA、MDMA、MSMA(500W-2000W)MHMA、MDMA、MSMA(≥2500W)绝对值型乘以1.33倍MSMA(小惯量)100W MSMA012A1C 200W MSMA022A1C 400W MSMA042A1C750W MSMA082A1C 1000W MSMA102A1C 1500W MSMA152A1C2000W MSMA202A1C 2500W MSMA252A1C 3000W MSMA302A1C3500W MSMA352A1C 4000W MSMA402A1C 4500W MSMA452A1C5000W MSMA502A1CMDMA(中惯量)750W MDMA082A1C 1000W MDMA102A1C 1500W MDMA152A1C2000W MDMA202A1C 2500W MDMA252A1C 3000W MDMA302A1C3500W MDMA352A1C 4000W MDMA402A1C4500W MDMA452A1C 5000W MDMA502A1CMHMA(大惯量)500W MHMA052A1C 1000W MHMA102A1C 1500W MHMA152A1C2000W MHMA202A1C3000W MHMA302A1C 4000W MHMA402A1C 5000W MHMA502A1CMSDA3A1A1A MSMA2AZA1G MSDA203A1A MSMA202A1G MSDA5A1A1A MSMA5AZAIGMSDA253A1A MSMA252A1G MSDA011A1A MSMA011AIG MDDA203A1A MDMA202A1GMSDA3A3A1A MSMA3AZA1G MDDA253A1A MDMA252A1G MSDA5A3A1A MSMA5AZA1GMFDA253A1A MFMA252A1G MSDA013A1A MSMA012A1G MGDA123A1A MGMA122A1GMSDA023A1A MSMA022A1G MHDA203A1A MHMA202A1G MSDA021A1A MSMA021A1GMSDA303A1A MSMA302A1G MSDA043A1A MSMA042A1G MSDA353A1A MSMA352A1GMQDA021AIA MQMA021A1G MSDA403A1A MSMA402A1G MQDA043A1A MQMA042A1GMSDA453A1A MSMA452A1G MSDA503A1A MSMA502A1G MDDA303A1A MDMA302A1GMSDA041A1A MSMA041A1G MDDA353A1A MDMA352A1G MSDA083A1A MSMA082A1GMDDA403A1A MDMA402A1GMQDA041A1A MQMA041A1G MDDA453A1A MDMA452A1GMFDA043A1A MFMA042A1G MDDA503A1A MDMA502A1G MGDA033A1A MGMA032A1GMFDA353A1A MFMA352A1G MFDA453A1A MFMA452A1G MGDA203A1A MGMA202A1GMSDA103A1A MSMA102A1G MGDA303A1A MGMA302A1G MSDA153A1A MSMA152A1GMGDA453A1A MGMA452A1GMDDA083A1A MDMA082A1G MHDA303A1A MHMA302A1GMDDA103A1A MDMA102A1G MHDA403A1A MHMA402A1G MDDA153A1A MDMA152A1GMHDA503A1A MHMA502A1G MHDA053A1A MHMA052A1G MHDA103A1A MHMA102A1GMHDA153A1A MHMA152A1G MFDA083A1A MFMA082A1G MFDA153A1A MFMA152A1G MGDA063A1A MGMA062A1GMGDA093A1A MGMA092A1G AMKC060B AMKA080B MSM022Q8V MSMA202DIH MSM012A2UE MSM042H1B MSM5AZJ2QX MSMQ12QBV MSM042A2UEMSMA022A2W MSMK042BLN MSM021A1F MSM022A2UE MSM022A1BE MSMK021BLAMHM502A1C MFA020LB2NSB MSM012A6A MSM5AZA1A MQMA022P1B MBMK082BLNMQMS042A65E MSM041A1C MSM021P1N MSM5AZP1P MBMK042BLEU MSMA042A1FMSMA012A1F MSMA042A84 MSMA022C1F MBMK011BLA MSM3AAD1E MSM3AAD1GMSM8AAD1G MSM5AAD1F MSM8AAD1F AMKC060B10KFG MSM011ABE MSM012A1A MSMA3AZA1N MSM042F2G MSM-12F2G MSMA102A1G MUMA022P1S MUMA012P1T MDM402A1H MFA0204D2BSH MDM402A1G MSM302A1H MSM302A1G MBMK021BLA MSM3AZA1NMSMZ041Q2G MSM022A1A MQMA042P1A MUMA042A3E MSM011A1A MFA024LA2NS MSM021A2NE MSM012F2G MSM022F2G MSM5AZP1C MSM012P1B MSM022P1A MSM042A1A MSM021AJB MSM011A3E MDM202Q2V MDM102Q2V MSMD082P1S MSM012QBV MSM022A1E MSMA022A1E MSM011D1B MSM012A1F MSMA5AZP1B MSMA012P1A MSD021P1E MSD021A1A MSDA013A1A MQDA013A1A MSD013P1E MSD023P1E MSD043P1E MSD023P1EA MSD103A1V06 MSD083A1X MSD043D1E DV88010LDM04 DV88010LDM01 DV85010LDMBS DV88010LDMS2 MSD083A1XG MSD011AX08 MSD013A1XXV MSD013A1X MSD011A1X MKDET131OP MSDA011A1AMSDA043A1A02 MQDA023D1A MHD503A1V MSD041A4XX MSD021P4E MSD5A1P4E MSD011P4E MSD3A3A1X MDD103AIVE MDD253AIVE MDD153AIVE MDD103A1VE MDD253A1VEMDD153A1VE MQDA013A1A MQDA022A1A MQDA023A1A MQDA043A1A MQMA012A1AMQMA012A1B MQMA022A1A MQMA022A1B MQMA022A1E MQMA022A1G MQMA042A1A MQMA042A1B MQMA042A1C MQMA042A1C-IP MS-220 MS-24 MSD013A1XXV MSD013P1EA MSD021A1X MSD023A1XXV MSD043A1XXE MSD083A1XXV MSD083M1XX35 MSD153A1VE MSD203A1VE MSD2A321E MSD3A3A1XXV MSD5A3A1XXV MSD5A3P1EA MSD5B321EMSDA011A1A MSDA013A1A MSDA013D1A MSDA021A1A MSDA023A1A MSDA023D1AMSDA043A1A MSDA043D1A MSDA083A1A MSDA083D1A MSDA103A1A MSDA104A1AMSDA104D1A MSDA153A1A MSDA154A1A MSDA154D1A MSDA203A1A MSDA204A1AMSDA204D1A MSDA253A1A MSDA254A1A MSDA254D1A MSDA303A1A MSDA304A1AMSDA304D1A MSDA353A1A MSDA354A1A MSDA354D1A MSDA3A3A1A MSDA3A3D1AMSDA403A1A MSDA404A1A MSDA404D1A MSDA453A1A MSDA454A1A MSDA454D1AMSDA503A1A MSDA504A1A MSDA504D1A MSDA5A3A1A MSDA5A3D1A MSDB015A1DMSDB015D1D MSDB025A1D MSDB025D1D MSDB045A1A12 MSDB045A1D MSDB045D1D MSDB083A1A12 MSDB083A1D MSDB083D1D MSDB3A5A1D MSDB3A5D1D MSDB5B4A1DMSDB5B5D1D MSDC025D1AF MSDZ043A1A MSDZ043A1A MSM011A1P MSM011A3EMSM012AXAE MSM012AXAE MSM012AXBE MSM012AXEE MSM012P1E MSM021A1A MSM021A4E MSM022A2UE MSM022AXAE MSM022AXBE MSM022AXEE MSM022P1G MSM042A1AMSM042AXAE MSM042AXAE MSM042AXAE MSM042AXBE MSM042AXEE MSM082AXAE MSM082AXBE MSM082AXEE MSM152A1C MSM152A1G MSM202A1C MSM202A1C MSM202A1G MSM2AZ21A MSM3AZA2Q MSM3AZAXAE MSM3AZAXBE MSM3AZAXEE MSM3AZP1EMSM5AZA1A MSM5AZA1EE MSM5AZAXAE MSM5AZAXBE MSM5AZAXEE MSM5AZP1AMSM5AZP1B MSM5AZP1E MSM5BZ21A MSMA011A1A MSMA012A1A MSMA012A1A MSMA012A1A-IP MSMA012A1B MSMA012A1B MSMA012A1B-IP MSMA012A1C MSMA012A1D MSMA012A1D-IP MSMA012A1E MSMA012A1F MSMA012C1A MSMA012C1B MSMA021A1A MSMA022A1A MSMA022A1A-IP MSMA022A1B MSMA022A1B-IP MSMA022A1C MSMA022A1E MSMA022A3A MSMA022C1A MSMA022C1B MSMA042A1A MSMA042A1A-IP MSMA042A1B MSMA042A1B-IP MSMA042A1C MSMA042A1C-IP MSMA042A1D MSMA042A1E MSMA042A1F MSMA042A3E MSMA042C1A MSMA042C1B MSMA042C1H MSMA082A1A MSMA082A1A-IP MSMA082A1B MSMA082A1B-IP MSMA082A1C MSMA082A1C-IP MSMA082A1D MSMA082A1E MSMA082A1E-IP MSMA082A1H MSMA082C1A MSMA082C1B MSMA102A1C MSMA102A1G MSMA104A1C MSMA104A1D MSMA104D1C MSMA104D1D MSMA152A1C MSMA152A1DMSMA152A1G MSMA152A1H MSMA154A1C MSMA154A1D MSMA154A1G MSMA154D1CMSMA154D1D MSMA202A1C MSMA202A1D MSMA202A1G MSMA204A1C MSMA204A1DMSMA204D1C MSMA204D1D MSMA252A1C MSMA252A1D MSMA252A1G MSMA254A1CMSMA254A1D MSMA254D1C MSMA254D1D MSMA302A1C MSMA302A1D MSMA304A1CMSMA304A1D MSMA304D1C MSMA304D1D MSMA352A1G MSMA354A1C MSMA354A1D MSMA354D1C MSMA354D1D MSMA3AZA1A MSMA3AZA1B MSMA3AZC1A MSMA3AZC1B MSMA402A1C MSMA402A1D MSMA402A1G MSMA402A1H MSMA404A1C MSMA404A1DMSMA404D1C MSMA404D1D MSMA452A1C MSMA452A1G MSMA452A1H MSMA454A1CMSMA454A1D MSMA454D1C MSMA454D1D MSMA502A1C MSMA502A1G MSMA504A1C MSMA504A1D MSMA504D1C MSMA504D1D MSMA5AZA1A MSMA5AZA1A-IP MSMA5AZA1B MSMA5AZA1C MSMA5AZA1C-IP MSMA5AZA1D MSMA5AZA1D-IP MSMA5AZC1A MSMA5AZC1B。
PLE/AE/IE/PL190系列配汇川伺服电机伺服减速机
PLE减速机特点:为圆形法兰输出方式,具有经济实用,性价比高,精度高、钢性好、承载能力大、效率高、寿命长、体积轻小、外形
美观、安装方便、定位精准等特点,适用于交流伺服马达、直流伺
服马达、步进马达的减速传动。
精度:一级传动精度在3-8弧分,二级传动精度在8-10弧分;有数百种规格。
PLE/AE/IE/PL190系列配汇川伺服电机伺服减速机
精度:一级传动精度在3-8弧分,二级传动精度在8-10弧分;有数百种规格。
技术参数:
外形尺寸: 40mm---160mm
减速比: 3---512
传递力矩: 5Nm---895Nm
精密侧隙:≤5arcmin
安装方式:任意
PLE型号及速比:
PLE40 PLE60 PLE80 PLE90 PLE120 PLE160 PLE190 PLE200
L1级速比(3 4 5 7 8 10)
L2级速比(9 12 15 16 20 25 32 40 64)
L3级速比(60 80 100 120 160 200 256 320 512)
S1光轴 S2单键轴 S3花键轴、P1精密背隙 P2标准背隙 P0超精
密 K1光孔 K2单键孔 K3花键孔
行星减速机产品特色:
.高效率,达95%以上.低噪音,噪音小于64dB.多速比3-1000范围内可选。
.多功率电机匹配,可配套50W-18kW范围内电机.高输出扭矩,高于其它品牌同规格减速机。
.多种类型电机匹配,如步进,交流、直流电机等。
PLE/AE/IE/PL190系列配汇川伺服电机伺服减速机
PLE系列伺服行星减速机可与全球任何厂家所生产的驱动马达产品连接使用,如:
安川伺服、台达伺服、东元伺服、埃斯顿伺服、和利时伺服、汇川伺服、广数伺服、大森伺服、华中伺服、凯奇伺服、华大伺服、登齐伺服、雷赛伺服、步进电机、博孚伺服、三洋伺服、松下伺服、富士伺服、三菱伺服、欧姆龙伺服、日立伺服、发格伺服、施耐德伺服、西门子伺服、法那克伺服、科尔摩根伺服、科比伺服、帕克伺服、AMK伺服等伺服电机和步进电机。
PLE/AE/IE/PL190系列配汇川伺服电机伺服减速机
枫信精密行星减速机在主要行业应用
CNC 龙门铣床、CNC 龙门磨床
CNC 综合加工机、CNC深孔加工机
CNC 落地搪床、CNC钻孔机
CNC 龙门刨床、 CNC 冲床
CNC 重型卧车.立车
产业机械
包装机械、印刷机、攻牙机
纺织机械、弯管机、弯板机
木工机、吹瓶机、雕刻机
充填机、射出成型机、 CNC弹簧机
雷射切割机、雷射焊接机
工厂自动化工业
半导体机械设备、光电面板
机械手臂、自动仓储运搬系统
金属表面处理设备
PLE/AE/IE/PL190系列配汇川伺服电机伺服减速机KB系列伺服行星减速机
产品特点:回程间隙小、刚性好、承载能力强、转动比范围广、效率高、寿命长、噪音小、体积轻小、安装方便、外形美观。
安装方式:方形立式法兰输出,任意安装。
输入种类:交流伺服马达、直流伺服马达、步进马达。
型号分为:KB60、KB90、KB115、KB142、KB180、KB220、KB280、KB340、KB400
传动比分类:
一级速比:3、4、5、7、10
回程间隙:4-12arcmin
二级速比:9、12、15、16、20、25、25、35、40、50、70、100
回程间隙:6-18arcmin
三级速比:60、64、80、100、125、160、200、250、280、350、400、500、700、1000
回程间隙:7-24arcmin
应用领域:精密机床、军工设备、冶金设备、风力发电设备,化工设备、太阳能、工业机器人、输送设备、工程机械、纺织设备、橡塑设备,食品机械、日用品机械、平面玻璃生产线、包装设备、印刷设备、汽车生产线等高精度场合的应用。
性能参数:
转动惯量:
KBD系列行星减速机
详细选型参数及尺寸参数
•KB400伺服电机行星减速机配15KW11KW7.5KW松下台达安川伺服电机
•KB340伺服电机行星减速机可以配7.5KW,11KW15KW22KW三菱台达伺服电机
•IBIBR系列伺服行星减速机
•PSWPS系列伺服减速机
•卧式伺服电机专用行星齿轮减速机西门子三菱台达安川施耐德松下KS系列伺服电机蜗轮减速机
KS50 KS63 KS75 KS90 KS110 KS130 KS150
枫信KS精密伺服蜗轮减速机:
具有间隙小、效率高、速比大、寿命长、振动低、低噪音、低温升、外观美、结构轻小、安装方便、定位精确等特点,适用于交流伺服马达、直流伺服马达减速传动。
适合于全球任何厂商所制造的驱动产
品连接,如:松下、台达、安川、富士、三菱、三洋、西门子、施耐德等等。
KS精密伺服蜗轮减速机特点:
1、背隙在5-15弧分,
2、标准中心距: 50; 75; 90; 110;130;150.
3、传动比:一级:7.5-80;二级:60-500;三级:400-4000
4、输入功率:0.4KW-15KW
5、4个安装表面
6、表面光滑,外型轻小
7、低噪声,发热量小。
8、法兰可替换,可适配不同厂家的伺服电机
9、整机采用通用可替换部件组装。
产品应用:
适用于快速、精确定位机构:
(1) 适用于精密加工机床、印刷机械,食品机械、纺织机械,印花机械,自动化产业、工业机器人、医疗检验、精密测试仪器和自动化高精度的机电产品行业等;
(2) 适用于工厂自动化快速移载机构、机器人手臂抓取机构、智能立体仓库等。
详细选型参数及尺寸参数
•
NMRV110 蜗轮减速器配伺服电机 •
KS30蜗轮蜗杆减速机配100W 伺服电机尺寸 • KS90速比50带扭力臂配台达伺服电机ECMA-E11310FS 刹车电机
•FX130-035键10-180X180枫信减速机
•FX075-024-130X130枫信减速机
•FX050-14-60X60枫信减速机
•FX110-035键10-180X180枫信减速机
•FX063-019-80X80枫信减速机
•蜗轮减速机输出法兰
•输出轴尺寸输入轴尺寸扭力臂尺寸。
蜗轮尾出轴【E】尺寸,蜗轮输出轴【DZ,SZ】尺寸,扭力臂【A】尺寸
上海枫信专业工厂专注于生产行星减速机,专业为伺服电机、步进电机配套行星减速机、精密行星减速机、直角式行星减速机、伺服电机/步进电机专用直角式行星减速机、伺服电机/步进电机专用行星换向器,重载型行星减速机系列减速机,同时公司还致力于工业机器人,控制和定位精度、都要求达到最高精度减速机厂家。
精湛的一体化设计,与科技完美结合,带给您非同一般的品质。
每一件优质的产品都源于枫信人严谨的工作态度,科学的工艺流程控制和严格的质量检测,为客户创造实实在在并且持久的价值。
十年沉淀铸就枫信减速机,尖端品质。
经典全能型行星齿轮箱,标准型齿轮箱非常适合高定位精度和高动态周期工作制的应用。