750W伺服电机减速机
- 格式:doc
- 大小:1.13 MB
- 文档页数:5
减速机与伺服电机的惯量计算减速机和伺服电机是我们经常使用的工业机械设备,在很多行业中都有广泛应用。
在设计和选型这两种设备时,我们需要考虑到它们的惯量。
下面将从以下几个方面来介绍减速机和伺服电机的惯量计算方法。
一、减速机的惯量计算减速机是将电机的高速低扭转换为低速高扭输出的装置。
在计算减速机惯量时,需要知道减速机的转动惯量,通过公式可以计算出来。
1.计算传动部分的惯量传动部分包括传动齿轮,连轴器等机构的惯量。
通常采用质量乘以半径的平方公式计算,并将结果转换为转动惯量。
例如,如果连轴器的质量为0.5千克,半径为5厘米,则其转动惯量为0.000625 kg·m²。
2.计算减速器齿轮的惯量减速器的内部齿轮也会给减速器带来一定的转动惯量。
可以将其转动惯量计算为齿轮的质量乘以半径的平方,然后除以齿轮的速比平方。
例如,如果齿轮质量为1千克,半径为10厘米,速比为40,则可以得到其转动惯量为0.025 kg·m²。
3.计算输出轴的惯量输出轴的转动惯量可以通过将其质量乘以半径的平方来计算,跟传动部分的公式类似。
例如,如果输出轴的质量为10千克,半径为15厘米,则其转动惯量为3.375 kg·m²。
二、伺服电机的惯量计算伺服电机是一种控制精度高,运转稳定的电机设备。
在伺服电机的设计和工作中,惯量也是一个非常重要的参数。
惯量越小,转速和位置就更容易控制。
下面介绍如何计算伺服电机的转动惯量。
1.计算电机惯量电机的转动惯量可以通过将电机的质量乘以半径的平方计算得出。
例如,电机质量为2千克,半径为10厘米,则其转动惯量为0.02 kg·m²。
2.计算驱动部分惯量驱动部分通常包括齿轮、皮带等传动装置,以及电机轴端的编码器等。
驱动部分的转动惯量可通过上述公式计算得出。
3.计算工作部件惯量工作部件通常指电机所带动的轴,例如平移轴、倾斜轴等。
其转动惯量也可通过使用公式来计算。
750w伺服电机安装尺寸蜗轮蜗杆减速器型号三段:
RV系列蜗轮蜗杆减速机按Q/MD1-2000技术质量标准设计制造。
产品在符合按国家标准GB10085-88蜗杆轮参数基础之上,蜗轮蜗杆减速器吸取国内外最先进科技,独具新颖一格的“方箱型”外结
RV25 RV30 RV40 RV50 RV63 RV75 RV90 RV110 RV130 RV150
NRV25 NRV30 NRV40 NRV50 NRV63 NRV75 NRV90 NRV110 NRV130 NRV150
NMRV25 NMRV30 NMRV40 NMRV50 NMRV63 NMRV75 NMRV90 NMRV110 NMRV130
产品概述:
RV系列蜗轮蜗杆减速机按Q/MD1-2000技术质量标准设计制造。
产品在符合按国家标准GB10085-88蜗杆轮参数基础之上,蜗轮蜗杆减速器吸取国内外最先进科技,独具新颖一格的“方箱型”外结构,箱体外形美观,以优质铝合金压铸而成。
1.机械结构紧凑、体积轻巧、小型高效;
2.热交换性能好,散热快;
3.安装简易、灵活轻捷、性能优越、易于维护检修;
4.传动速比大、扭矩大、承受过载能力高;
5.运行平稳,噪音小,经久耐用;
6.适用性强、安全可靠性大。
RV系列蜗轮减速机目前已广泛应用于冶金、矿山、输送、水利、化工、食品、饮料、纺织、烟草、包装、环保等众多行业和领域工艺装备的机械减速装置,深受用户的好评、是目前现代工业装备实现大速比低噪音、高稳定机械减速传动控制装置的最佳选择。
技术参数:
功率:0.06KW~7.5KW
转矩:2.6N·m~2379N·m
传动比:7.5-100。
伺服电机配减速机的计算
伺服电机(Servo Motor)配减速机的计算,需要考虑减速比、负载惯性、加速时间、扭矩等因素:
步骤如下:
1、根据工作负载的要求和电机的特性选择马力和规格的伺服电机。
2、确定机械系统的负载惯量(Jl)。
3、计算系统的加速时间(Ta),一般选择80%的时间,公式是:Ta=0.8√(Jl/Ta) (单位为秒)
4、根据系统最大转矩需求计算伺服电机选择的最小扭矩,公式是:Ts=Jl*α/η(单位为牛·米),其中α为加速度,η为传动效率。
5、根据机械系统的输出转矩需求,计算伺服电机的额定扭矩(Trating),公式为:Trating=Tload×R/A2B(其中Tload为输出转矩,R为减速比,A2B为轴间力臂的比值)。
6、根据工作负载的需要,选定匹配的减速机和减速比。
减速比是输入轴和输出轴的比值,可以为机械系统提供所需的输出转矩和速度。
7、将伺服电机和减速机组装到机械系统中,并调试好。
8、根据机械系统实际运行情况进行运动控制参数的调整和优化。
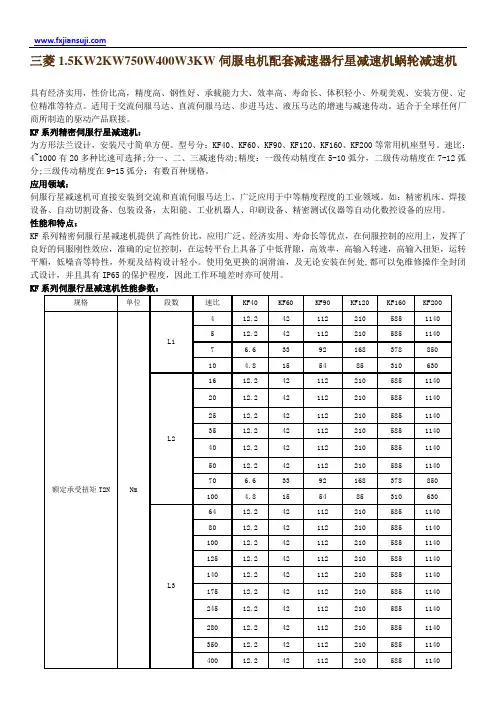
具有经济实用,性价比高,精度高、钢性好、承载能力大、效率高、寿命长、体积轻小、外观美观、安装方便、定位精准等特点。
适用于交流伺服马达、直流伺服马达、步进马达、液压马达的增速与减速传动。
适合于全球任何厂商所制造的驱动产品联接。
KF系列精密伺服行星减速机:为方形法兰设计,安装尺寸简单方便。
型号分:KF40、KF60、KF90、KF120、KF160、KF200等常用机座型号。
速比:4~1000有20多种比速可选择;分一、二、三减速传动;精度:一级传动精度在5-10弧分,二级传动精度在7-12弧分;三级传动精度在9-15弧分;有数百种规格。
应用领域:伺服行星减速机可直接安装到交流和直流伺服马达上,广泛应用于中等精度程度的工业领域。
如:精密机床、焊接设备、自动切割设备、包装设备,太阳能、工业机器人、印刷设备、精密测试仪器等自动化数控设备的应用。
性能和特点:KF系列精密伺服行星减速机提供了高性价比,应用广泛、经济实用、寿命长等优点,在伺服控制的应用上,发挥了良好的伺服刚性效应,准确的定位控制,在运转平台上具备了中低背隙,高效率,高输入转速,高输入扭矩,运转平順,低噪音等特性,外观及结构设计轻小。
使用免更换的润滑油,及无论安装在何处,都可以免维修操作全封闭式设计,并且具有IP65的保护程度,因此工作环境差时亦可使用。
KFKF配备电机LA LZ S LR LB LE LC L1(一级传动) L2(二级传动) L3(三级传动)200W 70 4-M4 11(F7)35 50(H7) 5 64 126 145 164 400W 70 4-M4 14(F7)35 50(H7) 5 64 126 145 164配备电机LA LZ S LR LB LE LC L1(一级传动) L2(二级传动) L3(三级传动)400W 70 4-M4 14F7 35 50(H7) 5 90 165 188 211750W 90 4-M5 19F7 35 70(H7) 5 90 165 188 211 1500W 145 4-M8 22F7 55 110(H7) 5 130 185 208 231。
伺服电机减速机扭矩计算公式前言在伺服控制系统中,减速机是一个重要的组成部分。
它通过降低伺服电机的转速,提供更大的输出扭矩。
本文将介绍伺服电机减速机扭矩计算公式及其应用。
1.什么是伺服电机减速机?伺服电机减速机是将伺服电机输出的高速低扭矩转变为低速高扭矩的装置。
它由机械传动部分和行星减速机两部分组成,通过减少转速和增加转矩来满足实际工作需求。
2.伺服电机减速机扭矩计算公式伺服电机减速机的扭矩计算公式如下:输出扭矩=输入扭矩×减速比×传动效率其中,-输入扭矩是指伺服电机输入到减速机的扭矩,单位为牛米(N·m);-减速比是指减速机输出转速与输入转速之比,是一个无量纲的值;-传动效率是指减速机传动中的能量损失比例,通常为一个小于1的小数。
3.如何计算伺服电机减速机扭矩?要计算伺服电机减速机的扭矩,需要先获得输入扭矩、减速比和传动效率的数值。
3.1输入扭矩的获得输入扭矩是由伺服电机输出的扭矩决定的。
一般通过电机的技术手册或者测力计等设备来获得。
3.2减速比的获得减速比是减速机输出转速与输入转速之比。
减速比可以通过减速机的技术手册或者生产厂家提供的参数获得。
3.3传动效率的获得传动效率是减速机传动中的能量损失比例,影响减速机的实际输出扭矩。
传动效率可以通过减速机的技术手册或者生产厂家提供的参数获得。
3.4实例演示假设伺服电机输出扭矩为100N·m,减速比为10:1,传动效率为0.9,则计算得到的输出扭矩为:输出扭矩=100N·m×10×0.9=900N·m4.伺服电机减速机扭矩计算公式的应用伺服电机减速机扭矩计算公式在工程设计和设备选择中具有重要的应用价值。
首先,通过计算输出扭矩,可以确定所需的伺服电机和减速机的参数。
根据实际工作需求,选择合适的输入扭矩、减速比和传动效率,以获得所需的输出扭矩。
其次,通过计算输出扭矩,可以评估减速机的工作性能。
伺服电机匹配行星减速机的方法
伺服电机匹配行星减速机的方法包括以下步骤:
1. 确定减速器的类型:根据应用需求,选择适合的减速器类型。
伺服电机匹配的行星减速器通常分为直齿、斜齿、方法兰和圆法兰等类型。
2. 确定减速器的规格:减速器的规格通常与伺服电机的功率有关。
根据电机的功率,选择相应规格的行星减速机法兰。
3. 确定减速器的减速比:减速比是根据需要伺服电机达到的效果来确定的。
可以询问技术人员所需的减速比,或者根据减速器扭矩和电机扭矩进行计算。
4. 计算减速器的扭矩:根据电机的工作条件,计算出减速器的输出扭矩。
减速器的额定扭矩应大于或等于电机的额定扭矩乘以减速比。
5. 确定减速器的精度:根据具体工作要求,选择适合的减速器精度等级。
一般来说,用于伺服电机的减速器间隙不应大于15arcmin,等级区分为P1、P2、P0。
6. 考虑其他因素:在选择伺服电机匹配的行星减速机时,还需要考虑其他因素,如减速机的刚性、质量、使用寿命和维护要求等。
综上所述,伺服电机匹配行星减速机的方法需要综合考虑多个因素,包括减速器类型、规格、减速比、扭矩、精度和其他因素。
只有选择合适的减速器才能达到理想的效果。
斜齿轮伺服减速机:是通用性强、组合性好、承载能力高、齿轮间隙小,定位精度高、传动比准确的一种减速器,它不仅很方便地与各家交流伺服电机,直流伺服电机相连接,而且效率高、振动小、允许有高的轴伸径向载荷。
性能与特点:1、齿轮采用优质合金渗碳淬火,齿面硬度高达60±2HRC,齿面磨削精度高达5-6级2、采用计算机修形技术,对齿轮进行预修形,大大提高了减速机的承载能力3、从箱体至内部齿轮,采用完全的模块化结构设计,适合大规模生产及灵活多变的选型4、标准减速机型号按扭矩递减形式划分,与传统的等比例划分相比,更符合客户要求,避免了功率浪费5、采用CAD/CAM设计制造,保证质量的稳定性6、采用多种密封结构,防止漏油7、多方位的降噪措施,确保减速机优良的低噪音性能8、产品安装方式灵活多变,易于客户选用参数:1、规格:PA27/PA37/PA47/PA57/PA67/PAR77/PA87/PA97/PA107/PA1 27/PA147/PA1672、速比:1:4,1:5,1:6,1:8,1:9,1:10,1:12,1:15,1:18,1:22,1:25,1:30,1:35,1:40,1:50,1:60,1:75,1:90,1:100,1:120,1:150,1:200,1:250,1:300, 1:400,1:500,1:600,1:800,1:1000,1:1500,1:2000,1:2500,1:30003、输入转速:1000-4000r/min。
4、输出转矩:50至15000Nm 。
5、电机功率:0.1~250kw。
6、安装形式:立式安装卧式安装。
应用场合:钢铁冶炼、环保设备、输送运输、起重建筑、石油化工、空港码头、木板造纸、玻璃陶瓷、烟草、食品、船舶运输、啤酒饮料、纺织印染、自动电梯、交通桥梁、汽车工业、航空航天、立体停车库与机械动力等精密定位领域。
变频驱动器、伺服驱动器、减速机的区别先谈下变频驱动器与伺服驱动器的区别伺服的基本概念是准确、精确、快速定位。
变频是伺服控制的一个必须的内部环节,伺服驱动器中同样存在变频(要进行无级调速)。
但伺服将电流环速度环或者位置环都闭合进行控制,这是很大的区别。
除此外,伺服电机的构造与普通电机是有区别的,要满足快速响应和准确定位。
现在市面上流通的交流伺服电机多为永磁同步交流伺服,但这种电机受工艺限制,很难做到很大的功率,十几KW以上的同步伺服价格及其昂贵,这样在现场应用允许的情况下多采用交流异步伺服,这时很多驱动器就是高端变频器,带编码器反馈闭环控制。
所谓伺服就是要满足准确、精确、快速定位,只要满足就不存在伺服变频之争。
一、两者的共同点:交流伺服的技术本身就是借鉴并应用了变频的技术,在直流电机的伺服控制的基础上通过变频的PWM方式模仿直流电机的控制方式来实现的,也就是说交流伺服电机必然有变频的这一环节:变频就是将工频的50、60HZ的交流电先整流成直流电,然后通过可控制门极的各类晶体管(IGBT,IGCT等)通过载波频率和PWM调节逆变为频率可调的波形类似于正余弦的脉动电,由于频率可调,所以交流电机的速度就可调了(n=60f/p ,n转速,f频率, p极对数)二、变频器:简单的变频器只能调节交流电机的速度,这时可以开环也可以闭环要视控制方式和变频器而定,这就是传统意义上的V/F控制方式。
现在很多的变频已经通过数学模型的建立,将交流电机的定子磁场UVW3相转化为可以控制电机转速和转矩的两个电流的分量,现在大多数能进行力矩控制的著名品牌的变频器都是采用这样方式控制力矩,UVW每相的输出要加霍尔效应的电流检测装置,采样反馈后构成闭环负反馈的电流环的PID调节;ABB的变频又提出和这样方式不同的直接转矩控制技术,具体请查阅有关资料。
这样可以既控制电机的速度也可控制电机的力矩,而且速度的控制精度优于v/f控制,编码器反馈也可加可不加,加的时候控制精度和响应特性要好很多。
具有经济实用,性价比高,精度高、钢性好、承载能力大、效率高、寿命长、体积轻小、外观美观、安装方便、定位精准等特点。
适用于交流伺服马达、直流伺服马达、步进马达、液压马达的增速与减速传动。
适合于全球任何厂商所制造的驱动产品联接。
KF系列精密伺服行星减速机:为方形法兰设计,安装尺寸简单方便。
型号分:KF40、KF60、KF90、KF120、KF160、KF200等常用机座型号。
速比:4~1000有20多种比速可选择;分一、二、三减速传动;精度:一级传动精度在5-10弧分,二级传动精度在7-12弧分;三级传动精度在9-15弧分;有数百种规格。
应用领域:伺服行星减速机可直接安装到交流和直流伺服马达上,广泛应用于中等精度程度的工业领域。
如:精密机床、焊接设备、自动切割设备、包装设备,太阳能、工业机器人、印刷设备、精密测试仪器等自动化数控设备的应用。
性能和特点:KF系列精密伺服行星减速机提供了高性价比,应用广泛、经济实用、寿命长等优点,在伺服控制的应用上,发挥了良好的伺服刚性效应,准确的定位控制,在运转平台上具备了中低背隙,高效率,高输入转速,高输入扭矩,运转平順,低噪音等特性,外观及结构设计轻小。
使用免更换的润滑油,及无论安装在何处,都可以免维修操作全封闭式设计,并且具有IP65的保护程度,因此工作环境差时亦可使用。
KF系列伺服行星减速机性能参数:KF系列伺服行星减速机转动惯量:配备电机LA LZ S LR LB LE LC L1(一级传动) L2(二级传动) L3(三级传动)200W 70 4-M4 11(F7)35 50(H7) 5 64 126 145 164 400W 70 4-M4 14(F7)35 50(H7) 5 64 126 145 164配备电机LA LZ S LR LB LE LC L1(一级传动) L2(二级传动) L3(三级传动)400W 70 4-M4 14F7 35 50(H7) 5 90 165 188 211750W 90 4-M5 19F7 35 70(H7) 5 90 165 188 211 1500W 145 4-M8 22F7 55 110(H7) 5 130 185 208 231KS50 KS63 KS75 KS90 KS110 KS130 KS150KS精密伺服蜗轮减速机:具有间隙小、效率高、速比大、寿命长、振动低、低噪音、低温升、外观美、结构轻小、安装方便、定位精确等特点,适用于交流伺服马达、直流伺服马达减速传动。
伺服电机下减速机的作用一、伺服电机的概述伺服电机是一种能够精确控制位置、速度和加速度的电机。
它通过传感器实时反馈给控制器,以实现对电机的精确控制。
伺服电机具有高精度、高响应速度和高可靠性的特点,在工业自动化、机器人、数控加工等领域广泛应用。
二、减速机的作用减速机是一种能够减小电机输出速度、增大输出扭矩的装置。
其主要作用是通过降低电机的转速,提高输出扭矩,从而适应不同工况下的需求。
减速机能够使机械设备实现高速运动和高扭矩输出,提高设备的工作效率和运行稳定性。
三、伺服电机下减速机的作用伺服电机下减速机的作用是将伺服电机的高速低扭矩输出转换为低速高扭矩输出,以满足特定工况下的需求。
具体来说,伺服电机下减速机可以实现以下几个方面的功能:1. 提高输出扭矩:伺服电机的输出扭矩较小,无法满足某些高负载工况下的需求。
通过减速机的作用,可以将伺服电机的高速低扭矩输出转换为低速高扭矩输出,从而提高了输出扭矩。
2. 实现精确控制:伺服电机可以实现精确的位置、速度和加速度控制,而减速机可以将电机的高速输出转换为低速输出,使得控制更加精确。
这对于某些对速度要求较低、但对位置要求较高的应用场景非常重要。
3. 增加输出转矩惯量:减速机的作用是通过增加转矩的惯量,使得电机的输出能够更好地适应负载的变化。
这样可以提高系统的稳定性和响应速度。
4. 降低噪音和震动:伺服电机下减速机可以降低电机的转速,减少机械设备的震动和噪音。
这对于某些对噪音和振动要求较高的应用场景非常重要,如精密加工、医疗设备等。
5. 增加传动效率:减速机的结构设计合理,可以提高传动效率,减少能量损耗。
这对于一些对能源消耗要求较高的应用场景非常重要,如风力发电、太阳能发电等。
四、伺服电机下减速机的应用领域伺服电机下减速机广泛应用于各个领域,如机器人、自动化生产线、数控机床、印刷设备、包装设备等。
在这些领域中,伺服电机下减速机能够实现精确的位置控制、高速运动和高扭矩输出,提高设备的工作效率和稳定性,满足不同工况下的需求。
伺服电机用行星减速机欧姆龙伺服电机专用行星减速机特点:为同轴式方形法兰输出,具有精度高、钢性好、承载能力大、效率高、寿命长、噪音低、体积轻小、外形美观、安装方便、定位精准等特点,适用于交流伺服马达、直流伺服马达、步进马达、液压马达的增速与减速传动。
适合于全球任何厂商所制造的驱动产品连接.KB系列枫信伺服行星减速机:分KB40、KB60、KB90、KB115、KB142、KB180、KB220、KB280同轴式机座型号,速比:3~1000有20多个比可选择;分一、二、三级减速传动;精度:一级传动精度在4-6弧分,二级传动精度在6-8弧分;三级传动精度在7-10弧分;有数百种规格。
产品型号例如:KB142-32-S2-P2。
应用领域:伺服减速机可直接安装到交流和直流伺服马达上,广泛应用于精密机床、军工设备、半导体设备、印刷包装设备、食品包裝、自动化产业、太阳能、工业机器人、精密测试仪器等高精度场合应用。
KB枫信系列精密行星减速机性能参数:精密背隙P1arcmin L1 3-10. ≤4≤4≤4≤4≤4≤4≤4≤4 L2 9-100 ≤6≤6≤6≤6≤6≤6≤6≤6 L3 64-1000 ≤7≤7≤7≤7≤7≤7≤7≤7标准背隙P2 L1 3-10. ≤6≤6≤6≤6≤6≤6≤6≤6 L2 9-100 ≤8≤8≤8≤8≤8≤8≤8≤8 L3 64-1000 ≤10≤10≤10≤10≤10≤10≤10≤10容许径向力F1 N L1L2L3 3-1000 780 850 2250 4700 6400 8500 40000 60000 容许轴向力F2 N L1L2L3 3-1000 390 450 1100 2350 3700 4250 20000 30000 使用寿命h L1L2L3 3-1000 20000效率η%L1 3-10. 97% 97% 97% 97% 97% 97% 97% 97% L2 9-100 94% 94% 94% 94% 94% 94% 94% 94% L3 64-1000 91% 91% 91% 91% 91% 91% 91% 91%重量kg L1 3-10. 0.5 1.4 4.2 9.2 20 34 48 90 L2 9-100 0.8 1.9 5.2 11.3 24.5 42 60 115 L3 64-1000 1.1 2.4 6.2 13.2 28 50 72 140噪音dB L1L2L3 3-1000 ≤58≤58≤65≤65≤70≤70≤75≤75使用温度℃L1L2L3 3-1000KB系列精密行星减速机转动惯量:规格单位段数速比KB40 KB60 KB90 KB115 KB142 KB180 KB220 KB280转动惯量kg.cm²L13/4/5. 0.03 0.18 0.75 2.85 12.4 15.3 34.8 44.9 7-10. 0.018 0.12 0.45 1.95 8.1 14.8 28.6 39.2 L29-50 0.023 0.15 0.52 2.15 7.6 15.2 32.2 41.8 70-100 0.018 0.072 0.38 1.85 6.9 14.6 26.7 32.6 L364-350 0.016 0.07 0.36 2.05 6.3 14.2 18.3 28.1 400-1000 0.016 0.065 0.29 1.65 4.3 12.6 13.7 22.5配备电机LA LZ S LR LB LE LC L1(一级传动)L2(二级传动)L3(三级传动)200W 70 4-M4 ф11(F7)35 ф50(H7) 5 64 126 145 164400W 70 4-M4 ф14(F7)35 ф50(H7) 5 64 126 145 164配备电机LA LZ S LR LB LE LC L1(一级传动)L2(二级传动)L3(三级传动)400W 70 4-M4 14F7 35 50(H7) 5 90 165 188 211 750W 90 4-M5 19F7 35 70(H7) 5 90 165 188 211 1000W 115 4-M8 19F7 55 95(H7) 5 130 185 208 231配备电机LA LZ S LR LB LE LC L1(一级传动)L2(二级传动)L3(三级传动)750W 90 4-M6 19F7 55 70(H7) 10 130 203 235 259 1500W 145/130 4-M8 22/24F7 65 110(H7) 10 130 213 245 269 2000W 165 4-M10 32F7 65 130(H7) 10 150 233 265 389配备电机LA LZ S LR LB LE LC L1(一级传动)L2(二级传动)L3(三级传动)2000W 145 4-M8 22(F7) 65 110(H7) 10 150 280 326 372 3000W 200 4-M12 35(F7) 80 114.3(H7) 10 180 305 351 397 4000W 215 4-M12 38/42(F7) 115 180(H7) 10 190 325 371 417配备电机LA LZ S LR LB LE LC L1(一级传动)L2(二级传动)L3(三级传动)3000W 200 4-M12 35F7 82 114.3H7 10 188 320 368 413 4200W 215 4-M12 38/42F7 115 180H7 10 188 340 388 433 7500W 235 4-M12 55F7 120 200H7 10 220 342 390 435配备电机LA LZ S LR LB LE LC L1(一级传动)L2(二级传动)L3(三级传动)3000W 200 4-M12 35F7 82 114.3H7 10 188 362 425 470 4200W 215 4-M12 38/42F7 116 180H7 10 188 362 425 470 7500W 235 4-M12 55F7 116 200H7 10 220 392 425 470 11000W 265 4-M12 55F7 116 230H7 10 250 392 425 470配备电机LA LZ S LR LB LE LC L1(一级传动)L2(二级传动)L3(三级传动)4200W 215 4-M12 38/42F7 116 180H7 10 188 400 488 568 7500W 235 4-M12 55F7 116 200H7 10 220 400 488 568 11000W 265 4-M12 55F7 116 230H7 10 250 400 488 568 15000W 300 4-M12 60F7 140 250H7 10 285 430 520。
伺服电机减速机用途伺服电机减速机用途伺服电机减速机是一种将高速低扭矩的电动机转换成低速高扭矩的装置,其主要作用是将电动机的输出转矩通过减速器传递给负载,以实现负载的精确控制和定位。
在工业自动化、机器人、数控加工等领域中广泛应用。
一、工业自动化领域1. 机床加工在数控加工中,伺服电机减速器可将高速低扭矩的电动机输出转换成低速高扭矩,使得数控系统可以实现高精度的定位和运动控制。
同时,它还可以提供稳定的运行性能和较长的使用寿命。
2. 自动化生产线在自动化生产线中,伺服电机减速器常被用于输送带、卷材设备等需要精确定位和控制运动的设备上。
通过与PLC或其他控制系统配合使用,可以实现对生产过程中各个环节进行精确控制和监测。
3. 包装设备在包装设备中,伺服电机减速器可用于各种需要精确定位和调整速度的设备上,如封口机、贴标机、装盒机等。
通过对电机输出转矩和速度进行精确控制,可以实现高效率的包装生产。
二、机器人领域1. 工业机器人在工业机器人中,伺服电机减速器可用于各种需要精确定位和控制运动的关节上。
通过对电机输出转矩和速度进行精确控制,可以实现工业机器人的高效率、高精度运动。
2. 服务型机器人在服务型机器人中,伺服电机减速器可用于各种需要精确定位和调整速度的设备上,如自动售货机、清洁车等。
通过对电机输出转矩和速度进行精确控制,可以实现服务型机器人的高效率、低噪音运行。
三、其他领域1. 医疗设备在医疗设备中,伺服电机减速器可用于各种需要精确定位和调整速度的设备上,如手术台、医用注射泵等。
通过对电机输出转矩和速度进行精确控制,可以实现医疗设备的高效率、低噪音运行。
2. 交通设备在交通设备中,伺服电机减速器可用于各种需要精确定位和调整速度的设备上,如电动汽车、高铁等。
通过对电机输出转矩和速度进行精确控制,可以实现交通设备的高效率、低噪音运行。
总结伺服电机减速器作为一种将高速低扭矩的电动机转换成低速高扭矩的装置,在工业自动化、机器人、数控加工等领域中有着广泛应用。
KEB伺服电机专用行星减速机欧姆龙伺服电机专用行星减速机特点:为同轴式方形法兰输出,具有精度高、钢性好、承载能力大、效率高、寿命长、噪音低、体积轻小、外形美观、安装方便、定位精准等特点,适用于交流伺服马达、直流伺服马达、步进马达、液压马达的增速与减速传动。
适合于全球任何厂商所制造的驱动产品连接.KB系列枫信伺服行星减速机:分KB40、KB60、KB90、KB115、KB142、KB180、KB220、KB280同轴式机座型号,速比:3~1000有20多个比可选择;分一、二、三级减速传动;精度:一级传动精度在4-6弧分,二级传动精度在6-8弧分;三级传动精度在7-10弧分;有数百种规格。
产品型号例如:KB142-32-S2-P2。
应用领域:伺服减速机可直接安装到交流和直流伺服马达上,广泛应用于精密机床、军工设备、半导体设备、印刷包装设备、食品包裝、自动化产业、太阳能、工业机器人、精密测试仪器等高精度场合应用。
KB枫信系列精密行星减速机性能参数:KB系列精密行星减速机转动惯量:配备电机LA LZ S LR LB LE LC L1(一级传动)L2(二级传动)L3(三级传动)2000W 145 4-M8 22(F7) 65 110(H7) 10 150 280 326 372 3000W 200 4-M12 35(F7) 80 114.3(H7) 10 180 305 351 397 4000W 215 4-M12 38/42(F7) 115 180(H7) 10 190 325 371 417配备电机LA LZ S LR LB LE LC L1(一级传动)L2(二级传动)L3(三级传动)3000W 200 4-M12 35F7 82 114.3H7 10 188 320 368 413 4200W 215 4-M12 38/42F7 115 180H7 10 188 340 388 433 7500W 235 4-M12 55F7 120 200H7 10 220 342 390 435配备电机LA LZ S LR LB LE LC L1(一级传动)L2(二级传动)L3(三级传动)3000W 200 4-M12 35F7 82 114.3H7 10 188 362 425 470 4200W 215 4-M12 38/42F7 116 180H7 10 188 362 425 470 7500W 235 4-M12 55F7 116 200H7 10 220 392 425 470 11000W 265 4-M12 55F7 116 230H7 10 250 392 425 470配备电机LA LZ S LR LB LE LC L1(一级传动)L2(二级传动)L3(三级传动)4200W 215 4-M12 38/42F7 116 180H7 10 188 400 488 568 7500W 235 4-M12 55F7 116 200H7 10 220 400 488 568 11000W 265 4-M12 55F7 116 230H7 10 250 400 488 568 15000W 300 4-M12 60F7 140 250H7 10 285 430 520。
PLE/AE/IE/PL190系列配汇川伺服电机伺服减速机PLE减速机特点:为圆形法兰输出方式,具有经济实用,性价比高,精度高、钢性好、承载能力大、效率高、寿命长、体积轻小、外形美观、安装方便、定位精准等特点,适用于交流伺服马达、直流伺服马达、步进马达的减速传动。
精度:一级传动精度在3-8弧分,二级传动精度在8-10弧分;有数百种规格。
PLE/AE/IE/PL190系列配汇川伺服电机伺服减速机精度:一级传动精度在3-8弧分,二级传动精度在8-10弧分;有数百种规格。
技术参数:外形尺寸: 40mm---160mm减速比: 3---512传递力矩: 5Nm---895Nm精密侧隙:≤5arcmin安装方式:任意PLE型号及速比:PLE40 PLE60 PLE80 PLE90 PLE120 PLE160 PLE190 PLE200L1级速比(3 4 5 7 8 10)L2级速比(9 12 15 16 20 25 32 40 64)L3级速比(60 80 100 120 160 200 256 320 512)S1光轴 S2单键轴 S3花键轴、P1精密背隙 P2标准背隙 P0超精密 K1光孔 K2单键孔 K3花键孔行星减速机产品特色:.高效率,达95%以上.低噪音,噪音小于64dB.多速比3-1000范围内可选。
.多功率电机匹配,可配套50W-18kW范围内电机.高输出扭矩,高于其它品牌同规格减速机。
.多种类型电机匹配,如步进,交流、直流电机等。
PLE/AE/IE/PL190系列配汇川伺服电机伺服减速机PLE系列伺服行星减速机可与全球任何厂家所生产的驱动马达产品连接使用,如:安川伺服、台达伺服、东元伺服、埃斯顿伺服、和利时伺服、汇川伺服、广数伺服、大森伺服、华中伺服、凯奇伺服、华大伺服、登齐伺服、雷赛伺服、步进电机、博孚伺服、三洋伺服、松下伺服、富士伺服、三菱伺服、欧姆龙伺服、日立伺服、发格伺服、施耐德伺服、西门子伺服、法那克伺服、科尔摩根伺服、科比伺服、帕克伺服、AMK伺服等伺服电机和步进电机。
750w伺服电机法兰尺寸伺服电机是一种能够控制位置、速度和加速度的电机,广泛应用于工业自动化领域。
其中,750w伺服电机作为一款中等功率的伺服电机,在各类自动化设备中经常被使用。
而法兰尺寸是伺服电机的重要参数之一,它直接决定了伺服电机与其他设备的连接方式和适配性。
伺服电机的法兰尺寸一般是指安装在电机后部的法兰的尺寸。
法兰是一个带有固定孔的平面圆盘,用于与其他设备进行连接。
通过法兰,伺服电机可以与减速器、传动装置、轴承等设备进行连接,实现能量传递和控制信号传输。
针对750w伺服电机,其法兰尺寸可能会因不同品牌和型号而有所差异。
通常情况下,750w伺服电机的法兰尺寸为80mm。
这意味着法兰的直径为80mm,孔径和螺纹尺寸也会相应匹配。
伺服电机的法兰尺寸对于设备的整体结构和性能有重要影响。
首先,法兰尺寸的选择要与其他设备的法兰尺寸相匹配,确保连接稳固可靠。
其次,法兰尺寸还会影响到设备的安装和维护。
如果法兰尺寸过大或过小,可能会给设备的安装和维护带来不便。
在实际应用中,根据具体的设备需求,可以选择不同类型的法兰。
常见的法兰类型有圆形法兰、方形法兰和六角法兰等。
不同类型的法兰适用于不同的连接方式和设备结构。
因此,在选择法兰尺寸时,还需要考虑到设备的具体要求和使用环境。
除了法兰尺寸外,还有一些与伺服电机连接相关的参数也需要注意。
例如,法兰的孔径尺寸要与其他设备的轴尺寸相匹配,以确保连接的准确性和可靠性。
750w伺服电机的法兰尺寸对于设备的连接和适配至关重要。
通过选择合适的法兰尺寸,可以确保伺服电机与其他设备的连接稳固可靠,从而提高设备的整体性能和工作效率。
因此,在选购和使用750w伺服电机时,需要仔细考虑其法兰尺寸,并结合实际需求进行选择。
750W伺服电机减速机可配进口国产伺服电机减速机,减速机、变速机精密伺服行星欧姆龙伺服电机专用行星减速机特点:为同轴式方形法兰输出,具有精度高、钢性好、承载能力大、效率高、寿命长、噪音低、体积轻小、外形美观、安装方便、定位精准等特点,适用于交流伺服马达、直流伺服马达、步进马达、液压马达的增速与减速传动。
适合于全球任何厂商所制造的驱动产品连接.
KB系列枫信伺服行星减速机:
分KB40、KB60、KB90、KB115、KB142、KB180、KB220、KB280同轴式机座型号,速比:3~1000有20多个比可选择;分一、二、三级减速传动;精度:一级传动精度在4-6弧分,二级传动精度在6-8弧分;三级传动精度在7-10弧分;有数百种规格。
产品型号例如:KB142-32-S2-P2。
应用领域:
伺服减速机可直接安装到交流和直流伺服马达上,广泛应用于精密机床、军工设备、半导体设备、印刷包装设备、食品包裝、自动化产业、太阳能、工业机器人、精密测试仪器等高精度场合应用。
KB枫信系列精密行星减速机性能参数:
KB系列精密行星减速机转动惯量:
配备电机LA LZ S LR LB LE LC L1(一级传动)L2(二级传动)L3(三级传动)2000W 145 4-M8 22(F7) 65 110(H7) 10 150 280 326 372 3000W 200 4-M12 35(F7) 80 114.3(H7) 10 180 305 351 397 4000W 215 4-M12 38/42(F7) 115 180(H7) 10 190 325 371 417
配备电机LA LZ S LR LB LE LC L1(一级传动)L2(二级传动)L3(三级传动)3000W 200 4-M12 35F7 82 114.3H7 10 188 320 368 413 4200W 215 4-M12 38/42F7 115 180H7 10 188 340 388 433 7500W 235 4-M12 55F7 120 200H7 10 220 342 390 435
配备电机LA LZ S LR LB LE LC L1(一级传动)L2(二级传动)L3(三级传动)3000W 200 4-M12 35F7 82 114.3H7 10 188 362 425 470 4200W 215 4-M12 38/42F7 116 180H7 10 188 362 425 470 7500W 235 4-M12 55F7 116 200H7 10 220 392 425 470 11000W 265 4-M12 55F7 116 230H7 10 250 392 425 470
配备电机LA LZ S LR LB LE LC L1(一级传动)L2(二级传动)L3(三级传动)4200W 215 4-M12 38/42F7 116 180H7 10 188 400 488 568 7500W 235 4-M12 55F7 116 200H7 10 220 400 488 568 11000W 265 4-M12 55F7 116 230H7 10 250 400 488 568 15000W 300 4-M12 60F7 140 250H7 10 285 430 520。