工程力学期末试卷及答案试卷A(2020年九月整理).doc
- 格式:doc
- 大小:165.00 KB
- 文档页数:5
工程力学期末考试试题一、选择题(每题2分,共40分)1. 下列哪个是牛顿第一定律的表述?A. 物体保持匀速直线运动状态,需要受到合力的作用。
B. 物体的加速度等于作用在物体上的合力与物体质量的乘积。
C. 物体受到的合力等于物体的质量与加速度的乘积。
D. 物体如果受到合力的作用,将保持静止或匀速直线运动。
2. 刚体受到外力作用时,能保持其形状不变的力称为:A. 弹性力B. 重力C. 分子间力D. 内聚力3. 下列哪个不属于关于静力学的假设?A. 刚体上每一点都能保持静止或匀速直线运动B. 刚体上任何一个点的速度和加速度都为零C. 刚体上受力的合力为零D. 刚体上每个点的受力都满足受力分解原理4. 下列哪个公式表示牛顿第二定律?A. F = maB. a = F/mC. m = FaD. a = F5. 以下哪个不是弹性力的例子?A. 弹簧的回弹力B. 橡皮筋的拉伸力C. 弓弦的张力D. 摩擦力二、计算题(每题10分,共30分)1. 质量为2 kg的物体受到一个作用力20 N,求物体的加速度。
(提示:根据牛顿第二定律,a = F/m)2. 长为2 m,截面积为0.5 m²的铁棒受到力600 N,求应力和应变。
(提示:应力σ = F/A,应变ε = ΔL/L)3. 一个质量为3 kg的物体从速度为10 m/s的高度为20 m的垂直上抛运动中落地,求物体落地时的速度。
(提示:利用重力势能与动能的转化)三、综合题(共30分)某工程项目需要修建一座拱桥,设计师需要进行力学分析。
已知拱桥的长为20 m,高为5 m,弹性模量为2×1010 N/m²,断面面积为2 m²。
请回答以下问题:1. 拱桥的体积是多少?2. 拱桥的质量是多少?3. 拱桥的弹性势能是多少?4. 若在拱桥上施加一个质量为10 kg的物体,拱桥的应力是多少?四、论述题(共50分)请结合工程实际,从以下几个方面进行论述:静力学的应用、弹性力的特点以及工程力学在城市建设中的重要性。
工程力学期末考核试卷(带答案)题号 一二三四五六七八九十总分 得分一、判断题(每题2分,共10分)1、若平面汇交力系的力多边形自行闭合,则该平面汇交力系一定平衡。
( )2、剪力以对所取的隔离体有顺时针趋势为正。
( )3、合力一定比分力大。
( )4、两个刚片构成一个几何不变体系的最少约束数目是3个。
( )5、力偶可以用一个力平衡。
( )二、填空题(每空5分,共35分)1、下图所示结构中BC 和AB 杆都属于__________。
当F=30KN 时,可求得N AB =__________ ,N BC =__________。
2、分别计算右上图所示的F 1、F 2对O 点的力矩:M(F 1)o= ,M(F 2)o= 。
3、杆件的横截面A=1000mm 2,受力如下图所示。
此杆处于平衡状态。
P=______________、 σ1-1=__________。
命题教师: 院系负责人签字:三、计算题(共55分)1、钢筋混凝土刚架,所受荷载及支承情况如图4-12(a )所示。
已知得分 阅卷人得分 阅卷人得分阅卷人班 级: 姓 名: 学 号:…………………………………………密……………………………………封………………………………线…………………………=kN⋅=Qmq,试求支座处的反力。
(15分)P4==kN/m,20kNm,10kN,22、横截面面积A=10cm2的拉杆,P=40KN,试求α=60°斜面上的σα和τα. (15分)3、已知图示梁,求该梁的支反力,并作出剪力图和弯矩图。
(25分)答案:一、判断题(每题2分,共10分): 对 对 错 对 错 二、填空题(每空5分,共35分)1. 二力杆 51.96KN -60KN2. 5KN.M -45KN.M3. 20KN 20MPa三、计算题(共55分)1. 【解】:取刚架为研究对象,画其受力图,列三个平衡方程)(kN 3446106 06 0A A ←-=⨯--=--==++=∑q P X q P X X (5分))(kN 296418220310461834 036346 0B B A ↑=⨯++⨯+⨯=+++==⨯--⨯-⨯-⨯=∑q m Q P Y q m Q P Y M (5分) )(kN 92920 00B A B A ↓-=-=-==-+=∑Y Q Y Q Y Y Y (5分)2. 【解】: 由题意得:N=P=40KN (2分) σ=N/A=40MPa (3分) σα=10MPa (5分) τα=17.32MPa (5分)3. 【解】: (1)求支座反力20B =R kN (↑),8D =R kN (↑)。
大学工程力学专业《大学物理(二)》期末考试试题A卷附答案姓名:______ 班级:______ 学号:______考试须知:1、考试时间:120分钟,本卷满分为100分。
2、请首先按要求在试卷的指定位置填写您的姓名、班级、学号。
一、填空题(共10小题,每题2分,共20分)1、图示为三种不同的磁介质的B~H关系曲线,其中虚线表示的是的关系.说明a、b、c各代表哪一类磁介质的B~H关系曲线:a代表__________________________的B~H关系曲线b代表__________________________的B~H关系曲线c代表__________________________的B~H关系曲线2、两根相互平行的“无限长”均匀带正电直线1、2,相距为d,其电荷线密度分别为和如图所示,则场强等于零的点与直线1的距离a为_____________ 。
3、一质点作半径为R的匀速圆周运动,在此过程中质点的切向加速度的方向______,法向加速度的大小______。
(填“改变”或“不变”)4、三个容器中装有同种理想气体,分子数密度相同,方均根速率之比为,则压强之比_____________。
5、已知质点的运动方程为,式中r的单位为m,t的单位为s。
则质点的运动轨迹方程,由t=0到t=2s内质点的位移矢量______m。
6、设在某一过程P中,系统由状态A变为状态B,如果________________________________________,则过程P为可逆过程;如果_________________________________________则过程P为不可逆过程。
7、设作用在质量为1kg的物体上的力F=6t+3(SI).如果物体在这一力的作用下,由静止开始沿直线运动,在0到 2.0 s的时间间隔内,这个力作用在物体上的冲量大小I=__________________。
8、将热量Q传给一定量的理想气体:(1)若气体的体积不变,则热量转化为_____________________________。
《工程力学》第二学期期末试题(一)已知:梁AB 与BC ,在B 处用铰链连接,A 端为固定端,C 端为可动铰链支座。
试画:答:(二)已知:结构如图所示,受力P 。
DE 为二力杆,B 为固定铰链支座,A 为可动铰链支座, AC为中间铰链连接。
试分别画出ADC杆和BEC杆的受力图。
(三)已知:实心圆截面轴,两端承受弯矩M和扭矩T的联合作用,轴的转速n=100 r/min,传递N P=10马力,弯矩M=200 Nm。
许用应力[σ]=6 0 MPa 。
试求: 按第三强度理论确定轴的直径d 。
MM解:对于实心圆截面轴有:323d W P π= 同时由书中公式知:m KN n N T P ⋅=⨯=702.002.7; cm 99.46010027.02.032][32d ][32/)d (332233r 322max 3r 3=⨯⨯+⨯=⇒+==πσπσπσM M M W M C Z r(四)已知:梁ABC 受均布力q 作用。
试求:铰链支座A 的反力和拉杆BD 的拉力。
四题图(五)已知:梁ABC受均布力q作用,钢质压杆BD为圆截面,直径d=4 0 mm, BD杆长L=800 mm , 两端铰链连接,稳定安全系数n st=3 , 临界应力的欧拉公式为σcr=π2 E / λ2 ,经验公式为σcr= 304–1.12 λ, E = 2 0 0 GPa ,σp=2 0 0 MPa ,σs=2 3 5 MPa 。
试求:根据压杆BD的稳定性,计算分布载荷的许可值[q]。
提示:先求分布载荷q与压杆BD的静力关系,再求BD杆的稳定许可压力q答:将BD 杆件截开,以上半部分为研究对象进行受力分析,假设BD 杆的轴力BD N (均假设为压力),对A 点取矩,列力的平衡方程为:∑=0)(F M A , q N N q BD BD 25.202232=⇒=⨯-⨯(为压力) 由于i lμλ=,464424d dd A I i =⋅⋅==ππ,又因为两端为铰链约束,1=μ,。
《工程力学》期末复习题1选择题:(1) 下面哪一选项是材料的刚度指标?AA 弹性模量E;B 屈服极限σs;C 强度极限σb;D 断后伸长率(延伸率)δ。
(2) 下面哪一选项是材料的塑性指标?DA 弹性模量E;B 屈服极限σs;C 强度极限σb;D 断后伸长率(延伸率)δ。
(3) 在铸铁压缩试验中,破坏后的铸铁试样断口平滑呈韧性,与轴线近似成45°。
破坏前,该断口所在斜截面的应力有何特点?CA 拉应力最大;B 拉应力最小;C 剪应力最大;D 剪应力最小。
(4) 在铸铁扭转试验中,铸铁断口的形态是什么样的?DA 断口平齐、与轴线垂直;B 断口平齐、与轴线近似成45°;C 断口呈螺旋面、与轴线垂直;D 断口呈螺旋面、与轴线近似成45°。
(5) 根据铸铁试件扭转破坏断口可以推断,铸铁的扭转破坏和什么因素有很大的关系?AA 最大拉应力;B 最小拉应力;C 最大剪应力;D 最小剪应力。
(6) 电阻应变片(简称电阻片或应变片)应用广泛,它是利用什么原理实现电测的?CA 压电;B 光的衍射;C 金属丝的电阻随机械变形而发生变化;D 当轴向压力达到某一临界值时,压杆失稳。
(7) 冲击韧性的物理意义是A。
A 试样断裂过程中断面单位面积吸收的能量;B 试样断裂过程中断面吸收的能量;C 试样在冲击过程中受到的最大冲击力;D 试样在冲击过程中产生的最大变形。
(8) 矩形截面梁在截面B 处沿铅垂对称轴和水平对称轴方向上分别作用有P F ,如图所示。
关于最大拉应力和最大压应力发生在危险截面A 的哪些点上,有4种答案,请判断 D 是正确的。
A +m ax σ发生在a 点,-max σ发生在b 点; B +m ax σ发生在c 点,-max σ发生在d 点; C +m ax σ发生在b 点,-max σ发生在a 点; D +m ax σ发生在d 点,-max σ发生在b 点。
(9) 构件中危险点的应力状态如图所示。
工程力学期末考核试卷(带答案)题号 一二三四五六七八九十总分 得分一、判断题(每题2分,共10分)1、若一个杆件受三力作用而处于平衡,则此三力必平行或者汇交于一点。
( )2、剪力以对所取的隔离体有逆时针趋势为正。
( )3、力偶与力矩两者的量纲相同,都是【力的单位】×【长度的单位】。
( )4、杆系结构中增加或拆除二元体不会改变体系的几何属性。
( )5、光滑接触面的约束反力可能是拉力,也可能是压力。
( ) 二、填空题(每空5分,共35分)1、已知:矩形截面h=18cm ,b=12cm ,y=6cm ,如下图所示, 则:Z I = , z S= 。
2、如上左图所示,一梁自由端作用1F 、2F 两个力,则此两力对梁上O 点的力矩分别为M1= ,M2= 。
3、杆件的横截面A=1000mm 2,P1=3KN,P2=8KN,受力如下图所示,此杆处于平衡状态。
命题教师: 院系负责人签字:则P 3=______________、σ1-1=_________ _,σ2-2=_________ _。
得分 阅卷人得分阅卷人班 级: 姓 名: 学 号:…………………………………………密……………………………………封………………………………线…………………………三、计算题(共55分)得分阅卷人1、求图示三铰刚架A,B处的支座反力。
(15分)2、P1=30kN,P2 =10kN , AC段的横截面面积A AC=500mm2,CD段的横截面面积A CD=200mm2,弹性模量E=200GPa。
试作轴力图,并求杆端D的位移量。
(15分)3、已知图示梁,求该梁的支反力,并作出剪力图和弯矩图。
(25分)答案:一、判断题(每题2分,共10分): 对 错 对 对 错 二、填空题(每空5分,共35分) 1. 5832cm4 270cm3 2. 163.2N.M -326.4N.M 3. 5KN 3MPa - 5MPa三、计算题(共55分)1. 【解】:取整个结构为研究对象,画受力图。
《工程力学》期末考试试卷适用班级考试形式班级姓名学号一、填空题(每空1分,共10*1=10分)1.工程力学研究的对象包括、板和壳体和。
2.力的三要素包含、、。
3.两个相互接触的物休间有相对滑动或有相对时,在接触面之间产生的彼此阻碍其相对滑动的切向力,称为。
4.低碳钢的拉伸过程可以分为四个阶段,即弹性阶段、和。
二、选择题(每题2分,共20*2=40分)1.刚度指构件()的能力。
A.抵抗运动B.抵抗破坏C.抵抗变质D.抵抗变形2.脆性材料拉伸时不会出现()。
A.伸长B.弹性变形C.断裂D.屈服现象3.下列不是应力单位的是()。
A.PaB.MPaC.N/m 2D.N/m 34.为使材料有一定的强度储备,安全系数的取值应()。
A.=1B.>1C.<1D.=0。
题号一二三四总分总分人得分阅卷人得分阅卷人得分5.力矩是力的大小与()的乘积。
A.距离B.长度C.力臂D.力偶臂6.如图所示,用一绳将重物吊在天花板上其中F T 为绳对重物的拉力,F Tˊ为重物对绳的拉力,其中属于作用力与反作用力是()。
A.G 与F TB.F T 与F TˊC.G 与F TˊD.没有T图1-17.通常规定,物体()转向时,力偶矩与力矩为正,反之为负。
A.向左B.向右C.顺时针D.逆时针8.图示AB 杆的B 端受大小为F 的力作用,则杆内截面上的内力大小为()。
A.FB.F/2C.D.不能确定9.力的可传性原理只适用于()。
A.刚体B.变形体C.刚体和变形体D.不能确定10.如图所示,一平面上A 、B 、C 三点分别受到力P 作用,∆ABC 为等边三角形,则此力系()。
A.平衡B.不平衡C.合力矩为0D.合力为11.构件的许用应力是保证构件安全工作的()。
A.最高工作应力B.最低工作应力C.平均工作应力D.不能确定12.按照强度条件,构件危险截面上的工作应力不应超过材料的()。
A.许用应力B.极限应力C.破坏应力D.不能确定13.相同面积的方形截面和圆形截面,下列关系正确的是()A.方圆I I = B.方圆I I < C.方圆I I > D.无法判断14.如图图示结构中力F 对O 点的力矩()F O M =()a=4,b=3,a=30oA.5FB.2.5FC.3FD.4F15.各向同性假设认为,材料内部各点的()时相同的。
201x~201x学年第x学期期末考试《工程力学》试题(A)xx 专业 xx 级第x学期201x年x月一、选择题(30分)1. 静力学研究的对象是()A、物体B、流体C、物质D、刚体2. 两个大小为3N、4N的力合成一个力时,此合力最大值为()A、5NB、7NC、12ND、1N3. 在研究拉伸与压缩应力应变时,我们把杆件单位长度的绝对变形称为()A、应力B、线应变C、变形D、正应力4. 质点动力学基本方程为()A、W=FSB、P=MVC、I=FTD、F=ma5. 以下关于截面上内力的大小的结论哪一个是正确的?()A、与截面的尺寸和形状无关B、与截面的尺寸有关,但与截面的形状无关C、与截面的尺寸和形状有关D、与截面的形状有关,但与截面的尺寸无关6.下图的合力是()A、F1B、F2C、F3D、F47.在下列关于轴向拉压杆轴力的说法中,错误的是()A.拉压杆的压力只有轴力B.轴力的作用线与杆轴线重合C.轴力是沿杆轴作用的外力D.轴力与杆的横截面积和材料有关8.设一阶梯形杆的轴力沿杆轴是变化的,则在发生破坏的截面上()A.外力一定最大,且面积一定最小B.轴力一定最大,且面积一定最大C.轴力不一定最大,但面积一定最小D.轴力与面积之比一定最大9.下列说法中不正确的是:()A力使物体绕矩心逆时针旋转为负B.平面汇交力系的合力对平面内任一点的力矩等于力系中各力对同一点的力矩的代数和C.力偶不能与一个力等效也不能与一个力平衡D.力偶对其作用平面内任一点的矩恒等于力偶矩,而与矩心无关10. 下列表述中正确的是()A. 主矢和主矩都与简化中心有关。
B. 主矢和主矩都与简化中心无关。
C. 主矢与简化中心有关,而主矩与简化中心无关。
D.主矢与简化中心无关,而主矩与简化中心有关。
11.一圆截面直杆,两端承受拉力的作用,若将其直径增加一倍,则杆的抗拉刚度将是原来的()。
A. 2倍B. 4倍C. 6倍D. 8倍12. 现有钢、铸铁两种棒材,其直径相同。
工程力学期末考试试卷( A 卷)参考答案一、选择题(每题2分,共20分)1. 工程力学中,力的作用效应取决于力的()A. 大小B. 方向C. 作用点D. 大小、方向和作用点答案:D2. 下列哪个力系是平衡力系?()A. 集中力B. 力偶C. 汇聚力D. 平面力系答案:D3. 在平面力系中,力矩的单位是()A. NB. N·mC. N/mD. N·s答案:B4. 下列哪个物理量是力对物体产生的旋转效应的度量?()A. 力B. 力矩C. 力偶D. 力矩方程答案:B5. 在空间力系中,力对轴的力矩等于力的大小乘以()A. 力的作用点B. 力的作用线C. 力的作用点到轴的垂直距离D. 力的作用线到轴的垂直距离答案:C6. 下列哪种情况表明物体处于平衡状态?()A. 静力平衡B. 动力平衡C. 静力平衡和动力平衡D. 静力平衡和运动平衡答案:A7. 拉伸试验中,材料的屈服强度是指()A. 材料屈服时的最大应力B. 材料屈服时的最小应力C. 材料断裂时的最大应力D. 材料断裂时的最小应力答案:A8. 下列哪种材料具有较大的弹性模量?()A. 钢B. 铝C. 塑料D. 橡胶答案:A9. 下列哪个原理是材料力学的基本原理?()A. 材料的屈服强度B. 材料的弹性模量C. 应力与应变的关系D. 材料的破坏准则答案:C10. 下列哪个物理量表示材料的强度?()A. 应力B. 应变C. 位移D. 转角答案:A二、填空题(每题2分,共20分)1. 在平面力系中,力矩的定义是力的作用点与力的作用线的乘积。
2. 旋转体的转动惯量是转动轴上各质点质量与其到轴的距离平方的乘积之和。
3. 拉伸试验中,材料的断后伸长率是指断后标距与原始标距的比值。
4. 材料的弹性模量是材料在弹性范围内的应力与应变的比值。
5. 在材料力学中,应力是指单位面积上的内力。
6. 应变是指物体在受力后产生的相对变形。
7. 柱体的临界载荷是指使柱体失稳的最小载荷。
工程力学期末考试试卷A及答案一、选择题(每题3分,共30分)1. 以下哪个不是工程力学的基本分析方法?A. 平面力学B. 空间力学C. 材料力学D. 热力学答案:D2. 以下哪个不是力学中的基本力?A. 拉力B. 压力C. 摩擦力D. 磁力答案:D3. 以下哪个属于静力学问题?A. 自由落体运动B. 滑轮组问题C. 抛物线运动D. 振动问题答案:B4. 在平面力系中,力的投影和力的分解遵循以下哪个定理?A. 平行四边形定理B. 三角形定理C. 矢量和定理D. 力的合成定理答案:B5. 以下哪个不是力的基本单位?A. 牛顿B. 千克力C. 达因D. 磅力答案:D6. 以下哪个属于弹性变形?A. 拉伸B. 压缩C. 剪切D. 扭转答案:A7. 材料的强度是指材料在以下哪种状态下承受的最大载荷?A. 静态B. 动态C. 高温D. 低温答案:A8. 以下哪个不是材料力学的基本假设?A. 材料是均匀的B. 材料是各向同性的C. 材料是线弹性的D. 材料是超弹性的答案:D9. 以下哪个不是梁的支座类型?A. 固定支座B. 滑动支座C. 弹性支座D. 铰接支座答案:C10. 在以下哪种情况下,力的功为零?A. 力与位移的方向相同B. 力与位移的方向垂直C. 力与位移的方向相反D. 力与位移的方向成45度角答案:B二、填空题(每题3分,共30分)1. 力的合成遵循________定理。
答案:平行四边形定理2. 材料的强度分为________强度和________强度。
答案:屈服强度、断裂强度3. 梁的变形包括________变形和________变形。
答案:弯曲变形、剪切变形4. 功的计算公式为________。
答案:W = F s cosθ5. 摩擦系数的定义为________。
答案:摩擦系数 = 摩擦力 / 垂直力6. 材料的弹性模量表示材料的________性能。
答案:刚度7. 材料的泊松比表示材料的________性能。
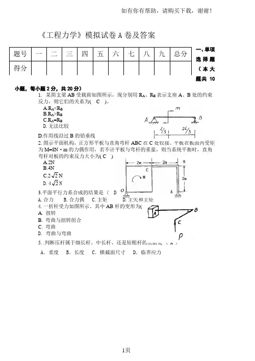
《工程力学》模拟试卷A卷及答案一、单项选择题(本大题共10小题,每小题2分,共20分)1. 某简支梁AB受载荷如图所示,现分别用R A、R B表示支座A、B处的约束反力,则它们的关系为( C )。
A.R A<R BB.R A>R BC.R A=R BD.无法比较D.作用线沿过B的铅垂线2.图示平面机构,正方形平板与直角弯杆ABC在C处铰接。
平板在板面内受矩为M=8N·m的力偶作用,若不计平板与弯杆的重量,则当系统平衡时,直角弯杆对板的约束反力大小为( C )A.2NB.4NC.22ND.42N3.平面平行力系合成的结果是 ( D )A.合力B.合力偶C.主矩D.主矢和主矩4.一折杆受力如图所示。
其中AB杆的变形为( B )A. 扭转B. 弯曲与扭转组合C. 弯曲D. 弯曲与弯曲5. .判断压杆属于细长杆、中长杆、还是短粗杆的依据是 ( A )A.柔度 B.长度 C.横截面尺寸 D.临界应力6.图示轴向受力杆件中n-n 截面上的轴力为( C )A.-3PB.-4PC.+4PD.+8P7.图示受扭圆杆中的最大剪应力为( C ) A.3d m 16π B.3d m 32π C.3d m 48π D.3dm 64π8. 图示矩形截面对z 、y 两形心轴的惯性矩分别为( D )A 22121,121hb I bh I y z ==B 22121,121bh I hb I y z ==C 33121,121bh I hb I y z ==D 33121,121hb I bh I y z ==9.某直梁横截面面积一定,下图所示的四种截面形状中,抗弯能力最强( B ) A .矩形 B .工字形 C .圆形 D .正方形10.拉压胡克定律σ=E ε的另一表达式为( D ) AA F N =σ B. ll∆=ε C μ=εε' D EA F N l l =∆二、填空题(本大题共4小题,每空2分,共10分)11.图示杆件剪切面的面积为___dt____。
一.选择题(共10分)1.(5分)两根细长杆,直径、约束均相同,但材料不同,且E1=2E2则两杆临界应力的关系有四种答案:(A)(σcr)1=(σcr)2;(B)(σcr)1=2(σcr)2;(C)(σcr)1=(σcr)2/2;(D)(σcr)1=3(σcr)2。
正确答案是。
2.(5分)已知平面图形的形心为C,面积为A,对z轴的惯性矩为I z,则图形对z1轴的惯性矩有四种答案:(A)I z+b2A;(B)I z+(a+b)2A;(C)I z+(a2-b2)A;(D)I z+(b2-a2)A。
正确答案是。
zzCz1二.填空题(共10分)1.(5分)铆接头的连接板厚度t=d,则铆钉剪应力τ=,挤压应力σbs=。
P/2PP/22.(5分)试根据载荷及支座情况,写出由积分法求解时,积分常数的数目及确定积分常数的条件。
积分常数 个,支承条件。
ADP三.(15分)图示结构中,①、②、③三杆材料相同,截面相同,弹性模量均为E ,杆的截面面积为A ,杆的长度如图示。
横杆CD 为刚体,载荷P 作用位置如图示。
求①、②、③杆所受的轴力。
CD四.(15分)实心轴与空心轴通过牙嵌离合器相连接,已知轴的转速n=100r/min,传递的功率N=10KW,[τ]=80MPa。
试确定实心轴的直径d和空心轴的内外直径d1和D1。
已知α=d1/D1=0.6。
D1五.(15分)作梁的Q、M图。
qa2/2六.(15分)图示为一铸铁梁,P 1=9kN ,P 2=4kN ,许用拉应力[σt ]=30MPa ,许用压应力[σc ]=60MPa ,I y =7.63⨯10-6m 4,试校核此梁的强度。
P 1P 280201202052(单位:mm)七.(10分)已知应力状态如图。
试求主应力及其方向角,并确定最大剪应力值。
八.(10分)直径为20mm的圆截面折杆受力情况如图所示,已知材料的许用应力为[σ]=170MPa。
试用第三强度理论确定折杆的长度a的许可值。
三、选择题(每题3分,共15分)1.固定端约束的约束本领是限制物体( )。
A 、不能移动;B 、不能转动;C 、不能移动和转动。
2. 如图2所示,力F 用在长方体的侧平面内,则以下表述正确的是( )。
A、()0,0==F M F x x ; B、()0,0≠=F M F y y ;C、()0,0≠=F M F z z ;3.为保证构件使用不失效,对于塑性材料,许用应力常由( )除以大于1的安全系数而得到。
A 、比例极限;B 、屈服极限;C 、强度极限。
4.如图所示的阴影图形面积对z 轴的惯性矩为:A 、126434hb D I Z -=π B 、126434bh D I Z -=π C 、123234bh D I Z -=π 5.低碳钢抗拉时的屈服极限应力( )抗压时的屈服极限应力。
A 、高于;B 、低于;C 、等于。
四、作图题(共20分)1.求作出图示扭转杆的扭矩图。
(4分)得分得分2.求作出图示单外伸梁的剪力图和弯矩图,并确定|Q|max和|M|ma(16分)X的值。
得分五、计算题(共35分)1.试求图示简支刚架的支座反力。
(8分)2、图示一钢制阶梯形悬臂杆件,各段横截面面积分别为A1=A3=300mm2,A2=200mm2,弹性模量E = 200G Pa。
(1)试求杆中最大应力值;(5分)(2)试求杆的总变形。
(5分)2、图示外伸梁受集中荷载F=50kN和均布荷载q=10KN/m作用。
已知:梁的容许应力[σ]=100MPa;梁为矩形截面,截面宽b=100mm,截面高h=160mm;不计梁自重,试校核该梁的正应力强度能否满足要求。
(17分)《工程力学》A卷答案一、判断题:1、∨;2、⨯;3、⨯;4、⨯;5、∨;6、⨯;7、∨;8、∨;9、∨; 10、⨯。
二、填空题:1、刚体;2、此力偶矩;3、主矢为零;4、下;5、刚度;6、644d π;7、%5%,5<>δδ; 8、EAF=∆,弹性模量: 9、受压; 10、线性,上下边缘。
工程力学试题及答案(全)一、选择题(每题2分,共20分)1. 在静力学中,力的基本要素包括以下哪几项?A. 力的大小B. 力的方向C. 力的作用点D. 力的作用时间答案:ABC2. 下列关于约束反力的说法,正确的是:A. 约束反力总是与物体运动方向相反B. 约束反力总是与物体受到的主动力相等C. 约束反力总是垂直于约束面D. 约束反力的大小和方向与物体的运动状态有关答案:C3. 在平面汇交力系中,力的投影是指:A. 力在坐标轴上的分量B. 力在坐标平面上的投影长度C. 力在物体表面上的投影长度D. 力在坐标系中的位置答案:B4. 平面力偶的作用效果取决于以下哪个因素?A. 力偶的大小B. 力偶的方向C. 力偶的作用点D. 力偶的转向答案:A5. 下列关于功的说法,正确的是:A. 功是力与物体位移的乘积B. 功是力与物体位移在同一方向上的投影的乘积C. 功是力与物体位移的乘积再乘以2D. 功是力与物体位移的乘积再除以2答案:B二、填空题(每题3分,共30分)6. 在静力学中,力的单位是______,符号为______。
答案:牛顿,N7. 二力平衡的条件是:作用在同一物体上的两个力,大小______,方向______,作用线______。
答案:相等,相反,共线8. 力矩的符号是______,力矩的单位是______。
答案:M,N·m9. 平面汇交力系平衡的充要条件是:各力在x轴上的投影之和______,各力在y轴上的投影之和______,各力对任意点的力矩之和______。
答案:等于零,等于零,等于零10. 功的计算公式是______,符号为______。
答案:W = F·S,W三、判断题(每题2分,共20分)11. 力偶的作用效果与力偶的大小、方向和作用点有关。
()答案:错误12. 在平面力偶系中,力偶的转向改变,其作用效果不变。
()答案:正确13. 功的正负取决于力与位移的方向关系,当力与位移同向时,功为正。
XXX学院院考试卷
《工程力学》
总分题号一二三四
统分人题分20 10 22 48
复查人得分
一.填空题(每空1分,共20分):
1.力是物体间相互的作用,这种作用使物体的发生改变;2.平面汇交力系平衡的几何条件是:该力系的力多形是,即等于零。
3.力偶对物体作用,只能使物体产生动、力偶只能用来平衡:
4.胡克定律的两种表达式是和;
5. 圆轴,扭矩变形时抗扭截面系数是,平面弯曲变形抗弯截面系数是。
6. 轴向拉压变形时、圆轴扭转变形时,表述变形程度的指标分别是和。
7.当梁上某段剪力图为一水平直线时则该段梁上分布载荷q= ,其弯矩图为。
8.在矩形截面梁中,横截面上最大正应力位于,最大切应力位于。
9.强度理论的任务是用来建立应力状态下强度条件,第三和第四强度理论适用于材料。
10.拉弯组合变形最大拉应力等于,压弯组合变形最大压应力等于。
二、单项选择题(每小题2分,共10分):
1. 力偶对刚体产生下列哪种运动效应()。
A.即能使刚转动,又能使刚移动;
B.与力产生的效应相同;
C.只可能使刚体移动;
D.只可能使刚体转动。
2. 某平面任意力系向O点简化得到如图所示的一个力R´和一个力偶矩M,则该力系的最后
合成结果为( )。
A.作用在O点的一个合力;
B.合力偶;
C.作用在O点左边某点的一个合力;
D.作用在O点右边某点的一个合力;
3. 如图所示,物块自重G,在水平推力P的作用下,处于临界平衡状态,已知物块与铅垂面间的摩擦力大小为( ):
A. F=fP
B. F=G
C. F=fG
D.F=P;
4. 长度、横截面相同的钢杆和铝杆受到相同的轴向拉力,则两杆的()。
A.应力相同;
B. 强度相同;
C. 轴向伸长亮相同;
D. 轴向线应变相同。
5. 在集中力偶作用处():
A. 剪力图发生突变;
B. 剪力图发生转折;
C. 弯矩图发生突变;
D.弯矩图发生转折。
三、分析题(共22分。
)
1.作轴力图(6分)
2.作扭矩图(6分)
学号和姓名务必正确清楚填写。
因填写错误或不清楚造成不良后果的,均由本人负责;如故意涂改、乱写的,考试成绩一律以“○”分计。
专业
班级
姓名
3.作Q、M图(10分)
四、计算题(每小题12分,共48分)
1.如下图所示结构,求A、B处的支座反力。
2.如下图所示,P=50kN,杆1、2的直径分别是d
1=15mm,d
2
=20mm,[]δ =150MPa
试校核两杆强度。
3.矩形截面的木拉杆接头如图所示,已知轴向拉力F=50kN,截面宽度b=250mm,木料的
jy
δ⎡⎤
⎣⎦=10 MPa,
[]τ =1 Mpa求接头处尺寸l和a.
4.图示拐轴,受铅垂载荷下作用,试按第三强度理论确定AB的直径,已知F=20kN,
[]δ=160MPa.
《工程力学》A 卷答案
一.填空题:
1. 机械,运动状态
2. 自行封闭,合力
3. 另一个力偶,转
4. FL
l EA =△,δ=E ε 5.
Wp=316
d π
,332
z W d π
=
6. 相对变形(应变),单位扭转角
7. q=0,倾斜线
8. 横截面上、下边缘,中性轴上 9.
复杂,钢,铁
10. N w δδ+(或max z M N W A δ+
=
+) 11. N w δδ+(或 max z M N W A
δ+
=
+) 二.单选:
1. D ;
2. C ;
3.A ;
4. A ;
5. C 三.分析题: 1. 2.
3.
解:○1求支反力
A
m
∑(F ')=0
B R ×2-F ×1+q ×1×12
=0 B R =7.5Kn
y
F
∑=0
A R +
B R -F -q ×1=0 A R =22.5kN
○2求各分段点两侧截面上Q 、M 值 C A
D
B
﹣ + ﹣ + ﹣ + ﹣ + Q (kN) 0
-10
12.5
12.5
-7.5
-7.5
M (kN m )
0 0 -5 -5 7.5 7.5 0 0
四.计算题:
1. 解 ○1
○
2B M ∑(F ')=0 -A R ×4+F ×3+q ×2×1=0
y
F
∑=0
A R +b R -F -q ×2×1=0
解得:A R =8.75 kN b R =16.25 kN 2. 解 ○1
○
2 Fx ∑=0
2N 0sin30-1N 0
sin 45=0
y
F
∑=0
2N 0cos30+1N 0cos 45-P =0
解得 :1N =25.9 kN 2N =36.6 kN ○
3 1δ=1
1
N A =146.4a MP <[
]δ 2δ=
2
2
N A =116.6a MP <[]δ ∴ 强度够 3. ○
1 解: A bl =,jy A ba =
○
2 jy P F =,Q F =
○3 τ=[]Q
A τ≤,[]
Q A τ≥,即350102501l ⨯≥ l ≥200mm jy δ=
jy P Ajy
≤jy δ⎡⎤⎣⎦
jy A ≥jy
jy P δ⎡⎤⎣⎦ 即250a ≥3
501010⨯
a ≥20mm
4. 解 ○1 ○
2
○3 3xd δ
=Z
W ≤[]δ 即z W ≥
3
32d π
≥
d ≥64mm。