耳式支座计算
- 格式:xls
- 大小:146.00 KB
- 文档页数:118
圆筒壳体的外径D04240圆筒壳体壁厚扣除壁厚附加量后的厚度δ018.5圆筒体上有效加强宽度Ls308.0785614垫板圆筒的外径D014270垫板厚度扣除壁厚附加量后的厚度δ0120垫板圆筒上有效加强宽度Lsi321.4560623刚性环的宽度B200刚性环的厚度T20垫板的厚度δ120圆筒壳体的壁厚δ20组合截面的惯性轴X-X的位置a190.9068503惯性轴直径Ds4298.186299刚性环对于惯性轴X-X的惯性矩I146389555.04垫板对于惯性轴X-X的惯性矩I22558029.689壳体有效加强段对于惯性轴X-X的惯性矩I39621957.004组合截面对于惯性轴X-X的惯性矩I58569541.74计算支座处作用于刚性环上的力外载荷作用在容器上的力矩 (取操作重量时,M32164911外力矩即为M;取试验重量时,取风弯矩的30%,不计地震弯矩)支座与基础接触面中心的直径。
(当缺少此数D b4720据时,可按地脚螺栓中心圆直径来计算)设备重量,可分别考虑操作重量和试验重量W225000耳试支座的数目n6作用于一个支座上的支座反力F b42043.06653反力Fb至壳体的力臂。
(设有垫板时,至圆筒b245壳体的外表面;不设垫板时,至圆筒壳体壁截面的中心)耳式支座的高度h550刚性环上的作用力F18728.27509计算刚性环组合截面上的内力和应力θ0.523598776惯性轴的半径Rs2149.09315支座处内力矩Mr34856400.5周向力Tr16219.162应力σ114.5917037刚性环材料的许用应力[σ]170两支座中间处组合截面的面积A16590.69247内力矩Mr3628055.012周向力Tr18728.27509应力σ7.041647248。
耳式支座设计计算:1基本数据:设备内径: Di=2000mm 设备总高度:H 0=8280mm 支座底板离地面高度为:H it =14000mm 水平力作用点至底板的高度:h=2200mm 基本风压:q 0=500N/mm 2地震烈度:麦卡里6度设计压力:P=0.1Mpa 设计温度:t=100℃设计材料:[σ]t =121Mpa 圆筒名义厚度:δn=14mm 钢板厚度负偏差:C 1=0.8mm 腐蚀裕量:C 2=0mm 设备总质量:m 0=15000Kg 偏心载荷:G e =0Kg 偏心距:S e =0mm 设备保温层厚度:δs=0mm 设备外径:Do=2028mm2计算支座承受的实际载荷:2.1地震载荷:16905N其中:地震系数:αc =0.232.2.风载荷:9092.781N其中:风压高度变化系数:f i = 1.14(按质心所处高度处取)水平力:P=(Pc=)9092.781N 2.3.安装尺寸:2796mm其中:底板尺寸:S 1=130mm 筋板尺寸:l 2=314mm b 2=300mm δ2=14mm 垫板尺寸:δ3=14mm==g *m *α*0.5P 0c C ==-6000i 10*H *D *q *f *0.95Pw =-+--++=)S 2(l )δ2(b )δ2δ2(Di D 1222223n2.4.支座承受的实际载荷:51.43kN 其中:支座数量:n=4个不均匀系数:k=0.83支座本体允许载荷:[Q ]=200kNQ<[Q]; 满足支座本体允许载荷的要求;3计算支座处圆筒所受的支座弯矩:19.75kN.m 筒体有效厚度:δe =13.2mm 根据δe 和P 查表B-1得:[M L ]=21.27kN.mML<[ML]; 满足支座处圆筒所受弯矩的要求;=úûùêëé+++=-3e e e 010*nD )S G 4(Ph kn G g m Q =-=312L 10)S (l Q*M所处高度处取)。
耳式支座计算载荷允许载荷耳式支座是一种常见的支座结构,广泛应用于建筑、桥梁、机械等工程领域。
在设计和使用耳式支座时,我们需要计算支座的载荷,以确定支座是否能够承受工程所需的荷载,并保证结构的稳定性和安全性。
以下是关于耳式支座计算载荷和允许载荷的一些基本知识。
1.载荷的定义:载荷是作用在支座上的外力,它可以分为静载荷和动载荷两种类型。
静载荷是指常静力作用在支座上的荷载,如自重、建筑物的静力荷载等;动载荷是指作用在支座上的周期性或不规则的动力荷载,如风荷载、地震力等。
2.载荷的计算方法:载荷的计算可以通过工程设计规范和计算公式进行。
在设计支座时,需要根据具体的工程要求和结构特点,确定相应的载荷计算方法。
例如,在计算建筑物自重荷载时,可以根据建筑物的体积、材料密度和厚度等参数,应用物理公式进行计算。
允许载荷是指支座所能承受的最大荷载。
为了确保耳式支座在工程使用过程中的稳定性和安全性,我们需要确定支座的承载能力,并设置允许载荷的上限。
允许载荷的确定需要考虑支座的结构材料、尺寸、几何形状等因素。
常见的确定允许载荷的方法包括基于力学分析和试验验证的方法。
4.耳式支座的承载能力:耳式支座的承载能力是指支座在工程使用过程中所能承受的最大荷载。
支座的承载能力需要考虑支座的结构形式和材料特性,以及支座与被支撑结构之间的力传递方式。
在计算支座承载能力时,需要进行力学分析和结构计算,包括应力、变形和稳定性等方面的考虑。
5.耳式支座的安全系数:耳式支座的安全系数是指支座的允许载荷与承载能力之间的比值。
安全系数的确定是为了保证支座在荷载作用下的稳定性和安全性。
通常情况下,工程设计中会设置一个合理的安全系数,以确保在实际使用中不会超过允许载荷。
安全系数的大小受到国家和行业规范的限制。
耳式支座在使用过程中需要进行定期的监测和维护,以确保其性能和承载能力的稳定性。
监测内容包括支座的变形、应力和位移等参数的测量,以及支座与被支撑结构之间的接触状态的检测。
t ℃D i mm [σ]t MPa δn mm C mmδe mmm 0kgH 0mmH 1mmh mmq 0N/m 2f i δis mm D o mm a G e N S e mm [M L ]kN·m 支座-Ⅰδ3mm [Q]kN b 2mm n pcs l 2mm k S 1mm P e N P w N P N Dmm Q kN M L KN·m 计算Q245R 支座材料Q235A 支座本体允许载荷150支座处圆筒所受的支座弯矩壳体保温层厚度0支座安装尺寸偏心距00支座实际承受载荷水平力水平风载荷水平地震载荷支座不均匀系数容器外径(包括保温层)支座处壳体的允许弯矩支座数量设备总质量1950048613500设计温度壳体内径壳体材料壳体设计温度下的许用应力筒体有效厚度150支座底板离地面高度2100140筒体名义厚度10厚度附加量1设备总高度结 论Q≤[Q]合格ML≤[ML]合格基本数据4支座筋板间距230支座筋板宽度P w = 1.2f i q 0D o H 0×10-6 =6801.51取较大值支座底板螺栓孔位置1159750地面粗糙度类别B 18.8238010m高度处的基本风压值水平力作用点至支座底板高度550支座垫板厚度1219.890.83风压高度变化系数10.2471.02120地震设防烈度8地震影响系数偏心载荷45910.8047611.18P= P w 或 P= P e +0.25P w =P e = am 0g =2661.6选用支座型号B6=-+-++=)(2)22(122223S l b D D n i δδ=⨯+++=-3010])(4[nDS G Ph kn G g m Q e e e =-=31210)(S l Q M Lt ℃D i mm [σ]t MPa δn mm C mmδe mmm 0kgH 0mmH mmq 0N/m 2f i δis mm D o mm a G e N S e mm [F]kN [Q]kN n pcs k δ3mm D r mm P e N P w N P N Q kN 计算水平地震载荷P e =am 0g=2971.25水平风载荷P w =1.2f i q 0D o H 0×10-6=4989.42水平力P=P w 或P=P e +0.25P w =4989.42支座实际承受载荷17.8封头名义厚度1600基本数据支座安装尺寸1200壳体保温层厚度0偏心载荷0偏心距0设计温度50壳体内径1设备总质量2524设备总高度465512椭圆形封头的允许垂直载荷149厚度附加量 1.3封头有效厚度10.7地震影响系数0.12风压高度变化系数选用支座型号水平力作用点至支座底板高度248010m高度处的基本风压值550支座数量4支座材料Q235A支座本体允许载荷地震设防烈度7封头材料Q345R 封头设计温度下的许用应力189地面粗糙度类别B 支座A312容器外径(包括保温层)162460Q≤[Q]合格Q≤[F]合格取较大值结 论支座不均匀系数0.83支座垫板厚度=⨯+++=-3010])(4[r e e e nD S G PH kn G g m QP c MPa t ℃DN mm [σ]t MPa δn mm C mmδe mmδhn mmm 0kgH 1mH 0mmH mmL mmh mmq 0N/m 2δis mmD o mm a H c mm f i [M L ]kN·m C bt mm 支腿C7-1900-63[Q]kN [τ]t MPa [σ]t MPa δa mm n pcs δb mm W mm C b mm t 2mm Dmm L o mm ηh f mm 支座数量4支座底板厚度22支座垫板厚度105支腿H型钢高度支座底板腐蚀裕度2支腿H型钢翼板厚度12角钢支腿中心圆参数1166180壳体总长度6456支座处壳体的允许弯矩24.26支座材料Q235A 支腿许用剪切应力M2433地脚螺栓规格地脚螺栓腐蚀裕度263支座型号8封头名义厚度16壳体切线距封头直边高度582440支座本体允许载荷壳体设计温度下的许用应力113筒体名义厚度设计压力0.6计 算 简 图地面粗糙度类别B 风压高度变化系数1地震设防烈度地震影响系数设计温度200适用范围:①、DN400~1600mm;②、L/DN≤5;③、对角钢和钢管支柱H1≤5m,对H型钢H 1≤8m;④、设计温度t=200℃;⑤、设计基本风压q o =800Pa,地面粗糙度为A类;⑥、地震设防烈度8度(Ⅱ类场地上),设计基本地震加速度0.2g14厚度附加量1筒体有效厚度13容器公称直径1200壳体材料Q235B 壳体保温层厚度100H型钢70支腿型式钢管支腿底板螺栓孔距设备重要度系数1支腿与壳体装配焊缝长度360基本数据12设计温度下支腿许用应力容器外径(包括保温层)142847720.16设备质心高度H c =H-h+L/2=支承高度190010m高度处的基本风压值800设备总质量13395设备总高度8。
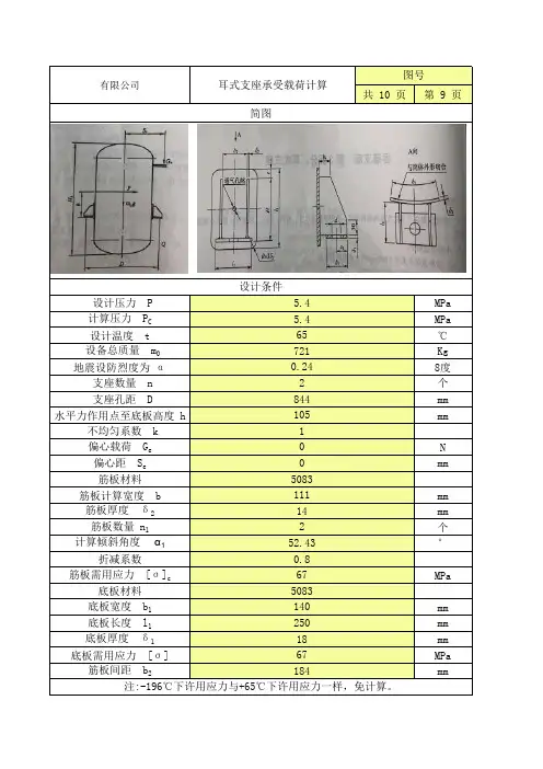
共 10 页
第 9 页
设计压力 P MPa 计算压力 P C
MPa 设计温度 t
℃ 设备总质量 m 0Kg 地震设防烈度为 α
8度 支座数量 n
个 支座孔距 D
mm 水平力作用点至底板高度 h
mm 不均匀系数 k
偏心载荷 G e N 偏心距 S e mm 筋板材料
筋板计算宽度 b
mm 筋板厚度 δ2mm 筋板数量 n 1个计算倾斜角度 α1°折减系数
筋板需用应力 [σ]c MPa 底板材料
底板宽度 b 1mm 底板长度 l 1mm 底板厚度 δ1mm 底板需用应力 [σ]
MPa 筋板间距 b 2mm
有限公司耳式支座承受载荷计算
25018
67184
注:-196℃下许用应力与+65℃下许用应力一样,免计算。
252.43
0.867
5083140100
50831111465721
0.242844105简图
设计条件
5.45.4
注:-196℃下许用应力与+65℃下许用应力一样,免计算。
依 据 标 准 及 说 明 见 批 注。
耳式支座地震反力计算
耳式支座是一种用于固定结构的支座形式,它通过一组钢形耳片与结构连接,以增加结构的稳定性和承载能力。
在地震作用下,结构会产生地震反力,而耳式支座的设计目的就是要合理分担这些反力,以保证结构的整体稳定性和安全性。
1.确定地震力参数:根据结构所在地区的地震烈度以及结构的重要性等级,确定使用的地震力参数,包括设计基准地震加速度和地震谱等。
2.确定结构特征:确定结构的质量、刚度、阻尼等特征参数,包括结构的总质量、柔度比等。
3.计算地震力:根据地震力参数和结构特征,计算出地震作用下结构所受到的地震力。
地震力主要包括剪力、弯矩和轴力等。
4.分配地震反力:根据结构的刚度分布和刚度比等,将地震力合理分配到耳式支座上。
一般来说,支座受到的地震反力与其刚度成正比。
5.耳式支座地震反力计算:根据分配的反力和支座的刚度,计算每个支座所受到的地震反力。
可以使用公式F=k*Δx来计算,其中F是支座所受到的反力,k是支座的刚度,Δx是支座的位移。
6.耳式支座设计:根据地震反力计算结果,对耳式支座进行设计和选择。
选择适当的耳式支座材料和尺寸,以满足结构的要求。
7.地震反力校核:对计算得到的地震反力进行校核,确保支座的安全性和稳定性。
根据结构的要求,进行强度和刚度的校核。
以上就是耳式支座地震反力计算的详细步骤和方法。
在进行计算和设计时,需要注意地震力参数的准确性和结构特征的合理性,以确保计算结
果的准确性和设计方案的合理性。
此外,耳式支座地震反力计算是一项复杂的工作,需要借助计算软件和专业知识来进行。
耳式支座计算载荷允许载荷
【原创版】
目录
1.耳式支座的概述
2.计算载荷的定义和重要性
3.允许载荷的定义和计算方法
4.耳式支座的应用领域
5.结论
正文
耳式支座是一种常见的机械零部件,它主要用于支撑和固定机械设备的部件,以承受和分散载荷。
在机械设备的设计和使用过程中,计算载荷和允许载荷是非常重要的参数。
计算载荷是指在正常使用条件下,机械设备部件所能承受的最大载荷。
这个参数决定了部件的使用寿命和稳定性。
计算载荷通常由设计人员根据设备的工作条件和使用环境来确定。
允许载荷则是指耳式支座在正常使用条件下,可以安全承受的最大载荷。
这个参数决定了耳式支座的使用寿命和稳定性。
允许载荷通常由制造商根据产品的设计和材料性能来确定。
耳式支座的应用领域非常广泛,它可用于各种机械设备的支撑和固定,如汽车、飞机、船舶等。
在机械设备的使用过程中,如果超过了耳式支座的允许载荷,就可能导致支座变形或损坏,从而影响设备的正常工作和使用安全。
总的来说,耳式支座的计算载荷和允许载荷是机械设备设计和使用中的重要参数。
第1页共1页。
耳式支座计算载荷允许载荷
(原创实用版)
目录
1.耳式支座的定义和作用
2.计算载荷的方法和重要性
3.允许载荷的定义和影响因素
4.耳式支座的应用领域和未来发展
正文
耳式支座是一种常见的机械零件,主要用于支撑和固定机械设备的部件,以承受和分散载荷。
在机械设备的设计和使用过程中,计算载荷是非常重要的一环。
因为只有准确地计算出设备的载荷,才能保证设备的正常运行和使用寿命,同时也能确保设备的安全性能。
计算载荷的方法通常是根据设备的工作条件和使用环境,以及设备的设计和材料等因素,通过数学模型和工程经验进行估算。
这个过程需要考虑的因素非常多,包括设备的工作时间、工作强度、工作温度等。
因此,计算载荷是一项复杂而繁琐的工作,需要专业的技术人员进行。
允许载荷是耳式支座能够承受的最大载荷,超过这个载荷,耳式支座就可能发生损坏或者变形,从而影响设备的正常运行。
允许载荷的大小取决于耳式支座的材料、尺寸和结构等因素。
因此,在选择和使用耳式支座时,必须根据实际工作条件和需要,选择合适的允许载荷。
耳式支座的应用领域非常广泛,几乎涵盖了所有的机械设备行业。
包括汽车制造、航空航天、建筑工程、电力设备等。
在未来的发展中,随着科技的进步和工艺的提高,耳式支座将会更加精确和耐用,以满足不断提高的使用要求。
总的来说,耳式支座在机械设备的设计和使用中扮演着非常重要的角
色。
计算载荷和允许载荷的准确,不仅可以保证设备的正常运行,也可以提高设备的使用寿命和安全性能。
耳式支座受力计算耳式支座是一种常用的机械连接装置,用于将两个物体或零件固定在一起,并传递受力。
它通常由几个零件组成,包括两个耳朵和一个轴。
耳式支座常用于连接轴和齿轮、扭矩杆和固定结构等。
耳式支座的受力计算是确定支座在受力情况下的应力和变形。
在计算过程中,需要考虑支座和连接零件的材料性质、几何形状、外部受力等因素。
以下将详细介绍耳式支座的受力计算步骤。
首先,确定支座所受的受力情况。
支座受力主要包括轴向力、弯矩和剪切力。
轴向力是作用在支座上的沿轴线的力;弯矩是作用在支座上的力对支座的弯曲产生的力矩;剪切力是作用在支座上的力的剪切分力。
其次,计算支座的应力。
支座所受的轴向力和剪切力都会产生应力。
轴向力作用下的轴向应力可以通过应力等于力除以面积来计算,面积可以是受力面的横截面积。
剪切力产生的剪切应力可以通过剪切应力等于剪切力除以受力面面积来计算。
然后,计算支座的变形。
支座受力后会引起变形,主要包括轴向变形、横向变形和扭转变形。
轴向变形是由轴向压缩或拉伸引起的长度变化;横向变形是由弯矩引起的横向位移;扭转变形是由扭矩引起的角度变化。
这些变形可以通过典型的力学方程和材料特性来计算。
最后,评估支座的有效性。
通过对支座受力和变形的计算结果进行评估,可以判断支座是否符合设计要求。
如果支座应力和变形超过了允许范围,需要进行支座结构的修正或选用更适合的支座。
在耳式支座受力计算中,还需要考虑一些特殊情况。
例如,在耳式支座的轴向力较大或支座材料较脆弱时,可能会导致支座的破坏。
这时需要选择更强度的材料或增加支座的强度设计。
此外,压性、剪切容许应力、变形容许值等因素也需要加以考虑。
总之,耳式支座的受力计算是一项复杂的工作,需要综合考虑力学公式、材料特性和设计要求等因素。
通过合理计算和评估,可以确保支座的可靠性和安全性。
耳式支座校核计算
符号意义符号数值备注筒体内径 mm Di 4000
壳体名义厚度mm δn 18
筋板间距 mm b2400
筋板宽度 mm L2600
筋板厚度mm δ218
垫板厚度mm δ316
螺栓孔位置 mm S1140
耳座安装尺寸 mm D 4968.287
符号意义符号数值备注重力加速度 m/s^2g 9.8取g=9.8 m/s^2偏心载荷 N Ge 0
偏心距 mm Se 0
水平力作用点至底板高度 mm h 2500
不均匀系数k 0.83n=3,k=1;n ≥3,k=0.83设备总质量 kg
mo 120000包括壳体及其附件,内部介质及保温层的质量支座数量n 8地震系数
αe 0.12对7,8,9度地震分别取0.08(0.12),0.16(0.24),0.32容器外径 mm
Do 4036风压高度变化系数
fi 1按设备质心所处高度取容器总高度 mm
Ho 8000基本风压值 N/m^2
qo 55010m 高度处水平地震力 N
Pe 141120水平风载荷 N
Pw 16870.48水平力 N
P 145337.6取Pw 和Pe+0.25Pw 的大值支座实际承受的载荷K N Q
213.6748支座处弯矩kN.m ML 98.29039耳式支座校核计算(JB/T4712.3-2007
耳座安装尺寸D 计算
耳式支座实际承受载荷的近似计算。